Schéma de câblage dans l'appartement : câblage électrique des différentes pièces

Façons de poser des fils et des câbles

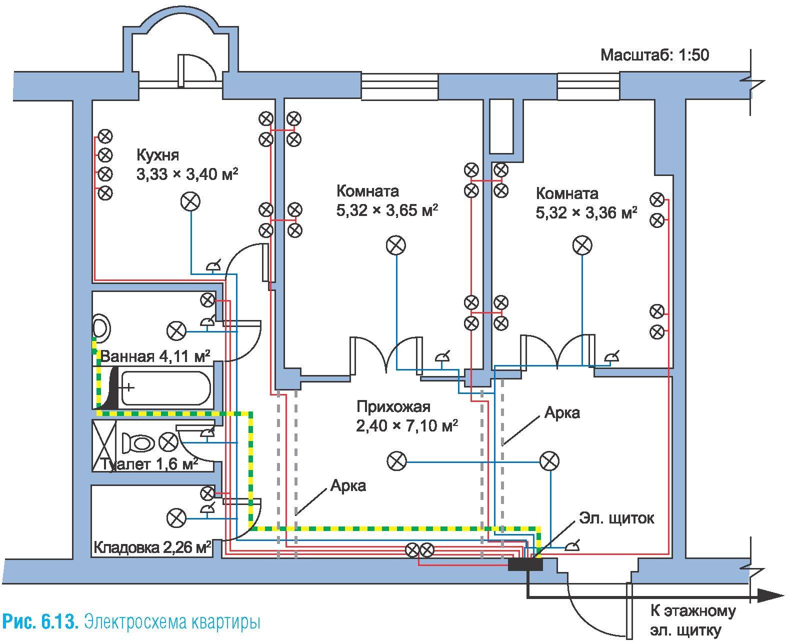
Ici, notre schéma de câblage prend une certaine forme. Le schéma comporte déjà des marquages ​​pour les appareils d'éclairage, les prises et les interrupteurs, il suffit maintenant de séparer et de connecter tous ces éléments avec un câble électrique ou un câblage.

Schéma de câblage dans l'appartement : câblage électrique des différentes pièces

Cette étape est la plus importante dans le processus de câblage en intérieur, c'est de celle-ci que dépend en grande partie la performance du réseau électrique dans la pièce.

Schéma de câblage dans l'appartement : câblage électrique des différentes pièces

Il convient de noter qu'il est recommandé de câbler le réseau le long des chemins les plus courts, cela doit être fait pour économiser les fils.

Schéma de câblage dans l'appartement : câblage électrique des différentes pièces

Le câblage des fils eux-mêmes peut avoir deux options.La première est lorsque tous les fils sont posés le long des stroboscopes muraux à l'intérieur des murs, et la deuxième option est lorsque le câble est posé dans une boîte spéciale qui est montée à l'extérieur du mur.

Schéma de câblage dans l'appartement : câblage électrique des différentes pièces

Il est également nécessaire d'installer des boîtes de jonction qui répartissent les fils dans la pièce. Si, dans la pièce, il est nécessaire d'effectuer une mise à la terre, dans ce cas, il est nécessaire d'utiliser des fils pour trois conducteurs.

Schéma de câblage dans l'appartement : câblage électrique des différentes pièces

Schéma de câblage dans l'appartement : câblage électrique des différentes pièces

L'alimentation électrique dans la pièce est très importante et d'une grande importance, qui est principalement réalisée par deux types de fils. Le premier est un câble d'alimentation capable de supporter des tensions élevées sur le secteur, et le second est un câble standard pouvant être utilisé pour l'éclairage. Ainsi, cet article décrit les étapes spécifiques pour l'élaboration d'un schéma de câblage pour une connexion à faire soi-même.

Il n'est pas si difficile d'établir un tel circuit, comme il semble à première vue, presque tous ceux qui comprennent au moins un peu l'électricité feront face à un tel travail.

Ainsi, cet article décrit les étapes spécifiques pour l'élaboration d'un schéma de câblage pour la connexion de vos propres mains. Il n'est pas si difficile d'établir un tel circuit, comme il semble à première vue, presque tous ceux qui comprennent au moins un peu l'électricité feront face à un tel travail.

Schéma de câblage dans l'appartement : câblage électrique des différentes pièces

Également dans l'article, il existe divers schémas de câblage photo qui aideront quiconque souhaite comprendre à chaque étape du travail.

Schéma de câblage dans l'appartement : câblage électrique des différentes pièces

Par conséquent, il ne devrait pas y avoir certaines difficultés à établir un schéma de câblage. Avec un respect clair et correct de toutes les recommandations, vous réussirez !

Schéma de câblage dans l'appartement : câblage électrique des différentes pièces

Comme c'était avant

À l'époque de la gestion socialiste, le câblage électrique dans les appartements était simple.Premièrement, ils n'avaient pas entendu parler de câbles en cuivre à l'époque, le câblage était en fil d'aluminium avec une couche d'isolation. Le fil d'entrée était connecté au sac d'entrée, et à partir de celui-ci, le fil était acheminé à travers les pièces.

Et si une plaque de cuisson électrique était utilisée dans l'appartement, la section du fil était de 4 mm², si la cuisinière était au gaz, la section du câble était de 2,5 mm². Et c'est pour tout l'appartement, ce qui aujourd'hui, bien sûr, est inacceptable.

D'ailleurs, en ce qui concerne les groupes du circuit électrique, ils pourraient être différents et le plus souvent combinés. Par exemple, une cuisine, un couloir, une salle de bain, des toilettes et même un couloir étaient fermés sur une boucle. Dans le même temps, la division en éclairage et prises n'a pas été réalisée. Bien sûr, en ces temps lointains, où le nombre d'appareils électroménagers se réduisait à une télévision, un réfrigérateur et un fer à repasser, cela suffisait. Autrement dit, le schéma de câblage électrique a résisté sans problème aux charges de ces appareils.

Schéma de câblage dans l'appartement : câblage électrique des différentes pièces

Soit dit en passant, ce type de câblage n'est pas rare aujourd'hui, où un fil d'aluminium d'une section de 2,5 mm² est utilisé, connecté dans un tableau avec des machines automatiques de 16 A. Certes, les règles de fonctionnement modernes n'approuvent pas une telle combinaison. Et le point ici n'est pas que les fils d'aluminium avec une seule couche d'isolation ont une faible sécurité, et même pas que leur section est trop petite pour les charges modernes. Le fait est que les règles interdisent la division des trains en chambres, ils doivent être divisés en groupes de consommateurs. C'est-à-dire que l'éclairage est séparé, les prises sont séparées, s'il y a des récepteurs fixes dans l'appartement (une plaque de cuisson électrique, par exemple) séparément.

La procédure pour effectuer des travaux avec le câblage électrique

Il est recommandé de commencer les travaux d'installation des produits d'installation électrique et de connexion des nœuds terminaux à partir du point le plus éloigné de la boîte de jonction centrale.

En règle générale, un tel point est la ou les prises électriques de la pièce la plus éloignée.

Schéma de câblage dans l'appartement : câblage électrique des différentes pièces
Les travaux de raccordement des prises électriques des appartements partent traditionnellement des prises de la pièce la plus éloignée. Les exigences d'installation modernes de tels produits d'installation électrique nécessitent une configuration à trois fils

Étape n ° 1 - connexion des prises d'appartement

Les bornes de sortie sont connectées aux conducteurs de la ligne électrique (phase - zéro), et, selon les règles, chacune des prises doit être connectée à la borne de terre au conducteur de terre.

Les conducteurs - phase, zéro, terre, en règle générale, ont une couleur différente:

  • phase - marron;
  • zéro - bleu;
  • la terre est jaune-vert.

De plus, le conducteur de terre, toujours selon les règles, a toujours un diamètre accru par rapport aux deux autres conducteurs.

Une fois l'installation et la connexion terminées, vous devez vérifier l'intégrité des lignes de la section actuelle du câblage de l'appartement à l'aide d'un testeur d'électricien.

Schéma de câblage dans l'appartement : câblage électrique des différentes pièces
Test des bornes connectées au moyen d'un instrument de test. Le contrôle est simple - grâce à la fonction de mesure de la résistance pour un "court-circuit" du circuit

Lire aussi :  Combien d'électricité consomme un réfrigérateur ? Comprendre comment choisir un équipement économique

Pour exécuter un test :

  1. À l'autre extrémité du canal dans la boîte de jonction, connectez les fils de phase et de neutre ensemble.
  2. Connectez les sondes de l'appareil de mesure, qui est connecté à la mesure de la résistance, à la prise.
  3. Vérifiez que le testeur indique "court-circuit".

Une vérification similaire est également effectuée pour la ligne de terre en la connectant à l'un des fils de ligne. Dans le même temps, l'une des sondes de l'appareil est déplacée vers le bus de masse.

Ainsi, en se rapprochant du point d'entrée principal, toutes les bornes de prise incluses dans le circuit de l'appartement sont éteintes en séquence.

Dans ce cas, après avoir testé chacune des deux sections, des connexions de fils sont réalisées à l'intérieur des boîtes de jonction. Après avoir terminé le travail avec les prises, ils passent aux commutateurs - appareils de communication.

Étape # 2 - installation d'interrupteurs d'éclairage d'appartement

Ce type d'installation dans son ensemble n'est pas très différent du travail avec des prises d'appartement. Cependant, ses points techniques lors de l'installation d'un interrupteur d'éclairage.

Ainsi, si les prises permettent une connexion parallèle directe au circuit, le circuit de commutation forme une coupure de circuit à travers un fil (phase) - c'est-à-dire une commutation en série.

Schéma de câblage dans l'appartement : câblage électrique des différentes pièces
Un exemple de dispositif d'unité de commutation, composé de deux commutateurs du même type (simple) de conception. En règle générale, cet agencement d'appareils est typique de la salle de bain d'un appartement.

Les interrupteurs sont également montés dans des niches de panneaux muraux, mais il est pris en compte que chaque appareil de communication fonctionne avec un appareil d'éclairage spécifique. À partir de là, l'exécution du commutateur est sélectionnée - une seule clé, deux clés.

Il est également recommandé de tester le fonctionnement des interrupteurs de câblage résidentiels. Cela se fait simplement. Les conducteurs destinés au dispositif d'éclairage sont connectés au testeur en mode de mesure de résistance, après quoi la clé est manipulée.

À l'état fermé, le testeur affichera un "court-circuit", à l'état ouvert - pas de contact.

Une partie du circuit avec des interrupteurs et des lampes implique également la présence de boîtes de jonction, où, après avoir testé des sections individuelles, des connexions sont établies avec le reste du câblage.

Étape #3 - travail sur le site d'installation du compteur

La plupart des options d'installation prévoient l'installation d'un compteur électrique à l'intérieur de l'appartement. Habituellement, ce dispositif de commande est monté à proximité immédiate du point d'entrée des conducteurs sortant du blindage.

Cela nécessite non seulement l'installation du compteur lui-même, mais également l'installation de disjoncteurs calculés en fonction de la charge - théoriquement, en commutant chaque section fonctionnelle du câblage de l'appartement, comme dans l'exemple ci-dessous :

Schéma de câblage dans l'appartement : câblage électrique des différentes piècesSchéma de câblage d'appartement efficacement protégé en installant des disjoncteurs sur chaque segment individuel (+)

Un tel schéma garantit le fonctionnement fiable du câblage électrique dans l'appartement, vous permet d'éliminer les éventuels dysfonctionnements sans supprimer la tension sur l'ensemble du réseau domestique.

De plus, il devient pratique de tester le câblage de l'appartement lors de sa première mise sous tension, en incluant séquentiellement chaque segment individuel.

Combien de phases apporter dans la maison

Il est permis de démarrer une phase (220V) ou trois phases (380V) dans une maison privée, tandis que les taux de consommation pour les consommateurs monophasés sont de 10 à 15 kW et pour les consommateurs triphasés - 15 kW.

Schéma de câblage dans l'appartement : câblage électrique des différentes piècesL'entrée triphasée n'est nécessaire que lorsque vous devez connecter un équipement puissant alimenté en 380 V

Pour les ignorants, il peut sembler qu'il n'y a pas beaucoup de différence, mais en fait, la différence est assez importante.Un réseau triphasé ne sera nécessaire que s'il est prévu d'installer de puissants consommateurs électriques, tels que des poêles triphasés ou des chaudières de chauffage (électriques). Sinon, il n'y a pas besoin de réseau triphasé dans la maison, puisque presque tous les consommateurs domestiques sont conçus pour fonctionner sur un réseau 220V. De plus, 380V est beaucoup plus dangereux que 220V, donc l'utilisation de 380V dans une maison privée ne peut pas être qualifiée de décision raisonnable, et il est peu probable que vous puissiez obtenir une autorisation s'il n'y a pas de bonnes raisons.

Photo de câblage bricolage

Schéma de câblage dans l'appartement : câblage électrique des différentes pièces

Schéma de câblage dans l'appartement : câblage électrique des différentes pièces

Schéma de câblage dans l'appartement : câblage électrique des différentes pièces

Schéma de câblage dans l'appartement : câblage électrique des différentes pièces

Schéma de câblage dans l'appartement : câblage électrique des différentes pièces

Schéma de câblage dans l'appartement : câblage électrique des différentes pièces

Schéma de câblage dans l'appartement : câblage électrique des différentes pièces

Schéma de câblage dans l'appartement : câblage électrique des différentes pièces

Schéma de câblage dans l'appartement : câblage électrique des différentes pièces

Schéma de câblage dans l'appartement : câblage électrique des différentes pièces

Schéma de câblage dans l'appartement : câblage électrique des différentes pièces

Schéma de câblage dans l'appartement : câblage électrique des différentes pièces

Schéma de câblage dans l'appartement : câblage électrique des différentes pièces

Schéma de câblage dans l'appartement : câblage électrique des différentes pièces

Schéma de câblage dans l'appartement : câblage électrique des différentes pièces

Schéma de câblage dans l'appartement : câblage électrique des différentes pièces

Schéma de câblage dans l'appartement : câblage électrique des différentes pièces

Schéma de câblage dans l'appartement : câblage électrique des différentes pièces

Schéma de câblage dans l'appartement : câblage électrique des différentes pièces

Schéma de câblage dans l'appartement : câblage électrique des différentes pièces

Nous vous conseillons également de visionner :

  • Pose de bardage à faire soi-même
  • Plancher chaud faites-le vous-même
  • Bain de vos propres mains
  • Plancher autonivelant à faire soi-même
  • Mastic décoratif bricolage
  • Installation de toilettes à faire soi-même
  • Poteaux de clôture à faire soi-même
  • Plafond tendu à faire soi-même
  • Éclairage de plafond à faire soi-même
  • Réchauffement de la loggia à faire soi-même
  • Cloison de bricolage
  • Plancher en bois bricolage
  • Pistes à faire soi-même
  • Comment faire de la peinture DIY
  • Maçonnerie bricolage
  • Enduit décoratif bricolage
  • Clôture à faire soi-même en carton ondulé
  • Cheminée bricolage
  • Isolation de la maison à faire soi-même et principales méthodes d'isolation thermique
  • clôture grillagée
  • Installation de fenêtres en plastique à faire soi-même
  • Décoration d'intérieur à faire soi-même
  • Clôture de bricolage
  • Comment faire un balcon de vos propres mains
  • Four à faire soi-même
  • Porte à faire soi-même
  • Gazebo de bricolage
  • Couler le béton de vos propres mains
  • Coffrage à faire soi-même
  • Papier peint liquide bricolage
  • Chape de sol à faire soi-même
  • Fondation à faire soi-même
  • Maison à ossature bricolage
  • Couloir de vos propres mains
  • Ventilation à faire soi-même
  • Papier peint à faire soi-même
  • Anneau de béton bricolage
  • Toit à faire soi-même
  • Sol stratifié à faire soi-même
  • Escalier au deuxième étage avec vos propres mains
  • Zone aveugle à faire soi-même
  • Rénovation de salle de bain bricolage
  • Polycarbonate à faire soi-même
  • Installation de porte à faire soi-même
  • Cloison sèche à faire soi-même
  • Arche à faire soi-même
  • Gainez le clin de vos propres mains
  • Projet de maison de bricolage
  • Portail de bricolage
  • Cabine de douche bricolage
  • Pose de carrelage à faire soi-même

Dessiner un schéma - partie éclairage

Dans notre exemple, tous les lustres et lampes seront situés au centre de la pièce. Commençons à dessiner, depuis la pièce, le numéro 1 est le hall. Les coordonnées de l'emplacement des luminaires, la longueur et la largeur, si disponibles, les dimensions exactes de la pièce, vous pouvez spécifier immédiatement. Pour notre exemple, il n'y a pas de dimensions spécifiques, nous effectuerons donc toutes les mesures nécessaires lors de la première étape de l'installation - le marquage. Par exemple, je vais vous montrer comment trouver le centre de la pièce. Tout d'abord, nous mesurons la largeur de la pièce, divisons la valeur résultante en deux. Par exemple, si la largeur s'est avérée être de 4 mètres, nous la divisons en deux, 4: 2 \u003d 2, cela donne 2 mètres. Schéma de câblage dans l'appartement : câblage électrique des différentes pièces Maintenant, nous mesurons la longueur de la pièce et la divisons également en deux. Par exemple, 6 mètres de long, divisez en deux, 6: 2 \u003d 3, il s'est avéré 3 mètres. Nous connaissons les coordonnées du milieu. Selon les valeurs données, marquez le centre de la pièce. Je l'ai marqué d'une croix.Schéma de câblage dans l'appartement : câblage électrique des différentes pièces De même, nous marquons toutes les autres pièces. Schéma de câblage dans l'appartement : câblage électrique des différentes pièces Г - pièce en forme, au numéro 4 (hall d'entrée), nous la divisons en deux parties et la marquons également. Schéma de câblage dans l'appartement : câblage électrique des différentes piècesMaintenant, nous remplaçons les croix par les symboles des luminaires et obtenons une telle image. Schéma de câblage dans l'appartement : câblage électrique des différentes pièces Pour terminer notre circuit, nous devons dessiner les interrupteurs. Pour ce faire, nous devons à nouveau réfléchir et décider, cette fois, avec des portes intérieures. A savoir, de quel côté elles s'ouvriront, à gauche ou à droite, et où, vers l'intérieur ou vers l'extérieur.Ceci est fait pour qu'une sorte d'interrupteur ne se déclenche pas accidentellement à l'extérieur de la porte lorsque la réparation est complètement prête. Habituellement, l'ouverture des portes se fait dans le plus petit angle. Ici, l'utilité de la place à gauche et à droite est prise en compte, mais on n'oublie pas non plus le mobilier, la porte ne doit pas s'y appuyer. Donc, nous avons choisi les portes.

Lire aussi :  Relais électromagnétique : appareil, marquage, types + subtilités de connexion et de réglage

Schéma de câblage dans l'appartement : câblage électrique des différentes pièces Maintenant, nous pouvons dessiner les interrupteurs. En règle générale, les interrupteurs sont situés à l'intérieur des chambres. Ainsi, lorsque vous ouvrez la porte et entrez dans la pièce, vous pouvez immédiatement allumer la lumière et l'éteindre lorsque vous partez. Le contrôle de la lumière d'une pièce particulière sera entièrement entre les mains de celui qui s'y trouve. Ils allèrent se coucher, éteignirent la lumière et il n'était pas nécessaire de quitter la pièce. À l'aise. L'exception concerne les pièces humides et humides, telles que les salles de bains et les toilettes. Ici, les interrupteurs sont retirés, car la pénétration constante d'humidité dans l'interrupteur entraînera sa défaillance rapide.

Nous dessinons des interrupteurs sur le diagramme à l'aide de symboles. Avant de commencer l'installation du câblage électrique, il faudra indiquer sur le schéma, les dimensions spécifiques des interrupteurs, la hauteur et le retrait du bord de la porte.

Schéma de câblage dans l'appartement : câblage électrique des différentes pièces Donc, à la fin, nous avons deux images :

  1. disposition des prises
  2. schéma des lampes et des interrupteurs

La première étape est terminée. En conséquence, nous avons la première et principale partie du circuit électrique.

Règles de connexion des fils

Le point pratique est le raccordement des fils. Elle s'effectue soit par l'intermédiaire de boîtes de jonction/montage soit directement, à l'aide de cosses ou de torsion.

Schéma de câblage dans l'appartement : câblage électrique des différentes piècesLa disposition des boîtes de jonction aux intersections des fils posés horizontalement et verticalement.Le but du RC est de regrouper les consommateurs en groupes ou lignes séparées. Cela permet une utilisation plus économique du câble et simplifie le processus d'installation.

Cacher des boîtes de jonction sous du plâtre ou du papier peint est risqué - vous devrez retirer le revêtement pour les réparations. À cet égard, certains électriciens mettent en œuvre une manière différente de connecter les fils - avec des boîtes de montage pour prises et interrupteurs.

L'avantage de cette méthode est le libre accès aux connexions, le moins est la consommation accrue de câbles.

Pour connecter les fils dans la ligne de prise, un thermorétractable est utilisé, pour l'installation du réseau d'éclairage - Bornes Wago avec un mécanisme à ressort.

De plus, beaucoup utilisent des borniers, du sertissage et de la soudure traditionnelle.

Considérez la procédure de sertissage avec des manchons:

C'est l'un des moyens les plus simples et les plus efficaces de faire votre propre câblage, pour lequel vous avez besoin de pinces à sertir, de manchons à la taille, d'une torche et de matériau thermorétractable.

Nous avons examiné une analyse détaillée des méthodes de connexion des fils ici.

Règles de câblage électrique

Ainsi, les travaux d'installation électrique correctement effectués dépendent du respect de l'exigence d'un document - ce sont les "Règles d'installation électrique" ou, en bref, le PUE. En fait, il s'agit d'une instruction d'utilisation étape par étape. Dans ce document, tout est disposé sur les étagères. Laquelle de ces règles vous aidera à installer correctement le câblage dans une maison privée de vos propres mains?

  • Tous les éléments de câblage doivent être accessibles, quel que soit leur emplacement d'installation. Ces éléments comprennent les prises, les interrupteurs, les boîtes de jonction, les compteurs.
  • Les prises sont installées à une hauteur de 50 à 80 cm de la surface du sol. La distance des plaques de cuisson et des radiateurs de chauffage est d'un demi-mètre.Le nombre de prises est déterminé par la superficie de la pièce. Une prise par 6 m². Dans la cuisine, la quantité est déterminée par le besoin de ces appareils. Ils ne sont pas montés dans les toilettes, des échantillons résistants à l'humidité sont installés dans la salle de bain.
  • Les interrupteurs doivent être montés à une hauteur de 60 à 150 cm, tout en tenant compte de la largeur du vantail de la porte. Il ne doit pas couvrir l'interrupteur. Habituellement, si la porte s'ouvre vers la gauche. L'interrupteur est installé sur le côté droit de l'entrée.

Schéma de câblage dans l'appartement : câblage électrique des différentes pièces
Hauteur de montage des interrupteurs

  • Les câbles ne peuvent être posés qu'horizontalement ou verticalement. Dans ce cas, il existe certaines distances par rapport aux surfaces adjacentes, aux tuyaux ou aux structures de support. Pour les contours horizontaux - 5-10 cm des poutres du sol ou 15 cm de la surface de base du plafond. Du sol dans la plage de 15 à 20 cm Contours verticaux: des ouvertures de fenêtres et de portes d'au moins 10 cm, des conduites de gaz - 40 cm.
  • Quel que soit le type de câblage qui sera posé (caché ou ouvert), il est nécessaire de s'assurer que le câble n'appuie pas contre les parties métalliques de la structure.
  • Si plusieurs fils sont posés le long d'un circuit à la fois, il est contre-indiqué de les presser les uns contre les autres. La distance minimale est de 3 mm entre eux. Il est préférable de poser chaque câble dans une ondulation ou une boîte.
  • Il est interdit de connecter des fils d'aluminium et de cuivre entre eux.
  • Les boucles de mise à la terre et de mise à la terre ne sont connectées qu'avec des attaches boulonnées.

Comme vous pouvez le voir, les règles ne sont pas très compliquées, donc faire le câblage correctement de vos propres mains ne sera pas difficile.

Schéma de câblage dans l'appartement : câblage électrique des différentes pièces
câblage ouvert

Lire aussi :  Cuisinière électrique pour sauna et bain : TOP-12 des meilleurs modèles + recommandations pour les acheteurs de radiateurs électriques

Directives de sélection des fils

Dans les maisons en briques, en blocs de béton cellulaire, en parpaings, une décoration murale intérieure est nécessaire, ce qui signifie qu'une méthode cachée est utilisée pour poser les fils.

Pour apporter une protection supplémentaire, et en cas de réparation pour remplacer rapidement le câble, celui-ci est placé dans une gaine ondulée en polymère ininflammable.

Schéma de câblage dans l'appartement : câblage électrique des différentes piècesDans les maisons en bois ou en rondins, pour préserver le style rétro, ils utilisent la méthode ouverte de pose des fils, achètent des produits décoratifs - câblage torsadé, rouleaux, interrupteurs et prises stylisés

Pour choisir la bonne section de fil, les experts effectuent des calculs liés à la détermination de la charge.

Cependant, sur la base de schémas types et de nombreuses années d'expérience, les électriciens qualifiés adhèrent aux paramètres suivants :

  • circuits d'éclairage - 3 * 1,5 mm² ou 3 * 2 mm²;
  • groupes de prises - 3 * 2,5 mm²;
  • cuisinière électrique / four - 3 * 4 mm²;
  • climatisation - 3 * 2,5 mm², pour les appareils de plus de 5 kW - 3 * 4 mm²;
  • chaudières de chauffage - 3 * 4 mm² ou plus (selon les recommandations du fabricant).

Le type de câble optimal est un cuivre à trois conducteurs: VVGng, ShVVPng. N'utilisez pas de fils avec une section inférieure à celle spécifiée, car ils ne correspondront pas à la charge et commenceront à fondre, créant une situation dangereuse.

Assemblage du tableau et câblage électrique "sonnerie"

Tout d'abord, le bouclier lui-même est acheté:

  • version extérieure - facile à installer, mais nécessite de l'espace ;
  • type interne - plus esthétique et compact, mais installé dans une niche.

Ensuite, le bouclier est installé dans l'appartement, le plus souvent dans le couloir, après quoi tous les disjoncteurs des lignes de câblage de l'appartement y sont assemblés et montés. Il n'est pas recommandé de placer plus d'une ligne sur une machine.

Toutes les lignes de câblage sont «enroulées» d'un nœud à l'autre, après quoi elles sont amenées au blindage et connectées aux machines.

A la fin du raccordement avec les machines de toutes les lignes, un câble commun de section d'au moins 6 mm2 est dévié du tableau vers le blindage d'accès.

Elaboration d'un projet électrique de prises

Sur un plan propre de l'appartement, appliquez toutes les prises prévues. Pour l'instant, nous ne les connectons pas avec des lignes, mais appliquons simplement (schématiquement) les prises prévues.

Ensuite, les prises doivent être divisées en circuits de groupe (groupes). Vous pouvez calculer le câblage et le diviser en groupes théoriquement. Mais vous pouvez utiliser les règles pratiques pour diviser le câblage électrique en groupes.

Division pratique du câblage électrique en groupes

  • La puissance totale d'un groupe de prises ne doit pas dépasser 4300 W. Une telle puissance totale vous permettra d'alimenter le groupe avec un câble 3 × 2,5 mm² (cuivre). Le câblage de chacun de ces groupes doit être protégé par un disjoncteur de 25 A ou un fusible de 20 A.
  • Pour le réchaud électrique, prévoyez une ligne électrique séparée, 3×6mm² (avec une puissance de réchaud jusqu'à 7300W), vous devez protéger la ligne pour le réchaud avec un disjoncteur 40 Amp ou un fusible 32 Amp. Si le poêle a une puissance inférieure, alors un câble de 3x4 mm² est suffisant.
  • Compte tenu de toutes les règles ci-dessus, les prises marquées sur le plan sont connectées en groupes. Des enregistrements sont écrits sur le plan concernant les disjoncteurs, par exemple, groupe 1 - 25 Ampères - câble 3 × 2,5 mm², marque VVGng.

Si le nombre de prises dans l'appartement est faible et que les prises de différentes pièces appartiennent au même groupe, il est nécessaire de prévoir l'installation d'une boîte de jonction entre les pièces. Cela ne change que le type de câblage, mais ne change pas le principe d'élaboration d'un projet électrique.

Installation de câblage électrique caché

Le câblage caché est assez simple. Une différence significative par rapport à l'ouvert réside uniquement dans la manière dont les fils sont cachés aux yeux. Le reste des étapes est presque le même. Première installation panneau d'éclairage et RCD, après quoi nous commençons et connectons le câble d'entrée du côté du tableau. Nous le laissons également sans lien. Cette opération sera effectuée par un électricien.
Ensuite, nous installons des boîtes de distribution et des boîtes de prises à l'intérieur des niches réalisées.

Passons maintenant au câblage. Nous sommes les premiers à poser la ligne principale à partir du fil VVG-3 * 2,5. Si c'était prévu, nous posons les fils aux prises dans le sol. Pour ce faire, nous plaçons le fil VVG-3 * 2,5 dans un tuyau pour le câblage électrique ou une ondulation spéciale et le posons au point où le fil est sorti vers les prises. Là, nous plaçons le fil à l'intérieur du stroboscope et le mettons dans la prise. La prochaine étape consistera à poser le fil VVG-3 * 1,5 des interrupteurs et des points d'éclairage aux boîtes de jonction, où ils sont connectés à
fil principal. Nous isolons toutes les connexions avec des EPI ou du ruban électrique.

Schéma de câblage dans l'appartement : câblage électrique des différentes pièces

À la fin, nous «sonnons» l'ensemble du réseau à l'aide d'un testeur pour d'éventuelles erreurs et le connectons au panneau d'éclairage. La méthode de connexion est similaire à celle décrite pour le câblage ouvert. À la fin, nous fermons les stroboscopes avec du plâtre
mastic et faites appel à un électricien pour le raccorder au tableau.

Poser des électriciens dans une maison ou un appartement pour un artisan expérimenté est une tâche assez facile. Mais pour ceux qui ne connaissent pas bien l'électricité, vous devriez faire appel à des professionnels expérimentés du début à la fin. Ce sera bien sûr
coûtent de l'argent, mais de cette façon, vous pouvez vous protéger des erreurs qui peuvent provoquer un incendie.

Conclusion sur le sujet

Nous avons donc essayé de répondre à la question concernant le schéma électrique du réseau électrique à l'intérieur de l'appartement. Bien sûr, il est nécessaire de déterminer correctement les groupes de consommateurs, de calculer leur capacité totale. Et comme le disent les experts, il n'y a rien de compliqué à cela, vous pouvez faire tout cela par vous-même si vous avez certaines connaissances (le programme scolaire est suffisant). Alors pour ceux qui demandent comment faire votre propre câblage, nous répondons que l'on considère principalement la puissance de chaque appareil qui se trouve dans la pièce. C'est de cet indicateur que dépendront la section du câble et le courant nominal de la machine.

Évaluation
Site sur la plomberie

Nous vous conseillons de lire

Où remplir la poudre dans la machine à laver et combien de poudre verser