- Exemples pratiques de réglages de relais
- Connexion d'un nouvel appareil
- La pompe a cessé de s'éteindre
- Situations qui ne nécessitent pas d'ajustement
- Objectif fonctionnel du contrôleur de débit
- Le dispositif et le principe de fonctionnement du pressostat
- Aperçu des modèles populaires
- Instructions étape par étape pour le réglage du pressostat
- Instructions étape par étape pour se connecter
- Connexion au convertisseur de fréquence
- Vers le système d'approvisionnement en eau
- Quand l'automatisation doit-elle être réinitialisée ?
- Défaillances de relais autorisées
- Le dispositif d'une chaudière à gaz à double circuit
- Le principe de fonctionnement de la chaudière et de son appareil
- Règles et critères de sélection en magasin
- Modèles pour un appartement
- Pour le système d'approvisionnement en eau d'une maison privée
- Instruments dignes de confiance
- Genyo Lowara Genyo 8A
- Grundfos UPA 120
Exemples pratiques de réglages de relais
Analysons les cas où le recours au réglage du pressostat est vraiment nécessaire. Cela se produit généralement lors de l'achat d'un nouvel appareil ou lors d'arrêts fréquents de la pompe. De plus, un réglage sera nécessaire si vous avez un appareil d'occasion avec des paramètres déclassés.
Connexion d'un nouvel appareil
À ce stade, vous devez vérifier l'exactitude des réglages d'usine et, si nécessaire, apporter quelques modifications au fonctionnement de la pompe.
Galerie d'images
Photo de
Nous coupons l'énergie, vidons complètement le système d'eau jusqu'à ce que le manomètre atteigne la marque «zéro».Allumez la pompe et regardez les lectures. On se souvient à quelle valeur il s'est éteint. Ensuite, nous vidons l'eau et rappelons les paramètres auxquels la pompe recommence à fonctionner
Nous tordons un gros ressort pour augmenter la bordure inférieure. Nous effectuons une vérification: nous vidons l'eau et rappelons la valeur de l'allumage et de l'extinction. Le deuxième paramètre devrait augmenter avec le premier. Ajustez jusqu'à obtenir le résultat souhaité.
Nous effectuons les mêmes actions, mais avec un petit ressort. Vous devez agir avec prudence, car le moindre changement de position du ressort réagit au fonctionnement de la pompe. Après avoir légèrement serré ou desserré l'écrou, nous vérifions immédiatement le résultat du travail
Après avoir terminé toutes les manipulations avec les ressorts, nous prenons les lectures finales et les comparons avec les premières. On regarde aussi ce qui a changé dans le travail de la station. Si le réservoir a commencé à être rempli dans un volume différent et que les intervalles marche / arrêt ont changé, le réglage a réussi
Étape 1 - préparation du matériel
Étape 2 - réglage de la valeur d'activation
Étape 3 - ajuster le montant du voyage
Étape 4 - tester le fonctionnement du système
Pour suivre l'avancement des travaux, il est recommandé de noter toutes les données reçues sur une feuille de papier. À l'avenir, vous pourrez rétablir les paramètres initiaux ou modifier à nouveau les paramètres.
La pompe a cessé de s'éteindre
Dans ce cas, nous éteignons de force l'équipement de pompage et agissons dans l'ordre suivant:
- Nous allumons et attendons que la pression atteigne la marque maximale - supposons 3,7 atm.
- Nous éteignons l'équipement et abaissons la pression en vidant l'eau - par exemple, jusqu'à 3,1 atm.
- Serrer légèrement l'écrou sur le petit ressort en augmentant la valeur du différentiel.
- Nous vérifions l'évolution de la pression de coupure et testons le système.
- Nous ajustons la meilleure option en serrant et desserrant les écrous sur les deux ressorts.
Si la cause était un réglage initial incorrect, il peut être résolu sans acheter un nouveau relais. Il est recommandé de vérifier régulièrement, une fois tous les 1 à 2 mois, le fonctionnement du pressostat et, si nécessaire, d'ajuster les limites marche/arrêt.
Situations qui ne nécessitent pas d'ajustement
Il peut y avoir de nombreuses raisons pour lesquelles la pompe ne s'éteint pas ou ne s'allume pas - d'un blocage des communications à une panne de moteur. Par conséquent, avant de commencer à démonter le relais, vous devez vous assurer que le reste de l'équipement de la station de pompage fonctionne correctement.
Si tout est en ordre avec le reste des appareils, le problème est dans l'automatisation. Passons à l'inspection du pressostat. Nous le déconnectons du raccord et des fils, retirons le couvercle et vérifions deux points critiques: un tuyau mince pour la connexion au système et un bloc de contacts.
Galerie d'images
Photo de
Pour vérifier si le trou est propre, il est nécessaire de démonter l'appareil pour inspection, et si un blocage est trouvé, nettoyez-le.
La qualité de l'eau du robinet n'est pas idéale, si souvent le problème est résolu en nettoyant simplement l'entrée de la rouille et des dépôts minéraux.
Même avec des appareils avec un haut degré de protection contre l'humidité, des pannes peuvent survenir du fait que les contacts des fils sont oxydés ou brûlés.
Pour nettoyer les contacts, utilisez une solution chimique spéciale ou l'option la plus simple - le papier de verre le plus fin
Vous devez agir avec beaucoup de prudence
Raccord de réservoir hydraulique bouché
Nettoyage entrée relais
Contacts électriques bouchés
Nettoyage du bloc de contact.Si les mesures de nettoyage n'ont pas aidé et que le réglage de la position des ressorts a également été vain, le relais n'est probablement pas soumis à un fonctionnement ultérieur et doit être remplacé par un nouveau
Si les mesures de nettoyage n'ont pas aidé et que le réglage de la position des ressorts a également été vain, il est fort probable que le relais ne soit pas soumis à un fonctionnement ultérieur et doit être remplacé par un nouveau.
Supposons que vous ayez entre les mains un appareil ancien mais fonctionnel. Son réglage s'effectue dans le même ordre que le réglage d'un nouveau relais. Avant de commencer le travail, assurez-vous que l'appareil est intact, démontez-le et vérifiez que tous les contacts et ressorts sont en place.
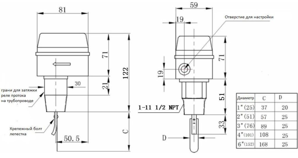
Objectif fonctionnel du contrôleur de débit
Dans les systèmes d'approvisionnement en eau domestique, le fonctionnement d'une station de pompage sans eau qui menace d'un accident se produit assez souvent. Un problème similaire est appelé "marche à sec".
En règle générale, le liquide refroidit et lubrifie les éléments du système, assurant ainsi ses performances normales. Même une courte marche à vide entraîne une déformation des pièces individuelles, une surchauffe et une panne du moteur de l'équipement. Les conséquences négatives s'appliquent aux modèles de pompe de surface et de profondeur.
Le fonctionnement à sec se produit pour diverses raisons :
- mauvais choix des performances de la pompe ;
- installation infructueuse ;
- violation de l'intégrité de la conduite d'eau;
- faible pression du fluide et manque de contrôle de son niveau, pour lesquels un pressostat est utilisé ;
- débris accumulés dans le tuyau de pompage.
Un capteur automatique est nécessaire afin de protéger complètement l'appareil des menaces posées par le manque d'eau. Il mesure, contrôle et maintient la constance des paramètres du débit d'eau.

Les équipements de pompage équipés d'un capteur présentent de nombreux avantages.Il dure plus longtemps, échoue moins souvent, consomme de l'électricité de manière plus économique. Il existe également des modèles de relais pour les chaudières
L'objectif principal du relais est d'éteindre indépendamment la station de pompage en cas de débit de fluide insuffisant et de l'allumer après la normalisation des indicateurs.
Le dispositif et le principe de fonctionnement du pressostat
Le dispositif de pressostat de la station de pompage n'est pas compliqué. La conception du relais comprend les éléments suivants.
Logement (voir photo ci-dessous).
- Bride pour connecter le module au système.
- Écrou conçu pour régler l'arrêt de l'appareil.
- Un écrou qui régule la force de compression dans le réservoir à laquelle l'appareil s'allumera.
- Bornes auxquelles sont connectés les fils provenant de la pompe.
- Emplacement pour connecter les fils du secteur.
- Bornes de terre.
- Raccords pour la fixation de câbles électriques.
Il y a un couvercle métallique au bas du relais. Si vous l'ouvrez, vous pouvez voir la membrane et le piston.
Le principe de fonctionnement du pressostat est le suivant. Avec une augmentation de la force de compression dans la chambre du réservoir hydraulique conçue pour l'air, la membrane relais fléchit et agit sur le piston. Il met en mouvement et active le groupe de contact du relais. Le groupe de contact, qui a 2 charnières, selon la position du piston, ferme ou ouvre les contacts par lesquels la pompe est alimentée. En conséquence, lorsque les contacts sont fermés, l'équipement est démarré et lorsqu'ils sont ouverts, l'unité s'arrête.
Aperçu des modèles populaires
Il existe deux types de pressostats : mécaniques et électroniques, ces derniers sont beaucoup plus chers et rarement utilisés.Une large gamme d'appareils de fabricants nationaux et étrangers est présentée sur le marché, facilitant le choix du modèle requis.
RDM-5 Dzhileks (15 USD) est le modèle de haute qualité le plus populaire d'un fabricant national.
Les caractéristiques
- plage : 1,0 - 4,6 atm. ;
- différence minimale : 1 atm. ;
- courant de fonctionnement : maximum 10 A. ;
- classe de protection : IP 44 ;
- réglages d'usine : 1,4 atm. et 2,8 atm.
Genebre 3781 1/4″ (10 $) est un modèle budgétaire de fabrication espagnole.
Les caractéristiques
- matériau du boîtier : plastique ;
- pression : top 10 atm. ;
- connexion : filetée 1,4 pouces ;
- poids : 0,4 kg.
Italtecnica PM / 5-3W (13 USD) est un appareil peu coûteux d'un fabricant italien avec un manomètre intégré.
Les caractéristiques
- courant maximal : 12A ;
- pression de travail : maximum 5 atm. ;
- inférieur : plage de réglage 1 - 2,5 atm. ;
- supérieur : plage 1,8 - 4,5 atm.
Le pressostat est l'élément le plus important du système de prise d'eau, qui assure l'alimentation en eau individuelle automatique de la maison. Il est situé à côté de l'accumulateur, le mode de fonctionnement est réglé au moyen de vis de réglage à l'intérieur du boîtier.
Lors de l'organisation d'un approvisionnement en eau autonome dans une maison privée, un équipement de pompage est utilisé pour élever l'eau. Pour que l'approvisionnement en eau soit stable, il est nécessaire de le sélectionner correctement, car chaque type a ses propres caractéristiques et caractéristiques techniques.
Pour un fonctionnement efficace et sans problème de la pompe et de l'ensemble du système d'alimentation en eau, il est nécessaire d'acheter et d'installer un kit d'automatisation pour la pompe, en tenant compte des caractéristiques du puits ou du puits, du niveau d'eau et de son débit prévu .
La pompe vibrante est choisie lorsque la quantité d'eau dépensée par jour ne dépasse pas 1 mètre cube.Il est peu coûteux, ne crée pas de problèmes lors du fonctionnement et de la maintenance et sa réparation est simple. Mais si l'eau est consommée de 1 à 4 mètres cubes ou si l'eau est située à une distance de 50 m, il est préférable d'acheter un modèle centrifuge.
Généralement le kit comprend :
- relais de fonctionnement, chargé de fournir et de bloquer la tension de la pompe au moment de la vidange ou du remplissage du système ; l'appareil peut être immédiatement configuré en usine, et l'auto-configuration pour des conditions spécifiques est également autorisée :
- un collecteur qui alimente et distribue l'eau à tous les points de consommation ;
- manomètre pour mesurer la pression.
Les fabricants proposent des stations de pompage prêtes à l'emploi adaptées à des besoins spécifiques, mais un système auto-assemblé fonctionnera plus efficacement. Le système est également équipé d'un capteur qui bloque son fonctionnement en marche à sec : il déconnecte le moteur de l'alimentation.
La sécurité du fonctionnement de l'équipement est assurée par des capteurs de protection contre les surcharges et l'intégrité de la canalisation principale, ainsi qu'un régulateur de puissance.
Instructions étape par étape pour le réglage du pressostat
Étape 1. Vérifiez la pression d'air comprimé dans l'accumulateur. Il y a un bouchon en caoutchouc à l'arrière du réservoir, vous devez le retirer et accéder au mamelon. Vérifiez la pression avec un manomètre à air ordinaire, elle doit être égale à une atmosphère. S'il n'y a pas de pression, pompez de l'air, mesurez les données et après un certain temps, vérifiez les indicateurs. S'ils diminuent - un problème, vous devez rechercher la cause et l'éliminer. Le fait est que la plupart des fabricants d'équipements vendent des accumulateurs hydrauliques à air pompé. S'il n'est pas disponible lors de l'achat, cela indique un mariage, il vaut mieux ne pas acheter une telle pompe.
Vous devez d'abord mesurer la pression dans l'accumulateur
Étape 2. Débranchez l'alimentation électrique et retirez le couvercle de protection du boîtier du régulateur de pression. Il est fixé avec une vis, retiré avec un tournevis ordinaire. Sous le couvercle se trouvent un groupe de contact et deux ressorts comprimés par des écrous de 8 mm.
Pour régler le relais, vous devez retirer le couvercle du boîtier
Gros printemps. Responsable de la pression à laquelle la pompe se met en marche. Si le ressort est complètement tendu, les contacts de mise en marche du moteur seront constamment fermés, la pompe s'allume à pression nulle et fonctionne en permanence.
Petit ressort. Responsable de l'arrêt de la pompe, en fonction du degré de compression, la pression de l'eau change et atteint sa valeur maximale
Attention, pas le fonctionnement optimal, mais le maximum selon les caractéristiques techniques de l'appareil.
Les réglages d'usine du relais doivent être ajustés
Par exemple, vous avez un delta de 2 atm. Si dans ce cas la pompe est allumée à une pression de 1 atm, alors elle s'éteindra à 3 atm. S'il s'allume à 1,5 atm, il s'éteint respectivement à 3,5 atm. etc. La différence entre la pression sur et hors du moteur électrique sera toujours de 2 atm. Vous pouvez modifier ce paramètre en changeant le taux de compression du petit ressort. Rappelez-vous ces dépendances, elles sont nécessaires pour comprendre l'algorithme de contrôle de la pression. Les réglages d'usine sont réglés pour allumer la pompe à 1,5 atm. et arrêt à 2,5 atm., delta est de 1 atm.
Étape 3. Vérifiez les paramètres de fonctionnement réels de la pompe. Ouvrez le robinet pour vidanger l'eau et relâchez lentement sa pression, surveillez constamment le mouvement de l'aiguille du manomètre. Rappelez-vous ou notez à quels indicateurs la pompe s'est allumée.
Lorsque l'eau est vidangée, la flèche indique une diminution de la pression
Étape 4. Continuez la surveillance jusqu'au moment de l'arrêt. Notez également les valeurs auxquelles le moteur électrique se coupe. Découvrez le delta, soustrayez la plus petite de la plus grande valeur. Ce paramètre est nécessaire pour que vous puissiez naviguer à quelles pressions la pompe s'éteindra si vous réglez la force de compression du grand ressort.
Maintenant, vous devez remarquer les valeurs auxquelles la pompe s'éteint
Étape 5. Arrêtez la pompe et desserrez le petit écrou à ressort d'environ deux tours. Allumez la pompe, fixez le moment où elle s'éteint. Maintenant, le delta devrait diminuer d'environ 0,5 atm. La pompe s'éteindra lorsque la pression atteindra 2,0 atm.
À l'aide de la clé, vous devez desserrer le petit ressort de quelques tours
Étape 6. Vous devez vous assurer que la pression de l'eau est comprise entre 1,2 et 1,7 atm. Comme mentionné ci-dessus, c'est le mode optimal. Delta 0,5 atm. que vous avez déjà installé, vous devez abaisser le seuil de commutation. Pour ce faire, vous devez libérer un gros ressort. Pour la première fois, tournez l'écrou, vérifiez la période de démarrage, si nécessaire, réglez avec précision la force de compression du gros ressort.
Grand ressort de réglage
Vous devrez démarrer la pompe plusieurs fois jusqu'à ce qu'elle soit allumée à 1,2 atm et éteinte à une pression de 1,7 atm. Il reste à remplacer le couvercle du boîtier et à mettre la station de pompage en service. Si la pression est correctement ajustée, les filtres sont constamment en bon état, la pompe fonctionnera pendant une longue période, il n'y a pas besoin de faire d'entretien particulier.
Critères de sélection du relais de pompe
Instructions étape par étape pour se connecter
Un schéma détaillé de l'installation du capteur de pression se trouve dans la notice avec laquelle l'appareil est vendu. En général, la séquence des étapes est la même.
Connexion au convertisseur de fréquence
Le capteur est connecté à l'onduleur dans l'ordre suivant :
- monter le capteur sur le pipeline, connecter l'appareil au convertisseur haute fréquence avec un câble de signal ;
- conformément au schéma donné dans la documentation, connectez les fils aux bornes appropriées ;
- configurer la partie logicielle du convertisseur et vérifier le fonctionnement du bundle.
Pour éviter les interférences et le bon fonctionnement de l'onduleur, un câble de signal blindé est utilisé pour la pose.
Vers le système d'approvisionnement en eau
Un transmetteur à montage sur canalisation typique nécessite un tronçon avec cinq fils :
- entrée et sortie d'eau;
- sortie vers le vase d'expansion ;
- sous le pressostat, en règle générale, avec un filetage extérieur;
- sortie manomètre.
Un cordon de la pompe est connecté au capteur pour contrôler la marche ou l'arrêt. L'alimentation est assurée par un câble posé sur le blindage.
Quand l'automatisation doit-elle être réinitialisée ?
Il existe diverses raisons pour lesquelles une pompe peut ne pas fournir la valeur requise. Nous listons brièvement les plus courants :
- l'équipement fonctionne à une grande profondeur d'aspiration, ne peut pas atteindre l'alimentation en eau de la force requise;
- usure de la turbine de la pompe, impossible de pomper l'eau à la force requise ;
- usure accrue des presse-étoupes, fuites d'air;
- la nécessité d'alimenter en eau à haute pression un bâtiment à plusieurs étages ou un réservoir de stockage très bien situé;
- Les mécanismes consommateurs d'eau nécessitent plus de pression.
Dans ces cas et d'autres similaires, il sera nécessaire de modifier les paramètres d'usine.
Défaillances de relais autorisées
Plusieurs pannes propres aux pressostats sont notées. Dans de nombreux cas, ils sont simplement échangés contre de nouveaux appareils. Mais il existe de petits problèmes qui peuvent être résolus personnellement sans l'aide d'un professionnel.

Si le pressostat s'avérait être l'objet d'un dysfonctionnement, le professionnel insistera pour remplacer l'appareil. Toutes les actions de service pour nettoyer et remplacer les contacts coûtent plus cher au client que l'achat et l'installation d'un nouvel appareil
Plus souvent que d'autres, une panne se produit, caractérisée par une fuite d'air de relais avec le récepteur allumé. Dans ce mode de réalisation, la soupape de démarrage peut être le coupable. Il vous suffit de remplacer le joint et le problème sera résolu.
La mise en marche fréquente du souffleur d'air indique le desserrage et le déplacement des boulons de pression. Ici, vous devrez revérifier le seuil d'activation et de désactivation du relais et les régler conformément aux instructions de la section précédente.
Le dispositif d'une chaudière à gaz à double circuit
Afin de comprendre le principe de fonctionnement d'une chaudière à gaz à double circuit, il est nécessaire de comprendre son dispositif. Il se compose de nombreux modules individuels qui chauffent le fluide caloporteur dans le circuit de chauffage et commutent sur le circuit ECS. Le travail bien coordonné de tous les composants vous permet de compter sur le fonctionnement sans problème de l'équipement. Connaissant le dispositif d'une chaudière à double circuit, vous pouvez comprendre son principe de fonctionnement.
Nous ne considérerons pas le dispositif des chaudières à double circuit avec une précision d'une vis, car il nous suffit de comprendre le but des composants principaux. À l'intérieur du chaudron, nous trouverons:
Modèles d'appareils à deux circuits : chauffage et circuit ECS.
- Un brûleur situé dans une chambre de combustion ouverte ou fermée est le cœur de toute chaudière de chauffage.Il chauffe le liquide de refroidissement et génère de la chaleur pour le fonctionnement du circuit ECS. Pour assurer un maintien précis de la température de consigne, il est doté d'un système électronique de modulation de la flamme ;
- Chambre de combustion - le brûleur ci-dessus s'y trouve. Il peut être ouvert ou fermé. Dans une chambre de combustion fermée (ou plutôt au-dessus) on trouvera un ventilateur chargé de forcer l'air et d'évacuer les produits de combustion. C'est lui qui est la source du bruit silencieux lorsque la chaudière est allumée;
- Pompe de circulation - assure la circulation forcée du liquide de refroidissement dans le système de chauffage et pendant le fonctionnement du circuit ECS. Contrairement au ventilateur de la chambre de combustion, la pompe n'est pas une source de bruit et fonctionne le plus silencieusement possible ;
- Vanne à trois voies - c'est cette chose qui est responsable de la commutation du système en mode de production d'eau chaude;
- L'échangeur de chaleur principal - dans le dispositif d'une chaudière à gaz murale à double circuit, il est situé au-dessus du brûleur, dans la chambre de combustion. Ici, le fluide caloporteur utilisé dans le circuit de chauffage ou dans le circuit ECS pour l'eau de chauffage est chauffé ;
- Échangeur de chaleur secondaire - c'est dans celui-ci que l'eau chaude est préparée;
- Automatisation - il contrôle les paramètres de l'équipement, vérifie la température du liquide de refroidissement et de l'eau chaude, contrôle la modulation, allume et éteint divers nœuds, contrôle la présence d'une flamme, corrige les erreurs et exécute d'autres fonctions utiles.
Dans la partie inférieure des bâtiments, il y a des tuyaux de dérivation pour le raccordement du système de chauffage, des tuyaux d'eau froide, des tuyaux d'eau chaude et du gaz.
Certains modèles de chaudières à gaz à double circuit utilisent des échangeurs de chaleur doubles. Mais le principe de fonctionnement reste quasiment le même.

On voit que le dispositif à colonne de gaz ne diffère que par l'absence de circuit de chauffage.
Nous avons découvert le dispositif d'une chaudière à gaz murale à double circuit - cela semble un peu compliqué, mais si vous comprenez le but de certains nœuds, les difficultés disparaîtront. Ici, on peut noter la similitude avec un chauffe-eau instantané au gaz, dont il reste ici un brûleur avec échangeur de chaleur. Tout le reste provient de chaudières murales à circuit unique. L'avantage incontestable est la présence d'une tuyauterie intégrée - il s'agit d'un vase d'expansion, d'une pompe de circulation et d'un groupe de sécurité.
Lors de l'analyse du principe de fonctionnement et du dispositif d'une chaudière à gaz à double circuit, il convient de noter que l'eau du circuit ECS ne se mélange jamais avec le liquide de refroidissement. Le liquide de refroidissement est versé dans le système de chauffage par un tuyau séparé relié au chauffage. L'eau chaude est préparée par une partie du liquide de refroidissement circulant dans l'échangeur de chaleur secondaire. Cependant, nous en reparlerons un peu plus tard.
Le principe de fonctionnement de la chaudière et de son appareil
Image 1. Schéma hydraulique d'une chaudière à double circuit en mode chauffage.
Les appareils à gaz à deux circuits de chauffage ont le principe de fonctionnement suivant. La chaleur du gaz naturel brûlé est transférée à l'échangeur de chaleur situé au-dessus du brûleur à gaz. Cet échangeur de chaleur est inclus dans le système de chauffage principal, c'est-à-dire que l'eau chauffée qu'il contient circulera dans le système de chauffage. La circulation de l'eau s'effectue au moyen d'une pompe intégrée à la chaudière. Pour la préparation d'eau chaude, l'appareil à double circuit est équipé d'un échangeur de chaleur secondaire.
Le diagramme présenté dans l'IMAGE 1 montre les processus de travail en cours et la disposition des équipements :
- Brûleur à gaz.
- Pompe de circulation.
- Vanne à trois voies.
- Circuit ECS, échangeur à plaques.
- Échangeur de chaleur du circuit de chauffage.
- D - entrée (retour) du système de chauffage pour le chauffage;
- A - fourniture de liquide de refroidissement prêt à l'emploi pour les appareils de chauffage;
- C - entrée d'eau froide du principal;
- B - sortie d'eau chaude prête pour les besoins sanitaires et l'usage domestique.
Le principe de préparation de l'eau pour l'eau chaude sanitaire est le suivant : l'eau chauffée dans le premier échangeur de chaleur (5), situé au-dessus du brûleur à gaz (1) et destiné à chauffer le circuit de chauffage, entre dans le deuxième échangeur de chaleur à plaques (4), où il transfère sa chaleur au circuit d'eau chaude sanitaire.
En règle générale, les chaudières à double circuit ont un vase d'expansion intégré pour compenser les variations de volume du liquide de refroidissement.
Le schéma d'une chaudière à double circuit vous permet de produire de l'eau chaude et de la chauffer pour le chauffage uniquement dans certains modes.
La conception d'une chaudière à gaz à double circuit.
L'utilisation de la chaudière à la fois pour l'eau chaude sanitaire et le chauffage à un certain moment n'est pas possible. Par exemple, pendant le fonctionnement de l'appareil, le système de chauffage est chauffé à une température donnée, le processus de maintien de la température est contrôlé par la chaudière automatique et la circulation du liquide de refroidissement à travers le réseau de chauffage est réalisée par une pompe.
À un certain moment, le robinet d'eau chaude pour les besoins domestiques est ouvert et dès que l'eau commence à se déplacer le long du circuit ECS, un capteur de débit spécial installé dans la chaudière est activé. A l'aide d'une vanne trois voies (3), les circuits d'écoulement d'eau dans la chaudière sont reconfigurés.A savoir, l'eau chauffée dans l'échangeur de chaleur (5) cesse de circuler dans le système de chauffage et est fournie à l'échangeur de chaleur à plaques (4), où il transfère sa chaleur au système ECS, c'est-à-dire l'eau froide qui est arrivée provenant de la canalisation (C) est également chauffé par la canalisation (B) desservant les consommateurs d'un appartement ou d'une maison.
A ce moment, la circulation tourne en petit cercle et le système de chauffage ne chauffe pas pendant la durée d'utilisation de l'ECS. Dès que le robinet d'arrivée d'eau chaude sanitaire est fermé, le capteur de débit se déclenche et la vanne à trois voies ouvre à nouveau le circuit de chauffage, un chauffage supplémentaire de l'installation de chauffage se produit.
Le plus souvent, le schéma de l'appareil d'une chaudière à gaz à double circuit implique la présence d'un échangeur de chaleur à plaques. Comme déjà mentionné, son but est de transférer la chaleur du circuit de chauffage vers le circuit d'alimentation en eau. Le principe d'un tel échangeur de chaleur est que des ensembles de plaques avec de l'eau chaude et froide sont assemblés dans un ensemble où se produit le transfert de chaleur.
Le raccordement se fait de manière hermétique : cela évite le mélange de liquides provenant de différents circuits. En raison du changement constant de température, des processus de dilatation thermique du métal à partir duquel l'échangeur de chaleur est fabriqué se produisent, ce qui contribue à l'élimination mécanique du tartre résultant. Les échangeurs de chaleur à plaques sont en cuivre ou en laiton.
Schéma de raccordement d'une chaudière à double circuit.
Il existe un schéma de chaudière à double circuit, qui comprend un échangeur de chaleur combiné.
Il est situé au-dessus du brûleur à gaz et se compose de doubles tubes. C'est-à-dire que le tuyau du circuit de chauffage contient un tuyau d'eau chaude à l'intérieur de son espace.
Ce schéma vous permet de vous passer d'un échangeur de chaleur à plaques et d'augmenter légèrement l'efficacité du processus de préparation de l'eau chaude.
L'inconvénient des chaudières à échangeur de chaleur combiné est que du tartre se dépose entre les parois minces des tubes, ce qui détériore les conditions de fonctionnement de la chaudière.
Règles et critères de sélection en magasin
Une large gamme de paramètres vous permet d'installer un relais électronique dans n'importe quel système d'alimentation en eau domestique. Il fonctionnera bien avec les pompes submersibles et de surface.
Paramètres pris en compte lors du choix :
- le relais fonctionne en conjonction avec un accumulateur hydraulique;
- pression maximale générée par la pompe ;
- méthode d'installation, dimensions des tuyaux de raccordement;
- puissance du moteur électrique;
- stabilité de la tension ;
- le degré de détérioration du système;
- degré de protection de l'appareil.
Modèles pour un appartement
Pour les relais utilisés dans un appartement, il est important d'avoir une large gamme de réglages et la possibilité de définir un mot de passe :
| Appareil et ses paramètres | T-Kit SWITCHMATIC 2/2+ | RDE-Lumière | RDE-M-St |
| Gamme Rvkl, barre | 0,5-7,0 | 0,2-9,7 | 0,2-6,0 |
| Gamme Roff, barre | 8,0-12,0 | 0,4-9,90 | 0,4-9,99 |
| Puissance maximale de la pompe, kW | 2,2 | 1,5 | 1,5 |
| Protection contre la marche à sec | + | + | + |
| Retard marche/arrêt de la pompe | + | + | + |
| Protection anti-casse | — | — | + |
| Protection contre les fuites | — | — | + |
| Mode arrosage | — | — | — |
| Protection contre les allumages fréquents | — | — | + |
| Mot de passe | — | + | + |
| Panne de l'accumulateur hydraulique | — | — | — |
| Capteur à distance | — | — | + |
Pour le système d'approvisionnement en eau d'une maison privée
Les relais utilisés dans une maison privée se distinguent par une liste étendue de modes de protection de la pompe :
| Appareil et ses paramètres | RDE G1/2 | RDE 10.0-U | RDE-M |
| Gamme Rvkl, barre | 0,5-6,0 | 0,2-9,7 | 0,2-9,7 |
| Gamme Roff, barre | 0,8-9,9 | 3,0-9,9 | 3,0-9,9 |
| Puissance maximale de la pompe, kW | 1,5 | 1,5 | 1,5 |
| Protection contre la marche à sec | + | + | + |
| Retard marche/arrêt de la pompe | + | + | + |
| Protection anti-casse | + | + | + |
| Protection contre les fuites | + | + | + |
| Mode arrosage | + | + | + |
| Protection contre les allumages fréquents. | + | + | + |
| Mot de passe | — | + | + |
| Panne de l'accumulateur hydraulique | — | — | + |
| Capteur à distance | — | — | — |
Instruments dignes de confiance
Parmi toute la gamme de relais, deux modèles sont les plus demandés, situés à peu près dans la même catégorie de prix - environ 30 $. Considérons leurs caractéristiques plus en détail.
Genyo Lowara Genyo 8A
Développement d'une société polonaise spécialisée dans la production d'équipements électroniques pour les systèmes de contrôle. Il est destiné à être utilisé dans les systèmes d'approvisionnement en eau des ménages.
Genyo permet un contrôle automatique de la pompe : démarrage et arrêt en fonction de la consommation d'eau réelle, évitant toute fluctuation de pression pendant le fonctionnement. De plus, la pompe électrique est protégée contre le fonctionnement à sec.
L'objectif principal est de contrôler la pompe et de contrôler la pression dans les tuyaux pendant le fonctionnement. Ce capteur démarre la pompe lorsque le débit d'eau dépasse 1,6 litre par minute. Il consomme 2,4 kW d'électricité. La plage de température de fonctionnement est de 5 à 60 degrés.
Grundfos UPA 120
Fabriqué dans des usines en Roumanie et en Chine. Maintient la stabilité de l'alimentation en eau dans les pièces équipées de systèmes d'alimentation en eau individuels. Empêche les unités de pompage de tourner au ralenti.

Le relais de la marque Grundfos est équipé d'une classe de protection élevée, lui permettant de supporter presque toutes les charges. La consommation d'électricité y est d'environ 2,2 kW
L'automatisation de l'appareil démarre à partir d'un débit de 1,5 litre par minute. Le paramètre limite de la plage de température couverte est de 60 degrés. L'unité est produite dans des dimensions linéaires compactes, ce qui facilite grandement le processus d'installation.









































