- Spécificités des équipements de pompage submersibles
- Pompe à vibration + puits : oui ou non ?
- Lignes directrices pour le choix d'une pompe centrifuge
- Quelques mots sur les modèles populaires
- Options de sélection de pompe de puits
- Caractéristiques de l'aquifère
- Besoin en eau
- pression
- Le degré d'entrée dans le boîtier
- Comment sortir la pompe du puits - la procédure correcte
- Les meilleures pompes pour un puits à partir de 70 mètres
- BELAMOS TF-100 (1300W)
- Grundfos SQ 3-105 (2540 W)
- BELAMOS TF3-40 (550W)
- Verseau BTsPE 0.5-100U
- UNIPUMP ECO MIDI-2 (550W)
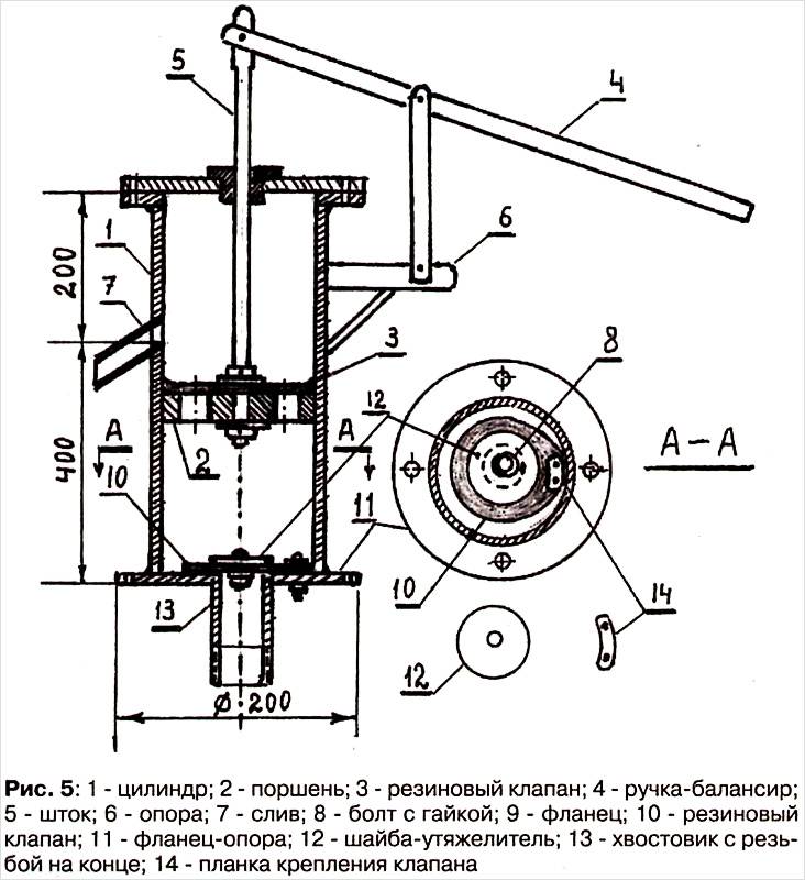
- Affectation des modèles manuels
- Que rechercher lors du choix d'une pompe?
- Types de pompes utilisées
- Pompes à main
- Stations de pompage de surface
- Pompes vibrantes
- Pompes centrifuges submersibles
- Types de pompes à main et prix approximatifs de certains modèles
- ailé
- Canne à pêche
- Piston
- Membrane
- hydraulique
Spécificités des équipements de pompage submersibles
Selon le type d'appareil, on distingue les pompes centrifuges et vibrantes. Dans le premier, un disque rotatif à pales est utilisé pour fournir de l'eau, et dans le second, une membrane spéciale qui transfère l'eau à l'aide de nombreuses vibrations. Ces caractéristiques de conception sont importantes car elles affectent l'intégrité du puits de différentes manières.
Pompe à vibration + puits : oui ou non ?
Est-il possible d'installer une pompe vibrante dans le puits ? Ces modèles sont relativement peu coûteux, faciles à utiliser et ont des performances adaptées à un nombre important de puits.
De nombreux experts s'opposent catégoriquement à l'utilisation de toute technique de vibration dans le puits. Cependant, les avis des propriétaires indiquent que les pompes de ce type sont utilisées avec succès sans endommager la structure. Alors, quelle pompe - vibrante ou centrifuge - est la meilleure pour un puits ?
Les objections des experts sont fondées. Une exposition prolongée aux vibrations affecte presque toujours négativement l'état des objets environnants. Le puits ne fait pas exception.
Les vibrations de la pompe située à côté du filtre affectent l'état du boîtier et du sol environnant, qui sont progressivement détruits. Les vibrations peuvent provoquer une accélération significative des processus d'envasement et de sablage.
Mais ça ne se fait pas tout de suite. En règle générale, les puits résistent avec succès aux vibrations pendant un certain temps. Par conséquent, à l'aide d'une telle pompe, il est possible de pomper le puits, de le nettoyer et de le faire fonctionner avec succès sans dommage visible.
Mais la destruction due aux vibrations se produit toujours, mais pas trop rapidement. L'utilisation constante d'une pompe vibrante peut réduire considérablement la durée de vie de la structure.
Si nécessaire, l'utilisation de modèles de vibration est tout à fait acceptable, mais uniquement en tant qu'option temporaire. Mais à la première occasion, une telle pompe doit être remplacée par un dispositif centrifuge plus sûr.
Lignes directrices pour le choix d'une pompe centrifuge
Pour ce faire, vous devez étudier attentivement le passeport technique de la centrifugeuse et découvrir plusieurs points importants:
- quelle est la performance de la pompe ;
- si ses dimensions conviennent au puits;
- à partir de quelle profondeur peut-il faire monter l'eau;
- quelles sont les caractéristiques de son installation et de son fonctionnement ;
- comment et dans quelles conditions le service de garantie est effectué, etc.
Habituellement, les consultants donnent des recommandations assez professionnelles lors du choix d'un tel équipement. Il convient de rappeler que de nombreux fabricants indiquent des caractéristiques limites plutôt que moyennes pour les pompes, vous devez donc prendre en compte une certaine marge de durée de vie opérationnelle.
Directement dans le marquage d'une pompe domestique ou dans le passeport technique d'une pompe étrangère, deux chiffres importants pour le choix sont indiqués. Le premier (dans l'exemple 55) est le débit en l/min, le second (75) est la hauteur manométrique maximale en mètres
Quelques mots sur les modèles populaires
Si la décision est prise d'utiliser une pompe à vibration, très probablement, "Kid" ou "Brook" sera acheté. Ces modèles se distinguent par de bonnes performances, une résistance aux pannes et un prix tout à fait abordable.
Ils sont faciles à nettoyer ou à réparer de vos propres mains. Mais pour une utilisation permanente, la technologie des vibrations n'est pas adaptée, elle doit être remplacée au plus vite.
La pompe à vibration "Kid" est un choix populaire, mais pas très approprié pour un puits, car les vibrations de l'appareil peuvent provoquer sa destruction
Parmi les marques populaires de pompes centrifuges submersibles, il convient de noter Aquarius et Vodomet. Ils sont très similaires, mais selon les avis des utilisateurs, Aquarius gagne sensiblement en qualité et en durabilité, bien qu'il coûte plus cher.
Cependant, le canon à eau a aussi ses partisans. Si vous avez la chance d'obtenir un modèle bien assemblé, il affichera des résultats assez décents.
Les pompes centrifuges submersibles de la marque Aquarius se sont imposées comme un équipement fiable et durable pour le puits, capable de faire face à des charges accrues
Les pompes de forage spéciales coûteront un montant substantiel, mais ces coûts se justifieront pleinement avec le temps. Comme exemple d'un tel équipement, il convient de noter les modèles 3STM2 et 4STM2 fabriqués par TAIFU.
Options de sélection de pompe de puits
Caractéristiques de l'aquifère
Les caractéristiques de l'aquifère comprennent:
1. profondeur - dynamique, changeant en fonction de divers facteurs et statique;
2. débit - la quantité de liquide entrant dans l'apport par unité de temps;
3. le type de sol dans lequel se trouve l'eau.
Une fois les travaux terminés, un passeport est établi indiquant toutes les données nécessaires.
Besoin en eau
Dans le cas d'une maison privée, le besoin en eau est calculé - il ne doit pas dépasser le débit. Lors de sa détermination, le nombre de résidents et d'appareils de plomberie est pris en compte, ainsi que le mode de fonctionnement + la quantité de liquide pour l'irrigation.
Ce paramètre, selon la situation, diffère considérablement. Par conséquent, compte tenu des normes, il est préférable de le déterminer en fonction des habitudes de consommation - dans des conditions similaires, le débit peut nécessiter à la fois 2 et 20 m3 / h.
pression
Un paramètre obligatoire est la charge, qui peut être considérée en atmosphères ou en mètres de colonne d'eau - le rapport entre ces valeurs est d'environ : 1 à 10.
Dans son calcul simplifié, les éléments suivants sont résumés :
1. Hauteur de levage géométrique (distance verticale de la pompe au point de démontage le plus élevé) ;
2. Pertes sur les sections horizontales (10 m équivaut à 1 m)
3.Pression libre au mélangeur (à partir de 2 ou 3 m).
Le degré d'entrée dans le boîtier
L'appareil doit entrer dans le tube de tubage avec un jeu de 1 ... 3 cm. Les diamètres les plus courants de ce dernier sont de 10, 13 et 15 cm. En conséquence, les pompes sont produites à 3", 4", plus de 4" .
Comment sortir la pompe du puits - la procédure correcte
Dans la vie, des situations surviennent souvent lorsque la pompe peut se coincer entre les parois du puits. Chaque propriétaire a une approche différente pour résoudre ce problème. Nous parlerons des moyens et astuces les plus efficaces pour aider à sortir la pompe d'un puits foré :
- Tout d'abord, vous devez tirer le câble de sécurité et le frapper plusieurs fois avec un marteau. Dans ce cas, les vibrations du câble sont transmises à la pompe et les dépôts accumulés sur celle-ci sont détruits. Cette méthode peut prendre beaucoup de temps et d'efforts - vous devez être préparé au fait qu'il faudra plusieurs jours pour retirer l'unité;
- Si des éléments auxiliaires sont utilisés pour retirer la pompe du puits, ils doivent être fixés par la tête à un objet fixe à proximité du puits;
- Pour pousser l'équipement dans le puits, les experts conseillent d'utiliser un tuyau dont le diamètre sera légèrement inférieur au diamètre du puits.
Les meilleures pompes pour un puits à partir de 70 mètres
BELAMOS TF-100 (1300W)
La pompe de forage BELAMOS TF-100 (1300 W) est utilisée pour organiser l'approvisionnement en eau autonome dans les maisons privées et les usines d'eau, ainsi que dans l'agriculture pour créer des systèmes d'irrigation.
Le moteur électrique de 1300 W est conçu pour les travaux intensifs avec des charges accrues et offre une capacité de 4500 litres par heure.
Le relais thermique protège l'appareil contre la surchauffe.
La partie pompe est en acier inoxydable de haute qualité.
Principales caractéristiques fonctionnelles :
- puits submersible;
- productivité maximale - 5 m³ / h;
- pression maximale - 100 m;
- profondeur d'immersion - 80 m;
- installation verticale;
- poids - 22,1 kg.
Avantages :
- performance;
- pression de l'eau;
- qualité de fabrication.
Défauts:
non spécifié par les acheteurs.
Grundfos SQ 3-105 (2540 W)
La pompe de forage Grundfos SQ 3-105 (2540 W) est conçue pour l'approvisionnement en eau des maisons privées, le pompage de l'eau des réservoirs, des systèmes hydrauliques d'irrigation et des petits ouvrages hydrauliques.
Le moteur électrique à aimant permanent monophasé est capable d'un rendement élevé sur une large plage de puissance.
Le moteur électrique est complété par un connecteur de câble amovible.
Principales caractéristiques fonctionnelles :
- puits submersible;
- productivité maximale - 4,2 m³ / h;
- pression maximale - 147 m;
- installation horizontale et verticale ;
- poids - 6,5 kg.
Avantages :
- performance;
- pression de l'eau;
- faible niveau sonore.
Défauts:
non marqué par les acheteurs.
BELAMOS TF3-40 (550W)
La pompe submersible BELAMOS TF3-40 (550 W) est utilisée pour pomper de l'eau propre d'une grande profondeur dans la maison ou pour arroser les plantes.
La conception de la partie pompe offre la possibilité d'un entretien indépendant (nettoyage) de la partie pompe, sans passer par l'atelier.
Pour démonter la partie pompage, il suffit de dévisser le capot supérieur ou la bride inférieure de la partie pompage.
L'appareil est complété par un câble, une fiche avec un contact de mise à la terre.
Principales caractéristiques fonctionnelles :
- puits submersible;
- productivité maximale - 2,7 m³ / h;
- pression maximale - 42 m;
- profondeur d'immersion - 80 m;
- installation verticale;
- poids - 9,4 kg.
Avantages :
- performance;
- qualité de fabrication;
- pression de l'eau.
Défauts:
non identifié par les utilisateurs.
Verseau BTsPE 0.5-100U
La pompe submersible Aquarius BTsPE 0.5-100U se compose d'un moteur électrique monophasé et d'une partie pompe à plusieurs étages, créée sous la forme d'un monobloc, ainsi que d'une boîte à condensat externe, qui est fixée à un cordon d'alimentation avec une prise .
L'électropompe est équipée d'un relais thermique qui la protège efficacement en cas de fonctionnement d'urgence.
Le débit volumétrique d'une pompe submersible dépend de nombreux facteurs - la profondeur de l'eau, la longueur et le diamètre du tuyau actionné, etc.
Principales caractéristiques fonctionnelles :
- puits submersible;
- productivité maximale - 3,6 m³ / h;
- pression maximale - 150 m;
- profondeur d'immersion - 100 m;
- installation verticale;
- poids - 25 kg.
Avantages :
- performance;
- pression de l'eau;
- qualité de fabrication.
Défauts:
non spécifié par les utilisateurs.
UNIPUMP ECO MIDI-2 (550W)
La pompe de forage UNIPUMP ECO MIDI-2 (550 W) est utilisée pour alimenter en eau des sources d'un diamètre d'au moins 98 mm.
Au moyen d'une pompe profonde, un système d'approvisionnement en eau automatisé peut être organisé dans un chalet d'été, dans une maison de campagne, en production, etc.
Les roues "flottantes" sont en carbonate résistant à l'usure.
Ils minimisent le risque de grippage de la pompe lors du pompage de solides.
Un filtre spécial empêche la pénétration de grosses particules abrasives dans la section de la pompe.
Principales caractéristiques fonctionnelles :
- puits submersible;
- productivité maximale - 3 m³ / h;
- pression maximale - 73 m;
- profondeur d'immersion - 100 m;
- mise en place verticale.
Avantages :
- pression de l'eau;
- faible niveau de bruit ;
- performance.
Défauts:
introuvable par les utilisateurs.
Affectation des modèles manuels
Le but principal de l'utilisation d'équipements de type pompe est de pomper l'eau d'une source vers certains points : vers un immeuble résidentiel, un bain public, un garage, un jardin. Dans les zones suburbaines, la source est le plus souvent des puits et des puits, moins souvent - des étangs et autres plans d'eau.
Toutes les maisons résidentielles ou de campagne peuvent être divisées en trois catégories : résidence permanente, saisonnière et périodique. Tous n'ont pas l'électricité et certains sont alimentés de manière irrégulière.
En résumant tous ces facteurs, nous pouvons tirer les conclusions suivantes :
- les résidences permanentes utilisent l'électricité par défaut, de sorte que l'équipement principal de pompage de l'eau est une pompe électrique et un modèle manuel est une unité de secours de rechange;
- si le chalet n'est utilisé qu'en été et que les lignes électriques sont connectées, l'option volatile est également idéale et l'appareil manuel joue un rôle secondaire;
- une zone suburbaine sans électricité a surtout besoin d'équipements manuels.
Pour irriguer 2-3 plates-bandes, vous pouvez toujours puiser de l'eau dans des seaux, mais pour assurer un arrosage complet et quotidien des plates-bandes, des serres et des pelouses, vous avez besoin d'une pompe. C'est là qu'intervient un modèle dont l'entretien nécessite une paire de mains.
Vous pouvez fabriquer vous-même la colonne la plus simple en appliquant les compétences de soudage et d'assemblage de pièces métalliques ou plastiques.
Un modèle pour fabriquer votre propre modèle peut être un produit d'usine, assemblé à partir de pièces en fonte ou en acier durables, avec une poignée confortable à utiliser
Que rechercher lors du choix d'une pompe?
Avant le choix final, vous devez prêter attention à plusieurs caractéristiques techniques clés de l'équipement de pompage. L'une de ces caractéristiques est la performance.
Elle se mesure en l/min ou en mètres cubes. m / h et désigne le volume d'eau pompée par minute ou par heure. Pour une famille de 2-3 personnes, ce chiffre devrait atteindre 45 l/min soit 2,5 mètres cubes. m/h minimum
L'une de ces caractéristiques est la performance. Elle se mesure en l/min ou en mètres cubes. m / h et désigne le volume d'eau pompée par minute ou par heure. Pour une famille de 2-3 personnes, ce chiffre devrait atteindre 45 l/min soit 2,5 mètres cubes. m/h minimum.
Cet indicateur peut être calculé indépendamment. Additionnez la consommation d'eau de tous les points de prélèvement (consommateurs) de la maison et multipliez par un facteur de 0,6. Le nombre 0,6 signifie que pas plus de 60 % de tous les points de prise d'eau sont utilisés en même temps.
Les coefficients de calcul de la productivité sont présentés en l/min et en mètres cubes. m/heure. Pour les calculs, sélectionnez uniquement les valeurs des points de clôture qui se trouvent dans la maison
La pression maximale est un indicateur important. Cela dépend de la force de pression si la pompe pompera suffisamment d'eau pour vos besoins. Pour le calculer, il est nécessaire de faire la somme des hauteurs d'eau dynamiques et statiques. Ajoutez ensuite 10% du montant reçu.
Il existe des formules plus complexes qui tiennent compte de la distance à la maison et du nombre de prises d'eau. Si vous ne souhaitez pas effectuer vous-même des calculs complexes, demandez conseil à un spécialiste.
Le niveau d'eau statistique ou la profondeur du miroir est la distance entre le niveau d'eau réel et le sommet du puits. Si cette distance ne dépasse pas 10 mètres, une pompe de surface doit être sélectionnée.
Certains experts estiment que ce chiffre devrait être compris entre 2 et 7 mètres. Dans d'autres cas, concentrez-vous sur le submersible. A noter que ce dernier est plus endurant, quasiment silencieux, et aussi puissant.
Les pompes de surface sont assez lourdes et bruyantes. Ils sont idéaux si un puits ou un puits jusqu'à 10 mètres de profondeur
La hauteur de la colonne d'eau ou le niveau dynamique est également important - c'est la distance entre le bord de l'eau et le fond du puits. Il est nécessaire de prendre en compte la profondeur du puits ou du puits, car ce paramètre est également prescrit dans le passeport de la pompe. Ces indicateurs devraient idéalement correspondre
Il convient de prendre en compte la hauteur de la pompe elle-même par rapport au puits
La puissance de l'équipement est fixée en W et correspond à la quantité d'électricité que la pompe « tirera ». N'achetez pas une pompe avec une réserve de marche, sinon vous paierez simplement trop cher pour l'électricité.
Faites attention au matériau du corps, il doit avoir une protection contre la corrosion. Les détails sont également importants.
Vérifiez, au moins visuellement, la qualité de l'assemblage, des roues. Il est préférable qu'ils soient "flottants" et fabriqués en plastique technique durable.
L'outil de travail clé d'une pompe hydraulique centrifuge est la roue. Le plus souvent, il est constitué d'un alliage de métaux non ferreux, d'acier inoxydable ou de fonte.
Nous avons fourni plus de conseils sur le choix du bon modèle de pompe pour le puits dans l'article suivant.
Dans le cas d'une pompe centrifuge, il y a une roue à aubes qui pompe l'eau. Dans les appareils puissants, il peut y avoir plusieurs roues de ce type.
La roue est entraînée par un moteur électrique. La force centrifuge déplace l'eau vers le bord de la roue à partir de son centre.Ainsi, une zone de haute pression se forme et le liquide s'écoule à travers les canalisations jusqu'aux points de prise d'eau (cuisine, bain, arrosage). Ensuite, la pression est réduite et le processus recommence.
Certaines pompes centrifuges ont un accumulateur hydraulique. Il s'agit d'un réservoir avec un élément à membrane. Il est utilisé pour maintenir la pression nécessaire dans les tuyaux à travers lesquels l'eau, à l'aide d'une pompe, s'écoule du puits et dans la maison. Il est indispensable pour les puits et puits d'une profondeur de 10 à 30 mètres.
Un autre élément important est le clapet anti-retour. Le principe de son fonctionnement est que l'eau n'a pas la possibilité de se déplacer dans la direction opposée, c'est-à-dire de la maison par des tuyaux jusqu'au puits.
Il convient également de déterminer le type d'eau que la pompe peut pomper. Si l'eau du puits est mélangée à de la chaux, de l'argile ou du sable, cela doit être annoncé avant l'achat. Sinon, la pompe se bouchera et tombera en panne prématurément.
Avant d'acheter, renseignez-vous sur l'emplacement des centres de service et la disponibilité des pièces (au moins les pièces clés) pour le modèle de pompe sélectionné.
Si vous souhaitez installer la pompe vous-même, assurez-vous de lire attentivement les instructions de l'appareil et de consulter des spécialistes.
Compte tenu de ces caractéristiques, vous pouvez facilement sélectionner le bon modèle de pompe.
Types de pompes utilisées
Il est impossible de répondre sans ambiguïté à la question de savoir quelle pompe est la meilleure pour un puits. Tout dépend des capacités financières, des conditions d'exploitation. En pratique, divers dispositifs sont utilisés pour soulever l'eau.
Pompes à main
Pompes à main
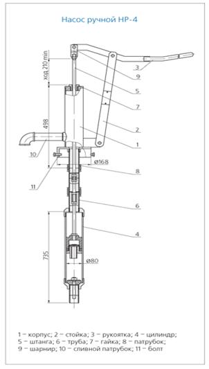
Si la profondeur du puits ne dépasse pas 7-8 mètres et que le débit requis est faible, il est tout à fait possible d'installer une unité de pompage manuelle pour une résidence d'été.Une telle pompe ne nécessite pas d'alimentation électrique, elle a une conception simple, elle suffit amplement pour fournir une petite zone suburbaine. De telles pompes sont également utilisées lorsqu'elles sont installées à un point de prise d'eau dans la cour.
Bien sûr, il ne fonctionnera pas d'automatiser une telle installation, mais il est tout à fait possible de l'utiliser comme pompe de secours.
Stations de pompage de surface

Stations de pompage de surface
Utilisé pour fournir de l'eau à partir de faibles profondeurs. Lors du choix de la pompe nécessaire pour un puits, cette option ne doit être envisagée que s'il est possible de l'installer dans un caisson spécialement équipé ou si le puits est situé au sous-sol. Dans ces cas, une station de pompage avec un petit récepteur (réservoir de stockage) sera très efficace.
La profondeur maximale du puits est de 7 à 8 mètres. Lors de l'installation de l'unité, une attention particulière doit être portée à la fiabilité du clapet anti-retour. La conduite de pression d'une telle pompe doit être constamment remplie d'eau, un démarrage à sec nuit à la durabilité du moteur électrique. Le choix des modèles de pompes de surface est assez large, vous pouvez choisir un modèle d'une capacité allant jusqu'à 100 litres par minute, avec un entraînement approprié
Le choix des modèles de pompes de surface est assez large, vous pouvez choisir un modèle d'une capacité allant jusqu'à 100 litres par minute, avec un entraînement approprié.
Pompes vibrantes

Pompes vibrantes
Ces pompes ont une conception simple et peuvent être utilisées pour fournir de l'eau à une profondeur maximale de 40 à 50 mètres (les modèles les plus puissants et les plus chers). La majeure partie des pompes de ce type appartient à la classe budgétaire et présente les caractéristiques appropriées.Pour l'installation dans des puits, il est recommandé d'utiliser uniquement des modèles d'appareils modernes, cela est dû au fait que certaines modifications peuvent avoir un effet destructeur important sur le tubage.
Le principe de fonctionnement est basé sur le mouvement oscillatoire à haute fréquence de la membrane, qui fournit les performances requises. Il convient de mentionner que la durée de vie de ces unités de pompage est insignifiante, le principal domaine d'application est les puits et les puits de sable
Il convient de prêter attention à ces dispositifs lors du choix de la pompe pour pomper le puits, tandis que la préférence doit être donnée aux installations à faible consommation d'eau
Pompes centrifuges submersibles

Pompes centrifuges submersibles
Les appareils de ce type sont considérés comme l'équipement le plus efficace pour l'installation dans les puits. Ils peuvent être utilisés pour l'installation même dans des puits artésiens de profondeur considérable.
La gamme d'unités existante vous permet de choisir une pompe submersible pour un puits avec différents paramètres, les avantages des appareils de ce type incluent les caractéristiques suivantes:
- Hautes performances avec un faible encombrement, il existe un choix pour les puits de toutes les sections principales.
- Excellentes caractéristiques de pression.
- Moyen de travail important et fiabilité.
- N'a pas d'effet destructeur sur le boîtier.
Les pompes de ce type peuvent être équipées de divers systèmes d'automatisation, elles ne nécessitent pas d'entretien coûteux.
Toute erreur dans le choix de l'équipement entraînera une diminution significative de ses performances. Selon de nombreux experts, ce sont les pompes centrifuges qui sont idéales pour la construction de puits.
Types de pompes à main et prix approximatifs de certains modèles
Les pompes manuelles sont indispensables en cas de manque temporaire ou permanent d'électricité sur le chantier. Il est conseillé de les utiliser avec un budget limité. Si le niveau du miroir d'eau n'est pas profond et que les possibilités financières ne permettent pas d'installer un appareil coûteux de haute qualité, différents modèles de pompes à main permettront de pomper le liquide de différentes manières, en fonction de la profondeur et du degré de contamination du liquide.
Selon leur conception, les pompes à main pour puits sont divisées en types suivants:
- à aubes;
- piston;
- canne à pêche;
- membrane.
Il est nécessaire de s'attarder plus en détail sur les caractéristiques de conception, le but et le prix de chaque type d'appareil.
ailé

Ils sont conçus pour pomper et transporter de l'eau propre sans paraffine, alcool, carburants liquides, huiles alimentaires, particules abrasives. Pompes importées K1 et K2 (prix respectivement : 4000 roubles et 5500 roubles). La pompe russe RK-2 est similaire au modèle allemand K2. Mais la version importée a un prix inférieur à celui de la pompe domestique. En même temps, les soupapes et les ailes sont en laiton, il n'y a pas de rouille à l'intérieur. En général, K2 est plus préférable pour une utilisation, ne nécessite pas de cloison et est absolument prêt à fonctionner.
Canne à pêche
Ils sont capables de pomper du liquide jusqu'à 30 mètres de profondeur. Le principe de conception de ces mécanismes est le même que celui des pompes à piston. Mais l'extrémité du piston a une forme très allongée, en fait, c'est une tige (d'où son nom). Les éléments des produits sont constitués de divers métaux, fournissant les caractéristiques techniques nécessaires aux appareils. De tels mécanismes sont utilisés dans les puits verticaux droits. Les inconvénients incluent leur encombrement et la possibilité de casser les tiges.De plus, l'utilisation de ces modèles sur des terrains en pente est limitée.
Piston

Il est impossible de pomper l'eau des puits artésiens avec de tels dispositifs, mais d'un autre côté, ils peuvent remplacer avec succès les pompes électriques de surface pour alimenter les eaux souterraines à la surface. Le produit a un prix - 26400 roubles.
Membrane
Ils peuvent être utilisés pour pomper de l'eau contaminée. Du fait de l'autonettoyage des clapets, qui sont des billes roulantes, il n'y a pas de blocage des mécanismes. Il n'y a pas de pièces frottantes dans la conception (contrairement aux mécanismes à palettes et à pistons), qui s'usent rapidement lors du pompage de liquides avec l'inclusion de particules abrasives. Le corps de ces pompes est en fonte, et le diaphragme et les vannes sont en caoutchouc résistant à l'huile et à l'essence (NBR). En position de travail, la pompe est située verticalement, avec la poignée vers le bas, la buse supérieure est la pression, la buse inférieure est l'aspiration. Sur les côtés du boîtier, il y a 2 oreilles pour le montage au mur. Le prix de la pompe à membrane D40 à Novossibirsk : 7 500 roubles -11 750 roubles. La hauteur d'aspiration ne dépasse pas 6 mètres.
de nouvelles entrées
Tronçonneuse ou scie électrique - que choisir pour le jardin 4 erreurs lors de la culture de tomates en pots que presque toutes les ménagères fontLes secrets de la culture des semis des Japonais, très sensibles à la terre
hydraulique
Avoir un petit poids (à partir de 4 kg), de petits paramètres globaux. Les appareils sont conçus pour fonctionner avec des équipements hydrauliques avec des paramètres appropriés et un rappel par ressort de la tige. Le prix est de 4400 roubles.







































