- Petites choses utiles
- Quelle chaudière à gaz choisir
- Types de chaudières de chauffage
- Électrique
- Gaz
- Chaudières au fioul
- Combustible solide
- Automatisation
- Le dispositif et le principe de fonctionnement des chaudières à pyrolyse
- Chaudières à combustible solide
- Avantages et inconvénients
- Chaudières à combustion longue
- Les meilleures chaudières pas chères
- Lemax Premium-30
- Mora-Top Meteor Plus PK18ST
- Que peut remplacer
- Le principe de fonctionnement de la chaudière à combustion longue
- Chaudières à granulés
- Matériaux et outils
- Conclusions et vidéo utile sur le sujet
Petites choses utiles
Le processus de fabrication est complexe. S'il n'y a aucune compétence pour travailler avec le soudage, il est préférable de ne pas essayer d'assembler la chaudière vous-même, mais d'acheter l'unité dans un magasin spécialisé. Lors du choix d'une option maison, vous devez tenir compte des nuances suivantes:
- Un appareil de chauffage auto-assemblé ne doit pas être installé sans l'autorisation de se connecter à la conduite de gaz.
- L'équipement doit être inspecté par un spécialiste.
- Une installation non autorisée peut entraîner une fuite de carburant entraînant un empoisonnement ou un incendie.
- Pendant le travail, n'oubliez pas la sécurité personnelle et utilisez un équipement de protection.
- Tous les articles achetés dans le magasin doivent avoir des certificats et des passeports.
- Les travaux sont effectués uniquement selon les plans.
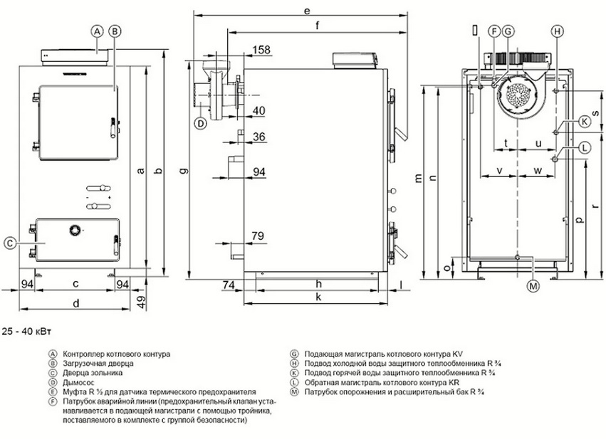
Dessin
Dessin et principe de fonctionnement
Quelle chaudière à gaz choisir

Les chaudières à gaz domestiques sont le plus souvent utilisées dans les maisons et les appartements privés, bien que ces derniers disposent généralement d'un chauffage centralisé - peut-être pas le plus efficace. L'installation a également lieu dans des chalets, des datchas, des bains publics et des objets similaires.
1. Pour les appartements, le type de chaudière suivant convient : 2 circuits, chambre de combustion fermée, cheminée coaxiale, type de chauffage à convection, commande électronique, montage mural, puissance allant de 10 à 30 kW
2. Le type de chaudières suivant convient à la maison : 1 circuit + chaudière à chauffage indirect, foyer ouvert, cheminée verticale, local spécialement équipé, chauffage à condensation, régulation électronique, installation au sol, puissance de 20 à 50 kW.
Types de chaudières de chauffage
Tout d'abord, vous devez décider quelle chaudière est nécessaire pour votre maison. Cela dépendra du combustible qui sera utilisé pour le petit bois. D'où le classement :
- gaz;
- électrique;
- combustible solide;
- carburant liquide.
Électrique
Chacune de ces chaudières peut être fabriquée à la main. Le plus simple d'entre eux est électrique. En fait, il s'agit d'un réservoir dans lequel l'élément chauffant est monté. Du réservoir, il y a encore deux tuyaux de dérivation connectés aux circuits d'alimentation et de retour. Il n'y a pas de cheminée, pas de chambre de combustion, tout est simple.
tous sont bons, mais ils ont deux inconvénients. Premièrement, l'électricité est le combustible le plus cher. Deuxièmement: lorsque la tension chute sur le réseau (et cela se produit avec une constance enviable), la chaudière cesse de fonctionner correctement. Sa puissance diminue, la température du liquide de refroidissement baisse.
Gaz
Les autres dessins sont plus complexes. Et ils sont presque identiques les uns aux autres avec quelques différences.Quant à la chaudière à gaz, vous aurez besoin de l'autorisation du service du gaz pour l'installer.
Les représentants de cette organisation peuvent ne pas accepter une telle unité de chauffage pour l'installation. Tout d'abord, ils exigeront qu'il soit testé sous pression dans leur laboratoire.
Chaudières au fioul
Le fonctionnement de cette option est associé à de grandes difficultés. Tout d'abord, vous devrez construire un entrepôt séparé près de la maison où le carburant sera stocké. Tout ce qu'il contient doit être conforme aux exigences de sécurité incendie.
Deuxièmement, un pipeline devra être tiré de l'entrepôt à la chaufferie. Il doit être isolé. Troisièmement, un brûleur spécial est installé dans ce type de chaudière, qui doit être ajusté. Ce n'est pas si facile à faire en termes de configuration.
Combustible solide
C'est ce type de chaudières qui est aujourd'hui le plus souvent fabriquée par des artisans à domicile de leurs propres mains. Pour les petits chalets et les chalets, c'est la meilleure option. De plus, le bois de chauffage est de loin le type de combustible le moins cher.
Nous parlerons de la fabrication d'une chaudière à combustible solide pour chauffer une maison ci-dessous.
Automatisation
- respect du régime de température dans le système;
- contrôle des pompes dans les circuits principal et auxiliaire (circuit de mélange);
- maintien de la température de consigne de l'alimentation en eau chaude ;
- contrôle des débits de liquide de refroidissement à l'aide d'une vanne à trois voies.
En présence d'une unité d'automatisation, une personne n'a qu'à régler la température requise et charger le combustible, puis le processus de combustion est automatiquement contrôlé selon les paramètres spécifiés en contrôlant l'alimentation en oxygène du four. Si le chauffage est effectué à l'aide d'une unité à granulés, le combustible est automatiquement chargé.
Le principe de fonctionnement de la vanne à trois voies
En présence d'une vanne à trois voies, le système fonctionne sur le principe du mélange de l'eau chaude de la chaudière dans le départ principal lorsque la température descend en dessous de la température de consigne. Ce principe vous permet de chauffer uniquement la quantité d'eau nécessaire. Il peut être alimenté soit directement par la chaudière, soit par un ballon tampon. En même temps, il peut également être chauffé par des sources alternatives, comme un capteur solaire.
Le dispositif et le principe de fonctionnement des chaudières à pyrolyse
Chaudière à pyrolyse de production industrielleLe fonctionnement des chaudières à gaz est basé sur le principe de la pyrolyse, qui consiste dans le fait que sous l'influence d'une température élevée avec un accès limité à l'oxygène, le combustible se décompose en gaz de pyrolyse et résidu de combustible solide. Dans la chambre principale, le combustible solide couve à des températures atteignant 800 degrés. En conséquence, la chaleur nécessaire au chauffage du liquide de refroidissement est libérée. Cependant, si dans les appareils de conception traditionnelle, le gaz libéré à la suite de la combustion est immédiatement évacué par la cheminée, dans ces appareils, il est mélangé à de l'oxygène, qui est forcé et brûle dans la deuxième chambre. Ici, un chauffage supplémentaire de l'eau a lieu, qui joue le plus souvent le rôle de principal caloporteur.
Par rapport aux chaudières traditionnelles, les chaudières à gaz présentent un certain nombre d'avantages, parmi lesquels :
- Haute efficacité, et dans certains appareils de ce type, ce chiffre dépasse 80%, tandis que dans d'autres appareils, il est généralement de 60 à 70%, voire moins.
- La quantité minimale de déchets dangereux, facilitée par l'interaction du gaz de pyrolyse et du charbon actif, qui réduit d'un tiers les émissions de dioxyde de carbone nocif dans l'atmosphère.
- La polyvalence des chaudières à pyrolyse, qui réside dans la possibilité d'utiliser différents types de combustibles solides, dont le bois, les granulés de bois et même la sciure de bois.
- Entretien facile, ce qui signifie que le combustible est chargé dans de nombreuses chaudières génératrices de gaz pas plus d'une fois par jour.
- Prix abordable - étant donné que l'efficacité des chaudières à pyrolyse est bien supérieure à celle des chaudières à gaz traditionnelles et que le coût des déchets des entreprises de menuiserie est totalement insignifiant, on peut noter que l'utilisation de chaudières à pyrolyse peut apporter des avantages économiques tangibles .
- La quantité minimale de déchets de combustion solides - cendres et suie, ce qui facilite l'entretien des chaudières.
Malgré cela, il convient de noter que lors du fonctionnement des chaudières à pyrolyse, il convient de garder à l'esprit que tous les combustibles ne conviennent pas à leur fonctionnement. En particulier, le bois est le plus souvent utilisé pour faire fonctionner des chaudières de type pyrolyse servant à chauffer une maison. Cependant, tous les bois ne seront pas également adaptés. L'essence du processus de pyrolyse est de libérer autant de substances volatiles combustibles que possible, et cela n'est possible que si la teneur en humidité du bois est faible - pas plus de 20 %. Sinon, l'effet de pyrolyse ne sera pas atteint et l'efficacité d'une telle chaudière sera beaucoup plus faible.De plus, les chaudières à pyrolyse fabriquées industriellement sont directement dépendantes de l'électricité nécessaire pour organiser l'alimentation en air. Dans les cas où ce dernier est éteint, ils peuvent, au mieux, fonctionner uniquement pour maintenir la température, sans chauffer du tout la pièce.
Chaudières à combustible solide
Malgré toutes les lacunes, les chaudières à combustible solide pour chauffer une maison privée sont utilisées dans la plupart des cas. Probablement, cela est dû en grande partie aux habitudes et aux traditions, mais il n'en reste pas moins qu'il y a plus de chaudières à combustible solide dans notre pays que dans tous les autres.
Les chaudières à combustible solide fonctionnent principalement au bois et au charbon
Fondamentalement, deux types de combustibles solides sont utilisés pour le chauffage - le bois et le charbon. Ce qui est plus facile à obtenir et moins cher à acheter, donc ils se noient essentiellement. Et les chaudières - pour le charbon et le bois de chauffage, vous devez en utiliser différentes: dans les chaudières à combustible solide à bois, la chambre de chargement est agrandie - de sorte que plus de bois de chauffage puisse être posé. Dans les chaudières à charbon TT, le foyer est de taille réduite, mais avec des parois plus épaisses : la température de combustion est très élevée.
Avantages et inconvénients
Les avantages de ces unités comprennent:
- Chauffage peu coûteux (relativement).
- Conception simple et fiable des chaudières.
- Il existe des modèles non volatiles qui fonctionnent sans électricité.
Inconvénients sérieux :
- Fonctionnement cyclique. La maison est chaude ou froide. Pour combler cette lacune, un accumulateur de chaleur est installé dans le système - un grand récipient contenant de l'eau. Il stocke la chaleur pendant la phase de combustion active, puis, lorsque la charge de combustible s'épuise, la chaleur stockée est dépensée pour maintenir une température normale.
- La nécessité d'un entretien régulier.Le bois de chauffage et le charbon doivent être posés, allumés, puis l'intensité de la combustion doit être réglée. Après la combustion, le foyer doit être nettoyé et le processus redémarré. Très gênant.
Le principe de fonctionnement d'une chaudière à combustible solide classique - Impossibilité de quitter la maison pendant une longue période. En raison du fonctionnement cyclique, la présence d'une personne est nécessaire : le carburant doit être rejeté, sinon le système peut geler pendant les temps d'arrêt prolongés.
- Le processus de chargement du combustible et de nettoyage de la chaudière est une tâche plutôt sale. Lors du choix d'un site d'installation, il convient d'en tenir compte : la chaudière doit être placée le plus près possible de la porte d'entrée afin de ne pas transporter de saleté dans toute la pièce.
D'une manière générale, l'utilisation d'une chaudière à combustible solide pour chauffer une maison privée est une solution peu pratique. Bien que l'achat de carburant soit généralement relativement peu coûteux, mais si vous calculez le temps passé, ce n'est pas si bon marché.
Chaudières à combustion longue
Des chaudières à combustion longue ont été développées pour augmenter l'intervalle entre les remplissages de combustible. Ils utilisent deux technologies :
- Pyrolyse. Les chaudières à combustible solide à pyrolyse ont deux ou trois chambres de combustion. Le carburant qui les remplit brûle avec un manque d'oxygène. Dans ce mode, une grande quantité de gaz de combustion se forme, dont la plupart sont combustibles. De plus, lorsqu'ils brûlent, ils dégagent beaucoup plus de chaleur que le bois de chauffage ou le même charbon. Ces gaz pénètrent dans la deuxième chambre, où l'air est fourni par des ouvertures spéciales. En se mélangeant avec lui, les gaz combustibles s'enflamment, libérant une portion supplémentaire de chaleur.
Le principe de fonctionnement de la chaudière à pyrolyse - Mode de gravure supérieur. Dans les chaudières à combustible solide traditionnelles, le feu se propage de bas en haut. Pour cette raison, la plupart des marque-pages brûlent, le carburant s'épuise rapidement.Pendant la combustion active, le système et la maison surchauffent souvent, ce qui est très inconfortable. Lors de l'utilisation de la combustion par le haut, le feu n'est allumé que dans la partie supérieure du signet. Dans le même temps, seule une petite partie du bois de chauffage brûle, ce qui uniformise le régime thermique et augmente le temps de combustion du signet.
Chaudière à combustion supérieure
Quelle est l'efficacité de ces technologies ? Assez efficace. Selon la conception, un marque-page de bois de chauffage peut brûler de 6 à 8 à 24 heures et le charbon - de 10 à 12 heures à plusieurs jours. Mais pour obtenir un tel résultat, il est nécessaire d'utiliser un carburant de haute qualité. Le bois de chauffage et le charbon doivent être secs. C'est la principale exigence. Lors de l'utilisation de combustible humide, la chaudière peut même ne pas entrer en mode de combustion lente, c'est-à-dire qu'elle ne commencera pas à chauffer. Si vous avez un bûcheron avec un approvisionnement en bois de chauffage de deux à trois ans ou un grand hangar qui stocke du charbon, une chaudière à combustion longue pour chauffer une maison privée est un bon choix. Mieux que la normale.
Les meilleures chaudières pas chères
Petit prix ne veut pas toujours dire mauvaise qualité. Si le fabricant économise sur des détails mineurs qui n'affectent pas le fonctionnement de la chaudière, un tel achat sera justifié.
Lemax Premium-30
4.9
★★★★★
note éditoriale
89%
les acheteurs recommandent ce produit
Voir l'avis
Une unité de 30 kW convient aux propriétaires économiques pour chauffer une surface d'au plus 250 m2. L'ensemble des fonctions ici est minimal, mais toutes les fonctions de sécurité nécessaires sont là. Le fabricant a abandonné le remplissage électronique complexe, de sorte que la chaudière est totalement non volatile - il suffit de la connecter à l'alimentation en gaz et tout fonctionnera.
Le modèle de sol lui-même est solidement fabriqué, l'échangeur de chaleur à l'intérieur est en acier. Et avec une efficacité de 90%, Lemax consomme la quantité minimale de carburant bleu - pas plus de 1,75 m3 / h.
Avantages :
- Bonne qualité de construction;
- Contrôle du gaz ;
- Il y a une protection contre la surchauffe;
- Très économique;
- Chauffage caloporteur jusqu'à +90 °С.
Défauts:
Contrôle manuel.
Pour maintenir la température requise dans le système connecté à Lemax, une surveillance constante sera nécessaire. Sinon, cela ne posera aucun problème et une chaudière non volatile permettra d'économiser beaucoup d'argent.
Mora-Top Meteor Plus PK18ST
4.8
★★★★★
note éditoriale
88%
les acheteurs recommandent ce produit
Voir l'avis
La société tchèque Mora est connue pour ses poêles à gaz de haute qualité. Mais les chaudières de chauffage de cette marque ne sont pas pires. Voici, par exemple, une unité murale à circuit unique Meteor Plus avec une puissance thermique allant jusqu'à 19 kW, un détendeur intégré et une pompe de circulation. Il fonctionne parfaitement, ne consomme pas plus de 2,16 m3 / h de gaz, possède l'ensemble minimum de fonctions de protection et coûte en même temps beaucoup moins cher que ses homologues de marque.
Avantages :
- Brûleur à modulation automatique ;
- Faible consommation de carburant ;
- Possibilité de contrôle externe ;
- Fonctionnement silencieux ;
- Il y a une protection contre la surchauffe et le gel;
- Transfère calmement les chutes de pression de gaz.
Défauts:
Pas la plus haute efficacité (90%).
Pour installer Mora, vous aurez besoin d'un peu plus d'espace que pour les modèles compacts italiens ou allemands, et cette chaudière leur perd en design. Mais Meteor remplit complètement son coût et est extrêmement simple à entretenir.
Que peut remplacer
Aujourd'hui, il existe de nombreuses options pour chauffer les maisons et obtenir de l'eau chaude, même sans l'utilisation d'une chaudière.En particulier, ce sont des appareils qui vous permettent de chauffer efficacement et de haute qualité une maison. Fondamentalement, ils fonctionnent sur l'énergie générée lorsque le carburant brûle, se transformant en chaleur. Grâce à cela, la pièce est qualitativement remplie de chaleur.
Le plus souvent, la chaudière est remplacée:
- système de vapeur alimenté par le chauffage du réseau ;
- système à gaz ou électrique de type autonome ;
- chauffage au poêle, pour lequel n'importe quel combustible est utilisé;
- cheminée;
- système de chauffage autonome alimenté par le soleil ou le vent ;
- climatiseur.
Vous pouvez choisir vous-même le chauffage et le combiner, en commençant par des radiateurs et des tuyaux, en terminant par une cheminée et un radiateur portable.
Considérez chaque type de système de chauffage présenté utilisé pour remplacer la chaudière.
- Poêle ou cheminée. Les deux appareils chauffent la pièce et l'eau en brûlant du bois ou du charbon. Pour organiser un tel système de chauffage, vous devrez fabriquer un poêle ou acheter des communications toutes faites et l'installer correctement. En conséquence, vous pouvez obtenir des équipements économiques et respectueux de l'environnement pour le chauffage, la cuisine et le chauffage de l'eau. Dans ce cas, le poêle peut être en brique ou en métal et chauffer immédiatement les pièces adjacentes.
- Climatiseur. Peu de gens se rendent compte que le climatiseur chauffe bien l'air pendant la saison froide. Dans le même temps, son installation nécessitera un minimum de temps, contrairement à la chaudière. Cependant, l'inconvénient d'un tel équipement est le coût élevé de l'entretien, ainsi que le chauffage d'un petit nombre de mètres carrés de la pièce.
- Système de chauffage autonome avec des systèmes de tuyaux et de radiateurs qui y sont connectés. Il peut être obtenu à partir du soleil à l'aide d'appareils appelés capteurs solaires.Ils sont capables de convertir l'énergie solaire en chaleur pour la maison. Il peut également être obtenu à partir de la force du vent à l'aide d'un appareil éolien, composé d'un plateau tournant avec un générateur et un dispositif à batterie, ou une station éolienne.
Important! Ces appareils conviennent au chauffage efficace d'une zone résidentielle située à l'écart de la conduite de gaz. Vous pouvez même vous réchauffer sans utiliser le système de chauffage central, les tuyaux avec les chaudières et les radiateurs. Ceci peut être réalisé par une isolation maximale du logement, un changement de la garde-robe habituelle pour la maison et un chauffage psychologique.
Ceci peut être réalisé par une isolation maximale du logement, un changement de la garde-robe habituelle pour la maison et un chauffage psychologique.
Vous pouvez même vous réchauffer sans utiliser le système de chauffage central, les tuyaux avec les chaudières et les radiateurs. Ceci peut être réalisé par une isolation maximale du logement, un changement de la garde-robe habituelle pour la maison et un chauffage psychologique.
Isolation maximale de la maison comprend l'isolation des murs, l'ajout de sols chauds dans les pièces, des rideaux massifs sur les ouvertures des fenêtres, etc. Même lorsque la chaudière fonctionne, ces nuances retiennent mieux la chaleur et vous permettent d'utiliser le système de manière économique.
Changer votre garde-robe pour la maison comprend commencer à porter des chandails tricotés, utiliser des couvertures tout en vous relaxant, utiliser des capes chauffantes avec des coussins chauffants et des boissons chaudes.
Le chauffage psychologique comprend la modification de la conception des pièces, la modification de la palette de couleurs globale des pièces en tons chauds, l'ajout d'un décor tricoté et d'accessoires en bois à la pièce, l'utilisation de bougies aromatiques et de photos d'endroits chauds. Ainsi, vous pouvez vous tromper et faire en sorte que le corps reçoive psychologiquement de la chaleur.
Dans tous les cas, vous pouvez trouver une option et un moyen de chauffer votre maison sans chaudière.Un tel chauffage peut chauffer même à des températures inférieures à zéro à l'extérieur de la fenêtre. En utilisant les méthodes présentées, vous pouvez chauffer votre maison même dans les situations les plus difficiles.
Le principe de fonctionnement de la chaudière à combustion longue
Dans les unités à combustible solide conventionnelles, un signet suffit pour 6 à 7 heures de combustion. En conséquence, si la prochaine portion de ressources n'est pas ajoutée au four, la température dans la pièce commencera immédiatement à diminuer. Cela est dû au fait que la chaleur principale dans la pièce circule selon le principe de la libre circulation des gaz. Lorsqu'il est chauffé par la flamme, l'air monte et sort.
La ressource thermique d'une chaudière à combustion longue est suffisante pour environ 1 à 2 jours à partir d'une pose de bois de chauffage. Certains modèles peuvent garder au chaud jusqu'à 7 jours.
Comment cette rentabilité et cette efficacité sont-elles atteintes ?
Schéma de fonctionnement de la chaudière
D'une chaudière classique, une chaudière à combustion longue TT se distingue par la présence de deux chambres de combustion à la fois. Dans le premier, le carburant lui-même brûle en standard, et dans le second, les gaz libérés au cours du processus.
Un rôle important dans ce processus est joué par l'apport rapide d'oxygène, qui est fourni par le ventilateur.
Ce principe a été mis en œuvre relativement récemment. En 2000, la société lituanienne Stropuva a présenté pour la première fois cette technologie, qui a immédiatement gagné le respect et la popularité.
Chaudière maison à combustion longue
Aujourd'hui, c'est le moyen le moins cher et le plus pratique de chauffer une maison de campagne, où la gazéification n'est pas fournie et où il y a des pannes de courant.
Ces unités fonctionnent sur le principe de la combustion du carburant de tête.En standard, dans tous les fours, le foyer est situé en bas, ce qui vous permet de prélever l'air froid du sol, de le chauffer et de le soulever.
Le principe de fonctionnement de cette chaudière est quelque peu similaire à la pyrolyse. Ici, la chaleur principale n'est pas libérée par la combustion de combustible solide, mais par les gaz libérés à la suite de ce processus.
Le processus de combustion lui-même se déroule dans un espace clos. À travers un tube télescopique, le gaz libéré pénètre dans la deuxième chambre, où il est complètement brûlé et mélangé à de l'air froid, qui est pompé par le ventilateur.
Chaudière longue durée TT (schéma)
Il s'agit d'un processus continu qui se produit jusqu'à ce que le carburant brûle complètement. La température lors d'une telle combustion est atteinte très élevée - environ 1200 degrés.
Comme mentionné ci-dessus, cette chaudière a deux chambres : la principale est grande et petite. Le carburant lui-même est placé dans une grande chambre. Son volume peut atteindre 500 mètres cubes.
Tout combustible solide peut servir de ressource pour la combustion : sciure, charbon, bois de chauffage, palettes.
Une alimentation en air constante est assurée par un ventilateur intégré. L'avantage de cette méthode est que le combustible solide est consommé extrêmement lentement.
Cela augmente considérablement l'efficacité d'un tel appareil de chauffage. Pourquoi le bois de chauffage brûle-t-il si lentement par rapport à un poêle standard ?
L'essentiel est que seule la couche supérieure brûle, car l'air est soufflé par un ventilateur d'en haut. De plus, le ventilateur n'ajoute de l'air qu'après que la couche supérieure a complètement brûlé.
Il existe aujourd'hui sur le marché de nombreux modèles qui fonctionnent sur le même principe, mais, selon les dimensions, le matériau d'exécution, les options supplémentaires, ont une efficacité et une économie différentes.
Les chaudières Universal TT fonctionnent avec absolument n'importe quel combustible, ce qui simplifiera grandement leur fonctionnement pour les propriétaires. Une option plus économique est une chaudière à bois longue durée TT. Il fonctionne exclusivement au bois et ne peut être chargé avec aucune autre option de combustible.
Chaudières à granulés
Les chaudières fonctionnant aux granulés sont difficiles à attribuer à une classe, car elles sont généralement traitées séparément. Le combustible de ce type de chaudière est constitué de petits granulés fabriqués à partir de sciure de bois comprimée. Un bunker est réalisé pour le stockage des pellets à proximité de la chaudière. Sa taille détermine la durée de vie de la batterie de l'équipement. Avec suffisamment d'espace, le bunker peut être conçu pour plusieurs tonnes de carburant. La taille minimale est pour quelques seaux, ce qui est suffisant pour une journée de travail.

Chaudière à granulés
La chaudière à pellets est équipée d'un brûleur spécial. Les pellets du bunker sont automatiquement introduits dans la zone de combustion, où ils brûlent presque sans résidus. Les granulés de qualité normale ne donnent que 3 à 5 % de cendres. Par conséquent, le nettoyage est rarement nécessaire - une fois par semaine ou même une fois toutes les quelques semaines. L'équipement est entièrement automatisé, avec un approvisionnement suffisant en carburant, vous ne pouvez pas visiter pendant des semaines.
Mais même ici, ce n'était pas sans inconvénients. Le premier est le prix élevé des équipements. La seconde est l'exactitude de la qualité des granulés. Ils doivent avoir une faible teneur en cendres, un bon pouvoir calorifique, ne doivent pas se casser et s'effriter. Sinon, une chaudière à granulés pour chauffer une maison privée est un bon choix.Son plus est que les déchets de l'industrie du bois sont utilisés.
Matériaux et outils
Les outils et appareils suivants sont nécessaires pour le travail :
- Perforateur.
- Pinces.
- Niveau bâtiment.
- Coin.
- Instruments de mesure.
- Tuyau en métal.
- Tôles d'acier.
- Tuyau pour l'alimentation en gaz.
- Portes pour la formation du foyer.
- Brique réfractaire.
- Raccords.
- Argile.
- Étain pour la galvanisation.
- Capteur de température.
- Système d'automatisation.
- Système de ventilation.
Les composants importants sont : le déflecteur, le système de contrôle et le thermostat.
Il existe deux principaux types de thermostats - filaires et sans fil. Les appareils filaires sont moins chers. Il est préférable de choisir des modèles avec des indicateurs programmables. Cela aidera à maintenir une température constante.
L'automatisation comprend un module de contrôle de la flamme, un système d'arrêt d'urgence et un contrôleur de traction. Tous ces appareils sont achetés séparément. Pour que l'appareil fonctionne, vous devrez tous les installer.
Conclusions et vidéo utile sur le sujet
Le principe de fonctionnement de l'équipement de chauffage universel dans la vidéo:
Règles pour choisir une chaudière combinée dans la vidéo:
Un exemple de fonctionnement d'une chaudière à granulés de chauffage mixte :
Quel que soit le type d'équipement choisi, avant de l'acheter, il est nécessaire de concevoir un futur système d'alimentation en chaleur. Cela comprend : les canalisations, le conduit de cheminée et les mesures de sécurité pendant le fonctionnement de l'appareil de chauffage.
Cela garantira le fonctionnement complet du système de chauffage avec des coûts énergétiques minimes.
Vous cherchez une chaudière mixte efficace pour votre maison ? Ou avez-vous de l'expérience avec ces paramètres? Veuillez laisser des commentaires sur l'article, participer aux discussions et partager vos impressions sur l'utilisation des unités de chauffage.
















































