- Comment installer une chaudière murale
- Options de cerclage
- recyclage
- Caractéristiques des différents schémas de cerclage
- Méthode 1 : cerclage dans les systèmes gravitaires
- Méthode 2 : tuyauterie de la chaudière avec une pompe de circulation
- Garniture de plancher chauffant
- Générateurs de chaleur électriques et diesel
- Erreurs courantes lors du raccordement d'une chaudière à gaz
- Qu'est-ce que le cerclage et de quoi est-il fait
- Que devrait-il y avoir dans le harnais
- Quels tuyaux fabriquer
- Quelle est la connexion d'une chaudière à combustible solide et à gaz dans un système
- Caractéristiques de la connexion de deux chaudières
- Chaudières à circuit unique avec alimentation en eau chaude
- Schéma de maquillage manuel
- Qu'est-ce qu'une chaudière à circuit unique
- Vase d'expansion pour système de chauffage fermé
- Calcul des volumes
- Emplacement pour l'installation du vase d'expansion de type membrane
- Conclusions et vidéo utile sur le sujet
Comment installer une chaudière murale
Avant l'installation, déballez le générateur de chaleur et vérifiez que l'appareil est complet. Assurez-vous que les fixations d'origine s'adaptent à vos murs. Par exemple, des fixations spéciales sont nécessaires pour le béton cellulaire, les chevilles ordinaires ne conviennent pas.
Nous suivons l'ordre de travail suivant :
- Marquez le contour de l'unité de chauffage sur le mur. Assurez-vous que les empreintes technologiques des structures du bâtiment ou d'autres surfaces sont respectées: 0,5 m du plafond, d'en bas - 0,3 m, sur les côtés - 0,2 m.Habituellement, le fabricant fournit un schéma avec les dimensions dans le manuel d'instructions.
- Pour une chaudière turbo à chambre fermée, nous préparons un trou pour une cheminée coaxiale. Nous le forons avec une pente de 2–3 ° vers la rue afin que le condensat résultant s'écoule. Le processus d'installation d'un tel tuyau est décrit en détail par nous séparément.
- Le générateur de chaleur est livré avec un gabarit d'installation en papier avec des trous pré-percés. Fixez le croquis au mur, alignez-le avec le niveau du bâtiment, fixez le schéma avec du ruban adhésif.
- Les points de perçage doivent être poinçonnés immédiatement. Retirez le gabarit et faites des trous de 50 à 80 mm de profondeur. Assurez-vous que la perceuse ne va pas sur le côté, cela se produit sur les cloisons en briques.
- Installez des bouchons en plastique dans les trous, vissez les crochets de suspension à la profondeur maximale à l'aide d'une pince. Avec l'aide d'une deuxième personne, accrochez soigneusement la machine.

Lorsque vous marquez des trous dans un mur en rondins de bois, assurez-vous que la fixation se trouve sur la crête du rondin. Les crochets se vissent directement dans l'arbre, sans bouchons en plastique.
Options de cerclage
Le dispositif d'une chaudière murale avec une chambre de combustion fermée
Le choix d'un schéma de tuyauterie parfaitement adapté à un système d'une configuration donnée dépend directement de la conception spécifique de l'échantillon d'équipement de chaudière acheté. Selon le mode de placement dans les locaux choisis pour celui-ci et la conception de l'eye-liner, ces unités sont réparties dans les classes suivantes:
- chaudières au sol typiques ;
- appareils muraux légers (compacts).
La principale exigence pour l'installation d'unités au sol est d'interdire l'insertion de leurs buses de travail dans la partie supérieure de la canalisation de distribution.
Si cette règle n'est pas respectée lors de la tuyauterie d'une chaudière au sol dans des systèmes non équipés de vannes d'air, des formations très dangereuses (bouchons) apparaîtront. Pour réduire la probabilité de leur apparition en l'absence de vannes, le tuyau dans lequel la chaudière s'écrase doit être situé strictement verticalement et avoir un vase d'expansion spécial dans la partie supérieure.
Le schéma de tuyauterie doit être orienté vers l'uniformité de l'alimentation en chaleur de tous les appareils
Dans la zone inférieure des unités de toutes catégories, des dispositifs automatiques sont prévus pour assurer leur connexion fiable au réseau de chauffage. Contrairement à une chaudière au sol, ses homologues murales disposent déjà d'un mécanisme d'expansion qui élimine la formation d'embouteillages. Lors de l'examen des schémas de tuyauterie de la chaufferie pour de tels systèmes, il faut garder à l'esprit que l'avantage des modèles muraux - poids léger et dimensions pas trop grandes - est également leur inconvénient. Cela est dû au fait que les unités compactes de DWG, par exemple, sont limitées dans leurs capacités énergétiques. Cela signifie que la puissance déclarée par ce fabricant est suffisante pour chauffer des bâtiments d'une superficie ne dépassant pas 100 mètres carrés. Par conséquent, ces appareils sont particulièrement populaires auprès des propriétaires d'appartements en ville.
Une caractéristique distinctive est la présence de deux versions qui diffèrent par leur configuration. L'ensemble complet d'équipements comprend la plupart des éléments de cerclage, et l'ensemble incomplet manque de certains nœuds achetés par l'utilisateur lui-même.
recyclage
Dans une position parallèle au circuit de chauffage du radiateur principal ou à un petit circuit dans la zone allant de la chaudière à la flèche hydraulique, un circuit à basse température est disposé. Il comprend un by-pass et une vanne thermostatique à trois voies. Grâce à la pompe, l'eau circule en permanence à l'intérieur des tuyaux du plancher chauffant.

Un mélangeur à trois voies est utilisé pour prélever de nouvelles portions de liquide de refroidissement chaud du tuyau d'alimentation lorsque la température à l'intérieur du tuyau de retour chute. Il peut être remplacé par une simple vanne thermostatique équipée d'une sonde de température déportée de type capillaire ou d'un thermocouple électrique. Le lieu d'installation du capteur est une niche sur le retour du chauffage au sol. La vanne est activée lorsque la température du liquide de refroidissement baisse.
Caractéristiques des différents schémas de cerclage
Le liquide de refroidissement se déplace dans la canalisation en raison de la pente du système ou est pompé de force par une pompe de circulation. En fonction de cela, un schéma de tuyauterie de chaudière est sélectionné.
Méthode 1 : cerclage dans les systèmes gravitaires
La tuyauterie de la chaudière dans un système de chauffage par gravité est simple et peut être installée par toute personne sachant manipuler des outils. Le liquide de refroidissement se déplace conformément aux lois physiques.
Cela ne nécessite aucun appareil. Le fonctionnement du système ne dépend pas de l'électricité, donc un arrêt soudain n'affectera pas la qualité du chauffage.
La tuyauterie de la chaudière coûtera le minimum d'argent, car. vous n'avez pas à acheter d'appareils supplémentaires, payez une équipe d'artisans pour l'installation. Le fonctionnement d'un tel système est également bon marché et les pannes peuvent être réparées indépendamment.
La tuyauterie de la chaudière dans le système de chauffage par gravité peut être montée à la main, mais il n'est pas toujours possible de le faire parfaitement.Si des erreurs sont commises lors du calcul du diamètre et que le chauffage ne fonctionne pas bien, la situation peut être corrigée en installant une pompe
Le seul point négatif: un tel schéma ne peut être utilisé que pour une petite maison. De plus, vous devrez calculer soigneusement le diamètre des tuyaux et revérifier les données à plusieurs reprises, sinon le chauffage normal de la maison ne peut être garanti. Un pipeline de grand diamètre gâche l'intérieur et il est problématique de le déguiser.
Méthode 2 : tuyauterie de la chaudière avec une pompe de circulation
Les systèmes avec équipement de pompage sont plus faciles à gérer que les systèmes gravitaires. Lors de l'installation d'un chauffage forcé, la tuyauterie de la chaudière est plus compliquée et coûteuse, mais le résultat est une température confortable dans toutes les pièces.
Ce chauffage est volatil, il est donc conseillé de jouer la sécurité et de le monter de manière à ce qu'en cas de coupure de courant, vous puissiez basculer le système sur la circulation gravitationnelle du liquide de refroidissement.

Il est impossible d'organiser une circulation forcée si la maison n'est pas connectée au réseau électrique, mais cela n'arrive pas souvent. Pour un grand bâtiment, c'est le meilleur schéma de chauffage, bien que la tuyauterie de la chaudière nécessite des efforts considérables.
Le schéma de tuyauterie de la chaudière est compliqué par des dispositifs supplémentaires qui nécessiteront un entretien régulier pendant le fonctionnement. Sans expérience, il est difficile de se débrouiller seul, vous devrez donc embaucher des artisans et payer leur travail.

Les égaliseurs hydrauliques sont connectés au chauffage des maisons dans lesquelles vivent de nombreuses personnes. Des appareils sont nécessaires lorsque plusieurs circuits sont fournis et que des chaudières puissantes sont installées (plus de 50 kW)
Pour minimiser le nombre d'appareils supplémentaires, il est possible de mettre en œuvre un schéma avec des anneaux primaires-secondaires avec des pompes de circulation dans chacun d'eux.Si la puissance de la chaudière est inférieure à 50 kW, des collecteurs doivent être inclus dans le circuit, sinon les batteries chaufferont de manière inégale.

Les systèmes combinés sont économiques et efficaces. Le plancher chaud fonctionne grâce à l'eau chauffée provenant du circuit des radiateurs. Cela vous permet d'utiliser les ressources énergétiques de manière appropriée et de vivre avec un maximum de confort.
La meilleure tuyauterie de chaudière pour chauffer une petite maison est la plus simple. Pas besoin d'installer d'appareils supplémentaires, car plus la conception est simple, plus elle est fiable. Cependant, pour un bâtiment spacieux avec plusieurs circuits de chauffage, il vaut la peine de choisir un schéma avec mouvement forcé du liquide de refroidissement et un collecteur en peigne.
Garniture de plancher chauffant
Souvent, les clients, n'étant pas particulièrement au courant du fonctionnement d'une chaudière à gaz à double circuit, proposent de lier le deuxième circuit à un plancher chauffant à l'eau et de laisser le premier à un système de chauffage par radiateurs. Bien sûr, si la chaudière fonctionnait sur les deux circuits en même temps, une telle option pourrait être mise en place. Mais pas de chance, les chaudières à double circuit fonctionnent en mode priorité eau chaude.
En termes simples, la chaudière fonctionne soit pour le chauffage, soit pour l'eau chaude, et le deuxième circuit est toujours prioritaire. Par conséquent, combiner le deuxième circuit avec un sol chaud est un exercice dénué de sens.
Lire aussi :
Générateurs de chaleur électriques et diesel
Le raccordement d'une chaudière à carburant diesel à un système de radiateurs est identique aux installations utilisant des canalisations de gaz. Raison: l'unité diesel fonctionne sur un principe similaire - un brûleur à commande électronique chauffe l'échangeur de chaleur avec une flamme, en maintenant la température réglée du liquide de refroidissement.
Les chaudières électriques, dans lesquelles l'eau est chauffée par des éléments chauffants, un noyau à induction ou grâce à l'électrolyse des sels, sont également directement connectées au chauffage. Pour le maintien de la température et de la sécurité, l'automatisme est situé dans l'armoire électrique, connecté au réseau selon le schéma de câblage ci-dessus. D'autres options de connexion sont présentées dans une publication séparée sur l'installation de chaudières de chauffage électrique.
Les mini-chaudières murales équipées de résistances tubulaires sont destinées uniquement aux systèmes de chauffage fermés. Pour travailler avec le câblage par gravité, vous aurez besoin d'une électrode ou d'une unité d'induction, qui est liée selon le schéma standard:
Si vous le comprenez, la dérivation n'est pas nécessaire ici - la chaudière ne fonctionnera pas non plus sans électricité.
Erreurs courantes lors du raccordement d'une chaudière à gaz
Une grande chaudière chauffe l'eau plus rapidement, ce qui signifie qu'elle consomme plus de combustible. Il convient également de garder cela à l'esprit lors de l'achat et du raccordement d'équipements à gaz.
Portez une attention particulière au contrôle du niveau de pression dans le vase d'expansion. Une taille de réservoir mal sélectionnée peut également nuire au fonctionnement de l'ensemble du système dans son ensemble. Le schéma de tuyauterie d'une chaudière à double circuit n'est pas une tâche facile
La meilleure solution serait de contacter un service de gaz spécialisé, dont les employés connecteront rapidement l'appareil au système d'alimentation en gaz
Le schéma de tuyauterie d'une chaudière à double circuit n'est pas une tâche facile. La meilleure solution serait de contacter un service de gaz spécialisé, dont les employés connecteront rapidement l'unité au système d'alimentation en gaz.
De plus en plus de propriétaires non seulement de maisons privées, mais aussi d'appartements urbains, ne voulant pas dépendre de structures communales, installent dans leurs maisons des systèmes de chauffage autonomes, dont le «cœur» est une chaudière - un générateur de chaleur. Mais tout seul, cela ne peut pas fonctionner. Le schéma de tuyauterie de la chaudière de chauffage est un ensemble de tous les appareils et tuyaux auxiliaires qui sont connectés selon un certain schéma et représentent un circuit unique.
Pourquoi est-il nécessaire
- Assurer la circulation du fluide à travers le système et le transfert d'énergie thermique vers les locaux dans lesquels des appareils de chauffage - radiateurs sont installés.
- Protection de la chaudière contre la surchauffe, ainsi que protection de la maison contre la pénétration de gaz naturel ou de monoxyde de carbone en cas d'urgence. Par exemple, la perte d'une flamme de brûleur, une fuite d'eau, etc.
- Maintien de la pression dans le système au niveau requis (vase d'expansion).
- Un schéma de connexion de chaudière à gaz correctement installé (tuyauterie) lui permet de fonctionner de manière stable dans le mode optimal, ce qui réduit considérablement la consommation de carburant et économise sur le chauffage.
Principaux éléments du circuit
- Générateur de chaleur - chaudière.
- Réservoir à membrane (expansion) - expandomat.
- Régulateur de pression.
- Pipeline.
- Vannes d'arrêt (robinets, vannes).
- Filtre grossier - "boue".
- Connexion (raccords) et fixations.
Selon le type de circuit de chauffage sélectionné (et de chaudière), il peut y avoir d'autres composants.
Le schéma de tuyauterie d'une chaudière à double circuit, comme une chaudière à circuit unique, dépend de nombreux facteurs. Il s'agit des capacités de l'unité elle-même (y compris son équipement), des conditions de fonctionnement et des caractéristiques de la conception du système.Mais il existe également des différences, qui sont déterminées par le principe de mouvement du liquide de refroidissement. Étant donné que les habitations privées utilisent des chaudières qui fournissent à la fois de la chaleur et de l'eau chaude, considérons un exemple de tuyauterie classique d'un appareil à double circuit avec circulation forcée du liquide de refroidissement.
Circuit de chauffage
L'eau, chauffée dans l'échangeur de chaleur à la température souhaitée, «sort» de la sortie de la chaudière par des tuyaux vers des radiateurs, auxquels elle transfère de l'énergie thermique. Le liquide refroidi est renvoyé à l'entrée du générateur de chaleur. Son mouvement est contrôlé par une pompe de circulation, qui est équipée de presque toutes les unités.
Un vase d'expansion est installé entre le dernier radiateur de la chaîne et la chaudière pour compenser les éventuelles pertes de charge. Voici également un "collecteur de boue" qui protège l'échangeur de chaleur des petites fractions pouvant pénétrer dans le liquide de refroidissement des batteries et des tuyaux (particules de rouille et dépôts de sel).
Un insert de tuyau pour l'alimentation en eau froide (alimentation) est réalisé dans la zone située entre la chaudière et le premier radiateur. S'il est équipé sur le "retour", cela peut entraîner une déformation de l'échangeur de chaleur en raison de la différence de température entre celui-ci et le liquide "d'alimentation".
Circuit ECS
Fonctionne comme une cuisinière à gaz. L'eau froide du système d'alimentation en eau est fournie à l'entrée ECS de la chaudière, et à partir de la sortie, l'eau chauffée passe par des tuyaux jusqu'aux points de prise d'eau.
Le schéma de tuyauterie pour les chaudières murales est similaire.
Il existe également un certain nombre d'autres types.
La gravité
Il n'a pas de pompe à eau et la circulation du liquide se produit en raison de la différence de température à l'entrée et à la sortie du circuit. De tels systèmes ne dépendent pas de l'alimentation électrique. Réservoir à membrane de type ouvert (placé tout en haut du parcours).
Avec anneaux primaire-secondaire
En principe, il s'agit d'un analogue du peigne (collecteur) déjà mentionné. Un tel schéma est utilisé s'il est nécessaire de chauffer un grand nombre de pièces et de connecter le système "plancher chaud".
Il y en a d'autres qui ne s'appliquent pas aux maisons privées. De plus, il peut y avoir des ajouts à ceux énumérés. Par exemple, un mélangeur avec un servo.
| Des articles |
Qu'est-ce que le cerclage et de quoi est-il fait
Il y a deux parties principales dans le système de chauffage - la chaudière et les radiateurs ou le chauffage par le sol. Ce qui les lie et assure la sécurité - c'est le harnais. Selon le type de chaudière installée, différents éléments sont utilisés. Par conséquent, la tuyauterie des unités à combustible solide sans automatisation et des chaudières automatisées (plus souvent à gaz) est généralement considérée séparément. Ils ont différents algorithmes de fonctionnement, les principaux sont la possibilité de chauffer la chaudière TT en phase de combustion active à des températures élevées et la présence / absence d'automatisation. Cela impose un certain nombre de restrictions et d'exigences supplémentaires qui doivent être respectées lors de la tuyauterie d'une chaudière à combustible solide.
Un exemple de tuyauterie de chaudière - vient d'abord le cuivre, puis les tuyaux en polymère
Que devrait-il y avoir dans le harnais
Pour assurer le fonctionnement sûr du chauffage, la tuyauterie de la chaudière doit contenir un certain nombre de dispositifs. Doit être:
- Manomètre. Pour contrôler la pression dans le système.
- Purgeur d'air automatique. Pour purger l'air qui est entré dans le système - afin que les bouchons ne se forment pas et que le mouvement du liquide de refroidissement ne s'arrête pas.
- Soupape d'urgence. Pour soulager une pression excessive (se connecte au système d'égouts, car une certaine quantité de liquide de refroidissement est évacuée).
- Vase d'expansion. Nécessaire pour compenser la dilatation thermique.Dans les systèmes ouverts, le réservoir est placé au sommet du système et est un conteneur ordinaire. Dans les systèmes de chauffage fermés (obligatoires avec une pompe de circulation), un réservoir à membrane est installé. L'emplacement d'installation se trouve dans la conduite de retour, devant l'entrée de la chaudière. Il peut être à l'intérieur d'une chaudière à gaz murale ou installé séparément. Lors de l'utilisation de la chaudière pour la préparation d'eau chaude sanitaire, un vase d'expansion est également nécessaire dans ce circuit.
-
Pompe de circulation. Obligatoire pour l'installation dans des systèmes à circulation forcée. Pour augmenter l'efficacité du chauffage, il peut également se trouver dans des systèmes à circulation naturelle (gravitationnelle). Il est placé sur la ligne d'alimentation ou de retour devant la chaudière vers la première branche.
Certains de ces appareils sont déjà installés sous l'enveloppe de la chaudière murale à gaz. La liaison d'une telle unité est très simple. Afin de ne pas compliquer le système avec un grand nombre de robinets, le manomètre, le purgeur d'air et la vanne d'urgence sont assemblés en un seul groupe. Il existe un cas particulier avec trois prises. Des dispositifs appropriés y sont vissés.
Voici à quoi ressemble un groupe de sécurité
Un groupe de sécurité est installé sur la canalisation d'alimentation immédiatement à la sortie de la chaudière. Réglez de manière à ce qu'il soit facile de contrôler la pression et que vous puissiez relâcher manuellement la pression si nécessaire.
Quels tuyaux fabriquer
Aujourd'hui, les tuyaux métalliques sont rarement utilisés dans le système de chauffage. Ils sont de plus en plus remplacés par du polypropylène ou du métal-plastique. Le raccordement d'une chaudière à gaz ou tout autre automatisé (granulés, fioul liquide, électrique) est possible immédiatement avec ces types de canalisations.
La chaudière à gaz murale peut être raccordée avec des tuyaux en polypropylène directement à l'entrée de la chaudière
Lors du raccordement d'une chaudière à combustible solide, au moins un mètre de tuyau à l'alimentation est infranchissable pour fabriquer un tuyau en métal et, mieux encore, en cuivre. Ensuite, vous pouvez mettre la transition en métal-plastique ou en polypropylène. Mais ce n'est pas une garantie que le polypropylène ne s'effondrera pas. Il est préférable de faire une protection supplémentaire contre la surchauffe (ébullition) de la chaudière TT.
S'il y a une protection contre la surchauffe, la tuyauterie de la chaudière peut être réalisée avec des tuyaux en polypropylène
Le métal-plastique a une température de fonctionnement plus élevée - jusqu'à 95 ° C, ce qui est suffisant pour la plupart des systèmes. Ils peuvent également être utilisés pour lier une chaudière à combustible solide, mais uniquement si l'un des systèmes de protection contre la surchauffe du liquide de refroidissement est disponible (décrit ci-dessous). Mais les tuyaux en métal-plastique présentent deux inconvénients importants : le rétrécissement à la jonction (conception du raccord) et la nécessité de vérifier régulièrement les connexions, car elles fuient avec le temps. Ainsi, la liaison de la chaudière avec du métal-plastique se fait sous réserve de l'utilisation d'eau comme liquide de refroidissement. Les liquides antigel sont plus fluides, il est donc préférable de ne pas utiliser de raccords à compression dans de tels systèmes - ils couleront toujours. Même si vous remplacez les joints par des joints résistants aux produits chimiques.
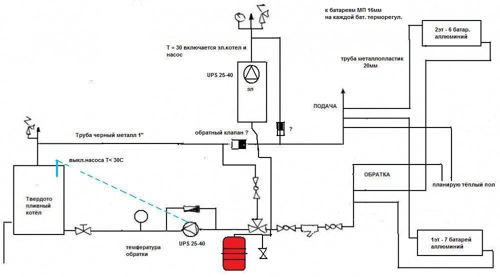
Quelle est la connexion d'une chaudière à combustible solide et à gaz dans un système
La connexion d'une chaudière à combustible solide et à gaz à un système résout le problème de combustible pour le propriétaire. Une chaudière monocombustible est gênante dans la mesure où si vous ne réapprovisionnez pas les stocks en temps opportun, vous pouvez vous retrouver sans chauffage. Les chaudières combinées coûtent cher et si une telle unité tombe en panne sérieusement, toutes les options de chauffage prévues deviendront irréalisables.
Peut-être avez-vous déjà une chaudière à combustible solide, mais souhaitez-vous passer à une autre plus pratique à utiliser. Ou la chaudière existante n'a pas assez de puissance, vous en avez besoin d'une autre. Dans tous ces cas, il sera nécessaire de connecter une chaudière à combustible solide et à gaz à un seul système.
Caractéristiques de la connexion de deux chaudières
Le raccordement de deux chaudières à un système de chauffage rend difficile leur combinaison: les unités à gaz fonctionnent dans un système fermé, le combustible solide - dans un système ouvert. La tuyauterie ouverte de la chaudière TD vous permet de chauffer de l'eau à une température supérieure à 100 degrés, à une valeur de pression critique élevée (qu'est-ce que la tuyauterie d'une chaudière à combustible solide).
Pour soulager la pression, une telle chaudière est équipée d'un vase d'expansion de type ouvert et résiste aux températures élevées en drainant une partie du liquide de refroidissement chaud de ce réservoir dans les égouts. Lors de l'utilisation d'un réservoir ouvert, l'aération du système est inévitable, l'oxygène libre dans le liquide de refroidissement entraîne la corrosion des pièces métalliques.
Deux chaudières dans un système - comment les connecter correctement ?
Il y a deux options :
- un schéma séquentiel pour connecter deux chaudières à un système de chauffage: une combinaison d'un secteur ouvert (chaudière TD) et d'un secteur fermé (gaz) du système utilisant un accumulateur de chaleur;
- installation d'une chaudière à combustible solide en parallèle avec une chaudière à gaz, avec dispositifs de sécurité.
Un système de chauffage en parallèle avec deux chaudières, gaz et bois, est optimal, par exemple, pour un chalet de grande surface : chaque unité est responsable de sa propre moitié de la maison.
Dans ce cas, un contrôleur et la possibilité d'un contrôle en cascade sont nécessaires.Avec un schéma séquentiel de connexion des chaudières à gaz et à combustibles solides en un seul système, il s'avère, pour ainsi dire, deux circuits indépendants reliés par un accumulateur de chaleur (qu'est-ce qu'un accumulateur de chaleur pour les chaudières de chauffage).
Le schéma à deux chaudières a été très largement utilisé récemment et suscite beaucoup d'intérêt. Lorsque deux unités thermiques apparaissent dans une chaufferie, la question se pose immédiatement de savoir comment coordonner leur travail. Essayons de répondre à la question de la connexion de deux chaudières à un système de chauffage.
Cette information intéressera ceux qui vont construire leur propre chaufferie, qui veulent éviter les erreurs et pour ceux qui ne vont pas construire de leurs propres mains, mais veulent transmettre leurs besoins aux personnes qui assembleront le chaufferie. Ce n'est un secret pour personne que chaque installateur a ses propres idées sur l'apparence de la chaufferie et souvent elles ne coïncident pas avec les besoins du client, mais le désir du client est plus important dans cette situation.
Regardons des exemples de pourquoi dans un cas la chaufferie fonctionne en mode automatique (les chaudières sont coordonnées les unes avec les autres sans la participation du consommateur), et dans l'autre il est nécessaire qu'elle soit allumée.
Rien n'est requis ici, à l'exception des vannes d'arrêt. La commutation entre les chaudières s'effectue par ouverture/fermeture manuelle de deux robinets situés sur le liquide de refroidissement. Et pas quatre, afin de couper complètement la chaudière inactive du système. Dans les deux chaudières, il y a le plus souvent des chaudières intégrées et il est plus rentable de les utiliser toutes les deux en même temps, car le volume du système de chauffage dépasse très souvent les capacités d'un vase d'expansion pris séparément.Afin d'éviter l'installation inutile d'un vase d'expansion supplémentaire (externe), il n'est pas nécessaire de couper complètement les chaudières du système. Il est nécessaire de les fermer en fonction du mouvement du liquide de refroidissement et de les laisser simultanément inclus dans le système de détente.
Chaudières à circuit unique avec alimentation en eau chaude
Afin de fournir de l'eau chaude, ainsi qu'un groupe de sécurité, une pompe et un vase d'expansion, la tuyauterie d'une chaudière à gaz à circuit unique doit inclure une chaudière à chauffage indirect. Il est possible de raccorder une chaudière à chauffage indirect avec recirculation. Le chauffage de l'eau dans ce cas est réalisé grâce au liquide de refroidissement du circuit de chauffage. Cela conduit à l'apparition de deux circuits de circulation - grand (à travers le système de chauffage) et petit (à travers la chaudière). Chacun d'eux a des vannes d'arrêt, ce qui vous permet de les allumer séparément. Pour interrompre le remplissage de l'alimentation, un schéma de tuyauterie pour une chaudière à circuit unique avec une chaudière est utilisé, immédiatement après quoi une dérivation avec une grue est montée.
Schéma de maquillage manuel
L'option la plus simple pour remplir le système est mise en œuvre dans 90% des chaudières murales à double circuit, où un tuyau d'alimentation en eau froide est a priori connecté. Une vanne manuelle est installée à l'intérieur du boîtier, reliant cette ligne à la ligne de retour de chauffage. Souvent, un robinet d'alimentation de chaudière se trouve sur les générateurs de chaleur à combustible solide avec et sans circuit d'eau (par exemple, les appareils de chauffage de la marque tchèque Viadrus).
Dans les générateurs de chaleur muraux à double circuit, la vanne d'appoint est située en dessous, où les canalisations sont connectées
Pour assembler une unité de maquillage classique adaptée à tout type de système, vous aurez besoin des pièces suivantes :
- un té avec une sortie latérale DN 15-20, correspondant au matériau du tuyau de chauffage, - un raccord pour métal-plastique, polypropylène, etc.;
- clapet anti-retour à clapet (ressort);
- robinet à tournant sphérique ;
- raccords, raccords.
La tâche du clapet anti-retour est d'empêcher l'eau du réseau de chauffage de retourner à l'alimentation en eau. Si nous parlons de pomper de l'antigel avec une pompe, vous ne pouvez pas du tout vous passer d'une vanne. Les raccords sont installés exactement dans l'ordre d'énumération:
- Le té coupe le retour chauffage après la pompe de circulation.
- Un clapet anti-retour est connecté au tuyau de dérivation du té.
- Vient ensuite le robinet à tournant sphérique.
Le principe de fonctionnement de l'unité est simple: lorsque le robinet est ouvert, l'eau de la ligne centralisée pénètre dans les canalisations de chauffage, car sa pression est plus élevée (4 à 8 bars contre 0,8 à 2 bars). Le processus de remplissage d'un système fermé est contrôlé par le manomètre de la chaudière ou du groupe de sécurité. En cas de surpression accidentelle, utilisez le robinet Mayevsky sur le radiateur le plus proche et purgez l'excès d'eau.
Pour contrôler la quantité de liquide de refroidissement dans le vase d'expansion d'un réseau de chauffage ouvert situé dans les combles de la maison, le réservoir doit être équipé de 2 tuyaux supplémentaires d'un diamètre de ½ pouce :
- La canalisation de commande, se terminant par un robinet dans la chaufferie, coupe la paroi latérale à environ la moitié de la hauteur de la cuve. En ouvrant cette vanne, vous pouvez déterminer la présence d'eau dans le réservoir sans monter dans le grenier.Pendant le processus de remplissage, des bulles d'air sortent par le couvercle du réservoir, le niveau maximum est contrôlé par la sortie d'eau du raccord supérieur à travers le tuyau
- Le tuyau de trop-plein coupe 10 cm sous le couvercle du réservoir, l'extrémité est déviée dans les égouts ou juste à l'extérieur sous le surplomb du toit. Étant dans le four et ouvrant le robinet d'appoint, vous devriez voir ce tuyau, lorsque l'eau coule de là, le remplissage s'arrête.
Le schéma avec clapet anti-retour et robinet d'arrêt est également applicable pour le remplissage des systèmes solaires (capteurs solaires) et des circuits géothermiques des pompes à chaleur avec antigel. L'utilisation de la vanne de chaudière d'appoint est décrite dans la vidéo :
Qu'est-ce qu'une chaudière à circuit unique

Des deux types de chaudières existants, différenciés par le nombre de circuits de chauffage intégrés, celui à circuit unique diffère en ce qu'il est doté d'une seule fonction utile - l'apport de chaleur aux batteries pour augmenter la température ambiante. Sa conception elle-même n'est pas capable de fournir de l'eau chaude au robinet, de sorte que le rôle du mélangeur dans ce cas est réduit à zéro. Les chaudières sont électriques (éléments chauffants, induction, électrode) et à gaz, ce qui est dû à différents modes de chauffage, puissance, consommation.
La chaudière électrique a la nomenclature suivante: un réservoir central qui agit comme un échangeur de chaleur, des éléments chauffants tubulaires (réchauffeurs), des tuyaux d'entrée-sortie dans la partie inférieure du corps, une pompe de circulation pour la circulation de l'eau dans le système, un thermostat, indicateurs. Dans la chaudière à induction, au lieu d'éléments chauffants, des bobines sont placées, qui sont entraînées par induction électromagnétique, le tuyau de sortie avec de l'eau chaude est installé sur le couvercle supérieur de la structure. Les chaudières à électrodes fonctionnent, respectivement, au moyen des pôles d'un circuit électrique fermé (anode et cathode) installés en parallèle, formant une tension électrique et une génération de chaleur.
La chaudière à gaz à circuit unique est équipée d'un échangeur de chaleur, d'une chambre de combustion pour le combustible entrant d'un brûleur à gaz, d'une vanne à trois codes, d'une pompe de circulation, d'un vase d'expansion, d'une vanne de raccordement à une conduite de gaz.
Tous les modèles modernes de chaudières à circuit unique, en plus du tuyau d'entrée-sortie d'eau, ont des tuyaux pour se connecter à des unités de chauffage d'eau externes. Ainsi, la possibilité de synthétiser une chaudière à circuit unique avec une chaudière à chauffage indirect est réalisée pour créer un système multifonctionnel de chauffage et d'alimentation en eau chaude à la maison.
Vase d'expansion pour système de chauffage fermé
Le vase d'expansion est conçu pour compenser les variations de volume du liquide de refroidissement en fonction de la température. Dans les systèmes de chauffage fermés, il s'agit d'un récipient scellé, divisé par une membrane élastique en deux parties. Dans la partie supérieure, il y a de l'air ou un gaz inerte (dans les modèles coûteux). Tant que la température du liquide de refroidissement est basse, le réservoir reste vide, la membrane est redressée (image à droite sur la figure).

Le principe de fonctionnement du vase d'expansion à membrane
Lorsqu'il est chauffé, le liquide de refroidissement augmente de volume, son excès monte dans le réservoir, poussant la membrane et comprimant le gaz pompé dans la partie supérieure (sur la photo de gauche). Sur le manomètre, cela s'affiche comme une augmentation de la pression et peut servir de signal pour réduire l'intensité de la combustion. Certains modèles disposent d'une soupape de sécurité qui libère l'excès d'air/gaz lorsqu'un seuil de pression est atteint.
Au fur et à mesure que le liquide de refroidissement refroidit, la pression dans la partie supérieure du réservoir fait sortir le liquide de refroidissement du réservoir dans le système, le manomètre revient à la normale.C'est tout le principe de fonctionnement du vase d'expansion de type membrane. Soit dit en passant, il existe deux types de membranes - en forme de plat et en forme de poire. La forme de la membrane n'affecte pas le principe de fonctionnement.

Types de membranes pour vases d'expansion dans des systèmes fermés
Calcul des volumes
Selon les normes généralement acceptées, le volume du vase d'expansion doit être de 10% du volume total du liquide de refroidissement. Cela signifie que vous devez calculer la quantité d'eau qui entrera dans les tuyaux et les radiateurs de votre système (c'est dans les données techniques des radiateurs, mais le volume des tuyaux peut être calculé). 1/10 de ce chiffre sera le volume du vase d'expansion requis. Mais ce chiffre n'est valable que si le liquide de refroidissement est de l'eau. Si un liquide antigel est utilisé, la taille du réservoir est augmentée de 50 % du volume calculé.
Voici un exemple de calcul du volume d'un réservoir à membrane pour un système de chauffage fermé :
- le volume du système de chauffage est de 28 litres;
- taille du vase d'expansion pour un système rempli d'eau 2,8 litres;
- la taille du réservoir à membrane pour un système avec liquide antigel est de 2,8 + 0,5 * 2,8 = 4,2 litres.
Lors de l'achat, choisissez le plus grand volume le plus proche. N'en prenez pas moins - il est préférable d'avoir une petite quantité.
Que rechercher lors de l'achat
Les magasins ont des réservoirs rouges et bleus. Les réservoirs rouges conviennent au chauffage. Les bleus sont structurellement les mêmes, seulement ils sont conçus pour l'eau froide et ne tolèrent pas les températures élevées.
À quoi d'autre faire attention? Il existe deux types de réservoirs - à membrane remplaçable (ils sont également appelés à bride) et à membrane irremplaçable. La deuxième option est moins chère, et de manière significative, mais si la membrane est endommagée, vous devrez acheter le tout.
Dans les modèles à brides, seule la membrane est achetée.
Emplacement pour l'installation du vase d'expansion de type membrane
Habituellement, ils placent un vase d'expansion sur le tuyau de retour devant la pompe de circulation (vu dans la direction du liquide de refroidissement). Un té est installé dans le pipeline, un petit morceau de tuyau est connecté à l'une de ses parties et un extenseur y est connecté, via des raccords. Il est préférable de le placer à une certaine distance de la pompe afin de ne pas créer de pertes de charge. Un point important est que la section de tuyauterie du réservoir à membrane doit être droite.

Schéma d'installation d'un vase d'expansion pour chauffage à membrane
Après le tee, placez un robinet à tournant sphérique. Il est nécessaire de pouvoir retirer le réservoir sans vidanger le caloporteur. Il est plus pratique de connecter le conteneur lui-même à l'aide d'un américain (écrou évasé). Cela facilite là encore le montage/démontage.
L'appareil vide ne pèse pas tellement, mais rempli d'eau a une masse solide. Par conséquent, il est nécessaire de prévoir un mode de fixation au mur ou des supports supplémentaires.
Conclusions et vidéo utile sur le sujet
Nous proposons plusieurs didacticiels vidéo qui vous aideront à résoudre le problème de lier une chaudière à gaz.
Vidéo #1 Conseils pour le maître sur la fixation de la chaudière avec du polypropylène (un schéma simple):
Vidéo #2 Instructions d'installation pour une tuyauterie complexe d'un modèle de chaudière murale :
Vidéo #3 Les nuances de la connexion du modèle de sol:
Il est conseillé de choisir un schéma de tuyauterie de gaz pouvant être monté sans assistance. Cependant, en cas de doute, l'avis d'un professionnel ne fait pas de mal.
Portez une attention particulière au choix du matériau de la canalisation, veillez à installer un filtre pour nettoyer le liquide de refroidissement. Les parois intérieures lisses des tuyaux et l'eau propre qu'elles contiennent sont la clé d'un fonctionnement stable et à long terme du système de chauffage
Veuillez écrire vos commentaires dans la case ci-dessous. Il est possible que vous connaissiez les détails techniques de la tuyauterie de la chaudière qui ne sont pas notés dans l'article. Partagez des informations utiles, posez des questions, postez des photos sur le sujet de l'article.





































