- Installation du câble de l'interphone vidéo
- Pièces du système d'interphone
- Panneau d'appel
- Source de courant
- Bloquer
- Écran (panneau principal de l'interphone vidéo)
- Fabrication de câbles
- Types de clés de code d'interphone et principe de leur fonctionnement
- Raccordement d'un interphone vidéo à un interphone d'accès avec serrure électrique
- Connexion en série d'un interphone vidéo à un interphone d'accès
- Types d'interphones et schémas généraux pour leur connexion
- Interphone multi-appartements
- Interphone à usage individuel
- Quel type de serrure préférez-vous ?
- Communicateurs
- Nous vous conseillons également de voir :
- Comment connecter un interphone vidéo à un interphone d'accès
- Nous nous connectons à un interphone d'accès numérique
- Nous nous connectons à l'interphone d'accès coordonné
- Qu'y a-t-il à l'intérieur de l'interphone ? Nous étudions l'appareil et le schéma de connexion
- Les points importants
- Conclusion
Installation du câble de l'interphone vidéo
L'ordre des travaux ici est le suivant. Déterminez l'emplacement du panneau d'appel sur votre clôture.
En règle générale, il est placé du côté du château et non du côté des charnières de la porte.
Erreur #2
Dans le même temps, son installation sur des structures métalliques, qui peuvent être affectées par des courants vagabonds, doit être évitée.
À cet endroit, vous devrez creuser une tranchée pour poser les câbles de communication et d'alimentation. Ce sera le même câble - KSPV.
La profondeur de tranchée recommandée est de 0,7 m.
Le câble lui-même doit être posé dans un tuyau en PEHD. Y compris au sous-sol, et surtout en surface de clôture.
Le tube protégera l'isolant non seulement des influences mécaniques et chimiques du sol, mais également des ultraviolets des rayons du soleil.
L'interphone doit être installé à une hauteur de 1,5 à 1,6 m. En conséquence, à une telle hauteur avec une petite marge et sortie du câble KSPV.
Faire le passage dans la fondation et à travers les murs à travers le manchon de protection.
Erreur #3
Ne posez pas le câble de l'interphone au panneau d'appel à proximité de câbles d'alimentation 220V.
Souvent, à l'intérieur de la maison, cela se fait dans un canal en plastique, et à l'extérieur, en essayant d'économiser de l'argent, ils fourrent tout dans un seul tube, comme des fils 220V pour l'éclairage public ou des portails escamotables, et un courant faible pour un interphone.
Lors de la pose de différentes lignes de câbles en parallèle, la distance entre elles doit être d'au moins 100 mm.
De plus, à travers le manchon de protection, le câble est conduit dans la colonne de clôture vers l'extérieur.
Il est souhaitable de fournir cette hypothèque au stade de la construction de la clôture et de l'installation du portail. 
Erreur #4
Après avoir posé le câble, il doit être copié sans faute.
En règle générale, le stade de travail sur Pose de tuyaux en PEHD et le câble qu'ils contiennent, est nettement en avance sur les travaux de connexion directe de l'interphone. Parfois, l'intervalle entre eux s'étend sur plusieurs mois.
Par conséquent, les extrémités du câble doivent être solidement scellées afin qu'il n'absorbe pas l'humidité et ne tombe pas en panne.
Pièces du système d'interphone
En fonction du principe d'alimentation, du type et du nombre de composants du système, il est d'usage d'attribuer la commande, ainsi que la méthode requise pour l'installation d'un interphone vidéo.Il y a un certain ordre dans l'emplacement des emplacements des blocs, ce qui permet d'utiliser l'équipement le plus confortablement possible.
Panneau d'appel
Tout d'abord, lors de l'installation d'un interphone de vos propres mains, un panneau d'appel est installé. Sans ce bloc, le système d'accès n'a aucun sens. Il existe différents types de panneaux d'appel :
- panneau avec touche d'appel uniquement ; il est impossible de contrôler la serrure depuis le panneau ;
- panneau d'appel et lecteur de clé intégré ;
- panneau avec une caméra vidéo.
En règle générale, l'installation du panneau d'appel est effectuée à une hauteur de 1,5 mètre du sol. Cette disposition du dispositif permet d'utiliser librement le panneau pour les personnes - quelle que soit leur hauteur. Entre autres choses, si le panneau est équipé d'une caméra, il est plus facile d'identifier l'invité à partir de celle-ci.
Source de courant
Malheureusement, il n'y a pas de réponse la plus complète à la question : comment connecter un interphone vidéo. Le fait est que dans les systèmes modernes, il existe 3 types de distribution d'énergie:
- connexion via 1 câble, avec convertisseur intégré dans l'interphone ou sur le moniteur interne ;
- alimentation électrique avec une unité externe installée dans la maison ;
- installation d'une alimentation séparée à laquelle le panneau d'appel est connecté, ainsi que d'une serrure électromagnétique ou électromécanique.

Cependant, certains types de lignes électriques présentent certaines limites. Par exemple, si l'interphone vidéo est connecté via un câble à paire torsadée, vous ne devez pas dépasser la longueur du parcours de 100 mètres.
Bloquer
Quant au verrouillage du système, il est sélectionné en fonction de la fonctionnalité requise. En règle générale, les serrures électromécaniques sont le plus souvent utilisées dans les appartements. Même si l'électricité est coupée, la serrure restera fermée.La meilleure version de la serrure est celle qui, sans alimentation, peut être ouverte manuellement - avec une clé.
Si vous prenez un verrou électromagnétique, lorsque l'alimentation est coupée, il s'ouvrira automatiquement. Pour les institutions publiques, un tel château est une solution idéale, ce qui n'est pas le cas des appartements.

Même si le propriétaire préfère une serrure électromagnétique dans l'appartement, il faut veiller à installer en plus une alimentation sans coupure en cas de panne de courant sur le réseau principal.
Écran (panneau principal de l'interphone vidéo)
Tous les interphones modernes sont équipés de moniteurs plats et confortables. Les modèles plus anciens sont équipés d'écrans avec rétro-éclairage de lampe, et les modèles modernes ont des moniteurs LED. Entre autres choses, il existe des modèles qui peuvent être connectés au DVR. Pour cela, des interfaces de transmission de signaux analogiques ou numériques sont prévues.

Le moniteur, comme les autres parties de l'interphone vidéo, est installé conformément aux recommandations fournies par le fabricant. Plus tôt, il a été dit que le moniteur peut agir comme un distributeur de puissance principal
Par conséquent, une attention particulière doit être portée à l'installation de cette partie du système.
En vente, vous pouvez trouver des interphones vidéo non seulement avec une caméra intégrée. Il existe des modèles dans lesquels la webcam est choisie par le propriétaire lui-même. Un tel schéma de connexion d'interphone vidéo vous permet d'étendre les fonctionnalités de l'appareil.
Fabrication de câbles
Les modèles coûteux d'interphones vidéo sont livrés avec un ensemble de fils. Cela élimine le problème lié à la sélection des conducteurs. En général, les interphones vidéo sont équipés de trois types de lignes :
- câble multiconducteur - permet de répartir l'alimentation entre les différents nœuds de l'appareil.Certains types de câbles peuvent être posés directement dans le sol, à travers l'air - sans protection supplémentaire ;
- câble coaxial - vous permet de transmettre de l'audio et de la vidéo. Avec un tel conducteur, la longueur de la ligne peut être considérable ;
- paire torsadée - utilisée lors de la transmission d'un signal à partir d'appareils numériques. À ces fins, un câble ordinaire convient, qui peut être posé à l'air libre.
A noter que les raccordements des câbles, quel que soit leur type, doivent être réalisés en stricte conformité avec les préconisations du fabricant de l'appareil. Ce travail ne nécessite pas de compétences particulières.
Pour déterminer quel conducteur est nécessaire pour connecter un interphone vidéo, il existe un marquage spécial des câbles à l'aide de couleurs: les conducteurs sont marqués de différentes couleurs et il y a des peignes terminaux sur les bornes des nœuds du système qui aident à établir une connexion précise .
La soudure n'est pas utilisée pour connecter les câbles. Cependant, pour protéger le conducteur de l'humidité et d'autres influences, il est préférable d'utiliser un câble en cuivre.
Types de clés de code d'interphone et principe de leur fonctionnement
Les clés de code d'interphone peuvent être divisées en deux types : contact et sans contact. Les premiers interphones utilisaient les touches analogiques les plus simples à deux contacts. Une résistance d'une certaine valeur était soudée à l'intérieur d'une telle clé. Lorsqu'une telle clé était appliquée au lecteur, un courant fixe le traversait et le système à microprocesseur mesurait chute de tension aux bornes résistance.
Si la chute correspond aux paramètres spécifiés, la porte s'ouvre.Une telle clé pourrait être fabriquée non seulement par la société de services d'interphonie, mais également par toute personne ayant des connaissances de base en génie électrique. Par conséquent, les clés analogiques ont été rapidement remplacées par des puces qui transmettent un code binaire en série. Pour de telles clés, le nombre de combinaisons possibles est déterminé par le nombre de bits transmis.
Des clés numériques de type contact peuvent être créées à base de jetons entreprises. L'une des plus courantes sont les puces Dallas Touch Memory du fabricant du même nom. Selon le modèle de micropuce, les touches ont une quantité de mémoire différente et vous permettent d'obtenir un nombre différent de combinaisons numériques.
Depuis peu, de nombreux interphones sont équipés de lecteurs sans contact. Dans ce cas, l'échange entre la clé d'accès et l'interphone s'effectue via un canal radio. Les appareils communiquent entre eux à des fréquences de plusieurs dizaines ou centaines de kilohertz. La portée de ces "équipements radio" ne dépasse pas quelques centimètres. Par conséquent, la possibilité d'interception du trafic radio est peu probable.
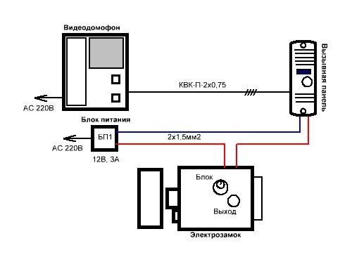
Raccordement d'un interphone vidéo à un interphone d'accès avec serrure électrique
Afin de ne pas se tromper avec les fils, il y a des informations avec numérotation. Sans cela, il est extrêmement difficile de comprendre la connexion, différents signaux peuvent facilement être confondus en installant le mauvais câble.
La connexion s'effectue selon les signes et les connexions de différentes couleurs. Chaque câble est marqué pour éliminer les erreurs lors de la connexion, ils déterminent l'endroit par lequel la connexion au contrôle général de l'interphone est effectuée. Le numéro un contrôle l'audio à partir du panneau d'appel. Le numéro deux est responsable de la nutrition générale. Trois - plus 12 volts.Le numéro quatre contrôle la réception vidéo.

schéma de câblage d'un interphone vidéo avec une serrure électromécanique à l'allée
Le système d'interphone vidéo peut inclure une serrure électromécanique capable d'ouvrir la porte, dans la même mesure que la version classique sans panneau vidéo. Pour connecter le verrou, vous devez effectuer un certain nombre d'actions :
- Une extrémité du câble est reliée à la serrure électrique ;
- L'autre extrémité est connectée à une alimentation commune ;
- L'alimentation électrique est connectée à la serrure électromécanique avec un deuxième fil.
Il n'est pas difficile d'utiliser une telle serrure. Le visiteur appelle le propriétaire à l'aide du panneau vidéo, il apparaît sous forme d'image sur un autre panneau. Après la fin de la conversation, le visiteur appuie à nouveau sur le bouton, après quoi la porte s'ouvre, le panneau s'éteint et vous pouvez entrer en toute sécurité dans le bâtiment.
De la même manière, le deuxième panneau d'appel est connecté.
Le contrôle s'effectue entre les deux panneaux vidéo et les serrures sont synchronisées. A l'entrée, l'un des panneaux est installé, l'autre est placé près de la porte d'entrée du propriétaire.
Il existe d'autres façons d'installer un interphone vidéo avec connexion à un interphone d'accès :
- Au lieu d'utiliser deux serrures électromécaniques à la fois, vous pouvez en installer une ou vous en passer du tout. Dans ce cas, les deux câbles du panneau à la serrure sont isolés et utilisés.
- Il peut y avoir des options lorsqu'une simple caméra vidéo est utilisée à la place des panneaux d'appel :
- Dans ce cas, après avoir appuyé une fois sur le bouton situé sur l'interphone, il y a une transition vers le premier panneau vidéo.
- Après une telle transition, le propriétaire communiquera avec le visiteur via le combiné en utilisant un canal audio.
- Lorsque vous appuyez sur le bouton suivant, le deuxième canal commence à être utilisé, où vous pouvez voir l'image (généralement utilisé dans les couloirs étroits).
- A l'entrée de la pièce il y a une porte avec le premier écran et une serrure :
- L'invité appuie sur le bouton, après la fin de la connexion, la porte s'ouvre automatiquement.
- Le visiteur pénètre dans l'entrée.
- Il y a un interrupteur vers un autre panneau, auquel une caméra vidéo est connectée, suspendue dans le couloir, à partir de laquelle le signal va au propriétaire.
Dans le cas où le panneau d'appel, la caméra vidéo ou la serrure électromécanique ne sont pas connectés à la deuxième ligne, l'interphone sera utilisé comme un simple monocanal avec un panneau vidéo.
Connexion en série d'un interphone vidéo à un interphone d'accès
Pour vous connecter à un interphone public, vous devez changer la ligne de transmission audio du combiné de l'interphone en un câble vidéo.
En pratique, plusieurs options d'installation sont utilisées, selon les conditions. L'un des meilleurs moyens consiste à utiliser une prise (si elle a été installée pendant la construction), d'où proviennent les câbles à faible courant.
Les extrémités du câble sont annelées, dénudées, des connecteurs y sont connectés, connectés à l'interphone, soudés et isolés. Les câbles partant de l'appartement et de l'entrée sont reliés à un tableau commun. L'une des extrémités mène à un panneau pour appeler un bouclier à faible courant dans l'appartement. L'autre extrémité mène à la colonne montante, où le fil est connecté interphone commun multi-appartements.
1 étape. Il est nécessaire de connecter tous les éléments du système d'interphone vidéo avec un panneau vidéo, une serrure électromagnétique et un contrôleur :
- Dans la partie où le panneau est vissé, vous devez immédiatement percer deux trous, insérer des chevilles et dénuder les câbles;
- Pour que le panneau soit bien assis et ne se balance pas, un évidement spécial est fait avec un marteau-piqueur dans lequel tous les fils inutiles sont bourrés;
- Le panneau pour les appels est connecté dans les câbles et s'établit étroitement sur le mur.
2 étape. Une fois que vous pouvez connecter l'interphone vidéo au panneau d'appel :
- Tous les câbles sont insérés dans la prise. Les extrémités ne doivent pas dépasser de plus de 10 cm pour que tout rentre dans le trou ;
- L'interphone vidéo dans la pièce est automatiquement alimenté, puis les données de l'appareil sont chargées, le panneau est testé pour toutes les fonctions de fonctionnement correct ;
- Avec l'interphone, le kit peut contenir une carte mémoire pour stocker des vidéos et des photos. Il est placé dans la fente située sur le côté, après quoi il peut être utilisé.
Une fois la connexion établie, l'interphone doit être testé pour toutes les performances fonctionnelles.
Le panneau d'appel est affiché à l'entrée de l'entrée et devant l'appartement de l'utilisateur. Dans le menu principal, vous pouvez modifier la musique de l'appel, la palette de couleurs du panneau, la luminosité, le contraste. Ici, vous pouvez voir séparément toutes les vidéos et photos prises précédemment.
La connexion diffère de la version de l'interphone vidéo installé : elle peut être coordonnée et numérique.
Dans le cas du type numérique, il est plus cher, alors qu'il dispose d'un grand nombre d'options et d'applications disponibles, mais il est également plus difficile à configurer.
En pratique, un interphone de coordonnées est plus souvent utilisé. Utilise une communication à deux canaux avec la possibilité de connecter deux panneaux d'appel.
Types d'interphones et schémas généraux pour leur connexion
Un interphone moderne n'est pas seulement un appareil pour une conversation entre le propriétaire de la maison et son invité. Les communicateurs intelligents offrent la possibilité d'examiner le visiteur, de lui poser des questions et d'obtenir une réponse, d'ouvrir à distance la serrure des portes d'entrée. La liste complète et le niveau de service dépendent de la modification spécifique de l'appareil.
Interphone multi-appartements
De manière généralisée, le schéma de raccordement interphone d'un immeuble à appartements est le suivant :

On peut voir sur la figure que dans la version multi-utilisateurs du système d'interphone, il existe des commutateurs supplémentaires qui dirigent le signal vers l'appartement requis. De plus, le câblage est réalisé avec un câble multiconducteur dont le nombre de conducteurs correspond au nombre d'abonnés connectés. Les signaux audio et vidéo passent par des fils séparés, ce qui complique encore la connexion de tous les éléments. Les systèmes plus avancés utilisent des systèmes de multiplexage ou un format de communication numérique, ce qui nécessite des qualifications assez élevées de la part des installateurs.
Un système multi-utilisateurs est assez cher et est généralement acheté pour une utilisation collective dans un clubbing. Pour son installation, des spécialistes sont invités qui savent bien connecter un interphone vidéo à chaque appartement.
Interphone à usage individuel
Le système d'enceintes est construit d'une manière complètement différente dans les chalets individuels et les maisons privées. Étant donné qu'une seule famille possède une telle maison, un seul ensemble, composé de haut-parleurs intérieurs et extérieurs, suffit pour organiser la communication.De nombreuses unités modernes vous permettent de connecter un combiné supplémentaire ou un deuxième terminal pour le placer au deuxième étage, dans le garage ou à tout autre endroit souhaité selon les besoins des propriétaires.
Contrairement à un système multi-utilisateurs, l'installation d'un interphone dans une maison privée n'est pas très difficile et est à la portée de tout électricien ou de toute autre personne ayant les compétences en électricité. La manière de connecter un interphone d'un modèle spécifique est toujours expliquée en détail dans les instructions du fabricant, et un tel travail ne pose généralement pas de difficultés particulières.

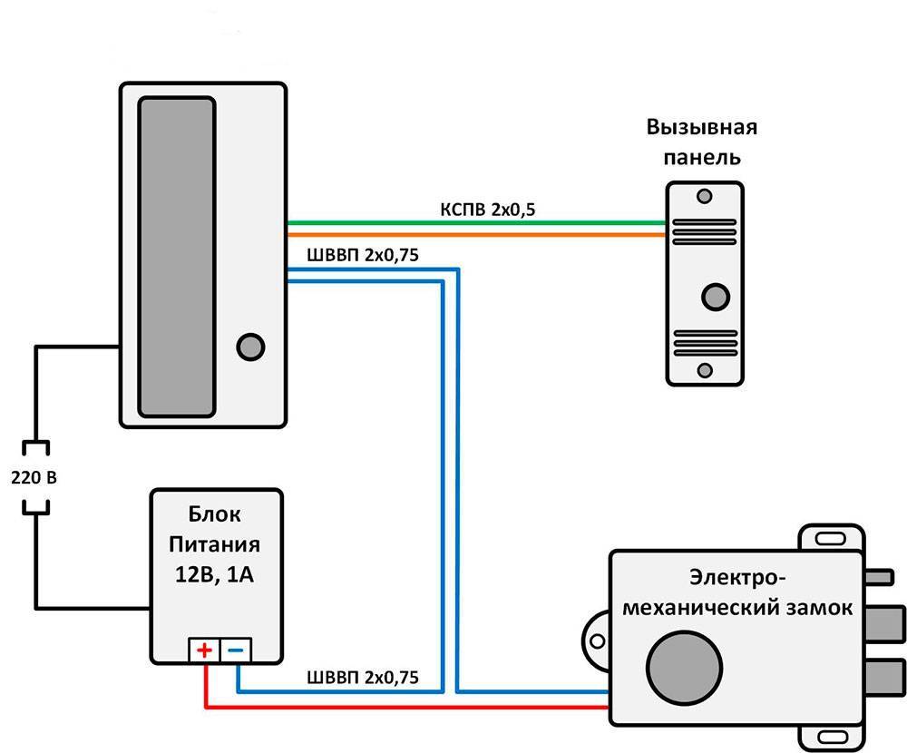
La figure montre tous les éléments d'un système d'enceintes simple pour une maison privée. Il montre clairement comment installer un interphone dans une maison privée. Le système comprend :
- haut-parleur domestique (1);
- alimentation (2);
- bouton-haut-parleur d'appel extérieur (3);
- serrure électromécanique ou magnétique (4);
- câble de communication.
Selon les conditions spécifiques et la marque de l'appareil, ce schéma peut être basé sur différentes configurations. Considérez les principaux composants.
Quel type de serrure préférez-vous ?
La version électromécanique de la serrure est une modification d'une serrure simple, dans laquelle le loquet escamotable peut être ouvert à la fois avec une clé et un électroaimant. Dans les versions les plus simples, l'électroaimant est placé séparément de la serrure et est relié à celle-ci par traction mécanique.
- le portail ou les portes d'entrée seront verrouillés même en cas de panne de courant ;
- en cas de casse, la serrure peut être remplacée par une serrure ordinaire, de conception similaire.

L'inconvénient est que, comme tout mécanisme, une telle serrure nécessite une attention, une lubrification et un réglage constants. Compte tenu de son usage extérieur, la durée de vie d'une telle serrure est bien moindre qu'électromagnétique.
La ventouse électromagnétique est un aimant avec une force d'arrachement très élevée. Il est installé sur une partie fixe et une plaque magnétique est installée sur la porte elle-même, qui est attirée par un électroaimant. La force de séparation d'un tel verrou est de 200 à 300 kg. Lorsque vous essayez d'ouvrir une telle porte, la poignée se détachera très probablement et la serrure maintiendra fermement le vantail de la porte.
Un argument très important en faveur d'un système électromagnétique est sa résistance mécanique et sa stabilité. Puisqu'il n'y a pas de pièces mobiles du mécanisme ici, la serrure peut fonctionner indéfiniment et ne nécessite pratiquement aucune attention.

Le principal inconvénient est que si le courant est coupé, la porte sera déverrouillée. Par conséquent, des serrures électromagnétiques sont placées sur le portail et le portail, mais pas sur la porte d'entrée.
Communicateurs
Les communicateurs externes et internes peuvent avoir uniquement un canal de communication audio ou à la fois audio et visuel. Un bouton de haut-parleur externe contient généralement un haut-parleur, un microphone et une caméra. Le haut-parleur interne dispose également d'un écran sur lequel vous pouvez voir le visage de l'invité.
La connexion d'un interphone vidéo à des caméras vidéo extérieures supplémentaires augmente considérablement la visibilité et le contrôle de la situation derrière la porte d'entrée. Il y a un bouton spécial sur le haut-parleur interne pour ouvrir les portes. Un certain nombre de produits offrent la possibilité de connecter des tubes supplémentaires, de signaler et d'activer l'alarme.
Nous vous conseillons également de voir :
-
Toilettes de campagne à faire soi-même étape par étape - trucs, astuces, options
Une toilette à la campagne fait partie intégrante du confort, d'une existence à part entière. Lors de l'achat d'un terrain absolument propre, la première chose que nous installons est cette structure. Ce n'est pas seulement…
-
Porche en bois à faire soi-même - expérience de construction
Le porche fait partie intégrante de chaque maison. Il semblerait que le détail soit insignifiant par rapport à la fondation, aux murs et au toit, mais sans cela, vous ne pouvez tout simplement pas entrer dans ...
-
Treillis bricolage pour concombres et tomates, photo
Le treillis à faire soi-même dans le jardin, dans la serre est facile à faire. La méthode de support consistant à cultiver des tomates ou des concombres dans un plan vertical présente plusieurs avantages. Le treillis vous permet de vous promener librement entre…
-
Gazebo en polycarbonate à faire soi-même - photo de bâtiments
Un belvédère confortable à la campagne n'est pas seulement un endroit pour se détendre, faire des pique-niques avec des amis. Un tel bâtiment de campagne nécessaire peut servir de salle à manger, cuisine d'été, ...
A partager entre amis :
Comment connecter un interphone vidéo à un interphone d'accès
Pour coordonner l'interphone vidéo avec l'interphone d'accès, des éléments spéciaux sont utilisés - modules d'interface MSC / MSC. Ces dispositifs sont utilisés pour coordonner un interphone vidéo avec un interphone d'accès numérique/coordonné. L'adaptateur est capable de prendre en charge les interphones vidéo de différents fabricants, le fabricant promet un travail de haute qualité avec CTV, Commax et Kocom. Il existe des limitations décrites dans les instructions de l'appareil.
Nous nous connectons à un interphone d'accès numérique
L'installation de l'adaptateur MSC est assez simple. Vous connectez les fils qui allaient au combiné de l'interphone. Quatre fils de l'interphone vidéo mènent également à l'adaptateur.
Le panneau d'appel est déjà connecté directement à l'adaptateur, comme la caméra. Pour ce faire, l'appareil fournit des sorties appropriées.
- Le module MSC offre toutes les fonctions de base pour travailler avec un interphone :
- Organisation d'une communication audio bidirectionnelle avec le visiteur.
- Ouverture de la serrure sur commande depuis l'interphone vidéo.
Le schéma de connexion ressemble à ceci :
Nous nous connectons à l'interphone d'accès coordonné
Le module MSK est nécessaire pour fonctionner avec un interphone d'accès coordonné. La connexion et le fonctionnement sont similaires à l'adaptateur MSC décrit ci-dessus.
Le schéma de connexion utilisant MSC ressemble à ceci :
Qu'y a-t-il à l'intérieur de l'interphone ? Nous étudions l'appareil et le schéma de connexion
Les interphones sont l'une des variétés de systèmes de contrôle d'accès. Les personnes âgées ont pu voir les interphones pour la première fois dans les films étrangers des années 70. Les héros des peintures se sont approchés des entrées des maisons, ont choisi un bouton avec le nom de la personne dont ils avaient besoin, l'ont appuyé et ont parlé avec le locataire. Avec sa permission, la porte d'entrée a été ouverte et les gens sont entrés dans le bâtiment. Dans les années 90, une curiosité étrangère est devenue un attribut familier de notre vie. D'abord, les immeubles d'habitation, puis les ménages privés ont commencé à être équipés de systèmes d'interphone. L'utilisation des interphones a augmenté le niveau de sécurité des citoyens.
Dans ce document, nous essaierons de familiariser le lecteur avec le dispositif d'interphone, le principe de fonctionnement et le but de ses nœuds principaux.
Les points importants
Et maintenant - les sept points promis auxquels vous devez absolument faire attention, que vous fassiez vous-même les travaux d'installation ou que vous contactiez le maître. Ceci est votre liste de contrôle à garder à l'esprit.
Eh bien, ou devant vos yeux, écrit sur un morceau de papier. Aller!
1. Choisissez un emplacement d'interphone vidéo auquel vous avez facilement accès.Lorsque nous trouvons un panneau dans un couloir ou dans une autre pièce où nous nous arrêtons souvent ou auquel nous avons un accès facile, il nous sera beaucoup plus pratique d'utiliser le visiophone
Il convient également de prêter attention au fait que le moniteur du visiophone est installé au niveau le plus pratique pour les résidents. Visibilité de l'écran LCD à angle droit
2. Les câbles doivent être conformes aux exigences spécifiées dans les instructions du fabricant (nombre approprié de fils, section appropriée, armature). L'utilisation de fils téléphoniques multicœurs est une erreur de construction assez courante. N'oubliez pas qu'ils sont très résistants aux dommages mécaniques, ils ne conviennent pas non plus à la pose à l'extérieur, dans le sol, même dans un tube de protection. Nous devons également nous rappeler que nous ne devons pas placer les câbles dans des endroits facilement accessibles. Idéalement, s'ils sont blindés, isolés afin qu'ils ne soient pas soumis à des dommages mécaniques ou à des inondations.
3. Il doit être possible d'ouvrir la porte en cas d'urgence - si nous ne prévoyons pas cette possibilité, il se peut qu'après avoir accidentellement claqué l'entrée ou perdu les clés, nous n'arrivions pas à notre maison. Il vaut la peine d'installer un bouton d'ouverture caché supplémentaire, en particulier au niveau de la porte. Il peut également s'agir d'un panneau extérieur avec accès codé. Réglage du téléphone d'entrée
4. Adaptation de l'emplacement pour le montage du panneau extérieur de l'interphone ou du visiophone. Une erreur, ou plutôt un grave problème, consiste à installer des interconnexions ou des visiophones dans de vieilles maisons sans avoir préalablement préparé des niches et des emplacements pour assembler et protéger les câbles. Le problème se pose surtout dans les maisons anciennes ou leurs clôtures.L'installation d'un interphone ou d'un visiophone doit être planifiée dès maintenant, alors qu'elle est encore en phase d'installation de la maison ou de la clôture. Ensuite, nous pouvons, par exemple, dans un casier à briques ou à l'entrée, créer des niches spéciales pour le panneau, un verrou électromagnétique et préparer un espace pour les fils. Grâce à cela, vous pouvez éviter les murs inconfortables. Vous devez généralement faire passer des fils à l'intérieur des murs (contrôle de l'attelage), même si vous avez un modèle d'interphone sans fil.
5. Gardez un bon éclairage - cela peut s'appliquer à la fois à l'endroit devant la porte et à l'entrée de la maison. Habituellement, les visiophones sont équipés de diodes qui vous permettent de recevoir une image même dans l'obscurité, mais ils ont généralement une petite portée. Par conséquent, il vaut la peine d'ajouter une lampe supplémentaire qui s'allume après la tombée de la nuit, éclairant les personnes qui entrent. Il peut être activé à l'aide du bouton d'appel interphone. L'objectif du visiophone ne doit pas être exposé à la lumière directe du soleil car l'image résultante sera très floue. Il convient de penser au raccordement à l'installation, ainsi qu'à la fonction d'allumer l'éclairage de la maison, surtout lorsqu'il est assez long. Capteur crépusculaire et minuterie utiles, qui limitent le temps d'éclairage.
6
Portez une attention particulière à l'acheminement des câbles. Le câble reliant le panneau interne et externe de l'interphone ou du visiophone doit répondre aux exigences du modèle d'appareil (nombre de conducteurs, section minimale, blindage éventuellement nécessaire)
Souvent, des lignes téléphoniques multiconducteurs sont utilisées à cette fin, qui - en raison de leur faible résistance mécanique - ne doivent pas être placées directement dans le sol, mais conduire dans un tube de protection.
Une solution tout aussi bonne, bien que plus coûteuse, consiste à utiliser un câble d'alimentation de type YkY, par exemple 3 x 1,5 mm2.
Lors de la planification du tracé du pipeline, il ne faut pas oublier qu'il ne se trouvera pas à un endroit où la surface durcira. Les raccordements éventuels se font dans des bocaux hermétiques à une hauteur non inondable.
7. Prévoyez une clôture pour le panneau d'appel. Si vous envisagez d'installer un interphone ou un interphone vidéo, il convient de s'adapter à l'installation d'un panneau externe pendant la phase de construction
Ceci est particulièrement important pour les poteaux de portail en maçonnerie. Lors du placement des piliers, des niches doivent y être aménagées sous le panneau, grâce à quoi nous éviterons de couper des briques
Conclusion
Ainsi, même un non-professionnel peut installer indépendamment un interphone vidéo dans une maison ou un appartement. La chose la plus importante est la précision à chaque étape de l'installation. Un assistant idéal à cet égard est l'instruction jointe à l'appareil par le fabricant. En aucun cas, vous ne devez vous écarter des exigences énoncées pour le type de conducteur utilisé, la longueur de la ligne, la source d'alimentation, etc.
Si tout le travail est effectué conformément aux règles, l'interphone vidéo fonctionnera correctement. Dans le cas contraire, en cas d'interruption de travail, l'accès au système sera permanent. Une personne ayant certaines compétences dans le travail avec les réseaux électriques pourra effectuer de manière autonome tous les travaux de A à Z. Si vous rencontrez certaines difficultés lors de l'installation d'un interphone vidéo, il est recommandé de contacter des spécialistes
Il est important de se rappeler que certains modèles d'interphones peuvent coûter jusqu'à 800 à 1 000 $.L'installation incorrecte d'un système complexe peut nuire au fonctionnement de l'interphone à l'avenir, entraînant des pertes financières.














































