- Appareil de commutation avec deux clés
- Montage d'un interrupteur avec une clé : analyse du circuit et séquence
- Schéma de câblage d'un interrupteur avec une clé en saillie
- Où placer l'interrupteur : faire un choix selon les règles
- Schéma de connexion d'un commutateur de passage à partir de 2 endroits
- Procédure d'installation des interrupteurs à 2 points : schéma de câblage
- Connexion d'une lampe avec un interrupteur à deux gangs
- Recommandations de base pour l'installation d'interrupteurs à deux gangs
- Quelle est la différence entre les éléments chargés de connecter le câblage?
- Avantages et inconvénients de la connexion
- Instructions de connexion
- Schéma de câblage d'un interrupteur à deux gangs pour deux ampoules
- Le principe de fonctionnement de l'équipement
- Connexion d'interrupteurs de passage à deux boutons
- Montage
- Types d'appareils à touche unique et leurs différences
Appareil de commutation avec deux clés
Si vous avez besoin de connecter deux ampoules ou deux groupes de lampes, alors qu'il est nécessaire qu'elles s'allument indépendamment l'une de l'autre, vous avez besoin d'un interrupteur à deux voies. Ils sont très faciles à distinguer - deux boutons sont installés dans un boîtier. Soit dit en passant, la présence ou l'absence de rétro-éclairage n'affecte pas la connexion. Ni les schémas ni les principes ne changent.

Comment fonctionne un interrupteur double
Le circuit d'un interrupteur à deux clés est simple : ce sont deux contacts normalement ouverts, chacun étant commandé par son propre bouton. Cela signifie qu'à l'état initial, aucun courant ne circule dans l'interrupteur, car les contacts sont ouverts. En appuyant sur la touche, on ferme les contacts, les ampoules s'allument. C'est le principe de fonctionnement de tout interrupteur. Celui à deux touches ne diffère que par le fait qu'il comporte deux groupes de contacts.
Si vous regardez le dispositif d'un interrupteur à deux boutons, nous voyons qu'il a une entrée et deux sorties. Une phase est connectée à l'entrée de l'interrupteur, les fils qui vont aux ampoules / lustre sont connectés à la sortie.
Montage d'un interrupteur avec une clé : analyse du circuit et séquence
Il semblerait que la connexion du câblage de l'interrupteur au câblage existant soit une question simple, cependant, ce travail nécessite des compétences théoriques et de la pratique, et pour l'obtenir, nous vous conseillons d'étudier attentivement cette section.
Tout d'abord, apprenez les règles pour travailler avec l'électricité:
- Vos mains doivent être protégées, pour cela utiliser des gants en caoutchouc spéciaux ou des gants de montage pour électriciens.
- Rappelez-vous comment vous comporter avec les fils nus : en aucun cas, ne les touchez pas à mains nues.
- Assurez-vous que tout le câblage est hors tension. Pour plus de fiabilité, vérifiez la présence de tension dans la zone prévue avec un tournevis indicateur et un multimètre.
- Ne confondez pas la couleur de l'isolation lors de la connexion des conducteurs. Du bleu au bleu, du vert au vert, etc.
- Assurez-vous de vous référer au schéma d'installation pour le type particulier d'interrupteur.
Il est important de suivre ces directives à tout moment lorsqu'il s'agit de travaux électriques.Il est interdit d'utiliser des moyens improvisés pour le travail, vous devez avoir: des pinces, des pinces pour couper l'isolant, du ruban électrique ou de la gaine thermorétractable, des capuchons pour masquer la commutation, un tournevis avec un indicateur
Schéma de câblage d'un interrupteur avec une clé en saillie
Le schéma de branchement d'un régulateur à un bouton est assez simple, puisqu'il prend un minimum de temps, où il n'y a aucun risque de se tromper. Considérons-le plus en détail.
Deux fils vont du panneau électrique à la boîte de jonction (L - phase et N - zéro). De l'interrupteur, le fil de phase arrive à la boîte de jonction et est connecté au noyau L du blindage. La phase de l'interrupteur est également commutée dans le distributeur avec la phase de l'ampoule, et le conducteur neutre de la lampe est torsadé avec zéro du panneau électrique.
REMARQUE!
La phase de l'interrupteur doit être connectée pour couper. Sinon, n'attendez pas le bon fonctionnement de l'appareil.
Où placer l'interrupteur : faire un choix selon les règles
Si vous n'êtes pas encore très familiarisé avec le fonctionnement du réseau électrique, bien sûr, vous ne saurez pas pourquoi il est important de suivre les recommandations pour l'emplacement de l'appareil électrique. Le principe d'implantation dépend de la pièce dans laquelle vous souhaitez vous installer. De plus, il existe des règles spécifiques relatives spécifiquement aux switchs :
De plus, il existe des règles spécifiques relatives spécifiquement aux switchs :
- Il est préférable d'installer les dispositifs de commande d'éclairage près des portes, à au moins 750 mm du sol et 150 mm du bord du mur. Ceci est fait non seulement pour la facilité d'utilisation, mais aussi parce qu'une telle exigence est inscrite dans les règlements techniques.
- Positionnez l'interrupteur à un bouton de manière à ce qu'il se trouve sur le côté de la poignée lorsque la porte est fermée.De plus, essayez de ne pas obstruer l'espace de l'appareil avec des meubles.
- Les points de contrôle de la lumière dans les salles de bains, les garde-manger, les toilettes doivent être placés à l'extérieur à une hauteur d'au moins 800 mm.
- Il est préférable d'installer des interrupteurs dans les pièces à vivre à l'intérieur pour faciliter le réglage des sources à une hauteur similaire.
- S'il est nécessaire d'installer des interrupteurs à bouton-poussoir pour l'éclairage du salon, des aquariums ou d'autres types de décors, la règle est de les placer dans un endroit pratique.
INFORMATIONS UTILES!
Les stroboscopes pour le câblage de l'interrupteur au distributeur doivent avoir une profondeur d'au moins 1,5 cm afin qu'ils puissent être cachés sous le plâtre sans défauts visibles.
Schéma de connexion d'un commutateur de passage à partir de 2 endroits
Le circuit du commutateur de passage à partir de deux endroits est réalisé à l'aide de deux dispositifs de passage à clé unique qui ne fonctionnent que par paires. Chacun d'eux a un contact au point d'entrée et une paire au point de sortie.
Avant de connecter l'interrupteur de traversée, le schéma de connexion montre clairement toutes les étapes, vous devez mettre la pièce hors tension à l'aide de l'interrupteur approprié situé dans le panneau de commande. Après cela, il est nécessaire de vérifier en plus l'absence de tension dans tous les fils de l'interrupteur. Pour ce faire, utilisez un tournevis spécial.
Pour effectuer le travail, vous aurez besoin de: tournevis plats, cruciformes et indicateurs, un couteau, des pinces coupantes, un niveau, un ruban à mesurer et un perforateur. Pour installer des interrupteurs et poser des fils dans les murs de la pièce, il est nécessaire de faire les trous et les portes appropriés, selon le plan d'implantation des appareils.

Contrairement aux interrupteurs conventionnels, les interrupteurs traversants n'ont pas deux, mais trois contacts et peuvent commuter la "phase" du premier contact au deuxième ou au troisième
Les câbles doivent être posés à une distance d'au moins 15 cm du plafond. Ils peuvent non seulement être placés de manière cachée, mais également être empilés dans des plateaux ou des boîtes. Une telle installation permet d'effectuer rapidement des réparations en cas d'endommagement du câble. Les extrémités des fils doivent être amenées dans les boîtes de jonction, dans lesquelles toutes les connexions sont également effectuées à l'aide de contacteurs.
Procédure d'installation des interrupteurs à 2 points : schéma de câblage
Toutes les actions d'installation des dispositifs de commutation sont effectuées sur la base d'un schéma de connexion de 2 emplacements de commutateurs de passage, qui peuvent être trouvés sur Internet. Cela diffère de l'installation d'interrupteurs conventionnels, car il y a ici trois fils au lieu des deux habituels. Dans ce cas, deux fils sont utilisés comme cavalier entre deux interrupteurs situés à des endroits différents dans la pièce, et le troisième est utilisé pour alimenter la phase.

Tout type de lampes peut être utilisé comme source de lumière dans un tel schéma - des lampes à incandescence conventionnelles aux lampes fluorescentes, à économie d'énergie et à LED
Cinq fils doivent convenir à la boîte de jonction : l'alimentation électrique de la machine, trois câbles allant aux interrupteurs et un fil connecté dirigé vers l'appareil d'éclairage. Lors de la construction d'un schéma de connexion pour un commutateur d'intercommunication à un seul groupe, des câbles à trois conducteurs sont utilisés. Le fil zéro et la masse sont dirigés directement vers la source lumineuse. Le fil marron de la phase, qui fournit le courant, passe par les interrupteurs, selon le schéma, et est émis vers la lampe d'éclairage.
Les interrupteurs sont connectés à la rupture du fil de phase, et zéro, après avoir passé la boîte de jonction, est dirigé vers le dispositif d'éclairage. Le passage de la phase à travers l'interrupteur assurera la sécurité lors de la réparation et de l'entretien du luminaire.
L'installation du commutateur de passage consiste en la séquence d'actions suivante :
- les extrémités des fils sont dénudées;
- à l'aide de l'indicateur, il est nécessaire de déterminer le fil de phase;
- en utilisant la torsion, le fil de phase doit être connecté à l'un des fils du premier interrupteur (des fils blancs ou rouges sont utilisés ici);
- les fils sont reliés entre eux par les bornes zéro des interrupteurs ;
- connecter un fil séparé du second interrupteur à la lampe;
- dans la boîte de jonction, le fil de la lampe est connecté au fil neutre ;

Lorsque vous installez vous-même des interrupteurs de passage, vous devez veiller à la sécurité
Connexion d'une lampe avec un interrupteur à deux gangs
La connexion à un interrupteur double s'effectue presque de la même manière qu'un interrupteur simple. En fait, il s'agit de deux appareils à touche unique placés dans un boîtier commun. Vous pouvez également connecter deux ampoules à un interrupteur.
Avant de commencer l'installation, vous devez savoir où se trouvent les contacts. Parfois, leur circuit est situé à l'arrière de l'appareil. Les appareils doubles ont trois broches - une entrée commune et deux sorties séparées. L'entrée est un fil de phase provenant de la boîte de jonction ou de la prise. Sur deux sorties, les ampoules situées dans les lampes sont commandées. Lors de l'installation, l'entrée est située en bas, les sorties sont en haut. Cette connexion est bien illustrée par le schéma présenté.
Un interrupteur à trois touches est connecté de la même manière qu'un interrupteur double est connecté, une seule sortie supplémentaire et une borne supplémentaire dans la boîte de jonction y sont ajoutées.
Recommandations de base pour l'installation d'interrupteurs à deux gangs
Lors de l'installation d'interrupteurs standard et à deux boutons, il est recommandé :
- La hauteur de placement à partir du niveau du sol doit être de 90 cm.
- La distance entre l'ouverture de la porte ou de la fenêtre et l'interrupteur du laissez-passer doit être d'au moins 15 cm.
- Les boîtes de jonction avec commutation doivent être situées dans un endroit visible et en même temps elles doivent être placées à une distance de 15 à 30 cm du niveau du plafond.
- Il est recommandé d'utiliser un câble souple à 3 conducteurs d'une section de 1,5 mm² (VVGng, PVSng, ShVVP, etc.) pour l'installation d'interrupteurs de passage.
- Les produits de câblage et de câblage doivent être posés en ondulation, en stroboscopes ou en canaux de câbles.
- Toutes les surfaces métalliques des luminaires doivent être mises à la terre sans faute.
Quelle est la différence entre les éléments chargés de connecter le câblage?
Pour le travail, il est plus pratique d'utiliser des interrupteurs équipés de bornes auto-serrantes. Pour fixer le fil, il vous suffit de le dénuder et de le fixer dans le terminal. Dans les pinces, le câble doit être pressé avec une vis. De plus, avec le temps, la connexion peut s'affaiblir. Il est nécessaire de vérifier périodiquement et, si nécessaire, de serrer la vis.
Le corps de l'interrupteur peut être en plastique ou en céramique. La deuxième option est utilisée pour les charges importantes.
Dans certains modèles d'interrupteurs, un éclairage intégré est utilisé.C'est pratique si vous avez besoin de trouver un appareil pour allumer la lumière dans une pièce sombre.
Avantages et inconvénients de la connexion
Vous devez d'abord optimiser votre système d'appareils électriques qui seront connectés au même circuit. Par exemple, les gens installent souvent l'éclairage dans des toilettes et des salles de bains séparées en les connectant à un interrupteur à deux gangs. Cela permet de contrôler la lumière dans différentes pièces avec un seul interrupteur. Il est particulièrement pratique d'éteindre la lumière dans les deux pièces à la fois.
Aussi, un interrupteur double peut être utilisé dans un lustre à deux ampoules, ce qui vous permettra de régler l'intensité de la lumière. Lorsque les deux touches sont allumées, la lumière sera aussi brillante que possible et lorsqu'une est allumée, elle sera faible.
N'oubliez pas que l'installation d'un commutateur partagé dans deux pièces ou plus est raisonnable si les pièces ont des murs adjacents. Si les pièces sont éloignées les unes des autres, utilisez des interrupteurs séparés.
Comme vous l'avez déjà compris, l'installation d'un tel système électrique simplifiera grandement la gestion de la consommation d'énergie et de la luminosité de l'éclairage. De plus, l'installation d'une unité de contrôle d'éclairage adjacente permettra d'économiser de l'argent sur les matériaux nécessaires et les travaux d'installation.
Instructions de connexion
L'installation d'un interrupteur à deux gangs sera considérée sur l'exemple du câblage caché, comme le processus le plus difficile.
Les travaux se déroulent en plusieurs étapes :
- Un trou est fait dans le mur à l'aide d'un perforateur ou d'une perceuse avec une couronne.
- À l'aide d'un burin ou d'un tournevis, les éléments muraux sont retirés.
- Vérifier que les dimensions du corps du disjoncteur correspondent à la circonférence du trou.
- Poursuivre un canal pour la pose de fils.
- Faire un trou dans le boîtier pour connecter les fils aux bornes.
- Pour augmenter l'adhérence du mélange de construction à la surface, le trou est aspergé d'eau.
- Immersion de la coque et scellement de l'espace avec un mélange.
- Nettoyer l'excédent de mélange avec une spatule.
- Nivellement et finition décorative du mur traité au mortier.
- Mettre le corps en position de finition après le durcissement du mortier.
La fixation du cadre dans le trou s'effectue à l'aide de vis et d'un tournevis
- Connecter les éléments de travail d'un appareil à deux clés et les monter à l'intérieur du boîtier.
Pour effectuer d'autres travaux, vous devrez couper la tension secteur.
- À l'aide d'un tournevis indicateur, le zéro et la phase sont déterminés, il est conseillé de marquer les fils afin d'éviter toute confusion à l'avenir.
Le fil de phase est inséré dans le boîtier et connecté à la borne du contact entrant. Deux fils sortants avec une phase sont connectés aux bornes de contact sortantes.
Connecter les éléments de travail de l'interrupteur à deux clés avant de le fixer au mur
L'élément de travail de l'interrupteur est fixé dans le boîtier avec un cadre métallique.
- Après avoir installé les clés en place, l'appareil est complètement prêt à fonctionner.
Si les dispositifs d'éclairage sont connectés au réseau, après application de la tension, ils s'allumeront, ce qui indique l'installation correcte.
Une fois les travaux principaux terminés, il ne reste plus qu'à installer les clés de l'interrupteur en place
Schéma de câblage d'un interrupteur à deux gangs pour deux ampoules
L'option classique pour connecter un interrupteur à deux gangs à un lustre à deux lampes ou groupes est la suivante. Le zéro est envoyé directement aux sources lumineuses. La phase est commutée et envoyée au commutateur. Deux fils sortent de l'interrupteur, chacun étant envoyé à sa propre lampe.Il y a deux touches sur l'appareil - lorsque la première est activée, la première lampe s'allume. Lorsque l'utilisateur appuie sur le second bouton, le circuit est bouclé et la seconde lampe s'allume. Les deux touches peuvent être allumées en même temps - alors toutes les lampes s'allumeront et il y aura un mode de luminosité maximale.
Le nouveau câblage doit être mis à la terre. Un fil de terre est également relié à chacune des ampoules.
Le principe de fonctionnement de l'équipement
L'interrupteur à passage unique est équipé de trois contacts dans chacun des mécanismes de fonctionnement. Les contacts sont les liens de connexion entre les deux disjoncteurs du système, avec leur aide le courant est transféré d'un circuit à l'autre, comme indiqué sur le schéma:
Schéma de connexion du commutateur d'intercommunication
Après avoir changé la position du mécanisme, le courant est dirigé vers une borne spécifique. L'un d'eux reste toujours fermé.
Pour que la source lumineuse fonctionne, les deux appareils doivent être fixés dans la même position.
Éléments nécessaires pour connecter un interrupteur traversant standard :
- boîte de jonction (une boîte dans laquelle les extrémités des fils sont insérées);
- deux interrupteurs conventionnels à une touche ;
- fils (le nombre dépend du type d'équipement connecté);
- n'importe quelle lampe, lampe ou lustre.
La mise à la terre de la boîte est effectuée directement à la source lumineuse. La phase est combinée avec la borne commune d'un bloc et ses contacts de sortie sont connectés à une paire des mêmes éléments de l'autre. Ensuite, le fil du deuxième interrupteur revient à la boîte, après quoi une tension est appliquée au dispositif d'éclairage.Lors de l'installation de l'équipement, les interrupteurs sont placés dans des boîtes, après quoi un dispositif d'éclairage est installé, à partir duquel un câble à deux conducteurs est sorti. À une distance accessible, une boîte de jonction est placée à laquelle les fils sont connectés.
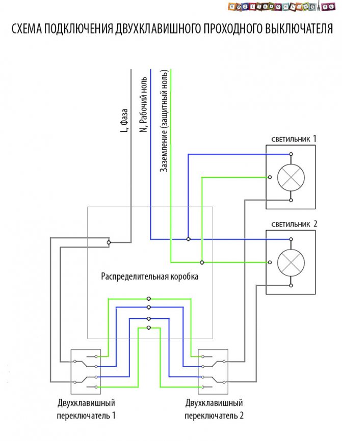
Connexion d'interrupteurs de passage à deux boutons
L'interrupteur à bascule avec deux touches de travail se compose d'une paire de structures simples, unies par un boîtier de protection. Le mécanisme fonctionne de la même manière qu'un appareil à touche unique.
Schéma de câblage d'un interrupteur d'intercommunication à deux gangs
L'appareil fini, composé d'une paire d'éléments à deux touches, permet de contrôler deux sources lumineuses indépendamment l'une de l'autre.
Schéma de câblage pour un interrupteur d'intercommunication à deux gangs à partir de deux endroits
S'il est nécessaire de raccorder plusieurs appareils de commutation, le choix d'un appareil à deux gangs sera avantageux en raison de l'économie de câbles et de boîtes de dérivation.
Montage
Avant de brancher le disjoncteur, vous devez imprimer ou dessiner un schéma de câblage. Avec son aide, il sera facile d'effectuer les connexions nécessaires dans la boîte de jonction. Mais coupez TOUJOURS l'alimentation en premier !
Après cela, les rainures (stroboscopes) pour le câble sont préparées avec un chasseur de mur lorsque le câblage est fermé, ou les canaux de câble / ondulations sont attachés - lorsque le câblage est ouvert. Ensuite, une couronne est percée sur du béton, puis des trous sont percés dans le mur pour le montage de boîtiers ou des boîtiers de prises y sont vissés avec une méthode ouverte.Après avoir posé les fils entre tous les points et les avoir fixés avec de l'albâtre dans des stroboscopes ou fermé le couvercle du canal / les avoir fixés sur des isolateurs, nous nettoyons leurs extrémités de 1 à 1,5 cm et connectons les fils dans la boîte de jonction à l'aide de borniers / bornes à ressort / EPI bouchons / soudure / manchons de sertissage / clip "écrou". Il est INTERDIT de connecter le fil avec une torsion ! Surtout l'aluminium et le cuivre.
De l'écran de l'appartement / de l'escalier à la boîte de jonction, en règle générale, un câble contient deux fils: «phase et zéro». Nous déterminons le fil de phase sous tension avec un tournevis indicateur (allumant la lumière pendant une courte période), marquons-le (coupons à nouveau l'alimentation) et le connectons à l'un des fils du câble à trois conducteurs qui est posé sur l'interrupteur . Nous connectons les deux autres fils de ce câble aux fils allant au lustre. Essayez de vous assurer que les fils menant au lustre sont connectés dans des cartouches électriques avec un contact central. Nous connectons le fil neutre du blindage au fil neutre allant au lustre.
Dans l'interrupteur (si tous les fils sont de la même couleur), nous trouvons le fil de phase avec une continuité et l'insérons dans la borne d'entrée. Souvent, il est indiqué par la lettre latine "L". Si les fils sont de couleurs différentes, nous connectons à l'entrée le fil qui était connecté au fil de phase dans la boîte de distribution. Les deux fils restants du câble sont connectés aux pinces sortantes. Ils sont signalés par des symboles sous forme de flèches sortantes. Dans le lustre, s'il est à trois cornes, nous connectons un fil de phase avec deux fils des plafonniers, le second avec le plafonnier restant.
Nous insérons le mécanisme de travail dans la douille, le fixons avec des vis, posons un cadre décoratif sur le dessus. Nous allumons la lumière dans le bouclier et essayons les clés une par une.À partir d'une touche, un plafond doit être allumé, à partir de la seconde - deux, et lorsque les deux touches sont impliquées, toutes les lampes doivent s'allumer.
Ci-dessous, une courte vidéo montrant l'ensemble du processus.
Types d'appareils à touche unique et leurs différences
Vous avez sûrement vu que les maisons sont dominées par les types modernes de gradateurs, fabriqués dans différents modèles, couleurs et autres caractéristiques. Les interrupteurs sont généralement divisés en fonction du type d'installation, du degré de protection, du nombre de contacts pour la connexion. Par type d'installation, les commutateurs simples sont :
- aérien (adapté au montage sur un câblage externe);
- pour le câblage caché (convient aux câbles cachés dans le mur) ;
- intégré (installé sur les fils de lampes, appliques);
- walk-through (le contrôle de la lumière vient de différents endroits).
Par sécurité, il est d'usage de diviser les interrupteurs à un bouton en appareils pour :
- pièces humides;
- installation extérieure (dans la rue);
- chambres fermées.
Par le nombre de contacts, il y a:
- visites guidées ;
- unipolaire;
- bipolaire.

Les interrupteurs à clé unique sont les plus largement utilisés, car ils se distinguent par une installation simple et une facilité de maintenance. Même un novice peut gérer la connexion de l'appareil, sous réserve des instructions et de la connaissance du principe de fonctionnement des interrupteurs.
INFORMATIONS UTILES!
Lors de la commutation des contacts de l'interrupteur et du câblage à l'intérieur, portez des gants avec une isolation électrique et assurez-vous de couper l'alimentation électrique.













































