Commutateur croisé: but et dispositif + schéma de câblage et installation

Comment connecter un interrupteur de passage : instructions étape par étape

Types d'interrupteurs à 3 points

Les aiguillages de trois lieux sont représentés par deux types de produits : traversant et traversant. Ce dernier ne peut pas être utilisé sans le premier. Selon le principe de fonctionnement, les sections sont divisées en:

  1. Claviers.
  2. Pivot. Un mécanisme rotatif est utilisé pour fermer les contacts. Ils sont présentés dans une variété de modèles et coûteront plus cher que d'habitude.

Compte tenu de l'installation, les croix sont divisées en:

  1. Aérien. Le montage s'effectue en haut du mur, ne nécessite pas d'évidement dans le mur pour installer l'appareil. Si la décoration de la pièce n'est pas prévue, cette option est idéale. Mais de tels modèles ne sont pas suffisamment fiables, car ils sont soumis à des facteurs externes ;
  2. Embarqué. Installé dans le mur, adapté aux travaux de câblage dans tous les types de bâtiments. Un trou dans le mur est pré-préparé en fonction de la taille de la boîte de commutation.

point de contrôle

Contrairement au modèle classique, l'interrupteur de passage a trois contacts et un mécanisme qui combine leur travail. Le principal avantage du produit est la possibilité d'allumer ou d'éteindre à partir de deux, trois points ou plus. Le deuxième nom d'un tel commutateur est "toggle" ou "dupliquer".

La conception du commutateur d'intercommunication à deux touches ressemble à deux commutateurs simples indépendants l'un de l'autre, mais avec six contacts. Extérieurement, un interrupteur de passage ne peut être distingué d'un interrupteur conventionnel s'il n'y avait pas une désignation spéciale dessus.

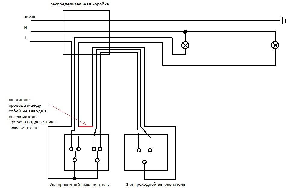
Schéma de connexion des fils de l'interrupteur de passage dans la boîte de jonction

Circuit sans conducteur de terre. Maintenant, le plus important est d'assembler correctement le circuit dans la boîte de jonction. Quatre câbles à 3 conducteurs doivent y entrer :

câble d'alimentation de la machine d'éclairage du tableau

câble pour interrupteur #1

câble pour interrupteur #2

câble pour lampe ou lustre

Lors de la connexion des fils, il est plus pratique d'orienter par couleur. Si vous utilisez un câble VVG à trois conducteurs, il comporte les deux marquages ​​de couleur les plus courants :

blanc (gris) - phase

bleu - zéro

vert jaune - terre

ou la deuxième option :

gris blanc)

brun

le noir

Pour choisir un phasage plus correct dans le second cas, reportez-vous aux conseils de l'article « Marquage couleur des fils. GOST et règles.

L'assemblage commence avec zéro conducteur. Connectez le noyau zéro du câble de la machine d'introduction et le zéro qui va à la lampe à un moment donné via les bornes de la voiture.

Ensuite, vous devez connecter tous les fils de terre si vous avez un conducteur de terre. Comme pour les fils neutres, vous combinez la "masse" du câble d'entrée avec la "masse" du câble sortant pour l'éclairage. Ce fil est relié au corps de la lampe.

Il reste à connecter les conducteurs de phase correctement et sans erreur. La phase du câble d'entrée doit être connectée à la phase du fil sortant à la borne commune de l'interrupteur de traversée n° 1. Et connectez le fil commun du commutateur de traversée n ° 2 avec une pince Wago séparée au conducteur de phase du câble d'éclairage. Après avoir terminé toutes ces connexions, il ne reste plus qu'à connecter les noyaux secondaires (sortants) des commutateurs n ° 1 et n ° 2 entre eux

Et peu importe comment vous les connectez.

Vous pouvez même mélanger les couleurs. Mais il vaut mieux s'en tenir aux couleurs, pour ne pas se confondre à l'avenir. Sur ce, vous pouvez considérer le circuit entièrement assemblé, appliquer une tension et vérifier l'éclairage.

Principal règles de connexion dans ce schéma vous devez vous rappeler:

  • La phase de la machine doit arriver au conducteur commun du premier interrupteur
  • La même phase doit aller du conducteur commun du deuxième interrupteur à l'ampoule
  • Les deux autres conducteurs auxiliaires sont interconnectés dans la boîte de jonction
  • Le zéro et la terre sont alimentés directement sans interrupteurs directement aux ampoules

Traverser

Modèles croisés à 4 broches, ce qui vous permet de connecter deux broches en même temps.Contrairement aux modèles de visite, les modèles croisés ne peuvent pas être utilisés seuls. Ils sont installés complets avec des passages, ils sont désignés à l'identique sur les schémas.

Ces modèles rappellent deux interrupteurs un gang soudés. Les contacts sont reliés par des cavaliers métalliques spéciaux. Un seul bouton de commutation est responsable du fonctionnement du système de contact. Si nécessaire, un modèle croisé peut être fabriqué par vous-même.

Principe de fonctionnement du sectionneur transversal

Le dispositif de passage pour allumer et éteindre la lumière à l'intérieur a quatre bornes - il ressemble aux interrupteurs ordinaires. Un tel dispositif interne est nécessaire pour l'interconnexion des deux lignes que l'interrupteur va réguler. Le sectionneur peut à un moment donné ouvrir les deux interrupteurs restants, après quoi ils sont connectés ensemble. Le résultat est d'allumer et d'éteindre la lumière.

Utilisation d'un relais à impulsion

Le circuit traversant peut également être organisé à l'aide d'un télérupteur.

Quels sont les bénéfices? Le principal avantage de ce système est un nombre illimité de points de contrôle. Pour chaque interrupteur
vous n'avez qu'à tirer deux fils.

Commutateur croisé: but et dispositif + schéma de câblage et installation

Quels sont les inconvénients ? Vous avez besoin d'un emplacement d'installation dans le blindage et, par conséquent, vous devrez y effectuer tout le câblage. À
les interrupteurs doivent être utilisés comme interrupteurs type de bouton. En général, une telle solution n'est acceptable que
avec un grand nombre de points de commande d'éclairage ou pour toutes tâches non standard.

Il existe de nombreux modèles de télérupteurs et en général la question nécessite un sujet à part, les détails sont donc dans le cadre de cette publication
ne sera pas considéré.

Variétés de commutateurs

Selon leur conception, les commutateurs croisés sont divisés en 2 types : clavier et rotatif.

Claviers

Les commutateurs de ce type sont les plus utilisés.

Interrupteurs à clé, il est plus correct de les appeler des interrupteurs, de couper un circuit et d'en fermer un autre. Les interrupteurs conventionnels n'ouvrent ou ne ferment qu'un seul circuit. Extérieurement, ils ne diffèrent pratiquement pas. Ils ne se distinguent de l'arrière que par le nombre de contacts :

  • une monoclé conventionnelle a 2 contacts ;
  • au point de contrôle -3 ;
  • à la croix - 4.

Les interrupteurs à clé peuvent avoir 1, 2 ou 3 clés. Les interrupteurs à touches multiples sont conçus pour contrôler indépendamment plusieurs circuits.

Croix pivotante

Les commutateurs de ce type sont installés moins fréquemment que les claviers. Ils sont généralement utilisés dans les entrepôts et les locaux industriels, pour l'éclairage public, comme décoration intérieure dans les appartements. Les groupes de contact qu'ils contiennent sont fermés et ouverts en tournant le levier.

L'apparition des commutateurs rotatifs (galerie de photos)

Aérien et intégré

Selon la méthode d'installation, les commutateurs sont divisés en 2 types: aériens et intégrés.

Les interrupteurs intégrés sont montés au stade de la construction ou de la réparation dans des boîtiers installés dans des niches. Les fils sont posés dans des tronçons ou attachés aux murs. En règle générale, cette méthode est utilisée avant de plâtrer les murs ou de les recouvrir de cloisons sèches ou d'autres matériaux.

Les interrupteurs aériens et les fils qui leur conviennent sont fixés au mur. Dans ce cas, il n'est pas nécessaire de gratter les murs et de faire des évidements pour les boîtes. De cette façon, ils sont généralement montés lors de réparations esthétiques. Les interrupteurs aériens créent certains inconvénients: la poussière s'y accumule, les gens s'y accrochent en conduisant. Dans certains cas, les propriétaires, au contraire, préfèrent ce type d'interrupteur pour la décoration intérieure.

Lire aussi :  Comment choisir un robinet de salle de bain avec douche: types, caractéristiques + note du fabricant

Caractéristiques des interrupteurs croisés

Sur le marché des produits électriques, il existe un large choix d'interrupteurs et d'interrupteurs de fabricants nationaux et étrangers. La différence de prix entre les différents fabricants est importante, et les dimensions et les caractéristiques techniques sont similaires.

Caractéristiques principales

Tension 220–230 V
Force actuelle 10 A
Matériel
corps
thermoplastique
polycarbonate
Plastique

Les modèles avec des boîtiers qui protègent contre l'humidité et la vapeur sont plus chers.

Fonctions de commutation croisée

Le dispositif de commutation, conçu pour éteindre et allumer la lumière et appelé la croix, est devenu populaire en raison de la création de conditions confortables pour la consommation de lumière artificielle. Mais la principale raison du désir de la plupart des gens d'installer un interrupteur croisé dans une maison ou un appartement est qu'il est possible d'économiser de l'argent dépensé en électricité.

Commutateur croisé: but et dispositif + schéma de câblage et installation

Dans de tels endroits, les interrupteurs croisés sont indispensables.

Le plus souvent, le dispositif de commutation discuté est monté dans les parties communes des immeubles résidentiels de 5 à 9 étages. Cela est nécessaire en raison de la disposition de longs couloirs dans de tels bâtiments avec un grand nombre de portes et du manque d'ascenseurs. Dans de tels endroits, des interrupteurs croisés sont installés aux sorties des appartements et à l'entrée du couloir commun. Par exemple, le propriétaire d'un appartement, en le quittant, peut immédiatement allumer la lumière à l'entrée au moyen d'un interrupteur en croix et, lorsqu'il y arrive, l'éteindre.

Avec un tel système d'alimentation en lumière, la fonction d'interrupteurs croisés est assurée par tous les dispositifs de commutation situés entre le premier et le dernier bouton d'alimentation en courant du dispositif d'éclairage.Plus de deux interrupteurs peuvent être installés pour vous permettre de fournir de la lumière à partir de différents points de la maison.

Par des interrupteurs

Avant de comprendre à quoi sert un interrupteur croisé, vous devez comprendre comment fonctionne un interrupteur de passage.

Schéma de câblage des interrupteurs de passage pour la commande d'éclairage indépendante à partir de deux points

Le fil neutre est connecté directement au luminaire, le fil de phase est connecté via deux interrupteurs reliés entre eux par un fil à deux fils.

Si les contacts 1 et 3 sont fermés sur les interrupteurs PV1 et PV2, alors le circuit est fermé et le courant traverse l'ampoule. Pour ouvrir le circuit, vous devez appuyer sur la touche de n'importe quel interrupteur, par exemple PV1, tandis que les contacts 1 et 2 y seront fermés.En appuyant sur la touche de l'interrupteur PV2, le circuit se fermera. Ainsi, la lampe peut être allumée et éteinte indépendamment à partir de deux emplacements distants.

Schéma de câblage avec deux luminaires

Bien sûr, la première option est populaire et facile à réaliser, elle est donc largement utilisée. Cependant, dans une pièce, il y a deux ou trois lampes ou plusieurs ampoules qui sont divisées en groupes, de sorte que le schéma standard ne convient plus ici.

Si vous souhaitez installer avec deux groupes de luminaires, vous devrez acheter un interrupteur à deux clés, où il y a six clips.

Commutateur avec deux clés, où il y a six pinces

Sinon, en termes de méthode d'installation et d'équipement, ce schéma n'est pas très différent du précédent. Cependant, plus de câblage devra être posé ici. Par conséquent, afin de réduire le coût d'achat des fils, il est recommandé de connecter le conducteur d'alimentation au premier interrupteur de la chaîne avec un cavalier.Après tout, sinon, vous devrez poser des conducteurs séparés du boîtier de distribution.

Mise en place du commutateur

Pour assurer le fonctionnement de l'éclairage et des autres appareils connectés via des interrupteurs, il est nécessaire de les installer correctement et de manière fiable. L'installation de l'interrupteur à faire soi-même est assez simple, mais il est nécessaire de suivre une certaine séquence de travail. Pour installer l'interrupteur à sa place, il doit être démonté.

Procédure de démontage de l'interrupteur :

  • retirez la clé de l'interrupteur en la faisant levier avec un tournevis plat d'un côté ;
  • dévisser les vis du cadre de protection et le déconnecter du mécanisme;
  • fixez le corps de l'interrupteur dans le porte-gobelet du mur à l'aide de vis d'espacement ;
  • desserrez les vis de connexion des fils électriques.

Schéma de connexion de l'interrupteur dans la boîte de jonction

Regardez sur la figure le circuit de contrôle de la lumière à l'aide d'interrupteurs traversants et croisés. Il s'effectue comme suit: Installez des structures de commutation aux endroits requis Retirez-en des câbles à trois conducteurs Montez un luminaire électrique ou plusieurs connectés en parallèle Retirez-en un câble à deux conducteurs Installez une boîte de jonction.

Le circuit est simple et vous n'avez pas besoin de compétences ou de connaissances particulières pour le créer. Si l'interrupteur ne déconnecte pas la phase de la charge, mais le fil neutre, le câblage restera toujours sous tension, ce qui est non seulement gênant, mais également dangereux. RF domiciliaire électrique.

Pour tout, jusqu'à V. Caractéristiques des interrupteurs de type croisé : Pour leur connexion, seuls des fils à quatre fils sont utilisés.La conception d'un interrupteur simple avec une clé: 1 - la clé avec laquelle le mécanisme est activé; 2 - cadre décoratif; 3 - la partie de travail, qui contient le mécanisme électrique.Des interrupteurs sont installés dans toutes les pièces où se trouvent des appareils d'éclairage non équipés d'un câble d'alimentation, par exemple pour les lampadaires ou les lampes de table, ce n'est pas nécessaire.

En l'absence d'un tel dispositif, il peut être réalisé à partir d'un dispositif passe-partout à deux clés. Une méthode ouverte ou fermée d'installation de câbles n'affecte pas fondamentalement la disposition des éléments de circuit. Et cet appareil les commute en croix à chaque frappe.

Concevoir

Seuls deux interrupteurs sont toujours nécessaires : au début et à la fin de la chaîne. Nous retirons l'isolant du câble allant à l'interrupteur et dénudons les extrémités des fils de mm. Il y a des moments où un petit éclairage est allumé dans la chambre - une veilleuse ou une applique, et vous devez sortir du lit et éteindre le plafonnier. Photo - schéma de contrôle de la lumière à partir de trois endroits Les éléments intégrés sont utilisés pour le montage dans les murs.

Nous mettons les fils dans l'interrupteur. Dans l'une des positions de commutation, il ferme le premier et dans l'autre - le contact suivant. Pour résoudre ce problème, des commutateurs traversants et croisés sont utilisés. Un groupe de projecteurs ou d'ampoules dans un lustre est contrôlé par une touche, le deuxième groupe par une autre. Ils se composent de 4 parties principales : une unité de travail - une base métallique avec des contacts et un bouton-poussoir ; attaches de pattes ou d'antennes en métal reliées à une plaque métallique; conception décorative du panneau ou du cadre; partie dynamique - une clé en plastique.

Nous récupérons l'interrupteur. La connexion de ces appareils est similaire à la connexion d'appareils d'autres usines.Pour les deux clés, 5 sont posés au premier passage, 8 à l'intermédiaire et 6 au deuxième passage.

Si tout fonctionnait avant et après en avoir remplacé un, le circuit a cessé de fonctionner, puis les fils ont été mélangés. Il existe des interrupteurs avec et sans éclairage. Après avoir connecté les fils au mécanisme de l'interrupteur, nous insérons l'unité de travail dans la boîte de jonction, posons le boîtier sur le dessus, fixons la clé.Tous les éléments du circuit sont connectés, il reste à connecter les fils dans la boîte de jonction. Les interrupteurs à deux gangs nécessitent une manipulation prudente.
Schéma de connexion des interrupteurs à partir de 3 endroits. Comment connecter un interrupteur de passage

Lire aussi :  Comment changer correctement une ampoule: une analyse des nuances techniques d'une tâche non triviale

Schémas de câblage

Si vous avez besoin de contrôler l'inclusion de la lumière à partir de deux points, un circuit de deux interrupteurs pour deux est utilisé.
directions. Voici un schéma visuel, la figure montre les connexions dans la boîte de jonction.

Commutateur croisé: but et dispositif + schéma de câblage et installation

Pour contrôler la lumière à partir de trois points ou plus, deux interrupteurs conventionnels (deux directions) et
un ou plusieurs croisements. Le nombre d'interrupteurs croisés dépend du nombre de points de contrôle :
lors de la commutation avec trois commutateurs, une croix est utilisée, vous pouvez alors augmenter le nombre de commutateurs croisés
n'importe quel nombre de fois.

Voici un circuit de commande avec trois interrupteurs avec toutes les connexions dans la boîte de jonction.

Commutateur croisé: but et dispositif + schéma de câblage et installation

Pour plus de commodité, le schéma montre les couleurs des conducteurs, à l'exception de quatre conducteurs par interrupteur de croisement.
Il devra tirer deux câbles à deux conducteurs ou un autre câble multiconducteur.

Le schéma de câblage pour quatre interrupteurs est identique au précédent, un seul interrupteur croisé de plus.
De cette façon, vous pouvez connecter autant de commutateurs que vous le souhaitez, la seule question est la praticité.

Commutateur croisé: but et dispositif + schéma de câblage et installation

Types d'interrupteurs électriques

La gamme d'appareils électriques présentée sur le marché russe ne permet pas d'énumérer tous les noms de ce produit, mais absolument tous les appareils sont divisés en les modifications suivantes :

  1. Montage dissimulé - ce type d'interrupteurs électriques vous permet d'économiser l'intérieur de la pièce et de placer un élément d'équipement électrique à l'intérieur du mur. Parmi les inconvénients de ce type d'éléments d'équipements électriques, on peut citer la nécessité de chasser les murs, ce qui augmente considérablement le temps consacré aux travaux d'installation.
  2. Installation extérieure - utilisée principalement dans les salles de bains et les buanderies. Ce type d'interrupteurs est beaucoup plus pratique à utiliser et à réparer, mais est nettement inférieur aux appareils cachés en termes d'esthétique.

L'installation de ces appareils prend un peu de temps, mais chaque type a ses propres caractéristiques et séquence d'installation. Comment installer un interrupteur selon les règles, seront décrites en détail ci-dessous.

Connexion d'un interrupteur croisé.

L'interrupteur croisé ne fonctionne qu'en combinaison avec des interrupteurs de passage et dans les circuits d'éclairage, il est allumé entre eux. Considérez le schéma présenté dans la figure ci-dessous.

Phase L connecté à la borne 2 commutateur de passage SA1. Depuis les terminaux 1 et 3 changer SA1 les fils de phase vont au commutateur croisé SA2 et connecté à ses bornes L1 et L2. Depuis les terminaux 1 et 2 changer SA2 les fils de phase vont au deuxième commutateur de passage SA3 et connecté à ses bornes 1 et 3.

Commutateur croisé: but et dispositif + schéma de câblage et installation

Zéro N connecté à la borne inférieure de la lampe EL1, la borne supérieure de la lampe est reliée à la borne 2 commutateur de passage SA3.

Analysons le fonctionnement du circuit dans différentes positions des contacts de l'interrupteur:

Dans l'état initial des contacts indiqués sur schéma 1, la lampe est allumée.
Phase L par contact fermé 2-3 commutateur de passage SA1 le fil vert va à l'interrupteur croisé SA2 et par son contact fermé L2-2 le fil vert va au terminal 3 commutateur de passage SA3. De l'aérogare 3 par contact fermé 2-3 la phase entre dans la sortie supérieure de la lampe EL1 et la lampe s'allume.

Commutateur croisé: but et dispositif + schéma de câblage et installation

Maintenant, si vous appuyez sur la touche de commutation, par exemple, SA1, son contact 2-1 ferme, et 2-3 s'ouvre et la lampe s'éteint (schéma 2). Dans ce cas la phase L passera par un contact fermé 2-1 changer SA1, contacts fermés L1-1 changer SA2 et arrêtez-vous au terminal 1 changer SA3, puisqu'il n'y a plus de mouvement dû au contact ouvert 2-1.

Commutateur croisé: but et dispositif + schéma de câblage et installation

Lorsqu'une touche est enfoncée, comme un interrupteur SA3, son contact 1-2 ferme, et 2-3 s'ouvre et le voyant s'allume (schéma 3). Ici la phase L entre dans la sortie supérieure de la lampe par des contacts fermés 2-1 commutateurs SA1 et SA3, et contact fermé L1-1 changer SA2.

Commutateur croisé: but et dispositif + schéma de câblage et installation

Si vous devez éteindre à nouveau la lampe, vous pouvez appuyer sur le bouton de l'interrupteur SA2.
Dans ce cas, il croisera ses contacts et sa sortie L1 le premier contact se fermera avec la sortie 2 deuxième contact, et la sortie L2 le deuxième contact se fermera avec la sortie 1 premier contact (schéma 4).

Commutateur croisé: but et dispositif + schéma de câblage et installation

Puis la phase L passera par un contact fermé 2-1 changer SA1, contacts fermés L1-2 interrupteur croisé SA2 et arrêtez-vous au terminal 3 changer SA3, depuis son contact 2-3 ouvert.

Comme vous pouvez le voir, avec n'importe quelle combinaison des positions des contacts de l'interrupteur, nous pouvons toujours allumer et éteindre la lumière à partir de l'un d'eux. C'est ainsi que les interrupteurs de passage et croisés fonctionnent conjointement.

La figure suivante montre une option de schéma de câblage.

Un fil à trois fils est utilisé pour connecter les commutateurs de passage, et deux fils à deux fils, ou un fil à trois fils et un fil à deux fils, peuvent être utilisés pour connecter le croisement.

Commutateur croisé: but et dispositif + schéma de câblage et installation

Toutes les connexions sont faites dans la boîte de jonction, et dans notre cas, il y avait sept connexions (torsion). Terminaux 1 et 3 changer SA1 connecté aux bornes L1 et L2 changer SA2 aux points 2 et 3, et les bornes 1 et 3 changer SA3 connecté aux bornes 1 et 2 changer SA2 aux points 4 et 5.

Phase L à ce point 1 se connecte à la borne 2 changer SA1. Câble de lampe droit EL1 se connecte en un point 6 avec borne 2 changer SA3. Zéro N à ce point 7 connecté à la borne gauche de la lampe. C'est toute l'installation.

Si quelque chose n'est pas clair, regardez cette vidéo.

C'est tout ce que je voulais dire sur le circuit, le fonctionnement et la connexion de l'interrupteur croisé.
Bonne chance!

Comment fonctionne le PV à 2 clés

C'est une chose quand il y a un morceau de câble à quatre fils entre les boîtes de jonction, c'en est une autre quand un câble à six fils s'étend d'un interrupteur à un interrupteur, puis un câble à quatre fils aux lampes, puis il est divisé en deux câbles à trois fils... En un mot, l'obscurité. Vous aurez besoin d'un testeur ou d'un multimètre.

Rappelez-vous, j'ai dit que dans les commutateurs, les contacts ne sont en aucun cas connectés les uns aux autres.

En même temps, ils contrôlent l'éclairage à partir de différents endroits.

Reste maintenant à vérifier laquelle.En conséquence, nous examinons deux schémas et choisissons celui qui vous plaît le plus. Schéma de commande pour deux luminaires à partir de trois endroits Ce schéma de connexion pour un interrupteur à 3 voies montre la possibilité de contrôler deux ampoules séparées. En savoir plus sur l'installation du câblage dans un article séparé.

Article lié : Passeport énergétique

Schéma de connexion de quatre interrupteurs traversants pour contrôler une lampe Par le même principe, vous pouvez construire un circuit de contrôle d'éclairage à partir de 4 emplacements ou plus. Après avoir assemblé l'ensemble du circuit, il est nécessaire de le vérifier avant d'appliquer la tension.

Les fils conducteurs sont couramment utilisés pour les environnements domestiques 1. Commande de plusieurs luminaires à partir de plusieurs endroits Il existe des situations où il est nécessaire de commander plusieurs luminaires à partir de plusieurs endroits. Par conséquent, la section transversale sera plus grande, il est nécessaire d'examiner et de calculer soigneusement tous les paramètres.

L'étape suivante consiste à créer un stroboscope reliant les deux appareils. Principe de connexion interrupteurs doubles Si vous avez besoin d'organiser le contrôle de deux sources lumineuses à partir de trois points ou plus, vous devrez mettre deux interrupteurs croisés à chaque point : il n'y a tout simplement pas d'interrupteurs à deux boutons. Nous appuyons sur l'un des interrupteurs, l'un des circuits est connecté et l'ampoule s'allume.

Installation standard à 2 points L'option de contrôler une ou plusieurs lampes connectées en parallèle à partir de deux emplacements est la plus populaire et la plus simple. La boîte aura besoin d'une grande taille, car huit connexions de fils doivent y tenir.
Comment connecter un interrupteur de passage Schéma de câblage

Lire aussi :  Briquettes combustibles pour poêles, leurs avantages et inconvénients

Fonctions de commutation croisée

Le dispositif de commutation, conçu pour éteindre et allumer la lumière et appelé la croix, est devenu populaire en raison de la création de conditions confortables pour la consommation de lumière artificielle. Mais la principale raison du désir de la plupart des gens d'installer un interrupteur croisé dans une maison ou un appartement est qu'il est possible d'économiser de l'argent dépensé en électricité.

Dans de tels endroits, les interrupteurs croisés sont indispensables.

Le plus souvent, le dispositif de commutation discuté est monté dans les parties communes des immeubles résidentiels de 5 à 9 étages. Cela est nécessaire en raison de la disposition de longs couloirs dans de tels bâtiments avec un grand nombre de portes et du manque d'ascenseurs. Dans de tels endroits, des interrupteurs croisés sont installés aux sorties des appartements et à l'entrée du couloir commun. Par exemple, le propriétaire d'un appartement, en le quittant, peut immédiatement allumer la lumière à l'entrée au moyen d'un interrupteur en croix et, lorsqu'il y arrive, l'éteindre.

Avec un tel système d'alimentation en lumière, la fonction d'interrupteurs croisés est assurée par tous les dispositifs de commutation situés entre le premier et le dernier bouton d'alimentation en courant du dispositif d'éclairage. Plus de deux interrupteurs peuvent être installés pour vous permettre de fournir de la lumière à partir de différents points de la maison.

Où le système à trois interrupteurs est-il utilisé ?

L'équipement de l'interrupteur avec commande à partir de trois points différents assure la praticité. Il n'est pas nécessaire de traverser la pièce ou un long couloir pour allumer ou éteindre la lumière.

Un exemple de l'emplacement des interrupteurs de passage dans la chambre

Il est rationnel d'utiliser un tel système de câblage pour une cour ou un terrain personnel. Nous avons quitté la maison, allumé la lumière, sommes allés au bâtiment et l'avons éteint.Nous sommes ressortis, l'avons allumé, sommes allés vers un autre objet.

Par exemple, une chambre a plusieurs lits. Le premier appareil sera à la porte, le deuxième près d'un côté, le troisième près de l'autre côté du lit. Autrement dit, il n'est pas nécessaire de se lever pour éteindre la lumière.

Ou éclairer l'escalier, pour ne pas monter ou descendre dans le noir. Un interrupteur est installé le premier en bas, le suivant au milieu et le troisième à la fin, en haut de l'escalier.

Il est pratique d'utiliser la connexion à partir de 3 endroits dans les entrées. Au premier étage, la lampe était allumée, au deuxième ou au troisième étage, elle était éteinte. Cela permet d'économiser beaucoup d'énergie.

Il est important d'installer des interrupteurs en trois points dans des couloirs et des ouvertures oblongs, avec plusieurs entrées dans différentes pièces. Au début du couloir allumé au milieu ou éteint à la fin.

Le circuit de commande de la lampe est utilisé à la fois dans une pièce et pour un grand espace.

Vous pouvez utiliser un tel système d'éclairage même dans les pièces de passage. Dans une pièce, ils se sont allumés, sont passés devant la pièce, dans l'autre pièce, ils se sont éteints. Pratique et économique.

Lieux d'utilisation

En plus de la chambre à coucher, des situations similaires peuvent se produire assez souvent. Un tel exemple serait un couloir, et ceci s'applique aux locaux résidentiels et techniques. Vous rentrez chez vous le soir, ouvrez la porte, allumez la lumière dans le couloir et êtes prêt à vous rendre dans la pièce dont vous avez besoin, mais vous comprenez que la lumière doit être éteinte.

Commutateur croisé: but et dispositif + schéma de câblage et installation

La même situation - marcher dans le noir ou aller et venir. Connecter des interrupteurs à l'entrée de l'appartement et aux entrées de toutes les pièces peut rendre votre vie et celle de votre famille beaucoup plus pratiques.

Commutateur croisé: but et dispositif + schéma de câblage et installation

Encore plus intéressante est la situation avec des escaliers dans des maisons privées sur plusieurs étages.Il existe plusieurs options : si l'escalier est simple et ne change pas de direction, vous pouvez installer un interrupteur pour la lumière à l'étage voisin, mais il sera étrange de descendre d'un étage pour éteindre la lumière dans une pièce.

Commutateur croisé: but et dispositif + schéma de câblage et installation

Éléments et composants du schéma de connexion

Le mécanisme de commutation des interrupteurs de passage est situé au centre des contacts. Fixation similaire des sorties restantes.Commutateur croisé: but et dispositif + schéma de câblage et installation
En réalité, la situation avec les interrupteurs de passage n'est pas différente des habituelles: un circuit du circuit est fermé - la bonne partie du lustre est allumée, le deuxième circuit est l'autre partie. Dans ce cas, le schéma de connexion des interrupteurs de passage vous permet d'économiser considérablement de l'électricité, car il arrive souvent que la lumière dans les entrées soit allumée pendant des jours.Commutateur croisé: but et dispositif + schéma de câblage et installation
Nous n'utilisons que des borniers, ou cosses auto-serrantes.Commutateur croisé: but et dispositif + schéma de câblage et installation
Le schéma classique de connexion d'un interrupteur à trois voies nécessite l'utilisation de deux interrupteurs traversants et d'une croix.Commutateur croisé: but et dispositif + schéma de câblage et installation
Le meilleur des meilleurs modèles et leur gamme de prix seront discutés ci-dessous. Mais il peut également être une option que le nouveau commutateur ne soit pas du tout un relais.Commutateur croisé: but et dispositif + schéma de câblage et installation
Si les règles de connexion ne sont pas respectées, il existe des risques de chocs électriques lors du remplacement d'une ampoule, un court-circuit de l'interrupteur peut se produire.Commutateur croisé: but et dispositif + schéma de câblage et installation
L'interrupteur en croix possède quatre bornes de contact, il contient deux lignes indépendantes, qui, lorsqu'on appuie sur une touche, basculent en croix, d'où son nom. Si nécessaire, il est possible d'utiliser plus de points.
Connexion des interrupteurs à partir de trois points. Continuation

Pour terminer

En résumé, nous pouvons dire avec confiance que l'apparition sur les étagères russes d'interrupteurs traversants et croisés a grandement facilité le travail des électriciens et des artisans à domicile. Après tout, leur portée n'est pas seulement de longs couloirs ou des escaliers. De nos jours, un certain nombre installent de tels interrupteurs dans de petites pièces. Par exemple, un maître de maison souhaite disposer d'un contrôle d'éclairage supplémentaire près d'un canapé ou d'un lit. À l'avenir, ils seront sûrement améliorés, il y aura de nouvelles fonctions.

Le style rétro ne se démodera jamais.

Cependant, même maintenant, ils ont des avantages indéniables. L'essentiel est l'économie d'énergie, même par rapport aux capteurs de mouvement ou de son. Après tout, il n'y a pas de délai après le départ d'une personne.

Nous espérons que les informations présentées aujourd'hui ont été utiles au cher lecteur. Si vous avez encore des questions sur le sujet, notre équipe est toujours prête à y répondre dans les discussions de cet article. Et enfin, nous vous proposons une autre vidéo sur le sujet :

Conclusions et vidéo utile sur le sujet

Il existe peu de nuances dans la connexion des interrupteurs afin que l'éclairage puisse être contrôlé à partir de plusieurs points. Mais ils sont. Et il est impossible de les manquer par ignorance de leur type lors de l'installation. Pour vous faciliter la compréhension de toutes les subtilités des schémas décrits ci-dessus, nous vous recommandons de regarder les vidéos ci-dessous.

Tout sur les interrupteurs de passage - principes de fonctionnement et d'installation :

Comment connecter un interrupteur à deux gangs :

Schéma de connexion via des interrupteurs (à bascule) via une boîte de jonction :

L'utilisation d'interrupteurs de passage simplifie grandement le contrôle de l'éclairage dans une grande pièce, ce qui rend ce processus plus pratique.Il n'est pas difficile de monter soi-même un tel système de plusieurs interrupteurs et fils. Il suffit de choisir le bon ensemble de dispositifs de commutation nécessaires.

Et comment avez-vous choisi un interrupteur de passage pour une installation dans une maison de campagne, un bureau ou un appartement ? Quel a été pour vous l'argument décisif dans le choix d'un appareil ? Veuillez écrire des commentaires dans le bloc ci-dessous, publier des photos sur le sujet de l'article, partager des informations utiles et poser des questions.

Évaluation
Site sur la plomberie

Nous vous conseillons de lire

Où remplir la poudre dans la machine à laver et combien de poudre verser