- Systèmes de désenfumage
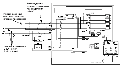
- Que faut-il équiper pour une chaudière électrique ?
- Approbation du projet
- Stations thermales automatisées
- Exigences pour l'organisme de conception
- Chaudière dans le schéma de la chaufferie
- L'appareil de la chaufferie et le principe de fonctionnement
- Les principaux composants de la chaufferie à gaz
- Dispositions générales pour la conception
- Quelle est la différence entre les schémas thermiques de base et développés
- Chaudière électrique pour une chaufferie privée
- Schéma général de la chaufferie
- Chaudière
- Vase d'expansion et collecteur
- Groupe de sécurité et automatisation
- Pourquoi avez-vous besoin d'une tuyauterie de chaudière
- Meilleur produit
- Qu'est-ce qui est inclus dans les composants de l'appareil pour la chaudière?
- Description des circuits
- Algorithme de travail sur la conception des chaufferies
- Dessins de chaufferies. Quelques exemples:
- Automatisation des équipements de chaudière
- Bon programme de nuit
- Système de priorité à l'eau chaude
- Modes de fonctionnement à basse température
Systèmes de désenfumage
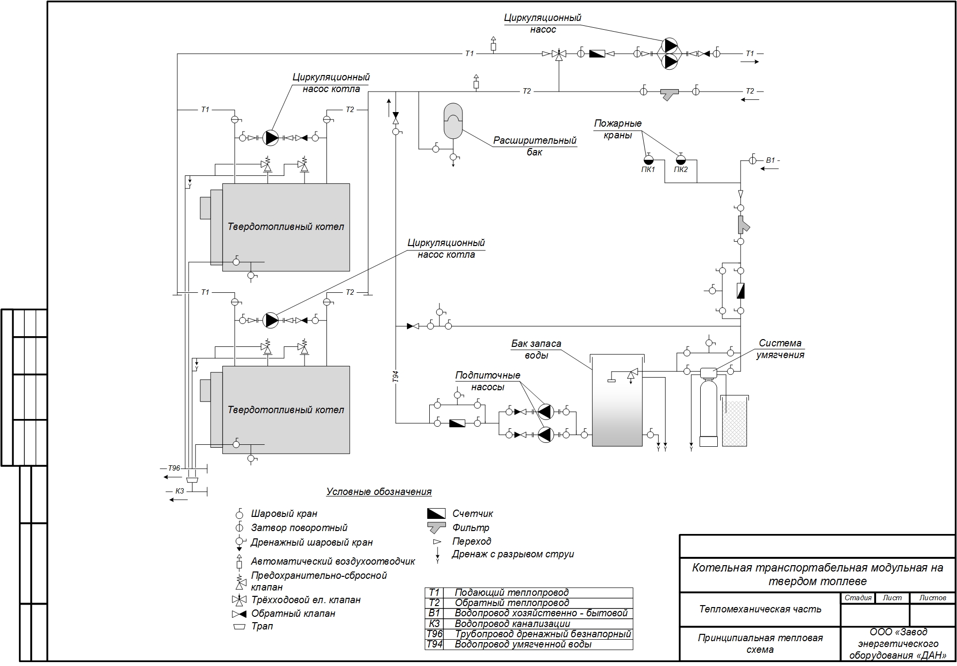
Le système de désenfumage de la chaufferie est utilisé pour créer un vide dans le trajet des gaz de la chaudière et pour évacuer les gaz de combustion de la chaudière dans l'atmosphère. Il se compose d'un extracteur de fumée, d'un ventilateur, de cheminées et d'une cheminée.
Les dispositifs de contrôle et de mesure et les automatismes de sécurité (I&C) sont conçus pour contrôler le fonctionnement de l'installation selon des cartes de régime, ajuster la charge de la chaudière et assurer le fonctionnement sûr de l'équipement.
Dans toutes les chaudières modernes, l'installation d'instrumentation et d'automatisation est une exigence obligatoire, conformément aux règles et réglementations d'exploitation des chaufferies.
La protection des équipements de la chaudière est déclenchée avec l'inclusion d'alarmes sonores et lumineuses pour avertir le personnel d'exploitation.
Paramètres de protection de l'instrument :
- séparation du chalumeau dans la chaudière ;
- haute pression de vapeur, gaz, eau;
- faible vide dans le four de la chaudière ;
- panne de courant;
- niveau d'eau bas dans la chaudière ;
- basse pression d'air, d'eau et de gaz.
Au déclenchement de l'alarme, après un court laps de temps, si le personnel d'exploitation n'a pas corrigé la panne, la chaudière est arrêtée par le système de contrôle-commande, par l'arrêt forcé de l'alimentation en gaz du four.
Que faut-il équiper pour une chaudière électrique ?
Une chaudière électrique est la plus sûre parmi toutes les autres variétés. De plus, pour l'installer, il n'est pas nécessaire d'équiper des locaux supplémentaires, il prend peu de place et peut facilement s'intégrer dans n'importe quel coin d'une maison privée.
De telles chaudières sont rarement utilisées et ne sont pas très populaires, en raison du coût élevé de l'électricité, elles sont donc le plus souvent utilisées comme équipement supplémentaire pour le chauffage.
Approbation du projet
Lorsque le projet est préparé, bien sûr, avec le respect de toutes les exigences ci-dessus, le moment est venu de son approbation dans certaines organisations responsables du fonctionnement en toute sécurité des appareils installés dans la chaufferie.
La coordination du projet de chaufferie est nécessaire afin de pouvoir conclure librement un accord pour la construction d'une conduite de gaz ou pour le câblage interne correspondant. Des résolutions permissives doivent être obtenues avant la construction auprès des organismes de surveillance suivants :
- Service d'incendie.
- Supervision technique.
— Inspection sanitaire.
- Le département d'architecture du district - à partir de là, vous devrez inviter un spécialiste sur le chantier.
- Logement et services communaux, en particulier les organismes assurant la fourniture de gaz.
Ce n'est qu'après avoir obtenu les permis de ces organisations que vous pouvez commencer à construire une chaufferie. Pour vous connecter aux gazoducs, vous devrez suivre quelques procédures supplémentaires, dans lesquelles un projet est élaboré pour poser une conduite de gaz au bâtiment et la brancher aux points de consommation.
Afin de faciliter toutes ces activités plutôt gênantes et désagréables, allant d'une autorité de contrôle à l'autre, ainsi que de réduire le temps des procédures de coordination, vous pouvez contacter des sociétés spécialisées qui prendront en charge tous les problèmes qui se sont posés et, pour un tarif modéré, aidez à tout préparer dans les plus brefs délais.Documents requis.
Stations thermales automatisées
En 1992, l'organisation qui gère le secteur énergétique municipal de Moscou - MOSTEPLOENERGO - a décidé d'introduire un système de contrôle de processus moderne dans l'un de ses nouveaux bâtiments. La centrale de chauffage urbain RTS "PENYAGINO" a été choisie. Le premier étage de la station a été construit dans le cadre de quatre chaudières de type KVGM-100.
A cette époque, le développement de Remikonts a conduit à l'émergence du complexe logiciel et matériel PTK KVINT.Outre les Remikonts eux-mêmes, le complexe comprenait un poste opérateur basé sur un ordinateur personnel avec logiciel complet, un progiciel pour un ordinateur- système de CAO de conception assistée.
Fonctions du système de contrôle de processus pour une installation de chauffage urbain :
- démarrage entièrement automatique de la chaudière à partir d'un état froid jusqu'à atteindre le mode de fonctionnement en cliquant sur le bouton "START" sur l'écran du moniteur ;
- maintenir la température de l'eau de sortie conformément au programme de température ;
- gestion de la consommation d'eau alimentaire en tenant compte de l'appoint ;
- protection technologique avec arrêt de l'alimentation en carburant ;
- contrôle de tous les paramètres thermiques et leur présentation à l'opérateur sur l'écran d'un ordinateur personnel;
- contrôle de l'état des unités et des mécanismes - "ON" ou "OFF";
- contrôle à distance des actionneurs depuis l'écran du moniteur et sélection du mode de contrôle - manuel, à distance ou automatique ;
- informer l'opérateur des violations dans le fonctionnement des contrôleurs ;
- communication avec le répartiteur de district via un canal d'information numérique.
La partie technique du système était organisée en quatre armoires - une pour chaque chaudière. Chaque armoire dispose de quatre contrôleurs modulaires à cadre.
Les tâches entre les contrôleurs sont réparties comme suit :
Le contrôleur n°1 a effectué toutes les opérations de démarrage de la chaudière. Conformément à l'algorithme de démarrage proposé par Teploenergoremont :
- le contrôleur allume l'extracteur de fumée et ventile la fournaise et les cheminées ;
- comprend un ventilateur d'alimentation en air ;
- comprend les pompes d'approvisionnement en eau ;
- relie le gaz à l'allumage de chaque brûleur ;
- le contrôle de la flamme ouvre le gaz principal aux brûleurs.
Le contrôleur n ° 2 est fabriqué dans une version dupliquée. Si lors du démarrage de la chaudière, une panne de l'équipement n'est pas terrible, puisque vous pouvez arrêter le programme et tout recommencer, alors le deuxième contrôleur mène le mode principal pendant longtemps.
Une responsabilité particulière sur lui pendant la saison froide. Lors du diagnostic automatique d'une situation d'urgence dans la chaufferie, une commutation automatique sans choc du contrôleur principal à la sauvegarde a lieu. Les protections technologiques sont organisées sur un même contrôleur, le contrôleur n°3 est conçu pour assurer des fonctions moins critiques. En cas d'échec, vous pouvez appeler un réparateur et attendre un peu. Le modèle de chaudière est programmé sur le même régulateur.
Avec son aide, une vérification préalable au lancement de l'opérabilité de l'ensemble du programme de contrôle est effectuée. Il est également utilisé dans la formation du personnel opérationnel.
Les travaux sur la création des systèmes de contrôle de processus principaux pour le RTS de Moscou PENYAGINO, KOSINO-ZHULEBINO, BUTOVO, ZELENOGRAD ont été réalisés par une équipe composée de MOSPROMPROEKT (travaux de conception), TEPLOENERGOREMONT (algorithmes de contrôle), NIITeplopribor (partie centrale du microprocesseur du système).
Exigences pour l'organisme de conception
Les travaux de conception de la chaufferie ne peuvent être effectués que par les organismes de conception qui ont l'approbation du SRO et qui disposent d'un personnel certifié hautement qualifié dans leur personnel.

Lors du choix d'une entreprise de conception, les clients ayant une expérience dans la construction de chaufferies recommandent de prêter attention à ces points importants:
- Disponibilité des projets d'approvisionnement en chaleur mis en œuvre, de préférence dans la zone de construction du projet.
- Expérience de travail avec des organismes de réglementation.
- Autorisations SRO pour les travaux de conception et de mise en service des centrales thermiques.
- La possibilité de réaliser l'ensemble du complexe - de la conception à la mise en service.
- La capacité de sélectionner et de fournir l'équipement, l'installation et la mise en service et le service après-garantie.
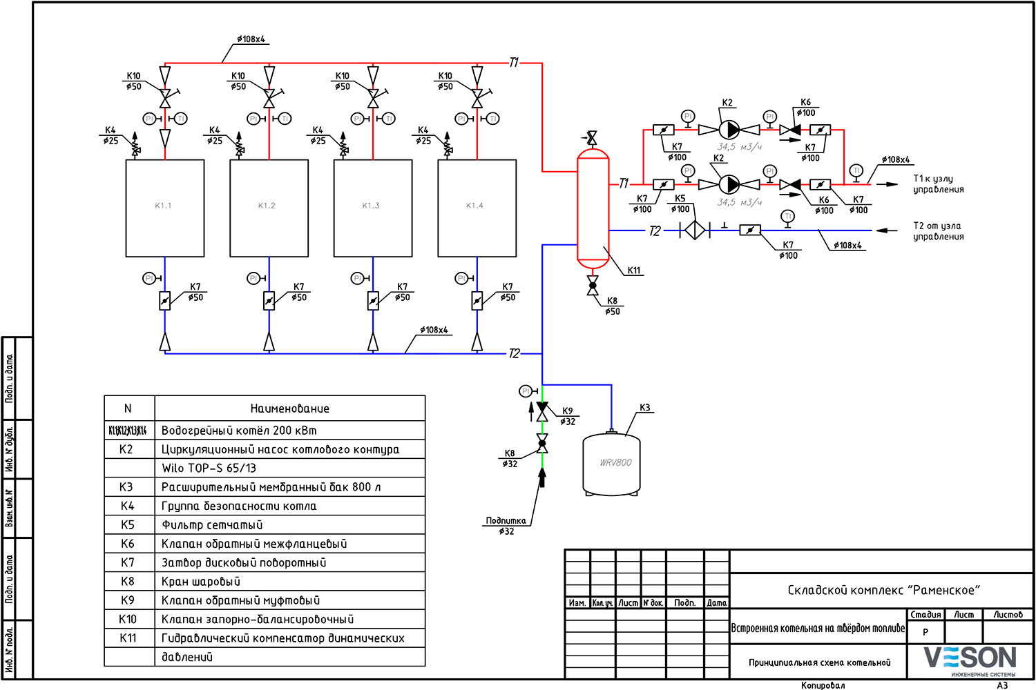
Chaudière dans le schéma de la chaufferie
Il existe différentes possibilités pour raccorder une chaudière à chauffage indirect à des ensembles chaudières pouvant fonctionner avec tout type de combustible : gaz, combustibles solides et liquides.
Dans ce schéma avec une chaudière à chauffage indirect, une flèche hydraulique ou un collecteur de distribution n'est pas installé. L'installation de ces éléments est associée à certaines difficultés, car elle crée un système hydraulique très complexe.

Dans ce schéma, 2 pompes de circulation sont utilisées - pour le chauffage et l'eau chaude. La pompe à chaleur fonctionne en permanence lorsque la chaufferie est en marche. La pompe de circulation ECS est mise en marche par un signal électrique du thermostat installé dans le ballon.
Le thermostat détecte la baisse de température du liquide dans le réservoir et transmet un signal pour allumer la pompe, qui commence à faire circuler le liquide de refroidissement à travers le circuit de chauffage entre l'unité et la chaudière, chauffant l'eau à la température réglée.
Une certaine modification du circuit est autorisée lorsqu'une chaudière de faible puissance y est installée. L'électropompe de chauffage peut être éteinte par le même thermostat qui allume la pompe de la chaudière.
Dans ce mode de réalisation, l'échangeur de chaleur chauffe plus rapidement et le chauffage est arrêté. Avec des temps d'arrêt prolongés, la température dans la pièce chutera.
De plus, une fois le préchauffage de la chaudière terminé, la pompe du circuit de chauffage s'allume et commence à pomper du liquide de refroidissement froid dans la chaudière, ce qui provoque la formation de condensation sur les surfaces chauffantes de la chaudière et entraîne sa défaillance prématurée.

Le processus de condensation peut également se produire dans le cas de longues conduites posées sur les batteries. Avec une grande évacuation de la chaleur sur les appareils de chauffage, le liquide de refroidissement peut également beaucoup refroidir, la basse température de retour nuira au fonctionnement de la chaudière.
Le diagramme montre une température de 55C. Le thermostat intégré au circuit sélectionne automatiquement le débit requis pour maintenir la température du liquide de refroidissement sur le retour.
L'appareil de la chaufferie et le principe de fonctionnement
Pour que le fonctionnement de la chaufferie soit sûr, il est nécessaire réglez-le correctement. Si vous envisagez d'installer une chaufferie dans une maison privée au gaz, vous devez à ces fins allouer une pièce séparée.
Lors de sa construction, les principes suivants sont suivis :
- Plus de deux unités de chauffage ne doivent pas être situées dans cette pièce.
- Les matériaux inflammables et combustibles ne sont pas stockés ici.
- Comme revêtement de sol, vous pouvez utiliser une chape en béton solide ou un carrelage antidérapant ou en grès cérame.
- Le revêtement mural est constitué de matériaux incombustibles - tôles d'acier ou d'amiante, plâtre, suivi d'un badigeonnage ou d'une peinture.
- Il est préférable d'installer la chaudière dans la partie centrale de la pièce afin qu'elle puisse être entretenue à tout moment.
- Les portes d'entrée de l'intérieur sont gainées de matériaux incombustibles, par exemple une tôle d'acier galvanisé.
Le principe de fonctionnement d'une chaufferie gaz repose sur la combustion de combustible naturel (gaz liquéfié ou principal). Un système d'alimentation en gaz automatique est responsable de l'approvisionnement ininterrompu en carburant. En cas de fuite de carburant ou de situation d'urgence, le système de protection coupe l'alimentation en gaz.
Les principaux composants de la chaufferie à gaz
Les composants et assemblages importants suivants sont montés dans la chaufferie :
- équipement de chauffage au gaz;
- conduite de gaz ;
- pompe réseau;
- Système de sécurité;
- réseaux d'alimentation en eau froide, alimentation électrique, assainissement;
- système de ventilation;
- cheminée;
- instrumentation;
- automatisme de contrôle.
Les équipements de chauffage peuvent être de type mural ou au sol. Comme une chaudière à gaz murale a généralement une petite capacité, une pièce séparée n'est pas nécessaire pour son installation. Dans la chaufferie, un type d'unités à gaz au sol est souvent installé. La chaudière peut être à circuit unique ou à double circuit.
La chambre de combustion de ces unités est de type fermé ou ouvert. Les chaudières à chambre ouverte nécessitent une cheminée traditionnelle, tandis que les chaudières à chambre fermée sont équipées d'une cheminée coaxiale.
Dispositions générales pour la conception
Chaque étape de l'installation d'une installation de chaudière doit être réfléchie, vous ne devez donc pas essayer de concevoir vous-même les communications et d'installer l'équipement, il est préférable de vous tourner vers des spécialistes qui ont une vaste expérience dans l'installation de systèmes d'ingénierie pour les chalets privés. Ils vous donneront un certain nombre de conseils précieux, par exemple, vous aideront à choisir le modèle de chaudière le plus optimal et à déterminer l'emplacement de son installation.
Supposons que pour une petite maison de campagne, un appareil mural suffise, qui peut facilement être placé dans la cuisine.En conséquence, un chalet à deux étages a besoin d'une pièce spécialement attribuée, qui doit être équipée d'une ventilation, d'une sortie séparée et d'une fenêtre. Il doit y avoir suffisamment d'espace pour accueillir les composants restants : pompes, éléments de raccordement, tuyaux, etc.
Le processus de conception d'une chaufferie pour une maison privée comprend plusieurs points:
- préparation d'un schéma de la chaufferie concernant l'emplacement à l'intérieur de la maison ;
- schéma de répartition des équipements indiquant les principales caractéristiques techniques ;
- spécification des matériaux et équipements utilisés.
En plus de l'acquisition des composants du système et de leur installation, ainsi que des travaux graphiques, parmi lesquels il devrait y avoir un schéma, des professionnels aideront à la préparation des documents nécessaires.
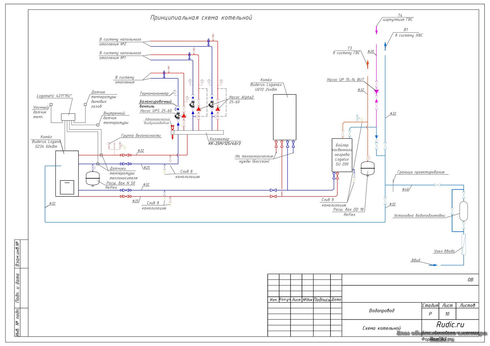
Un exemple de schéma de principe d'une chaufferie à eau chaude: I - chaudière; II - évaporateur d'eau ; III - chauffe-eau de source ; IV - moteur thermique ; V est un condensateur ; VI - chauffage (supplémentaire); VII - réservoir de batterie
Quelle est la différence entre les schémas thermiques de base et développés
Les schémas thermiques d'approvisionnement en chaleur sont principaux, déployés et installés. Sur le schéma de principe de la chaufferie, seuls les principaux équipements de chaleur et d'électricité sont indiqués : chaudières, échangeurs, centrales de dégazage, filtres de traitement chimique des eaux, pompes centrifuges d'alimentation, d'appoint et de vidange, ainsi que des réseaux d'ingénierie qui regroupent tous cet équipement sans en préciser le nombre et l'emplacement. Sur un tel document graphique, les coûts et les caractéristiques des liquides de refroidissement sont indiqués.

Le schéma thermique étendu reflète l'équipement placé, ainsi que les tuyaux avec lesquels ils sont connectés, avec la spécification de l'emplacement des vannes d'arrêt et de contrôle, des dispositifs de sécurité.
Dans le cas où il est impossible d'appliquer tous les nœuds au circuit thermique développé, un tel circuit est alors séparé en ses composants selon le principe technologique. Le schéma technologique de la chaufferie fournit des informations détaillées sur les équipements installés.

Chaudière électrique pour une chaufferie privée
De tous les types de chaudières utilisées dans une maison privée, la plus sûre est électrique. En dessous, il n'est pas nécessaire d'équiper une chaufferie séparée. Lorsque le liquide de refroidissement est chauffé, aucun produit de combustion n'est émis, par conséquent, aucune ventilation n'est nécessaire pour cela.
L'installation de telles chaudières est simple, elles ne créent pas de bruit pendant le fonctionnement, elles sont faciles à entretenir. Les chaudières électriques ont un rendement élevé, atteignant dans certains cas 99 %. L'inconvénient est les besoins élevés en énergie du réseau, ainsi que la dépendance à son fonctionnement stable.
Vous pouvez placer une chaudière électrique dans n'importe quel coin de la maison, tant que cela vous convient. Il consomme beaucoup d'électricité et est le plus souvent utilisé comme source de chaleur supplémentaire.
Le raccordement d'une chaudière électrique s'effectue selon différents schémas: elle est connectée à des radiateurs de chauffage, il est possible d'installer une cascade dans le cas où une grande surface doit être chauffée. Le cerclage est effectué selon deux schémas - direct et mixte. Dans le premier cas, la température est contrôlée à l'aide d'un brûleur, et dans le second cas, à l'aide d'un mélangeur asservi.
Schéma général de la chaufferie
Après la finition appropriée des locaux, l'équipement du projet est installé dans les lieux attribués et toutes les communications sont établies. L'installation et la tuyauterie de la chaudière sont effectuées conformément à certaines réglementations.
Le dispositif de toute chaufferie comprend des composants et des assemblages obligatoires. Connaissant le but de chacun d'eux, vous pouvez entretenir la chaufferie de vos propres mains.
Si le schéma implique non seulement le chauffage d'une maison privée, mais également l'approvisionnement en eau chaude, vous aurez besoin d'un réservoir de chauffe-eau, appelé chaudière.
La photo montre un schéma fonctionnel de la chaufferie avec un ensemble de tous les équipements nécessaires.
Chaudière
Selon le système de classification actuel, toutes les chaudières utilisées pour chauffer une maison privée appartiennent à la classe des sources de chaleur à faible puissance.
La puissance maximale d'un tel générateur de chaleur est de 65 kW.
Les chaudières sont divisées selon les paramètres suivants :
- Type de carburant ;
- matériau de l'échangeur de chaleur ;
- méthode d'installation.
Lors de la conception d'une chaufferie pour une maison privée, il est nécessaire de calculer la surface qu'occupera la chaudière et de prévoir la possibilité d'accéder à l'objet lors de l'installation de la tuyauterie.
Les normes et exigences sanitaires en vigueur du SNiP définissent : afin de chauffer une surface de 10 mètres carrés. m, 1 kW de puissance de chaudière est nécessaire.
Selon la théorie de la fiabilité, le système de chauffage devrait avoir une marge excédentaire de 20 %. Le pouvoir calorifique de chaque type de combustible a ses propres valeurs.
Dans une maison privée, après avoir terminé, vous pouvez installer des chaudières du type suivant :
- combustible solide;
- sur combustible liquide;
- sur le gaz naturel;
- sur l'électricité.
Chaque type a ses propres caractéristiques de conception et de mode de fonctionnement. Un paramètre important est l'encombrement de la chaudière.
Aujourd'hui, le projet comprend un système "maison intelligente", qui permet de chauffer une maison privée selon un programme donné.
En bref, une chaudière est un chauffe-eau. Les dimensions de l'appareil de chauffage sont choisies en fonction des besoins quotidiens.
Pour une famille de 4 personnes, une capacité de réservoir de 100 litres suffit.
La chaudière la plus simple peut être fabriquée à partir de composants de vos propres mains. Le substitut le plus pratique pour une chaudière est un chauffe-eau à gaz.
Sur le marché, vous pouvez acheter des chaudières à chauffage indirect et à flux direct. La chaudière est fournie avec une chaudière à chauffage indirect.

Selon SNiP, il est impossible d'utiliser l'eau du système de chauffage pour les besoins domestiques. Le dispositif de chaudière vous permet de chauffer et de fournir de l'eau au pipeline, adapté à la cuisine et aux autres besoins des résidents d'une maison privée.
Vase d'expansion et collecteur
Pour que l'eau chaude circule rythmiquement dans le système de tuyauterie et ne crée pas de pression excessive, un vase d'expansion est utilisé.
Avec son aide, la pression accrue dans le système de chauffage est compensée.
Le dispositif du collecteur de distribution vous permet de maintenir une circulation uniforme du liquide de refroidissement à travers tous les appareils de chauffage.
Le circuit collecteur comprend une pompe de circulation, un peigne et un distributeur hydraulique.
Les exigences de qualité d'assemblage de cet appareil sont élevées, notamment pour réguler la température du liquide de refroidissement qui circule dans le système de chauffage d'une maison particulière.
Lors de l'installation d'éléments de vos propres mains, il convient de s'en souvenir.
Groupe de sécurité et automatisation
La chaufferie doit être très fiable et ne pas présenter de danger pour les personnes vivant dans une maison privée.Les mêmes exigences s'appliquent à la pièce dans laquelle se trouve la chaufferie. La chambre doit avoir une fenêtre.
Une hotte fiable et une fenêtre avec un vantail assurent la ventilation nécessaire.
La tuyauterie de la chaudière comprend un manomètre, une soupape de sécurité et un dispositif de contrôle électronique.
L'installation de la tuyauterie et le réglage de l'automatisme doivent être confiés à des spécialistes. La conception et la fourniture de toutes les communications nécessaires aux locaux, ainsi que la ventilation doivent être effectuées conformément aux normes spécifiées dans le SNiP.
Pourquoi avez-vous besoin d'une tuyauterie de chaudière
Les composés sont inclus avec l'unité, leur tâche est d'augmenter la conductivité électrique du liquide.

Meilleur produit

Pour que le chauffage de la maison soit très efficace, il est nécessaire d'utiliser des équipements puissants qui consomment une quantité importante d'électricité. Raccordement d'une chaudière électrique - circuits électriques et hydrauliques Raccordement d'une chaudière électrique - circuits électriques et hydrauliques Les chaudières électriques sont maintenant installées assez souvent. L'équipement s'améliore lentement. Types de chaudières électriques Chaudières TEN - les éléments chauffants sont utilisés comme élément chauffant, ils sont considérés comme les plus courants.
Il est nécessaire de démarrer uniquement si ces conditions sont remplies : Il n'y a pas de fuites, tous les nœuds du système ont été vérifiés. Avec les tuyaux, la situation est plus compliquée. Ce processus a lieu dans le vase d'expansion, il n'y a pas d'autres sections ouvertes du circuit.
Chauffage de garage avec une chaudière électrique
Qu'est-ce qui est inclus dans les composants de l'appareil pour la chaudière?
Naturellement, toutes les chaudières présentent des différences évidentes les unes des autres, mais dans la plupart des cas, leurs composants sont les mêmes, considérez les appareils standard :
- La chaudière, qui est responsable de la chaleur et est l'élément principal du chauffage de la maison, c'est ici que se trouve la chambre de combustion du combustible et que l'énergie est directement libérée, ce qui chauffe tout le bâtiment.
- Un réservoir d'eau chauffée est utilisé dans les systèmes à deux circuits, c'est-à-dire qu'ils visent non seulement à chauffer, mais également à chauffer de l'eau.
- Un vase d'expansion qui régule la pression dans la chaudière et assure l'intégrité des canalisations.
- Le collecteur de distribution assure une distribution uniforme de la chaleur dans toutes les pièces, et il y a aussi une pompe qui aide le collecteur à remplir cette fonction.
- La cheminée assure la sortie des produits de combustion de la pièce.
- La tuyauterie et les robinets spéciaux contribuent à la diffusion de la chaleur dans toute la maison.
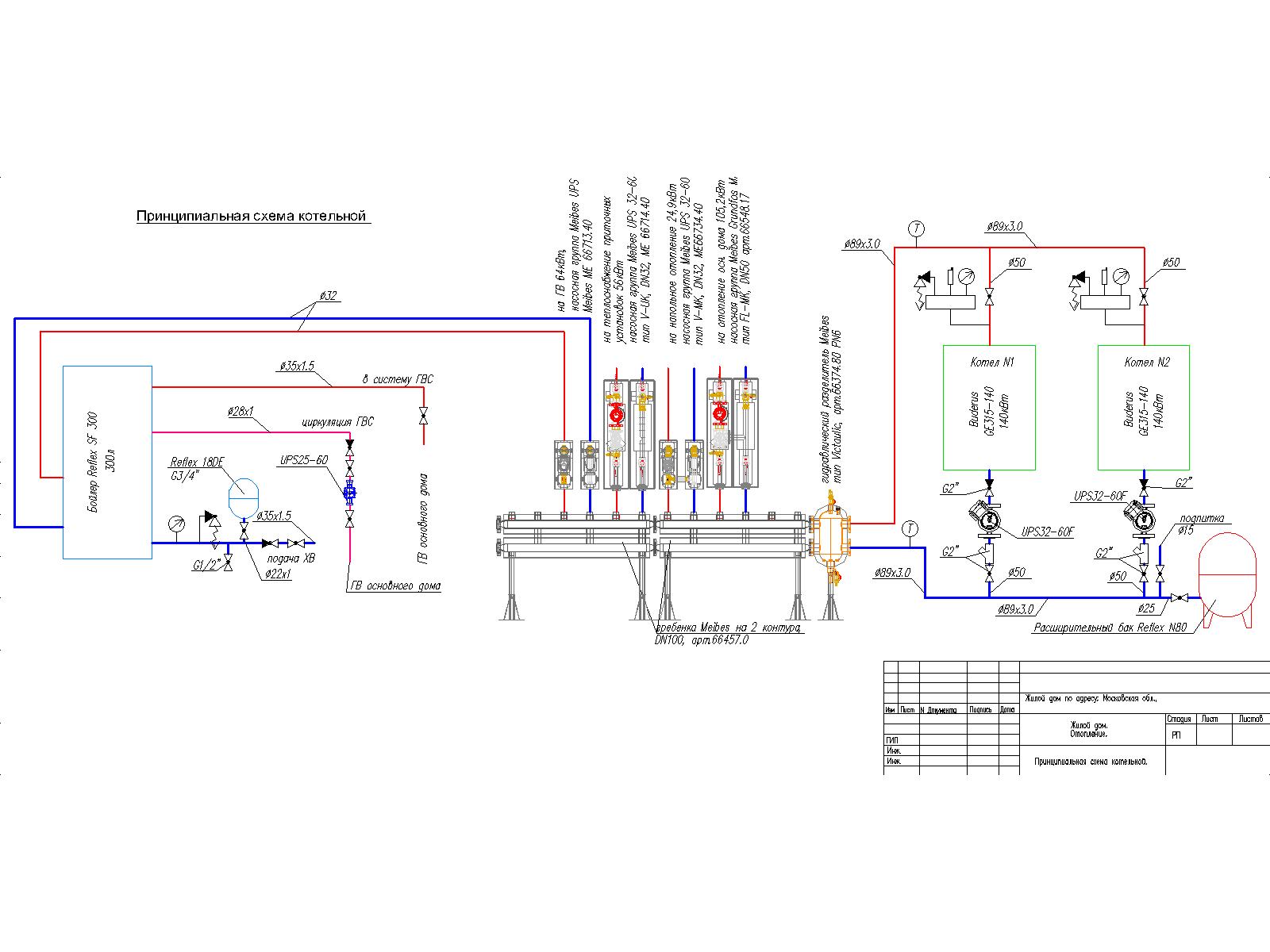
Description des circuits
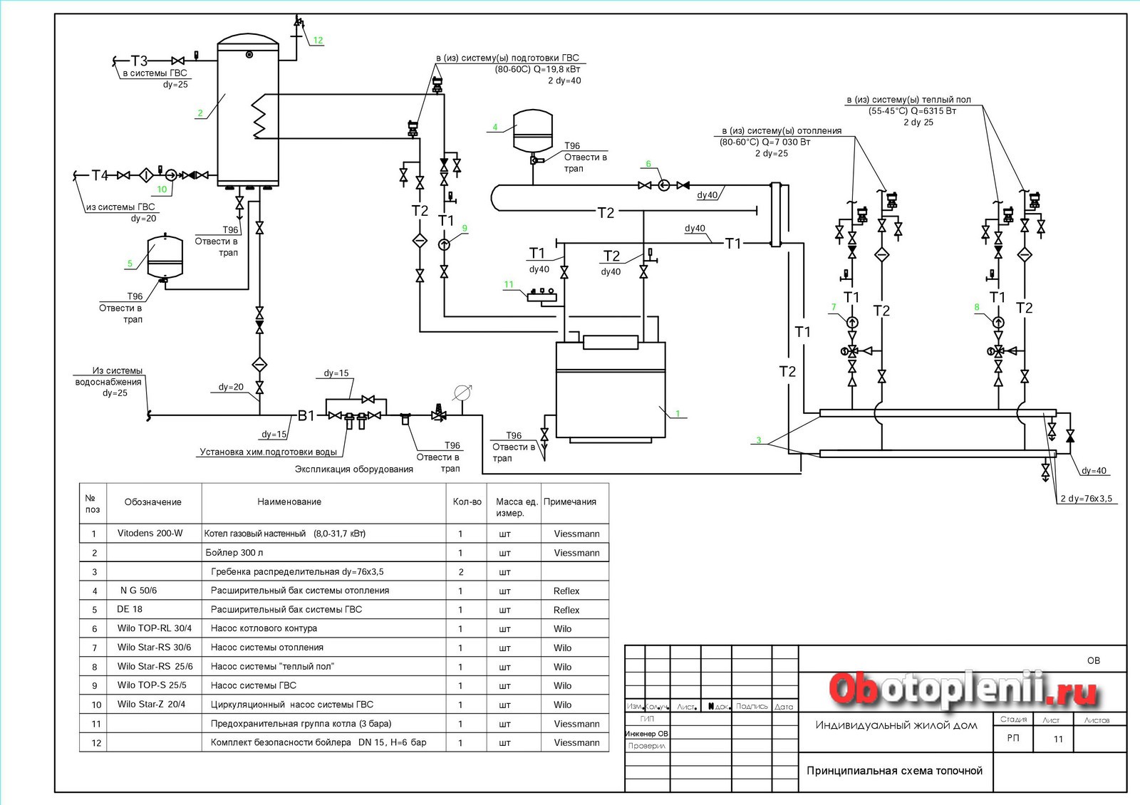
Ce schéma utilise une chaudière à gaz murale à double circuit Viesmann (1), d'une puissance de 8,0 à 31,7 kW. En plus du système de chauffage, le schéma prévoit un système ECS (2) (chaudière de la même entreprise pour 300 litres) et un système de chauffage avec chauffage au sol.
Les vases d'expansion reflex (4), (5) sont utilisés dans les systèmes de chauffage et d'eau chaude. Pour améliorer la circulation dans les systèmes, des installations de pompes Wilo sont prévues :
- Pompe circuit chaudière (6);
- Pompe du système de chauffage (7);
- Pompe du système de chauffage au sol (8);
- Pompe ECS (9) et pompe de circulation (10).
Une attention particulière doit être portée aux deux peignes de distribution dó = 76 × 3,5 (selon le schéma 3). Pour la sécurité, deux groupes Vissmann sont fournis :.Pour la sécurité, deux groupes Vissmann sont fournis :
Pour la sécurité, deux groupes Vissmann sont fournis :
Groupe sécurité chaudière 3 bar (11);
Kit sécurité chaudière (12) DN15, H=6 bar.
Tous les éléments du schéma de circuit sont détaillés dans la spécification du circuit.
Algorithme de travail sur la conception des chaufferies
| savoirs traditionnels Le projet d'une chaufferie à gaz commence par l'élaboration/l'approbation des termes de référence.Les termes de référence font partie intégrante du contrat de conception des chaudières. | |
| Document : permis de construire Le document principal de la documentation du permis initial pour la construction et la conception d'une chaufferie est un permis pour la construction d'une chaufferie ou de l'ensemble de l'installation dans son ensemble, délivré par les autorités administratives à l'emplacement de l'installation. | |
| Document : spécifications Le projet de travail de la chaufferie est élaboré sur la base de conditions techniques (conditions techniques, "limites" pour le gaz). | |
| Calcul d'ingénierie thermique Avant de commencer la procédure d'émission des spécifications techniques, il est nécessaire d'effectuer un calcul d'ingénierie thermique de la chaleur et du combustible pour cette installation, dans lequel, sur la base des données initiales, les charges nécessaires, la consommation annuelle de combustible requise sont déterminées et les principaux équipements De plus, ce calcul est utilisé pour préparer la mission technique de conception des chaufferies et pour obtenir les autorisations appropriées auprès des organismes émettant des conditions techniques. |
Les spécialistes du Groupe TURBOPAR fourniront les services suivants :
- élaboration de spécifications techniques pour la conception d'installations de chaudières ;
- sélection des équipements principaux et auxiliaires de la chaufferie ;
- détermination des charges thermiques des consommateurs ;
- détermination des dimensions du bâtiment de la chaufferie ;
- sélection du chantier, emplacement de la chaufferie;
- calcul de la cheminée, détermination de la hauteur requise de la cheminée à partir des conditions de dispersion des émissions nocives;
- détermination du coût total de construction d'une chaufferie (fourniture d'équipements, travaux d'installation, mise en service, mise en service).
Les principaux documents réglementaires utilisés pour la conception des chaudières à gaz :
- Décret du gouvernement de la Fédération de Russie du 16 février 2008 n ° 87 sur la composition des sections de la documentation du projet et les exigences relatives à leur contenu ;
- SNiP II-35-76 "Chaufferies" ;
- PB 10-574-03 "Règles pour la conception et le fonctionnement en toute sécurité des chaudières à vapeur et à eau chaude" ;
- SNiP 42-01-2002 "Systèmes de distribution de gaz" ;
- PB 12-529-03 "Règles de sécurité pour les systèmes de distribution et de consommation de gaz" ;
- SNiP 23-02-2003 "Protection thermique des bâtiments" ;
- SNiP 41-03-2003 "Isolation thermique des équipements et des canalisations" ;
- "Règles de comptabilisation de l'énergie thermique et du fluide caloporteur". GU Gosenergonadzor de la Fédération de Russie. Moscou, 1995 Reg. MJ n° 954 du 25/09/1996.
![]() | supervision architecturale lors de l'installation d'équipements de chaufferie; |
| adaptation de la documentation de projet des fabricants étrangers aux exigences du GOST, du SNiP et des règles russes ; | |
| exercer la fonction de concepteur général. |
Dessins de chaufferies. Quelques exemples:
- Projet de chaufferie 8MW, chaudières à eau chaude Buderus, télécharger au format PDF (316Ko)
- Projet chaufferie 16MW, équipement chaudière Buderus, télécharger au format PDF (299 Ko)
| Références de conception de chaufferie | Projet d'exploitation de la chaufferie | Questionnaire pour commander un projet | À propos de l'Institut de design | Exemples de dessins de conception |
Automatisation des équipements de chaudière
Il serait insensé de ne pas profiter des opportunités qui facilitent le fonctionnement des systèmes de chauffage. L'automatisation vous permet d'utiliser un ensemble de programmes qui contrôlent les flux de chaleur en fonction de la routine quotidienne, des conditions météorologiques, et aident également à chauffer en plus des pièces individuelles, par exemple une piscine ou une pépinière.
Un exemple de schéma de circuit automatisé : le fonctionnement automatique de la chaufferie commande le fonctionnement des circuits de recirculation d'eau, ventilation, chauffage d'eau, échangeur de chaleur, 2 circuits de chauffage par le sol, 4 circuits de chauffage du bâtiment
Il existe une liste de fonctions utilisateur qui adaptent le fonctionnement de l'équipement en fonction du mode de vie des habitants de la maison. Par exemple, en plus du programme standard de fourniture d'eau chaude, il existe un ensemble de solutions individuelles plus pratiques et même économiques pour les résidents. Pour cette raison, un schéma d'automatisation de la chaufferie peut être développé avec le choix de l'un des modes populaires.
Bon programme de nuit
Il a été prouvé que la température optimale de l'air nocturne dans la pièce doit être inférieure de plusieurs degrés à la température diurne, c'est-à-dire que l'option idéale consiste à abaisser la température dans la chambre d'environ 4 ° C pendant le sommeil. Dans le même temps, une personne ressent une gêne lorsqu'elle se réveille dans une pièce inhabituellement fraîche. Par conséquent, tôt le matin, le régime de température doit être rétabli. Les inconvénients sont facilement résolus en basculant automatiquement le système de chauffage en mode nuit et inversement. Les contrôleurs de nuit sont exploités par DE DIETRICH et BUDERUS.
Système de priorité à l'eau chaude
La régulation automatique des débits d'eau chaude est également l'une des fonctions de l'automatisation générale des équipements. Il est divisé en trois types :
- priorité, dans laquelle pendant l'utilisation de l'eau chaude, le système de chauffage est complètement éteint;
- mixte, lorsque les puissances des chaudières sont délimitées au chauffage sanitaire et au chauffage domestique ;
non prioritaire, dans lequel les deux systèmes agissent ensemble, mais en premier lieu est le chauffage du bâtiment.
Schéma automatisé : 1 - chaudière à eau chaude ; 2 – pompe réseau ; 3 – pompe à eau de source ; 4 - chauffage ; 5 – Bloc HVO ; 6 – pompe d'appoint ; 7 - bloc de désaération ; 8 - refroidisseur; 9 - réchauffeur; 10 - désaérateur; 11 – refroidisseur de condensat ; 12 - pompe de recirculation
Modes de fonctionnement à basse température
Le passage aux programmes basse température devient l'orientation principale des derniers développements des fabricants de chaudières. L'avantage de cette approche est une nuance économique - une réduction de la consommation de carburant. Seule l'automatisation vous permet de régler la température, de choisir le bon mode et ainsi de réduire le niveau de chauffage. Tous les points ci-dessus doivent être pris en compte lors de l'élaboration d'un schéma thermique pour une chaudière à eau chaude.
































