- Comment choisir et où acheter des convertisseurs ?
- Étapes d'installation
- Actualités et informations
- Caractéristiques et types
- Types de photocellules
- Faisabilité économique
- Système de chauffage du collecteur
- Version plate pour le bricolage
- Collecteurs tubulaires - une solution pour les régions du nord
- Connexion des panneaux solaires au réseau
- Actualités et informations
- Comment fonctionne une batterie solaire ?
- Avantages et inconvénients d'un système de chauffage alternatif
- Sélection de l'emplacement
- Comment fonctionne le contrôleur de charge de batterie ?
- Étapes des travaux d'installation
- Des astuces
- Comment ça fonctionne
- Conclusion : vérification de la faisabilité de l'installation de panneaux solaires
Comment choisir et où acheter des convertisseurs ?
Il sera moins cher d'acheter des photocellules sur des sites Internet chinois, même si, bien sûr, des pièces d'usine défectueuses y sont souvent vendues. Ce n'est pas mal pour un début, d'autant plus que leur prix est plus bas. Et après l'expérience dans l'assemblage des batteries, vous pouvez prendre de meilleures pièces de l'usine.
Nous vous suggérons de vous familiariser avec Comment installer un radiateur de chauffage dans un appartement
Certains vendeurs vendent des transducteurs tous scellés en masse dans de la cire afin qu'ils ne soient pas endommagés pendant le transport, car les plaquettes de silicium sont fragiles, comme le cristal. Les nettoyer de la cire est une tâche très chronophage.
Vous devez d'abord les plonger dans de l'eau chaude et une fois la cire fondue, séparez-les très soigneusement.
Vous devez choisir non seulement parmi ces considérations que vous avez aimé ce produit particulier - vous devez absolument faire attention aux critiques et à la note du vendeur. S'il n'y a aucune envie de surpayer le produit deux fois en raison d'une livraison payante, vous devez voir si le produit sélectionné a l'option "livraison gratuite"
Sinon, ce n'est pas une option appropriée, car elle est trop coûteuse.
L'argent pour les marchandises doit être transféré immédiatement. Le vendeur ne les recevra qu'après confirmation de la réception de la marchandise par l'acheteur. Vous pouvez payer directement avec une carte de paiement ou via des services intermédiaires - tout dépend du degré de confiance dans ces ressources de trading en ligne. Vous pouvez également retourner la marchandise, mais il est préférable d'acheter immédiatement auprès d'un vendeur de bonne réputation afin d'éviter tout litige concernant le retour. Le colis peut durer un mois ou un mois et demi - c'est déjà au pouvoir de la poste.
Étapes d'installation
Bien sûr, ce sont des chiffres conditionnels : en réalité, il y a beaucoup de corrections dans les calculs. Bien sûr, la plupart des panneaux solaires sont fabriqués en Chine.
Les batteries amorphes sont encore exotiques en termes de coût. Raccordement des panneaux solaires au réseau Au préalable, des fusibles doivent être installés entre tous les éléments du système.
Vous pouvez corriger la pente des batteries quatre fois : mi-avril, fin août, début août et mars. Les principales exigences lors de l'utilisation du contrôleur sont la puissance des panneaux connectés supérieure à 1 kW et la distance entre les batteries à une distance suffisamment grande.Le problème peut également être résolu en installant des diodes de coupure.
Une batterie est une source de courant chimique qui stocke l'électricité générée. Vous devez d'abord analyser le nombre de kilowatts que vous devez obtenir du système par jour. Outils nécessaires au montage : lime ; scie à métaux avec lame 18; perceuse, forets 5 et 6 mm; clés; Étapes de l'assemblage L'assemblage se compose de plusieurs étapes : Vous devez d'abord déterminer les dimensions du cadre du cadre.
Actualités et informations
Aujourd'hui, l'installation de panneaux solaires à titre individuel est devenue monnaie courante. Si vous prévoyez d'utiliser un panneau solaire, tout est clair. Les appareils électriques en mode hors ligne fonctionnent plus longtemps, plus la capacité de la batterie est grande. La batterie peut être placée sur le toit d'un balcon ou d'une loggia, s'il s'agit du dernier étage d'une maison privée ou si l'appartement est situé au dernier étage.
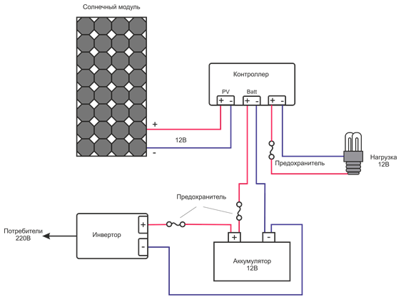
Lorsque vous choisissez cette méthode de production d'énergie dans le réseau, préparez-vous au fait que vous devrez délivrer un permis dans les réseaux électriques locaux. Les panneaux sont connectés à un appareil qui contrôle le niveau d'électricité stockée, appelé contrôleur, connecté à la batterie. Cela peut être considéré comme un préjugé, car la fiabilité des systèmes solaires modernes est assez élevée. Vidéo: Comment connecter l'énergie solaire batterie à batterie L'image ci-dessous montre un ensemble de centrales électriques, composé des dispositifs suivants : Des éléments qui absorbent la lumière naturelle et la convertissent en énergie électrique, c'est-à-dire des panneaux solaires. Schéma de câblage Schéma de câblage pour coentreprise.
Caractéristiques et types
Avant d'installer des panneaux solaires, vous devez calculer la capacité des batteries.Les principales exigences lors de l'utilisation du contrôleur sont la puissance des panneaux connectés supérieure à 1 kW et la distance entre les batteries à une distance suffisamment grande.Le problème peut également être résolu en installant des diodes de coupure. Cela est nécessaire pour simplifier le nettoyage des panneaux des traces de précipitations, qui réduisent considérablement l'efficacité des batteries. Et d'eux - à l'onduleur. Faire une telle connexion est assez simple, mais la sortie sera de 24 V.
Par conséquent, il est préférable d'acheter des photocellules prêtes à l'emploi
Veuillez noter que si vous ne laissez pas d'espace entre le toit et les panneaux pour la circulation de l'air, les modules surchaufferont et s'éteindront. Pour le raccordement, utilisez des fils de section correspondant à la puissance du contrôleur
Lors de la connexion de panneaux solaires au réseau, il est préférable de choisir un schéma mixte, car il est optimal.
Coffret électrique pour panneaux solaires
Types de photocellules
Les panneaux solaires sont constitués de plusieurs panneaux équipés de photocellules, qui sont de différents types et tailles :
Les monocristaux compacts, composés de nombreuses cellules, sont légers, mais par temps nuageux, ils produisent peu d'énergie pour une maison de campagne.

Avec les précédents, les panneaux polycristallins ont une composition similaire, moins dépendante de la direction des rayons du soleil, car les cristaux sont dirigés dans des directions différentes, ce qui permet de capturer davantage de rayons.

Avec les mêmes caractéristiques, le prochain type de panneaux - à couche mince, nécessitera une plus grande surface d'installation dans la maison. Ils ressemblent à un film qui peut être étiré n'importe où, coûtent moins cher, sont moins dépendants de la nébulosité (les pertes ne sont que jusqu'à 20%), mais leur efficacité diminue avec la formation de poussière.

Les panneaux solaires sont également utilisés lorsqu'il n'y a pas de possibilité de se connecter à un réseau conventionnel. Vous pouvez installer des sources pointilleuses sur le balcon, sur le toit ou directement en banlieue.
En d'autres termes, la surface des éléments doit être dirigée vers le sud, de sorte que le nombre maximum de rayons tombe dessus. L'angle d'inclinaison doit être de 90 degrés.
Pour que le système de batterie solaire de la maison fonctionne à la puissance maximale, il est recommandé de changer son emplacement été comme hiver.
Il faut également se rappeler que les photocellules ne doivent pas entrer en contact avec des températures basses. Par conséquent, les structures ne sont pas installées directement sur le sol, mais fixées en quatre points à une hauteur de 50 cm.
Pour éviter tout dommage, il est recommandé de fixer les photocellules sur le côté long, en choisissant individuellement la méthode : boulons (fixés à travers les trous du cadre), colliers, etc.
Vidéo : Comment connecter un panneau solaire à une batterie
L'image ci-dessous montre un ensemble de centrales électriques, composé de tels dispositifs:


- Les éléments qui absorbent la lumière naturelle et la convertissent en énergie électrique, c'est-à-dire panneaux solaires.
- Les panneaux sont connectés à un appareil qui contrôle le niveau d'électricité stockée, appelé contrôleur, connecté à la batterie. Il surveille la tension de la batterie : lorsque la batterie est rechargée le jour (14 volts aux bornes), il coupe automatiquement la charge, et la nuit, en cas de décharge, c'est-à-dire tension extrêmement basse de 11 volts, arrête le fonctionnement de la centrale électrique.
- Le stockage de l'énergie générée est une batterie.
- L'onduleur est conçu pour changer le type de courant de continu à alternatif, ce qui est nécessaire au fonctionnement des équipements électriques d'une maison de campagne, des appareils électroménagers et de l'éclairage.Pour tous les appareils devront allouer de l'espace.
Pour se protéger contre les courts-circuits, il est recommandé d'ajouter des fusibles entre tous les appareils répertoriés dans le schéma de connexion.
Le schéma ressemble à ceci dans le cas le plus simple :

Comme vous pouvez le voir, il n'y a pas de difficultés avec un tel schéma de connexion. L'essentiel est de respecter la polarité et la connexion correcte des fiches (dans le connecteur approprié). S'ils veulent utiliser l'énergie solaire dans une maison de campagne en même temps qu'un réseau fixe, le schéma de connexion sera différent :

La charge réservée dans ce cas est un réfrigérateur, une chaudière ou un éclairage de secours. Non réservé fait référence à la lumière dans la pièce, aux appareils électroménagers, etc. Les appareils électriques en mode hors ligne fonctionnent plus longtemps, plus la capacité de la batterie est grande.
Après avoir compris le fonctionnement du schéma de connexion, vous devez comprendre comment connecter les panneaux les uns aux autres.
Recommandé:
- Batterie solaire bricolage
- Batterie solaire DIY à la maison : mode d'emploi
- Avantages et inconvénients de la fontaine à énergie solaire
Faisabilité économique
En utilisant ce schéma de connexion de panneaux, nous pouvons réguler la tension et le courant à la sortie de plusieurs panneaux du système, ce qui nous permettra de sélectionner le mode de fonctionnement le plus optimal pour l'ensemble de la centrale solaire. Batterie.
Il implique l'utilisation d'un séparateur de charge poreux en fibre de verre. Gants en caoutchouc - pour ne pas salir les cellules solaires, en particulier leur partie avant.
Il doit maintenir la puissance globale du système d'alimentation, assurer la charge de la batterie et répartir correctement le flux d'énergie pendant la consommation et la charge. Il consiste à ajouter de l'oxyde de silicium de grade 4 à l'électrolyte, ce qui contribue à la transition de l'électrolyte vers un état de gel.
Si vous résidez dans la région de Moscou, votre angle d'inclinaison sera de degrés en été et de 60 à 70 degrés en hiver. C'est ce dont nous allons parler dans cet article.
Exister panneaux solaires souples à base de silicium amorphe. Dans certains cas, des consommateurs alimentés en courant continu sont connectés directement aux modules.
Et mono- se distingue par la forme - ce n'est pas carré, mais octogonal, et leur prix est plus élevé.
Tout d'abord, une tension de 12 ou 24 V provenant des batteries est appliquée à la première paire de bornes.
Coffret électrique pour panneaux solaires

Système de chauffage du collecteur
L'efficacité et le rendement les plus élevés peuvent être obtenus en installant des capteurs au lieu de modules solaires - des installations extérieures dans lesquelles l'eau est chauffée sous l'influence du rayonnement solaire. Un tel système est plus logique et naturel, car il ne nécessite pas de chauffage du liquide de refroidissement par d'autres appareils.
Considérez la conception et le principe de fonctionnement des appareils de deux types principaux: plats et tubulaires.
Version plate pour le bricolage
La conception des installations plates est si simple que des artisans expérimentés assemblent de leurs propres mains des analogues artisanaux, achètent certaines des pièces dans un magasin spécialisé et en construisent certaines à partir de matériaux improvisés.
À l'intérieur d'une boîte isotherme en acier ou en aluminium, une plaque est fixée qui absorbe la chaleur solaire. Le plus souvent, il est recouvert d'une couche de chrome noir.D'en haut, le dissipateur thermique est protégé par un couvercle transparent hermétique.
L'eau est chauffée dans des tubes posés dans un serpent et reliés à la plaque. L'eau ou l'antigel pénètre dans la boîte par le tuyau d'entrée, se réchauffe dans les tubes et se déplace vers la sortie - vers le tuyau de sortie.
La transmission lumineuse du couvercle est due à l'utilisation d'un matériau transparent - verre trempé durable ou plastique (par exemple, polycarbonate). Pour éviter que les rayons du soleil ne se reflètent, la surface en verre ou en plastique est mate (+)
Il existe deux types de connexion, monotube et bitube, il n'y a pas de différence fondamentale dans le choix. Mais il y a une grande différence dans la manière dont le liquide de refroidissement sera fourni aux collecteurs - par gravité ou à l'aide d'une pompe. La première option est reconnue comme inefficace en raison de la faible vitesse de déplacement de l'eau; selon le principe du chauffage, elle ressemble à un récipient pour une douche d'été.
Le fonctionnement de la deuxième option est dû au raccordement d'une pompe de circulation, qui fournit le liquide de refroidissement de manière forcée. Le système d'énergie solaire peut devenir une source d'énergie pour le fonctionnement des équipements de pompage.
La température du liquide de refroidissement lorsqu'il est chauffé par un capteur solaire atteint 45-60 ºС, à la sortie l'indicateur maximum est de 35-40 ºС. Pour augmenter l'efficacité du système de chauffage, avec les radiateurs, des «planchers chauds» sont utilisés (+)
Collecteurs tubulaires - une solution pour les régions du nord
Le principe général de fonctionnement ressemble au fonctionnement des homologues plats, mais avec une différence - les tubes d'échange de chaleur avec le liquide de refroidissement se trouvent à l'intérieur des flacons en verre.Les tubes eux-mêmes sont en plume, scellés d'un côté et ressemblant à des plumes en apparence, et coaxiaux (sous vide), insérés l'un dans l'autre et scellés des deux côtés.
Les échangeurs de chaleur sont également différents :
- un système de conversion de l'énergie solaire en énergie thermique Heat-pipe ;
- un tube conventionnel pour déplacer un liquide de refroidissement de type U.
Le deuxième type d'échangeurs de chaleur est reconnu comme plus efficace, mais pas assez populaire en raison du coût des réparations : si un tube tombe en panne, toute la section devra être remplacée.
Le Heat-pipe ne fait pas partie d'un segment entier, il peut donc être changé en 2-3 minutes. Les éléments coaxiaux défectueux sont réparés en retirant simplement la fiche et en remplaçant le canal endommagé.
Un schéma expliquant la nature cyclique du processus de chauffage à l'intérieur des tubes à vide : le liquide froid s'échauffe et s'évapore sous l'influence de la chaleur solaire, laissant la place à la portion suivante du fluide caloporteur froid (+)
Après avoir analysé les caractéristiques techniques des collecteurs de différents types et résumé l'expérience de leur utilisation, nous avons décidé que les collecteurs plats conviennent mieux aux régions du sud et les collecteurs tubulaires aux régions du nord. Particulièrement bien éprouvé dans les conditions de climat sévère d'une installation avec système de caloduc. Ils ont une capacité de chauffage même les jours nuageux et la nuit, "se nourrissant" d'une quantité minimale de lumière solaire.
Un exemple de schéma standard de raccordement des capteurs solaires à l'équipement de la chaudière: une station de pompage assure la circulation de l'eau, un contrôleur régule le processus de chauffage
Connexion des panneaux solaires au réseau
Les fils libres restants sont transmis au contrôleur.
L'installation de sources de chaleur et de lumière solaires sur la loggia ou sur le balcon se déroule selon un schéma similaire. Types de batterie Le type de batterie le plus populaire dans l'industrie solaire est la batterie plomb-acide scellée, qui est produite à l'aide de 2 technologies différentes : Gelled Electrolite.
Avantages Tableau 2. Lors du montage d'une centrale solaire, chaque appareil doit être pris en compte, même si un raccordement spécifique ne le concerne pas.
Marqueur de flux de flux - doit être neutre, sinon les contacts soudés s'oxyderont rapidement. Connexion parallèle-série de panneaux solaires 24V W. La diode permet à l'électricité de contourner le panneau ombragé. Le tableau montre les meilleures recommandations.
La tâche des onduleurs est de convertir la tension continue de la batterie en tension alternative V. Cela implique l'utilisation d'un séparateur de remplissage en fibre de verre poreuse.
Figure 1. Il s'agit d'une journée de fonctionnement d'appareils électriques avec une consommation continue de watts. Tout d'abord, un schéma de connexion de panneaux solaires est développé, ce qui vous permet d'en tirer le maximum d'efficacité. Les principaux paramètres d'un tel bloc sont: capacité de travail, courant de charge, courant de décharge. Donnons un exemple sur deux panneaux solaires d'une puissance de 12V.
Actualités et informations
L'efficacité des centrales solaires aux latitudes moyennes est grande, mais pas suffisante pour fournir entièrement de l'électricité aux grandes maisons. Figure 4. Si les modules solaires sont mal connectés, les appareils électroménagers et les stations de composants peuvent tomber en panne.
Plusieurs suggestions apparaîtront à l'écran.Ainsi, pour connecter des batteries en parallèle, le courant de sortie maximal doit correspondre au courant du contrôleur MPPT et vice versa, pour connecter des modules solaires de puissance différente en série, le contrôleur MPPT doit avoir une tension de fonctionnement supérieure à la somme de la tension en circuit ouvert des deux modules. Si vous devez connecter plusieurs panneaux solaires, vous devez utiliser l'un des schémas suivants pour connecter des panneaux solaires : Parallèle. La soudure des éléments dans le cas de leur connexion en série est réalisée selon le schéma suivant.
Panneaux solaires. Comment faire une centrale solaire bon marché et efficace. Hack de la vie de connexion
Comment fonctionne une batterie solaire ?
L'énergie solaire est convertie dans des cellules photovoltaïques connectées en série. Considérons le principe de fonctionnement d'une batterie solaire au niveau des cellules photovoltaïques. La base de la cellule photoélectrique est un cristal de silicium. Les composés de silicium sont très courants dans la nature. Le plus connu est l'oxyde de silicium ou le sable. Un cristal de silicium peut être simplement appelé un gros grain de sable. Les cristaux sont cultivés artificiellement en laboratoire. Habituellement, ils sont obtenus sous forme cubique, puis sur des plaques. L'épaisseur de ces plaques n'est que de 200 microns. Il est 3 à 4 fois plus épais qu'un cheveu humain.
Le principe de fonctionnement de la photocellule
Sur les tranches de silicium ainsi obtenues, une couche de bore est déposée d'un côté, et de phosphore de l'autre. Il y a un excès d'électrons aux points de contact entre la tranche de silicium et le bore. De l'autre côté, le long de la frontière de la plaquette de silicium avec du phosphore, les électrons manquent. Il y a des "trous" formés, comme on les appelle communément. Un tel amarrage des frontières avec un nombre excessif d'électrons et leur absence s'appelle une jonction p-n.
La puissance d'une seule cellule photovoltaïque est faible et la tension est d'environ 0,5 volt. Par conséquent, ils sont séquentiellement combinés en batteries de 36 pièces pour obtenir 18 volts en sortie. Cela suffit pour charger une batterie de 12 volts. Ici, vous devez également tenir compte du fait que la tension et la puissance déclarées ne le seront que lorsque la batterie fonctionnera à son efficacité maximale, ce qui est rare dans des conditions réelles. La batterie assemblée est placée sur un substrat, recouvert de verre et scellé. Le verre utilisé doit transmettre la lumière ultraviolette, car la batterie solaire convertit également cette partie du spectre. Les batteries assemblées peuvent être combinées les unes avec les autres en séries et en chaînes parallèles. Il s'avère une petite centrale solaire.
Aujourd'hui, des panneaux solaires sont installés dans leurs maisons et chalets pour économiser l'électricité. Ces systèmes solaires miniatures fonctionnent toute l'année. L'essentiel est que la surface des panneaux soit propre et que le soleil brille. Dans certains cas, leur efficacité est plus élevée lors d'une journée ensoleillée et glaciale que lors d'une journée d'été. Cela est dû au fait que le chauffage des modules solaires réduit quelque peu l'efficacité de leur travail.
Système solaire : panneaux solaires et capteurs
Il convient de noter tout de suite qu'il est impossible d'abandonner complètement l'électricité des réseaux centralisés. Mais, en installant un panneau solaire, il sera possible d'économiser considérablement sur les coûts des services publics. L'option, bien sûr, ne convient pas à un appartement. Il est normal de faire fonctionner un tel système uniquement dans une maison de campagne ou dans une maison de campagne, où il y a suffisamment d'espace pour installer des panneaux solaires.
En ce qui concerne l'installation de panneaux solaires, il convient de noter ici les points suivants :
- Les panneaux doivent être installés sur le côté sud du toit, de la façade ou sur le site avec le côté sud ;
- L'angle d'inclinaison correspond à la valeur de la latitude de votre région ;
- Il ne doit pas y avoir d'objets à proximité qui projettent une ombre sur les panneaux solaires ;
- La surface des panneaux doit être régulièrement nettoyée de la saleté et de la poussière;
- Il est souhaitable d'utiliser des systèmes avec suivi de la position du soleil.
Vous comprenez maintenant le principe des panneaux solaires et leurs capacités. Il est clair qu'il ne faut pas abandonner la fourniture centralisée d'électricité. Les systèmes solaires modernes ne sont pas encore capables de fournir entièrement l'énergie à la maison par temps nuageux. Mais dans le cadre d'un système d'alimentation électrique combiné à la maison, ils sont très appropriés.
C'est intéressant : comment fonctionne une lampe CFL et pourquoi est-elle bonne ?
Avantages et inconvénients d'un système de chauffage alternatif
Les avantages d'un système de chauffage solaire ne sont pas si nombreux, mais chacun d'eux est important et peut être une raison pour des expériences privées:
- Avantages environnementaux. Il est sans danger pour les résidents de la maison et l'environnement, une source de chaleur propre qui ne nécessite pas l'utilisation de combustibles traditionnels.
- Autonomie. Les propriétaires des systèmes sont absolument indépendants des prix de l'énergie et de la situation économique du pays.
- Rentabilité. Tout en conservant le système de chauffage traditionnel, il devient possible de réduire le coût de l'approvisionnement en eau chaude.
- Publicité. L'installation de systèmes solaires ne nécessite pas l'autorisation des autorités gouvernementales.
Mais il y a aussi des moments désagréables qui peuvent gâcher l'image globale. Par exemple, pour déterminer l'efficacité du système, une longue période sera nécessaire - au moins 3 ans (à condition qu'il y ait suffisamment d'énergie solaire et qu'elle soit activement utilisée).
Installer uniquement des modules solaires nécessitera de gros investissements: les panneaux de silicium les moins chers coûteront au moins 2200 roubles. par pièce et éléments polycristallins à six diodes de la première catégorie - jusqu'à 17 000 par pièce. Calculer le coût de 30 modules est assez simple (+)
Les utilisateurs notent les inconvénients suivants :
- les prix élevés des équipements nécessaires à la mise en service du système ;
- dépendance directe de la quantité de chaleur produite sur l'emplacement géographique et les conditions météorologiques ;
- disponibilité obligatoire d'une source de secours, par exemple une chaudière à gaz (en pratique, un système solaire s'avère souvent être une source de secours).
Pour obtenir de meilleurs rendements, vous devez surveiller régulièrement la santé des collecteurs, les nettoyer des débris et les protéger de la formation de glace en cas de gel. Si la température descend souvent en dessous de 0ºС, vous devez veiller à une isolation thermique supplémentaire non seulement des éléments du système solaire, mais également de la maison dans son ensemble.
Sélection de l'emplacement

L'écart entre les panneaux et la surface est nécessaire
- géographique;
- privé.
Les panneaux solaires doivent être placés non seulement dans des endroits éclairés, mais également à un angle spécifique. Cela est particulièrement vrai pour les panneaux monocristallins.
Veuillez noter que si vous ne laissez pas d'espace entre le toit et les panneaux pour la circulation de l'air, les modules surchaufferont et s'éteindront.
- pour une latitude jusqu'à 25°, sa valeur doit être multipliée par 0,87 ;
- pour les latitudes entre 25° et 50°, multipliez la valeur par 0,76 et ajoutez 3,1 degrés.

Si ce problème ne peut pas être résolu, il est préférable d'installer les panneaux non pas sur le toit, mais sur des poteaux séparés dans la cour.
Comment fonctionne le contrôleur de charge de batterie ?
En l'absence de lumière solaire sur les photocellules de la structure, celle-ci est en mode veille. Après l'apparition des rayons sur les éléments, le contrôleur est toujours en mode veille. Il ne s'allume que si l'énergie solaire accumulée atteint une tension de 10 V en équivalent électrique.

Dès que la tension atteint cet indicateur, l'appareil s'allume et, à travers la diode Schottky, commence à fournir du courant à la batterie. Le processus de charge de la batterie dans ce mode se poursuivra jusqu'à ce que la tension reçue par le contrôleur atteigne 14 V. Si cela se produit, des changements se produiront dans le circuit du contrôleur pour une batterie solaire de 35 watts ou toute autre. L'amplificateur ouvrira l'accès au transistor MOSFET, et les deux autres, plus faibles, seront fermés.
Ainsi, la batterie cessera de se charger. Dès que la tension chute, le circuit revient à sa position initiale et la charge se poursuit. Le temps imparti pour cette opération au contrôleur est d'environ 3 secondes.
Étapes des travaux d'installation
Ainsi, avant d'installer vous-même des panneaux sur le toit d'un immeuble résidentiel, vous devez vous assurer de ce qui suit :
- Le toit est capable de supporter le poids de la structure du châssis et de la batterie elle-même, que vous allez installer.
- Les objets à proximité ne projetteront pas d'ombre sur la surface des batteries. Premièrement, une quantité insuffisante d'énergie solaire réduira l'efficacité des appareils, et deuxièmement, certains panneaux ne fonctionneront pas du tout si une ombre tombe sur au moins une petite partie de la surface. Et, troisièmement, la batterie solaire peut généralement tomber en panne dans ce cas en raison de ce que l'on appelle les "courants vagabonds".
- Les rafales de vent ne constitueront pas une menace pour le système autonome (la structure installée ne doit pas être un voilier).
-
Vous pouvez facilement prendre soin de la surface des panneaux solaires (les nettoyer de la saleté, nettoyer la neige, etc.).
Sur la base de tous ces points, vous devez d'abord choisir le bon endroit pour vous-même où il est préférable d'installer le système sur le toit de la maison. Il convient de noter immédiatement que le système doit être situé sur le côté sud du bâtiment, car c'est cette zone qui représente la quantité maximale d'énergie solaire par heure de clarté.
Après avoir décidé exactement où les panneaux (ou capteurs) seront placés, vous devez passer à l'assemblage de la structure du cadre et à son installation sur le toit. Assurez-vous de n'utiliser que des coins et des profilés métalliques. Il n'est pas recommandé de faire un cadre à partir d'une barre, car. il perdra ses propriétés de résistance plus rapidement. Il est préférable d'utiliser un profil carré de 25 * 25 mm ou un coin, mais à ce stade, tout est purement individuel - si vous décidez d'installer un panneau solaire de grande surface, la section du profil doit être d'un ordre de grandeur plus grand.
Une attention particulière doit être portée à l'angle d'inclinaison des panneaux par rapport au plan d'horizon, c'est-à-dire à la surface de la terre. Pour chaque région, les conditions sont légèrement différentes, mais généralement au printemps, il est recommandé d'installer des panneaux solaires à un angle de 45 degrés, et plus près de l'automne 70-75
C'est pourquoi vous devez réfléchir à l'avance à la conception du cadre afin de pouvoir choisir manuellement l'angle d'installation du système sous le soleil. Habituellement, le cadre est réalisé sous la forme d'un prisme triangulaire et est fixé au toit avec des boulons.
Nous attirons immédiatement votre attention sur le fait que sur un toit plat ou au sol il n'est pas nécessaire de procéder à une pose horizontale des panneaux. En hiver, vous devrez constamment enlever la neige de la surface, sinon le système ne fonctionnera pas.
Une autre exigence tout aussi importante est qu'il doit y avoir un espace d'air entre le toit et la batterie solaire (pertinent si vous décidez d'installer le panneau sans cadre sur une tuile flexible ou métallique). S'il n'y a pas d'espace d'air, la dissipation de chaleur s'aggravera, ce qui peut endommager davantage le système en peu de temps ! L'exception concerne les toits en ardoise ou en onduline qui, grâce à la structure ondulée du matériau de toiture, assureront indépendamment l'entrée d'air
Eh bien, le dernier point important de l'installation - les panneaux solaires doivent être montés en position horizontale (côté long le long de la maison). Si cette règle est négligée, un chauffage inégal des zones supérieure et inférieure du panneau peut se produire, ce qui réduira considérablement l'efficacité de l'utilisation d'un système d'alimentation électrique autonome ou du chauffage d'une maison privée.
Vous pouvez installer le système d'alimentation électrique du site sur les mâts et le mur dans cette vidéo :
C'est tout ce que je voulais vous dire sur la façon d'installer des panneaux solaires pour votre maison de vos propres mains ! Nous espérons que les instructions fournies avec des reportages photo et des didacticiels vidéo vous ont été intéressantes et utiles !
A lire aussi :
- Comment payer moins cher l'électricité légalement
- Comment choisir des panneaux solaires pour votre maison
- Comment faire un projecteur LED de vos propres mains
- Schémas de connexion des panneaux solaires
Des astuces
Les experts donnent plusieurs recommandations sur la manière de poser et de connecter correctement les panneaux solaires.
Le plus souvent, les produits utilisant des sources d'énergie alternatives sont montés sur le toit ou sur les murs de la construction de logements, moins souvent ils utilisent des supports spéciaux fiables.
Dans tous les cas, toute panne de courant doit être complètement exclue, c'est-à-dire que les batteries doivent être orientées de manière à ne pas tomber à l'ombre des grands arbres et des bâtiments voisins.
L'installation d'un ensemble de plaques s'effectue en rangées, leur disposition est parallèle, à cet égard, il est extrêmement important de s'assurer que les rangées supérieures ne jettent pas d'ombre sur celles du dessous. Cette exigence est très importante, car un ombrage complet ou partiel provoque une réduction et même un arrêt complet de toute production d'énergie, de plus, l'effet de la formation de "courants inverses" peut se produire, ce qui provoque souvent des pannes d'équipement.
Une bonne orientation vers la lumière du soleil est essentielle à l'efficacité et à l'efficacité des panneaux.
Il est très important que la surface reçoive tous les rayons UV possibles. L'orientation correcte est calculée sur la base de données sur l'emplacement géographique du bâtiment
Par exemple, si les panneaux sont montés sur le côté nord du bâtiment, alors les panneaux doivent être orientés vers le sud.
L'angle d'inclinaison global de la structure est tout aussi important, il est également déterminé par l'orientation géographique de la structure. Les experts ont calculé que cet indicateur devrait correspondre à la latitude de l'emplacement de la maison, et puisque le soleil, selon la période de l'année, change plusieurs fois de position au-dessus de l'horizon, il est logique d'envisager d'ajuster l'angle d'installation final du piles. Habituellement, la correction ne dépasse pas 12 degrés.
- Les batteries doivent être posées de manière à leur permettre un accès libre, car pendant l'hiver froid, il sera nécessaire de les nettoyer périodiquement de la neige attaquante et pendant la saison chaude - des taches de pluie, qui réduisent considérablement l'efficacité d'utiliser des piles.
- À ce jour, il existe de nombreux modèles chinois et européens de panneaux solaires en vente, qui diffèrent par leur coût, afin que chacun puisse installer le modèle optimal pour son budget.
En conclusion, il convient de noter que notre planète bénéficiera le plus de l'utilisation de panneaux solaires, car cette source d'énergie ne cause absolument aucun dommage à l'environnement. Si vous, en tant que consommateur, vous souciez de l'avenir de notre Terre, du potentiel de ses ressources terrestres et de la conservation des ressources naturelles, alors les panneaux solaires sont le meilleur choix.
Comment installer une batterie solaire sur le toit de la maison, voir la vidéo suivante.
Comment ça fonctionne

Le système SBItak, une batterie solaire, est un système d'éléments interconnectés dont la structure permet, en utilisant le principe de l'effet photoélectrique, de convertir la lumière du soleil tombant sur eux sous un certain angle en courant électrique.
Un système qui convertit la lumière du soleil en énergie électrique comprend les composants suivants :
- Matériau semi-conducteur (étroitement combiné deux couches de matériaux avec une conductivité différente). Il peut s'agir par exemple de silicium monocristallin ou polycristallin additionné d'autres composés chimiques permettant d'obtenir les propriétés nécessaires à l'apparition de l'effet photoélectrique.
Pour la transition des électrons d'un matériau à un autre, il est nécessaire que l'une des couches ait un excès d'électrons et que l'autre en ait un manque. La transition des électrons vers une région avec leur déficience s'appelle une transition p-n.
- La couche la plus fine d'un élément qui résiste à la transition des électrons (placée entre ces couches).
- Alimentation électrique (si elle est connectée à la couche opposée, les électrons peuvent facilement franchir cette zone barrière). Il y aura donc un mouvement ordonné de particules infectées, appelé courant électrique.
- Accumulateur (accumule et stocke l'énergie).
- contrôleur de charge.
- Onduleur-convertisseur (convertissant le courant continu reçu de la batterie solaire en courant alternatif).
- Stabilisateur de tension (conçu pour créer une tension de la plage souhaitée dans le système de batterie solaire).
Schéma de fonctionnement d'un panneau solaire Les photons de lumière (lumière du soleil) tombant sur la surface d'un semi-conducteur lorsqu'ils entrent en collision avec sa surface transfèrent leur énergie aux électrons du semi-conducteur. Les électrons assommés par l'impact du semi-conducteur surmontent la couche protectrice, ayant une énergie supplémentaire.
Ainsi, les électrons négatifs quittent le conducteur p, passant dans le conducteur n, positif - vice versa. Une telle transition est facilitée par les champs électriques existant dans les conducteurs à ce moment-là, qui augmentent ensuite l'intensité et la différence des charges (jusqu'à 0,5 V dans un petit conducteur).
Si vous avez l'intention d'acheter ou de fabriquer un panneau solaire, calculez soigneusement :
- le coût d'une telle batterie et du matériel nécessaire ;
- la quantité d'énergie électrique dont vous avez besoin;
- le nombre de piles dont vous avez besoin ;
- nombre de jours ensoleillés par an dans votre région ;
- la zone où vous devez installer des panneaux solaires.
Conclusion : vérification de la faisabilité de l'installation de panneaux solaires
Avant de commencer à connecter une batterie solaire pour votre maison, vous devez vous demander si cela sera bénéfique :
- vous devez d'abord savoir combien de panneaux vous devez acheter pour obtenir 1 kW d'énergie. Ensuite, calculez la surface du "champ" en tenant compte de votre consommation d'énergie. Vous devrez d'abord calculer combien de kilowatts sont dépensés quotidiennement. Un panneau standard produit environ 0,12 kW par heure de clarté. De cette façon, vous pouvez voir combien de panneaux sont nécessaires pour fournir la bonne quantité d'énergie. Par la taille des panneaux, vous pouvez calculer la surface qu'ils occuperont. Il convient de garder à l'esprit que pour un calcul plus précis, il est préférable de contacter des professionnels. Ils feront tous les calculs en tenant compte du niveau d'insolation dans la zone de résidence. De plus, des experts donneront des recommandations sur l'acquisition des unités les plus appropriées. Lire : Critères de calcul d'une installation solaire pour une habitation.
- Calculez le nombre moyen de jours ensoleillés par an. Ensuite, divisez le coût d'une telle source d'énergie par 25 ans. Sachant combien d'énergie peut être obtenue environ par an, il est possible de calculer si l'argent dépensé sera rentable. Il faut se rappeler que le soleil est le plus actif en été.
- Même l'installation d'un petit nombre de panneaux peut réduire les coûts énergétiques. Par conséquent, toutes les options possibles doivent être envisagées.



































