- Avantages et inconvénients du matériau
- Avantages de l'utilisation du polypropylène dans les systèmes de chauffage
- Installation de tuyaux en polypropylène
- Fixation de tuyau
- Cours vidéo sur les tubes à souder
- Temps de chauffage de la soudure
- Possibilités de montage
- Systèmes de circulation naturelle
- Systèmes à circulation forcée
- Régimes d'urgence
- Possibilité de travailler avec une chaudière murale
- Versions
- vertical
- Horizontal
- Liaison avec des tuyaux en polypropylène
- Caractéristiques des radiateurs de connexion
- 2 Choisir le type de tuyaux à base de polypropylène pour une maison privée
- Comment installer
- montage mural
- Fixation au sol
- Conclusions et vidéo utile sur le sujet
Avantages et inconvénients du matériau
Afin de ne pas se tromper de choix, il est nécessaire d'étudier attentivement toutes les caractéristiques et caractéristiques d'un matériau particulier. Les tuyaux en polypropylène ne font pas exception. Ils ont un certain nombre d'avantages.
- Poids léger - cette qualité facilite grandement les travaux d'installation. De plus, l'utilisation de tuyaux en polypropylène pour le chauffage peut réduire considérablement la charge sur les structures de support de la maison.
- Durabilité - dans les systèmes d'eau froide, ce matériau peut durer jusqu'à 50 ans. Le transport de liquides chauds à travers de tels tuyaux réduit ce chiffre à 25-30 ans.
- Résistance à la "prolifération" - le diamètre des tuyaux en polypropylène pour le chauffage reste toujours le même. La surface intérieure lisse ne permet pas aux sels de se déposer sur les parois du pipeline, ce qui signifie que le jeu ne diminue pas pendant toute la période de fonctionnement.
- Prix abordable - ce matériau se situe dans le segment de prix moyen, il est assez abordable pour la plupart des consommateurs, mais il ne peut pas être qualifié de moins cher.
- Résistance aux basses températures - cette qualité vous permet d'utiliser avec succès des tuyaux en propylène pour chauffer des maisons de campagne, où les propriétaires ne sont pas dans l'estomac toute l'année, et en hiver, je ne visite que périodiquement. Le fait est qu'ayant une élasticité suffisante, un tel tuyau n'éclatera pas si le liquide à l'intérieur gèle.
- La faible conductivité thermique élimine le besoin d'isoler les tuyaux traversant des pièces non chauffées ou le long de la rue. L'absence d'isolation, à son tour, empêche la formation de condensat sur la surface extérieure du tuyau.
- Résistance aux hautes températures du liquide transporté. Cela vous permet d'utiliser des tuyaux en polypropylène pour le chauffage - les caractéristiques de température du liquide de refroidissement vont de 90 à 100 degrés. Et certains fabricants affirment que leurs tuyaux peuvent résister à une augmentation de température à court terme jusqu'à 110 degrés.
- Pas de conductivité électrique.
- Facilité d'installation - un système de chauffage en polypropylène peut être installé 2 à 3 fois plus rapidement qu'un système en métal.
- Insonorisation - cette qualité permet au système de chauffage de fonctionner de manière absolument silencieuse. Vous n'entendrez pas les bruits de l'eau qui coule et le bruit des coups de bélier.
- Esthétique - même si vous décidez de monter le pipeline de manière classique - le long des murs, les tuyaux en polypropylène ne gâcheront pas l'intérieur.De plus, ils ne nécessitent pas d'entretien régulier (peinture). Le polypropylène de haute qualité ne jaunit pas sous l'influence de la température et a un aspect attrayant pendant toute la durée de vie.
Comme vous le savez, "il n'y a pas de perfection dans le monde". Le polypropylène n'a pas fait exception. tuyaux de chauffage, ce matériau présente des inconvénients et ils sont les suivants :
Élasticité - le polypropylène ne peut pas être plié. Cela signifie que de nombreux raccords devront être utilisés pour monter un système de forme complexe. Et cela affectera non seulement la vitesse de travail, mais entraînera également une augmentation significative des coûts.

Appareils de soudage par diffusion - Une machine à souder est un must absolu, elle vous permet d'établir une connexion très solide.
- Le besoin de soudure - le tuyau et le raccord sont connectés à l'aide d'un fer à souder spécial. Ce processus ne peut pas être qualifié de compliqué, mais l'outil lui-même n'est pas bon marché. Il faut dire que dans de nombreuses villes, un fer à souder pour tuyaux en polypropylène peut être loué pour un prix très raisonnable.
- Grande expansion linéaire - à des températures élevées, le matériau a tendance à se dilater, ce qui entraîne un allongement important du tuyau. Cela rend difficile l'installation de chauffage à partir de tuyaux en polypropylène à l'intérieur du mur.
Avantages de l'utilisation du polypropylène dans les systèmes de chauffage
Il existe de nombreux avantages de ce type:
- Installation facile. Comme déjà mentionné, même une personne avec un fer à souder peut le manipuler, tandis qu'un soudeur est nécessaire pour installer des tuyaux en acier.
- Le chauffage avec des tuyaux en plastique vous coûtera beaucoup moins cher.
- Ce matériau n'est pas sujet à la corrosion, il peut donc durer jusqu'à cinquante ans.
- Son utilisation a un effet positif sur le transfert de chaleur du système.
- De tels tuyaux ne "prolifèrent pas", c'est-à-dire que les sels ne se déposent pas sur leur surface interne.
- Enfin, le polypropylène, bien que souple, est également très résistant, il peut donc être utilisé à des pressions ou températures élevées.
Vidéo de sélection de tuyaux
Tout cela contribue au fait que les systèmes de chauffage utilisant des tuyaux en polypropylène sont de plus en plus courants aujourd'hui.
Quels tuyaux doivent être utilisés pour les systèmes de chauffage?
Lors du choix de tuyaux en polypropylène, il est nécessaire de comparer les caractéristiques de votre futur chauffage avec les conditions dans lesquelles tel ou tel matériau peut être utilisé. Pour les systèmes de chauffage, il est souhaitable d'utiliser les marques de tuyaux suivantes:
- PN25.
- PN20.
Le fait est qu'ils tolèrent parfaitement la température du liquide de refroidissement de quatre-vingt-dix degrés et résistent pendant un certain temps (bien que limité) à un saut inattendu à cent degrés. Ces tuyaux doivent être utilisés dans des conditions où la pression ne dépassera pas 25 et 20 atmosphères, respectivement. Mais si vous choisissez entre ces options, alors, bien sûr, pour les systèmes de chauffage, il est préférable de choisir un tuyau renforcé PN25.
Lisez aussi comment connecter un thermostat à un système de chauffage
Pourquoi donc? Le fait est que sa conception a une feuille qui augmente considérablement la résistance du produit. Ainsi, il sera moins déformé en raison de la dilatation thermique.
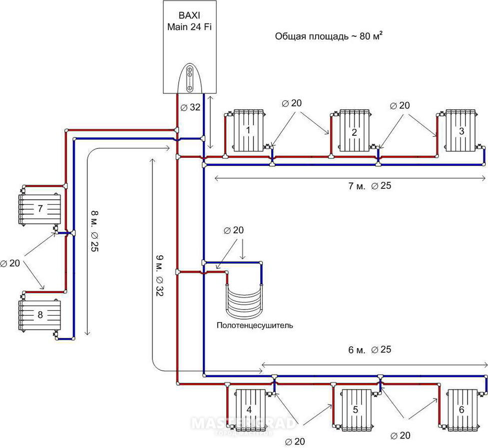
L'essentiel est un projet compétent
Si vos plans incluent l'installation de chauffage à partir de tuyaux en polypropylène par vous-même, la première chose à faire est d'élaborer le bon projet. Il est extrêmement difficile de le faire sans l'éducation appropriée, alors laissez les experts le faire.
Tout s'explique par le fait qu'il existe de nombreux facteurs affectant le fonctionnement du chauffage, et une personne ignorante peut difficilement tous les prendre en compte. Les voici:. Choix correct du diamètre
Choix correct du diamètre
Il convient de rappeler qu'il existe des tuyaux de différents diamètres dans le système, ce qui permet d'obtenir la circulation la plus efficace du caloporteur.
Le nombre d'appareils de chauffage, ainsi que leur emplacement, joueront un rôle important dans la température.
Les angles d'inclinaison des tuyaux en plastique doivent être normalisés, ce qui est particulièrement important dans les systèmes à circulation naturelle. Bien que, si vous regardez, et dans le cas d'une circulation forcée, cela est également important.
La température et la pression du liquide de refroidissement dépendent également en grande partie du marquage des tuyaux. La meilleure option est les tuyaux renforcés en polypropylène.
La meilleure option est les tuyaux renforcés en polypropylène.
Important! Avant d'élaborer un projet, il est nécessaire de prendre en compte toutes les caractéristiques de la pièce, pour savoir s'il est possible d'y installer l'un ou l'autre système de chauffage. Sur cette base, vous devez élaborer un projet. Ce projet devrait inclure les éléments suivants :
Ce projet devrait inclure les éléments suivants :
- Dessin de la tuyauterie de la chaudière.
- Tous les diamètres de tuyaux utilisés.
- Nuances de fixation et d'installation de tous les appareils de chauffage.
- Informations sur les angles d'inclinaison des tuyaux.
Si vous envisagez d'installer un système de chauffage dans une serre, consultez les instructions ici
C'est pour ce projet que d'autres installations de chauffage à partir de tuyaux en polypropylène devraient être réalisées. Cela ressemblera à quelque chose comme ça.
De plus, il convient d'ajouter qu'il existe deux types de schémas d'installation de tuyaux en plastique:
- Avec déversement inférieur. Il y a une pompe spéciale qui distille l'eau. L'avantage d'un tel système est qu'il peut être utilisé même dans des maisons à deux étages ou plus. De plus, le diamètre des tuyaux ici peut être plus petit et le schéma de câblage ne joue aucun rôle.
- Avec un déversement par le haut, dans lequel le liquide de refroidissement se déplace de lui-même, entraîné par la différence de température. Ce système est très répandu dans les secteurs privés. Il se caractérise par sa simplicité et sa commodité, il n'a pas besoin de pompes ou d'autres équipements supplémentaires, il n'y aura donc pas de coûts spéciaux.
Installation de tuyaux en polypropylène
Important! Étant donné que la résistance des tuyaux en polypropylène n'est pas aussi élevée que, par exemple, les tuyaux en acier, les fixations lors de l'installation doivent être installées plus souvent, quelque part tous les cinquante centimètres. Alors, regardons les principaux composants d'un tel système de chauffage.
Alors, regardons les principaux composants d'un tel système de chauffage.
- Fixations nécessaires pour s'assurer que toute la structure reste immobile.
- AGV, ou peut-être toute autre chaudière de chauffage.
- Vase d'expansion, nécessaire pour que l'eau, qui se dilate à des températures élevées, ne puisse pas endommager l'ensemble du système.
- Radiateurs, autres éléments dégageant de la chaleur.
- Et, en fait, une canalisation qui permet au liquide de refroidissement de circuler entre les radiateurs et le dispositif de chauffage.
Fixation de tuyau
Pour une telle soudure, des fers à souder spéciaux sont utilisés. Ils chauffent le matériau à deux cent soixante degrés, après quoi il devient un composé monolithique homogène.Cela s'explique par le fait que les atomes qu'il contient, pour ainsi dire, pénètrent d'un morceau de tuyau à l'autre. De plus, une telle connexion se caractérise par sa résistance et son étanchéité.
Cours vidéo sur les tubes à souder
La soudure se compose de plusieurs étapes, considérez-les:
- Le fer à souder s'allume. Nous attendons que l'indicateur de signal dessus s'éteigne une deuxième fois.
-
Nous coupons un morceau de tuyau selon les dimensions dont nous avons besoin, pour cela nous utilisons des ciseaux spécialisés, qui sont vendus avec un fer à souder.
- Nous nettoyons les extrémités coupées des tuyaux de tout ce qui est superflu, en particulier de la feuille. Pour ce faire, vous pouvez utiliser un couteau ordinaire ou utiliser un canal.
- Le tuyau est inséré dans le raccord et y est maintenu pendant un certain temps.
Important! Le temps que le tuyau doit passer dans le raccord dépend entièrement de son diamètre, un tableau spécial doit être inclus avec le fer à souder, qui indique toutes ces valeurs. Les pièces sont soigneusement jointes, il ne devrait pas y avoir de distorsions.
On les tient comme ça pendant un certain temps, il est interdit de tourner le canal.
Les pièces sont soigneusement jointes, il ne devrait pas y avoir de distorsions. On les tient comme ça pendant un certain temps, il est interdit de tourner le canal.
Une attention particulière doit être portée aux raccords tournants, en particulier pour les tuyaux en polypropylène. Assurez-vous de vérifier s'ils sont correctement réglés, car si le virage est dirigé dans le mauvais sens, tout l'assemblage devra être entièrement refait et la pièce attachée deviendra complètement inutilisable.
Les tuyaux sont interconnectés au moyen de "femmes américaines" - des dispositifs spéciaux qui sont rapidement mis et enlevés. Ils sont fixés aux extrémités des tuyaux.Pour que pendant la dilatation thermique, la déformation ne se produise pas (après tout, le renforcement des tuyaux n'en sauve pas complètement, il ne fait que le réduire), tous les tuyaux doivent être solidement fixés à la surface des murs et du plafond, tandis que la marche, comme déjà mentionné , ne doit pas dépasser cinquante centimètres.
Pour la fixation des radiateurs, des dispositifs spéciaux sont également utilisés, ils doivent être présents dans le kit. Il n'est pas conseillé d'utiliser des appareils fabriqués à la main pour les radiateurs. Le fait est que les fixations d'usine ont été spécialement calculées pour le poids des radiateurs complètement remplis de liquide de refroidissement, de sorte que les fixations faites maison peuvent tout simplement ne pas y résister.
Temps de chauffage de la soudure
Pour que le soudage des tuyaux soit aussi efficace que possible, il est fortement recommandé de respecter le temps de préchauffage spécifié. Vous pouvez le découvrir à partir du tableau ci-dessous.
| Diamètre cm | 11 | 9 | 7.5 | 6.3 | 5 | 4 | 3.2 | 2.5 | 2 |
| Temps de préchauffage, sec | 50 | 40 | 30 | 24 | 18 | 12 | 8 | 7 | 7 |
| Temps de connexion, sec | 12 | 11 | 10 | 8 | 6 | 6 | 6 | 4 | 4 |
| Refroidissement, min | 8 | 8 | 8 | 6 | 5 | 4 | 4 | 3 | 2 |
| Quelle devrait être la couture, cm | 4.2 | 3.8 | 3.2 | 2.9 | 2.6 | 2.2 | 2 | 1.8 | 1.6 |
Il est important de savoir que si la pièce est chauffée à une température supérieure à celle requise par la technologie de soudage, elle se déformera simplement. Et si le chauffage est insuffisant, la fusion complète du matériau ne se produira pas, ce qui à l'avenir provoquera des fuites
Nous avons parlé de la fixation aux murs, la marche y est de 50 centimètres. Dans le cas d'un montage au plafond, cette distance doit être la même, mais pas supérieure.
Il est souhaitable d'utiliser des pinces mobiles et aucun dispositif de compensation suspendu n'est nécessaire. Il doit également être fixé fermement et de manière fiable, car la dilatation thermique du tuyau peut le déformer.
En général, nous avons compris comment réaliser une installation de chauffage à partir de tuyaux en polypropylène. Nous espérons que l'article vous sera utile.
Possibilités de montage
Classiquement, toutes les options de tuyauterie sont divisées en 2 types, selon le principe du passage du liquide de refroidissement le long du circuit - avec circulation naturelle ou forcée.
Systèmes de circulation naturelle

Les systèmes de circulation naturelle n'ont pas de pompe et la gravité remplit sa fonction
Ce sont des circuits simples et bon marché qui sont faciles à installer en raison de l'absence de pompe. Sa fonction est assurée par la gravité, qui met en mouvement le liquide de refroidissement des petits systèmes de chauffage dans les chalets ou les maisons de campagne. Il est plus facile de lier une chaudière au sol avec du polypropylène de cette manière, car dans ce cas, le système sera composé d'une chaudière, d'un vase d'expansion et de radiateurs, et présentera en même temps un certain nombre d'avantages:
- Facilité d'installation;
- Autonomie de travail due à l'absence de liaison au carburant ou à l'électricité ;
- Pas besoin d'entretien spécial;
- Compacité ;
- Fiabilité due à l'absence d'appareils supplémentaires qui échouent périodiquement ;
- Disponibilité.
En raison de l'impossibilité de réglage, il est modernisé - une pompe de circulation y est intégrée, ce qui vous permet d'effectuer les manipulations nécessaires.
Systèmes à circulation forcée

Dans les systèmes à circulation forcée, des dispositifs spéciaux sont installés pour assurer le mouvement du liquide de refroidissement
Ce sont des circuits dans lesquels le liquide de refroidissement se déplace grâce à des dispositifs spéciaux. Ils sont pratiques, car ils vous permettent de définir le mode de chauffage optimal pour chaque pièce, qui sera maintenu automatiquement. Ils fonctionnent à l'électricité, et ce n'est pas leur seul inconvénient.
- Ils sont difficiles à installer, car ils permettent le raccordement de plusieurs appareils - pour mesurer la pression et le débit, et pour distribuer l'énergie lors de la tuyauterie d'une chaudière murale à double circuit.
- Ils nécessitent un équilibrage des appareils.
- Leur bon fonctionnement doit être vérifié régulièrement.
- Les éléments pour de tels systèmes ne sont pas bon marché.
Dans les maisons avec des chaudières d'une puissance supérieure à 50 kW et un système de "planchers chauds", lors de l'installation du cerclage, des flèches hydrauliques sont utilisées, grâce auxquelles tous les appareils sont alimentés en chaleur dans la bonne quantité. De plus, la pression à différents endroits du système est compensée. Vous pouvez remplacer les flèches hydrauliques par des collecteurs en peigne.
Régimes d'urgence

Lier deux chaudières vous permet de maintenir le système en marche même si l'une d'entre elles tombe en panne
Il est conseillé de les utiliser lors du raccordement de chaudières à double circuit, car elles sont responsables du fonctionnement ininterrompu du chauffage en cas de manque d'électricité ou d'autres situations de force majeure.
Il existe plusieurs options efficaces pour de tels régimes:
- Installation d'une alimentation sans interruption pour entraîner la pompe de circulation. Mais elle a ses défauts. Un tel appareil peut ne pas fonctionner au bon moment. De plus, il nécessite un entretien régulier - charge de la batterie.
- Installation d'un circuit gravitationnel, nécessaire à l'évacuation de la chaleur excédentaire. Il s'allume après l'arrêt de la pompe, mais assure un chauffage partiel du bâtiment.
- Installation d'un circuit de secours. En tant qu'élément du système de chauffage, il est responsable du bon fonctionnement des circuits gravitaires et forcés, mais uniquement lorsque la pompe est en marche.
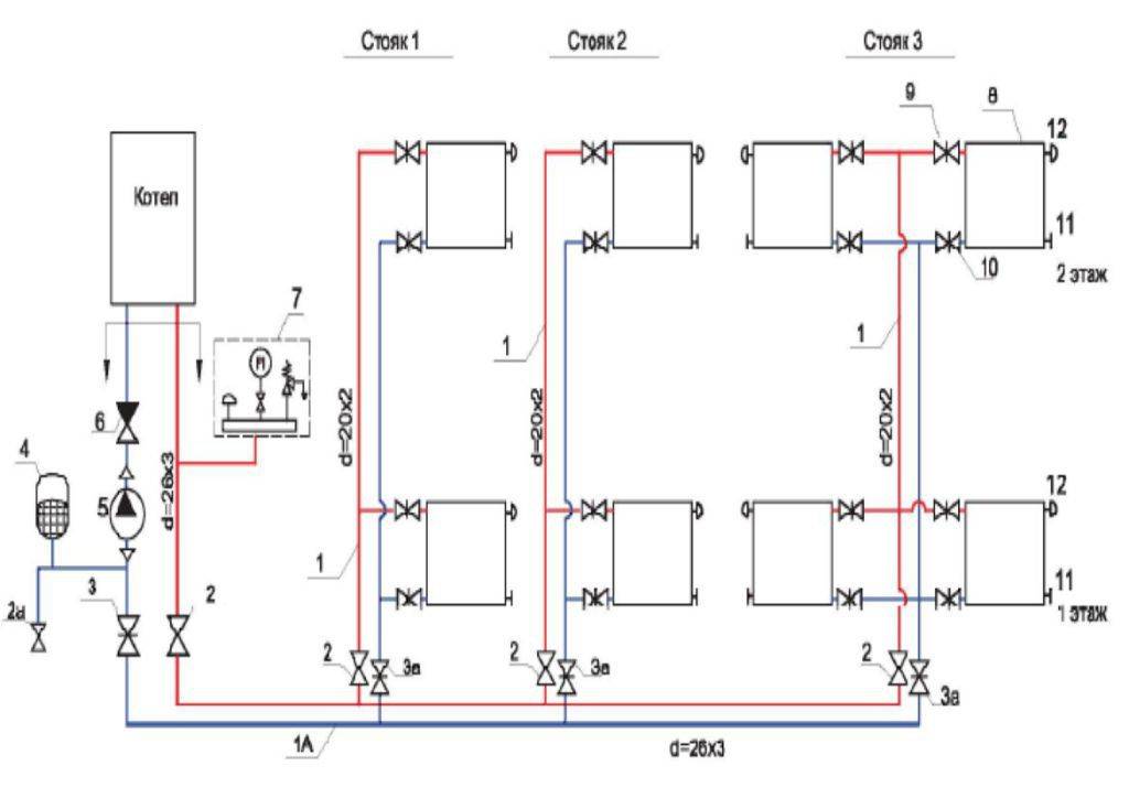
Possibilité de travailler avec une chaudière murale

Lier une chaudière murale a ses avantages - vous pouvez y connecter une chaudière et des «planchers chauds»
Son avantage est que vous pouvez y connecter des "planchers chauds" et une chaudière et l'exécuter pour une chaudière à circuit unique ou à double circuit. Dans ce dernier cas, le système peut être monté en circuit mélangeur, lorsque le réglage est effectué par un brûleur et un mélangeur asservi, ou en ligne droite, lorsque seul le brûleur est activé.
L'accumulateur de chaleur est monté selon le type de flèche hydraulique - entre l'alimentation directe et le flux de retour.
Versions
Selon l'orientation de l'autoroute Leningradka, il se passe:
- vertical;
- horizontal.
vertical
Utilisé pour les bâtiments à plusieurs étages. Chaque circuit substitue une colonne montante verticale, passant du grenier au sous-sol à tous les étages. Les radiateurs sont connectés latéralement parallèlement à la ligne principale et en série à chaque étage.
La hauteur effective du type vertical "Leningradka" peut atteindre 30 mètres. Si ce seuil est dépassé, la distribution du liquide de refroidissement est perturbée. Il n'est pas conseillé d'utiliser une telle connexion pour une maison privée.
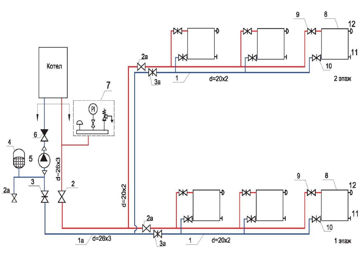
Horizontal
La meilleure option pour un système de chauffage autonome d'une maison privée à un ou deux étages. L'autoroute contourne le bâtiment le long du contour et se referme sur la chaudière. Les radiateurs sont installés avec une connexion inférieure ou diagonale, avec le point supérieur orienté vers l'extrémité chaude de la ligne et le point inférieur vers l'extrémité froide. Les radiateurs sont fournis avec une grue Mayevsky pour le dégagement d'air.
La circulation du liquide de refroidissement peut être :
- Naturel;
- forcé.
Dans le premier cas, les tuyaux sont répartis le long du contour avec une pente obligatoire de 1 à 2 degrés.La sortie chaude de la chaudière est située en haut du système, la sortie froide est en bas. Pour augmenter la circulation, la section de la ligne allant de la chaudière au premier radiateur ou au point d'inclusion d'un vase d'expansion ouvert est posée avec une pente vers le haut, puis uniformément vers le bas, fermant le circuit.
- chaudière (sortie chaude);
- vase d'expansion de type ouvert (point supérieur de l'installation) ;
- circuit de chauffage ;
- tuyau de branchement avec un robinet à tournant sphérique pour vidanger et remplir le système (le point le plus bas du système);
- robinet à tournant sphérique ;
- chaudière (entrée de froid).
1 - chaudière de chauffage; 2 - vase d'expansion de type ouvert; 3 - radiateurs avec connexion inférieure; 4 - grue Mayevsky; 5 - circuit de chauffage ; 6 - vanne de vidange et de remplissage du système ; 7 - vanne à bille
Il n'est pas nécessaire qu'une maison à un étage fasse le câblage supérieur et inférieur du principal, un câblage inférieur avec une pente suffit. Le liquide de refroidissement circule principalement le long du contour du tuyau commun et de la chaudière. Le liquide de refroidissement chaud pénètre dans les radiateurs en raison de la chute de pression causée par la chute de température de l'eau.
Le vase d'expansion fournit la pression de liquide de refroidissement requise dans le système. Un réservoir de type ouvert est installé sous le plafond ou dans le grenier. Un réservoir à membrane pour un système de chauffage fermé est installé sur le retour après avoir connecté des circuits parallèles, mais avant la chaudière et la pompe.
La circulation forcée est préférable. Il n'est pas nécessaire d'observer la pente, vous pouvez effectuer une installation cachée du tuyau principal. Le vase d'expansion de type membrane vous permet de régler avec précision la pression dans le système.
- chaudière (sortie chaude);
- raccord à cinq broches pour connecter un manomètre, un évent et une soupape d'explosion ;
- circuit de chauffage ;
- tuyau de branchement avec un robinet à tournant sphérique pour vidanger et remplir le système (le point le plus bas du système);
- vase d'expansion;
- pompe;
- robinet à tournant sphérique ;
- chaudière (entrée de froid).
1 - chaudière de chauffage; 2 - groupe de sécurité ; 3 - radiateurs à connexion diagonale; 4 - grue Mayevsky; 5 - vase d'expansion de type membrane; 6 - vanne de vidange et de remplissage du système ; 7 - pompe
Liaison avec des tuyaux en polypropylène
La tuyauterie des radiateurs peut être réalisée à l'aide d'une variété de tuyaux, mais les experts recommandent d'utiliser du polypropylène. Les vannes à bille pour le cerclage sont également achetées en polypropylène, elles peuvent être droites et coudées, cette option est la plus simple et la moins chère. Les raccords en laiton sont plus chers et l'installation est plus difficile.
Le cerclage en polypropylène est réalisé comme suit :
- le raccord avec l'écrou-raccord est inséré dans le multiflex, qui se connecte facilement à n'importe quelle prise ;
- les tuyaux eux-mêmes sont fixés aux murs à une hauteur convenable, ils ne doivent pas être bien ajustés contre la surface, il est préférable de laisser un espace de 2-3 cm.Les tuyaux sont fixés avec des supports spéciaux, qui sont fixés au mur avec clous ou vis autotaraudeuses.
Le cerclage en polypropylène des radiateurs peut également être réalisé lors de la pose des tuyaux dans le mur, auquel cas ils ne remontent à la surface qu'aux points de raccordement.

La tuyauterie des radiateurs peut être réalisée à l'aide d'une variété de tuyaux, mais les experts recommandent d'utiliser du polypropylène.
Les attaches pour batteries peuvent être très différentes, le plus souvent il s'agit d'une connexion à broches qui est fixée sur la surface du mur. Des supports d'angle peuvent également être utilisés, ce qui permet également de suspendre les radiateurs à la hauteur requise.Pour les batteries de panneau, les fixations sont fournies dans le kit, pour les batteries sectionnelles, vous devez acheter séparément. Habituellement, deux supports ou broches suffisent pour une section.
La connexion des grues s'effectue de cette manière:
- la grue est démontée, un raccord et un écrou-raccord sont vissés dans le radiateur;
- l'écrou est bien serré avec une clé spéciale.
Comme vous pouvez le voir, ce processus est extrêmement simple. Pour effectuer un tel travail, il vous suffit d'acheter une clé de plomberie spéciale pour les femmes américaines, sans laquelle il est peu probable que vous puissiez simplement installer un robinet.
Les matériaux et outils suivants sont nécessaires pour l'installation et la tuyauterie de la batterie :
- un jeu de clés spéciales;
- joints pour raccords filetés;
- remorquage et pâte à fil;
- fil à sculpter.
Caractéristiques des radiateurs de connexion
L'installation du chauffage diffère par certaines caractéristiques:
- Il est nécessaire de respecter la distance entre le radiateur et le rebord de la fenêtre de 100 mm. Si l'écart entre les batteries et le bas du rebord de la fenêtre est différent, le flux de chaleur est perturbé, l'effet du système de chauffage sera faible.
- De la surface du sol à la batterie, la distance doit être de 120 à 150 mm, sinon une forte chute de température se produit.
- Pour que le transfert de chaleur de l'équipement soit correct, la distance par rapport au mur doit être d'au moins 20 mm.
Dans le même temps, nous tenons compte du fait que la méthode d'installation et l'efficacité des radiateurs de chauffage sont fortement influencées par la méthode d'installation: sous le rebord de la fenêtre sous forme ouverte, l'efficacité du système de chauffage est maximale - 96-97%, dans une niche sous forme ouverte - jusqu'à 93%, sous une forme partiellement fermée - 88-93 %, entièrement fermée - 75-80%.
Le radiateur de chauffage peut être installé selon différentes méthodes, sa tuyauterie est réalisée avec des tuyaux en métal, polyéthylène, polypropylène
Il est important lors de l'installation de positionner correctement non seulement les tuyaux, mais également les batteries elles-mêmes, pour se connecter conformément à toutes les recommandations et normes. Dans ce cas, le système de chauffage fonctionnera très efficacement et ne nécessitera pas de réparations. Partagez cet article utile :
Partagez cet article utile :
2 Choisir le type de tuyaux à base de polypropylène pour une maison privée
Le système de chauffage d'un ménage privé présente certaines différences par rapport à celui d'un immeuble à appartements. Les principaux sont les suivants :
- La possibilité d'une conception indépendante avec une modification du projet fini "en déplacement", qui ouvre de grandes opportunités pour la mise en œuvre de divers schémas d'installation.
- Faible pression principale et absence quasi totale de coup de bélier.
- Le choix du liquide de refroidissement dans le système est déterminé par le propriétaire d'une maison privée. Il est possible de changer le liquide de refroidissement à tout moment.
- La courte longueur de la canalisation élimine les poches d'air.
- L'installation d'une pompe de circulation augmentera le débit du liquide de refroidissement et assurera une répartition plus uniforme de la chaleur dans tout le bâtiment.

Il existe une large gamme de tailles de tuyaux en polypropylène
L'industrie moderne offre le plus grand choix de types et de tailles de tuyaux en polypropylène. Afin de sélectionner correctement l'option nécessaire pour une maison privée particulière, nous répertorions les tuyaux en polypropylène les plus courants proposés sur le marché, en indiquant les caractéristiques de performance.
Tuyau PN-10
Les conducteurs en polypropylène de ce type sont produits avec un diamètre extérieur de 20 à 110 mm et un diamètre intérieur de 16,2 à 90 mm. L'épaisseur de paroi du matériau dans ce cas varie de 1,9 à 10 mm, selon le diamètre. Ils sont fabriqués en polypropylène à paroi mince, le plus souvent monocouche, qui a une température de travail allant jusqu'à 20 C et une pression allant jusqu'à 1 MPa. Disponible en longueurs de 4 mètres. De tels tuyaux ne peuvent pas être utilisés dans les systèmes de chauffage, ils sont destinés aux besoins domestiques d'alimentation en eau froide sur de courtes distances sans pression dans la conduite.
Tuyau PN-16
Ce type de produit se caractérise par des parois plus épaisses par rapport à l'option ci-dessus. Dans le même temps, le diamètre extérieur est identique aux produits PN-10, mais le diamètre intérieur est légèrement plus petit - il varie de 14,4 à 79,8 mm. La plage de température de fonctionnement du liquide de refroidissement est de 0 C à 60 C et la pression de fonctionnement est de 1,6 MPa. Forme de libération - segments de 4 m.Il convient de noter que ce type de tuyau en chauffage est utilisé assez rarement, car la limite supérieure des températures de tenue de 60 C est faible pour les systèmes de chauffage et le coût de ces produits est comparable à celui du coût de produits plus fonctionnels. Il est recommandé d'utiliser de tels conducteurs pour l'installation d'un chauffage par le sol, où la température de fonctionnement n'est généralement pas supérieure à 50 C, ou pour l'alimentation en eau chaude.
Tuyau PN-20
Les produits sont caractérisés comme des conducteurs universels utilisés pour le chauffage et l'approvisionnement en eau chaude.Cependant, lorsqu'il est utilisé dans le réseau de chauffage d'une maison privée, il est recommandé d'installer uniquement de l'eau de retour, car la température du liquide de refroidissement fourni par une chaudière de chauffage individuelle, contrairement au réseau de chauffage central, peut atteindre jusqu'à 100 C, et le maximum opérationnel pour ce type de conducteurs est de 80 C. Ils ont une structure à deux couches, ce qui offre une résistance et une ductilité accrues. Diamètre externe - de 16 à 110 mm, interne - de 10,6 à 73,2 mm, avec une épaisseur de paroi de 1,6 à 18,4 mm. Comme son nom l'indique, la pression de service maximale est de 2 MPa. L'utilisation de ce produit est conseillée pour l'aménagement du chauffage au sol, le chauffage des serres, l'alimentation en eau chaude, lors de l'installation d'un réseau de chauffage dans les appartements avec chauffage central.
Tuyaux PN-25
Ils sont les meilleurs pour organiser des systèmes de chauffage dans une maison privée. En raison de la conception à deux couches et de la présence d'un renfort en aluminium ou en fibre de verre entre les couches, il présente des performances améliorées. Ces produits sont capables de résister à une température constante de la charge jusqu'à 95 degrés, ont des caractéristiques de résistance améliorées, des propriétés d'isolation thermique élevées. Le diamètre extérieur des tuyaux PN-25 varie de 21,2 à 77,9 mm, le diamètre intérieur - de 13,5 à 50 mm. La forme de libération est standard - segments de 4 m.
La couche de renfort interne réduit le coefficient de dilatation du pipeline, ce qui réduit les microdommages de déformation du polypropylène et augmente la durée de vie du produit.
Comment installer
Maintenant, comment accrocher le radiateur. Il est hautement souhaitable que le mur derrière le radiateur soit plat - il est plus facile de travailler de cette façon.Le milieu de l'ouverture est marqué sur le mur, une ligne horizontale est tracée à 10-12 cm sous la ligne du rebord de la fenêtre. C'est la ligne le long de laquelle le bord supérieur de l'appareil de chauffage est nivelé. Les supports doivent être installés de manière à ce que le bord supérieur coïncide avec la ligne tracée, c'est-à-dire qu'il soit horizontal. Cette disposition convient aux systèmes de chauffage à circulation forcée (avec une pompe) ou aux appartements. Pour les systèmes à circulation naturelle, une légère pente est créée - 1-1,5% - le long du parcours du liquide de refroidissement. Vous ne pouvez pas faire plus - il y aura une stagnation.
Installation correcte des radiateurs de chauffage
montage mural
Ceci doit être pris en compte lors du montage des crochets ou des supports pour les radiateurs de chauffage. Les crochets sont installés comme des chevilles - un trou d'un diamètre approprié est percé dans le mur, une cheville en plastique y est installée et le crochet y est vissé. La distance entre le mur et le radiateur est facilement réglable en vissant et dévissant le corps du crochet.
Les crochets pour les batteries en fonte sont plus épais. Il s'agit de fixations pour aluminium et bimétallique
Lors de l'installation de crochets pour radiateurs de chauffage, veuillez noter que la charge principale tombe sur les fixations supérieures. Le collecteur inférieur sert uniquement à la fixation dans une position donnée par rapport au mur et il est installé 1 à 1,5 cm plus bas que le collecteur inférieur. Sinon, vous ne pourrez tout simplement pas accrocher le radiateur.
L'un des crochets
Lors de l'installation des supports, ils sont appliqués au mur à l'endroit où ils seront montés. Pour ce faire, fixez d'abord la batterie sur le site d'installation, regardez où le support va «s'adapter», marquez l'endroit sur le mur. Après avoir mis la batterie, vous pouvez fixer le support au mur et marquer l'emplacement des fixations dessus.À ces endroits, des trous sont percés, des chevilles sont insérées, le support est vissé sur les vis. Après avoir installé toutes les fixations, le radiateur y est suspendu.
Fixation au sol
Tous les murs ne peuvent pas contenir des piles en aluminium, même légères. Si les murs sont en béton léger ou recouverts de cloisons sèches, une installation au sol est requise. Certains types de radiateurs en fonte et en acier sont livrés tout de suite avec des pieds, mais ils ne conviennent pas à tout le monde en termes d'apparence ou de caractéristiques.
Pieds pour l'installation de radiateurs en aluminium et bimétal au sol
L'installation au sol de radiateurs en aluminium et bimétalliques est possible. Il existe des supports spéciaux pour eux. Ils sont fixés au sol, puis un radiateur est installé, le collecteur inférieur est fixé avec un arc sur les pieds installés. Des pieds similaires sont disponibles avec une hauteur réglable, il en existe des fixes. La méthode de fixation au sol est standard - sur des clous ou des chevilles, selon le matériau.
C'est intéressant: quelle est la pente du tuyau d'égout est considérée comme optimale dans diverses situations - nous disons l'essentiel
Conclusions et vidéo utile sur le sujet
Vidéo #1 Comment choisir les tuyaux PPR :
Vidéo #2 Technologie de tuyauterie de chaudière à combustible solide :
Vidéo #3 Comment attacher un radiateur dans un chalet à deux étages:
Lors du choix d'un schéma de tuyauterie d'une chaudière avec des tuyaux en polypropylène, il est nécessaire de prendre en compte toutes les caractéristiques d'un bâtiment particulier. Le processus d'installation des pipelines et de connexion des équipements est simple, même un maître novice peut le gérer.
Un fer à souder pour raccords et tuyaux en polypropylène est facile à utiliser. Mais il vaut mieux confier la préparation d'un projet de système de chauffage à un spécialiste, les erreurs sont ici inacceptables.
Voulez-vous partager de vos propres mains votre expérience personnelle acquise lors de l'assemblage de cerclage en polypropylène, avez-vous trouvé des lacunes ou souhaitez-vous obtenir des réponses à vos questions? Veuillez écrire des commentaires dans le bloc situé sous le test de l'article.
































