- Avantages
- Le dispositif du système de ventilo-convecteur refroidisseur
- Types de ventilo-convecteurs
- Ventilo-convecteur à canal
- Achèvement de l'installation des systèmes de canaux
- Ventilo-convecteur mural
- Ventilo-convecteur cassette
- Pour le refroidissement par air
- Terminologie
- Différences
- Défauts
- Défauts
- Schémas de base de refroidissement liquide
- Mélanges d'eau ou de glycol
- Avantages de l'installation
- Champ d'application
- Prix
- Caractéristiques de fonctionnement
- Le rôle du ventilo-convecteur dans le système de climatisation
- Pourquoi installer un climatiseur ?
- Le ventilo-convecteur et ses caractéristiques
- Quelle est la base de ce système
- Avantages et inconvénients
- Principe d'opération
- Diagramme de l'unité
- Caractéristiques de conception
- Caractéristiques de montage
- Conclusions et vidéo utile sur le sujet
Avantages
Le ventilo-convecteur refroidisseur diffère des systèmes similaires en ce qu'il :

- Facile à maintenir
. Les filtres sont faciles à nettoyer et rapides à changer - Il est possible de desservir un grand nombre de consommateurs, c'est-à-dire des pièces dans lesquelles sont installés des ventilo-convecteurs. Leur nombre est déterminé par la puissance de l'unité, refroidisseur.
- Un appareil qui chauffe ou refroidit un liquide de refroidissement, un refroidisseur, est installé en un seul endroit. Et cela signifie que pour son placement n'a pas besoin de beaucoup d'espace
. - Si les tuyaux ont une isolation thermique de haute qualité et que le caloporteur a une capacité thermique élevée, la distance entre les pièces dans lesquelles la climatisation est effectuée et le refroidisseur n'a pas d'importance. Vous pouvez l'installer à une distance considérable
. Dans le cas de l'utilisation du gaz, cet avantage disparaît. - Faible coût des travaux d'installation
. Cela est dû à l'utilisation de tuyaux conventionnels dans le système, de vannes standard, d'une automatisation simple. - écologique
. Le caloporteur est de l'eau ou de l'éthylène glycol mélangé à de l'eau. Ce dernier, bien que toxique, ne peut être empoisonné que par une inhalation prolongée de ses vapeurs. Mais au premier coup à l'intérieur du corps, il provoque une toux douloureuse et vous oblige à quitter la pièce. Le fluide frigorigène, qui présente un certain danger, ne circule que dans le refroidisseur. Et il est monté soit dans le grenier, soit, si l'appareil est réalisé sous la forme d'un monobloc, sur le toit. - Le système peut être utilisé avec une ventilation
, de préférence de type soufflage et évacuation, et avec chauffage. - Coût relativement faible
le système lui-même.
Le dispositif du système de ventilo-convecteur refroidisseur
Simplifié, ce système de climatisation ressemble à ceci : son unité externe est une machine de refroidissement par eau, appelée refroidisseur, reliée par une canalisation à un échangeur de chaleur interne - un ventilo-convecteur, qui est soufflé par un ventilateur.
Un tel système est facile à utiliser et peut refroidir ou chauffer efficacement l'air d'une grande pièce ou de plusieurs pièces à la fois. Il n'a pas de restrictions telles que le fréon. La longueur de la ligne avec le liquide de refroidissement n'est limitée que par la capacité des pompes de surpression.
De plus, cette option de climatisation peut fonctionner à n'importe quelle température ambiante, contrairement au fréon, qui doit déjà être arrêté à -10 ° C afin d'éviter la casse.Pour déplacer le liquide de refroidissement, vous pouvez utiliser des conduites d'eau ordinaires, en métal et en PVC, ce qui réduit considérablement le coût de l'ensemble du système.
Un refroidisseur est une puissante machine de réfrigération conventionnelle dans laquelle un échangeur de chaleur à évaporation évacue le froid accumulé non pas dans l'air, comme dans un climatiseur, mais dans l'eau qui, une fois refroidie, pénètre dans les ventilo-convecteurs par le système de canalisation. Il existe deux principaux types de refroidisseurs : l'absorption et la compression de vapeur. Ceux à absorption sont assez chers, encombrants et ont une application plutôt étroite. Les plus courants sont les refroidisseurs à compression de vapeur, qui se déclinent en plusieurs types :
- Refroidisseurs avec refroidissement par air d'installation externe. Dans de telles installations, le refroidissement de l'échangeur de chaleur-condenseur s'effectue à l'aide de ventilateurs axiaux.
- Unités intérieures refroidies par air. Dans ceux-ci, l'admission d'air pour le refroidissement et la libération du flux d'air chaud s'effectuent par des conduits d'air, pour le mouvement desquels une pompe centrifuge est utilisée.
- Unités de réfrigération avec échangeur de chaleur refroidi par eau. Le plus souvent, ils sont montés dans des endroits où il est possible de refroidir le condenseur avec de l'eau courante provenant de réservoirs naturels.
- Les refroidisseurs sont réversibles. Ils permettent à la fois de refroidir l'air et de le chauffer, de sorte qu'ils peuvent être utilisés dans les systèmes de climatisation sans installer d'équipement de chauffage d'eau supplémentaire.
Dispositif de ventilo-convecteur
Les ventilo-convecteurs sont les soi-disant unités intérieures du système de climatisation refroidisseur-ventilateur, également appelées fermetures. Leur appareil se compose d'un échangeur de chaleur et d'un puissant ventilateur qui le souffle.De plus, ils sont équipés de filtres à air facilement démontables et d'une unité de contrôle. Dans les modèles plus modernes, des panneaux de commande sans fil pour l'appareil sont fournis. Il existe plusieurs types de ces équipements :
- Les ventilo-convecteurs à cassette sont conçus pour refroidir ou chauffer l'air dans de grandes pièces, dont la conception prévoit des plafonds suspendus. C'est en eux que ces appareils sont montés. Ils peuvent répartir le flux d'air sur deux ou quatre côtés.
- Les ventilo-convecteurs à canaux sont montés dans des pièces séparées. L'admission d'air s'effectue par des conduits d'air séparés et l'air est évacué dans les locaux par des conduits d'air situés derrière des plafonds suspendus.
Les ventilo-convecteurs sont divisés en : muraux, au sol et au plafond. Soit dit en passant, de nombreuses entreprises produisent des appareils universels pouvant être montés à la fois au mur et au plafond. Équipement optionel
Pour que l'équipement fonctionne correctement et tout au long de l'année, divers dispositifs et dispositifs sont utilisés qui élargissent considérablement les fonctions de ce système de climatisation.
- Pour pouvoir contrôler la température de l'air dans chaque pièce, devant chaque unité intérieure - ventilo-convecteur, des dispositifs spéciaux sont installés qui vous permettent de régler le débit de liquide de refroidissement.
- De plus, une chaudière à gaz à eau chaude est installée pour chauffer l'air, qui fonctionne pendant la saison froide à la place d'un refroidisseur.
- Il est également équipé d'un réservoir de stockage et d'expansion pour compenser la dilatation du liquide de refroidissement lorsqu'il est chauffé.
Types de ventilo-convecteurs
Comme les climatiseurs classiques, il existe plusieurs types d'équipements, selon le site d'installation prévu.Une large gamme vous permet de placer l'équipement presque n'importe où.
Ventilo-convecteur à canal
Les aspects positifs incluent la possibilité de fournir une installation complètement cachée: toutes les communications, y compris les équipements, sont cousues sous le projet de plafond.
Un exemple d'installation de blocs de canaux. Première étape.
Deuxième étape, la réparation est terminée. Grilles option plafond.
Option murale pour soufflage par grilles.
Unité intérieure avec conduits d'air : installation
Achèvement de l'installation des systèmes de canaux
À la suite de l'achèvement des travaux liés à l'installation d'un ventilo-convecteur gainable, seules des grilles décoratives sont visibles, auxquelles des conduits d'air rectangulaires ou ronds sont connectés pour distribuer de l'air refroidi ou chauffé (selon le type et le mode de fonctionnement) . De plus en plus, des équipements de ce type sont installés dans de nouveaux complexes résidentiels. Le seul point négatif est la nécessité d'abaisser en plus le plafond de finition sur les sites d'installation du ventilo-convecteur lui-même et lors de la pose des communications.
Ventilo-convecteur mural
Il est monté là où il n'est pas possible de placer un type de canal, et est souvent installé au détriment des économies : lorsque le promoteur met en service un complexe résidentiel, les communications pour l'alimentation en liquide de refroidissement sont déjà installées dans l'appartement, il ne reste plus qu'à relier. Il n'est pas nécessaire de poser des communications supplémentaires, telles que des conduits d'air, des silencieux, des chambres de mélange, etc. Choisis juste un endroit pour l'installation de l'intérieur bloquer. Oui, ce sera visible et beaucoup plus facile qu'un climatiseur au fréon ordinaire dans un appartement, mais moins cher.
Les lignes du refroidisseur sont amenées dans l'appartement
Pose de la tuyauterie vers les unités intérieures
Un exemple de raccordement d'une canalisation à un ventilo-convecteur
Le résultat de l'installation de ventilo-convecteurs dans l'appartement
Ventilo-convecteur cassette
système central pour bureaux
- augmenter l'efficacité grâce à des solutions d'ingénierie modernes pour le refroidissement et le chauffage ;
- éviter "Shanghai" des "nichoirs" de blocs extérieurs sur la façade de l'immeuble, installés par les locataires.
Ce type devient de plus en plus populaire. La distribution dans quatre directions indépendantes rend l'échange d'air plus confortable, pas de courants d'air, entretien facile et installation cachée (type gaine) - seul un panneau décoratif est visible. Mais, comme les ventilo-convecteurs gainables, les cassettes ont également besoin d'espace libre sous le plafond.
Ci-dessous quelques exemples installation de ventilo-convecteurs à cassette et climatiseurs de nos installations :
Raccordement, tuyauterie d'un ventilo-convecteur cassette.
Installation d'équipements en réparation.
Ventilo-convecteurs et ventilation dans le bureau.
Type de cassette dans une maison de campagne.
Mais, il faut lui rendre hommage, il s'agit tout de même d'un type d'équipement plus commercial : 97% des objets sur les "cassettes" sont de l'immobilier commercial, des bureaux, des administrations.
L'installation horizontale - elle est également sous plafond - est davantage utilisée dans les locaux commerciaux et les locaux à usage général, où il n'est pas possible d'abaisser le plafond final et dans lesquels il n'y a pas d'exigences particulières en matière d'aménagement intérieur.
Pour le refroidissement par air
Système refroidisseur-ventilo-convecteur - un système de climatisation centralisé multi-zones dans lequel le fluide caloporteur entre la machine de refroidissement centrale (chiller) et les échangeurs de chaleur locaux (groupes aéroréfrigérants, ventilo-convecteurs) est un liquide refroidi circulant sous une pression relativement basse - eau ordinaire (en zone tropicale climats) ou une solution aqueuse d'éthylène glycol (dans les climats tempérés et froids). En plus du ou des refroidisseurs et des ventilo-convecteurs, le système comprend une tuyauterie entre eux, une station de pompage (module hydraulique) et un sous-système de contrôle automatique.
Terminologie
Il n'y a pas de traduction pour le "chiller" anglais dans GOST 22270-76 "Equipements de climatisation, de ventilation et de chauffage". Pour le terme «ventilo-convecteur», GOST donne la traduction «ventilo-convecteur» (un plus proche qui, à l'aide d'un ventilateur intégré, recircule localement et fournit un mélange d'air intérieur avec de l'air extérieur, préalablement traité dans un climatiseur central, ainsi que l'air de chauffage et/ou de refroidissement).
Différences
Par rapport aux systèmes VRV/VRF qui font circuler le gaz réfrigérant entre le refroidisseur et les unités locales, les systèmes refroidisseur-ventilo-convecteur présentent les différences suivantes :
Deux fois la distance maximale entre le refroidisseur et les ventilo-convecteurs. La longueur des trajets peut atteindre des centaines de mètres, car avec une capacité calorifique élevée du caloporteur liquide, les pertes spécifiques par mètre linéaire du trajet sont inférieures à celles des systèmes à gaz réfrigérant.
Coût de distribution. Pour connecter les refroidisseurs et les ventilo-convecteurs, des conduites d'eau ordinaires, des vannes, etc. sont utilisées.L'équilibrage des conduites d'eau, c'est-à-dire l'égalisation de la pression et du débit d'eau entre les ventilo-convecteurs individuels, est beaucoup plus simple et moins cher que dans les systèmes remplis de gaz.
Sécurité. Les gaz potentiellement volatils (gaz réfrigérant) sont concentrés dans le refroidisseur, qui est généralement installé à l'extérieur (sur le toit ou directement au sol). Les accidents de tuyauterie à l'intérieur d'un bâtiment sont limités par le risque d'inondation, qui peut être réduit par des vannes d'arrêt automatiques.
Défauts
Les systèmes refroidisseur-ventilo-convecteur sont plus économiques en termes de consommation d'électricité que les systèmes de toit, mais perdent certainement en efficacité par rapport aux systèmes à débit de réfrigérant variable (VRF). Cependant, la performance ultime VRF-les systèmes sont limités (le volume des locaux réfrigérés peut atteindre plusieurs milliers de mètres cubes).
Défauts
- Fuite de fréon. Une fuite de fréon peut se produire à la suite d'une connexion non étanche du circuit de fréon.
- Défaillance du compresseur. Dans le compresseur, en règle générale, l'enroulement du stator brûle ou les soupapes (groupe de pistons) sont détruites.
- Humidité dans le circuit frigorifique. De l'humidité (eau) peut pénétrer dans le circuit frigorifique à la suite d'une fuite dans l'évaporateur, à la suite de quoi les deux circuits fréon-eau se mélangent.
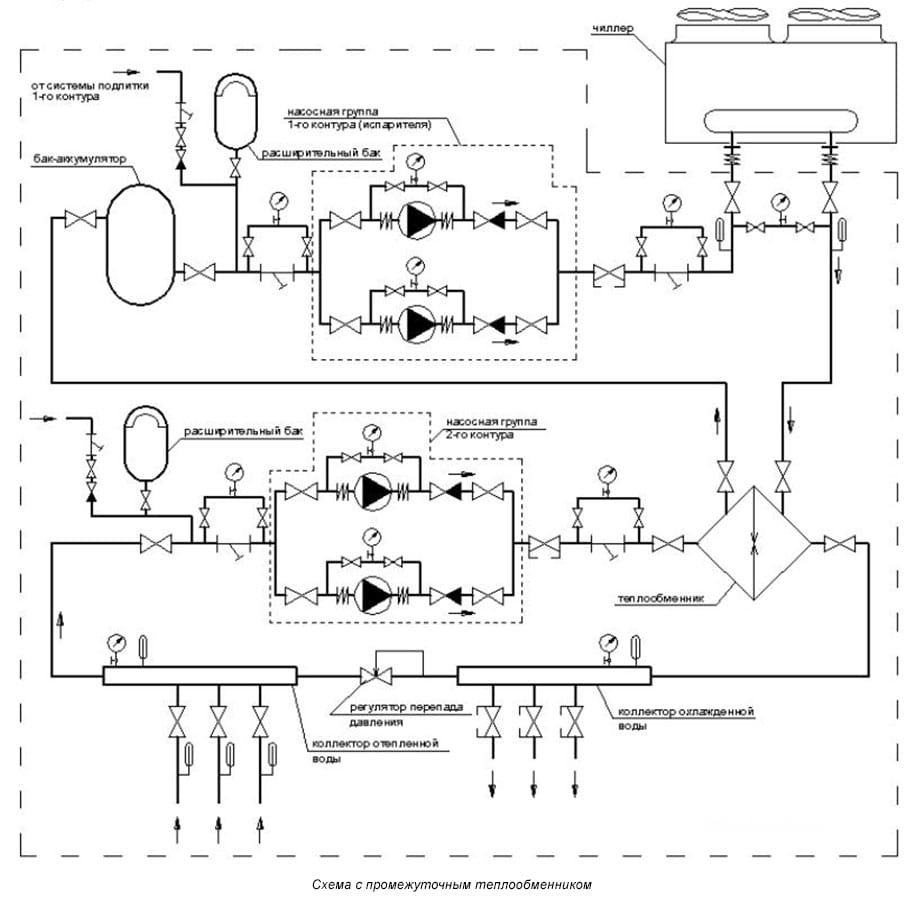
Schémas de base de refroidissement liquide
- Refroidissement direct.. L'option la plus courante. Le liquide est refroidi dans l'échangeur de chaleur liquide/fréon. La différence de température entre l'entrée et la sortie n'est pas supérieure à 7°C. Mode climatisation standard +7/12°С.
- Refroidissement à l'aide d'un liquide de refroidissement intermédiaire. Ce type de circuit est utilisé lorsque la différence de température du liquide à l'entrée et à la sortie du refroidisseur est supérieure à 7°C.
Mélanges d'eau ou de glycol
Le principal inconvénient de l'eau est son point de congélation élevé. Dans des conditions normales (c'est-à-dire à la pression atmosphérique), une fois que la température descend en dessous de zéro, l'eau gèle, et si elle gèle dans les tuyaux, le système se dégivre. Cela se produit parce que la densité de la glace est inférieure à la densité de l'eau, c'est-à-dire le volume de glace est plus important et la glace casse littéralement les pipelines.
Il n'y a qu'une seule issue - utiliser un liquide de refroidissement dont la température de congélation est inférieure aux températures typiques de la période hivernale de cette région particulière. Et, compte tenu des excellentes propriétés physiques de l'eau, ils ont simplement commencé à y ajouter d'autres substances de manière à atteindre la température de congélation requise du mélange.
Les solutions aqueuses de glycols les plus utilisées : l'éthylène glycol et le propylène glycol. Le premier est plus avantageux en termes de propriétés thermodynamiques et son coût est moindre, tandis que le second est sûr et respectueux de l'environnement.
N'oubliez pas non plus que l'éthylène glycol est toxique. Lors de son utilisation, la question se pose inévitablement de la complexité des travaux de maintenance et de l'élimination ultérieure. De plus, sur certains sites avec un séjour permanent de personnes, son utilisation est interdite.
Cependant, vous devez toujours envisager les deux options et faire votre propre choix éclairé au cas par cas.
Avantages de l'installation
Ci-dessus, nous avons déjà parlé des avantages du système lui-même, nous tenons à souligner une fois de plus qu'il n'est pas difficile de le monter.
Le coût des composants est faible. Il est facile à entretenir et à réparer. De plus, il peut être conçu pour tout type de bâtiment.
Champ d'application

Fondamentalement, les appareils de ce type sont utilisés dans:
- Dans les locaux de bureaux.
- hôpitaux.
- Supermarchés et autres points de vente.
- complexes hôteliers.
Prix
Le prix du produit dépend du coût des composants, c'est-à-dire du refroidisseur et du ventilo-convecteur.
Par exemple, considérons le coût de deux produits.
Ventilo-convecteur série TRUST
- 12678 roubles.
Homo série
– 15609.
Les appareils sont choisis au hasard. Dans le même temps, la première unité a une productivité plus élevée et elle dessert une grande partie des locaux, mais son prix est inférieur à celui de la seconde.
D'où la conclusion : le principal facteur qui détermine le prix de l'unité est le fabricant.
Caractéristiques de fonctionnement
La principale caractéristique de l'entretien de ce type d'unité est de charger l'appareil en réfrigérant.
Dans ce cas, vous devez suivre strictement les instructions indiquées dans la documentation technique de l'appareil. À tous autres égards, le système est entretenu de la même manière que des unités similaires.
Février 2019
Le rôle du ventilo-convecteur dans le système de climatisation
Le ventilo-convecteur est un élément important d'un système de climatisation centralisé. Le deuxième nom est un ventilo-convecteur. Si le terme ventilo-convecteur est littéralement traduit de l'anglais, cela ressemble alors à un échangeur de chaleur à ventilateur, qui traduit le plus fidèlement le principe de son fonctionnement.

La conception du ventilo-convecteur comprend un module réseau qui assure la connexion à l'unité de commande centrale. Le boîtier durable cache les éléments structurels et les protège des dommages. À l'extérieur, un panneau est installé qui répartit uniformément les flux d'air dans différentes directions
Le but de l'appareil est de recevoir des médias à basse température.La liste de ses fonctions comprend également à la fois la recirculation et le refroidissement de l'air dans la pièce où il est installé, sans apport d'air extérieur. Les principaux éléments du ventilo-convecteur sont situés dans son corps.
Ceux-ci inclus:
- ventilateur centrifuge ou diamétral ;
- échangeur de chaleur sous la forme d'un serpentin constitué d'un tube en cuivre et d'ailettes en aluminium montées dessus ;
- filtre à poussière;
- Bloc de contrôle.
Outre les principaux composants et pièces, la conception du ventilo-convecteur comprend un piège à condensat, une pompe pour pomper ce dernier, un moteur électrique, à travers lequel les volets d'air sont entraînés en rotation.

Sur la photo, un ventilo-convecteur canalisé Trane. La performance des échangeurs de chaleur à double rangée est de 1,5 à 4,9 kW. L'unité est équipée d'un ventilateur silencieux et d'un boîtier compact. Il s'intègre parfaitement derrière les faux panneaux ou les structures de plafond suspendu.
Selon la méthode d'installation, il existe un plafond, un canal, monté dans des canaux, à travers lesquels l'air est fourni, sans cadre, où tous les éléments sont montés sur un cadre, au mur ou sur une console.
Les appareils de plafond sont les plus populaires et existent en 2 versions : cassette et canal. Les premiers sont montés dans de grandes salles avec des faux plafonds. Derrière la structure suspendue, un corps est placé. Le panneau inférieur reste visible. Ils peuvent disperser le flux d'air sur deux ou sur les quatre côtés.

Si le système est prévu pour être utilisé exclusivement pour le refroidissement, le meilleur endroit pour cela est le plafond. Si la conception est destinée au chauffage, l'appareil est placé sur le mur dans sa partie inférieure
Le besoin de refroidissement n'existe pas toujours, par conséquent, comme on peut le voir sur le schéma qui transmet le principe de fonctionnement du système refroidisseur-fincoil, un récipient est intégré au module hydraulique qui agit comme un accumulateur pour le réfrigérant. La dilatation thermique de l'eau est compensée par un vase d'expansion relié au tuyau d'alimentation.
Les ventilo-convecteurs sont contrôlés en mode manuel et en mode automatique. Si le ventilo-convecteur fonctionne pour le chauffage, l'alimentation en eau froide est coupée en mode manuel. À travaillez-le pour le refroidissement bloquer l'eau chaude et ouvrir la voie à l'écoulement du fluide de travail de refroidissement.

Télécommande pour les ventilo-convecteurs à 2 et 4 tubes. Le module est connecté directement à l'appareil et placé à proximité de celui-ci. Le panneau de commande et les fils pour son alimentation sont connectés à partir de celui-ci.
Pour travailler en mode automatique, la température requise pour une pièce particulière est réglée sur le panneau. Le paramètre spécifié est pris en charge par des thermostats qui corrigent la circulation des liquides de refroidissement - froid et chaud.

L'avantage d'un ventilo-convecteur s'exprime non seulement dans l'utilisation d'un liquide de refroidissement sûr et bon marché, mais également dans l'élimination rapide des problèmes sous forme de fuites d'eau. Cela rend leur service moins cher. L'utilisation de ces appareils est le moyen le plus économe en énergie de créer un microclimat favorable dans un bâtiment.
Étant donné que tout grand bâtiment a des zones avec des exigences de température différentes, chacune d'entre elles doit être desservie par un ventilo-convecteur séparé ou un groupe d'entre eux avec des réglages identiques.
Le nombre d'unités est déterminé au stade de la conception du système par calcul.Le coût des composants individuels du système de ventilo-convecteur refroidisseur est assez élevé, par conséquent, le calcul et la conception du système doivent être effectués aussi précisément que possible.
Pourquoi installer un climatiseur ?
Un climatiseur est un appareil qui crée la température la plus confortable dans la pièce, avec son entretien ultérieur. Le mécanisme de fonctionnement du climatiseur est basé sur la transformation de l'état global du réfrigérant. Les changements dépendent de la température et de la pression dans un système fermé. La conception du climatiseur comprend les éléments suivants : système de ventilation, compresseur, condenseur, ventilateur de condenseur, sécheur, détendeur.
Représentation schématique du fonctionnement du climatiseur :
Classification des climatiseurs par objectif, type et domaine d'utilisation:
Bureaux, chalets, chambres d'habitation.
Locaux de 50 à 300 m² Salles de marché, locaux techniques, locaux de production.
Locaux de plus de 300 m².
Bâtiments administratifs, complexes sportifs, locaux spécialisés.
Le ventilo-convecteur et ses caractéristiques
Le ventilo-convecteur comprend les éléments suivants :
- échangeur de chaleur;
- ventilateur;
- filtre à air;
- sous-système de contrôle automatique.
Le mécanisme du ventilo-convecteur comprend les étapes suivantes :
- Le refroidisseur transporte l'eau froide à travers les tuyaux vers l'échangeur de chaleur du ventilo-convecteur ;
- Pendant ce temps, le ventilateur fournit un flux d'air ;
- De là, la fraîcheur de l'eau pénètre dans le bâtiment.
La fonctionnalité du ventilo-convecteur inclut également le chauffage des locaux. La particularité est que ce mécanisme peut à la fois climatiser la pièce et chauffer en même temps. La télécommande vient ici à la rescousse, grâce à laquelle vous pouvez régler la température souhaitée.
Schéma de fonctionnement du ventilo-convecteur :

La portée des ventilo-convecteurs est vaste.Ils sont parfaits pour les bars, les restaurants, les institutions publiques, les auberges, les bâtiments industriels.
Quelle est la base de ce système
Comme mentionné ci-dessus, les refroidisseurs les plus courants sont des appareils à compression de vapeur. Le principe de fonctionnement de ce type de refroidisseur est assez simple :

Les ventilo-convecteurs peuvent avoir un ou deux échangeurs de chaleur, respectivement, le système refroidisseur-ventilo-convecteur peut être à deux tubes ou à quatre tubes. Dans la première version, deux tuyaux partent de l'échangeur de chaleur, à travers lequel seul le fluide de travail froid et chaud circule, et dans la seconde, pour fournir le liquide de refroidissement du refroidisseur au ventilo-convecteur et fournir de l'eau chaude du chauffage à la deuxième chaleur échangeur.
Avantages et inconvénients
Le principal inconvénient de cette option de climatisation est la complexité et, par conséquent, le coût élevé de l'installation. Aussi, un aspect très important dans son bon fonctionnement est le choix du site d'installation des équipements. De plus, il existe d'autres inconvénients:
- Le bruit du système.
- Le prix élevé des appareils.
- Faible efficacité énergétique.
Le principal avantage du système refroidisseur-ventilo-convecteur est qu'il n'y a aucune restriction sur la longueur des communications entre les ventilo-convecteurs.
. Il existe un autre avantage important - vous pouvez ajouter le nombre requis d'unités intérieures à un système déjà opérationnel, au fur et à mesure que le bâtiment est mis en service. Très souvent, cette propriété est décisive lors du choix d'un système de climatisation particulier. De plus, les avantages incluent ce qui suit :
- Sécurité et respect de l'environnement, grâce à l'absence de fréon et d'autres gaz volatils dans ses conduites.
- Il ne nécessite pas la présence de plusieurs blocs extérieurs, qui gâchent considérablement l'apparence du bâtiment.
On aime quand la température est confortable à la maison, même s'il fait chaud ou froid dehors. Les climatiseurs nous sauvent l'été. Mais un climatiseur peut-il faire face à une grande maison privée? Mais que se passe-t-il si vous avez besoin de refroidir un bureau ou un centre commercial entier ?
Beaucoup de gens pensent que les climatiseurs sont limités. Bien sûr, ce type est le plus courant, mais il existe d'autres types qui ne sont pas moins efficaces. L'un d'eux est un système de climatisation refroidisseur-ventilateur. Le mot est compliqué, mais il n'est pas difficile de deviner en quoi consiste ce système. Essayons de démonter chacune des parties du système - ventilo-convecteur et refroidisseur - et comprenons quels sont ses avantages.
Principe d'opération
Le refroidisseur, qui est un climatiseur, chauffe ou refroidit le liquide de refroidissement qui y pénètre. Il peut s'agir d'eau ou d'un autre liquide qui ne gèle pas. Ensuite, à l'aide de pompes, le liquide est pompé dans le système et transféré à travers les tuyaux vers les ventilo-convecteurs.
Cet appareil reçoit l'air de la pièce, qui est mélangé à l'aide d'un ventilateur avec l'air à l'intérieur de l'unité, déjà chauffé ou refroidi.
Après cette opération, le mélange d'air est rejeté dans le milieu extérieur. C'est ainsi que la climatisation des locaux se produit à l'aide d'un ventilo-convecteur refroidisseur.

Diagramme de l'unité
L'échangeur de chaleur du refroidisseur est connecté à la pompe et au réservoir de stockage. Un vase d'expansion est également affiché sur la pompe. Le liquide de refroidissement est fourni aux ventilo-convecteurs par une canalisation à travers un système de vannes de régulation.
Caractéristiques de conception
La principale caractéristique du système est qu'un projet de ventilo-convecteur refroidisseur est développé individuellement pour chaque bâtiment.Par exemple, la conception d'un bâtiment ne permet pas de placer le refroidisseur ailleurs que sur le toit. Et l'autre est construit de telle sorte que l'appareil principal du système ne puisse être situé que dans le grenier.
De plus, l'aménagement tient compte des exigences du microclimat créé dans les locaux, de leur destination et de l'infrastructure autour du bâtiment.
Le refroidisseur, son type et sa modification, est sélectionné conformément aux exigences spécifiées, le nombre de ventilo-convecteurs est également déterminé, la manière dont le système sera utilisé, l'intensité de son fonctionnement, quel sera son mode, si l'air sera être refroidi ou, au contraire, chauffé, ou les deux, et d'autres ensemble.
Caractéristiques de montage
Compte tenu de la complexité des systèmes de ventilo-convecteurs-refroidisseurs, des spécialistes hautement professionnels doivent être impliqués dans son installation et sa configuration. Seuls eux seront en mesure d'effectuer une installation de haute qualité des ventilo-convecteurs en effectuant de manière compétente :
- installation de l'unité à l'endroit où son fonctionnement sera le plus efficace;
- assemblage des unités de tuyauterie en installant les robinets, vannes, dispositifs de contrôle de la température et de la pression nécessaires ;
- pose et isolation thermique de canalisations;
- installation d'un système d'évacuation des condensats ;
- travailler sur la connexion des appareils au secteur ;
- test de pression du système et vérification de son étanchéité;
- approvisionnement en transporteur (eau).
Ils effectueront également tous les calculs nécessaires avant de commencer les travaux, en tenant compte de la charge fonctionnelle que tel ou tel ventilo-convecteur effectuera, ainsi que des caractéristiques de chaque pièce du bâtiment.
Ainsi, vous pourriez être convaincu non seulement que les systèmes de ventilo-convecteurs-refroidisseurs sont très efficaces, économiques et fiables, mais aussi qu'ils nécessitent une installation et une mise en service complexes du système.Et pour cela, il est nécessaire d'impliquer des employés d'organisations spécialisées dans la création de tels systèmes clés en main.
Le refroidisseur-ventilateur du système de climatisation multizone est conçu pour créer des conditions confortables à l'intérieur d'un grand bâtiment. Il fonctionne en permanence - il fournit du froid en été et de la chaleur en hiver, réchauffant l'air à une température prédéterminée. Cela vaut la peine de connaître son appareil, êtes-vous d'accord ?
Dans l'article que nous avons proposé, la conception et les composants du système climatique sont décrits en détail. Les méthodes de connexion des équipements sont données et analysées en détail. Nous vous expliquerons comment est agencé et fonctionne ce système de thermorégulation.
Le rôle du dispositif de refroidissement est attribué au refroidisseur - une unité externe qui produit et fournit du froid à travers des canalisations avec de l'eau ou de l'éthylène glycol circulant à travers eux. C'est ce qui le distingue des autres systèmes split, où le fréon est pompé comme liquide de refroidissement.
Pour le mouvement et le transfert du fréon, du réfrigérant, des tuyaux en cuivre coûteux sont nécessaires. Ici, les conduites d'eau à isolation thermique s'acquittent parfaitement de cette tâche. Son fonctionnement n'est pas affecté par la température extérieure, tandis que les systèmes split au fréon perdent déjà leur efficacité à -10⁰. L'unité d'échange de chaleur interne est un ventilo-convecteur.
Il reçoit un liquide à basse température, puis transfère le froid vers l'air ambiant‚ et le liquide chauffé retourne vers le refroidisseur. Des ventilo-convecteurs sont installés dans toutes les pièces. Chacun d'eux travaille selon un programme individuel.
Les principaux éléments du système sont une station de pompage, un refroidisseur, un ventilo-convecteur. Le ventilo-convecteur peut être installé à grande distance du refroidisseur. Tout dépend de la puissance de la pompe. Le nombre de ventilo-convecteurs est proportionnel à la capacité du refroidisseur
Généralement, ces systèmes sont utilisés dans les hypermarchés‚ centres commerciaux‚ bâtiments‚ construits sous terre‚ hôtels. Parfois, ils sont utilisés comme chauffage. Ensuite, via le deuxième circuit, de l'eau chauffée est fournie aux ventilo-convecteurs ou le système est commuté sur une chaudière de chauffage.
Conclusions et vidéo utile sur le sujet
Vidéo #1 Tout sur l'appareil, le fonctionnement et le principe de fonctionnement du système de thermorégulation :
Vidéo #2 À propos de l'installation et de la mise en service du refroidisseur :
L'installation d'un système refroidisseur-ventilo-convecteur convient aux bâtiments moyens et grands d'une superficie supérieure à 300 m². Pour une maison privée, même immense, l'installation d'un tel système de thermorégulation est un plaisir coûteux. En revanche, de tels investissements financiers apporteront confort et bien-être, et c'est beaucoup.
Veuillez écrire vos commentaires dans la case ci-dessous. Posez des questions sur des points d'intérêt, partagez vos propres opinions et impressions. Peut-être avez-vous de l'expérience dans le domaine de l'installation d'un système de climatisation refroidisseur-ventilateur ou une photo sur le sujet de l'article ?
Le système refroidisseur-ventilateur est le plus avancé en termes de refroidissement ou de chauffage des locaux, mais il nécessite un développement préalable de la documentation du projet, ainsi que des connaissances particulières dans le domaine de l'installation de climatisation, des circuits électriques. Le système est complexe, de plus, il nécessite un entretien régulier. Avec l'aide de l'équipement, il est possible de chauffer non seulement de petites pièces, mais également des installations industrielles avec de grandes zones de production, ainsi que des bâtiments résidentiels.












































