Système de chauffage à circulation naturelle : règles de l'appareil + analyse des schémas types

Le principe de fonctionnement et le calcul du schéma de chauffage à circulation naturelle d'une maison privée

Pour une maison à un étage

Le schéma de chauffage monotube le plus simple, utilisé par les développeurs depuis plus d'un demi-siècle, est Leningradka.

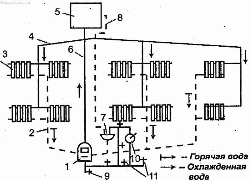
La figure montre un croquis d'une version modernisée de Leningradka, avec une connexion diagonale de radiateurs. La figure montre les éléments suivants (de gauche à droite) :

  • Pose de chauffage. Les chaudières fonctionnant au combustible solide, au gaz (naturel ou liquéfié) et à l'électricité sont adaptées à la mise en œuvre de ce CO. Théoriquement, les chaudières à combustible liquide conviennent également, mais le problème du stockage du combustible dans une maison privée se pose.
  • Groupe de sécurité, composé d'une vanne de soufflage réglée sur une certaine pression dans le système, d'un purgeur d'air automatique et d'un manomètre.
  • Radiateurs reliés au système par des robinets à tournant sphérique d'arrêt.Des vannes d'équilibrage à pointeau sont installées dans le cavalier entre l'entrée et la sortie de chaque radiateur.
  • Un vase d'expansion à membrane est installé sur la branche de retour de la canalisation pour compenser la dilatation thermique du liquide de refroidissement.
  • Une pompe de circulation qui crée un mouvement forcé du liquide de refroidissement à travers le CO.

Passons maintenant à ce qui n'est pas encore indiqué sur ce schéma, mais qui est un élément indispensable au bon fonctionnement de ce circuit. Seule la pompe a été mentionnée ci-dessus, mais sa tuyauterie n'a pas été indiquée, qui comprend trois vannes d'arrêt à bille, entre lesquelles un filtre grossier et une pompe sont installés. Très souvent, un groupe de pompage avec une tuyauterie est connecté au CO via un cavalier, formant ainsi une dérivation.

Souvent, les développeurs demandent s'ils ont besoin dérivation dans un système de chauffage monotube? Le fait est que ce système de CO est autosuffisant et efficace. Mais en cas de panne de courant, la pompe de circulation s'arrêtera et le mouvement du liquide de refroidissement s'arrêtera. Une dérivation est facultative, mais il est préférable de la construire pour passer de la circulation forcée à la circulation naturelle du liquide de refroidissement en cas d'urgence.

Quant à la canalisation: la température à la sortie de la chaudière pouvant atteindre 80 ° C, il est recommandé d'utiliser des tuyaux en polypropylène renforcé du diamètre requis pour le circuit de Leningradka. Pourquoi renforcé ? Le fait est que les tuyaux en polymère sont assez bon marché et pratiques, ils sont faciles à installer et ils ont une petite masse. Mais les tuyaux en polymère changent de longueur lorsqu'ils sont chauffés. Le polymère renforcé ne souffre pas d'une telle "maladie".

Astuce : malgré le fait que cette version du CO prévoit une purge d'air automatique, il existe des cas d'aération du circuit. Pour résoudre ce problème, il est recommandé d'utiliser des robinets Mayevsky sur les radiateurs.

Schémas des systèmes fermés

Les types de câblage suivants sont utilisés pour le chauffage des maisons de campagne et de campagne:

  1. Tuyau unique. Tous les radiateurs sont connectés à une seule ligne faisant le tour du périmètre de la pièce ou du bâtiment. Étant donné que le liquide de refroidissement chaud et refroidi se déplace le long du même tuyau, chaque batterie suivante reçoit moins de chaleur que la précédente.
  2. Bitube. Ici, l'eau chauffée entre dans les appareils de chauffage par une ligne et sort par la seconde. L'option la plus courante et la plus fiable pour tous les bâtiments résidentiels.
  3. Associé (boucle de Tikhelman). Identique au bitube, seule l'eau glacée s'écoule dans le même sens que l'eau chaude et ne revient pas dans le sens opposé (illustré dans le schéma ci-dessous).
  4. Collecteur ou faisceau. Chaque batterie reçoit du liquide de refroidissement via une canalisation séparée connectée à un peigne commun.

Système de chauffage à circulation naturelle : règles de l'appareil + analyse des schémas types

Câblage horizontal monotube (Leningradka)

Un schéma horizontal monotube se justifie dans les maisons à un étage d'une petite surface (jusqu'à 100 m²), où 4 à 5 radiateurs assurent le chauffage. Il ne faut pas en brancher plus sur une branche, les dernières batteries seront trop froides. L'option avec contremarches verticales convient à un bâtiment de 2 à 3 étages, mais lors de la mise en œuvre, presque toutes les pièces devront être recouvertes de tuyaux.

Système de chauffage à circulation naturelle : règles de l'appareil + analyse des schémas types

Schéma monotube avec câblage supérieur et colonnes montantes verticales

Le circuit à deux tuyaux avec des branches sans issue (illustré au début de l'article) est assez simple, fiable et définitivement recommandé.Si vous êtes propriétaire d'un chalet d'une superficie jusqu'à 200 m² avec une hauteur de 2 étages, alors faites le câblage du réseau avec des tuyaux avec une section de passage de DN 15 et 20 (diamètre extérieur - 20 et 25 mm), et pour le raccordement des radiateurs, prendre DN 10 (extérieur - 16 mm).

Système de chauffage à circulation naturelle : règles de l'appareil + analyse des schémas types

Schéma de passage du mouvement de l'eau (boucle de Tichelmann)

La boucle Tichelman est la plus équilibrée hydrauliquement, mais la plus difficile à installer. Des canalisations devront être posées autour du périmètre des pièces ou de toute la maison et passer sous les portes. En fait, un "trajet" coûtera plus cher qu'un bitube et le résultat sera à peu près le même.

Le système de faisceau est également simple et fiable, de plus, tout le câblage est caché avec succès dans le sol. La connexion des batteries les plus proches au peigne est réalisée avec des tuyaux de 16 mm, les plus éloignés - 20 mm. Le diamètre de la ligne depuis la chaudière est de 25 mm (DN 20). L'inconvénient de cette option - le prix du collecteur et la complexité d'installation avec la pose des voiries, alors que le revêtement de sol est déjà fait.

Système de chauffage à circulation naturelle : règles de l'appareil + analyse des schémas types

Schéma avec connexion individuelle des batteries au collecteur

Règles de sélection et d'installation des tuyaux

Le choix entre les tuyaux en acier ou en polypropylène pour toute circulation se fait en fonction du critère de leur utilisation pour l'eau chaude, ainsi que du point de vue du prix, de la facilité d'installation et de la durée de vie.

Lire aussi :  Système de chauffage ouvert: concepts et caractéristiques de l'agencement

La colonne montante d'alimentation est montée à partir d'un tuyau métallique, car l'eau à la température la plus élevée la traverse et, en cas de chauffage du poêle ou de dysfonctionnement de l'échangeur de chaleur, la vapeur peut passer.

Avec une circulation naturelle, il est nécessaire d'utiliser un diamètre de tuyau légèrement plus grand que dans le cas de l'utilisation d'une pompe de circulation. Habituellement, pour le chauffage d'espace jusqu'à 200 m².m, le diamètre du collecteur d'accélération et du tuyau à l'entrée du retour à l'échangeur de chaleur est de 2 pouces.

Cela est dû à la vitesse plus lente de l'eau par rapport à possibilité de circulation forcée, ce qui entraîne les problèmes suivants :

  • réduction du volume de chaleur transféré par unité de temps de la source à la pièce chauffée;
  • l'apparition de bouchages ou d'embouteillages qu'une petite pression ne peut supporter.

Lors de l'utilisation d'une circulation naturelle avec un système d'alimentation par le bas, une attention particulière doit être accordée au problème de l'élimination de l'air du système. Il ne peut pas être complètement éliminé du liquide de refroidissement par le vase d'expansion, car

l'eau bouillante entre d'abord dans les appareils par une ligne située plus bas qu'eux-mêmes.

En circulation forcée, la pression de l'eau entraîne l'air vers le collecteur d'air installé au point le plus élevé du système - un appareil à commande automatique, manuelle ou semi-automatique. À l'aide de grues Mayevsky, le transfert de chaleur est principalement ajusté.

Dans les réseaux de chauffage gravitationnels avec une alimentation située sous les appareils, les robinets Mayevsky sont utilisés directement pour purger l'air.

Système de chauffage à circulation naturelle : règles de l'appareil + analyse des schémas types
Tous les radiateurs de chauffage de type moderne ont des dispositifs de sortie d'air, par conséquent, pour éviter la formation de bouchons dans le circuit, vous pouvez faire une pente, conduisant l'air vers le radiateur

L'air peut également être évacué à l'aide de bouches d'aération installées sur chaque colonne montante ou sur une ligne aérienne parallèle au réseau du système. En raison du nombre impressionnant de dispositifs d'évacuation d'air, les circuits gravitaires avec câblage inférieur sont extrêmement rarement utilisés.

Avec une basse pression, un petit sas peut arrêter complètement le système de chauffage. Ainsi, selon SNiP 41-01-2003, il est interdit de poser des canalisations de systèmes de chauffage sans pente à une vitesse de l'eau inférieure à 0,25 m / s.

Avec la circulation naturelle, de telles vitesses sont inaccessibles. Par conséquent, en plus d'augmenter le diamètre des tuyaux, il est nécessaire d'observer des pentes constantes pour évacuer l'air du système de chauffage. La pente est conçue à raison de 2-3 mm par mètre, dans les réseaux d'appartements, la pente atteint 5 mm par mètre linéaire d'une ligne horizontale.

La pente d'alimentation est réalisée dans le sens du débit d'eau afin que l'air se dirige vers le vase d'expansion ou le système de purge d'air situé en haut du circuit. Bien qu'il soit possible de réaliser une contre-pente, dans ce cas il est nécessaire d'installer en plus une vanne de purge d'air.

La pente de la conduite de retour se fait, en règle générale, dans le sens de l'eau réfrigérée. Ensuite, le point inférieur du contour coïncidera avec l'entrée du tuyau de retour vers le générateur de chaleur.

Système de chauffage à circulation naturelle : règles de l'appareil + analyse des schémas types
La combinaison la plus courante de direction de la pente d'écoulement et de retour pour l'enlèvement poches d'air de circuit d'eau à circulation naturelle

Lors de l'installation d'un sol chaud dans une petite zone d'un circuit à circulation naturelle, il est nécessaire d'empêcher l'air de pénétrer dans les tuyaux étroits et horizontaux de ce système de chauffage. Un extracteur d'air doit être placé devant le plancher chauffant.

Sélection de tuyau

Système de chauffage à circulation naturelle : règles de l'appareil + analyse des schémas types

De plus, le choix du matériau est fortement influencé par la chaudière, car dans le cas d'un combustible solide, il convient de privilégier l'acier, les tuyaux galvanisés ou produits en acier inoxydable, en raison de la température élevée du fluide de travail.

Cependant, les tuyaux en métal-plastique et renforcés nécessitent l'utilisation de raccords, ce qui réduit considérablement le jeu, les tuyaux en polypropylène renforcé seront une option idéale, à une température de fonctionnement de 70C et une température de pointe de 95C.

Les produits en plastique PPS spécial ont une température de fonctionnement de 95 °C et une température de pointe allant jusqu'à 110 °C, ce qui leur permet d'être utilisés dans un système ouvert.

Comment choisir une pompe à chaleur

Les pompes de circulation spéciales de type centrifuge à faible bruit avec des pales droites sont les mieux adaptées à l'installation. Ils ne créent pas une pression excessivement élevée, mais poussent le liquide de refroidissement, accélérant son mouvement (la pression de travail d'un système de chauffage individuel à circulation forcée est de 1-1,5 atm, le maximum est de 2 atm). Certains modèles de pompes ont un entraînement électrique intégré. De tels dispositifs peuvent être installés directement dans le tuyau, ils sont également appelés "humides", et il existe des dispositifs de type "sec". Ils ne diffèrent que par les règles d'installation.

À installation de tout type de pompe de circulation une installation avec un by-pass et deux vannes à bille est souhaitable, ce qui permet de retirer la pompe pour réparation/remplacement sans arrêter le système.

Système de chauffage à circulation naturelle : règles de l'appareil + analyse des schémas types

Il est préférable de connecter la pompe avec un by-pass - afin qu'elle puisse être réparée / remplacée sans détruire le système

L'installation d'une pompe de circulation vous permet de régler la vitesse du liquide de refroidissement se déplaçant dans les tuyaux. Plus le liquide de refroidissement se déplace activement, plus il transporte de chaleur, ce qui signifie que la pièce se réchauffe plus rapidement. Une fois la température de consigne atteinte (le degré de chauffage du liquide de refroidissement ou l'air de la pièce est surveillé, en fonction des capacités de la chaudière et / ou des réglages), la tâche change - il est nécessaire de maintenir la température de consigne et le débit diminue.

Pour un système de chauffage à circulation forcée, il ne suffit pas de déterminer le type de pompe

Il est important de calculer ses performances. Pour cela, il faut tout d'abord connaître les déperditions thermiques des locaux/bâtiments qui seront chauffés

Ils sont déterminés en fonction des pertes de la semaine la plus froide. En Russie, ils sont normalisés et installés par les services publics. Ils recommandent d'utiliser les valeurs suivantes :

  • pour les maisons à un et deux étages, les pertes à la température saisonnière la plus basse de -25 ° C sont de 173 W / m 2. à -30 ° C, les pertes sont de 177 W / m 2;
  • les bâtiments à plusieurs étages perdent de 97 W/m 2 à 101 W/m 2.
Lire aussi :  Vue d'ensemble des systèmes de chauffage modernes à économie d'énergie

En fonction de certaines pertes de chaleur (notées Q), vous pouvez trouver la puissance de la pompe à l'aide de la formule :

c est la capacité calorifique spécifique du liquide de refroidissement (1,16 pour l'eau ou autre valeur des documents d'accompagnement pour l'antigel) ;

Dt est la différence de température entre l'alimentation et le retour. Ce paramètre dépend du type de système et est de : 20 o C pour les systèmes conventionnels, 10 o C pour les systèmes à basse température et 5 o C pour les systèmes de chauffage par le sol.

La valeur résultante doit être convertie en performance, pour laquelle elle doit être divisée par la densité du liquide de refroidissement à la température de fonctionnement.

En principe, lors du choix de la puissance de la pompe pour la circulation forcée du chauffage, il est possible d'être guidé par des normes moyennes:

  • avec des systèmes qui chauffent une surface jusqu'à 250 m 2. utilisez des unités d'une capacité de 3,5 m 3 / h et d'une pression de refoulement de 0,4 atm;
  • pour une surface de 250m 2 à 350m 2, une puissance de 4-4,5m 3 /h et une pression de 0,6 atm sont nécessaires ;
  • des pompes d'une capacité de 11 m 3 / h et d'une pression de 0,8 atm sont installées dans des systèmes de chauffage pour une superficie de 350 m2 à 800 m2.

Mais vous devez tenir compte du fait que plus la maison est mal isolée, plus la puissance de l'équipement (chaudière et pompe) peut être importante et vice versa - dans une maison bien isolée, la moitié des valeurs indiquées \u200b \u200bpeut être nécessaire. Ces données sont moyennes. Il en va de même pour la pression créée par la pompe : plus les tuyaux sont étroits et plus leur surface intérieure est rugueuse (plus la résistance hydraulique du système est élevée), plus la pression doit être élevée. Le calcul complet est un processus complexe et fastidieux, qui prend en compte de nombreux paramètres :

Système de chauffage à circulation naturelle : règles de l'appareil + analyse des schémas types

La puissance de la chaudière dépend de la superficie de la pièce chauffée et des pertes de chaleur.

  • résistance des tuyaux et des raccords (lisez ici comment choisir le diamètre des tuyaux de chauffage);
  • longueur du pipeline et densité du liquide de refroidissement ;
  • nombre, superficie et type de fenêtres et de portes;
  • le matériau à partir duquel les murs sont fabriqués, leur isolation;
  • épaisseur de mur et isolation;
  • la présence / absence d'un sous-sol, d'un sous-sol, d'un grenier, ainsi que le degré de leur isolation;
  • type de toiture, composition de la galette de toiture, etc.

En général, le calcul d'ingénierie thermique est l'un des plus difficiles de la région. Donc, si vous voulez savoir exactement quelle puissance vous avez besoin d'une pompe dans le système, commandez un calcul à un spécialiste. Sinon, choisissez en fonction des données moyennes, en les ajustant dans un sens ou dans l'autre, selon votre situation. Il faut seulement tenir compte du fait qu'à une vitesse de déplacement du liquide de refroidissement insuffisamment élevée, le système est très bruyant. Par conséquent, dans ce cas, il est préférable de prendre un appareil plus puissant - la consommation d'énergie est faible et le système sera plus efficace.

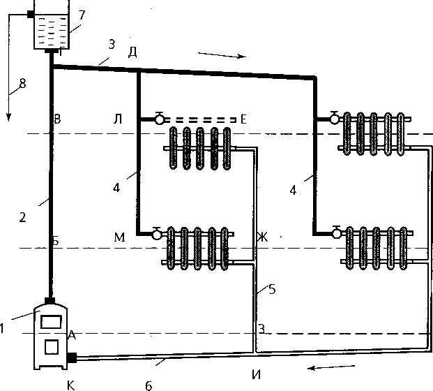
Schéma à deux tuyaux des systèmes de chauffage

Dans les schémas à deux tuyaux, le liquide de refroidissement chaud est fourni au radiateur et le liquide de refroidissement refroidi est retiré du radiateur par deux canalisations différentes des systèmes de chauffage.

Il existe plusieurs options pour les schémas à deux tubes: classique ou standard, passant, ventilateur ou faisceau.

Câblage classique bitube

Système de chauffage à circulation naturelle : règles de l'appareil + analyse des schémas types

Le schéma de câblage classique à deux tuyaux du système de chauffage.

Dans le schéma classique, le sens de déplacement du liquide de refroidissement dans la conduite d'alimentation est opposé au mouvement dans la conduite de retour. Ce schéma est le plus courant dans les systèmes de chauffage modernes, à la fois dans les bâtiments à plusieurs étages et dans les bâtiments individuels privés. Le schéma à deux tuyaux vous permet de répartir uniformément le liquide de refroidissement entre les radiateurs sans perte de température et de réguler efficacement le transfert de chaleur dans chaque pièce, y compris automatiquement en utilisant des vannes thermostatiques avec des têtes thermiques installées.

Système de chauffage à circulation naturelle : règles de l'appareil + analyse des schémas types

Un tel appareil a un système de chauffage à deux tuyaux dans un bâtiment à plusieurs étages.

Schéma de réussite ou "boucle de Tichelman"

Système de chauffage à circulation naturelle : règles de l'appareil + analyse des schémas types

Schéma électrique du chauffage associé.

Le schéma associé est une variante du schéma classique à la différence que le sens de circulation du liquide de refroidissement dans l'alimentation et le retour est le même. Ce schéma est utilisé dans les systèmes de chauffage avec des branches longues et éloignées. L'utilisation d'un schéma de passage vous permet de réduire la résistance hydraulique de la branche et de répartir uniformément le liquide de refroidissement sur tous les radiateurs.

Ventilateur (faisceau)

Le schéma de ventilateur ou de poutre est utilisé dans la construction à plusieurs étages pour le chauffage des appartements avec possibilité d'installation dans chaque appartement compteur de chaleur (compteur de chaleur) et dans la construction de logements privés dans des systèmes avec tuyauterie étage par étage.Avec un schéma en forme d'éventail dans un bâtiment à plusieurs étages, un collecteur est installé à chaque étage avec des sorties vers tous les appartements d'un pipeline séparé et un compteur de chaleur installé. Cela permet à chaque propriétaire d'appartement de prendre en compte et de ne payer que la chaleur qu'il consomme.

Système de chauffage à circulation naturelle : règles de l'appareil + analyse des schémas types

ventilateur ou système de chauffage radiant.

Dans une maison privée, un modèle de ventilateur est utilisé pour la distribution au sol des canalisations et pour la connexion du faisceau de chaque radiateur à un collecteur commun, c'est-à-dire qu'un tuyau d'alimentation et de retour séparé du collecteur est connecté à chaque radiateur. Cette méthode de connexion vous permet de répartir le liquide de refroidissement aussi uniformément que possible sur les radiateurs et de réduire les pertes hydrauliques de tous les éléments du système de chauffage.

De quoi est composé le système de chauffage ?

Du nom lui-même - un système de chauffage à eau, il devient clair que l'eau est nécessaire pour son fonctionnement. Dans ce cas, il s'agit d'un fluide caloporteur qui circule constamment en boucle fermée. L'eau est chauffée dans une chaudière spéciale, puis - par des tuyaux, elle est acheminée vers l'élément chauffant principal, qui peut être un système de "plancher chaud" ou des radiateurs.

Bien sûr, pour un fonctionnement meilleur, plus sûr et plus économique du système, vous pouvez utiliser un grand nombre d'équipements auxiliaires. Cependant, le système de chauffage de l'eau le plus simple ressemble à ceci :

Lire aussi :  Calcul hydraulique du système de chauffage d'une maison privée - procédure de calcul + aperçu des programmes utiles

Système de chauffage à circulation naturelle : règles de l'appareil + analyse des schémas typesLes principaux éléments du système de chauffage

Les systèmes de chauffage peuvent différer selon le principe de circulation du liquide de refroidissement :

  • chauffe-eau à circulation forcée;
  • avec du naturel.

Système de circulation naturelle

Un système à circulation naturelle est un exemple parfait de l'utilisation par l'homme des lois élémentaires de la physique. Le principe de son fonctionnement est en fait simple - le mouvement du liquide de refroidissement dans les tuyaux se produit en raison de la différence de densité de l'eau froide et de l'eau chaude.

Système de chauffage à circulation naturelle : règles de l'appareil + analyse des schémas typesSystème de chauffage à circulation naturelle

C'est-à-dire que le liquide de refroidissement chauffé dans la chaudière devient plus léger, sa densité diminue. L'eau chaude est déplacée de la chaudière par le liquide de refroidissement froid qui y pénètre et se précipite facilement dans la colonne montante centrale. Et de là - aux radiateurs. Là, le liquide de refroidissement dégage sa chaleur, se refroidit et, ayant retrouvé sa lourdeur et sa densité antérieures, retourne à travers les tuyaux de retour vers la chaudière de chauffage - en déplaçant une nouvelle partie du liquide de refroidissement chaud. Et ce cycle se répète indéfiniment.

Afin de créer indépendamment un système de chauffage de l'eau avec circulation naturelle du liquide de refroidissement, il est important de se rappeler quelques règles simples. Tout d'abord, vous devez sélectionner des tuyaux du diamètre le plus approprié pour créer une colonne montante centrale et, en outre, respecter l'angle d'inclinaison requis lors de la pose des tuyaux. Cependant, le système de circulation naturelle présente également plusieurs inconvénients importants.

Tout d'abord, la nécessité d'utiliser des tuyaux en métal lourd (des difficultés surviennent lors de l'installation). De plus, un tel système exclut la possibilité de réguler le niveau de chauffage de chaque pièce individuelle. Un autre inconvénient du système peut être appelé consommation de carburant élevée.

Cependant, le système de circulation naturelle présente également plusieurs inconvénients importants. Tout d'abord, la nécessité d'utiliser des tuyaux en métal lourd (des difficultés surviennent lors de l'installation).De plus, un tel système exclut la possibilité de réguler le niveau de chauffage de chaque pièce individuelle. Un autre inconvénient du système peut être appelé une consommation de carburant élevée.

Système à circulation forcée du liquide de refroidissement

Système de chauffage à circulation naturelle : règles de l'appareil + analyse des schémas typesSystème de chauffage avec circulation forcée du liquide de refroidissement

Une caractéristique distinctive de ce type de système est l'ajout obligatoire d'une pompe de circulation. C'est lui qui contribue au mouvement du liquide de refroidissement à travers les tuyaux. Le schéma du système ressemble à ceci :

L'un des principaux avantages d'un système à circulation forcée est qu'un tel chauffage de l'eau à partir de l'électricité permet de contrôler le niveau de pression dans chaque radiateur via des vannes spéciales - ainsi, le niveau de chauffage de la pièce est également contrôlé. Ce fait permet, dans une certaine mesure, de réduire la quantité de carburant utilisée pour chauffer le liquide de refroidissement.

L'inconvénient du système est sa dépendance énergétique. Dans l'éventualité où des surtensions ou des pannes de courant seraient possibles dans votre maison, la solution la plus raisonnable serait d'utiliser un système combiné combinant circulation forcée et naturelle du liquide de refroidissement.

Installation de système de chauffage

Le plus pratique est la création d'un système de chauffage à deux tuyaux dans la maison. Il se compose de deux circuits combinés, le long de l'un desquels (tuyaux d'alimentation) un liquide de refroidissement chaud se dirige vers les radiateurs. Et l'eau refroidie du radiateur retourne à la chaudière par le deuxième circuit - les tuyaux de retour.

Système de chauffage à circulation naturelle : règles de l'appareil + analyse des schémas typesLe mouvement du liquide de refroidissement dans le système de chauffage

Un système de chauffage à circulation forcée à deux tuyaux est une excellente solution pour toute maison privée.Il vous permet de connecter des thermostats spéciaux qui vous permettent de contrôler le degré de chauffage de chaque radiateur individuel. Le système peut être complété par des collecteurs spéciaux, ce qui le rendra encore plus efficace.

Types de chaudières et autres chauffe-eau

L'efficacité du chauffage dans une maison privée dépend de l'installation qui chauffe le fluide de travail (eau). Une unité correctement sélectionnée génère la quantité de chaleur requise pour les radiateurs et une chaudière à chauffage indirect (le cas échéant), ce qui permet d'économiser de l'énergie.

Le système d'eau autonome peut être alimenté par :

  • une chaudière à eau chaude qui utilise un certain combustible - gaz naturel, bois de chauffage, charbon, carburant diesel;
  • chaudière électrique;
  • poêles à bois avec circuit d'eau (métal ou brique);
  • pompe à chaleur.

Système de chauffage à circulation naturelle : règles de l'appareil + analyse des schémas types

Le plus souvent, les chaudières sont utilisées pour organiser le chauffage dans les chalets - gaz, électricité et combustible solide. Ces derniers sont fabriqués uniquement dans la version au sol, le reste des générateurs de chaleur - muraux et fixes. Les unités diesel sont utilisées moins souvent, la raison en est le prix élevé du carburant. Comment choisir la bonne chaudière à eau chaude sanitaire est expliqué dans un guide détaillé.

Le chauffage au poêle combiné avec des registres d'eau ou des radiateurs modernes est une bonne solution pour le chauffage du chalet, un garage et une petite maison d'habitation d'une superficie de 50-100 m². Inconvénient - l'échangeur de chaleur placé à l'intérieur du poêle chauffe l'eau de manière incontrôlable

Pour éviter l'ébullition, il est important d'assurer une circulation forcée dans le système

Système de chauffage à circulation naturelle : règles de l'appareil + analyse des schémas types
Système gravitaire moderne sans unité de pompage, alimenté par circuit d'eau de four à briques

Les pompes à chaleur ne sont pas largement utilisées dans les pays de l'ex-Union soviétique.Les raisons:

  • le principal problème est le coût élevé des équipements ;
  • en raison du climat froid, les appareils air-eau sont tout simplement inefficaces ;
  • les systèmes géothermiques « terre - eau » sont difficiles à installer ;
  • les unités électroniques et les compresseurs des pompes à chaleur sont très coûteux à réparer et à entretenir.

En raison du prix élevé, la période de récupération des unités dépasse 15 ans. Mais l'efficacité des installations (3 à 4 kW de chaleur pour 1 kilowatt d'électricité consommée) attire les artisans qui tentent d'assembler des analogues faits maison à partir de vieux climatiseurs.

Comment fabriquer la version la plus simple d'une pompe à chaleur de vos propres mains, voir la vidéo:

Évaluation
Site sur la plomberie

Nous vous conseillons de lire

Où remplir la poudre dans la machine à laver et combien de poudre verser