- Variétés et principe de fonctionnement de l'équipement
- Caractéristiques des appareils mécaniques
- Caractéristiques des appareils semi-automatiques
- Quels sont les avantages des vidanges et trop-pleins automatiques
- Critères de choix d'un siphon de bain
- Types d'appareils
- Look simple ou traditionnel
- Système de drainage - semi-automatique
- Liage de type automatique
- Caractéristiques techniques du système
- Astuces utiles
- Caractéristiques de montage
- Conseils d'entretien et d'utilisation
- Caractéristiques techniques du système
- Pose de siphon
- Installation du siphon: sélectionnez le matériau et assemblez-le de vos propres mains
- Matériel et outils appliqués
- Classement des tuyaux
- Critères de sélection des tuyaux
- Équipement requis
- Le principe de fonctionnement et la conception de l'appareil
- Travail préparatoire
- Drain de bain: appareil et variétés
- Instructions pour l'auto-installation du mécanisme de vidange
- Siphon semi-automatique et ses meilleurs côtés
- Conclusions et vidéo utile sur le sujet
Variétés et principe de fonctionnement de l'équipement
Un équipement est nécessaire pour vidanger le fluide utilisé. Grâce à l'appareil, le bain ne déborde pas avec une alimentation incontrôlée en liquide. La conception prévoit la présence de 2 trous - dans le mur et tout en bas. Des tuyaux y sont connectés, qui sont également connectés à l'égout.
Avant de choisir un drain-trop-plein, vous devez considérer les avantages et les inconvénients de tous les types.
Caractéristiques des appareils mécaniques
Les dispositifs mécaniques sont considérés comme le type de construction le plus simple. Ils sont courants, bien qu'ils aient commencé à céder la place à des modèles plus avancés. La particularité des dispositifs mécaniques est qu'il n'y a pas de leviers, de pièces mobiles. Un jeu d'eau se produit lorsque le bouchon est fermé, et lorsqu'il est ouvert, le liquide descend.
L'avantage des produits est la fiabilité. Un mécanisme de ce type se brise rarement, mais dure longtemps. Le trou de vidange est fermé avec un bouchon manuellement. Ce dernier est attaché par une chaîne à la grille de vidange, ce qui facilite son retrait du trou.
Vidange-trop-plein semi-automatique avec poignée de commande chromée, bouchon et grille de vidange chromés.
La conception de l'appareil est la suivante :
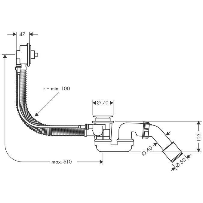
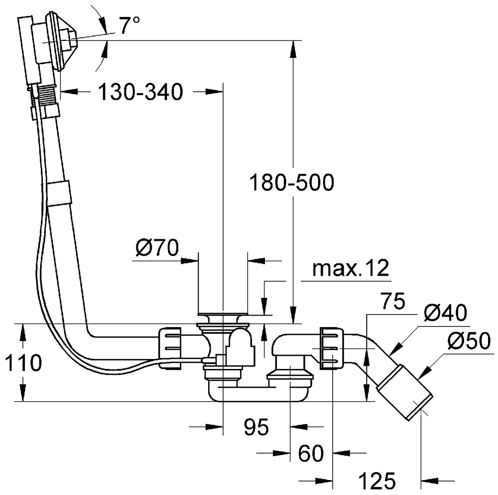
- Siphon. Il s'agit d'un tuyau de dérivation arqué de type amovible, qui joue le rôle d'un joint hydraulique. Il est nécessaire pour que les odeurs désagréables des égouts ne pénètrent pas dans la salle de bain. Il relie tous les mécanismes les uns aux autres, est responsable de la connexion au système d'égouts.
- Tube de raccordement (annelé). Sert à détourner l'eau qui entre dans le trop-plein vers le siphon.
- Tuyau supplémentaire. Il peut être à la fois doux et dur. Responsable de l'évacuation de l'eau.
- Cou de vidange. Il est fixé dans un trou situé dans le fond. Représente l'entonnoir en acier chromé aidant à retenir les grosses particules de pollution. Il est monté sur un tuyau de dérivation expansible équipé d'un écrou intégré. L'arrimage des pièces s'effectue par une vis métallique renforcée. Le joint en caoutchouc est responsable de l'étanchéité de l'appareil.
- Col débordant. C'est la partie du produit qui est insérée dans le mur de la salle de bain.Le principe de construction est le même que celui du drain, la différence est dans la manière dont il est installé.
Le kit comprend également des éléments de connexion nécessaires pour augmenter l'étanchéité. Par exemple, des joints de type plat ou conique. Ils sont utilisés avec un écrou-raccord.
Outre la fiabilité et la durabilité, les avantages des systèmes mécaniques pour la salle de bain sont leur faible coût et leur simplicité de montage. Mais il y a des inconvénients, comme une usure rapide du joint.
Caractéristiques des appareils semi-automatiques
Le semi-automatique est considéré comme une modification avancée de la conception mécanique. Le nombre d'éléments dans ce système est beaucoup plus grand. En plus des composants traditionnels, une unité de commande est fournie, qui est responsable de la montée et de la descente du bouchon. Le système est équipé d'un câble, d'une vanne d'obturation. Ce dernier s'ouvre ou se ferme selon la position de la tige de fermeture.
L'unité de commande se compose de plusieurs parties. Il est équipé d'une vanne, d'une poignée, d'une bague rotative, d'un bouton. Pour démarrer le système, vous devez tourner le levier et, dans certains modèles, appuyer sur l'élément sous la forme d'un bouton.
Avantages des types semi-automatiques :
- conception attrayante;
- un moyen pratique de fermer le drain - pas besoin de se pencher, de se mouiller les mains;
- installation, utilisation et maintenance conviviales.
Mais de tels systèmes sont plus chers que les systèmes mécaniques.
Quels sont les avantages des vidanges et trop-pleins automatiques
L'automatique est une variété chère. Il a une structure complexe. Il y a un bouton-valve "clic-clac", qui est équipé d'un loquet, d'un ressort intégré. Comme dans les systèmes semi-automatiques, le bouton est enfoncé manuellement. Ensuite, le bouchon tombe, le trou de vidange se ferme. Si vous répétez la manipulation, le trou s'ouvrira.
Les boutons de ce type sont conçus dans différents styles. L'option la plus populaire est le métal. Le laiton nickelé ou chromé et les alliages de cuivre sont souvent utilisés.
Avantages des machines :
- apparence attractive;
- une ergonomie soucieuse du confort de l'utilisateur ;
- descente d'eau pratique;
- compacité.
Le principal inconvénient est le coût élevé. De plus, il est difficile de connecter vous-même un tel trop-plein de vidange, ici vous avez besoin de l'aide de spécialistes. Des difficultés peuvent survenir lors du remplacement d'un bouton. De tels systèmes se caractérisent par la vulnérabilité du ressort de soupape.
Le trop-plein de vidange en polypropylène se distingue par le prix démocratique, la durabilité et la durabilité des éléments.
Critères de choix d'un siphon de bain
À quoi dois-je faire attention lors de l'achat d'un siphon de salle de bain ? Il existe plusieurs règles, guidées par lesquelles nous pouvons acheter le produit dont vous avez besoin.
Toutes les baignoires ne conviennent pas aux drains standard. En particulier, cette règle s'applique aux bols sur mesure. Avant de faire vos courses, mesurez l'écart entre le trop-plein et le drain et les diamètres des trous de drainage. Si l'ondulation peut être légèrement étirée, le modèle en métal doit être sélectionné en tenant strictement compte des dimensions d'un bain particulier.
La conception du siphon ne doit pas être pressée très fermement contre le sol ou le fond de la cuvette. Si l'espace sous la baignoire est trop petit, essayez de trouver un modèle plat qui a une disposition horizontale.
En règle générale, un siphon dans la salle de bain est nécessaire non seulement pour un bain. Si un bidet, un lavabo et une machine à laver sont également situés ici, les dispositifs de vidange de tous ces appareils de plomberie peuvent être remplacés par un seul modèle, qui aura plusieurs entrées.
Le prix du produit ne doit pas être déterminant dans votre choix
Il est important que le siphon soit fiable et de haute qualité. Ensuite, il protégera votre propriété contre d'éventuelles fuites.
Vérifiez l'intégralité du produit : tous les éléments nécessaires pour connecter le siphon à la cuvette de la baignoire et à la bonde d'égout doivent être inclus dans l'ensemble.
Il convient également d'inspecter l'appareil pour s'assurer qu'il n'y a aucun dommage susceptible de réduire considérablement sa durée de vie.
L'intégralité du siphon doit être vérifiée avant son achat : le kit doit comprendre tous les éléments nécessaires au montage de l'appareil lui-même et à son installation
Faites votre choix, guidé par toutes les règles énumérées ci-dessus, sans exclure aucune
Portez une attention particulière aux modèles modernes, car cet appareil devrait vous durer longtemps.
Types d'appareils
La tuyauterie bien connue, lorsque l'eau est aspirée dans la fontaine avec un trou fermé avec un liège ordinaire, est appelée traditionnelle. Pour plus de commodité, le bouchon est généralement sur une chaîne.
Look simple ou traditionnel
Le dispositif de vidange dans la salle de bain traditionnelle peut être décomposé en pièces détachées :
- au bas de la police se trouve le premier élément de l'appareil - le goulot de vidange. L'élément lui-même se compose de 2 moitiés : le fond est représenté par un tuyau élargi (situé sous le bol de fonte) et équipé d'un écrou intégré ; dessus - sous la forme d'un bol chromé (situé au-dessus du bol de la police). Ces deux parties sont assemblées à l'aide d'une longue vis de connexion spéciale. Pour l'étanchéité de la connexion entre les pièces, un joint d'étanchéité est installé;
- sur le mur de la police, un drain latéral du réseau d'alimentation en eau est relié à un trou supplémentaire - un col de trop-plein.Dans la sortie latérale, la différence réside dans l'appareil avec un col de vidange. Son but direct est d'éliminer le débordement de la police. Mais vous ne pouvez pas laisser le processus de remplissage du bain sans contrôle. Si la pression dans le robinet est forte, le trop-plein peut ne pas être en mesure de faire face, l'inondation ne peut être évitée;
- empêche les odeurs d'égout désagréables de pénétrer dans la pièce - siphon. Se produit en raison d'un bouchon d'eau dans le coude du tuyau. Un siphon avec un coude, où 300 à 400 ml de liquide sont placés, fournit au système de vidange une étanchéité à l'eau de haute qualité;
- relie un drain latéral supplémentaire au siphon - un tuyau de raccordement. Le plus souvent, il s'agit d'un tuyau ondulé. Lorsque la cuvette est pleine, l'eau est évacuée du trop-plein vers le siphon. Avec une conception simple de vidange de trop-plein, le tuyau de raccordement est tiré sur les buses souhaitées sans attaches de fixation spéciales. Lorsqu'un siphon avec trop-plein est installé d'une conception plus sérieuse, le tuyau est monté avec un joint et un écrou de compression;
- l'évacuation des déchets liquides du siphon vers l'égout se fait par le tuyau d'évacuation. Un tuyau ondulé ou une structure rigide est installé. La première option vous permet d'ajuster la longueur selon vos besoins, le second type de tuyau est plus fiable.
La connaissance de la disposition du drain dans la salle de bain avec trop-plein sera utile à l'avenir. Beaucoup de gens ont dû faire face à des remplacements de joints. Vous pouvez facilement démonter le système de vidange, mais vous devez également savoir comment l'assembler en un seul ensemble.
Système de drainage - semi-automatique
Un modèle de vidange-débordement amélioré comprend un dispositif semi-automatique. Toutes les modifications du système de drainage ont des éléments communs: un siphon de drainage, des tuyaux de drainage.Le drain de bain de type semi-automatique a changé structurellement. Des éléments sont apparus :
- à l'aide d'un bouton, d'une vanne, d'une poignée, le bouchon est abaissé et relevé. La nouvelle unité de contrôle régule l'ouverture et la fermeture du trou de vidange au fond de la baignoire;
- les bouchons sont installés à la place de la vanne ;
- le mouvement des embouteillages se fait à l'aide d'un câble.
Le schéma de fonctionnement de l'unité de contrôle est le fonctionnement d'une chaîne d'éléments interconnectés:
- la valve est tournée à la main, ce qui fait bouger le câble;
- de la tension ou du relâchement du câble - le bouchon monte ou descend.
Le trou de trop-plein dans cette conception est caché derrière l'unité de commande. Les éléments du système de vidange-débordement qui sont visibles sont esthétiques. Cela donne au design de la baignoire un design unique. L'installation d'un drain dans une salle de bain de type semi-automatique a un autre avantage - c'est le confort de fermeture et d'ouverture du trou de vidange. L'appareil permet de ne pas se pencher pour enlever le bouchon et libérer de l'eau indésirable.
L'inconvénient du système de drainage choisi est également noté. Seul un harnais acheté au prix fort durera longtemps. Il est préférable de remplacer immédiatement un modèle peu coûteux par un type de cerclage traditionnel.
Liage de type automatique
La différence entre la cercleuse est la présence d'une vanne à boisseau automatisée.
Schéma de fonctionnement d'une fiche équipée d'un ressort avec un loquet:
- l'enfoncement initial du bouchon entraîne la fermeture du trou de vidange au fond de la baignoire ;
- une nouvelle pression fait remonter le bouchon et l'eau commence à s'écouler dans l'espace libre.
La conception automatique est montée sur des baignoires pour enfants. Le système peut être contrôlé à la main et au pied. Les éléments ouverts à l'œil sont compacts. Les boutons sont fabriqués à partir de différents matériaux et dans différents modèles.Il est utilisé pour la fabrication du laiton, l'élément est recouvert de chrome, antique. Le bouton devient le décor du bain.

Afin d'éviter les problèmes de fonctionnement du robinet-bouton, il est recommandé, avant de faire une vidange dans une salle de bain de type automatique, d'étudier et de choisir une marque fiable qui travaille avec du matériel de qualité. Sinon, si le bouton de la vanne casse, vous devrez remplacer l'ensemble du dispositif de vidange-débordement.
Caractéristiques techniques du système
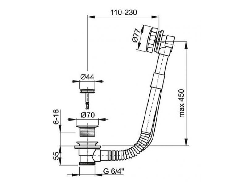
Le drain de trop-plein de la baignoire est un système fermé de tuyaux dont une extrémité est reliée au drain du côté de la salle de bain et l'autre à la sortie à l'égout.
Les tuyaux hermétiquement interconnectés doivent être équipés d'un siphon dont la tâche principale est d'empêcher la propagation d'une odeur désagréable dans la pièce
Les principaux éléments des systèmes de trop-plein modernes pour la baignoire sont:
- Cou de vidange. Il est composé de deux moitiés : la partie supérieure est un entonnoir chromé qui agit comme un "piège" pour les gros débris, et la partie inférieure est un tuyau expansible équipé d'un écrou inséré à l'intérieur. L'élément est monté dans le trou de vidange au fond de la cuvette.
- Col débordant. Il a la même conception que le col de vidange. La seule différence est que la sortie d'eau n'est pas située directement, mais sur le côté.
- Siphon. Le tuyau incurvé facilement amovible sert de joint hydraulique. Il peut avoir une configuration et une capacité différentes.
- Tuyau de raccordement. Le tuyau ondulé est conçu pour détourner l'eau du col de trop-plein vers le siphon. Il est relié aux éléments du système au moyen de tuyaux spéciaux sans sertissage ou à l'aide d'un écrou à sertir équipé d'un joint.
- Tube auxiliaire.Représente le tube ondulé rigide ou se pliant facilement destiné au raccordement du siphon au système des égouts. Les raccords de vidange avec un tuyau rigide sont plus fiables, mais pas très faciles à installer.
Lors du choix d'un cerclage, portez une attention particulière au volume du joint hydraulique. Si, à un moment donné, la ventilation de la colonne montante d'égout ne peut pas fonctionner correctement, en raison de la surpression qui en résulte, l'eau du registre commencera à être aspirée dans le drain
En conséquence, une odeur persistante extrêmement désagréable apparaîtra. Un siphon avec un volume de bol étanche à l'eau de 300 cm3 ou plus ne permettra pas à l'odeur de se propager dans la pièce.
Astuces utiles

Tout d'abord, vous devez choisir le bon siphon. Sa principale caractéristique est la qualité du matériau. Cela est particulièrement vrai pour les produits en plastique. Ici, l'indicateur principal est l'épaisseur de paroi. Plus cette valeur est grande, meilleure est la résistance à la charge.
Autres recommandations :
Il est nécessaire de déterminer l'espace sous la salle de bain - si le siphon s'y adaptera ou non.
Avant le montage, lisez les instructions du fabricant
Suivez exactement ses instructions.
Si le trou de vidange de la salle de bain a une surface rugueuse, poncez-le avec du papier de verre
Ceci s'applique également aux appareils de plomberie en fonte et à l'acrylique.
Lors du montage, faites très attention aux joints et aux manchettes.
Ils provoquent souvent des fuites.
Le siphon est un dispositif d'écoulement par gravité, il est donc important de maintenir la pente de la partie du tuyau.
Il est recommandé de changer les joints au moins une fois par an.
Ils provoquent souvent des fuites.
Le siphon est un dispositif d'écoulement par gravité, il est donc important de maintenir la pente de la partie du tuyau.
Il est recommandé de changer les joints au moins une fois par an.
Caractéristiques de montage
Il n'est pas recommandé de laisser de grandes sections du système de drainage du siphon sans support. Les structures suspendues subissent de petites charges variables et thermiques, cependant, à mesure que les joints vieillissent, des fuites indésirables peuvent se former dans les joints.
- Pour améliorer la fiabilité des connexions, des conceptions de drain avec des écrous-raccords sont recommandées.
- En l'absence de joints en silicone fiables et durables, il est permis d'étendre les analogues de caoutchouc prétraités avec de la graisse de silicone.
- Les joints coniques en silicone fonctionneront efficacement s'ils sont correctement installés, dans ce cas, le bord épais vers l'écrou-raccord et le bord fin vers l'extrémité de la buse.
Conseils d'entretien et d'utilisation
Tous les systèmes de vidange-débordement nécessitent des soins appropriés. C'est le seul moyen de préserver leur état et leurs performances d'origine, d'assurer leur durabilité et leur haute efficacité. Les appareils doivent être régulièrement inspectés pour s'assurer qu'il n'y a pas de dommages mécaniques ou de fuites.
N'oubliez pas non plus les événements supplémentaires:
- pour éviter l'accumulation de dépôts et de tartre, le siphon est lavé tous les trois mois à l'eau chaude additionnée d'acide citrique ou d'agents oxydants chimiques appropriés ;
- environ tous les six mois, les joints en caoutchouc amincis qui ont perdu leurs propriétés élastiques sont remplacés ;
- le sas à eau est périodiquement nettoyé, collectant divers contaminants et débris.
Si des copeaux et des fissures sont découverts lors de l'inspection visuelle, le siphon doit être remplacé. De tels dysfonctionnements provoquent l'inondation des locaux et ne peuvent être réparés.
Caractéristiques techniques du système
Drain-trop-plein pour salle de bain
La conception du drain-débordement consiste en des tuyaux de dérivation étroitement reliés les uns aux autres et assurant l'étanchéité nécessaire. Lorsque l'eau atteint l'ouverture appropriée avec une alimentation incontrôlée, l'excédent s'écoule dans des tuyaux en plastique ou flexibles et sort par le tuyau d'égout. Un tube ondulé est une option pratique, car il peut être plié et conduit dans n'importe quelle direction sur une petite surface. L'appareil est équipé d'un siphon pour protéger la salle de bain des odeurs désagréables provenant des tuyaux de descente.
Les parties externes du système sont en acier inoxydable ou galvanisé, ce qui correspond à sa haute qualité et sa durabilité.
Lors de l'achat d'un système, vous devez faire attention aux performances de haute qualité de tous les éléments et mécanismes, ainsi qu'à la présence de joints et de manchettes spéciaux. S'ils sont absents pendant le fonctionnement, de graves fuites se produisent souvent en raison d'une étanchéité insuffisante des raccords de tuyauterie.
Ils peuvent être achetés séparément en fonction du diamètre du raccord ou du tuyau.
Aujourd'hui, une large gamme de drains de bain est présentée, dont les prix dépendent des caractéristiques techniques, du matériel et de l'équipement. Les fabricants produisent des versions standard en plastique, ainsi que des modèles en métaux coûteux avec des ornements ou des gravures. Il existe de tels types de systèmes de vidange-débordement:
- siphon ordinaire avec bouchon;
- système semi-automatique;
- mécanisme de vidange automatique.
Un certain type présente des avantages et des inconvénients, mais leur utilisation dépend des caractéristiques de conception et des besoins individuels.
Pose de siphon
Si vous savez comment assembler un siphon d'évier, vous pouvez faire le travail rapidement. Avant d'installer un nouveau siphon, il est nécessaire de démonter l'ancien appareil.
Ensemble complet de siphon
Le processus de démontage s'effectue dans l'ordre suivant :
- L'eau est coupée dans la chambre.
- Un bol est placé sous l'évier pour recueillir l'eau qui coule.
- La vis située au centre de l'entrée de l'évier est dévissée.
- Le siphon est retiré et le tuyau d'égout est bouché avec quelque chose pour empêcher le passage d'odeurs étrangères dans la pièce.
- L'intérieur de l'évier, auquel le siphon était attaché, est nettoyé.
La vidéo montre comment assembler un siphon de bouteille standard pour un évier en plastique.
Voyons maintenant comment installer un siphon pour un évier avec trop-plein:
- Installez la grille de protection dans le trou de vidange sur le joint ou le mastic.
- Par le bas, un tuyau d'amarrage est fixé à l'évier avec un joint, qui est vissé à la grille avec une longue vis.
- Un écrou-raccord est placé sur le tuyau de dérivation, suivi d'un joint conique.
- Le corps du siphon est placé sur le tuyau, après quoi il y est relié avec un écrou-raccord. A ce stade, la hauteur du siphon est ajustée.
- La conduite de sortie est insérée dans le trou d'égout, puis fixée avec un écrou-raccord à la sortie du boîtier à travers un joint conique.
- Le tuyau de trop-plein est installé. Une extrémité du tube va dans l'évier, où il est fixé dans son trou spécial avec une vis. L'autre extrémité du tube est reliée au tuyau d'amarrage.
- L'étanchéité de toutes les connexions est vérifiée en faisant couler de l'eau dans l'évier.
Si une machine à laver sera connectée au siphon, vous devez d'abord préparer un tuyau qui va de la laveuse au corps du siphon. Il doit être suffisamment long, car vous devez le placer non pas dans l'allée, mais quelque part sous la salle de bain ou le long du mur. En conséquence, le tuyau est connecté au raccord sur le corps du siphon.
Installation du siphon: sélectionnez le matériau et assemblez-le de vos propres mains
Appuyer plusieurs fois sur l'ampoule n'est pas difficile, mais changer les piles dans le siphon est un casse-tête supplémentaire. Et que se passe-t-il si le moteur électrique tombe toujours en panne….
Siphon de batterie avec filtre mécanique
Le siphon pour nettoyer l'aquarium n'est utilisé que si l'aquarium est complètement planté de plantes. Tout d'abord, je ne peux pas imaginer comment vous pouvez siphonner, par exemple, chemanthus cuba ou Eleocharis.
Cela entraînera inévitablement des dommages aux plantes d'aquarium. Deuxièmement, tous les sédiments qui s'accumulent dans le sol sont de la nourriture pour les plantes d'aquarium. Je n'ai pas versé le sol depuis de nombreuses années, les sols étaient complètement sales, mais maintenant il me semble que la racine sera sur mon sol.
Mais encore, s'il y a des zones dans l'aquarium dans lesquelles les plantes ne poussent pas siphonnées, le sol est nécessaire.
Le sol dépasse le nombre de poissons dans l'aquarium : d'une fois par semaine à une fois par mois. Le siphon de sol convient à une combinaison avec des changements d'eau partiels - 20% des sédiments sont séchés, 20% d'eau douce sont ajoutés.
Il n'est pas difficile de fabriquer un siphon pour nettoyer l'aquarium de vos propres mains. Pour ce faire, vous avez besoin d'un tuyau et d'une bouteille en plastique.
sur la bouteille, nous avons coupé le fond et relié la porte au tube. Il n'est pas facile de fixer le bulbe de pompage, il faut donc retirer le tuyau pour créer un refoulement.Mais, à mon avis, un siphon d'aquarium n'est pas un équipement qui vaut la peine d'économiser moins de 100 roubles. Mieux vaut acheter des produits prêts à l'emploi et bon marché, et vous serez servi pendant des années.

Siphon interne
Lors du choix d'un siphon, il est nécessaire de prendre en compte le diamètre du tuyau, plus le diamètre du tuyau est grand, plus la pression du débit d'eau est élevée.
Et si vous avez un réservoir de 20 litres, vous n'avez pas le temps de téléphoner à toute la terre plus rapidement que de combiner toute l'eau de l'aquarium :). Un aquarium de 100 litres correspond bien au diamètre du tuyau en centimètres. Le processus de siphon recueillera à lui seul environ 20 % de l'eau nécessaire au remplacement de l'eau.
Matériel et outils appliqués
Classement des tuyaux
Actuellement, les égouts ne sont posés qu'avec l'utilisation de tuyaux en plastique.
Ils présentent des avantages indéniables :
- petit poids;
- longue durée de vie (garantie jusqu'à 50 ans) ;
- facilité d'installation (aucun équipement spécial n'est requis pour la découpe et l'assemblage).
Il existe plusieurs types de matériaux :
- en polypropylène;
- du chlorure de polyvinyle ;
- à partir de polyéthylène.
Les deux dernières variétés ne sont pas utilisées pour l'installation d'égouts. les tuyaux en polypropylène sont les mieux adaptés, car ils peuvent supporter sans problème les températures élevées du liquide qui les traverse.
Lors de l'achat, faites attention au marquage :
- Les tuyaux avec la lettre "A" sont utilisés pour la fabrication de systèmes de ventilation. Leurs parois sont minces.
- Les tuyaux avec la lettre "B" ont des parois épaisses et sont parfaits pour les systèmes d'égouts.
Critères de sélection des tuyaux
Le paramètre principal par lequel les tuyaux sont sélectionnés est leur diamètre.Mais de nombreux fabricants affichent des dimensions extérieures, alors que les paramètres du trou lui-même sont sérieux pour les égouts.
La taille minimale des tuyaux pour divers appareils de plomberie est indiquée dans le tableau.
| dispositif | Diamètre, mm |
| Lave-linge et lave-vaisselle | 25 |
| Bidet et lavabo | 35 |
| Cabine de douche, baignoire | 50 |
| Connexion de plusieurs appareils à un seul drain (baignoire plus évier) | 70 |
| WC et colonne montante centrale | 100 |
Un autre problème est la longueur. En vente il y a des produits de 1 à 6 mètres. L'expérience montre qu'il est plus ergonomique de travailler avec des tuyaux de 2 à 3 mètres de long. Le métrage doit être sélectionné en tenant compte des éléments de liaison (raccords) utilisés.
Équipement requis
Pour un système d'égout dans une salle de bain standard, vous aurez besoin de:
- tuyaux d'égout en plastique d'un diamètre de 50 à 100 mm;
- manchons d'étanchéité pour la fixation de pièces du système ;
- raccords en plastique des configurations souhaitées (jumeaux, tés, coudes et sans cela plus tard);
- compensateur (son diamètre pour un appartement doit être de 110 mm);
- pinces - aident à fixer les tuyaux d'égout et à leur donner la pente souhaitée;
- une trappe qui vous permet de contrôler l'état de la colonne montante;
- mastic;
- mortier de ciment.
De plus, les outils suivants facilitent grandement le travail :
- broyeur;
- marteaux;
- ciseau;
- niveau du bâtiment ;
- ruban à mesurer (roulette);
- marqueur.
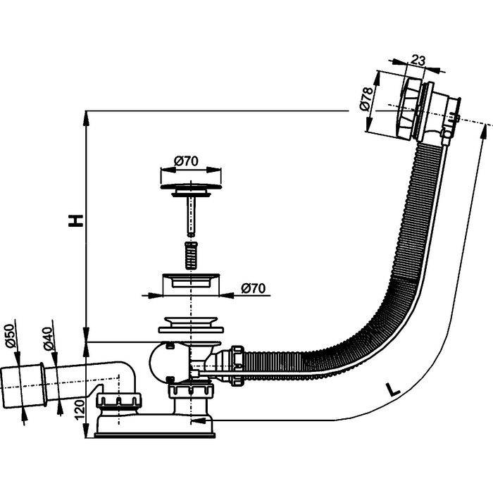
Le principe de fonctionnement et la conception de l'appareil
Une tuyauterie de bain standard est essentiellement une conception plus complexe qu'un siphon conventionnel. Il est équipé d'un tube spécial et de commandes fixées au trou de trop-plein.
Grâce au tuyau, l'excès de liquide est évacué dans le siphon, ce qui empêche la baignoire de déborder et l'eau de déborder.

Un tel système élimine le besoin de fermer le trou de vidange avec un bouchon. Il vous permet également d'ajuster le débit de liquide afin que sa quantité soit égale au volume d'eau entrant. Cela vous permet de prendre un bain tout en vous prélassant dans l'eau courante.
Le système de vidange-débordement permet également de contrôler l'écoulement de l'eau. Pour ce faire, une poignée rotative est montée sur le trou de trop-plein, reliée par un petit câble métallique à la vanne de vidange, qui est installée dans le siphon inférieur.
En tournant la poignée dans différentes directions, vous pouvez régler la tension du câble, ce qui affecte à son tour le débit du siphon.
Travail préparatoire
Siphon de baignoire avec trop-plein
Tout d'abord, vous devez effectuer un certain nombre de travaux préparatoires. Pensez également au matériau que vous utiliserez pour raccorder la baignoire à l'égout. Il est recommandé de connecter la baignoire uniquement avec un siphon. Il dispose d'un système spécial et de nœuds qui vous permettent de connecter les trous de trop-plein et de vidange en un seul ensemble. Il n'est pas recommandé d'utiliser uniquement des tuyaux ondulés. Pourquoi?
- le tuyau ondulé est mal nettoyé des éventuels contaminants ;
- ils se remplissent rapidement de divers types de pollution.
Avant le raccordement direct, il est important d'obtenir une différence de hauteur appropriée entre le point de raccordement et le tuyau d'évacuation. La hauteur de la sortie du siphon doit être suffisante pour assurer une bonne évacuation de l'eau.
Il est également important de fournir un accès gratuit au siphon déjà installé. De temps en temps, il devra être nettoyé des contaminants internes.
S'il se trouve dans un endroit difficile d'accès, il sera difficile de faire ce travail.
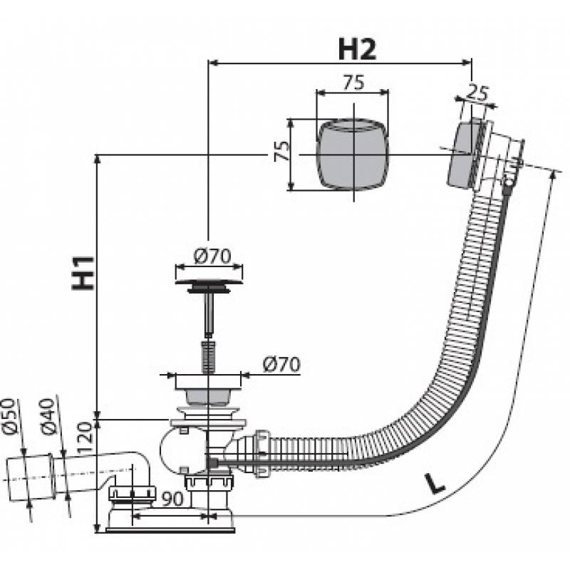
Drain de bain: appareil et variétés
Commençons par le dispositif de siphon, car sans cette connaissance, il est impossible de résoudre certains problèmes purement domestiques, par exemple, comme une odeur désagréable du bain ou une mauvaise évacuation de l'eau.
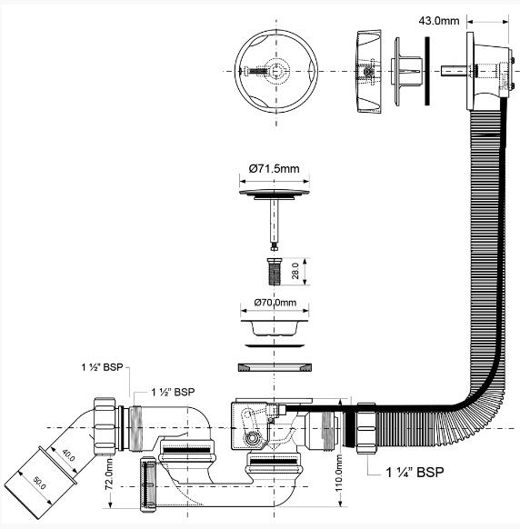
Le siphon dans la salle de bain est disposé tout simplement. Il peut être divisé en quatre parties distinctes - peut-être plus, si vous tenez compte d'éléments de connexion supplémentaires, qui n'ont pas d'importance particulière, sauf pour la commodité de l'assemblage et de la connexion.
- Drain - il est monté dans un trou au fond de la baignoire et se compose de deux parties. La partie inférieure, qui est un tuyau de dérivation avec une rallonge et un écrou intégrés à l'intérieur, ainsi que la partie supérieure, réalisée sous la forme d'une coupelle chromée. Le bain, pour ainsi dire, est placé entre ces pièces, qui, à leur tour, sont reliées entre elles par une longue vis métallique. L'étanchéité de cette connexion est assurée par un joint d'étanchéité spécial.
-
Col débordant. En principe, il est disposé exactement de la même manière que le drain, seulement il n'a pas de sortie directe pour l'eau, mais latérale. Sa tâche est d'éliminer l'excès d'eau du bain en cas de remplissage incontrôlé.
- Siphon. Il peut avoir une configuration différente, mais il s'agit presque toujours d'un tuyau incurvé amovible, dans lequel de l'eau reste constamment. Il s'agit d'un joint hydraulique qui empêche la pénétration des odeurs provenant de l'égout. Je noterai immédiatement un détail - le volume du joint d'eau est d'une grande importance. Avec une ventilation qui fonctionne mal de la colonne montante d'égout, cette eau (surtout si elle est petite) peut être aspirée du siphon, puis une puanteur incroyable vous est garantie. Il est préférable de privilégier un siphon avec un joint d'eau plus profond, qui contient au moins 300 à 400 ml d'eau.
- Tuyau ondulé de raccordement - utilisé pour détourner l'eau du trop-plein vers le siphon. La pression de l'eau dans cette zone est assez faible, donc dans la plupart des cas, ce tuyau est simplement mis sur des buses spéciales (brosses) sans aucun sertissage. Dans les produits plus sérieux de ce type, la connexion du tuyau avec trop-plein est scellée avec un écrou de compression avec un joint.
- Tuyau pour raccorder le siphon à l'égout. Il peut être de deux types : rigide et ondulé. Le premier est fiable et le second est plus pratique à connecter. De plus, le principal avantage de l'ondulation est la longueur réglable.

Photo de drain de baignoire
Ce sont toutes les pièces dans lesquelles vous pouvez démonter presque tous les siphons modernes - la seule chose que vous devez savoir pour résoudre la question de savoir comment assembler un siphon pour une salle de bain concerne les soi-disant types de connexion de ses pièces individuelles. Ils peuvent être de deux types : dans le premier cas, un joint d'étanchéité plat peut être utilisé, et dans le second, un joint conique. Dans les deux situations, un soi-disant écrou-raccord est utilisé pour relier les parties du siphon.
Maintenant, à propos des variétés de siphons de vidange pour le bain - il n'y en a pas beaucoup. Si nous ne prenons pas en compte les caractéristiques technologiques et de conception, il n'y en a que deux: un siphon ordinaire avec un bouchon et le soi-disant trop-plein de vidange automatique pour un bain. La différence entre eux réside dans le système d'ouverture du bouchon, qui s'effectue en tournant un levier spécial monté sur le trop-plein. Avec elle, vous n'avez pas besoin de vous baisser et de retirer le bouchon du trou, il suffit de tourner le levier rond situé sous le dessus de la baignoire.Si nous parlons de siphons simples, ils ne peuvent différer que par la forme des tuyaux (ronds ou rectangulaires), l'élément de raccordement à l'égout (tuyau ondulé ou rigide) et la méthode d'étanchéité des connexions (joints coniques ou droits).

Comment assembler un siphon de bain
C'est toute la théorie, il ne nous reste plus qu'à aborder le principe et les subtilités de l'installation d'un siphon de vidange.
Pour plus de détails sur les types de siphons de bain et leur installation par vos propres mains, voir la vidéo.
Instructions pour l'auto-installation du mécanisme de vidange
Le drain-trop-plein de type mécanique et automatique est installé, en général, selon le même schéma. Cependant, avant de fixer l'appareil, il est recommandé de lire les instructions du fabricant. Une installation incorrecte entraîne un fonctionnement incorrect de l'appareil.
Les systèmes automatiques doivent être installés par un spécialiste, car après l'auto-installation, le fabricant retire la garantie :
- Dévissez les fixations et retirez l'ancien siphon.
- Nettoyez les buses et les zones adjacentes de la plaque et des débris.
- Installez le drain. Un joint d'étanchéité est appliqué sur le tuyau de vidange et fixé au trou de vidange. À l'intérieur, un autre brassard est appliqué simultanément, une grille est installée dessus et vissée au fond avec une vis. Les poignets fuselés ont un bord épais plus près de l'écrou et un bord étroit - au cou. Ne serrez pas trop la vis pour éviter d'endommager les pièces.
- Le trop-plein s'installe de la même manière. La baignoire doit être de niveau et à au moins 15 cm du sol.
- Pour connecter le trou de vidange au trop-plein, une ondulation est installée.Les connexions sont fixées avec un écrou avec un joint, qui est d'abord mis sur l'ondulation.
- Ensuite, le siphon est connecté. Il est également fixé avec un écrou avec un joint d'étanchéité. Les défauts de surface sont éliminés avec une lime pour assurer un ajustement serré des pièces.
- Le raccordement à l'égout se fait par un manchon d'étanchéité ou un tuyau est simplement inséré dans la prise, et le raccordement est scellé avec du silicone. Si les diamètres ne correspondent pas, des adaptateurs peuvent être utilisés.
- Après avoir installé le harnais, vérifiez l'étanchéité du système en ouvrant l'eau et en posant le sol avec du papier.
Le problème d'installation le plus courant est le désalignement du filetage.
La graisse de silicone prolongera la durée de vie des pièces d'étanchéité.
Pour que le système automatique scelle le trou avec une haute qualité, il est nécessaire de nettoyer le drain de la saleté, des cheveux et des débris en temps opportun, et il est également recommandé de nettoyer le siphon une fois tous les six mois.
Le trop-plein de vidange pour la baignoire assure le drainage de l'eau de celle-ci dans les égouts et protège contre les débordements. Plus le système est complexe, plus il est cher et pratique à utiliser, vous devez donc trouver un compromis entre commodité, qualité et prix du produit.
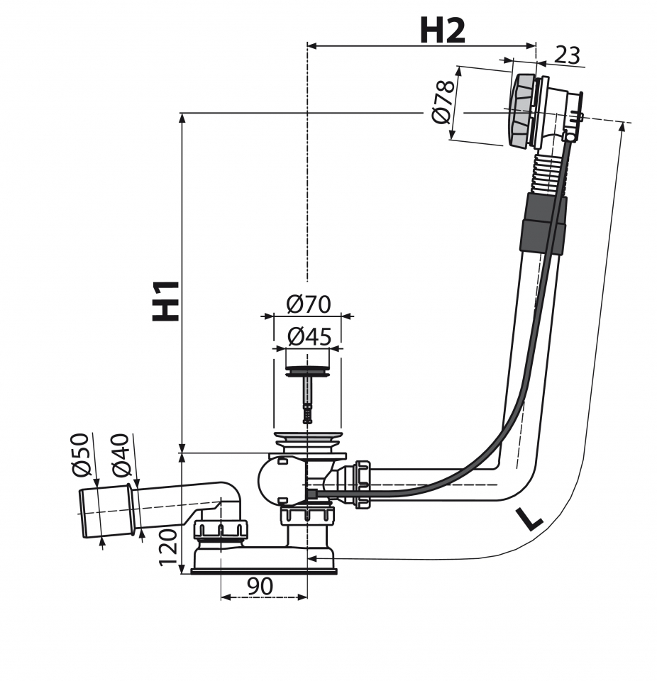
Siphon semi-automatique et ses meilleurs côtés
Un système de vidange-débordement semi-automatique, malgré sa facilité d'utilisation, est une conception assez complexe. En plus de la sortie d'eaux usées et du système de trop-plein hermétiquement scellés standard, les modèles de ce type sont équipés d'une vanne d'arrêt, qui est actionnée par un levier monté sur la sortie de trop-plein. Il est réalisé sous la forme d'une poignée décorative ou d'une valve.
La gestion d'un tel système de vidange est assez simple.L'utilisateur tourne le levier de commande de 90° et la tige de fermeture monte pour ouvrir le trou de vidange, et si la poignée est tournée dans le sens opposé, la tige s'abaisse, permettant de remplir la baignoire d'eau.
Schéma : dispositif de vidange de bain semi-automatique
Le système fonctionne grâce à un câble auxiliaire dont la tension permet au bouchon de monter et descendre. La conception du bouton de commande de la vanne peut être modifiée. Les modèles les plus populaires sont fabriqués sous la forme:
- boutons;
- anneau pivotant;
- poignées;
- vanne décorative.
Le dispositif de trop-plein dans de tels systèmes est caché sous le bouton de commande de la structure de vidange. Cela donne au harnais un aspect plus esthétique et élégant. Aussi, l'un des avantages d'un tel système est sa facilité d'utilisation. En tournant la poignée située en haut de la baignoire, l'utilisateur n'a pas à se mouiller les mains ni à se pencher à nouveau vers le fond de la baignoire.
Vidange semi-automatique avec valve décorative
Et si nous parlons des inconvénients d'un tel système, il convient de noter que la conception est assez complexe et comporte de nombreuses pièces de connexion et mobiles. Par conséquent, une attention particulière doit être accordée uniquement aux modèles de fabricants responsables et consciencieux qui ont déjà ont fait leurs preuves sur le marché de la robinetterie sanitaire. Il existe une sorte de système de vidange-débordement semi-automatique qui permet de remplir la baignoire
C'est le plus complexe de tous les liages automatiques et semi-automatiques. Pour l'installation d'une telle conception, il est nécessaire de lui fournir des conduites d'eau. Avec ce type de tuyauterie, il est possible de supprimer l'installation d'un mitigeur pour le remplissage de la baignoire
Il existe une sorte de système de vidange-débordement semi-automatique qui permet de remplir la baignoire. C'est le plus complexe de tous les liages automatiques et semi-automatiques. Pour l'installation d'une telle conception, il est nécessaire de lui fournir des conduites d'eau. Avec ce type de tuyauterie, il est possible de supprimer l'installation d'un mitigeur pour le remplissage de la baignoire.
Conclusions et vidéo utile sur le sujet
Principes de fonctionnement des automatismes en vidéo :
Dans la vidéo, un aperçu de la vidange-débordement semi-automatique :
Un choix judicieux d'un système de vidange-trop-plein garantit le fonctionnement complet, confortable et de haute qualité de la baignoire. Il n'est pas difficile de faire face à son installation, l'essentiel est d'assembler correctement les pièces et de bien sceller les zones de jonction. Si vous avez encore des problèmes incompréhensibles, il est toujours préférable de vous tourner vers des professionnels.
Voulez-vous partager de vos propres mains l'expérience acquise lors de l'installation du drain-reilva? Avez-vous des informations qui pourraient être utiles aux visiteurs du site ? Veuillez écrire des commentaires dans le bloc ci-dessous, publier des photos sur le sujet de l'article, poser des questions.
















































