- Caractéristiques importantes
- Dépendance de la température et de la puissance de chauffage à l'option de schéma de connexion
- Caractéristiques de choix
- Type de radiateur
- Longueur de l'élément chauffant
- Automatisation
- Fabricant
- Inconvénients et avantages d'un radiateur de chauffage
- Schéma de connexion électrique
- Comment connecter un thermostat à un radiateur infrarouge
- Matériel nécessaire
- Schéma de câblage
- Standard
- Avec un démarreur magnétique
- Méthodes de connexion
- Connexion parallèle
- Connexion en série
- Méthode combinée
- Caractéristiques de choix
- Type de radiateur
- Longueur de l'élément chauffant
- Automatisation
- Fabricant
- Possibilité de raccordement à un réseau d'alimentation triphasé de type TRIANGLE
- Caractéristiques générales et principe de fonctionnement
- Variétés et méthodes de fabrication d'éléments chauffants
- Radiateurs électriques tubulaires
- Batteries électriques tubulaires à ailettes
- Bloc de radiateurs électriques
- Radiateurs électriques de type cartouche
- Radiateurs électriques annulaires
- Radiateurs électriques avec thermostat
- Éléments chauffants avec thermostat
- Critères de choix
- Champ d'application
- Avantages des éléments chauffants
Caractéristiques importantes
- Ten est utile dans les cas où vous avez besoin de chauffer rapidement la pièce, vous avez besoin d'un système de chauffage supplémentaire ou vous souhaitez réduire vos coûts.
- Vous pouvez allumer l'élément chauffant dans le réseau uniquement lorsqu'il est dans l'eau.Lors de la descente d'un serpentin chauffé dans l'eau, une explosion peut se produire.
- Le principal danger pour les éléments chauffants et les thermostats sont les sels dissous dans l'eau. Cela se produit en raison de l'électricité lors du processus de chauffage de l'eau et de l'hydrolyse des sels, ce qui entraîne la formation de dépôts sur les surfaces des tubes, et souvent les sels interagissent avec les matériaux de l'appareil. Par conséquent, l'appareil contient une anode en magnésium qui, en se dissolvant progressivement, protège l'élément chauffant.
- Sur le marché, vous pouvez également acheter des éléments chauffants secs avec un thermostat. Ils sont placés dans un flacon protecteur, ils n'interagissent pas avec l'eau, et donc ils servent beaucoup plus longtemps que les appareils de chauffage conventionnels.
- S'il y a des problèmes avec la qualité de l'alimentation ou avec l'alimentation en énergie, il est préférable de connecter un stabilisateur ou une alimentation sans coupure.
- L'installation d'un radiateur nécessite d'étudier le câblage électrique de la maison et de fixer sa limite de puissance. Quel que soit le type de chauffe-eau électrique, leur puissance maximale atteint 3 kW, mais le câble électrique doit être conçu pour une charge importante. Par conséquent, il est recommandé d'installer une ligne électrique séparée. Dans ce cas, il est nécessaire de mettre la chaudière à la terre avec un fil séparé.
- L'option idéale pour connecter un élément chauffant avec un thermostat est de l'alimenter via un disjoncteur RCD. Si l'élément chauffant tombe en panne, il déconnectera l'appareil du réseau.
En suivant les instructions d'utilisation et les précautions de sécurité, vous pouvez bien sûr prolonger la durée de vie, mais il existe encore des facteurs qui perturbent le fonctionnement de l'appareil: processus de corrosion de la coque, sa rupture à la suite d'une surchauffe sévère, tension fréquente gouttes, dépressurisation générale du tube.
Dépendance de la température et de la puissance de chauffage à l'option de schéma de connexion
La puissance de chauffage est un paramètre très important sur lequel de nombreux acheteurs sont guidés lors de l'achat d'un élément chauffant. En effet, la puissance de l'élément chauffant ne dépend que de l'indice de résistance de la bobine chauffante. Bien sûr, si vous n'utilisez pas de transformateurs et que la puissance d'un certain réseau sera constante. Cette propriété de dépendance peut être facilement calculée à l'aide d'une formule simple tirée d'un cours de physique scolaire :
Puissance (P) = Tension (U) * Courant (I)
Dans ce cas, nous prenons la différence de potentiel entre les bornes de l'élément chauffant électrique comme valeur de tension, et l'intensité du courant doit être mesurée celle qui traversera la bobine de chauffage.
L'intensité du courant peut être calculée par la formule I \u003d U / R, où R est la résistance électrique de la bobine de chauffage. Maintenant, nous substituons cette valeur dans la formule de puissance, et il s'avère que la puissance de l'élément chauffant ne dépend que de la tension et de la résistance.
Ainsi, nous concluons qu'à tension constante de l'alimentation, la puissance du radiateur électrique ne changera que lorsque la résistance changera.
La valeur de résistance de l'élément résistif dans le volume des éléments chauffants dépend directement de la valeur de la température de dégagement. Mais dans les appareils de chauffage à spirale nichrome ou féchrale, par exemple, à moins de cent ou deux degrés, la résistance ne change pratiquement pas.
Dans le cas d'éléments chauffants en carbure de silicium à haute température ou de disiliciure de molybdène, la situation sera tout à fait différente. Dans les appareils de chauffage à haute température, lorsque la température augmente, la résistance chute de manière très significative dans la plage de 5 à 0,5 ohms, ce qui les rend très avantageux en termes de consommation électrique dans les fours.
Mais en raison de cette qualité des CEN haute température, ils ne peuvent pas être connectés directement même à une alimentation 220V, sans parler du 380V. Techniquement, il est possible de se connecter à des CEN 220v s'ils sont connectés en série. Cependant, avec cette méthode, il sera impossible de contrôler la puissance et la température de sortie des éléments chauffants du four. Pour connecter des appareils de chauffage de type non métallique à haute température, des transformateurs réglables spéciaux ou des dispositifs EM statiques standard doivent être utilisés.

Chez Polimernagrev, vous pouvez acheter des radiateurs électriques fabriqués spécifiquement pour être connectés à une alimentation triphasée. Il s'agit d'éléments chauffants en céramique sèche, d'éléments chauffants en bloc pour l'eau et d'éléments chauffants à trois tiges. Le type de connexion de ces appareils de chauffage dépend de l'indicateur de tension selon le schéma étoile ou triangle.
Lors de la connexion d'éléments chauffants électriques conformément au schéma TRIANGLE, trois serpentins de chauffage sont connectés, qui ont des valeurs de résistance égales et 380V seront fournis à l'alimentation électrique. La connexion des éléments chauffants STAR implique la présence d'une sortie nulle, et 220V seront fournis à chaque élément chauffant. Le fil neutre vous permet de connecter des consommateurs avec différentes valeurs de résistance.
Si vous avez encore des questions sur les types de chauffages de raccordement à un réseau triphasé, vous pouvez contacter nos spécialistes par téléphone à Moscou ou poser votre question dans le formulaire ci-dessous, nous essaierons de vous répondre en détail dans les plus brefs délais.
Caractéristiques de choix
Les radiateurs électriques conçus pour chauffer les batteries peuvent différer sur plusieurs paramètres. Par conséquent, le choix doit être abordé judicieusement
Ci-dessous, nous examinerons ce à quoi vous devez faire attention lors du choix d'un élément chauffant.
La puissance est l'un des paramètres les plus importants, car le transfert de chaleur de l'appareil en dépend. Par conséquent, tout d'abord, vous devez calculer la puissance requise pour un chauffage confortable de la pièce.
En moyenne, 1 kW de puissance est nécessaire pour 10 m 2. Pour un calcul plus précis, il est nécessaire de prendre en compte la région et la perte de chaleur de la pièce Certes, si les radiateurs sont utilisés comme élément chauffant supplémentaire, la moitié de la puissance est suffisante.
Noter! Cela n'a aucun sens d'utiliser un radiateur plus puissant que 75% de la puissance calorifique du radiateur lui-même, car ses capacités ne seront pas pleinement utilisées.

Radiateur bimétal avec élément chauffant électrique
Type de radiateur
Les éléments chauffants des radiateurs de chauffage en aluminium et des batteries bimétalliques ne diffèrent pas structurellement des éléments chauffants des appareils en fonte.
Cependant, les différences portent sur les points suivants :
- La forme de la partie externe du corps.
- Matériau du talon.
L'élément chauffant d'un radiateur en aluminium a un bouchon d'un diamètre d'un pouce. Le diamètre de la prise pour les batteries en fonte standard est de 1¼ pouces.
Par conséquent, avant d'acheter un appareil de chauffage, vous devez faire attention aux types de batteries auxquels il est destiné. Cette information est généralement contenue dans les instructions qui sont incluses dans le kit.

Longueur de l'élément chauffant
Un paramètre de sélection important est la longueur de l'élément chauffant. Comme vous pouvez le deviner, l'uniformité du chauffage de la batterie et la circulation du liquide en dépendent. En conséquence, la longueur est choisie en fonction du nombre de sections du dispositif.
Idéalement, l'élément chauffant doit être 10 cm plus court que la batterie.Dans ce cas, le chauffage du liquide sera effectué de la manière la plus homogène possible.
Automatisation
L'automatisation peut être intégrée et extérieure. Il convient de noter qu'un élément chauffant de radiateur avec un thermostat intégré est moins cher que les composants séparément. Cependant, l'électronique d'extérieur a tendance à être plus fonctionnelle.
Le choix dépend de l'objectif de l'appareil de chauffage. S'il doit être utilisé comme source de chaleur principale, une électronique externe peut être installée pour assurer un confort de chauffage maximal. S'il est prévu d'utiliser l'appareil comme appareil supplémentaire, un élément chauffant pour chauffer des radiateurs avec un thermostat dans un boîtier convient également.

Elément chauffant économique avec thermostat pour radiateur en fonte
Fabricant
Quant au fabricant, dans ce cas, le choix n'est pas si important. Le fait est que des entreprises européennes bien connues ne sont pas engagées dans la production de cet équipement. Par conséquent, sur le marché, vous pouvez généralement trouver des produits de production polonaise, ukrainienne et turque.
Tous ces éléments chauffants sont de qualité assez similaire, il convient donc de prêter plus d'attention à leurs caractéristiques. La seule chose est qu'il vaut mieux s'abstenir d'acheter des produits chinois, car les fournisseurs importent souvent les modèles les moins chers et de mauvaise qualité. Cependant, même parmi eux, des appareils de chauffage dignes sont parfois rencontrés.
Voici peut-être tous les principaux points importants lors du choix des éléments chauffants pour batteries.
L'utilisation d'éléments chauffants pour radiateurs n'apporte aucun avantage par rapport aux autres types de chauffage électrique. Cependant, ces radiateurs sont une excellente option pour chauffer toutes sortes de pièces de service.De plus, ils peuvent être utilisés comme source de chaleur supplémentaire ou d'urgence.
Vous pouvez obtenir des informations supplémentaires et utiles sur le sujet désigné à partir de la vidéo de cet article.
Inconvénients et avantages d'un radiateur de chauffage
Les radiateurs électriques de type tubulaire permettent de constituer un système de chauffage pratique et assez efficace pour le chauffage principal ou d'appoint.
Les avantages des appareils incluent:
- Extrême facilité d'installation. Chaque maître novice fera face à ce travail.
- Le faible coût de l'appareil se réfère cependant au prix d'un élément chauffant, sans équipement supplémentaire.
- Plus grande fiabilité par rapport aux refroidisseurs d'huile. De plus, les batteries avec éléments chauffants sont maintenables. Si l'équipement tombe en panne, il suffira de remplacer l'appareil de chauffage.
- Disponibilité d'options et de fonctionnalités supplémentaires.
- La possibilité de contrôle automatique du système de chauffage, mais cela nécessitera un équipement supplémentaire.
Nous avons répertorié les principaux avantages des éléments chauffants de radiateur, considérons leurs inconvénients importants. Il y en a plusieurs. Tout d'abord, ce sont des coûts d'exploitation impressionnants, qui s'expliquent par le coût élevé de l'électricité. Ils peuvent être réduits si le contrôle du système de chauffage est entièrement automatisé.
Dans ce cas, les éléments chauffants ne s'allumeront que lorsque la température dans la pièce aura atteint une certaine valeur minimale. Et éteignez lorsque la température est déterminée comme confortable. Travailler dans ce mode est le plus économique.

Les éléments chauffants de radiateur de conception les plus simples ne sont pas équipés d'un contrôle automatique. Pour automatiser un tel système, vous devrez acheter du matériel supplémentaire.
Cependant, les équipements d'automatisation nécessiteront des investissements financiers. Si l'on considère l'achat d'un élément chauffant complet avec radiateur et automatisation, le coût d'un tel kit sera bien supérieur au prix d'un convecteur électrique ou d'un refroidisseur d'huile.
Mais en même temps, ces derniers ne sont en rien inférieurs en termes de niveau de confort fourni, et surpassent même à certains égards les radiateurs à éléments chauffants. Par exemple, ces derniers nécessitent une installation fixe, tandis que les convecteurs électriques et les refroidisseurs d'huile sont plus mobiles et compacts.
De plus, comme tout autre appareil électrique, les éléments chauffants génèrent un champ magnétique pendant le fonctionnement. Son danger pour le corps n'a pas été prouvé, ainsi que la sécurité. Par conséquent, la présence d'un tel champ doit être attribuée aux qualités négatives des appareils, car ils sont montés dans des radiateurs, c'est-à-dire qu'ils sont à proximité des personnes.
Dans d'autres systèmes de chauffage alimentés à l'électricité, cet inconvénient est dans une certaine mesure compensé. Par exemple, les chaudières électriques sont situées dans des locaux non résidentiels où la présence d'une personne est de courte durée.
L'un des inconvénients les plus importants des éléments chauffants à radiateur est leur efficacité relativement faible. Par rapport à l'efficacité des systèmes traditionnels fonctionnant avec un caloporteur liquide, elle sera nettement inférieure.
Cela est dû au fait que dans le premier cas, le liquide de refroidissement se déplace à une vitesse assez élevée. Grâce à cela, le radiateur se réchauffe assez rapidement et complètement.

Pour augmenter le transfert de chaleur des radiateurs équipés d'éléments chauffants, vous pouvez recouvrir le mur sur lequel l'appareil est fixé d'un écran en feuille réfléchissante. Le rayonnement thermique ne se déplacera que dans la pièce
Le fonctionnement du réchauffeur n'est pas en mesure de fournir une vitesse aussi élevée. En conséquence, le chauffage du boîtier de la batterie sera inégal. En bas, la température sera beaucoup plus élevée qu'en haut.
Étant donné que pour des raisons de sécurité, la batterie ne doit pas chauffer au-dessus de + 70ºС, une telle température ne sera présente que dans la partie inférieure du radiateur, où se trouve l'élément chauffant. Par conséquent, afin d'éviter une surchauffe de l'équipement, il sera nécessaire de réduire sa puissance d'environ un tiers.
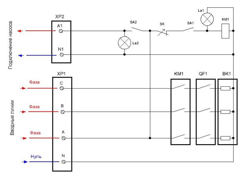
Schéma de connexion électrique
Quant à assurer la sécurité lors de la connexion de la tension, ici l'ensemble du circuit doit être alimenté uniquement par un différentiel ou une machine différentielle avec un courant de fuite de 30mA.
Erreur #14
Un simple automate modulaire ne convient pas pour cela.

Sinon, vous devrez vous déplacer à proximité de ce miracle uniquement avec des bottes et des gants en caoutchouc. Les ombres d'eau sont détruites au fil du temps et le serpentin de chauffage, initialement protégé par la coque, est exposé.
Au contact de l'eau, le courant circule dans le boîtier métallique de l'appareil de chauffage. Dès que vous touchez l'une des sections, vous serez sous tension.
Quelque chose de similaire se produit dans les titans électriques ou les chaudières, lorsque l'eau du robinet commence à "pincer" et à "choquer".
UZO sauve de tout cela. Certes, il ne fonctionnera seul que lorsque la batterie sera mise à la terre.
Sinon, le RCD attendra que vous touchiez la batterie avec votre main. Commencer à assommer le RCD - changer immédiatement l'élément chauffant.
Le thermostat lui-même est relié par un fil souple PVA 3*2.5mm2.
D'un côté du fil, une prise euro est montée, qui est coincée dans la prise la plus proche.
Ne serrez pas un fil toronné sans cosses sous les vis du thermostat.
Cela est particulièrement vrai pour les éléments chauffants puissants de 1,5 à 2,0 kW. Les extrémités des noyaux doivent être serties avec des manchons NShVI pour un contact fiable.
Erreur #15
Un autre problème est les contacts exposés sur le relais thermique.
S'il y a de jeunes enfants et des animaux domestiques dans la maison, c'est très dangereux.
Certains maîtres conseillent de fermer le thermostat par le haut avec un boîtier en plastique de la prise. Il correspond juste au diamètre.
Comment connecter un thermostat à un radiateur infrarouge
L'utilisation du thermostat est très pratique, il vous suffit de déterminer comment connecter correctement le thermostat au radiateur infrarouge afin d'obtenir le maximum d'effet de l'utilisation de cet appareil.
Matériel nécessaire
La préparation de l'installation du thermostat ne prendra pas beaucoup de temps, ainsi que l'installation elle-même. Même en l'absence d'expérience dans la connexion de thermostats, tous les travaux peuvent être facilement effectués indépendamment.
Mais si vous n'avez pas d'expérience avec les équipements électriques et que même l'installation d'une prise est difficile, et que vous n'êtes pas familier avec le principe de fonctionnement d'un tournevis indicateur, vous ne devriez pas essayer de comprendre comment connecter un thermostat mécanique ou électronique. Dans de tels cas, il est plus sûr de confier ce travail à un professionnel.
Pour ceux qui connaissent bien l'électricité et savent avec certitude que les appareils et équipements doivent être mis hors tension avant le travail, il est nécessaire de préparer un tel ensemble d'outils :
- Perceuse ou tournevis. Ils sont uniquement nécessaires pour percer un trou dans le mur pour le montage du thermostat.
- Pince pour travailler avec des câbles électriques.
- Tournevis ou testeur d'indicateur.
- Crayon, ruban à mesurer. Ils aideront à déterminer et à désigner l'endroit où le contrôleur de température sera situé.
De plus, pour le travail, vous aurez besoin d'un câble électrique qui reliera le thermostat et le dispositif de chauffage infrarouge, d'une prise pliable et de matériel pour fixer le régulateur et fixer le câble. Lorsque les matériaux et les outils sont préparés, vous pouvez commencer le marquage et l'installation.
Thermostat électronique qui contrôle le fonctionnement du chauffage IR
Schéma de câblage
Le schéma de connexion du thermostat à un radiateur domestique infrarouge est sélectionné en fonction de l'appareil utilisé, de l'expérience et des connaissances du spécialiste de l'installation électrique.
Standard
Dans le schéma standard, le thermostat est installé dans un réseau prêt à l'emploi entre l'appareil de chauffage lui-même et le disjoncteur sur le bouclier. Le point de départ du réseau sera l'automate. Deux fils en partent - phase et zéro, qui sont connectés aux contacts correspondants du thermostat. Deux fils proviennent également du thermostat, qui sont déjà connectés au radiateur.
Ce schéma est également pratique si deux ou trois radiateurs doivent être connectés à un thermostat. Situés dans des pièces différentes, ils assurent la même température dans tout l'appartement. Pour leur bon fonctionnement, la connexion se fait de cette manière :
- Deux fils relient la machine au thermostat : phase et zéro.
- Deux fils pour chaque élément chauffant partent de la machine.
- Les radiateurs infrarouges ne sont pas connectés les uns aux autres.
La connexion parallèle vous permet de contrôler en toute sécurité plusieurs appareils à la fois, sans acheter de contrôleurs supplémentaires pour chacun d'eux.
Options de connexion des radiateurs infrarouges via un thermostatImportant : pour plusieurs radiateurs, la connexion en série est autorisée. Mais il est considéré comme moins pratique, il est donc utilisé extrêmement rarement.
Avec un démarreur magnétique
Ce circuit est un peu plus compliqué et prendra un peu plus de temps. Mais grâce à l'utilisation d'équipements supplémentaires sous la forme d'un démarreur magnétique, il est possible de connecter plusieurs appareils de chauffage à un thermostat à la fois, y compris des équipements de puissance supérieure, des systèmes industriels.
Les appareils sont connectés dans l'ordre suivant :
- A l'aide d'un câble (phase et zéro), un thermostat est relié à la machine.
- Par les bornes de sortie, le thermostat est connecté au démarreur magnétique.
- Le démarreur magnétique est connecté à des appareils de chauffage.
Dans ce cas, le circuit de connexion du démarreur magnétique est calculé individuellement. Cela garantira le fonctionnement sûr et efficace des appareils.
Avec un démarreur magnétique
Méthodes de connexion
Il convient de noter que les éléments chauffants pour chaudières peuvent être montés dans l'appareil soit un à la fois, soit plusieurs à la fois.
Connexion parallèle
Cette option de connexion doit répondre à certaines exigences.
- La tension à la fois dans le réseau électrique et dans chaque élément individuel doit être la même.
- Pour déterminer la puissance totale de la chaudière, vous devez additionner la puissance de tous les éléments installés.
- Si, pour une raison quelconque, l'un des éléments chauffants tombe en panne, le circuit continuera de fonctionner. Dans ce cas, la seule chose à faire est de changer l'élément cassé.
Connexion en série
La deuxième option consiste à se connecter en série.Dans ce cas, il est nécessaire de respecter les principes de travail:
- Si l'un des éléments chauffants tombe en panne, le fonctionnement de l'ensemble du réseau sera interrompu.
- Pour connaître la résistance totale, il faut additionner toutes les résistances du réseau.
- La tension totale ne peut pas être supérieure à la tension totale de tous les éléments chauffants.
Méthode combinée
Compte tenu de ce schéma, différentes options de connexion doivent être utilisées dans plusieurs sections du circuit électrique. Très souvent, la méthode combinée est conseillée s'il est impossible d'acheter des éléments chauffants de la puissance requise. Dans ce cas, les éléments chauffants disponibles sont installés et la valeur requise est obtenue à l'aide de différentes méthodes de connexion.

Caractéristiques de choix
Les radiateurs électriques conçus pour chauffer les batteries peuvent différer sur plusieurs paramètres. Par conséquent, le choix doit être abordé judicieusement
Ci-dessous, nous examinerons ce à quoi vous devez faire attention lors du choix d'un élément chauffant.
La puissance est l'un des paramètres les plus importants, car le transfert de chaleur de l'appareil en dépend. Par conséquent, tout d'abord, vous devez calculer la puissance requise pour un chauffage confortable de la pièce.
En moyenne, 1 kW de puissance est nécessaire pour 10 m 2. Pour un calcul plus précis, il est nécessaire de prendre en compte la région et la perte de chaleur de la pièce Certes, si les radiateurs sont utilisés comme élément chauffant supplémentaire, la moitié de la puissance est suffisante.
Noter! Cela n'a aucun sens d'utiliser un radiateur plus puissant que 75% de la puissance calorifique du radiateur lui-même, car ses capacités ne seront pas pleinement utilisées.

Radiateur bimétal avec élément chauffant électrique
Type de radiateur
Les éléments chauffants des radiateurs de chauffage en aluminium et des batteries bimétalliques ne diffèrent pas structurellement des éléments chauffants des appareils en fonte.
Cependant, les différences portent sur les points suivants :
- La forme de la partie externe du corps.
- Matériau du talon.
L'élément chauffant d'un radiateur en aluminium a un bouchon d'un diamètre d'un pouce. Le diamètre de la prise pour les batteries en fonte standard est de 1¼ pouces.
Par conséquent, avant d'acheter un appareil de chauffage, vous devez faire attention aux types de batteries auxquels il est destiné. Cette information est généralement contenue dans les instructions qui sont incluses dans le kit.

Longueur de l'élément chauffant
Un paramètre de sélection important est la longueur de l'élément chauffant. Comme vous pouvez le deviner, l'uniformité du chauffage de la batterie et la circulation du liquide en dépendent. En conséquence, la longueur est choisie en fonction du nombre de sections du dispositif.
Idéalement, l'élément chauffant doit être 10 cm plus court que la batterie. Dans ce cas, le chauffage du liquide sera effectué de la manière la plus homogène possible.
Automatisation
L'automatisation peut être intégrée et extérieure. Il convient de noter qu'un élément chauffant de radiateur avec un thermostat intégré est moins cher que les composants séparément. Cependant, l'électronique d'extérieur a tendance à être plus fonctionnelle.
Le choix dépend de l'objectif de l'appareil de chauffage. S'il doit être utilisé comme source de chaleur principale, une électronique externe peut être installée pour assurer un confort de chauffage maximal. S'il est prévu d'utiliser l'appareil comme appareil supplémentaire, un élément chauffant pour chauffer des radiateurs avec un thermostat dans un boîtier convient également.

Elément chauffant économique avec thermostat pour radiateur en fonte
Fabricant
Quant au fabricant, dans ce cas, le choix n'est pas si important.Le fait est que des entreprises européennes bien connues ne sont pas engagées dans la production de cet équipement. Par conséquent, sur le marché, vous pouvez généralement trouver des produits de production polonaise, ukrainienne et turque.
Tous ces éléments chauffants sont de qualité assez similaire, il convient donc de prêter plus d'attention à leurs caractéristiques. La seule chose est qu'il vaut mieux s'abstenir d'acheter des produits chinois, car les fournisseurs importent souvent les modèles les moins chers et de mauvaise qualité. Cependant, même parmi eux, des appareils de chauffage dignes sont parfois rencontrés.
Voici peut-être tous les principaux points importants lors du choix des éléments chauffants pour batteries.
L'utilisation d'éléments chauffants pour radiateurs n'apporte aucun avantage par rapport aux autres types de chauffage électrique. Cependant, ces radiateurs sont une excellente option pour chauffer toutes sortes de pièces de service. De plus, ils peuvent être utilisés comme source de chaleur supplémentaire ou d'urgence.
Vous pouvez obtenir des informations supplémentaires et utiles sur le sujet désigné à partir de la vidéo de cet article.
Possibilité de raccordement à un réseau d'alimentation triphasé de type TRIANGLE
Considérez dans le schéma la deuxième option pour connecter des éléments chauffants à un réseau triphasé appelé TRIANGLE.

Avec cette option, les radiateurs sont connectés les uns aux autres en série. En conséquence, nous devrions avoir trois épaules pour les phases A, B et C. Par exemple :
-
Pour la phase A - on connecte la première sortie de l'élément chauffant n°1 et la première sortie de l'élément chauffant n°2
-
Pour la phase B - nous connectons la deuxième sortie de l'élément chauffant n° 2 et la deuxième sortie de l'élément chauffant n° 3
-
Pour la phase C - on connecte la deuxième sortie de l'élément chauffant n°1 et la première sortie de l'élément chauffant n°3
Maintenant que nous nous sommes familiarisés avec deux types de connexion d'éléments chauffants, nous pouvons considérer la dépendance de la puissance et de la température des appareils de chauffage sur le type de schéma de connexion.
Caractéristiques générales et principe de fonctionnement
Un radiateur de chauffage est un appareil qui peut être utilisé comme appareil de chauffage supplémentaire ou principal. L'appareil est constitué d'un corps métallique cylindrique. Une spirale de cuivre ou un fil d'acier est monté au milieu de celui-ci. Les parties internes sont isolées.
Le réchauffeur, conçu pour les radiateurs, est équipé d'un thermostat. De ce fait, l'appareil peut être utilisé à la fois pour le chauffage et pour le contrôle de la température.
Le principe de fonctionnement de tels appareils électriques est assez simple:
- un radiateur électrique tubulaire est installé dans la batterie ;
- l'élément chauffant est connecté au réseau électrique ;
- les bobines sont chauffées, grâce à quoi la chaleur est fournie au liquide de refroidissement.

À quoi ressemble l'élément chauffant du radiateur Le réglage de la température requise est autorisé s'il y a un régulateur dans l'appareil. Lorsque le niveau du mode spécifié est atteint, le circuit électrique est ouvert et l'élément chauffant est éteint. Lorsque la température tombe en dessous de la limite supérieure réglée, le chauffage automatique a lieu. Vous pouvez connecter l'élément chauffant à presque toutes les batteries.
Variétés et méthodes de fabrication d'éléments chauffants
Les éléments chauffants électriques modernes ont une résistance élevée et la capacité de changer de forme et de taille sous l'influence de températures élevées sans compromettre leurs caractéristiques techniques.Ils sont utilisés non seulement dans les appareils de chauffage domestiques, mais également dans les appareils industriels. Certes, dans ce dernier, des analogues plus puissants de grande taille sont installés. Tous les éléments chauffants modernes ont un taux élevé de fonctionnement à long terme.
Les fabricants produisent deux types d'éléments chauffants, qui diffèrent par leur fabrication. Il y a des produits qui sont fabriqués en série et d'autres qui sont fabriqués en petites quantités. Ils correspondent généralement à des demandes spécifiques des clients. Ils sont utilisés dans des installations de chauffage spéciales avec des exigences spécifiques. Soit dit en passant, le prix du second est beaucoup plus élevé que le premier.
Radiateurs électriques tubulaires
Il s'agit du type d'éléments chauffants le plus courant, qui est utilisé dans presque tous les appareils de chauffage électriques. À l'aide d'analogues tubulaires, le caloporteur est chauffé selon le principe de la convection, du rayonnement et de la conductivité thermique à la suite de la conversion de l'énergie électrique en énergie thermique.
Un tel élément chauffant présente les caractéristiques suivantes :
- Le diamètre du tube est de 6,0 à 18,5 millimètres.
- La longueur de l'élément chauffant est de 20 à 600 centimètres.
- Le tube peut être en acier, en inox ou en titane (dispositif très coûteux).
- Configuration de l'appareil - illimitée.
- Paramètres (puissance, performances, etc.) - comme convenu avec le client.
Batteries électriques tubulaires à ailettes
Utilisé pour chauffer l'air ou le gaz qui chauffe une pièce
Les TENR sont le même réchauffeur électrique tubulaire uniquement avec des ailettes situées dans des plans perpendiculaires à l'axe du tube chauffant. En règle générale, les ailettes sont constituées de ruban métallique et fixées au tube avec des écrous et des rondelles de serrage spéciaux.L'appareil de chauffage lui-même est en acier inoxydable ou en acier de construction.
Ce type de radiateur électrique est utilisé pour chauffer l'air ou le gaz qui chauffe la pièce. Ils sont souvent utilisés dans les appareils de chauffage tels que les rideaux thermiques et les convecteurs - où le chauffage est nécessaire à l'aide d'air chauffé.
Bloc de radiateurs électriques
Le TENB n'est utilisé que s'il est nécessaire d'augmenter la puissance du chauffage électrique. Ils sont généralement installés dans des appareils dans lesquels le liquide de refroidissement est un liquide ou tout matériau en vrac.
Une caractéristique de conception distinctive de l'élément chauffant est sa fixation au dispositif de chauffage. Il peut être fileté ou bridé. Un élément chauffant de type bloc avec des brides pliables est particulièrement populaire aujourd'hui. Un tel élément chauffant peut être utilisé à plusieurs reprises pour différents appareils. L'élément chauffant brûlé peut être retiré et un nouveau peut être mis à sa place.
Radiateurs électriques de type cartouche
Pour les systèmes de chauffage, ce type n'est pas utilisé.
Pour les systèmes de chauffage, ce type n'est pas utilisé. Il est utilisé comme partie d'un moule pour créer n'importe quel produit, car il fait partie de l'équipement industriel. On ne les trouve pas dans la vie de tous les jours, mais il faut les mentionner, car ce type d'éléments chauffants rentre dans la catégorie des « radiateurs électriques tubulaires ».
Une caractéristique distinctive de cet analogue est une coque en acier inoxydable, qui est polie au maximum. Ceci est nécessaire pour que l'élément chauffant puisse entrer dans le moule avec un écart minimum entre le tube et les parois du moule. L'écart standard ne doit pas dépasser 0,02 mm. C'est à quel point ça devrait être serré.
Radiateurs électriques annulaires
Ce type d'élément chauffant est également utilisé uniquement dans les installations industrielles. Leur but est de chauffer les injecteurs, les buses d'injection et les équipements de moulage par injection.
Radiateurs électriques avec thermostat
Résistance avec thermostat TECHNO 2 kW
C'est l'élément chauffant le plus courant aujourd'hui, qui est utilisé pour chauffer des liquides. C'est lui qui est installé dans tous les appareils électroménagers associés au chauffage de l'eau. La température maximale de la chaleur dégagée est de +80C.
Il est fabriqué à partir de fil de nickel-chrome, qui est rempli à l'intérieur du tube d'une poudre comprimée spéciale. La poudre est de l'oxyde de magnésium, qui est un bon isolant du courant électrique, mais qui a en même temps une conductivité thermique élevée.
Éléments chauffants avec thermostat
Un élément chauffant pour le chauffage avec des thermostats est installé sur tous les appareils de chauffage ménagers sans exception, où le liquide est utilisé comme caloporteur. La température maximale de chauffe du liquide de refroidissement est de 80°C.
L'élément chauffant avec régulateur de température intégré se compose d'un élément chauffant et d'un capteur de température avec régulateur de température.
Critères de choix
Lors du choix d'un radiateur électrique tubulaire avec thermostat, vous devez faire attention à plusieurs points importants:
- Matériau des tubes. Le corps de l'élément chauffant peut être en acier inoxydable résistant aux acides ou en cuivre plus durable. En règle générale, le tube extérieur a un diamètre de 13 mm, mais il existe également des options budgétaires moins puissantes avec des diamètres de 10 ou 8 mm ;
- Fonctionne dans l'eau et les solutions alcalines faibles. Dans le marquage de l'appareil, cela est indiqué par la lettre P avant la désignation de la tension de fonctionnement ;
- Du pouvoir.Afin de ne pas surcharger le câblage domestique, il est préférable d'acheter un élément chauffant d'une puissance maximale de 2,5 kW, sinon il faudra poser à partir du blindage un câble séparé d'une section plus grande;
- Dispositif de capteur thermique. Pour que le capteur de température défectueux puisse être facilement séparé et remplacé par un nouveau, il doit être situé avec le thermostat dans un tube séparé et peut être facilement retiré de celui-ci. Un capteur thermique défaillant provoque l'arrêt de l'élément chauffant à basse température.
Champ d'application
- dans les radiateurs pour organiser le chauffage temporaire;
- dans un réservoir de douche où un chauffage temporaire de l'eau est nécessaire.
Autrement dit, pour une utilisation temporaire, un élément chauffant avec thermostat est l'appareil le moins cher avant le début de l'exploitation. Un modèle économique avec accessoires ne coûtera probablement pas plus de 5 à 6 $, et le monter vous-même ne sera pas un problème, car tout appareil est livré avec des instructions d'installation.
Les radiateurs électriques tubulaires sont inclus dans tout équipement électrique associé au chauffage. Avec le développement de la science et de la technologie, ils sont améliorés, deviennent plus économiques, plus sûrs et acquièrent des fonctions utiles supplémentaires. Et de moins en moins d'appareils faits maison sont utilisés, qui sont peu coûteux à installer, mais en termes de performances et, surtout, de sécurité, sont loin des appareils assemblés en usine.
Avantages des éléments chauffants
Les éléments chauffants (éléments chauffants) ont de nombreuses caractéristiques positives:
- économie et efficacité - lors de la conversion de l'électricité en chaleur, il n'y a pratiquement aucune perte d'énergie;
- installation simple - un élément chauffant pour une batterie de chauffage peut même être installé indépendamment et pour cela, il n'est pas nécessaire de délivrer un permis spécial dans divers cas.Chaque appareil est accompagné d'une notice constructeur détaillée expliquant la procédure de connexion et les règles de fonctionnement ;
- durabilité - elle est obtenue grâce au chromage et au nickelage;
- compacité;
- sécurité;
- un radiateur électrique avec thermostat pour le chauffage capillaire vous permet de contrôler la température avec une grande précision;
- économiser la consommation d'électricité permet à l'appareil de fonctionner avec des impulsions ;
- coût abordable;
- disponibilité de fonctions supplémentaires.

Outre les qualités positives, un tel dispositif en tant qu'élément chauffant pour batteries chauffantes présente plusieurs inconvénients:
- coût élevé du chauffage électrique des locaux d'habitation en raison des prix de l'électricité ;
- pas dans toutes les implantations sur le territoire du pays, l'alimentation électrique de la sous-station permet l'utilisation de ces appareils.














































