Relais thermique pour un moteur électrique: principe de fonctionnement, appareil, comment choisir

Comment choisir un relais thermique pour un moteur électrique 380v - conseil de l'électricien

Conception de relais thermiques

Les relais thermiques de tous types ont un dispositif similaire. L'élément le plus important de chacun d'entre eux est une plaque bimétallique sensible.

La valeur du courant de déclenchement est influencée par les indicateurs de température de l'environnement dans lequel le relais fonctionne. Une augmentation de la température réduit le temps de réponse.

Afin de minimiser cette influence, les développeurs d'appareils choisissent la température bimétallique la plus élevée possible. Dans le même but, certains relais sont équipés d'une plaque de compensation supplémentaire.

Le dispositif se compose d'un corps (1), d'une plaque bimétallique (2), d'un poussoir (3), d'une plaque d'actionnement (4), d'un ressort (5), d'une vis de réglage (6), d'une plaque de compensation (7), des contacts (8), un excentrique (9), des boutons arrière (10)

Si des éléments chauffants en nichrome sont inclus dans la conception du relais, ils sont connectés en parallèle, en série ou en parallèle-série avec une plaque.

La valeur du courant dans le bilame est régulée à l'aide de shunts. Toutes les pièces sont intégrées au corps. L'élément bimétallique en forme de U est fixé sur l'axe.

Le ressort hélicoïdal repose contre une extrémité de la plaque. A l'autre extrémité, il repose sur un bloc isolant équilibré, il tourne autour d'un axe et sert de support à un pont de contacts équipé de contacts en argent.

Pour coordonner le courant de réglage, la plaque bimétallique est reliée à son mécanisme par son extrémité gauche. L'ajustement se produit en raison de l'influence sur la déformation primaire de la plaque.

Si l'amplitude des courants de surcharge devient égale ou supérieure aux réglages, le bloc isolant tourne sous l'influence de la plaque. Lors de son basculement, le contact d'ouverture de l'appareil est coupé.

Luminaire TRT en coupe. Ici les éléments principaux sont : boîtier (1), mécanisme de réglage (2), bouton (3), axe (4), contacts en argent (5), pont de contacts (6), bloc isolant (7), ressort (8), plaque bimétallique (9), axe (10)

Le relais revient automatiquement à sa position d'origine. Le processus d'auto-retour ne prend pas plus de 3 minutes à partir du moment où la protection est activée. La réinitialisation manuelle est également possible, pour cela une clé de réinitialisation spéciale est fournie.

Lors de son utilisation, l'appareil reprend sa position d'origine en 1 minute. Pour activer le bouton, tournez-le dans le sens inverse des aiguilles d'une montre jusqu'à ce qu'il s'élève au-dessus du corps. Le courant de réglage est généralement indiqué sur l'étiquette.

Principe d'opération

Vous avez appris à quoi ressemble un relais thermique, allons-y maintenant et vous expliquons comment fonctionne cet appareil. Comme nous l'avons dit précédemment, RT protège le moteur d'une surcharge prolongée.

Relais thermique pour un moteur électrique: principe de fonctionnement, appareil, comment choisir

Chaque moteur a une plaque signalétique avec le courant de fonctionnement nominal. Il existe des mécanismes dans lesquels il est possible de dépasser le courant de fonctionnement, à la fois lors du démarrage et pendant le processus de travail. Avec une exposition prolongée à de telles surcharges, les enroulements surchauffent, l'isolation est détruite et le moteur lui-même tombe en panne.

Relais thermique pour un moteur électrique: principe de fonctionnement, appareil, comment choisir

Ce relais de protection thermique est conçu pour agir sur les circuits de commande en coupant le circuit, en ouvrant des contacts ou en donnant un signal d'avertissement au personnel de service en fermant des contacts. Le dispositif est installé après le contacteur de démarrage dans le circuit de puissance avant le moteur électrique afin de contrôler le courant passant.

Les paramètres sont définis vers le haut à partir du courant nominal du moteur, de 10 à 20%, selon les données du passeport. La machine ne s'éteint pas immédiatement, mais après un certain temps. Tout dépend de la température ambiante et du courant de surcharge, et peut varier de 5 à 20 minutes. Un paramètre mal sélectionné entraînera un fonctionnement erroné ou l'ignorance de la surcharge et de la panne de l'équipement.

Désignation graphique de l'appareil sur le schéma selon GOST :

Relais thermique pour un moteur électrique: principe de fonctionnement, appareil, comment choisir

Vous pouvez en savoir plus sur le fonctionnement d'un relais thermique et son fonctionnement en regardant cette vidéo :

Le dispositif et le principe de fonctionnement du PTT

Que faire si les détails du passeport ne sont pas connus ?

Pour ce cas, nous recommandons d'utiliser une pince ampèremétrique ou un multimètre C266 dont la conception comprend également une pince ampèremétrique.À l'aide de ces appareils, vous devez déterminer le courant du moteur en fonctionnement en le mesurant par phases.

Dans le cas où les données sont partiellement lues sur le tableau, nous plaçons un tableau avec les données de passeport des moteurs asynchrones largement utilisés dans l'économie nationale (type AIR). Avec lui, il est possible de déterminer In.

Relais thermique pour un moteur électrique: principe de fonctionnement, appareil, comment choisir

D'ailleurs, nous avons récemment examiné le principe de fonctionnement et le dispositif des relais thermiques, avec lesquels nous vous recommandons vivement de vous familiariser !

En fonction de la charge actuelle, le temps de réponse de la protection sera également différent, à 125 %, il devrait être d'environ 20 minutes. Le schéma ci-dessous montre la courbe vectorielle du rapport de courant en fonction de In et du temps de fonctionnement.

Relais thermique pour un moteur électrique: principe de fonctionnement, appareil, comment choisir

Enfin, nous vous recommandons de regarder une vidéo utile sur le sujet :

Nous espérons qu'après avoir lu notre article, vous aurez compris comment choisir un relais thermique pour le moteur en fonction du courant nominal, ainsi que de la puissance du moteur électrique lui-même. Comme vous pouvez le constater, les conditions de choix d'un appareil ne sont pas difficiles, car. sans formules ni calculs complexes, vous pouvez choisir la dénomination appropriée à l'aide du tableau !

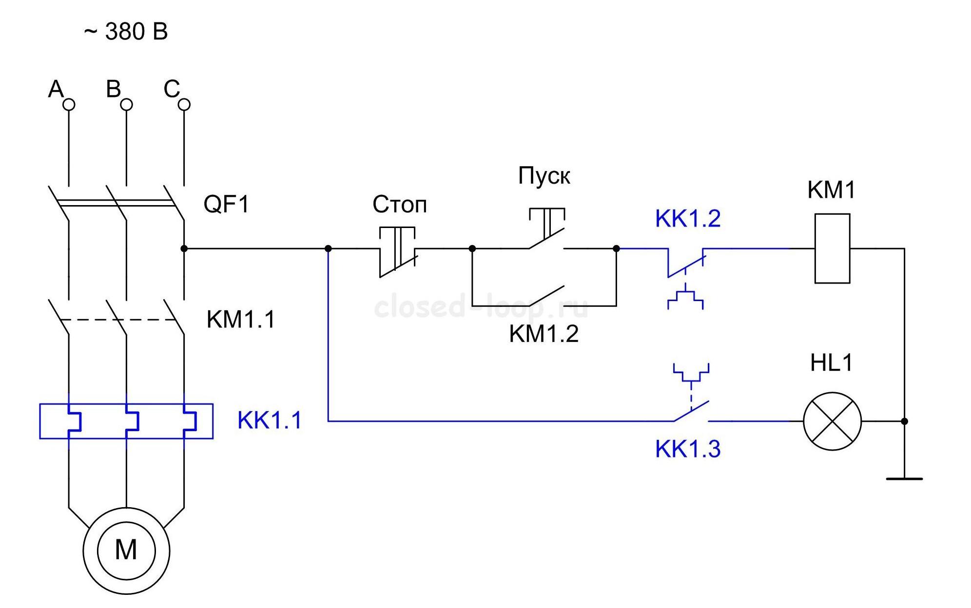
Dans un circuit avec un relais thermique, un contact de relais normalement fermé est utilisé. QC1.1 dans le circuit de commande du démarreur, et trois contacts de puissance KK1par lequel la puissance est fournie au moteur.

Lorsque le disjoncteur est activé QF1 phase "MAIS”, alimentant les circuits de commande, à travers le bouton SB1 "Stop" va au contact n°3 du bouton SB2 Démarrage, contact auxiliaire 13NO entrée KM1, et reste en service à ces contacts. Le circuit est prêt à démarrer.

En appuyant sur le bouton SB2 phase par contact normalement fermé QC1.1 pénètre dans la bobine du démarreur magnétique KM1, le démarreur fonctionne et ses contacts normalement ouverts sont fermés, et les contacts normalement fermés sont ouverts.

Relais thermique pour un moteur électrique: principe de fonctionnement, appareil, comment choisir

Lorsque le contact est fermé KM1.1 le démarreur se lève sur auto-ramassage. Lors de la fermeture des contacts de puissance KM1 phase "MAIS», «À», «DE» via des contacts de relais thermiques KK1 entrer dans les enroulements du moteur et le moteur commence à tourner.

Avec une augmentation du courant de charge à travers les contacts de puissance du relais thermique KK1, le relais fonctionnera, contactez QC1.1 ouvert et démarreur KM1 hors tension.

S'il devient nécessaire d'arrêter simplement le moteur, il suffira d'appuyer sur le bouton "Arrêt". Les contacts du bouton se briseront, la phase sera interrompue et le démarreur sera désexcité.

Les photographies ci-dessous montrent une partie du schéma de câblage des circuits de commande :

Relais thermique pour un moteur électrique: principe de fonctionnement, appareil, comment choisir

Relais thermique pour un moteur électrique: principe de fonctionnement, appareil, comment choisir

Le schéma de principe suivant est similaire au premier et ne diffère que par le contact normalement fermé du relais thermique (95 – 96) casse le zéro du démarreur. C'est ce schéma qui s'est répandu en raison de la commodité et de l'économie d'installation: le zéro est immédiatement mis au contact du relais thermique et un cavalier est jeté du deuxième contact du relais à la bobine de démarrage.

Relais thermique pour un moteur électrique: principe de fonctionnement, appareil, comment choisir

Lorsque le thermostat est déclenché, le contact QC1.1 s'ouvre, "zéro" se coupe et le démarreur est désexcité.

Relais thermique pour un moteur électrique: principe de fonctionnement, appareil, comment choisir

Et en conclusion, considérons le raccordement d'un relais électrothermique dans un circuit de commande de démarreur réversible.

Il, comme le circuit avec un démarreur, ne diffère du circuit typique que par la présence d'un contact de relais normalement fermé QC1.1 dans le circuit de commande, et trois contacts de puissance KK1par lequel le moteur est alimenté.

Lire aussi :  4 méthodes de travail pour prolonger la durée de vie de la bouilloire électrique

Relais thermique pour un moteur électrique: principe de fonctionnement, appareil, comment choisir

Lorsque la protection est déclenchée, les contacts QC1.1 pause et éteignez "zéro". Un démarreur en marche est désexcité et le moteur s'arrête. S'il devient nécessaire d'arrêter simplement le moteur, il suffit d'appuyer sur le bouton "Arrêt».

Ainsi, l'histoire du démarreur magnétique est arrivée à sa conclusion logique.
Il est clair que les connaissances théoriques seules ne suffisent pas. Mais si vous pratiquez, vous pouvez assembler n'importe quel circuit à l'aide d'un démarreur magnétique.

Et déjà, selon la tradition établie, une courte vidéo sur l'utilisation d'un relais électrothermique.

Nuances lors de l'installation de l'appareil

La vitesse de réponse du module thermique peut être affectée non seulement par des surcharges de courant, mais également par des indicateurs de température externes. La protection fonctionnera même en l'absence de surcharges.

Il arrive également que sous l'effet d'une ventilation forcée, le moteur soit soumis à une surcharge thermique, mais la protection ne fonctionne pas.

Pour éviter de tels phénomènes, vous devez suivre les recommandations d'experts:

  1. Lors du choix d'un relais, concentrez-vous sur la température de réponse maximale autorisée.
  2. Montez la protection dans la même pièce que l'objet à protéger.
  3. Pour l'installation, choisissez un endroit où il n'y a pas de sources de chaleur ou d'appareils de ventilation.
  4. Il est nécessaire d'ajuster le module thermique en se concentrant sur la température ambiante réelle.
  5. La meilleure option est la présence d'une compensation thermique intégrée dans la conception du relais.

Une option supplémentaire du relais thermique est la protection en cas de défaillance d'une phase ou d'un réseau d'alimentation complet. Pour les moteurs triphasés, ce moment est particulièrement pertinent.

Relais thermique pour un moteur électrique: principe de fonctionnement, appareil, comment choisirLe courant dans le relais thermique se déplace en série à travers son module de chauffage et vers le moteur. L'appareil est connecté à l'enroulement du démarreur par des contacts supplémentaires (+)

En cas de panne d'une phase, les deux autres consomment un courant plus important. En conséquence, une surchauffe se produit rapidement, puis s'arrête. Si le relais est inefficace, le moteur et le câblage peuvent tomber en panne.

Le dispositif et le fonctionnement du relais électrothermique.

Le relais électrothermique fonctionne avec un démarreur magnétique. Avec ses contacts à broches en cuivre, le relais est connecté aux contacts de puissance de sortie du démarreur. Le moteur électrique, respectivement, est connecté aux contacts de sortie du relais électrothermique.

Relais thermique pour un moteur électrique: principe de fonctionnement, appareil, comment choisir

Relais thermique pour un moteur électrique: principe de fonctionnement, appareil, comment choisir

À l'intérieur du relais thermique, il y a trois plaques bimétalliques, chacune étant soudée à partir de deux métaux avec un coefficient de dilatation thermique différent. Les plaques à travers une "bascule" commune interagissent avec le mécanisme du système mobile, qui est connecté à des contacts supplémentaires impliqués dans le circuit de protection du moteur :

1. Normalement fermé NC (95 - 96) sont utilisés dans les circuits de commande de démarreur ;
2. Normalement ouvert NON (97 - 98) sont utilisés dans les circuits de signalisation.

Relais thermique pour un moteur électrique: principe de fonctionnement, appareil, comment choisir

Le principe de fonctionnement du relais thermique repose sur déformations plaque bimétallique lorsqu'elle est chauffée par un courant passant.

Sous l'influence du courant circulant, la plaque bimétallique s'échauffe et se plie vers le métal, qui a un coefficient de dilatation thermique plus faible. Plus le courant traverse la plaque, plus elle chauffera et se pliera, plus la protection fonctionnera rapidement et éteindra la charge.

Supposons que le moteur est connecté via un relais thermique et fonctionne normalement. Au premier moment de fonctionnement du moteur électrique, le courant de charge nominal traverse les plaques et elles chauffent jusqu'à la température de fonctionnement, ce qui ne les fait pas se plier.

Pour une raison quelconque, le courant de charge du moteur électrique a commencé à augmenter et le courant traversant les plaques a dépassé le courant nominal. Les plaques commenceront à chauffer et à se plier plus fortement, ce qui mettra en mouvement le système mobile et celui-ci, agissant sur les contacts relais supplémentaires (95 – 96), mettra le démarreur magnétique hors tension.Au fur et à mesure que les plaques refroidissent, elles reviennent à leur position d'origine et les contacts de relais (95 – 96) se fermera. Le démarreur magnétique sera à nouveau prêt à démarrer le moteur électrique.

En fonction de la quantité de courant circulant dans le relais, un réglage de déclenchement de courant est fourni, qui affecte la force de flexion de la plaque et est régulé par un bouton rotatif situé sur le panneau de commande du relais.

Relais thermique pour un moteur électrique: principe de fonctionnement, appareil, comment choisir

En plus de la commande rotative sur le panneau de commande, il y a un bouton "TEST”, conçu pour simuler le fonctionnement de la protection du relais et vérifier ses performances avant d'être inclus dans le circuit.

«Indicateur» informe sur l'état actuel du relais.

Bouton "ARRÊT» le démarreur magnétique est désexcité, mais comme dans le cas du bouton « TEST », les contacts (97 – 98) ne se ferment pas, mais restent à l'état ouvert. Et lorsque vous utilisez ces contacts dans le circuit de signalisation, considérez ce moment.

Le relais électrothermique peut fonctionner en manuel ou automatique mode (la valeur par défaut est automatique).

Pour passer en mode manuel, tournez le bouton rotatif "RÉINITIALISER» dans le sens inverse des aiguilles d'une montre, tandis que le bouton est légèrement relevé.

Relais thermique pour un moteur électrique: principe de fonctionnement, appareil, comment choisir

Supposons que le relais ait fonctionné et désexcité le démarreur avec ses contacts.
En fonctionnement en mode automatique, après refroidissement des lames bimétalliques, les contacts (95 — 96) et (97 — 98) ira automatiquement à la position initiale, tandis qu'en mode manuel, le transfert des contacts à la position initiale s'effectue en appuyant sur le bouton "RÉINITIALISER».

En plus de la protection des e-mails. moteur contre les surcharges de courant, le relais assure la protection en cas de défaillance d'une phase de puissance. Par exemple.Si l'une des phases casse, le moteur électrique, travaillant sur les deux phases restantes, consommera plus de courant, ce qui fera chauffer les plaques bimétalliques et le relais fonctionnera.

Cependant, le relais électrothermique n'est pas en mesure de protéger le moteur des courants de court-circuit et doit lui-même être protégé de ces courants. Par conséquent, lors de l'installation de relais thermiques, il est nécessaire d'installer des interrupteurs automatiques dans le circuit d'alimentation du moteur électrique qui les protègent des courants de court-circuit.

Lors du choix d'un relais, faites attention au courant de charge nominal du moteur, qui protégera le relais. Dans le manuel d'instructions fourni dans la boîte, il y a un tableau selon lequel un relais thermique est sélectionné pour une charge spécifique :

Relais thermique pour un moteur électrique: principe de fonctionnement, appareil, comment choisir

Par exemple, le relais RTI-1302 a une limite de réglage du courant de réglage de 0,16 à 0,25 Ampères. Cela signifie que la charge du relais doit être sélectionnée avec un courant nominal d'environ 0,2 A ou 200 mA.

Le principe de fonctionnement du relais thermique

Dans certains cas, un relais thermique peut être intégré dans les enroulements du moteur. Mais le plus souvent, il est utilisé en tandem avec un démarreur magnétique. Cela permet de prolonger la durée de vie du relais thermique. La charge de démarrage entière tombe sur le contacteur. Dans ce cas, le module thermique possède des contacts en cuivre qui sont connectés directement aux entrées de puissance du démarreur. Les conducteurs du moteur sont amenés au relais thermique. Pour faire simple, c'est un lien intermédiaire qui analyse le courant qui le traverse du démarreur au moteur.

Le module thermique est basé sur des plaques bimétalliques. Cela signifie qu'ils sont fabriqués à partir de deux métaux différents. Chacun d'eux a son propre coefficient de dilatation lorsqu'il est exposé à la température.Les plaques à travers l'adaptateur agissent sur le mécanisme mobile, qui est connecté aux contacts qui vont au moteur électrique. Dans ce cas, les contacts peuvent être dans deux positions :

  • normalement fermé;
  • normalement ouvert.

Relais thermique pour un moteur électrique: principe de fonctionnement, appareil, comment choisir

Le premier type convient à la commande de démarreur de moteur et le second type est utilisé pour les systèmes d'alarme. Le relais thermique est construit sur le principe de la déformation thermique des plaques bimétalliques. Dès que le courant commence à les traverser, leur température commence à monter. Plus le courant circule, plus la température des plaques du module thermique augmente. Dans ce cas, les plaques du module thermique sont décalées vers le métal à moindre coefficient de dilatation thermique. Dans ce cas, les contacts se ferment ou s'ouvrent et le moteur s'arrête.

Lire aussi :  Couleurs des fils en électricité : normes et règles de marquage + façons de déterminer le conducteur

Il est important de comprendre que les plaques de relais thermiques sont conçues pour un certain courant nominal. Cela signifie que le chauffage à une certaine température ne provoquera pas de déformation des plaques.

Si, en raison d'une augmentation de la charge sur le moteur, le module thermique s'est déclenché et s'est éteint, alors après un certain temps, les plaques reviennent à leur position naturelle et les contacts se ferment ou s'ouvrent à nouveau, donnant un signal au démarreur ou autre appareil. Dans certains types de relais, un réglage est disponible pour la quantité de courant qui doit le traverser. Pour ce faire, un levier séparé est sorti, avec lequel vous pouvez sélectionner la valeur sur l'échelle.

Relais thermique pour un moteur électrique: principe de fonctionnement, appareil, comment choisir

En plus du régulateur de courant, il peut également y avoir un bouton intitulé Test sur la surface. Il vous permet de vérifier le fonctionnement du relais thermique. Il doit être enfoncé pendant que le moteur tourne.Si cela s'arrête, alors tout est connecté et fonctionne correctement. Sous une petite plaque de plexiglas, se trouve un indicateur d'état du relais thermique. S'il s'agit d'une option mécanique, vous pouvez y voir une bande de deux couleurs, en fonction des processus en cours. Sur le corps à côté du régulateur de courant se trouve le bouton Stop. Contrairement au bouton Test, il éteint le démarreur magnétique, mais les contacts 97 et 98 restent ouverts, ce qui signifie que l'alarme ne fonctionne pas.

Noter! La description est donnée pour le relais thermique LR2 D1314. D'autres options ont une structure et un schéma de connexion similaires.

Relais thermique pour un moteur électrique: principe de fonctionnement, appareil, comment choisir

Le relais thermique peut fonctionner en mode manuel et automatique.

Un deuxième est installé en usine, ce qui est important à prendre en compte lors de la connexion. Pour passer en contrôle manuel, vous devez utiliser le bouton Reset

Il doit être tourné dans le sens inverse des aiguilles d'une montre pour qu'il s'élève au-dessus du corps. La différence entre les modes est qu'en mode automatique, après le déclenchement de la protection, le relais reviendra à son état normal après le refroidissement complet des contacts. En mode manuel, cela peut être fait à l'aide de la touche Reset. Il ramène presque instantanément les pads à leur position normale.

Relais thermique pour un moteur électrique: principe de fonctionnement, appareil, comment choisir

Le relais thermique dispose également d'une fonctionnalité supplémentaire qui protège le moteur non seulement des surcharges de courant, mais également lorsque le secteur ou la phase est déconnecté ou interrompu. Cela est particulièrement vrai pour les moteurs triphasés. Il arrive qu'une phase brûle ou que d'autres problèmes surviennent avec elle. Dans ce cas, les plaques métalliques du relais, dans lesquelles entrent les deux autres phases, commencent à faire passer plus de courant à travers elles-mêmes, ce qui entraîne une surchauffe et un arrêt.Ceci est nécessaire pour protéger les deux phases restantes ainsi que le moteur. Dans le pire des cas, un tel scénario peut entraîner la panne du moteur, ainsi que des fils conducteurs.

Noter! Le relais thermique n'est pas conçu pour protéger le moteur d'un court-circuit. Cela est dû au taux de panne élevé

Les plaques n'ont tout simplement pas le temps de réagir. À ces fins, il est nécessaire de prévoir des disjoncteurs spéciaux, qui sont également inclus dans le circuit de puissance.

Comment choisir un moteur électrique : conditions

À l'heure actuelle, l'utilisation de moteurs électriques est assez répandue. Ces appareils sont utilisés dans divers équipements (systèmes de ventilation, stations de pompage ou véhicules électriques). Pour chaque type de machine, vous avez besoin du bon choix et du bon réglage des moteurs.

Critères de choix :

  • Type de courant ;
  • Alimentation de l'appareil ;
  • Emploi.

Selon le type de courant électrique, les moteurs électriques sont divisés en appareils fonctionnant en courant alternatif et continu.

Il convient de noter que les moteurs à courant continu ont fait leurs preuves du meilleur côté, mais en raison de la nécessité d'installer des équipements supplémentaires pour assurer leur fonctionnement, des coûts financiers supplémentaires sont également nécessaires.

Les moteurs à courant alternatif sont largement utilisés. Ils sont divisés en deux types (synchrone et asynchrone).

Les dispositifs synchrones sont utilisés pour les équipements dans lesquels une rotation constante est importante (générateurs et compresseurs). Différentes caractéristiques des moteurs synchrones diffèrent également

Par exemple, la vitesse de rotation varie de 120 à 1000 tr/min. La puissance des appareils atteint 10 kW.

Dans l'industrie, l'utilisation de moteurs asynchrones est courante.Il convient de noter que ces appareils ont des taux de rotation plus élevés. Pour leur fabrication, l'aluminium est principalement utilisé, ce qui permet de fabriquer des rotors légers.

Étant donné que pendant le fonctionnement, le moteur produit une rotation constante de divers appareils, il est nécessaire de sélectionner correctement sa puissance. Il convient de noter que pour divers appareils, il existe une formule spéciale selon laquelle le choix est fait.

Le facteur déterminant de la charge sur les moteurs est le mode de fonctionnement. Le choix du dispositif se fait donc en fonction de cette caractéristique. Il existe plusieurs modes de fonctionnement marqués (S1 - S9). Chacun des neuf modes est adapté à un fonctionnement spécifique du moteur.

Choisir un thermostat pour le chauffage au sol

Pour le fonctionnement normal du chauffage au sol, l'installation d'un relais thermique est nécessaire - un thermostat, avec lequel vous pouvez réduire considérablement les coûts de chauffage. L'appareil ici n'est nécessaire que pour allumer et éteindre le chauffage à un certain intervalle de temps ou après un signal d'un thermomètre.

Lors du choix d'un thermostat, il convient tout d'abord de prendre en compte sa puissance, qui doit être identique à la puissance du champ chaud.

Aussi, pour certains types de planchers chauffants, il est nécessaire de sélectionner le type de relais thermique, qui sont répartis en plusieurs groupes :

  • des appareils conçus uniquement pour fournir un mode économique, permettant de réduire la consommation d'énergie ;
  • des appareils avec une minuterie personnalisable, à l'aide desquels des périodes de temps sont définies pendant lesquelles la pièce sera chauffée avec une certaine intensité;
  • des appareils programmables pour des modes opératoires complexes, alternant périodes de fonctionnement en mode économie et chauffage maximum ;
  • relais, qui a un limiteur intégré qui empêche un chauffage excessif du revêtement de sol et de l'élément chauffant.

La sélection d'un thermostat pour une pièce particulière est effectuée en fonction de sa superficie. Pour une petite pièce, un appareil ordinaire sans réglages ni programmation complexes est plus adapté. L'installation d'appareils plus complexes est nécessaire pour les pièces spacieuses. Dans de telles pièces, des relais électroniques sont le plus souvent installés, équipés de capteurs de température installés dans l'épaisseur du sol.

Schéma d'installation

Lors de l'installation d'un chauffage par le sol, il est recommandé de monter un relais thermique à proximité immédiate des prises à une distance de 0,6 à 1,0 m du sol.Avant de commencer les travaux, le réseau électrique domestique doit être éteint.

Relais thermique pour un moteur électrique: principe de fonctionnement, appareil, comment choisirschéma connexion relais thermique lors de la pose d'un chauffage au sol

L'installation du régulateur thermique doit commencer en connectant les câbles d'alimentation au boîtier de montage. Ensuite, entre le relais et le réchauffeur, vous devez installer et connecter un capteur de température qui s'insère dans le tuyau ondulé.

Le relais lui-même est situé dans le boîtier de montage. S'il y a des interférences sous forme d'ondulations, elles doivent être éliminées. Le thermostat doit être placé strictement horizontalement au niveau. Le panneau de commande est placé à sa place permanente et fixé avec des vis.

Lire aussi :  Combien d'électricité consomme un système split : exemples de calcul + options pour économiser

Présentation des fabricants

Pour le chauffage au sol, de nombreux modèles de thermostats sont disponibles. Certains des modèles les plus populaires sont présentés dans le tableau.

Modèle Fabricant Les caractéristiques Coût approximatif, frotter.
TR 721 "Systèmes et technologies spéciaux"

Russie

Courant de charge maximal 16 A Consommation électrique 450 mW 4800
AT10F Salus

Pologne

Plage de température 30-90

Précision de réglage 1

Tension 230 VCA 10(5) A

1750
BMT-1 Ballu Écart de température

10 - 30 °C

Courant maximal 16 A

1150

Qu'est-ce qui cause la panne d'un moteur électrique ?

Relais thermique pour un moteur électrique: principe de fonctionnement, appareil, comment choisir

Vous pouvez voir la photo de différents types de protection moteur pour avoir une idée de son apparence.

Considérez les cas de panne de moteurs électriques dans lesquels des dommages graves peuvent être évités à l'aide d'une protection :

  • Niveau d'alimentation électrique insuffisant ;
  • Haut niveau d'alimentation en tension ;
  • Changement rapide de la fréquence d'approvisionnement en courant ;
  • Mauvaise installation du moteur électrique ou stockage de ses principaux éléments ;
  • Augmentation de la température et dépassement de la valeur autorisée ;
  • Alimentation en froid insuffisante ;
  • Température ambiante élevée ;
  • Pression barométrique réduite si le moteur fonctionne à une altitude élevée en fonction du niveau de la mer ;
  • Augmentation de la température du fluide de travail ;
  • Viscosité inacceptable du fluide de travail ;
  • Le moteur s'éteint et se rallume souvent;
  • Blocage du rotor ;
  • Coupure de phase inattendue.

Relais thermique pour un moteur électrique: principe de fonctionnement, appareil, comment choisir

Relais thermique pour un moteur électrique: principe de fonctionnement, appareil, comment choisir

Une version fusible du fusible est souvent utilisée pour cela, car elle est simple et capable de nombreuses fonctions :

La version interrupteur-fusible est représentée par un interrupteur d'urgence et un fusible connectés sur la base d'un boîtier commun. L'interrupteur vous permet d'ouvrir ou de fermer le réseau à l'aide d'une méthode mécanique, et le fusible crée une protection moteur de haute qualité basée sur les effets du courant électrique.Cependant, le commutateur est principalement utilisé pour le processus de service, lorsqu'il est nécessaire d'arrêter le transfert de courant.

Relais thermique pour un moteur électrique: principe de fonctionnement, appareil, comment choisir

Les versions fusionnées des fusibles à action rapide sont considérées comme d'excellentes protections contre les courts-circuits. Mais de courtes surcharges peuvent entraîner la rupture de fusibles de ce type. De ce fait, il est recommandé de les utiliser sur la base de l'effet d'une tension transitoire négligeable.

Relais thermique pour un moteur électrique: principe de fonctionnement, appareil, comment choisir

Les fusibles basés sur le déclenchement retardé sont capables de protéger contre les surcharges ou divers courts-circuits. En règle générale, ils sont capables de résister à une augmentation de tension multipliée par 5 pendant 10 à 15 secondes.

Relais thermique pour un moteur électrique: principe de fonctionnement, appareil, comment choisir

Protection thermique d'un moteur faible

Contexte du problème. Mon presse-agrumes récemment acheté était presque sur le point de mourir, à cause de la pulpe de la poire, il n'a ralenti qu'un peu. Combien j'ai écouté mon adresse. Mais suis-je coupable ? Le fabricant, réduisant le coût des produits, ne protège pas le moteur électrique faible du produit. Pour éviter que cette situation ne se reproduise, vous devez protéger ce moteur. En option, il existe 2 types de protection : - courant (lorsqu'un capteur de courant est connecté au circuit et que le courant qui le traverse est contrôlé), dans les modes critiques le courant augmente ; -thermique (la température est contrôlée). Informations Complémentaires

Le principe de fonctionnement des relais thermiques est basé sur l'effet thermique d'un courant chauffant une plaque bimétallique constituée de deux bandes métalliques reliées par des surfaces planes avec des coefficients de dilatation linéaire différents. Lorsque la température change, en raison de la dilatation linéaire différente des pièces, la plaque se plie.Lorsqu'elle est chauffée à une certaine température, la plaque appuie sur le loquet de déverrouillage et, sous l'action du ressort, une déconnexion électrique rapide des contacts se produit.

J'ai décidé d'opter pour une protection thermique. En fouillant sur Aliexpress, j'ai trouvé les produits suivants : 1. interrupteur thermique

lien

/item/AC-125V-250V-5A-Air-Compressor-Circuit-Disjoncteur-Overload-Protector-Protector-DC-12V-24V-32V-50V/32295157899.html

interrupteur 2.thermique

lien

/item/5Pcs-lot-40C-Degree-Celsius-104F-NO-Normal-Open-Thermostat-Thermal-Protector-Thermostat-temperature-control-switch/32369022941.html

interrupteur 3.thermique

lien

Selon le point 1, des amis chinois ont envoyé jusqu'à 10A au lieu de 5A. Mais il a été décidé de l'essayer quand même.

Relais thermique pour un moteur électrique: principe de fonctionnement, appareil, comment choisir
Après avoir chargé le produit chinois avec une charge de 17A, nous avons attendu que la protection fonctionne enfin, mais le disjoncteur du laboratoire a presque fonctionné et après 20 secondes, l'expérience était terminée. Après avoir gagné le différend, la chose a été démantelée. Eh bien, que puis-je dire 2 plaques bimétalliques, probablement que tout est assez efficace, cela n'a pris que suffisamment de temps.

Passons aux points 2 et 3.

Relais thermique pour un moteur électrique: principe de fonctionnement, appareil, comment choisir
Un test avec un mégohmmètre à 1000v a montré que l'isolation est excellente au dessus de 2000MΩ. Pour vérifier le rabattement, je stocke des pots d'eau. L'eau bout à une pression normale à 100 degrés. Nous devons vérifier 95,85 et 80. Les interrupteurs thermiques 2 fonctionnent bien, fonctionnent à des températures proches et s'ouvrent après 3 degrés. Voici une telle hystérésis. Ils fonctionnent également rapidement 3s et vous avez terminé. L'interrupteur thermique 3 doit être chauffé pendant au moins 10 s de plus, mais il fonctionne également à des températures proches, refroidit plus longtemps, se déclenche lorsqu'il refroidit de 3 degrés, mais refroidit plus longtemps.

Raffinement j'ai décidé de mettre le thermo switch 2 à 80 degrés.C'est probablement la meilleure option, compte tenu de l'inertie thermique et du mauvais transfert de chaleur à travers le vernis. Nous mettons l'enroulement du stator du moteur. Nous démontons le presse-agrumes et voyons

Relais thermique pour un moteur électrique: principe de fonctionnement, appareil, comment choisir
miracles de la technologie chinoise, tout un sandwich de contacts et un fusible thermique en plastique à 105 degrés. Comprendre ce bien

Relais thermique pour un moteur électrique: principe de fonctionnement, appareil, comment choisir
Nous faisons notre sandwich, déjà avec notre capteur supplémentaire enveloppé de caoutchouc thermique.

Relais thermique pour un moteur électrique: principe de fonctionnement, appareil, comment choisir
Pendant que je mets la LED d'avertissement de surchauffe

Relais thermique pour un moteur électrique: principe de fonctionnement, appareil, comment choisir
Schéma de câblage

Relais thermique pour un moteur électrique: principe de fonctionnement, appareil, comment choisir

Passé

Relais thermique pour un moteur électrique: principe de fonctionnement, appareil, comment choisir

Jusqu'à présent, mais à l'avenir, après avoir acquis le nécessaire, je ferai un arrêt de protection.

Relais thermique pour un moteur électrique: principe de fonctionnement, appareil, comment choisir
Ainsi, vous pouvez modifier tout moteur électrique faible qui peut griller en raison d'une charge accrue.

Tout. J'écoute vos commentaires.

Caractéristiques principales

Chaque TR a des caractéristiques techniques individuelles (TX). Le relais doit être choisi en fonction des caractéristiques de la charge et des conditions d'utilisation lors du fonctionnement d'un moteur électrique ou autre consommateur d'électricité :

  1. La valeur de In.
  2. Plage de réglage de l'actionnement I.
  3. Tension.
  4. Gestion supplémentaire du fonctionnement TR.
  5. Du pouvoir.
  6. Limite de fonctionnement.
  7. Sensibilité au déséquilibre de phase.
  8. Classe de voyage.

La valeur du courant nominal est la valeur de I pour laquelle le TR est conçu. Il est choisi en fonction de la valeur de In du consommateur auquel il est directement raccordé. De plus, vous devez choisir avec une marge de In et vous laisser guider par la formule suivante: Inr \u003d 1,5 * Ind, où Inr - In TR, qui doit être 1,5 fois supérieur au courant nominal du moteur (Ind).

La limite de réglage I fonctionnement est un des paramètres importants du dispositif de protection thermique. La désignation de ce paramètre est la plage de réglage de la valeur In.Tension - la valeur de la tension d'alimentation pour laquelle les contacts du relais sont conçus ; si la valeur autorisée est dépassée, l'appareil tombera en panne.

Certains types de relais sont équipés de contacts séparés pour contrôler le fonctionnement de l'appareil et du consommateur. La puissance est l'un des principaux paramètres du TR, qui détermine la puissance de sortie du consommateur ou du groupe de consommateurs connecté.

La limite de déclenchement ou seuil de déclenchement est un facteur qui dépend du courant nominal. Fondamentalement, sa valeur est comprise entre 1,1 et 1,5.

La sensibilité au déséquilibre de phase (asymétrie de phase) indique le rapport en pourcentage de la phase avec distorsion à la phase traversée par le courant nominal de l'amplitude requise.

La classe de déclenchement est un paramètre qui représente le temps de déclenchement moyen du TR en fonction du multiple du courant de réglage.

La caractéristique principale par laquelle vous devez choisir TR est la dépendance du temps de fonctionnement sur le courant de charge.

Relais thermique pour un moteur électrique: principe de fonctionnement, appareil, comment choisir

Évaluation
Site sur la plomberie

Nous vous conseillons de lire

Où remplir la poudre dans la machine à laver et combien de poudre verser