- 2 Quelles sont les exigences pour l'installation de chauffe-eau à gaz dans une maison privée
- 2.2 Nous installons une colonne dans une maison privée - vidéo
- 3 Comment installer une colonne et qui doit faire ce travail ?
- Directives de sélection des unités
- Astuce #3 : Assurez-vous de suivre attentivement les instructions lors de l'installation.
- Accessoires
- Fixation de l'appareil au mur
- Lien
- Essai
- Caractéristiques du raccordement au gaz
- Algorithme d'installation
- Le modèle change
- Modifier l'appareil et l'emplacement d'installation
- Première mise en place
- Comment installer correctement un geyser : algorithme d'installation
- Préparation des consommables
- Installation d'équipement
- Comment installer un geyser
- Quoi apporter avec vous
- Nous supprimons l'ancien
- Installation directe
- La phase préparatoire à l'installation d'une chaudière à gaz (colonne)
- Installation d'un geyser: caractéristiques
2 Quelles sont les exigences pour l'installation de chauffe-eau à gaz dans une maison privée
Une condition préalable pour tout utilisateur potentiel d'un chauffe-eau est de savoir quelles sont les exigences pour une colonie de gaz dans une maison privée.
Tout d'abord, vous devez connaître le snip pour les chauffe-eau à gaz pour une maison privée, qui établit les exigences pour la pièce dans laquelle le chauffe-eau est prévu d'être installé: la superficie minimale est de 15 mètres carrés, la hauteur du plafond est à moins 2 mètres, la présence d'une fenêtre est d'au moins 0,5 m 2, la présence d'une ventilation (ou une hotte pour un chauffe-eau à gaz est installée dans une maison privée), la pression de l'eau est de 0,1 atm., le mur sous le le chauffe-eau à gaz doit être en brique ou en béton, sinon une isolation avec un carton spécial basalte est nécessaire.
De plus, les normes d'installation d'un geyser dans une maison privée doivent respecter les paramètres suivants :
- Il doit y avoir une marge de 60 cm devant le panneau avant de la colonne de gaz ;
- La distance entre le chauffe-eau et la cuisinière à gaz est d'au moins 20 cm;
- La vanne d'arrêt est montée avant même l'installation de la colonne.
Les règles d'installation d'un geyser dans une maison privée régissent également la procédure de légalisation de l'installation d'un geyser. Pour obtenir l'autorisation d'installer un chauffe-eau, vous devez obtenir un projet pour votre maison et vérifier l'état de la cheminée (après quoi vous recevez un acte), puis le propriétaire d'une maison particulière établit une demande de transformation de son logement .
Vous aurez également besoin de ces passeports de colonne, ou de son modèle (si ce dernier n'a pas encore été acheté). Après cela, vous pouvez contacter GORGAZ pour faire un rapprochement.
Vous devez connaître les subtilités à chaque étape de l'installation d'un geyser dans une maison privée. Cela sera nécessaire à la fois pour une installation partielle de vos propres mains et pour calculer toutes les nuances du travail. Des professionnels expérimentés partagent les conseils suivants :
- Si vous décidez de déguiser le geyser dans un faux placard, c'est possible.Mais vous devez savoir qu'une telle armoire ne doit pas avoir de fond et que les parois latérales doivent avoir une isolation de haute qualité.
- Si vous hésitez entre l'installation d'un conduit de cheminée, optez pour des ondulations en aluminium laminé. Un tel tuyau est parfait pour une maison privée, car il est facile à installer, assez fiable et peu coûteux, et à l'intérieur il contient des tuyaux en acier qui empêchent l'affaissement;
- Si vous envisagez de monter un geyser à la place d'un ancien devenu inutilisable, il est préférable de ne pas changer de site d'installation. Vous gagnez donc du temps et de l'argent ;
- N'oubliez pas qu'en cas d'insertion non autorisée dans le gazoduc et de raccordement de la colonne de gaz, vous encourrez une responsabilité administrative, sous la forme d'une amende.
En faisant attention aux avis des clients, il y a souvent un problème lorsque le geyser gèle dans une maison privée
Les maîtres conseillent tout d'abord de faire attention au tirage dans la cheminée
Le plus souvent, un dysfonctionnement sous forme d'inversion de poussée est à l'origine de la panne du chauffe-eau. La collecte de condensat de colonne de gaz dans une maison privée peut apparaître si un cendrier n'est pas installé dans le système et que le condensat en est déjà évacué.Sinon, ce problème se produira chaque saison d'hiver.
2.2
Nous installons une colonne dans une maison privée - vidéo
2016-09-27
Julia Chizhikova
La présence d'une telle installation dans une zone résidentielle est une option fiable, populaire et économique pour obtenir de l'eau chaude du volume requis avec une alimentation en gaz centralisée ou à partir d'une bouteille.
En plus des informations spécifiques sur le site, vous pouvez également étudier des problèmes spécifiques pour d'autres personnes sur ce sujet qui ont déjà acheté un chauffe-eau à gaz ou un chauffe-eau instantané et ainsi les éviter.Vous trouverez une liste régulièrement mise à jour de ces problèmes et de leurs solutions.
C'est l'option la moins coûteuse et la moins chronophage. Lors du remplacement, il n'est pas nécessaire d'obtenir un projet. Avant de commencer les travaux de remplacement d'un ancien chauffe-eau, il est nécessaire d'obtenir des copies certifiées conformes des schémas, un plan d'installation des systèmes de gaz, d'eau et de fumée auprès du bureau du logement. Le plan d'alimentation en gaz doit indiquer l'emplacement, les paramètres techniques de l'appareil.
Après avoir reçu les documents, vous devez rédiger une demande auprès de Gorgaz avec une demande d'autorisation de remplacer l'ancien équipement par un nouveau, tout en conservant son emplacement précédent, une demande d'autorisation de travailler sur les communications gaz et eau dans votre maison.
3 Comment installer une colonne et qui doit faire ce travail ?
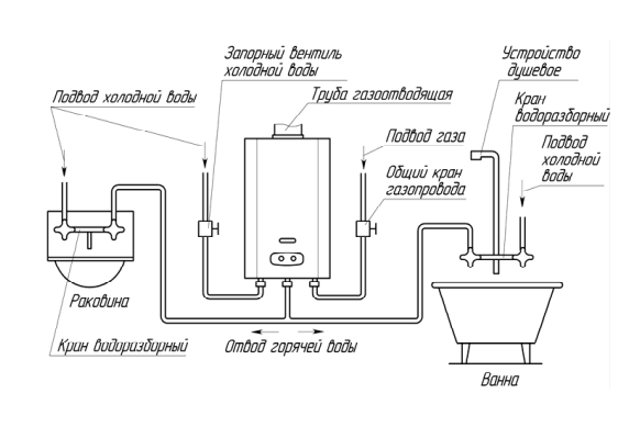
Il est préférable de laisser le raccordement de la colonne au système de distribution de gaz au service de gaz, mais l'installation préliminaire de l'appareil (raccordement à l'alimentation en eau et installation sur la surface d'appui) peut être effectuée de vos propres mains.
Pour ce faire, procédez comme suit :
- Percez un trou dans le mur.
- Insérez-y une cheminée coaxiale et remplissez les vides avec un isolant incombustible (laine minérale).
- Tapisser le mur sous le trou avec des tuiles.
- Fixez la colonne sur la zone revêtue (au-dessus des carreaux) à l'aide de supports sur son corps et de chevilles.
- Insérez un té dans une alimentation en eau froide, vissez une vanne et un clapet anti-retour sur l'extrémité libre.
- Connectez le clapet anti-retour à l'entrée / raccord d'eau froide sur le corps du distributeur.
- Marquez un collecteur avec des vannes d'arrêt au-dessus de la branche froide de l'alimentation en eau - il répartira le flux chaud le long des lignes menant aux sources de consommation (robinets et mitigeurs).
- Raccorder le collecteur et le raccord/raccord eau chaude sur le corps du distributeur.
- Disposez les lignes du collecteur aux robinets et mélangeurs.
Après cela, vous pouvez contacter le service de gaz - l'achèvement des travaux de raccordement de la colonne, qui comprend le premier démarrage du gaz et de l'eau, est effectué par des spécialistes du gaz.
Le raccordement et la première mise en marche du gaz doivent être effectués par un spécialiste du gaz
Eh bien, si vous n'allez pas faire quelque chose de vos propres mains, trouvez une entreprise autorisée à installer des appareils consommant du gaz et commandez les services de spécialistes expérimentés.
Directives de sélection des unités
1. Quel appareil vous convient le mieux : électrique ou à gaz.
2. Après avoir calculé la quantité d'eau chaude dont vous avez besoin, sélectionnez le volume du chauffe-eau à accumulation ou la capacité de débit.
3. Décidez de l'emplacement d'installation de l'appareil pour chauffer l'eau: sur le mur, au-dessus de l'évier ou en dessous et sélectionnez le modèle souhaité.
2016-12-30
Sergueï Diachenko
Pour déterminer lequel est le meilleur - une chaudière ou un chauffe-eau à gaz, considérez les avantages et les inconvénients des deux appareils.
Avantages de la chaudière :
- Facilité d'installation. Pour l'installation d'un chauffe-eau à accumulation, il n'est pas nécessaire de collecter des documents et des permis. Pas besoin d'une bonne ventilation et d'une cheminée.
- La possibilité de fournir de l'eau chaude à plusieurs points de prise d'eau à la fois.
- Indépendance de la pression dans l'approvisionnement en eau. Lorsque le geyser ne s'allume pas en raison d'une basse pression, la chaudière fonctionnera correctement.
- Silence. Pour le chauffage, un radiateur électrique tubulaire est utilisé, qui ne fait aucun bruit.
Inconvénients des chauffe-eau à accumulation :
- Temps de réchauffage long par rapport aux colonnes.Si l'eau chaude dans le réservoir s'épuise, vous devrez attendre 30 minutes pour que la portion suivante chauffe (les raisons pour lesquelles l'eau chaude ne coule pas sont décrites).
- Quantité d'eau limitée. Si vous choisissez le mauvais volume, il se peut qu'il n'y ait pas assez d'eau pour répondre aux besoins FGP de tous les résidents.
- Dépendance à l'électricité. Si vous éteignez la lumière dans la pièce, l'eau se refroidira progressivement.
- Grandes dimensions. Cela peut être un problème dans les petits appartements avec de petites salles de bains, où chaque mètre carré compte.
Accumulation de tartre. De temps en temps, la chaudière nécessite un nettoyage des dépôts de sel. Si vous n'effectuez pas régulièrement d'entretien préventif, l'eau se réchauffe de plus en plus avec le temps.
À leur tour, les geysers présentent les avantages suivants :
- Chauffage instantané. Lorsque vous ouvrez le robinet en quelques secondes, le consommateur reçoit de l'eau chaude.
- Eau illimitée. S'il y a de l'eau dans l'appartement, la colonne peut fonctionner en permanence. La quantité d'eau n'est pas limitée par la taille du réservoir.
- Petites dimensions. Les nouveaux modèles sont compacts et ne prennent pas beaucoup de place dans la cuisine.
- Indépendance de l'électricité. Si la maison éteint la lumière, la colonne continuera à fonctionner.
Inconvénients des chauffe-eau à gaz :
- La nécessité de collecter des documents supplémentaires lors de l'installation. Avant d'installer un geyser, vous devez coordonner le projet avec les services publics et obtenir l'autorisation.
- Le besoin d'une cheminée de qualité. Pour le fonctionnement d'un chauffe-eau à gaz, il est nécessaire que les produits de combustion sortent à l'extérieur. Cela nécessite une cheminée dont l'état devra être surveillé en permanence.
S'il se bouche, alors au mieux la protection fonctionnera et la flamme s'éteindra. Si, pour une raison quelconque, cela ne fonctionne pas, il existe un risque d'empoisonnement au monoxyde de carbone.
- Dépendance à la pression. S'il y a une faible pression dans le système d'alimentation en eau, le gaz ne s'ouvrira pas et la colonne ne fonctionnera pas. Les modèles modernes avec la possibilité d'ajuster la pression à l'intérieur de l'appareil résolvent partiellement ce problème.
De plus, si deux points de prise d'eau sont connectés et que l'eau est ouverte dans le second, la température dans le premier baissera. Ce n'est pas très pratique lorsque la température de l'eau change pendant la douche.
Impossibilité de placement dans la salle de bain. En raison des normes de sécurité, les chauffe-eau instantanés à gaz ne sont pas autorisés à être installés dans les salles de bains.
Pour décider quoi choisir, il est important de considérer l'emplacement d'installation. Si vous vivez dans une maison privée chauffée par une chaudière, il est conseillé d'acheter une chaudière à chauffage indirect, qui sera la plus rentable. Une partie de la chaleur qui va au chauffage ira au chauffage de l'eau du robinet
Il est conseillé d'acheter un modèle combiné doté d'un élément chauffant supplémentaire afin de fournir de l'eau chaude en été
Une partie de la chaleur qui va au chauffage ira au chauffage de l'eau du robinet. Il est conseillé d'acheter un modèle combiné doté d'un élément chauffant supplémentaire afin de fournir de l'eau chaude en été.
Dans un appartement où il n'y a pas de compteur de gaz et où 1 à 2 personnes sont enregistrées, vous devez installer un chauffe-eau à gaz, qui sera moins cher qu'une chaudière en raison d'un paiement fixe pour le gaz. Un argument supplémentaire sera la petite taille de l'appartement, un chauffe-eau à gaz compact convient mieux à Khrouchtchev.
Si vous avez un tarif à la nuit pour l'électricité, procurez-vous une chaudière avec une grande capacité de réservoir, car il sera plus économique de l'allumer la nuit et d'utiliser ensuite de l'eau chauffée pendant la journée. Une isolation thermique est installée entre le corps et le réservoir, grâce à quoi le refroidissement se produit très lentement.
Astuce #3 : Assurez-vous de suivre attentivement les instructions lors de l'installation.
Encore une fois, je vous rappelle que même si l'installation de chauffe-eau à gaz est tout à fait réalisable par vous-même, n'oubliez pas que vous avez affaire à du gaz, donc toute prestation amateur est à exclure.
L'instruction commence par la préparation de tout l'équipement nécessaire qui sera nécessaire pour mener à bien le plan:
Accessoires
| Nom | Objectif |
| Tuyaux ou flexibles en plastique | Raccordement de l'alimentation en eau et de l'alimentation en gaz |
| Raccord | Connexion de fragments de tuyau |
| Vannes d'arrêt | Couper l'arrivée d'eau et de gaz |
| Filtres magnétiques et à sel | Purification de l'eau entrante |
| Ondulation | Raccordement cheminée |
| Vis en acier avec chevilles en plastique | Fixation de l'enceinte au mur |
| Perforateur | Faire des trous de cheville |
| Cisailles à tuyaux | Coupe de tuyau |
| Fer à souder pour tuyaux | Soudage de tuyaux |
| clé à molette | Connexions filetées torsadées |
Les tuyaux en PVC pour l'eau et le gaz diffèrent par la couleur de marquage
Fixation de l'appareil au mur
Avant d'installer un geyser dans une maison privée, assurez-vous d'aménager une ouverture de cheminée au-dessus de son emplacement. La sortie de ventilation peut se faire aussi bien dans le mur que dans le plafond, à votre convenance.
Ensuite, nous procédons comme suit :
- Les trous de montage sont clairement visibles à l'arrière de l'appareil. Nous les mesurons et transférons les données reçues au mur;
- Nous insérons une perceuse avec une pointe victorieuse dans le nez du perforateur et perçons des trous aux endroits marqués;
Percer un mur en béton avec une perceuse à percussion
- Maintenant, nous tordons les vis, dans certains cas, il peut s'agir de crochets et y accrochons une colonne de gaz de nos propres mains.
Comme vous pouvez le voir, jusqu'ici tout est aussi simple que si vous deviez accrocher une étagère ou un tableau. Mais il est trop tôt pour se détendre, maintenant ce sera quelque chose d'un peu plus difficile.
Lien
Et maintenant que l'appareil est déjà suspendu devant vous, quelle est la prochaine étape ?
- Nous coupons un morceau de tuyau ondulé de la longueur appropriée et connectons la sortie de la colonne à la sortie de la cheminée. En règle générale, l'ondulation est livrée avec l'équipement à gaz lui-même, il ne faut donc pas non plus s'attendre à des complications de ce côté;
Photo d'un tuyau ondulé reliant un geyser à une cheminée
- Nous coupons l'alimentation en gaz, coupons le tuyau de gaz, si nous parlons d'un produit métallique, qui nécessitera une meuleuse, coupons le fil et enroulons le té, après avoir enveloppé le fil avec un ruban adhésif spécial pour améliorer l'étanchéité;
Té installé sur le gazoduc
- Nous connectons la deuxième extrémité du pipeline au té et à une sortie en plastique menant au trou correspondant sur l'appareil à installer, ce qui est très pratique à faire avec un fer à souder pour tuyaux. N'oubliez pas non plus d'utiliser un ruban fumigène, et nous fixons le tuyau lui-même avec des clips au mur afin qu'il ne pende pas de la canopée;
- Maintenant, nous avons coupé l'alimentation en eau, après quoi, de la même manière avec le gazoduc, nous avons coupé le té. Seulement dans ce cas, avant la ramification, nous installons également des filtres à sel et magnétiques. Ainsi, vous prolongerez considérablement la durée de vie du chauffe-eau;
- Nous connectons le tuyau menant au mélangeur à la sortie de la colonne.
Un exemple de connexion terminée
Soit dit en passant, si vous ne remplacez que l'ancien équipement par du neuf, vous avez déjà installé tous les tés et la tâche est simplifiée au raccordement banal de tuyaux ou de tuyaux.
Essai
Le premier lancement du geyser est une sorte d'évaluation du travail que vous avez effectué, il doit donc également être effectué correctement :
- Nous pétrissons la solution savonneuse avec laquelle nous enduisons tous les joints du gazoduc;
- Nous ouvrons l'alimentation en gaz et inspectons très soigneusement les connexions filetées pour détecter la possibilité de bulles;
- Si une fuite de gaz est remarquée quelque part, il est alors nécessaire de fermer immédiatement le gazoduc et de refaire le raccordement. Si tout va bien, ouvrez l'alimentation en eau;
- Nous attendons un certain temps jusqu'à ce que le liquide passe à travers les filtres et ouvrons le robinet d'eau chaude. Ensuite, un clic d'un piézo devrait être entendu, à moins, bien sûr, que vous ayez oublié de mettre les piles, après quoi le brûleur s'allumera et le liquide souhaité s'écoulera du mélangeur.
Fonctionnement du brûleur à colonne de gaz
Tout, vous pouvez prendre un bain, laver la vaisselle et les mains, enfin, en général, exploiter les fruits de votre travail.
Caractéristiques du raccordement au gaz
Lorsque la colonne de gaz est montée pour la première fois, un tuyau de gaz doit y être connecté. Un tel travail doit être confié à des spécialistes, sinon les tristes conséquences pourraient se faire sentir dans un proche avenir. Il est donc nécessaire de rédiger une demande pour l'exécution d'un té de raccordement. Une fois les travaux terminés, un tuyau y est attaché, menant à l'emplacement de la colonne.
Si le modèle et la position de la colonne sont connus à l'avance, le tuyau peut être amené directement à cet endroit. Cette méthode élimine l'utilisation de tuyaux flexibles
Mais vous devez faire attention à l'emplacement de la vanne de gaz - elle doit être située immédiatement avant de connecter le tuyau à la colonne. Lorsque cette option est préférable, l'appareil est d'abord monté sur le mur, et ensuite seulement le tuyau doit être connecté. Une certaine pénibilité de la première méthode ne convient pas à tout le monde, il est donc souvent judicieux de préférer une autre option: dans ce cas, le bord du tuyau doit être situé à partir du gaz matériel à distance 1,5 m, une vanne gaz est installée dessus, puis un tuyau flexible continue le "bâton"
Cette méthode est préférable si vous souhaitez effectuer l'installation vous-même et à un moment qui vous convient.
Une certaine pénibilité de la première méthode ne convient pas à tout le monde, il est donc souvent judicieux de préférer une autre option: dans ce cas, le bord du tuyau doit être à une distance de 1,5 m de l'équipement à gaz, une vanne à gaz est installée dessus, puis le flexible continue la course de relais. Cette méthode est préférable si vous souhaitez effectuer l'installation vous-même et à un moment qui vous convient.
Algorithme d'installation
L'installation de la colonne de gaz doit être effectuée par des spécialistes
La documentation est réglementée par la loi sur la fourniture de gaz à la population. La liste diffère selon que vous modifiez uniquement le modèle, l'appareil et l'emplacement, ou que vous installez l'équipement pour la première fois.
Le modèle change
La colonne devient obsolète au fil du temps et peut être mise à niveau en la remplaçant par une plus moderne.
- Achetez un appareil de chauffage au gaz certifié. dont l'installation est autorisée.
- Prenez des copies certifiées conformes des schémas du système d'approvisionnement en gaz et en eau du bureau du logement avec un endroit clairement indiqué pour l'installation de l'équipement.
- Présentez ensuite la demande de remplacement, à condition que le site d'installation soit préservé, au service du gaz. il existe également des applications pour la réparation des conduites d'eau et de gaz sur le site.
- Les travaux seront réalisés par le service gaz, il faudra aussi donner à la loi sur la mise en service des équipements, le respect des prescriptions.
Modifier l'appareil et l'emplacement d'installation
Comment installer une master class vidéo geyser :
- Vous devrez modifier le schéma d'alimentation en gaz, en eau et en ventilation.
- Venez au service d'incendie pour prendre la déclaration de cheminée.
- Commandez un projet de transfert auprès de GORGAZ ou d'un organisme privé certifié, obtenez-le.
- Pour un immeuble à appartements, vous aurez besoin d'un permis de réaménagement de l'administration municipale.
- Vous devez avoir entre vos mains un acte, un projet, un permis, un passeport technique de la chaudière ou de la colonne, un document sur la propriété de l'appartement. Munis de ces documents et de la demande, recontactez le service gaz.
- Des spécialistes installeront et connecteront l'équipement, effectueront le premier démarrage. Ensuite, ils scelleront le compteur, délivreront le certificat de mise en service.
- En fin de compte, vous devriez avoir entre les mains des certificats confirmant la sécurité de l'inspection incendie, de la supervision technique et de la mise en service. Des informations sur le transfert sont également soumises au RTC.
Première mise en place
Pour installer une colonne de gaz, vous devez collecter pas mal de documents
Si le gaz n'est pas fourni à la maison, une conduite d'alimentation en gaz devra être construite. C'est un processus coûteux et de nombreux propriétaires de maisons privées préfèrent se contenter de chaudières à combustible solide. Pour les immeubles à plusieurs appartements, la fourniture de gaz est effectuée par le promoteur, l'office du logement, ou est effectuée par les propriétaires dans un clubbing.
Dans une petite cuisine, placer une colonne est un peu problématique, car chaque centimètre compte.
- L'obtention de la documentation comprend le consentement à l'approvisionnement en gaz des distributeurs et des convoyeurs, le calcul de la consommation, l'obtention des conditions techniques, l'autorisation d'attribution des terres pour le gazoduc.
- La conception consiste en la conclusion d'un accord de projet, la collecte et l'examen de la documentation, la coordination dans les cas énumérés au paragraphe précédent.
- La construction comprend les travaux de construction et d'installation et la mise en service.
- A l'issue, un contrat de fourniture de gaz est conclu chez GORGAZ ou OBLGAZ.
Avez-vous déjà choisi une cafetière expresso pour votre maison ?
Comment réparer un robinet qui fuit, lisez ici.
Comment installer correctement un geyser : algorithme d'installation
Après le développement et la coordination du projet d'installation de la colonne, vous pouvez rechercher un entrepreneur. Par ailleurs, le principal critère de recherche est l'intérêt de l'entrepreneur à l'existence d'un projet de raccordement de chauffe-eau.
S'il y a un tel intérêt, alors vous avez un interprète consciencieux qui est prêt à être responsable de son travail. Sinon, cherchez-en un autre.
Et si "l'exécuteur testamentaire" est prêt à risquer non seulement sa réputation, mais aussi votre sécurité, alors les conclusions sur la compétence d'un tel "spécialiste" sont déjà évidentes.
Préparation des consommables
Une fois l'interprète trouvé, vous devrez acheter un ensemble supplémentaire de matériaux "consommables", qui comprendra :

- Un tuyau galvanisé avec une paroi millimétrique - il est utilisé dans la construction d'une "cheminée", de sorte que les raccords à paroi très mince (dixièmes de millimètre) s'éteindront simplement dans de telles conditions.
- Purification de l'eau et filtre adoucissant - en utilisant cet appareil, vous pouvez retarder la procédure de nettoyage de la colonne du tartre.Eh bien, sans filtre, la colonne se «bouchera» avec du tartre dans quelques années.
- Un kit de montage qui comprend des tés, des adaptateurs, des robinets à tournant sphérique et des raccords.
- Un tuyau de gaz qui relie une vanne de gazoduc domestique et un raccord de colonne.
- Chevilles, inserts, forets à béton - ces composants seront utilisés lors de l'installation de la colonne sur la surface de support.
Après avoir acheté tous les composants et pièces ci-dessus, vous pouvez inviter le maître à la maison.
Installation d'équipement
Un algorithme de montage de colonne typique est le suivant :

Schéma d'installation du geyser
Tout d'abord, vous devez choisir l'emplacement de la colonne sur la surface d'appui (mur). De plus, cet endroit doit être éloigné du poêle de 10 centimètres (au moins) et élevé au-dessus du niveau du sol à une hauteur calculée comme suit - la fenêtre de visualisation à travers laquelle le brûleur en marche peut être observé doit être située au niveau de la tête de l'utilisateur les yeux.
Ensuite, la colonne est fixée au mur avec des chevilles enfoncées dans des trous pré-percés avec des doublures installées.
Un tuyau de gaz est relié à la colonne fixe, qui est enroulée sur un raccord séparé, dont le diamètre diffère des dimensions des sorties "eau".
La prochaine étape est l'installation de la ligne "colonne d'eau froide". Il est mis en œuvre comme suit : une ligne séparée est tirée du collecteur, se terminant au raccord d'entrée de la colonne
De plus, il est très important de ne pas confondre la branche "réception" avec la "graduation". Cependant, les artisans expérimentés ne commettent pas de telles erreurs.
Ensuite, vous devez aménager une «sortie» de la colonne en connectant le raccord de sortie au collecteur de la branche «chaude» de l'alimentation en eau.
À la toute fin, une cheminée galvanisée est posée sur le tuyau de dérivation supérieur de la colonne, fixant le capteur de tirage à un endroit spécial
L'extrémité libre de la cheminée est conduite dans le conduit d'évacuation de la cuisine à l'aide d'un adaptateur spécial.
La dernière étape - la vérification de l'opérabilité de la colonne s'effectue comme suit: la vanne sur le tuyau de dérivation du gazoduc domestique est transférée en position "ouverte"; la connexion du tuyau de gaz et de la colonne est vérifiée avec de la mousse savonneuse (les bulles ont disparu - il y a une fuite); ouvrir la vanne "chaud" dans le mélangeur. Et si la colonne démarrait et que de l'eau chaude sortait du robinet, tout était fait correctement.
Comment installer un geyser
L'auto-installation est interdite par la loi de la Fédération de Russie, mais comme les représentants du service de gaz restent souvent insaisissables, nous vous recommandons de monter l'appareil vous-même. Les spécialistes ne doivent être invités qu'à connecter le tuyau au tuyau de gaz et à vérifier toutes les connexions pour détecter les fuites.
Quoi apporter avec vous
Tout d'abord, préparez tous les matériaux et outils nécessaires. Tu auras besoin de:
- nouveau geyser;
- tuyaux en PVC pour l'approvisionnement en eau et tuyaux en métal-plastique pour le gaz;
- raccord;
- robinets - gaz et eau (il est préférable d'utiliser des robinets à tournant sphérique);
- filtres à sel et magnétiques;
- ondulation ou tuyau galvanisé (s'il est livré avec une colonne);
- la grue de Mayevsky ;
- un anneau pour faire une entrée dans la cheminée;
- tuyau de gaz (sa longueur dépend de la distance entre le tuyau et la colonne);
- tuyaux d'eau (sélectionnez également la longueur en fonction de la distance);
- chevilles et vis;
- clé à gaz;
- Coupe-tuyau;
- jeu de clés;
- perceuse;
- niveau;
- mastic, ruban FUM et câble;
- station de soudage pour tuyaux.
Dans le cas d'une maison privée, vous aurez peut-être aussi besoin d'un tuyau en métal (amiante) pour évacuer la fumée.Son diamètre ne doit pas être inférieur à 120 mm et sa hauteur doit être de deux mètres ou plus.
Nous supprimons l'ancien
Il s'agit d'un ancien geyser dont l'utilisation n'est pas sûre. Il est préférable de le remplacer par un analogue moderne.
Si vous aviez déjà un chauffe-eau, vous devez d'abord le démonter. Pour ça:
- Fermez toutes les vannes de gaz.
- À l'aide d'une clé à gaz, dévisser l'écrou de fixation sur le tuyau.
- Retirez ensuite le tuyau de la colonne. Si le tuyau est neuf et ne présente aucun dommage, il peut être réutilisé. Sinon, achetez-en un neuf.
- Vous pouvez maintenant procéder à la déconnexion de l'appareil de l'alimentation en eau. Fermez l'eau (s'il y a un robinet près de la colonne, il suffit de le fermer, sinon vous devrez bloquer l'accès à l'eau pour tout l'appartement).
- Retirez le tuyau de raccordement situé à la sortie de la colonne et sortez-le de la cheminée.
- Démonter le chauffe-eau en le retirant des fixations.
Installation directe
L'installation d'un chauffe-eau à gaz se déroule en plusieurs étapes. Après avoir choisi un lieu, vous devez préparer toutes les communications: plomberie, cheminée et gazoduc. Tout cela doit être à proximité de la future colonne, de sorte qu'après l'installation de cette dernière, il ne vous reste plus qu'à connecter les tuyaux aux tuyaux.
Pour connecter le gaz au geyser, assurez-vous d'appeler les spécialistes du service spécial.
- Ainsi, la première étape consiste à marquer l'emplacement du chauffe-eau. Je l'accroche à une barre spéciale fournie avec l'appareil. C'est là que vous aurez besoin d'une perceuse, de chevilles et de vis autotaraudeuses. Il est préférable de marquer avec un niveau.
- Nous forons des trous, enfonçons des chevilles, appliquons une barre et la fixons au mur avec des vis autotaraudeuses.
- L'étape suivante consiste à connecter le chauffe-eau à la cheminée.Cela se fait à l'aide d'une ondulation ou d'un tuyau métallique. L'installation de ce dernier est facile. Le tuyau doit être mis sur le tuyau (et le manchon doit également être serré avec un collier) de la colonne. L'autre extrémité est insérée dans la cheminée et recouverte de ciment (éventuellement d'amiante). Mais n'oubliez pas que la section horizontale du tuyau ne peut pas dépasser 6 m et vous ne pouvez pas faire plus de 3 coudes d'ondulation.
- Vous pouvez maintenant procéder au raccordement de la colonne à l'alimentation en eau. Comme mentionné précédemment, il est préférable d'installer les tuyaux et les branchements à l'avance. Dans ce cas, ce n'est pas toujours une bonne option de se raccorder à la conduite la plus proche (si la pression y est faible, coupez directement dans le tuyau principal allant à l'appartement). Assurez-vous d'installer un robinet sur la nouvelle branche qui va au chauffe-eau afin de pouvoir réparer la colonne ou la remplacer sans couper l'eau dans tout l'appartement ou la maison. Pour réaliser le pipeline, vous aurez besoin de tuyaux en métal-plastique et d'un fer à souder, ainsi que d'un robinet, de raccords.
- Après avoir terminé le travail avec la tuyauterie des lignes chaude et froide, il vous suffit de connecter les tuyaux à la sortie et à l'entrée appropriées à la colonne et aux tuyaux.
Il ressemble à une cheminée faite d'ondulations. La bague a une valeur purement esthétique.
Ceci termine votre travail. Le raccordement au tuyau de gaz est effectué par des spécialistes du service concerné. Un robinet à tournant sphérique est également placé à l'entrée de la colonne, toutes les connexions sont scellées puis vérifiées pour les fuites.
La phase préparatoire à l'installation d'une chaudière à gaz (colonne)
L'ordre et la séquence des actions seront différents selon :
- si la maison est une propriété privée ou s'il s'agit d'installer des équipements à gaz dans un immeuble à appartements;
- si l'équipement à gaz a déjà été installé ou s'il est installé pour la première fois ;
- à partir de quelles sources le fonctionnement de la chaudière à gaz pour le chauffage de l'eau sera effectué: à partir de gaz naturel en canalisation ou par l'utilisation de GNL (gaz naturel liquéfié en bouteilles).
Avant de commencer les travaux, vous devez contacter le service de gaz local (s'il s'agit d'une maison privée) ou le bureau du logement (service du logement, société de gestion) - s'il s'agit d'installer des équipements dans un MKD.
Le but de l'appel est d'obtenir des informations sur la disponibilité des canaux de raccordement au gazoduc, la capacité du réseau de transport de gaz, l'installation d'un système d'alimentation en gaz à l'intérieur de la maison, la présence et l'installation d'un système d'évacuation des fumées, la disponibilité de l'approvisionnement en eau pouvant être utilisée pour le chauffage et la lutte contre les incendies.
Après avoir reçu ou fourni les informations nécessaires, vous devrez rédiger une demande auprès du service de gaz de la ville (village) avec une demande d'exécution de travaux d'installation (primaire) ou de remplacement d'équipements à gaz précédemment existants et de travaux de pose / remplacement de gaz et conduites d'eau.
L'installation initiale sera précédée d'un processus d'approbation beaucoup plus long.
Installation d'un geyser: caractéristiques
L'installation d'équipements à gaz, tant dans les appartements d'un immeuble que dans une maison privée, est régie par les règlements et règles de construction 42-01-2002, règles de sécurité incendie.
Faire confiance à l'installation d'équipements à gaz ne doit être confié qu'à des professionnels expérimentés qui ont accès à des travaux de ce degré de complexité
L'installation d'un geyser dans un appartement implique:
- L'utilisation de tuyaux galvanisés ou de produits en acier inoxydable pour l'installation d'un canal de cheminée (en même temps, le tuyau doit avoir une épaisseur de 1 cm ou plus et le canal lui-même doit être installé à un angle de 2 degrés);
- L'utilisation d'un tuyau de compteur en cuivre ou en acier inoxydable pour l'installation d'un tuyau de sortie pour l'alimentation en eau chaude (le diamètre du tuyau, dans ce cas, doit être d'au moins 1,5 cm);
- L'utilisation de tuyaux flexibles ou de tuyaux métalliques pour les conduites de gaz et d'eau d'un diamètre d'au moins 1,3 cm et d'une longueur allant jusqu'à 250 cm;
- La présence sur la nouvelle colonne d'une vanne d'arrêt qui coupe l'alimentation en gaz (devrait avoir des poignées jaunes et être située à côté de l'équipement de gaz);
- Installation de clapets anti-retour pour l'eau à 0,5 atm pour empêcher les changements dans le mouvement du liquide de refroidissement dans le système.
De plus, afin d'éviter des situations dangereuses pour la vie et la santé humaines, l'alimentation en eau froide des équipements à gaz doit être effectuée à partir de la colonne montante avec un tuyau séparé à travers un filtre mécanique.




























