- Dimensions standard des toilettes et taille minimale des toilettes
- La procédure pour fixer le réservoir aux toilettes de vos propres mains
- Technologie pour l'installation d'un nouveau réservoir
- Retrait et installation du réservoir sur le compact ↑
- Démontage de l'ancien appareil
- Réparer un nouveau réservoir ↑
- Exigences de construction
- Montage compact
- Installer une cuvette de toilette sur du ciment
- Types de réservoir de vidange
- Aménagement intérieur et principe de fonctionnement de la structure
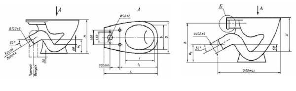
Dimensions standard des toilettes et taille minimale des toilettes
GOST 30493-96 normalise les dimensions des seules cuvettes de toilettes avec une étagère. Il y en a encore qui sont installés dans des wagons, mais nous n'en avons pas besoin. Les dimensions standard d'une cuvette de toilette avec une étagère sont prescrites pour deux options: avec un moule monobloc et avec un joint. Le deuxième modèle est utilisé dans un ensemble avec des réservoirs montés / muraux ou sans eux du tout. Il existe également des tailles standard de cuvettes de toilettes pour enfants. Ils (les enfants) vont sans étagère. Toutes les dimensions sont indiquées dans le tableau. Et pour comprendre de quoi on parle, on regarde les dessins.

Dessin d'une cuvette de toilette avec une étagère moulée monobloc et une sortie oblique de GOST
| Conception de toilettes | H | h | h1 | je | l1 | L (profondeur ou longueur) | b | B (largeur au point le plus large) |
|---|---|---|---|---|---|---|---|---|
| Avec tablette moulée monobloc pour installation sur réservoir (Compact) | 150 | 330 | 435 | pas moins de 605 (peut-être 575 mm) | 260 | 340 et 360 | ||
| Sans étagère (réservoir monté) | 370 et 400 | 320 et 350 | 460 | |||||
| Enfants | 335 | 285 | 130 | 280 | 380 | 405 | 210 | 290 |
Ainsi, la taille standard d'une cuvette de toilette avec une étagère (généralement appelée "Compact") :
- Longueur - L - 605 mm. Ceci tient compte du fait que le modèle est compact avec un rebord pour l'installation d'un réservoir. Séparément, il est écrit que des modèles plus courts jusqu'à 575 mm de long peuvent être produits.
- Largeur - B - également deux valeurs standard : 340 et 360 mm.
La hauteur des toilettes n'est pas normalisée, mais généralement entre 370 et 390 mm. Ainsi, selon la norme, la cuvette de toilette la plus étroite mesure 340 mm et le modèle «compact avec étagère et drain oblique» le plus court mesure 575 mm. Sur la base de ces valeurs et des distances minimales autorisées du paragraphe précédent, nous pouvons déterminer dimensions minimales des toilettes pour l'installation d'un tel modèle. Commençons par calculer la largeur : 340mm + 2*250mm = 840mm. C'est-à-dire que la distance entre les murs ne peut pas être inférieure à 84 cm, mieux, bien sûr, plus.
Et la longueur des toilettes doit être de 575 mm + 600 mm = 1175 mm. Mais c'est sans tenir compte du fait qu'il est également nécessaire de poser le tuyau d'égout et de raccorder le drain d'une manière ou d'une autre. Nous allouerons 20 cm supplémentaires pour cela.Au total, nous obtenons que la longueur minimale de la salle de toilette est de 1175 mm + 200 mm = 1375 mm. En mètres c'est 1.375 m.

Dimensions standard d'une cuvette de toilette sans étagère (avec un réservoir suspendu) de GOST
Les dimensions standard d'une cuvette de WC avec réservoir mural sont nettement plus petites : longueur/profondeur 460 mm, largeur 360 mm et 340 mm. C'est-à-dire que la pièce peut être plus courte. Sa profondeur minimale est de 1060 mm - ce n'est que pour une installation confortable de la cuvette, mais vous devez toujours connecter les tuyaux, alors ajoutons encore 20 cm.Au total, nous obtenons cela pour installer une toilette avec un réservoir mural , la pièce doit mesurer au moins 126 * 84 cm.si votre pièce est plus longue, vous pouvez repousser le miracle de la plomberie, et faire un meuble avec des étagères derrière les toilettes et/ou au-dessus.
La procédure pour fixer le réservoir aux toilettes de vos propres mains
Lorsque tous les travaux préparatoires sont terminés et que l'intérieur est entièrement assemblé, vous pouvez commencer à installer le réservoir. Les cuvettes de toilettes ont des conceptions différentes et sont montées de différentes manières. Mais comme le modèle le plus courant est une cuvette de toilette compacte, nous l'examinerons à l'aide de son exemple. L'installation consiste en une série d'étapes séquentielles.
Pour ce travail, vous avez besoin de très peu d'outils, et vous n'avez même pas besoin d'un partenaire.
- Nous plaçons le renfort interne dans le réservoir et le fixons.
- Nous mettons le scellant sur l'étagère. Si les boulons de fixation sont correctement serrés, le trou d'évacuation de l'eau sera hermétiquement fermé avec un joint. Mais il est préférable d'utiliser du mastic silicone.
- Nous plaçons le réservoir de manière à ce que le joint soit directement sous le drain. Les trous pour les fixations dans la cuvette des toilettes et le réservoir doivent être strictement opposés.
- Nous mettons des rondelles en forme de cônes sur les boulons, ainsi que des joints en caoutchouc. La partie conique des joints doit être tournée vers le bas. Après les avoir passés à travers deux trous, nous mettons un deuxième jeu de rondelles et de joints et serrons les écrous.
La force de la main n'est manifestement pas suffisante pour serrer correctement les écrous. Il n'y a pas de clés ici. Une clé à douille est placée sur la tête du boulon, et pour que le boulon ne défile pas par le bas, nous maintenons l'écrou avec une clé à fourche.
N'appliquez pas de force excessive lors du serrage des boulons. Plus la pression sur le joint est importante, plus sa durée de vie sera courte. Oui, et la céramique du réservoir pourrait bien se fissurer sous la pression des boulons.
Vous devez maintenant aligner le réservoir par rapport à l'horizontale et à la verticale.Nous vérifions sa position en termes de niveau et, si nécessaire, resserrons ou, au contraire, desserrons les boulons de fixation.
Dès que tout le travail est terminé, nous cachons les boulons sous des buses en plastique. S'il n'y en a pas, nous leur appliquons un lubrifiant qui protège contre la corrosion. Nous vérifions si nous avons installé tous les raccords à l'intérieur, installons-les. Vous pouvez maintenant fermer le réservoir avec un couvercle et y installer un bouton pour réinitialiser l'eau.
Vous pouvez maintenant connecter le tuyau d'alimentation et la soupape d'admission. Un tuyau flexible nous aidera ici, surtout, n'oubliez pas de vérifier s'il y a des joints dedans. Pour améliorer l'étanchéité, nous utilisons du câble ou du ruban d'étanchéité.

Le scellant pour ce cas n'est pas recommandé. Après tout, rien ne garantit qu'il ne sera pas nécessaire de remplacer le tuyau.
Nous vérifions à quel point le mécanisme de déclenchement est serré et s'il fonctionne correctement. Pour ce faire, vous devez fournir de l'eau au réservoir.
Si, après vérification, aucune fuite n'a été constatée ni au niveau du site de pose ni au niveau des joints, cela signifie que la tâche a été effectuée avec succès et qu'un test de vidange peut être effectué. Après cela, nous vérifions également les éventuelles fuites d'eau. Maintenant, tout est enfin prêt et les toilettes peuvent être utilisées.
Technologie pour l'installation d'un nouveau réservoir
Tout d'abord, il est nécessaire d'assembler et d'installer tous les aménagements intérieurs.
Maintenant, vous devez réparer le réservoir. Une fois qu'il est sécurisé, vous pouvez remplacer le couvercle et le bouton de déverrouillage qui se connecte à la soupape d'échappement.
En fait, il n'y a rien de compliqué. Mais! Si dans votre vie vous n'avez jamais eu à faire face à de tels problèmes, il serait utile de contacter un spécialiste. Cela vous fera gagner du temps et des nerfs. Quand le maître travaille, observez-le. Et la prochaine fois, faites-le vous-même.
Retrait et installation du réservoir sur le compact ↑
Malheureusement, il n'y a pas de norme générale qui vous permette d'installer librement n'importe quel réservoir sur chaque bol compact. Si au lieu de l'unité endommagée, il n'a pas été possible de trouver une unité du même modèle, vous devrez en rechercher une similaire. De plus, rien ne garantit qu'il sera possible d'en trouver un adapté en fonction de l'emplacement des supports et de la forme du site. Tout d'abord, vous devez vous référer aux produits du même fabricant, à moins, bien sûr, que l'on sache quelle entreprise a fabriqué le placard. Néanmoins, la probabilité de trouver un remplaçant pour un appareil standard (non conçu) est assez élevée. Pour les produits nationaux, sortis récemment, il n'y a pas de problèmes particuliers. Il est plus pratique de retirer un gabarit en papier du site, où la fixation nécessaire, les trous de drainage et les contours du site d'atterrissage seraient appliqués. Armé de ce modèle, commencez à chercher.
En contournant les autres conceptions avec attention, nous vous expliquerons comment installer un compact, car c'est précisément un tel appareil qui est disponible dans la plupart des appartements.
Démontage de l'ancien appareil
- Avant de démonter le système, n'oubliez pas de couper l'alimentation en eau en fermant la vanne.
- Nous vidons complètement l'eau, déconnectons le tuyau d'eau.
- Nous dévissons les deux vis de fixation du bas de la plate-forme de support. Ils ont des têtes d'ailes, en acier ou en plastique, aucun outil spécial n'est requis. Mais dans les anciens placards domestiques, les attaches étaient en métal ferreux ordinaire et, à notre époque, elles se présentent sous une forme corrodée et complètement «durcie». Vous pouvez pulvériser les fils avec le merveilleux liquide WD que possède tout automobiliste qui se respecte. Cela n'a pas aidé - vous devez scier les têtes de vis.
Les fixations modernes sont galvanisées et équipées de joints en plastique ou en caoutchouc
Nous retirons le réservoir
Soigneusement, en se balançant un peu d'un côté à l'autre, si la gomme à sceller est "collée".
Jeter l'ancien sceau. Si la surface du patin de support est recouverte de calcaire, de rouille, enlevez la saleté avec une éponge abrasive (pas de papier de verre ni de couteau).
Même si vous ne changez pas le tout, il est préférable de remplacer l'ancien joint. Pour la plomberie domestique, des kits de réparation sont disponibles à la vente
Réparer un nouveau réservoir ↑
- Nous installons un joint torique dans le trou pour vidanger le bol, installons soigneusement le réservoir en veillant à ce que la partie en caoutchouc ne se déforme pas.
- On insère les boulons et on enroule les agneaux sans les pincer, sinon la faïence risque de se fissurer. Dans les produits modernes, les fixations sont en plastique ou, si elles sont en acier, elles sont fournies avec des joints souples. Si, pour une raison quelconque, il n'y a pas de joints, ils doivent être découpés indépendamment d'une feuille de tout matériau élastique (caoutchouc, liège, etc.).
Suivez les instructions, serrez les attaches uniformément des deux côtés
- Nous assemblons les raccords de vidange. Nous ne décrirons pas le processus, car il existe de nombreux systèmes. Dans tous les cas, le kit contient des instructions de montage et de fonctionnement, conformément à celui-ci, vous devez agir.
- Nous connectons le tuyau d'eau en scellant la connexion avec du câble de plomberie, du ruban FUM ou du mastic.
- Nous ouvrons la vanne, si nécessaire, ajustons le niveau d'eau, en nous concentrant sur le manuel du fabricant.
Il est important d'installer le joint entre le réservoir et la cuvette sans déformation, ne pas pincer les boulons
En général, rien de compliqué, vous pouvez réparer et mettre à jour la cuvette des toilettes vous-même.Mais si vous n'avez pas le temps de vous occuper de la plomberie, que vous n'avez pas les outils nécessaires à la maison, que vous ne savez pas comment et où trouver des pièces détachées, mieux vaut confier ce travail à des spécialistes.
Exigences de construction
Lors de la conception d'une salle de bain combinée, les normes SNiP suivantes doivent être prises en compte:

Schéma de raccordement de la plomberie dans la salle de bain.
- La superficie minimale de la salle de bain combinée, où se trouvent le lavabo, les toilettes, la baignoire et l'espace pour la machine à laver, est de 3,8 m².
- Avant le bain ou la douche, il doit y avoir au moins 70 cm d'espace libre, la valeur optimale est de 105-110 cm.
- il doit y avoir un espace libre d'au moins 60 cm devant les toilettes ou le bidet, et 40 cm de part et d'autre des côtés de l'axe longitudinal de la plomberie.
- L'espace libre devant l'évier doit être d'au moins 70 cm et, s'il est situé dans une niche, d'au moins 95 cm.
- La distance entre l'évier et le mur doit être d'au moins 20 cm et entre les toilettes et l'évier - d'au moins 25 cm.
- L'évier est installé à une hauteur de plus de 80 cm du sol.
- Le tuyau de chasse qui évacue l'urinoir doit être à un angle de 45 degrés avec l'ouverture vers le mur.
- La meilleure option est d'avoir une fenêtre dans la salle de bain, qui fournit de la lumière naturelle et de la ventilation. Cependant, dans la construction d'immeubles de grande hauteur modernes, une telle conception de salle de bain est extrêmement rare. La fenêtre est remplacée par un dispositif de ventilation forcée qui élimine le condensat et les odeurs résultants de la salle de bain.
- La salle de bain ne doit pas être située au-dessus de la cuisine et des autres pièces à vivre. Une exception à cette règle ne concerne que les appartements à deux niveaux, où il est permis de placer des toilettes et un bidet au-dessus de la cuisine.
En remplissant toutes ces conditions, vous pouvez obtenir une salle de bain correctement équipée.
Montage compact
Schéma de montage et chasse d'eau.
- Vérifiez le niveau et préparez le sol pour l'installation de la cuvette des toilettes, vérifiez l'alimentation en eau froide, préparez le robinet et la crépine. Un robinet est nécessaire pour qu'en cas de panne des toilettes, vous puissiez facilement couper l'eau. Pour l'installation et l'étanchéité de la connexion, utilisez le ruban FUM et les joints en caoutchouc.
- Connectez la cuvette des toilettes au tuyau d'égout. La connexion ne doit pas interférer avec la sortie d'eau de la plomberie. Plus la libération est élevée, meilleure est la chasse d'eau.
- Faites un balisage pour fixer la base des toilettes. Le marquage est effectué à travers des trous de montage pour les chevilles.
- Séparez le bol de l'égout, prenez un perforateur et percez des trous pour les chevilles ou les vis. Le diamètre de la perceuse doit être le même que le diamètre des chevilles.
- Installez le bol et vissez-le au sol. Pour ce faire, utilisez un ensemble de chevilles, boulons, capuchons et joints. Pour une meilleure stabilité de la plomberie, vous devez également enduire sous la base de la cuvette des toilettes avec du carrelage ou de la colle époxy. La colle est appliquée avec une spatule dans les coins de sorte que l'épaisseur de la couche ne soit pas inférieure à 5 mm.
- Vérifiez les réglages de tous les mécanismes d'entrée et de sortie d'eau pour vous assurer qu'ils sont conformes aux instructions. S'il y a des écarts, ajustez-les. Le schéma de réglage et les recommandations correspondantes sont inclus dans la documentation technique de la vanne.
- Montez dans le réservoir tous les mécanismes de vidange et d'alimentation en eau.
- Connectez correctement le tuyau flexible à la vanne d'arrivée d'eau dans le réservoir.
- Insérer les éléments de fixation dans les ouvertures du réservoir. Placez un joint en caoutchouc pour sceller la connexion entre le bol et le bol.Placez le réservoir sur l'étagère de la cuvette des toilettes de sorte que tous les boulons de montage s'insèrent dans les trous de l'étagère.
- Serrez les boulons de fixation jusqu'à ce que la connexion soit complètement serrée. Serrer les écrous en alternance pour éviter d'endommager le compact. Surveillez les joints et ne serrez pas trop les fixations.
- L'assemblage du siège ne devrait pas être trop difficile. Installez le siège et vissez-le à la cuvette en suivant les instructions de montage. Vérifiez visuellement le siège. Il ne doit pas avoir de gonflement, de rugosité et de bulles.
- Connectez le tuyau flexible à l'alimentation en eau. Ouvrez l'eau et ajustez le niveau de travail dans le réservoir.
Installer une cuvette de toilette sur du ciment
Le montage d'un module de plomberie sur du ciment est une méthode de fixation plus obsolète, qui est maintenant choisie beaucoup moins fréquemment. Dans ses points principaux, il ressemble à l'option d'installation décrite ci-dessus pour la colle, mais au lieu de mélanges et de mastics modernes, un mortier de ciment auto-préparé est utilisé ici.

Une toilette fixée au sol avec du ciment semble moins esthétique. Si vous devez soudainement le remplacer, vous devrez casser non seulement la zone de fixation, mais également le revêtement qui lui est adjacent.
Pour rendre la salle de bain plus attrayante à l'avenir, un petit évidement est fait à l'endroit déterminé pour l'installation, il est soigneusement nettoyé des débris et de la poussière, il est rempli à ras bord avec la solution préparée et la cuvette des toilettes est placée sur dessus, après avoir préalablement humidifié les bords de la semelle avec de l'eau.
L'excès de ciment est soigneusement retiré à l'aide d'une spatule et la structure est laissée durcir pendant une journée. Une fois le temps écoulé, ils sont raccordés au système d'égouts et de l'eau est fournie pour remplir le réservoir
Types de réservoir de vidange
Les réservoirs de vidange diffèrent les uns des autres par les méthodes d'installation et leurs caractéristiques techniques.
Si, après l'installation sur un rebord spécial, le réservoir avec la cuvette est connecté en une seule structure et ressemble à une seule unité, alors ce modèle de réservoir de vidange s'appelle un compact.

Ce modèle est une bonne option pour un débutant car il est le plus facile à assembler.
Un réservoir de vidange intégré ou caché est installé dans une niche murale. Il s'accompagne d'un WC suspendu ou sur pied. Une fois l'installation terminée, il est décoré d'un faux mur. Les éléments principaux du réservoir sont montés sur le cadre d'installation. Si vous choisissez d'installer un réservoir de toilettes de cette manière, vous devez vous connecter à un ensemble de travaux: installer un cadre, un réservoir, installer une cuvette, connecter des tuyaux de communication, créer un mur de décoration. Pour une installation de qualité de la structure, il est nécessaire d'avoir des compétences en plomberie.
Un réservoir mural, monté séparément du bol et relié à celui-ci par un tuyau de dérivation spécial, est un réservoir de vidange autonome (ou un conteneur suspendu). Une conception moderne peut être avec un petit tuyau, puis le remplissage existant du réservoir est utilisé pour drainer le liquide - un levier ou un bouton de vidange (à l'époque soviétique, c'était une chaîne avec une poignée).

Le réservoir compact est le plus pratique à utiliser - tous les éléments sont assemblés. De plus, il n'est pas nécessaire de chercher quelque chose qui manque. Pour une capacité intégrée et autonome, vous devez acheter des pièces supplémentaires.
Aménagement intérieur et principe de fonctionnement de la structure
Si vous comprenez les caractéristiques de conception du produit, il devient clair comment installer une toilette murale.

La conception du produit mural est telle que seule la cuvette des toilettes est un élément visible.
Le premier élément est un cadre en acier solide, qui constitue la base sur laquelle est fixée la partie visible de la structure - la cuvette des toilettes. C'est avec son installation que commence l'installation d'un WC suspendu. Le cadre est solidement fixé au mur, également fixé au sol - il doit donc supporter le poids d'une personne lourde.
En conséquence, il est inacceptable de monter cette structure sur des murs faibles (par exemple, des cloisons sèches), car le mur ne peut tout simplement pas y résister. Le cadre est équipé d'un dispositif qui vous permet de régler la hauteur (400-430 mm), sur laquelle le bol de produit est monté. Il est suspendu au cadre à l'aide de goupilles spéciales - c'est la principale fixation des toilettes suspendues.

Souvent, deux sont installés en même temps. installations - pour les toilettes et pour bidet
Le deuxième élément est caché dans le mur vider le réservoir de Plastique. Sa forme diffère de la forme traditionnelle, car le conteneur doit tenir dans une structure étroite. Il est monté dans un cadre en acier et isolé avec un matériau spécial qui exclut l'apparition de condensat - le styrène. La paroi avant du réservoir est équipée d'une découpe pour le montage d'un dispositif à bouton de déclenchement. En cas de réparation, cette découpe est également utilisée. Presque toutes les citernes modernes impliquent un dosage de vidange : par exemple, le volume d'eau évacuée peut être de 3 litres ou de 6 litres, selon le but.

Des réservoirs de configuration plate sont fixés à l'intérieur de l'installation
Le troisième élément est la cuvette des toilettes, la seule partie visible et activement exploitée de la structure. Sa forme est traditionnelle, ovale, bien que les modèles design se déclinent en configurations rondes et rectangulaires.

La cuvette des toilettes peut être rectangulaire ou même ronde - tout dépend de l'imagination du concepteur et du désir du client.
Il ne devrait y avoir aucun problème avec les fixations, car un ensemble de pièces et d'outils nécessaires et des instructions d'installation sont inclus avec le produit. Parfois, il est nécessaire d'acheter en plus un ruban téflon, une sortie en polyéthylène, un tuyau flexible et des goujons.






































