Installation de climatiseurs à cassette: règles technologiques pour l'installation d'une "cassette" domestique

Qu'est-ce qu'un climatiseur à cassette: installation et installation, dimensions et schéma de connexion

Installation de l'unité extérieure

Installation de climatiseurs à cassette: règles technologiques pour l'installation d'une "cassette" domestiqueInstallation de l'unité extérieure

Avant d'installer l'unité extérieure, vérifiez attentivement la différence maximale autorisée. Pour certains climatiseurs, elle ne doit pas dépasser 20 m.

  • L'unité extérieure doit être bien fixée pour ne pas vibrer lorsque le moteur et le compresseur tournent.
  • Ports de connexion
    Il est souhaitable de laisser un espace de 30 cm aux faces latérales si le dessin n'implique pas de schéma bloc. Rien ne doit restreindre le soufflage d'air par le ventilateur, sinon l'efficacité est réduite.

  • Ne déplacez pas l'unité extérieure en tenant la grille décorative, vous l'endommageriez à coup sûr.
  • Le centre de gravité peut ne pas coïncider avec le centre géométrique, calculez donc correctement les forces.
  • Lors du transport, ne couchez pas le module sur le côté et ne le pliez pas à plus de 45˚.
  • S'il est prévu d'installer au sol, il est nécessaire de préparer une fondation dont la taille en longueur et en largeur dépassera les dimensions du bloc de plusieurs centimètres.
  • Avec des vents forts fréquents dans la région, il est préférable de ne pas monter perpendiculairement au mur. Si vous ne respectez pas cette condition, en raison de la forte dérive, l'appareil peut simplement se déchirer.
  • Tout d'abord, des trous sont faits pour les pattes. Les supports sont fixés avec des boulons d'ancrage. Après cela, le compresseur est installé dessus et vissé avec des boulons.
  • Faites un trou dans le mur à l'aide d'un perforateur. Son diamètre doit être tel que la canalisation et le câblage électrique s'y intègrent librement. Étendre les communications au bloc.
  • Évasez et dénudez les tuyaux de la même manière que lors de l'installation de l'unité intérieure.
  • La vanne de l'unité extérieure doit être fermée. Dévissez l'écrou et connectez sans tarder afin que la poussière et la saleté ne pénètrent pas à l'intérieur. Serrez avec deux clés.

Erreurs typiques lors de l'installation de climatiseurs

Une installation incorrecte du climatiseur est une chose courante. Il arrive aussi qu'une erreur entraîne la chute de la structure. La raison en est le coût élevé des services d'installation fournis par des entreprises spécialisées, ainsi que la présence de non-professionnels dans ce domaine. Par exemple, les travailleurs qualifiés fournis par l'entreprise factureront près de la moitié du coût du climatiseur lui-même pour leur installation de 2 à 3 heures d'un climatiseur. Par conséquent, afin d'économiser de l'argent, les propriétaires préfèrent embaucher un ouvrier non qualifié.Le résultat d'une telle installation est différent : pour certains, le climatiseur dure des années, pour d'autres non.

Noter! Souvent, les non-professionnels ne font pas attention au matériau à partir duquel la façade est fabriquée, à la charge qu'elle supportera, etc. Voici une liste des erreurs les plus typiques et les plus courantes commises lors de l'installation de climatiseurs:

Voici une liste des erreurs les plus typiques et les plus courantes commises lors de l'installation de climatiseurs :

  1. Les tubes de fréon sont trop souvent et excessivement courbés. Ensuite, la charge sur le compresseur augmente et il tombe en panne plus rapidement.
  2. Installation d'un groupe condenseur sur une loggia vitrée. En conséquence, la circulation de l'air se détériore.
  3. Installation d'un climatiseur dans une pièce avec des appareils qui émettent des ondes électromagnétiques à haute fréquence. Ceux-ci incluent: tour ou perceuse, équipement de soudage.
  4. Installation du groupe évaporateur en biais : le condensat s'écoule sur le sol.
  5. Installation d'un climatiseur au-dessus d'une source de chaleur.

Lorsque ces erreurs sont déjà commises lors du processus d'installation, vous devrez les corriger. Pour ce faire, vous devez comprendre la signification de l'erreur et la raison :

  1. Si, après l'installation, le climatiseur crée un courant d'air, il suffit de changer le sens du flux d'air, qui est modifié par la position du registre sur l'appareil.
  2. Lors du chauffage à l'intérieur, l'unité extérieure est recouverte de glace. Dans ce cas, le produit ne dispose pas de système de dégivrage automatique. Il suffit d'allumer le climatiseur en mode refroidissement, après quoi la plaque fondra progressivement.
  3. Pendant la période chaude, l'air frais ne provient pas du climatiseur installé, il n'y a pas d'effet de refroidissement.Il est nécessaire de vérifier les filtres, de fermer les fenêtres de la pièce, d'allumer l'appareil de chauffage, de remplacer le climatiseur par un plus puissant.
  4. Si le débit d'air est faible, les filtres sont nettoyés.
  5. Si de l'eau s'écoule du climatiseur, le canal de vidange est obstrué. Il pourrait s'agir d'un bloc de glace. Vous devrez appeler le maître, qui réchauffera l'unité.
  6. Lorsqu'un bruit de ligne se fait entendre pendant le fonctionnement du climatiseur installé, les roulements peuvent être usés ou le ventilateur peut être déséquilibré. Un maître est embauché pour diagnostiquer et réparer le produit.
  7. Le compresseur devient très chaud - un signe de faible pression de fréon. Il suffit de faire le plein du climatiseur avec du fréon et de tout vérifier pour les fuites.

Si vous suivez toutes ces étapes, vous pouvez être sûr que le climatiseur installé durera encore de nombreuses années.

Connexion réseau

La dernière partie des travaux d'installation est la connexion du système installé à l'alimentation électrique. Un système d'alimentation autonome est organisé pour le climatiseur, qui ne dépendra pas du câblage de toute la maison. La meilleure option est un stabilisateur qui ne permettra pas aux chutes de tension d'affecter le fonctionnement de l'appareil. Cette option aidera dans les cas où il n'y a pas de câblage séparé pour le climatiseur.

Lire aussi :  Colonnes en béton armé

Si l'installation des climatiseurs comprenait une mise à la terre, elle unit les unités extérieure et intérieure. Pour rallonger le cordon, utilisez un câble avec les mêmes spécifications.

Un essai de fonctionnement montrera si le câblage de l'unité extérieure à l'unité intérieure est correct. Après avoir connecté l'appareil au secteur, vous devez examiner son fonctionnement - quel bruit fait l'appareil, comment fonctionne la partie visible du climatiseur.Tout bruit parasite est un signal que le câblage ne fonctionne pas correctement. Le climatiseur ne doit pas trembler ou crépiter. Après les travaux d'installation, s'il n'y a pas de problèmes avec les pièces et les détails de l'unité, un contrôle technique est nécessaire - il est effectué au moins une fois tous les six mois.

Climatiseurs pour l'appartement

Comment choisir un climatiseur pour un appartement et en a-t-il vraiment besoin? La deuxième partie de la question est toujours décidée en fonction des préférences personnelles et des conditions de vie. Lorsque le logement est situé du côté ombragé et peut être régulièrement ventilé, il n'est pas nécessaire d'installer un climatiseur dans l'appartement. Le côté ensoleillé, la proximité immédiate du toit, les vitrages panoramiques qui transmettent plus la chaleur qu'une fenêtre à double vitrage classique, les autoroutes bruyantes sous les fenêtres - tous ces facteurs font réfléchir les habitants au besoin de climatisation dans l'appartement, surtout lorsqu'il y a sont les petits enfants et les personnes âgées.

Lorsque le logement est situé du côté sud, le soleil brille du matin au soir, donc en été, il est impossible de se rafraîchir uniquement en aérant, et si une route passe sous les fenêtres, le long de laquelle les voitures roulent constamment, alors l'odeur de des gaz d'échappement sont ajoutés.

Calcul de la capacité de refroidissement du climatiseur

Lorsque la décision de savoir si un climatiseur est nécessaire dans l'appartement est prise, il reste à choisir un système divisé, à calculer sa puissance et à trouver un endroit pour l'accrocher.

Tout d'abord, la capacité de refroidissement requise est déterminée, ce qui ne doit pas être confondu avec la consommation d'énergie du réseau.

La puissance frigorifique est la quantité de froid produite par l'appareil en un certain temps avec une certaine consommation d'énergie et s'exprime en kW.

Si une personne ne sait pas comment calculer un climatiseur pour un appartement, vous pouvez contacter l'entreprise où vous envisagez de l'installer ou utiliser le service de calculateur en ligne.

Cela donne une estimation pour une pièce avec un gain de chaleur moyen. Lors du calcul d'un climatiseur pour un appartement du côté sud, sous un toit, avec une grande surface vitrée ou une énorme quantité d'équipements en fonctionnement constant, de 10 à 30% sont ajoutés au résultat obtenu, ce qui devrait couvrir l'excédent d'entrée Chauffer.

Type d'unité intérieure du climatiseur

Maintenant, disposant des indicateurs techniques nécessaires, ils réfléchissent au climatiseur à choisir pour l'appartement. Dans tous les cas simples, des modèles muraux sont achetés, car ils coûteront assez cher à l'acheteur. Le logement dans des maisons typiques de Khrouchtchev, Brejnev et des bâtiments modernes sont des options idéales pour eux.

La climatisation du sol au plafond est nécessaire si :

  • plus de puissance est nécessaire avec des zones moyennes, mais il n'y a pas de faux plafonds et de faux murs pour installer une unité de canal ou de cassette ;
  • la pièce a des formes ovales ou allongées;
  • il y a un vitrage panoramique;
  • la distribution d'air doit aller vers le haut et non horizontalement.

Vous devrez installer un climatiseur dans un appartement avec une unité intérieure de type cassette si :

  • une capacité accrue de la machine de réfrigération est requise ;
  • il y a des plafonds supérieurs à 3 mètres ;
  • le projet de conception ne prévoit pas la présence d'unités supplémentaires dans l'espace de la pièce;
  • il est nécessaire de répartir l'air en plusieurs flux pour ne pas créer de "zones mortes" dans la pièce.

Un climatiseur gainable est acheté dans les cas suivants:

  • installation dissimulée requise ;
  • la superficie de la pièce est grande et les plafonds ont une hauteur de plus de 3 m;
  • la climatisation de plusieurs pièces en même temps est requise;
  • vous avez besoin d'une ventilation complète avec humidification et refroidissement ou chauffage de l'air.

Lors de l'achat d'un climatiseur gainable, considérez ce qui est nécessaire : la recirculation ou la ventilation. Le recyclage peut être partiel et à 100 %. Lorsque la recirculation partielle est combinée à l'apport d'air extérieur, nous parlerons déjà de l'utilisation à l'année d'un système split.

Dans cette dernière option, il est nécessaire d'installer une chambre de mélange à l'entrée de l'unité intérieure pour mélanger l'air soufflé (recirculé) et l'air neuf dans les proportions requises, ainsi qu'un réchauffeur d'air pour élargir la plage de température d'action dans le le froid hivernal.

Appareil de climatisation à cassette domestique

L'équipement de refroidissement de type cassette est un système à deux modules, grâce auquel la fonction de refroidissement de l'air à une température prédéterminée est réalisée.

L'ensemble du système de fractionnement de cassette se compose de modules :

  1. Extérieur (rue).
  2. Intérieur (appartement, bureau).

Les deux modules du kit sont des blocs individuels qui, lors de la mise en service du système, sont reliés par des pipelines technologiques et des connexions électriques.

Lire aussi :  GidroiSOL est la meilleure solution !

Installation de climatiseurs à cassette: règles technologiques pour l'installation d'une "cassette" domestique
Les parties principales (modules) d'un système split à cassette qui constituent un ensemble complet de systèmes de climatisation. Comme vous pouvez le voir sur la photo, l'unité extérieure n'est pas très différente de celles utilisées dans les climatiseurs muraux classiques.

Il convient de noter que les systèmes split de type cassette sont plus souvent utilisés comme équipement de bureau, installés dans les petites entreprises et à l'intérieur des bâtiments administratifs.

L'application dans des appartements ou des maisons est un phénomène plutôt rare. La raison principale de cette situation est la nécessité d'un appareil sur un faux plafond, car le module intérieur a pour but d'être monté sous le plafond.

La structure du module externe

Cette partie de la conception du climatiseur à cassette est parfaitement cohérente avec la conception classique des systèmes de climatisation domestiques.

Le module block street contient les composants suivants à l'intérieur :

  • compresseur;
  • condensateur;
  • ventilateur;
  • éléments d'automatisation ;
  • pièces électriques.

Le compresseur et le condenseur sont reliés par un circuit de réfrigération rempli de fréon, à partir duquel des points de contact sont établis via une paire de vannes d'arrêt linéaires pour le raccordement à l'unité intérieure.

Installation de climatiseurs à cassette: règles technologiques pour l'installation d'une "cassette" domestique
Exécution du module externe : 1 – compresseur frigorifique ; 2 - vanne à quatre voies; 3 - tableau électronique et électrique; 4 - ventilateur de condenseur ; 5 - tubes à ailettes du condenseur ; 6 - filtre-sécheur ; 7 - bloc de robinets d'arrêt; 8 - couverture

Les connexions électriques pour le contrôle automatique et l'alimentation du compresseur du module externe sont également amenées au panneau de contact du module interne, où elles sont commutées en conséquence (selon le schéma) et amenées à l'alimentation générale.

Caractéristiques de l'unité intérieure

Cette partie du climatiseur est réalisée sous la forme d'une cassette de bloc de travail avec un panneau conçu pour être intégré dans la structure du plafond. De plus, la structure du plafond devrait avoir ce qu'on appelle un faux plafond.

L'unité de travail (système) est «cachée» sous le faux revêtement et le panneau de distribution reste sur le même plan avec le faux revêtement.

Installation de climatiseurs à cassette: règles technologiques pour l'installation d'une "cassette" domestique
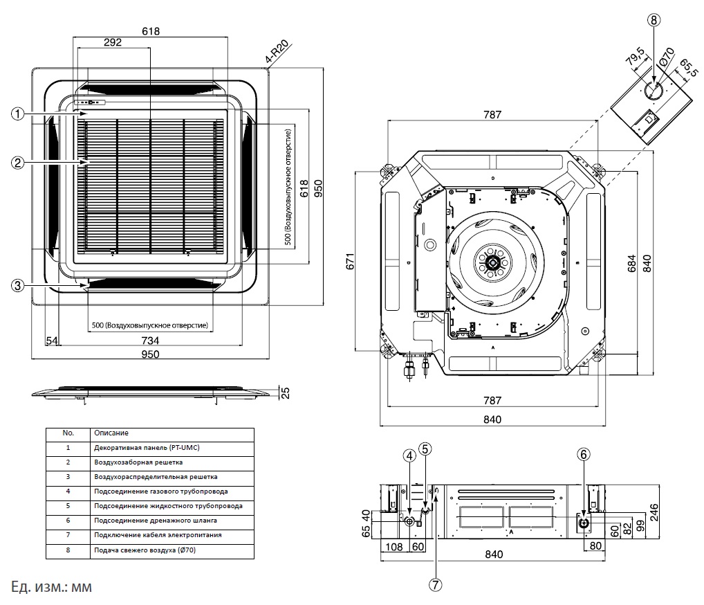
Conception de cassette : 1 – corps de cassette léger ; 2 – interface aérienne supplémentaire ; 3 - canal pour prise d'air extérieur ; 4 - évaporateur avec bio-revêtement ; 5 - ventilateur ; 6 - panneau de distribution ; 7 - filtre-ioniseur; 8 - grille d'admission d'air

Le panneau de distribution de l'unité intérieure à cassette dans son ensemble contient plusieurs éléments :

  1. Grille d'aération.
  2. Filtre grossier.
  3. Filtre ioniseur.
  4. Cadre rigide.
  5. Coussinet facial.
  6. Volets de distribution.

La grille d'admission d'air avec filtres d'ionisation, filtres grossiers et cadre rigide est située dans la zone centrale du panneau de distribution.

Le long du périmètre - sur les côtés du même panneau de distribution - il y a des canaux pour la sortie d'air refroidi, complétés par des volets avec contrôle de débit cyclique automatique.

Installation de climatiseurs à cassette: règles technologiques pour l'installation d'une "cassette" domestique
Modules internes d'un système split cassette monté dans un bureau. Dans ce cas, une structure de suspension ouverte sur le cadre est utilisée, constituée de profilés métalliques rectangulaires.

La plaque frontale du panneau de distribution de cassettes contient, entre autres, une indication lumineuse et une carte de commande à distance. Il existe une version modèle équipée d'un panneau de commande filaire.

L'unité de commande de la cassette, "cachée" sous le faux plafond, fait partie de la structure frigorifique, comprenant : un évaporateur, un ventilateur, un purgeur de condensat, les raccordements de ligne du module extérieur et un tableau de raccordement électrique.

Avantages d'un climatiseur à cassette

Structurellement, la "cassette" est conçue pour que l'air refroidi soit soufflé dans 4 directions.Alors qu'un climatiseur mural refroidit des pièces relativement petites, un climatiseur à cassette peut couvrir une surface assez grande.

En plus d'une large zone de couverture, cette technique pratique présente de nombreux autres avantages :

  1. Esthétique. Les unités intérieures restent invisibles car elles sont situées derrière le faux plafond. L'installation dissimulée ne modifie pas l'intérieur de la pièce, ce qui permet l'utilisation d'un tel équipement de climatisation dans des locaux représentatifs, des bureaux.
  2. Absence presque totale de bruit pendant le fonctionnement. Le ventilateur intégré à l'appareil crée une circulation naturelle des masses d'air, ne provoque pas de turbulences et pompe efficacement l'air.
  3. Couverture maximale de la pièce. Étant donné que l'air chaud s'accumule dans la zone où se trouve le climatiseur, la température ambiante diminuera progressivement de haut en bas.
  4. Contrôle pratique du débit d'air. A l'aide de barres pivotantes, vous pouvez orienter les jets d'air à votre guise.

Les systèmes de climatisation à cassettes des grands locaux sont contrôlés non seulement par des télécommandes portables, mais également par l'installation de blindages fixes connectés au réseau électrique du bâtiment.

De nombreux systèmes de cassettes ont des fonctionnalités supplémentaires. Ils peuvent effectuer le chauffage des locaux, l'ionisation et l'humidification de l'air. Pour pouvoir coordonner pleinement le fonctionnement des climatiseurs, vous pouvez installer un seul système de climatisation.

caractéristiques et principe de fonctionnement

Installation de climatiseurs à cassette: règles technologiques pour l'installation d'une "cassette" domestique

Un climatiseur à cassette est un représentant classique d'un système split. Cela indique qu'il, comme la version simple, se compose de deux blocs. La partie extérieure contient le compresseur et le condenseur, et la partie intérieure contient le système de drainage et l'évaporateur.Lorsque le mode chauffage est activé, la fonctionnalité des blocs est inversée. Mais il a ses avantages indéniables :

  • Emplacement. Le module intérieur de ce type de climatiseur est placé dans le faux plafond. Cela vous permet de masquer le design volumineux et de l'intégrer parfaitement à l'intérieur.
  • Tailles uniformes. Les dimensions sont calculées de manière à ce qu'en règle générale, aucune modification du plafond armstrong ne soit nécessaire.
  • Système de fréon caché. Tous les tuyaux, ainsi que le drainage, sont cachés sous un faux plafond. Pour eux, vous n'avez pas besoin de fabriquer des stroboscopes, puis de les fermer avec du mastic et du plâtre.
  • Émission de bruit minimale. Ici, un ventilateur de forme spéciale est utilisé, qui ne crée pas de turbulences, qui sont la cause du bruit, et crée plus efficacement une entrée d'air.
  • Couverture étendue. Il est plus raisonnable de créer un refroidissement à partir du plafond. C'est là que l'air chaud s'accumule. Si vous baissez sa température, il descendra et refroidira tout ce qui se trouve dans la pièce.
  • Coup confortable. Grâce aux lamelles orientables, il est possible de régler la répartition du flux d'air pour qu'il ne tombe pas directement sur les personnes présentes dans la pièce.
  • La possibilité de sécher l'air lui permet d'être utilisé dans des zones humides et des entrepôts.
  • Dans certains modèles, une prise d'air frais de la rue est disponible.
  • Réglage flexible. Télécommande.
Lire aussi :  Assemblage et installation d'un lustre: instructions détaillées pour l'installation et la connexion de vos propres mains

Avantages d'un climatiseur à cassette

Structurellement, la "cassette" est conçue pour que l'air refroidi soit soufflé dans 4 directions.Alors qu'un climatiseur mural refroidit des pièces relativement petites, un climatiseur à cassette peut couvrir une surface assez grande.

En plus d'une large zone de couverture, cette technique pratique présente de nombreux autres avantages :

  1. Esthétique. Les unités intérieures restent invisibles car elles sont situées derrière le faux plafond. L'installation dissimulée ne modifie pas l'intérieur de la pièce, ce qui permet l'utilisation d'un tel équipement de climatisation dans des locaux représentatifs, des bureaux.
  2. Absence presque totale de bruit pendant le fonctionnement. Le ventilateur intégré à l'appareil crée une circulation naturelle des masses d'air, ne provoque pas de turbulences et pompe efficacement l'air.
  3. Couverture maximale de la pièce. Étant donné que l'air chaud s'accumule dans la zone où se trouve le climatiseur, la température ambiante diminuera progressivement de haut en bas.
  4. Contrôle pratique du débit d'air. A l'aide de barres pivotantes, vous pouvez orienter les jets d'air à votre guise.

Les systèmes de climatisation à cassettes des grands locaux sont contrôlés non seulement par des télécommandes portables, mais également par l'installation de blindages fixes connectés au réseau électrique du bâtiment.

Installation de climatiseurs à cassette: règles technologiques pour l'installation d'une "cassette" domestiqueL'installation d'un climatiseur à cassette doit être planifiée avant que des réparations ne soient effectuées dans la pièce. Dans ce cas, la présence d'une structure tendue avec un espace entre les plafonds de 15 à 30 cm est nécessaire.

De nombreux systèmes de cassettes ont des fonctionnalités supplémentaires. Ils peuvent effectuer le chauffage des locaux, l'ionisation et l'humidification de l'air. Pour pouvoir coordonner pleinement le fonctionnement des climatiseurs, vous pouvez installer un seul système de climatisation.

Où installer le climatiseur

Installation de climatiseurs à cassette: règles technologiques pour l'installation d'une "cassette" domestique

Il existe de nombreux schémas pour l'emplacement du climatiseur dans l'appartement, qui sont illustrés dans les exemples ci-dessous.

Le plus souvent, les installateurs essaient de placer les deux blocs comme sur la première image. Cette option satisfait à de nombreuses règles d'installation d'un climatiseur dans un appartement: la longueur recommandée du trajet est prise en compte, l'air refroidi coupe la chaleur de la fenêtre, l'unité extérieure n'interfère pas avec les voisins, les flux d'air froid ne sont pas susceptibles d'affecter les principaux lieux de loisirs des gens.

Si la pièce a un balcon, la disposition du climatiseur dans l'appartement peut ressembler à la deuxième photo. L'unité extérieure est accrochée sur la façade du balcon et l'unité intérieure sur le mur le plus proche adapté à l'installation.

Lorsqu'il y a deux fenêtres dans la pièce, l'unité intérieure peut être fixée entre elles et l'unité extérieure peut être installée en standard sous l'une d'elles.

Installation de climatiseurs à cassette: règles technologiques pour l'installation d'une "cassette" domestique

Il n'a pas été mentionné ci-dessus que non seulement des climatiseurs à canaux sont installés dans un appartement multi-pièces, mais également des systèmes multi-split avec une unité extérieure et plusieurs unités intérieures. Les modules de salle peuvent être soit d'un seul type, par exemple uniquement muraux, soit de plusieurs types : muraux + cassette + sol-plafond.

La figure ci-dessous montre deux systèmes multi-split, chacun composé d'une unité extérieure et de deux unités intérieures.

Installation de climatiseurs à cassette: règles technologiques pour l'installation d'une "cassette" domestique

Il est tout à fait réaliste de choisir un climatiseur multizone avec un grand nombre d'unités intérieures. Leur nombre maximum par extérieur atteint 9.

L'unité extérieure peut être placée sur le balcon s'il n'est pas vitré ou s'il y a des fenêtres constamment ouvertes pour assurer la circulation de l'air

Ceci est important pour souffler le condenseur, qui peut surchauffer dans un espace confiné, et l'appareil s'éteindra. Lorsque l'appartement est situé au dernier étage, il est tout à fait possible de placer un climatiseur sur le toit, comme schématisé sur la photo.

Installation de climatiseurs à cassette: règles technologiques pour l'installation d'une "cassette" domestique

Un climatiseur gainable avec recirculation et ventilation pour plusieurs pièces ressemble à ceci.

Installation de climatiseurs à cassette: règles technologiques pour l'installation d'une "cassette" domestique

L'emplacement de la piste peut également sembler différent.

Installation de climatiseurs à cassette: règles technologiques pour l'installation d'une "cassette" domestique

Règles d'installation du climatiseur

Pour déterminer où accrocher le climatiseur dans l'appartement, vous devez connaître les règles d'installation:

  • Le flux d'air refroidi ne doit pas être dirigé vers des personnes ou des lieux de leur résidence permanente ;
  • Il ne doit y avoir aucun obstacle dans la zone de 1,5 mètre devant le bloc;
  • Ne suspendez pas le système split près d'un feu ouvert ou d'appareils de chauffage ;
  • Pour un climatiseur mural, une distance minimale de 15 cm du plafond est prévue;
  • Il est souhaitable de fournir une coupure directe des rayons du soleil avec de l'air refroidi.

Ce sont les règles de base pour installer un climatiseur dans un appartement, sur la base desquelles il est facile de choisir où l'accrocher.

Évaluation
Site sur la plomberie

Nous vous conseillons de lire

Où remplir la poudre dans la machine à laver et combien de poudre verser