Choisir un spa et les nuances d'un entretien approprié

Entretien de la baignoire spa - Conseils d'entretien

Des mesures de précaution

Pour rendre le bain agréable et utile, vous devez vous familiariser avec les recommandations suivantes :

Pour se détendre, il est préférable de prendre un bain le soir pendant environ 30 minutes à une température moyenne de l'eau de 37 degrés ; pour se réveiller le matin, il est déconseillé de s'asseoir plus de 10 minutes dans une eau à une température de 30 degrés.
Ne modifiez pas la température de l'eau pendant les procédures d'eau, choisissez un mode maintenant, l'autre la prochaine fois.
Soyez prudent avec l'eau chaude, si vous aimez l'eau à plus de 39 degrés, mettez une serviette froide et humide sur votre tête.
Prendre un bain immédiatement après l'exercice n'est pas souhaitable, il est préférable de privilégier la douche.
Si vous avez des problèmes cardiaques, vasculaires ou si vous êtes enceinte, consultez un médecin pour obtenir des conseils sur la possibilité de prendre des bains.

Règles importantes

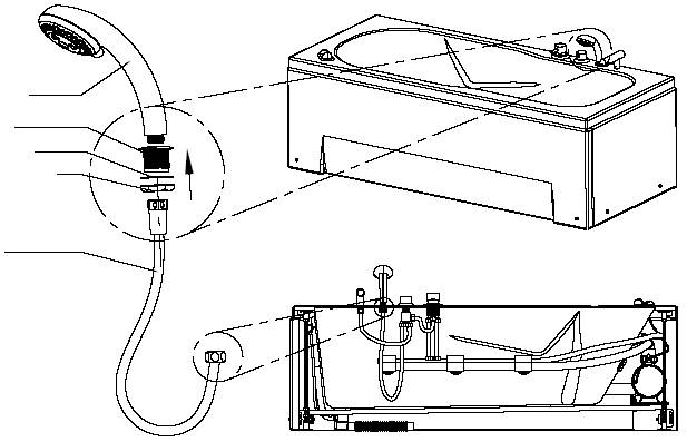
Le schéma de connexion du spa à l'alimentation électrique.

L'achat d'une baignoire dans un magasin s'accompagne d'une inspection et d'une vérification de l'ensemble du mécanisme

Si cela ne fonctionnait pas, une inspection devrait être effectuée sur son installation en présence des maîtres.
Assurez-vous de vérifier la disponibilité des cartes de garantie pour tous les types d'installation de pompe et de travail effectué.
L'installation doit être effectuée avec toutes les précautions.
Une vérification minutieuse de la stabilité de la baignoire garantit que l'hydromassage ne fait pas basculer la baignoire du podium et ne se termine pas soudainement et de manière déplorable.
Il est recommandé de faire fonctionner l'hydromassage au moins une fois par semaine.
Une baignoire avec cette fonction ne tolère pas les nettoyants abrasifs. Ça vaut la peine d'acheter spécial.
Il est nécessaire de nettoyer et de changer les filtres à eau selon les conditions de fonctionnement à partir de la date d'installation.
N'installez pas de manière indépendante des pièces de rechange qui ne sont pas liées au fabricant dans la baignoire.

Les réparations et les installations sont effectuées uniquement avec des pièces d'origine.
Vous ne pouvez pas utiliser l'hydromassage à d'autres fins que celles pour lesquelles il a été conçu.
Si une panne s'est produite et que la conception de l'hydromassage nécessite un transport vers un atelier, il vaut la peine d'inviter des artisans à le démonter et à ne pas le traîner vous-même. L'eau doit être soigneusement vidangée avant de déplacer le bain.

Une baignoire avec hydromassage est une chose nécessaire dans le ménage. Car à notre époque de chaos et de stress, un traitement plus agréable pour les nerfs coquins et autres plaies n'a pas encore été inventé. Si tous les travaux d'installation sont effectués correctement et avec précision, le bain ravira ses propriétaires pendant longtemps. Bien sûr, sous réserve des règles ci-dessus.

Ce qu'il faut considérer lors de l'entretien d'un spa

Il convient de noter que lors de l'achat de tout appareil, en particulier une baignoire avec fonction d'hydromassage, des instructions sont données pour un bon fonctionnement et il est écrit en détail comment entretenir et entretenir un tel équipement.

En règle générale, les instructions diffèrent et, selon le fabricant, elles doivent être entretenues de différentes manières. Pour certains modèles, par exemple, une maintenance programmée est nécessaire, tandis que pour d'autres, une maintenance non programmée est également nécessaire.

De plus, pour certaines surfaces, vous devez utiliser un détergent et pour d'autres, d'autres. Par exemple, pour les salles de bains en acrylique, les produits contenant de l'acétone, des solvants et des nettoyants abrasifs ne peuvent pas être utilisés.

De plus, en comparaison avec les baignoires en fonte, l'utilisation de brosses métalliques qui laissent des micro-rayures sur la surface est inacceptable pour elles. Il est préférable de privilégier les substances de type gel.

En général, l'entretien d'un spa est simple, l'essentiel est d'utiliser l'appareil conformément à sa destination, de travailler avec lui conformément aux instructions et de le réparer par l'intermédiaire d'un centre technique en cas de problèmes qui ne peuvent pas être résolus par vous-même.

Choisir le « bon » matériau

Option 1 - Acrylique

Avantages:

  • prix abordable;
  • poids relativement petit;
  • variabilité des formes et des couleurs;
  • facile à restaurer s'il y a des rayures et des éraflures ;
  • facilité d'utilisation.

Inconvénients de l'acrylique : courte durée de vie. Les fabricants offrent généralement une garantie de 10 ans sur les modèles en acrylique. Il est peu probable qu'il vous serve plus de 15 ans.

Le kvaril est un matériau qui ne fait que devenir populaire. La combinaison du quartz et de l'acrylique a ses avantages. Premièrement, un bain en quartz pèse beaucoup plus que l'acrylique, il est plus résistant à divers types de dommages, ce qui signifie que sa durée de vie sera plus longue.

Ses inconvénients : le prix et le poids. L'installation d'un tel bain sera plus laborieuse et le coût est plus élevé que celui de l'acrylique.

Option #2 - fonte

Le spa en fonte a le plus gros inconvénient - beaucoup de poids. Un tel bain ne vaut guère la peine d'être installé dans une maison de campagne ou dans une petite maison de campagne en bois. Ce matériau est très capricieux dans les soins.

L'avantage d'un bain en fonte est sa durabilité. Une baignoire en fonte ne sera pas endommagée par un objet tombé accidentellement, tandis qu'une égratignure ou une abrasion peut rester sur une surface en acrylique. Avec un entretien approprié, les fabricants promettent une durée de vie d'environ 50 ans.

Option #3 - acier

Le type de matériau le moins cher est l'acier. Une baignoire en acier est aussi légère que bruyante. Même vos voisins seront au courant de l'heure de vos procédures d'eau. L'eau dans un bain d'acier ne retient pratiquement pas la chaleur. Un tel bain peut être installé dans le pays - il est facile à transporter et à entretenir.

Option 4 - marbre

Récemment, les spas en marbre naturel et artificiel sont devenus populaires. Ils s'intègrent parfaitement dans un intérieur coûteux, sont très durables, retiennent bien la chaleur et ne créent pas d'effet sonore.

Leur inconvénient est beaucoup de poids. L'installation d'un tel bain nécessitera beaucoup d'efforts et d'investissements financiers.Le prix d'un spa en marbre est beaucoup plus élevé qu'un modèle fabriqué dans le même acrylique ou en acier.

Option #5 - combinaison de matériaux

Récemment, les fabricants ont essayé de combiner différents matériaux pour tirer le meilleur parti de leurs atouts. Par conséquent, vous pouvez rencontrer dans le magasin et un bain fabriqué à partir de plusieurs matériaux en même temps.

Variétés de spas

L'équipement du spa est différent : il y a des baignoiresdans lequel l'équilibre acido-basique de l'eau est régulé; avec massage à air supplémentaire; avec chauffe-eau et son système de purification; avec éclairage et autres commodités - aujourd'hui, le choix est vaste et il est très difficile de naviguer sans expérience.

Dans certains bains, il est possible de fournir de l'ozone - il désinfecte et anesthésie; il existe des baignoires à jets à ultrasons - leur effet curatif est plusieurs fois plus fort que celui des bains à remous conventionnels. Les ondes ultrasonores se propagent bien dans l'eau saturée d'air et ont un effet étonnant sur tout le corps : dans les parties du corps où elles tombent, les cellules commencent à se contracter et à se redresser à une vitesse presque impossible à imaginer - jusqu'à 3 millions fois par seconde, mais les scientifiques affirment que c'est le cas. Bien sûr, de tels bains coûtent cher - environ 500 000 roubles et même plus, mais il y a quelque chose à faire.

Les buses du bain sont positionnées selon les besoins : tout est conçu pour que les jets d'eau tombent sur le bas du dos, les côtés et les autres parties du corps qui ont besoin d'être massées, mais elles peuvent être tournées si désiré. Cependant, il ne faut pas diriger les jets d'eau sur le corps à angle droit - cela n'augmentera pas la circulation sanguine, mais au contraire, cela ralentira, et nous n'en avons pas du tout besoin.

Lorsque vous choisissez un spa, faites attention à sa durabilité. Aujourd'hui, il existe un nouveau matériau - méthacryl, plastique de haute technologie - il est facile d'en faire des bains de différentes configurations; il est très beau, résistant aux chocs, sûr et agréable au toucher - l'eau d'un tel bain se refroidit lentement

Choisissez un fabricant

Dans la liste des pays producteurs de spas, vous trouverez également des pays européens (République tchèque, Grande-Bretagne, Allemagne, Espagne, Italie, Pologne, Slovénie) et la Chine, qui n'est pas appréciée de tous, et des fabricants nationaux.

Lire aussi :  Erreurs d'humidificateur : défaillances courantes de l'humidificateur et recommandations pour les réparer

Bien sûr, une baignoire fabriquée en Autriche ou en Espagne sera beaucoup plus fiable et durable qu'une baignoire importée de Chine. Mais le prix des produits européens est beaucoup plus élevé que celui des produits nationaux et chinois.

Par exemple, la société italienne WGT est un fabricant de spas de luxe. Ce n'est qu'à partir de cette marque que vous pouvez trouver des spas qui se préparent au massage thérapeutique avant même que le propriétaire n'apparaisse dans la maison. À l'aide des paramètres, vous pouvez programmer l'heure du bain, la température de l'eau et la durée de la procédure.

De plus, après l'hydromassage, vous pouvez régler le mode d'auto-nettoyage. Le bain à remous double Red Diamond de 570 litres de WGT commence à 13 000 $.

Si vous ne voulez pas payer trop cher pour une marque, vous pouvez acheter des produits de la société nationale bien établie Triton, qui fabrique des baignoires depuis 2002. L'entreprise se positionne comme un fabricant fiable et responsable.Il appelle ses avantages une garantie de 10 ans et un support client complet dans le fonctionnement et l'entretien de la baignoire.

L'entreprise la plus populaire vendant des spas est la société chinoise Appollo. Cette société propose au consommateur des produits relativement peu coûteux de formes et de couleurs variées. Le prix moyen d'un spa est d'environ 1 000 $.

Choisir un spa et les nuances d'un entretien appropriéAppollo plaît à ses clients avec une variété de formes et de nouvelles fonctions de spas

Le choix d'un bain à remous est gênant, mais agréable. Si vous prenez le temps de choisir un bain avec soin, selon vos préférences personnelles, en utilisant les conseils de professionnels, alors les énormes avantages des procédures médicales et le vrai plaisir seront votre récompense ! Quel que soit le spa que vous choisissez, nous vous souhaitons de profiter au maximum des soins agréables !

La forme

Vous devez porter une attention particulière à ce point, car le choix est grand : il existe des modèles sédentaires et même quelque chose qui rappelle plus une petite piscine qu'un bain. Par conséquent, nous examinerons brièvement les caractéristiques des différents modèles:

Classique rectangulaire

Convient à différents types de pièces de différentes tailles et est présenté sur le marché dans le plus grand assortiment. Diffère dans un aspect pratique, pratique, un look "familier" pour beaucoup. Ils prennent relativement peu de place.

Ovale et rond

De tels modèles semblent appropriés dans les pièces spacieuses et peuvent être installés n'importe où dans la pièce, car dans la plupart des cas, ils seront le «point culminant» de l'intérieur de la salle de bain.

En raison de sa taille considérable (en règle générale), il est important de prendre en compte les dimensions de l'appareil avec équipement et son poids afin de calculer à la fois la capacité de passage à travers les portes et le degré de pression sur les sols.Souvent, les modèles non standard ont des formes exactement lisses, comme dans l'image ci-dessous

Souvent, les modèles non standard ont des formes parfaitement lisses, comme dans l'image ci-dessous.

Choisir un spa et les nuances d'un entretien approprié

coin

Ceux-ci sont divisés en deux options : modèles avec les mêmes côtés et avec des côtés différents. La différence n'est que dans la forme, alors laissez-vous guider par la taille de la pièce et le design.

Type assis et horizontal

Dans ce cas, nous parlons de placer une personne déjà dans le bain lui-même. Le fait est que les modèles à placement horizontal sont assez globaux. C'est pourquoi pour les petites salles de bain vous pouvez rechercher des appareils de type assis : ils sont, le plus souvent, plus compacts.

Choisir un spa et les nuances d'un entretien approprié

Indications et contre-indications de la douche-massage sous-marine

Choisir un spa et les nuances d'un entretien approprié

Cette physiothérapie est utile pour presque tout le monde, cependant, dans certaines maladies, son utilisation aura l'effet positif le plus prononcé. Ces maladies sont:

  • maladies du système musculo-squelettique (arthrite, arthrose, ostéochondrose, scoliose et autres);
  • les maladies métaboliques, en particulier la goutte et le 1er degré d'obésité ;
  • pathologie de l'appareil musculaire (myopathie, myosite, lésions traumatiques);
  • maladies du système nerveux périphérique sans exacerbation (névrite, plexite, polyneuropathie);
  • troubles post-traumatiques du système nerveux périphérique;
  • parésie musculaire à la suite d'une poliomyélite antérieure;
  • cardiopsychonévrose;
  • hypertension au stade initial;
  • tendance à l'hypotension artérielle;
  • spondylarthrite ankylosante (maladie de Bekhterev);
  • la maladie de Raynaud ;
  • gastrite chronique, colite et troubles fonctionnels intestinaux;
  • violations du flux lymphatique;
  • athérosclérose oblitérante des vaisseaux des membres inférieurs;
  • maladies veineuses chroniques (varices, ulcères trophiques chroniques, hémorroïdes);
  • salpingoophorite chronique (inflammation des ovaires et des trompes de Fallope chez la femme);
  • pathologie cutanée (hyperkératose, psoriasis, névrodermite);
  • états dépressifs;
  • neurasthénie;
  • névrose sexuelle;
  • cellulite;
  • amas graisseux locaux dont le patient souhaite se débarrasser ;
  • diminution de la fermeté et de l'élasticité de la peau et des muscles.

De plus, la douche-massage sous l'eau peut être utile pour un effort physique accru et pendant la période de rééducation après les opérations, y compris celles en plastique.

Dans certains cas, cette physiothérapie non seulement n'apportera pas le bénéfice escompté au patient, mais pourra même nuire à sa santé. Ainsi, les contre-indications aux procédures de douche-massage sous-marine sont:

  • période de grossesse;
  • menstruation;
  • petite enfance (jusqu'à 5 ans) et âge sénile (65-70 ans et plus);
  • maladies infectieuses aiguës avec ou sans fièvre;
  • toute maladie non transmissible accompagnée d'une augmentation de la température corporelle (par exemple, les maladies systémiques du tissu conjonctif en phase active);
  • blessures récentes (jusqu'à 10 jours) et blessures nécessitant une immobilisation;
  • maladies cutanées pustuleuses;
  • troubles aigus et chroniques de la circulation cérébrale;
  • une histoire d'infarctus du myocarde;
  • stades d'hypertension II-III ;
  • cardiopathie ischémique de 2-3 degrés;
  • arythmie cardiaque;
  • maladie de la lithiase urinaire;
  • thrombophlébite;
  • maladies accompagnées d'un risque accru de caillots sanguins;
  • maladies avec un risque accru de saignement;
  • Néoplasmes malins;
  • tumeurs bénignes ayant tendance à grossir.

Problèmes techniques courants

Un spa est un système technique complexe équipé d'un ensemble impressionnant d'outils fonctionnels.

Ils sont responsables du démarrage et de l'arrêt des équipements, de la stimulation du mouvement de l'eau, de sa saturation en air, de la formation de pression et effectuent également un certain nombre d'actions importantes. Nous avons parlé plus en détail de l'appareil du spa dans notre autre article.

Avec d'autres types d'équipements, les systèmes de bain à remous fonctionnels nécessitent une maintenance planifiée et parfois imprévue. Les inspections programmées doivent être effectuées aux intervalles spécifiés par le fabricant du système technique, les inspections non programmées doivent être effectuées immédiatement après la détection d'un dysfonctionnement.

L'équipement technique du jacuzzi nécessite des inspections préventives et des dépannages périodiques, dont certains peuvent être réparés de vos propres mains

Les signes d'une panne grave facilement réparable ou imminente comprennent :

  • Panne ou retard on/off. Les systèmes techniques avec freinage réagissent à l'appui sur les boutons, ne démarrent pas ou ne s'éteignent pas. Si de tels écarts sont constatés dans les travaux, il est conseillé de faire appel à un maître spécialisé dans la réparation d'équipements de jacuzzi.
  • Bouchons de rupture. Appelez certainement un électricien pour poser et connecter une ligne électrique séparée pour le spa.
  • Difficulté à évacuer l'eau. Une nuisance purement de plomberie est un blocage que, si vous connaissez la conception de la vasque du jacuzzi, vous pouvez gérer de vos propres mains.
  • Pression insuffisante. Si les jets ont cessé de produire un effet de massage, les buses sont bouchées. Pour résoudre le problème, vous devez dévisser soigneusement le capuchon et enlever la saleté et les sédiments de la surface intérieure avec un chiffon doux.
  • Approvisionnement en eau de mauvaise qualité.Se produit en raison d'un colmatage ou d'une défaillance des filtres, qui doivent être nettoyés ou remplacés.

Comme toute plomberie, un spa se caractérise par toutes les pannes qui surviennent en raison de la défaillance des robinets ou uniquement des cartouches. Leur réparation et leur remplacement sont effectués selon le schéma standard.

Un autre type de violations graves dans le fonctionnement de l'équipement est associé aux pannes du compresseur aérodynamique et de l'équipement de pompage.

Sans connaissances et expérience dans le domaine de la réparation de compresseurs et d'équipements de pompage, il ne vaut pas la peine de se lancer dans le dépannage. Il est préférable de contacter un atelier spécialisé.

Galerie d'images

Photo de

Caractéristiques d'entretien du spa

La fréquence de nettoyage de la surface de la cuvette du jacuzzi

Entretien des appareils de plomberie standards

Une attention particulière à l'état et à la propreté des buses

Remplacement des buses si nécessaire

Produits anti-calcaire doux

Enlever la moisissure et la moisissure de l'écran

Nettoyage de la buse du jacuzzi

Pour plus d'informations sur les différentes pannes d'un bain d'hydromassage et les méthodes pour leur élimination, nous vous recommandons de regarder dans notre autre article.

C'est intéressant : Installation de bain à faire soi-même : types acrylique et fonte

buses

Ce détail est ce qui distingue les baignoires balnéo actuelles des baignoires habituelles. Considérez ce que sont les buses (jets), comment elles peuvent être localisées et ce que cela affecte.

Choisir un spa et les nuances d'un entretien approprié

Les buses peuvent être grandes ou petites. Selon la taille, le degré de « délicatesse » du massage va également changer : les petits jets ont un effet plus doux sur le corps et ont un effet plutôt relaxant, tandis que les gros exercent une pression plus intense sur la peau et les muscles, aidant à soulager des tensions plus profondes et plus fortes.

Lire aussi :  Calcul de la surface des conduits d'air et des raccords: règles d'exécution des calculs + exemples de calculs à l'aide de formules

En ce qui concerne l'emplacement, les buses standard sont installées par groupes sous certaines zones du corps :

  • zone du col.
  • Pieds.
  • Longe.
  • Hanches, etc

Le nombre de buses affecte en général la partie du corps qui sera massée avec des jets d'eau : c'est-à-dire que plus le jet est gros, plus il est agréable.

Choisir un spa et les nuances d'un entretien approprié

Types de buses et modes qui leur correspondent :

  • Eau. Créez des jets d'eau d'intensité variable qui procurent un massage plus doux ou plus profond. En modes, il s'agit de Wirpool (généralement 6 à 8 buses sont utilisées pour ce type d'hydromassage).
  • Aéro. Ils fournissent un "massage à l'air" - sous pression, des courants de bulles d'air agissent sur la peau, qui, en plus du massage, procurent un plaisir supplémentaire à la peau - pendant qu'elles éclatent. Dans les modes, c'est Airpool (de 10 à 15 buses fonctionnent).
  • Combiné. Créer des courants d'eau et d'air. Dans les modes, c'est Turbopool (différents types de buses fonctionnent simultanément).
  • Rotatif. Leur particularité est qu'ils peuvent faire tourner un jet d'eau, créant une sorte de tourbillon. Ils aident à faire "l'hydromassage oriental" - une imitation d'une forte pression des doigts du massothérapeute.
  • Pivot. Cela devrait plutôt être considéré comme une option supplémentaire - la pression de l'eau à travers le corps se déplacera en douceur lorsqu'un certain mode est sélectionné.

Il y a aussi la soi-disant imitation d'une cascade - un fort courant d'eau qui tombe selon le principe de la cascade.

Choisir un spa et les nuances d'un entretien approprié

Évaluation objective des équipements d'hydromassage

Demandez-vous si vous avez vraiment besoin d'un équipement d'hydromassage - son installation et son fonctionnement nécessitent beaucoup d'efforts et d'importants investissements matériels.

N'est-il pas plus facile par habitude de se prélasser dans un bain ordinaire ?

Choisir un spa et les nuances d'un entretien approprié

Le système d'hydromassage intégré au corps de la baignoire se compose de plusieurs pièces tridimensionnelles obligatoires, dont l'installation nécessitera un espace supplémentaire (+)

Pour éviter tout malentendu à l'avenir, avant de choisir, confirmez les facteurs suivants :

  • la superficie de la salle de bain est suffisante pour accueillir une baignoire;
  • une imperméabilisation complète a été réalisée sur le site d'installation ;
  • la fiabilité des sols est parfaitement conforme aux exigences de l'installation ;
  • les portes vous permettent de livrer librement du matériel;
  • le système d'approvisionnement en eau est équipé de filtres fins;
  • vous êtes prêt à passer régulièrement du temps à souffler et à nettoyer les buses ;
  • vous n'utilisez pas de bain moussant.

Si quelque chose ne correspond pas, vous devrez vous préparer à l'avance. Eh bien, et une autre "agréable" surprise - vos factures d'électricité augmenteront considérablement.

Choisir un spa et les nuances d'un entretien approprié

Une baignoire correctement installée et fonctionnant parfaitement vous fera oublier une somme décente dépensée pour elle, ainsi que des problèmes de transport et d'installation.

Si les difficultés ne vous ont pas effrayé et que le désir d'acheter un spa s'est intensifié, nous énumérons les aspects positifs :

  • l'efficacité du massage par bulles d'eau est équivalente à la force des jets d'eau verticaux lors de la douche ;
  • contrairement à la douche, dans la salle de bain, grâce à la position horizontale du corps, vous pouvez vous détendre et vous distraire ;
  • de nombreux modes vous permettent de "régler" l'intensité optimale des jets en fonction de normes individuelles ;
  • prendre un jacuzzi peut être combiné avec regarder un film ou écouter votre morceau préféré.

L'effet dynamique de l'eau est utile pour l'hypodynamie, l'obésité, la surexcitation nerveuse.Si vous n'avez pas assez de temps pour aller à la piscine, l'hydromassage peut partiellement les remplacer. Et maintenant, nous allons essayer de savoir ce qui doit être pris en compte lors du choix d'un spa, et nous analyserons en détail les caractéristiques techniques.

Source thermale dans les murs de la maison

L'hydrothérapie est une méthode courante de relaxation et de guérison, activement pratiquée depuis le 1er siècle avant JC. Ses propriétés médicinales sont mentionnées dans les Védas indiens.

Le premier spa au sens habituel pour nous est apparu à Berlin au milieu des années 30 du siècle dernier.

Grâce à l'habileté d'un des frères Jacuzzi, le système a été complété par une pompe qui lance un jet puissant avec de nombreuses bulles d'air, et de nombreuses buses d'où jaillissent des jets, appelés "mille doigts".

Au cours des décennies suivantes, les systèmes d'hydromassage pour baignoires sont devenus plus complexes et améliorés. Des geysers et des tourbillons, des rayons de couleur, un accompagnement musical et même un champ magnétique pulsant au rythme des vibrations terrestres y sont apparus.

Aujourd'hui, l'hydromassage est la solution à de nombreux problèmes.

En plus de la détente, le bain à remous a également un effet curatif. L'action thermique et réflexe active le métabolisme, stimule la circulation sanguine et lymphatique, inhibe également la motilité intestinale et soulage les spasmes musculaires.

Les baignoires à remous sont conçues de manière à ce que les jets d'eau générés n'affectent que les parties du corps humain qui ne sont pas contre-indiquées pour le massage : la zone du col, le dos, le bas du dos et le bassin, les mollets et les pieds.

Choisir un spa et les nuances d'un entretien approprié
En raison de la conductivité thermique optimale, ainsi que de la capacité prononcée à dissoudre les sels et les minéraux, l'eau est capable d'avoir un effet complexe sur le corps : mécanique, thermique et chimique

matériaux

Lors du choix d'une baignoire avec hydromassage, vous devez faire attention au matériau à partir duquel elle est fabriquée. Il en existe plusieurs types sur le marché avec différents avantages et inconvénients.

Les plus recherchés sont :

  1. Baignoires à remous en acrylique. Ils sont considérés comme l'un des plus populaires car ce matériau est léger et a une bonne résistance. L'entretien du produit est assez simple. Le bain est facilement restauré sans recours à des spécialistes. Parmi les inconvénients, vous pouvez souligner le coût élevé.
  2. Baignoires en acier. Ces produits sont légers, mais leur taille et leur forme sont généralement standard. Les inconvénients comprennent une rigidité élevée et de faibles fonctions de conservation de la chaleur. Les acheteurs notent le bas prix des marchandises.
  3. Baignoires balnéo en fonte. Ils ont beaucoup de poids, donc le transport est assez difficile. La fonte retient parfaitement la chaleur et dure très longtemps, mais il y a aussi des inconvénients - une durée de vie de plusieurs années, après quoi une restauration est nécessaire.
  4. Baignoires en plastique. Parmi les avantages, on distingue un coût abordable, mais il y a beaucoup plus d'inconvénients. Les produits en plastique ne peuvent pas servir longtemps, après quelques mois de fonctionnement, le matériau sera rayé et perdra son attrait.

Choisir un spa et les nuances d'un entretien approprié

Aperçu des désinfectants

La gamme de produits de nettoyage sur le marché est assez large. Pour les surfaces acryliques, vous pouvez utiliser les produits de fabricants nationaux tels que "Akrilight", "Santekh" et "Akrylon".

Les compositions de la production importée "Triton Acrylic cleaner", "Sif Cream" font également parfaitement face à la tâche.

Pour le lavage quotidien des parois du réservoir après avoir pris des procédures d'eau, vous pouvez vous passer complètement de l'utilisation d'un produit utilisé pour laver la vaisselle

Se soucier salle de bain avec équipement d'hydromassage doit être plus approfondie que dans le cas d'un bassin de baignade ordinaire.

Cela est dû au fait qu'une humidité élevée et une température suffisante sont des conditions favorables à la reproduction de divers types de micro-organismes pouvant être dangereux pour la santé humaine.

Le développement de colonies de champignons et de bactéries peut provoquer la manifestation de bronchites obstructives, d'allergies et même d'asthme. Informations sur la façon se débarrasser du champignon dans la salle de bain est discuté en détail dans notre autre article.

Le nettoyage des spas bouchés doit absolument inclure la désinfection.

Pour la désinfection des spas sont parfaits :

  • "Wonder Woker" - la préparation d'un fabricant allemand nettoie facilement le bain des dépôts de calcaire et de graisse.
  • "Mellerud" - un produit de nettoyage et d'entretien d'un grand fabricant allemand désinfecte parfaitement la surface, en éliminant tous les dépôts organiques et en éliminant les odeurs.
  • "Cascade Complete" - un produit américain fabriqué par Procter & Gamble ne contient pas de phosphates et résiste facilement à la pollution due à l'activité enzymatique.
  • "Bagi Jacuzzi" - un moyen efficace de production israélienne élimine les moisissures, les champignons et les bactéries sans laisser de trace.

Au fil du temps, des dépôts persistants s'accumulent sur les éléments de l'équipement d'hydromassage, qui ne peuvent pas être éliminés à l'aide de la «chimie» domestique ordinaire. Des nettoyants spéciaux sont nécessaires pour éliminer les dépôts et éliminer les biofilms.

Le fait que des micro-organismes pathogènes aient démarré à l'intérieur du système est facile à déterminer par la formation de sites de moisissures et l'apparition d'une odeur désagréable

Parmi les outils de la série professionnelle, vous pouvez utiliser en toute sécurité :

  • "Triton Desinfectant" - un désinfectant élimine parfaitement le tartre et la rouille, et tue également les champignons et empêche la croissance des bactéries.
  • "HG" - un médicament produit aux Pays-Bas, ne contient que des ingrédients naturels: acide lactique, huile d'arbre à thé. Grâce à cette composition, il nettoie hygiéniquement le système des résidus et débris organiques et en même temps ne présente aucun danger pour la santé humaine.
  • "Edel Weiss" - le médicament est disponible sous la forme d'un gel concentré dont les ingrédients actifs ne contiennent pas de composants abrasifs. Ils éliminent bien les contaminants organiques des tuyaux, nettoyant qualitativement tout le système interne.
Lire aussi :  Comment se débarrasser d'une odeur désagréable dans un réservoir d'eau

Après application, la plupart des préparations créent un film fin spécial sur la surface, qui empêche une contamination rapide, laissant la surface traitée propre et désinfectée aussi longtemps que possible.

Caractéristiques de l'installation d'un jacuzzi dans la rue

Les propriétaires de maisons privées installent des spas sur la terrasse ou à une certaine distance de la maison. Dans certains pays, il est nécessaire d'obtenir un permis spécial pour la construction.

Lors du choix d'un site d'installation, il est important de prendre en compte non seulement les dimensions de la structure, mais également les dimensions du site pour l'entrée et les travaux techniques. De plus, le jacuzzi ne doit pas être situé à moins de 1,5 m de la maison et de la limite du site.

Il convient de noter que la distance des lignes électriques aériennes doit être d'au moins 3 m et des panneaux du spa - à partir de 1,5 m.

Préparation du site pour l'installation

Le poids d'un spa avec de l'eau peut atteindre une tonne, il est donc important de construire une base solide pour son installation afin d'éviter d'endommager l'appareil pendant son fonctionnement. Les dimensions minimales du site pour l'installation d'un jacuzzi dans la rue sont de 3x3 mètres

Choisir un spa et les nuances d'un entretien approprié
Les dimensions minimales du site pour l'installation d'un jacuzzi dans la rue sont de 3x3 mètres

Une base monolithique en béton est considérée comme la plus durable et la plus fiable, c'est donc une option idéale pour l'installation d'un spa. Il est posé en une couche uniforme de 7,62 à 10,16 cm.Cependant, une telle solution ne permettra pas de transporter le spa à un autre endroit sans obstacles.

Les dalles préfabriquées sont aujourd'hui considérées comme la meilleure option de fondation. Ils simplifient non seulement l'installation, mais également le démontage de la structure.

Il est important de choisir la résistance optimale des panneaux

Si vous souhaitez installer un jacuzzi sur une terrasse, il est important de savoir si sa fondation peut supporter le poids du spa.

Alimentation intelligente

Le câble du jacuzzi peut être acheminé au-dessus et au-dessous du sol. Son diamètre dépend de la distance entre le sectionneur et le spa, ainsi que de la consommation maximale de courant. Un fil de cuivre isolé en nylon doit être utilisé.

De plus, installez un RCD 240V 50A ou un circuit 60A pour les modèles avec une pompe à plusieurs étages. Évidemment, la tension requise pour le spa est supérieure au 220V standard, il est donc conseillé d'installer un sectionneur dans l'unité de commande électrique.

Il est également important de sélectionner un circuit pour la connexion. La connexion d'autres appareils à celui-ci est exclue.

Dans la plupart des modèles de spas extérieurs, une alimentation en eau n'est pas nécessaire - l'eau est tirée d'un tuyau, puis chauffée dans un bol.

Préparation de base à l'utilisation

Avant d'utiliser le spa, vous devez :

  • coupez l'électricité, assurez-vous que les éléments sont installés et solidement fixés ;
  • vannes à air ouvert;
  • remplissez le bol avec de l'eau à partir d'un tuyau d'arrosage ou à l'aide de seaux ;
  • connecter l'électricité, démarrer la fonction de chauffage ;
  • tester tous les modes.

Après avoir vérifié le fonctionnement du spa, vous pouvez l'utiliser en toute sécurité conformément à sa destination.

Choisir un spa et les nuances d'un entretien appropriéDe belles fleurs, arbustes, etc. peuvent être plantés autour d'un bain extérieur. Si vous faites preuve d'imagination, vous pouvez obtenir un résultat impressionnant.

Principe d'opération

Au cœur de tous les systèmes d'hydromassage se trouve une pompe électrique, grâce à laquelle l'eau peut circuler en continu à l'intérieur du système. La pompe assure la direction du débit d'eau vers les buses (jets), qui sont réparties le long des murs de la salle de bain, ainsi qu'en son fond. La buse a la forme d'une doublure ronde percée de nombreux trous, en plastique ou en métal. Grâce à cette caractéristique de conception, un jet d'eau masse doucement la zone souhaitée du corps, se dispersant même à la sortie de la buse.

La situation est beaucoup plus compliquée avec l'installation d'un compresseur d'air, dont le fonctionnement commence simultanément avec l'inclusion de la pompe. A l'aide d'un compresseur, l'air est mélangé au débit d'eau et envoyé vers les mini-jets situés au fond de la baignoire, où il est transformé en jets de petites bulles d'air. Ils forment un effet de massage à l'air délicat et en même temps relaxant.

Choisir un spa et les nuances d'un entretien appropriéBain à remous pour deux

Une unité automatique ou, comme on l'appelle aussi, une unité pneumatique est conçue pour l'utiliser pour lancer et sélectionner l'intensité la plus appropriée de la fonction d'hydromassage pour l'utilisateur, ainsi que son arrêt ultérieur.

Les modes peuvent être contrôlés à la fois par un écran tactile électronique et par des boutons pneumatiques - tout dépend des caractéristiques de conception. Le système d'hydromassage ne doit être mis en marche en toute sécurité qu'une fois la baignoire remplie d'eau.

Technique de massage sous l'eau

Le massage sous-marin est pratiqué dans des cliniques, des sanatoriums, des pensions, des salons de beauté ou à domicile s'il y a un jacuzzi. Des jets d'eau, mélangés à des bulles d'air, agissent sur le corps et le soulagent des douleurs, des tensions, de la fatigue, de la congestion. L'eau chaude est mieux perçue par les tissus et a un effet relaxant plus prononcé.

Choisir un spa et les nuances d'un entretien approprié

Pour une séance d'hydro-douche ou un massage sous l'eau, une baignoire d'un volume d'au moins 400 litres avec une température d'eau d'au moins 35°C et pas plus de 45°C est nécessaire. Le choix du régime de température s'explique par les points suivants :

  • une température élevée augmente la tension artérielle, le tonus musculaire et dilate les vaisseaux sanguins;
  • la basse température réduit la pression et renforce le système immunitaire;
  • l'eau chaude a un effet bénéfique sur le système endocrinien;
  • bain de contraste réduit la douleur et l'irritabilité, améliore le sommeil, la concentration.

Choisir un spa et les nuances d'un entretien approprié

Le bain est rempli d'eau, d'éthers, de décoctions d'herbes médicinales ou de sel marin sont ajoutés. La durée de la procédure dépend de la composition de l'eau, des indications et du déroulement du traitement et est de 5 à 20 minutes. La séance commence par un court repos, après quoi de l'eau est fournie sous une pression de 1 à 4 atmosphères.Dans une clinique, un spécialiste contrôle le jet d'eau, modifiant non seulement la force de pression, mais également l'angle d'inclinaison et la distance entre les buses et le corps.

Astuces de base

Au cours de l'étude, des techniques similaires au massage classique sont utilisées. Pour caresser, la buse de la douche sous-marine est placée à une distance maximale de 15 cm du corps et le jet d'eau est pressé avec la main libre. L'eau est fournie à un angle de 30° et dirigée le long des lignes de massage. Pour créer un effet supplémentaire, une fuite d'air est utilisée. Le pétrissage est effectué dans un mouvement circulaire et la pomme de douche est placée à une distance de 3 à 5 cm de la peau. L'eau est fournie à angle droit. Pour effectuer la réception, le médecin saisit la peau d'une main et la retire facilement. De l'autre main, il dirige le jet d'eau. Les vibrations ou mouvements oscillatoires vont des zones périphériques vers le centre. Lors de l'exécution de cette technique, il est interdit d'influencer la région du cœur, des glandes mammaires et des organes génitaux.

Choisir un spa et les nuances d'un entretien approprié

Lorsque vous travaillez avec l'abdomen, tous les mouvements sont effectués uniquement dans le sens des aiguilles d'une montre, car le mouvement péristaltique de l'intestin se produit dans cette direction.

Pour modifier la force d'impact et travailler différentes parties du corps, différentes buses sont utilisées. Une taille plus petite est utilisée pour travailler avec le cou, les pieds, les bras, les épaules. De larges buses permettent de travailler les jambes, le dos ou le ventre.

Choisir un spa et les nuances d'un entretien approprié

Le cours moyen des procédures d'eau comprend de 10 à 20 séances, qui sont effectuées tous les jours ou tous les deux jours. Ensuite, ils font une pause de 6 à 7 mois et, si nécessaire, répètent le cours. Des bains à remous relaxants peuvent être pris tous les jours à bonne santé.

Méthode d'entretien du spa avec et sans système de nettoyage

Considérez comment entretenir correctement un spa qui n'a pas de système de nettoyage.Vous devez d'abord appliquer les moyens habituels au bol, puis suivre ces étapes:

  1. Attendez 5 à 10 minutes jusqu'à ce que la composition soit absorbée par la surface émaillée;
  2. Rincer à l'eau;
  3. Essuyez la salle de bain avec des serviettes ou des chiffons doux.

Pour un effet supplémentaire, vous pouvez rincer la surface plusieurs fois pour débarrasser complètement l'émail de la mousse avec des produits chimiques.

Choisir un spa et les nuances d'un entretien approprié

Pour rincer les buses, qui créent un effet de massage intéressant, vous pouvez prendre un bain complet et faire fonctionner le système d'hydromassage pendant 10 minutes. Après avoir éteint le système, il est nécessaire de le laisser rempli pendant un certain temps, puis de vider l'eau et de rincer l'émail sous le robinet.

Prendre soin d'une salle de bain avec un système de nettoyage est très simple. Tout ce dont vous avez besoin est de verser le produit dans un compartiment spécial, de verser un bain complet et d'appuyer sur le bouton approprié sur le panneau de commande.

Dans les 5 à 20 minutes, la salle de bain se désinfectera d'elle-même. À la fin de cette procédure de nettoyage, il est nécessaire de vidanger complètement tout le liquide, puis de le verser à nouveau et de redémarrer le système afin que l'émail soit complètement nettoyé de la chimie et devienne utilisable.

Choisir un spa et les nuances d'un entretien approprié

Évaluation
Site sur la plomberie

Nous vous conseillons de lire

Où remplir la poudre dans la machine à laver et combien de poudre verser