- Portée des prises avec minuterie marche/arrêt
- Avantages et inconvénients
- Comment configurer une minuterie de prise électronique
- Réglage de la minuterie Masterclear conformément au manuel d'instructions
- Monté sur rail DIN
- Disjoncteur (détecteur de mouvement)
- Choisir le modèle optimal
- Critères de sélection des appareils
- Quelle minuterie choisir
- Comment choisir?
- Types de commutateurs
- Interrupteurs avec détecteur de mouvement intégré
- Le principe de fonctionnement des interrupteurs avec un capteur de mouvement
- Interrupteurs à distance
- Le principe de fonctionnement des interrupteurs à distance
- Vidéo : interrupteur à distance
- Commutateurs tactiles
- Vidéo : interrupteur tactile
- Quels types de prises intelligentes sont les plus populaires ?
- Selon le principe d'installation
- Par voie de gestion
- Par caractéristiques de conception
- Qu'est-ce que c'est ça?
- Comment fonctionne le relais temporisé ?
- Comment configurer ?
- Entretien du disjoncteur
- Classement des disjoncteurs
Portée des prises avec minuterie marche/arrêt
La minuterie a été principalement conçue pour économiser l'énergie électrique. Il garantit que les appareils de chauffage sont éteints pendant une période où les résidents de la maison sont absents et qu'il n'y a pas besoin de chauffage. Avant le retour des propriétaires, le système démarre.La minuterie active les appareils quelques heures avant l'arrivée des résidents, de sorte que pendant ce temps la température dans les chambres atteigne un niveau confortable. Ce principe est appliqué dans les systèmes de maison intelligente modernes. Ils effectuent non seulement la climatisation, mais régulent également le fonctionnement de l'éclairage, des alarmes, etc.
Sur une note! Tous les fabricants de prises avec une minuterie pour allumer et éteindre la lumière ne recommandent pas de contrôler le fonctionnement des radiateurs en mode automatique. Avant d'acheter, assurez-vous de lire les instructions du fabricant.
Les minuteries cycliques conviennent à l'éclairage extérieur qui s'allumera et s'éteindra selon un horaire précis. Ce type d'appareil vous permet d'automatiser le fonctionnement du système d'irrigation de leur chalet d'été, en assurant un entretien régulier du jardin, du potager, de la pelouse. Les minuteries pour les aquariums revêtent une importance particulière :
- lampes d'éclairage;
- compresseurs;
- filtres.
Les minuteries sont utilisées pour contrôler les lumières, les ventilateurs, les radiateurs, les aquariums, etc.
Tous ces dispositifs offrent les conditions nécessaires pour maintenir des êtres vivants dans un terrarium ou un aquarium, leur travail doit donc être soumis à un calendrier strict. Les possibilités de minuteries vous permettent de contrôler même les équipements installés dans la piscine.
Les prises avec une minuterie cyclique pour allumer et éteindre les appareils électriques sont utilisées pour créer l'illusion de la présence de personnes dans une maison vide. Dans une certaine mesure, de tels appareils offrent une protection contre le piratage, indiquant clairement aux intrus que les propriétaires ne sont pas partis, même si ce n'est pas le cas. Dans ce cas, la prise est configurée de manière à ce que le calendrier d'extinction et d'allumage de la lumière ne soit pas trop rigide, mais avec quelques écarts.Ainsi, il semble que le système ne fonctionne pas automatiquement et les gens allument l'éclairage.
Les prises avec minuterie d'arrêt, appelées prises à intervalle, fonctionnent sur le principe des appareils installés dans les cuisinières électriques et les machines à laver. En tournant le bouton, vous pouvez définir une période de temps spécifique. Après son expiration, le relais coupe automatiquement l'alimentation en courant de l'appareil.
Avantages et inconvénients
Les prises en question présentent de nombreux avantages par rapport aux prises classiques, mais elles ne sont pas sans inconvénients. Les avantages incluent :
- Les économies d'énergie, ce qui est particulièrement important pour les exploitations agricoles. Vous permet d'automatiser le processus de fourniture de chaleur et de lumière au complexe en cas de besoin.
- Automatisation du bon fonctionnement des appareils, ce qui simplifie grandement la vie et fait gagner beaucoup de temps. Après tout, vous pouvez simplement oublier de nombreuses tâches de routine.
- Capacité à développer un horaire confortable et planifié pour le fonctionnement des appareils.
Les principaux inconvénients sont les douilles mécaniques. Ceux-ci incluent le manque de fiabilité de la minuterie, une courte durée de fonctionnement du programmateur (pas plus d'une journée), du bruit et une courte durée de vie.

Les appareils électroniques présentent beaucoup moins d'inconvénients, qui dépendent du modèle spécifique. Par exemple, souvent la minuterie fonctionne sur batterie et ne dépend pas du système d'alimentation général. En cas de panne de courant, il continuera à fonctionner régulièrement et l'utilisateur ne sera pas au courant du problème sur le réseau.
Comment configurer une minuterie de prise électronique
Il existe de nombreuses variétés et modèles de minuteries de prises électroniques. Mais en général, le principe de leurs réglages est similaire.Presque tous sont équipés d'un écran à cristaux liquides, qui affiche les paramètres et les éléments de menu actuels. En dessous se trouve une rangée de boutons pour contrôler et régler l'heure.
Habituellement, l'ensemble de boutons sur différentes minuteries est le même
Leur ensemble est généralement le même sur différents modèles. Voici une liste des contrôles courants :
- maître clair. Dans les instructions pour les minuteries, il démarre généralement l'initialisation de l'appareil. Il s'agit d'un bouton de réinitialisation pour tous les paramètres de la mémoire, y compris la réinitialisation de l'heure actuelle. À propos, le bouton peut être appelé simplement réinitialiser ou "réinitialiser" ;
- aléatoire ou rnd. Réglage ou réinitialisation du mode d'activation aléatoire ;
- clk ou horloge. Le bouton a plusieurs fonctions. Réglage de l'heure avec les boutons heure, min, semaine. Avec le bouton de la minuterie, il traduit les formats d'heure ;
- minuteur. En fait, régler la minuterie. Utilisé avec les boutons semaine, heure, min ;
- premier/rcl. Désactivation et activation des programmes ;
- semaine/heure/minute. Réglage de l'heure de la semaine, heure minute.
En général, l'installation et le réglage d'une minuterie électronique pour allumer et éteindre selon un programme donné n'est pas plus difficile que sur une simple montre-bracelet électronique. Les boutons peuvent avoir des noms différents selon le fabricant, ou ils peuvent même être localisés en russe.
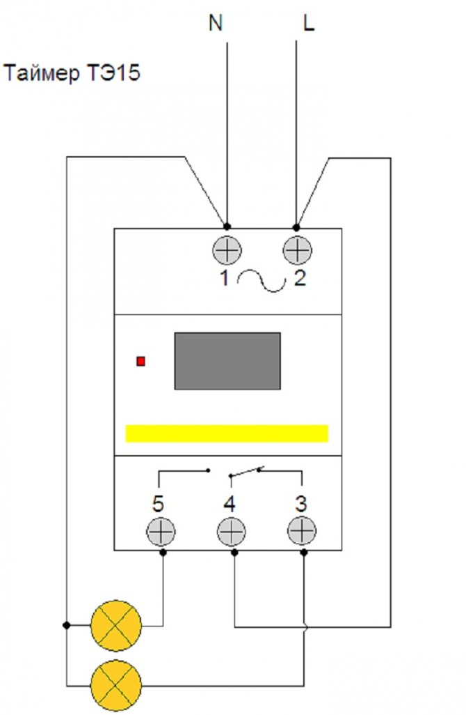
L'un des modèles les plus populaires sur le marché est la minuterie numérique TE-15, qui est produite par plusieurs fabricants. Son schéma de configuration est le suivant :
- Après la mise sous tension, la première chose à faire est d'appuyer sur le bouton de réinitialisation et d'attendre que la mémoire intégrée soit complètement effacée.
- Ensuite, vous devez régler l'heure actuelle et le jour de la semaine. Le premier indicateur peut ressembler à "24" et "12". Les jours de la semaine sont nommés d'après les premières lettres des mots latins.Le réglage du paramètre souhaité s'effectue à l'aide des touches "D +", "H +" et "M +".
- La minuterie dispose de 4 modes de fonctionnement, dont le choix s'effectue en appuyant sur une touche similaire.
- Pour commencer la programmation, vous devez appuyer sur le bouton "P" et régler séquentiellement les jours de la semaine et l'heure de début. La fin du cycle du programme sera la deuxième pression sur la touche "P".
- L'étape suivante consiste à définir les jours de la semaine et l'heure d'extinction, la confirmation de l'action est terminée en appuyant sur le bouton "H +".
Lors de l'installation d'un tel appareil à l'intérieur du bouclier, l'aide d'un électricien sera nécessaire.
L'utilisateur a la possibilité d'apporter des modifications aux paramètres en cas d'erreur ou s'il est simplement nécessaire d'apporter des modifications
Il est très important d'installer correctement la minuterie, car ce modèle s'installe directement sur le câble d'alimentation
Le modèle TE-15 est l'une des options les plus populaires pour le montage sur rail DIN.
Masterclear est un modèle de plug-in pratique et simple
Réglage de la minuterie Masterclear conformément au manuel d'instructions
Un modèle tout aussi populaire que l'on trouve sur le marché est le minuteur de prise Masterclear. Il a un algorithme de configuration plus compréhensible, mais vous devez être prêt à ce que toutes les inscriptions soient en anglais :
- L'appareil doit être chargé avant de fonctionner, car il dispose d'une batterie intégrée pour enregistrer les paramètres. Vous devez également réinitialiser tous les paramètres précédents en appuyant sur le bouton rouge encastré sous l'écran.
- La mise à l'heure s'effectue en maintenant enfoncée la touche Horloge et en appuyant successivement sur Hour (heures) et Minute (minutes). Le bouton Minuterie est utilisé pour changer le format d'affichage de l'heure.
- Les jours de la semaine sont réglés de la même manière : maintenez le bouton Horloge enfoncé et sélectionnez la période souhaitée à l'aide de la touche Semaine.
- Pour programmer le cycle de marche et d'arrêt, appuyez sur le bouton Minuterie jusqu'à ce que ON s'affiche à l'écran. Ensuite, l'heure et les jours de la semaine requis sont définis.
- Le réglage de l'arrêt se fait de la même manière, mais lorsque vous appuyez sur Minuterie, l'inscription OFF doit apparaître à l'écran.
- Le menu de programmation est quitté par le bouton Horloge.
Le réglage d'une minuterie est un moyen d'économiser la consommation d'électricité de n'importe quel appareil.
Encore une fois, vous pouvez voir les subtilités des réglages à partir de la vidéo présentée.
Monté sur rail DIN
Une particularité de ce type de minuteries est qu'elles sont installées dans une armoire électrique (blindage) et qu'un groupe spécifique du réseau électrique leur est connecté. Le principe de fonctionnement et les réglages des temporisateurs de ce type sont les mêmes que ceux installés dans une prise, et un rail DIN standard est utilisé pour le montage dans une armoire électrique.

Modèle "TCD-2" pour installation sur rail DIN
Les temporisateurs montés sur rail DIN sont dotés d'un type de commande mécanique et électronique et sont utilisés dans les réseaux électriques monophasés et triphasés, ce qui est prévu par un modèle spécifique de l'appareil.
Disjoncteur (détecteur de mouvement)
Le commutateur est équipé d'un capteur de rayonnement infrarouge. Au moindre mouvement de l'objet, le capteur allume la lumière pendant un court instant. Le capteur capte en permanence le mouvement, dès que les vibrations cessent, l'éclairage s'éteint au bout de quelques secondes ou minutes.
Le capteur est installé là où il n'y a pas besoin d'éclairage continu de la pièce, pour économiser de l'électricité.Des interrupteurs - des machines automatiques se trouvent souvent dans les entrées. Dans la rue, par mauvais temps, pendant que les arbres bougent, le capteur se déclenchera pour s'allumer.
Choisir le modèle optimal
Le principal indicateur déterminant du fonctionnement complet du dispositif de commutation de capteur est la caractéristique du réseau électrique. Le taux de tension requis de 220 V ne convient pas à tous les modèles. Il existe des options avec un écart de 20 à 30%.
Par conséquent, lors du choix, vous devez faire attention aux valeurs de tension de seuil spécifiées dans les caractéristiques de l'appareil. En cas d'écarts importants, il sera nécessaire d'installer en plus un stabilisateur, à travers lequel les oscillations seront nivelées

Pour que l'achat d'un interrupteur électronique réponde à toutes les attentes et que l'appareil augmente considérablement le degré de confort dans la pièce, lors du choix, il convient de prendre en compte les fonctionnalités nécessaires que l'appareil devrait avoir
Pour déterminer le modèle approprié d'un produit de capteur, il est nécessaire de prendre en compte les caractéristiques prioritaires dont la présence est nécessaire :
- Le nombre de groupes d'ampoules connectées au régulateur - il peut y en avoir un, deux ou trois.
- Intensité. Certains appareils sont en outre équipés d'un gradateur, à travers lequel la force du courant fourni aux ampoules change.
- Minuterie intégrée. Dans les modèles de visite, une minuterie d'arrêt automatique est définie, qui fonctionne après un temps spécifié. Ces appareils sont principalement utilisés pour les couloirs et les paliers.
- methode de CONTROLE. Tout dépend uniquement des préférences de l'acheteur. Il existe des appareils contrôlés par télécommande, tactile, sonore, etc.
Après avoir décidé de l'ensemble des fonctions nécessaires, vous devez vous arrêter chez l'un des fabricants présentés. La catégorie de prix des appareils n'est pas bon marché, par conséquent, lors de l'achat d'un produit à bas prix, vous pouvez rencontrer un homologue de mauvaise qualité.

La marque belge Basalte se concentre sur les produits de classe élite. Le modèle Deseo est l'incarnation de la multifonctionnalité et du design sophistiqué. Presque tous les produits ont un éclairage LED.
La société belge Basalte produit des appareils de commande tactile de haute qualité. En développement, ils sont orientés vers les consommateurs les plus exigeants.
Les modèles Elite se distinguent non seulement par leur design original, mais également par l'une des catégories de prix les plus élevées. Néanmoins, le coût est entièrement compensé par la facilité d'utilisation, la présence de diverses fonctions et une régulation simple.

Malgré le fait que de nombreux acheteurs privilégient les produits chinois, Livolo a pu prouver les caractéristiques de qualité de ses produits.
Parmi les représentants chinois, Livolo est noté. Les principaux avantages des interrupteurs tactiles de cette marque sont le coût abordable des produits et les solutions de conception originales pour l'amélioration de l'habitat qui peuvent mettre l'accent sur l'individualité.
Dans le même temps, la gamme ne se limite pas à des modèles techniquement simples. Il convient également de noter le réapprovisionnement constant de la gamme.
Nous vous recommandons également de lire nos autres documents, où nous avons expliqué en détail comment assembler vous-même l'interrupteur tactile.
Critères de sélection des appareils
Lors du choix d'un interrupteur, faites attention aux points suivants :
- combien d'appareils peuvent être connectés à un appareil. Optimal 1-3. Plus de trois - inconvénient lors de l'utilisation ;
- est l'interrupteur équipé d'un gradateur - un dispositif permettant de régler l'intensité de l'éclairage ;
- la présence d'une minuterie;
- possibilité de télécommande.
Le corps de l'interrupteur peut être en plastique ou en verre. La deuxième option coûtera plus cher. Une variété de modèles et d'entreprises du marché de l'électricité vous aideront à choisir un interrupteur qui convient à l'intérieur de l'appartement, selon vos préférences gustatives.

Quelle minuterie choisir
Vous pouvez décider quelle option est la meilleure : électronique ou mécanique, uniquement si vous comprenez clairement dans quel but vous l'achetez :
- pour les opérations de routine quotidiennes qui doivent être effectuées en même temps, un échantillon mécanique est tout à fait approprié ;
- dans une situation où vous souhaitez réduire le degré de participation humaine aux opérations ou si vous avez besoin d'un fonctionnement individuel selon un programme donné, vous devriez envisager des copies électroniques ;
- pour les amateurs de tout ce qui est nouveau et avancé, une prise GSM convient, dont les avantages sont incontestables : réglage possible à n'importe quelle distance, large éventail d'options, facilité d'installation ;
- assurez-vous d'acheter un appareil qui correspond à la puissance et à l'intensité du courant ;
- si vous envisagez d'utiliser des équipements à l'intérieur de la maison dans une pièce, cela n'a aucun sens de payer trop cher pour la protection contre l'humidité, mais la poussière dans la pièce s'accumule rapidement, alors choisissez un indice d'au moins IP 20;
- pour une utilisation en extérieur, mieux vaut choisir un appareil de qualité avec une résistance au moins moyenne, par exemple IP 44.
Sachant exactement à quoi servira le relais, vous pouvez facilement trouver la solution optimale.
Dans la vidéo, des informations sur le type d'appareil qu'il est préférable d'acheter pour des tâches spécifiques.
Comment choisir?
Pour choisir une bonne version de l'appareil, vous devez d'abord comprendre dans quel but vous en avez besoin. Ainsi, les modèles mécaniques ne donnent généralement pas un grand intervalle de temps dans la programmation et ne vous permettent généralement pas de créer des programmes complexes, mais ils peuvent être utilisés comme compte à rebours. Si votre horaire ne peut pas être qualifié de constant et prévisible, vous n'aurez tout simplement pas besoin d'électronique avancée mais coûteuse - après tout, vous ne pourrez toujours pas déboguer une «maison intelligente» selon un horaire que vous ne connaissez pas vous-même .

Un modèle électronique fiable et coûteux est généralement nécessaire si beaucoup dépend du respect du calendrier.
Pour certains, c'est même leur propre paix : sachant que la nuit, la zone autour de votre maison est éclairée, et avec les premiers rayons du matin, la lumière est éteinte pour économiser de l'argent, pendant que vous dormez doucement, vous ne pouvez pas vous inquiéter. les petites choses et pensez plus au vraiment important
Dans le même temps, l'entretien d'un même aquarium, sans parler d'une ferme ou d'une serre à part entière, pourrait vous obliger à être constamment présent et à surveiller la situation, mais l'électronique programmable fera tout pour vous pendant que vous effectuez votre travail principal. ou prendre le temps de se reposer. Même une prise électronique quotidienne avec une minuterie fait généralement face aux tâches décrites ci-dessus, et même les modèles hebdomadaires délient complètement les mains de leur propriétaire.


Le programme peut être réglé assez précisément, même avec un changement d'horaire quotidien, tandis qu'une fois le cycle terminé, il ne s'égare pas - si vous n'avez apporté aucune modification, le respect de toutes les conditions de l'horaire se répétera simplement sur un nouveau.Cela vous permet de simplement rayer de votre vie quelques soucis mineurs, qui dans le monde d'aujourd'hui, même trop actif, n'ont parfois tout simplement pas de prix. Par exemple, vous n'aurez plus à choisir entre l'installation d'un aquarium à domicile et des voyages d'affaires ou des vacances réguliers - désormais, l'un n'interfère pas avec l'autre.


L'assortiment moderne comprend une grande variété de modèles qui se ressemblent à tous égards, mais la qualité, bien sûr, sera différente. Ce produit n'est pas encore tellement promu que les fabricants ou les modèles sont trop connus, alors ne vous précipitez pas pour choisir le premier point de vente qui se présente - vous devriez d'abord étudier les critiques à ce sujet.


Ne faites pas trop attention à ce qui est écrit sur le site Web du vendeur ou du fabricant - concentrez-vous sur les forums tiers dédiés aux avis sur tout. Cela étant dit, rappelez-vous également que les gens sont plus susceptibles de cracher de la négativité que de passer du temps à louer quelque chose qui fonctionne comme prévu, alors n'essayez même pas de trouver un appareil qui a recueilli des commentaires exclusivement positifs.
Plus cela dépend de la facilité d'entretien de la minuterie, plus vous êtes responsable dans le choix d'un vendeur.


Il ne sera jamais superflu de vérifier les certificats - l'appareil électrique acheté doit répondre non seulement aux normes de fiabilité, mais également de sécurité.
Types de commutateurs
Les interrupteurs sont des dispositifs de commutation à commande manuelle et sont utilisés pour allumer et éteindre les lumières. Ils ont des conceptions et des fonctions différentes, ce qui a conduit à leur division en types.
Interrupteurs avec détecteur de mouvement intégré
Les interrupteurs avec détecteur de mouvement sont principalement utilisés sur les escaliers et lors de la création de réseaux d'éclairage public.Ils sont assez faciles à utiliser : pour commencer à utiliser ces appareils, il suffit de les installer et de les configurer selon les instructions.
L'apparence des interrupteurs équipés d'un capteur de mouvement peut différer, mais fonctionnellement, ils sont très similaires
La base des interrupteurs avec capteur de mouvement sont des composants électroniques qui analysent en permanence les changements du niveau d'éclairage d'un objet (appartement, rue ou maison), ainsi que tout mouvement dans la zone de fonctionnement du capteur.
Le principe de fonctionnement des interrupteurs avec un capteur de mouvement
Le fonctionnement d'un interrupteur à capteur de mouvement est basé sur le balayage continu du rayonnement infrarouge (IR), couvert par le champ de vision du capteur (capteur), qui est généralement constitué de matériaux pyroélectriques. Fondamentalement, ces interrupteurs ont un grand angle de vue et sont installés au plafond. En plus de surveiller la présence d'objets vivants, ils ont la capacité de modifier l'intensité de l'éclairage et peuvent également être utilisés dans divers systèmes de sécurité internes.
Le capteur de commutation allume l'éclairage lorsque des objets en mouvement apparaissent dans la zone de son action
Interrupteurs à distance
Le télérupteur est un ensemble composé d'une unité de commande compacte et d'une télécommande (il peut y en avoir plusieurs). L'appareil lui-même est assez similaire en apparence à un simple interrupteur de type plat. Une caractéristique distinctive de l'interrupteur à distance est la facilité d'installation, car pour l'installer, il n'est pas nécessaire d'effectuer des travaux préparatoires (stroboscope ou percer des murs), d'effectuer un câblage caché.Il suffit de trouver un endroit pratique, de prendre quelques vis et du ruban adhésif double face et de fixer l'appareil.
L'installation d'un interrupteur à distance ne nécessite pas de travaux électriques complexes
Le principe de fonctionnement des interrupteurs à distance
Le fonctionnement des télécapteurs est basé sur le principe de réception/émission. L'utilisateur appuie sur le bouton d'alimentation de la télécommande, créant ainsi un signal radio, qui reçoit alors un relais qui ferme ou ouvre, selon la commande donnée par la télécommande, un circuit en phase qui alimente la source lumineuse. Selon l'état du circuit, la lumière s'allume et s'éteint. La zone de couverture dépend directement des caractéristiques de conception de l'habitation, ainsi que des matériaux utilisés dans la construction. En général, la zone de couverture des capteurs à distance est de 20 à 25 m.Les émetteurs sont alimentés par des piles conventionnelles de 12 V (généralement suffisantes pour 5 ans).
Vidéo : interrupteur à distance
Commutateurs tactiles
Appareils petits et compacts qui sont structurellement constitués de plusieurs écrans tactiles, ce qui les rend faciles à utiliser. Pour utiliser le switch de ce type, il suffit de toucher une fois son écran.
Les interrupteurs tactiles fonctionnent avec une légère pression du doigt
Ces commutateurs comprennent :
- écran tactile (un élément qui répond au toucher et initialise l'envoi d'une commande pour un traitement ultérieur);
- puce de contrôle (engagée dans le traitement et la conversion de la commande);
- partie de commutation (fournit une commutation de puissance).
Grâce à l'utilisation de composants électroniques, il est possible de contrôler à distance des appareils d'éclairage et de connecter des éléments supplémentaires : capteurs de mouvement, de température et de lumière.
Les interrupteurs tactiles peuvent être équipés d'une télécommande
Vidéo : interrupteur tactile
Avant d'acheter un interrupteur d'un type ou d'un autre, vous devez vous familiariser avec les critères de sélection, qui seront décrits ci-dessous.
Quels types de prises intelligentes sont les plus populaires ?
Selon le principe d'installation
- Aérien. Ce sont des adaptateurs et sont très populaires sur le marché, car leur utilisation ne nécessite pas de compétences particulières : il suffit de brancher un tel adaptateur sur une prise ordinaire, de configurer les fonctions nécessaires, puis de connecter l'équipement souhaité.
- Monté. Ce type de prise intelligente est installé à la place d'une prise ordinaire, vous devez donc réfléchir à l'avance et choisir l'endroit le plus pratique pour garantir une utilisation confortable de l'appareil. Ce type de prise a également des puissances différentes, ce paramètre doit donc être pris en compte lors de l'achat.
Par voie de gestion

- Controlé par radio. Il s'agit d'une prise contrôlée par une télécommande dont le signal s'étend jusqu'à 30 mètres. Se connecte à une prise standard, comme un adaptateur, équipé d'un bouton indicateur sur le panneau externe, indiquant l'activité de l'appareil et la réponse à la réception du signal. Il y a aussi un bouton qui permet de retrouver la télécommande en cas de perte. Les modèles conçus pour la rue sont protégés de l'humidité et de la poussière.
- Géré par SMS. Ce type de prise est équipé d'un emplacement spécial pour une carte SIM, et est également équipé d'indicateurs indiquant la réception d'un signal et la présence d'alimentation dans le réseau.Pour contrôler une telle prise, il suffit d'envoyer un message à l'appareil, qui servira de commande pour allumer tel ou tel appareil. Par exemple, vous pouvez envoyer un SMS et allumer le système split, la bouilloire électrique ou l'éclairage avant de rentrer chez vous. Il existe des modèles qui envoient un message SMS au propriétaire en cas de panne de courant. Pour ce type de prise, vous pouvez également acheter des indicateurs supplémentaires - par exemple, des capteurs de température et d'humidité. De nombreux modèles ont un réglage pour allumer et éteindre les appareils selon le temps et sont équipés d'une minuterie.
- Contrôlé par Internet. Ce type de contrôle ne dépend pas de la distance, car il utilise Internet (Wi-Fi ou mobile). Vous pouvez contrôler une prise intelligente depuis n'importe où dans le monde où vous avez accès à Internet. Ces gadgets peuvent être équipés de fonctionnalités supplémentaires, telles qu'une caméra vidéo intégrée, des capteurs de mouvement, de température et d'humidité et une minuterie.
Par caractéristiques de conception
- Prise simple avec télécommande.
- Modèle unique avec plusieurs sorties de contrôle indépendantes, chacune acceptant une commande distincte.
- Une prise qui contrôle un groupe d'appareils qui en dépendent.
- Filtre de réseau GSM qui accepte les commandes à la fois pour plusieurs sorties à la fois et pour chacune séparément.
Qu'est-ce que c'est ça?
Maintenant, il vaut la peine de comprendre ce que sont les prises électroniques avec minuterie. Ces dispositifs sont quotidiens et hebdomadaires. Les prises quotidiennes fonctionnent sur le principe des prises mécaniques, mais les prises hebdomadaires peuvent être programmées individuellement pour n'importe quel jour de la semaine.

Les prises électroniques ont même une fonction de présence dans la maison, ainsi qu'environ 150 modes supplémentaires. Presque tous sont équipés de batteries intégrées. Cela signifie qu'en l'absence de tension, les réglages de cet appareil ne s'égareront certainement pas. Après tout, les chutes de tension ne sont pas un cas rare.

En même temps, il y a un "mais", après avoir acquis un tel appareil, chargez d'abord les batteries, branchez-le simplement dans la prise et laissez-le charger pendant 12 heures. En même temps, rien ne peut être connecté à cette prise.


La minuterie numérique peut parfois échouer, à savoir ne pas s'éteindre à l'heure définie, ce qui n'est pas très agréable.

Comment fonctionne le relais temporisé ?
Le principe de fonctionnement de tous les relais est le même. En général, cela peut être représenté comme suit: un "mouvement d'horlogerie" conditionnel dans un certain laps de temps établit une connexion de contacts, assurant le passage du courant à la charge. Il est maintenu pendant une certaine période, puis les sauts de ligne.
Ces relais ont un autre nom - une minuterie électrique. Un mécanisme à ressort, moteur, pneumatique, électromagnétique ou électronique peut être utilisé comme compteur horaire de fonctionnement. Moins courantes sont les options thermiques de contrôle de la période de réponse, qui ne sont désormais utilisées que dans les circuits de protection des équipements électriques.

Relais temporisé thermique
Dans tout type de minuteries de contrôle, à un degré ou à un autre, il est possible d'ajuster et de définir les valeurs de temps qui contrôlent le fonctionnement du relais et la durée de son fonctionnement.
Comment configurer ?
Personnaliser le travail minuterie de prise mécanique assez simple. Tout d'abord, à l'aide d'un cadran rotatif mobile, nous réglons l'heure actuelle.Vous ne pouvez le tourner que dans le sens des aiguilles d'une montre, sinon le mécanisme pourrait être endommagé. Sur les boutons autour du cadran, les intervalles de temps sont définis dans lesquels l'énergie doit être fournie à l'appareil connecté. Ce n'est qu'après cela que nous allumons la prise de minuterie dans le réseau, puis que nous insérons la fiche de l'appareil dans l'unité configurée.
La programmation des interrupteurs électroniques est un processus plus complexe. Chaque modèle a ses propres caractéristiques de configuration, qui peuvent être trouvées dans les instructions ci-jointes. Mais pour cette variété, il existe le même type d'algorithme de réglage.
- Avant de programmer l'appareil, il doit être connecté au réseau afin de charger la batterie intégrée. Le temps nécessaire pour une charge complète est indiqué dans les instructions. Le délai approximatif est de 12 à 14 heures.
- Ensuite, vous devez effacer les paramètres de minuterie précédents. Pour ce faire, il existe un bouton M Effacer. Elle réinitialise le programme précédent.
- Réglez l'heure actuelle, le jour de la semaine et la façon dont ils seront affichés.
- La minuterie est programmée à l'aide du système jour/semaine intégré. Vous pouvez configurer à la fois l'allumage et l'extinction de l'appareil, ainsi que des combinaisons entières pendant la journée. Si certains jours les modes sont similaires, ces jours peuvent être combinés dans les réglages.
- Pour enregistrer le mode défini, vous devez appuyer sur le bouton Time ou CLK - sur différents appareils de différentes manières - et le maintenir enfoncé pendant 5 secondes jusqu'à ce que l'heure actuelle apparaisse à l'écran.
- Ensuite, insérez la fiche dans la prise. L'appareil est prêt à fonctionner. Vous pouvez maintenant connecter l'appareil nécessaire à la prise de la minuterie.


Avec chaque appareil, il y a une note en russe, les difficultés qui surviennent peuvent être résolues en s'y référant.

Comment configurer une minuterie mécanique, voir la vidéo suivante.
Entretien du disjoncteur
Les interrupteurs doivent être inspectés régulièrement pour des dommages qui peuvent être identifiés par l'apparence de l'appareil. Lors des arrêts de l'équipement dans le cadre de la maintenance, il doit être nettoyé, réglé, débarrassé des dépôts de carbone des contacts et autres opérations nécessaires prévues par la documentation technique du fabricant.
Tous les 4 ans, les appareils sont soumis au courant régulé, et 8 ans aux grosses réparations. Le besoin de réparations continues peut être dû à :
- violation de l'intégrité des éléments;
- bruit et crépitement lors du fonctionnement de l'interrupteur ;
- surchauffe des contacts;
- augmentation de la consommation d'huile.
Les travaux sont généralement effectués sur le lieu d'exploitation des appareils, du personnel formé faisant partie d'un organisme spécialisé est impliqué dans leur mise en œuvre.
Les disjoncteurs haute tension sont des dispositifs importants, dont dépend la bonne exécution des opérations de commutation.
Vous pouvez en savoir plus dans le manuel (à partir de la page 237, et sur le choix d'un interrupteur à partir de la page 268): Ouvrez et lisez le livre
Classement des disjoncteurs
Le marché propose des modèles avec des fonctionnalités différentes de différents fabricants. Ils sont répartis selon le mode de gestion :
- périphériques à clavier. Pour commencer son travail, l'utilisateur doit cliquer sur le bouton. L'arrêt se produira automatiquement après la fin de la période de temps spécifiée par le propriétaire ;
- gadgets avec capteurs intégrés (mouvement, humidité, etc.).Leur but est de contrôler les équipements dans les locaux (résidentiels et commerciaux) et sur la rue (par exemple, pour organiser l'éclairage dans un parc). Ils ferment le circuit électrique lorsqu'un événement est détecté dans le champ d'action et l'ouvrent en fonction du délai défini ;
- avec mouvement d'horlogerie et/ou calendrier des événements. Ce type est souvent utilisé dans les systèmes de sécurité où l'équipement d'éclairage doit s'allumer pour créer l'effet de présence de personnes ou déclencher une alarme. Ils sont capables de démarrer/éteindre sur une minuterie, et d'agir en mode aléatoire.

Une autre classification est selon le degré d'autonomie de puissance:
- appareils autonomes ;
- entièrement dépendant du réseau externe.
En règle générale, les commutateurs "intelligents" nécessitent une alimentation électrique supplémentaire. Dans le premier cas, ils sont capables de fonctionner sur batteries, et dans le second - uniquement à partir du réseau. Dans le même temps, il existe des variétés où le programme ne s'égare pas après des pannes de courant (avec une mémoire non volatile ou une minuterie mécanique) et la réinitialisation des paramètres. Les batteries / accumulateurs d'options autonomes sont capables de fournir jusqu'à une journée de travail.















































