- Installation profonde de la pompe
- Système d'approvisionnement en eau
- Principaux éléments du système
- Pose de canalisation
- Mise en place du système
- Pose de tuyaux sous la profondeur de congélation du sol
- Automatisation de puits à faire soi-même ou avec l'aide de professionnels
- Principe général de fonctionnement de l'automatisation
- Types d'automatisation pour les pompes de forage
- Première génération ↑
- Deuxième génération ↑
- Troisième génération ↑
- Blocage automatique à faire soi-même ↑
- Schémas d'assemblage de base ↑
- Conseils d'installation ↑
- Fournir de l'eau chaude
- Qu'est-ce qu'un approvisionnement en eau autonome
- Les nœuds principaux du système
- La pose de canalisations
- Méthodes d'isolation de puits
- Pose de polystyrène expansé
- Fabrication d'une maison de puits
- Pulvérisation de polyuréthane
- Principaux composants et conception du système
- Sélection de la pompe
- Accumulateur hydraulique
- vanne de vidange
- Pressostat
- Où trouver de l'eau ou comment choisir une source d'approvisionnement en eau
- Approvisionnement en eau centralisé
- le mien bien
- Bien
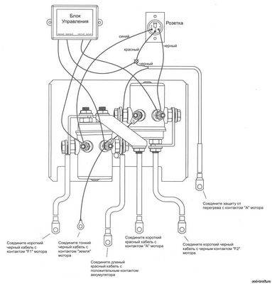
Installation profonde de la pompe

Pour que l'eau soit pompée hors du puits, vous devrez installer une pompe hydraulique de type profond dans cette structure. Habituellement pour son installation, une variante avec suspension sur câble est utilisée. Pour ce faire, une conception spéciale est soudée à partir de coins en acier, qui est posée sur les anneaux en béton du puits. Il leur est attaché avec des ancres.
Les travaux d'installation et de raccordement de la pompe sont effectués dans l'ordre suivant:
- La pompe est installée à l'extrémité de la section de tuyau, avec laquelle elle sera connectée au coin.
- Ensuite, le câble d'alimentation de l'appareil est déroulé.
- Une vanne spéciale est installée sur la sortie, ce qui protégera le système contre le reflux d'eau.
- Un raccord est attaché à la vanne et un tuyau y est attaché.
- Le câble d'alimentation est fixé au tuyau avec du ruban électrique.
- L'ensemble de la structure est immergé dans la structure d'admission.
- Le câble de sécurité est fixé au cadre des coins en acier.
- Ensuite, le pipeline est relié à l'aide d'un élément d'angle avec le tuyau de l'unité, et le câble d'alimentation est sorti d'en haut ou s'insère dans la tranchée.
Si vous envisagez d'utiliser non pas une pompe profonde, mais une station de pompage, alors pour le fonctionnement du système en hiver, la connexion de la pompe au pipeline est agencée dans une fosse spéciale. Ses dimensions sont de 0,75x0,75 m et une profondeur de 100 cm.Le fond de la fosse doit être soigneusement tassé et recouvert de pierre concassée ou bétonnée, et les murs renforcés de briques ou de planches. Les tuyaux sont amenés dans la fosse et là, ils sont connectés à la pompe installée. Pour se protéger du froid, la fosse doit être parfaitement isolée.
Système d'approvisionnement en eau
Principaux éléments du système
Détails du système d'approvisionnement en eau pour les puits peu profonds
Comme nous l'avons noté ci-dessus, en plus d'un équipement de levage d'eau correctement installé et fonctionnant correctement, nous aurons besoin de nombreux détails pour fournir à la maison l'eau du puits.
Parmi eux:
- La canalisation d'alimentation par laquelle l'eau du puits s'écoulera vers la maison.
- Un accumulateur hydraulique, qui est un réservoir d'eau qui maintient une pression stable à l'intérieur du système.
- Un relais qui allume et éteint la pompe à eau en fonction du niveau de pression dans le réservoir.
- Relais marche à sec (si l'eau cesse de couler dans la pompe, le système est hors tension).
- Système de filtre de puits pour le nettoyage et l'optimisation des paramètres de l'eau. En règle générale, il comprend des filtres pour le nettoyage grossier et fin.
- Conduites et équipements d'arrêt pour le câblage dans les chambres.
De plus, si nécessaire, le schéma d'alimentation en eau du puits à la maison comprend une branche pour le chauffe-eau. Cela permet de fournir de l'eau chaude.
Pose de canalisation
Si vous avez certaines compétences, le système lui-même peut être assemblé à la main.
Nous procédons ainsi :
- Pour poser un tuyau de l'embouchure du puits à la maison, nous creusons une tranchée. Il est souhaitable qu'il passe en dessous du niveau de congélation du sol.
- Nous posons un tuyau (de préférence en polyéthylène d'un diamètre de 30 mm ou plus). Si nécessaire, nous enveloppons le pipeline avec un matériau calorifuge.
- Nous conduisons le tuyau dans le sous-sol ou l'espace souterrain à travers un évent spécial. Cette partie de la canalisation doit être isolée !
Tranchée du puits à la maison
Mise en place du système
Ensuite, nous procédons à la construction de l'accumulateur:
- Nous installons l'accumulateur hydraulique (un récipient en plastique d'un volume allant jusqu'à 500 litres) aussi haut que possible - cela nous fournira un réglage naturel de la pression. À l'entrée, nous montons un pressostat qui, lorsque le réservoir est rempli, coupe l'alimentation en eau.
- Dans certains cas, cela ne suffit pas. Ensuite, nous installons en plus une station de pompage automatique - un complexe de plusieurs relais, des manomètres et un réservoir récepteur à membrane.
Station de pompage avec un récepteur qui peut être utilisé à la place d'un accumulateur hydraulique ou avec celui-ci
Le récepteur, équipé d'une pompe séparée, permet un changement de pression en douceur dans l'accumulateur, ce qui a un effet positif sur les performances de tous les systèmes. Sans cette pièce, le moteur de la pompe de fond démarre à chaque mise en marche de la grue, ce qui, bien sûr, entraîne son usure précoce.
- Après avoir assemblé le système à partir d'un accumulateur hydraulique et d'une station de pompage, nous procédons à l'installation de la tuyauterie. Pour cela, nous utilisons des tuyaux en polyéthylène. Lorsque l'eau alimente un chalet ou une maison de campagne, un diamètre de 20 mm suffit.
- Nous coupons les tuyaux à l'aide d'appareils spéciaux. Pour les connecter, nous utilisons un fer à souder avec un jeu de douilles. L'utilisation de cette technologie permet d'obtenir une étanchéité maximale.
- Alternativement, des tuyaux en acier ou multicouches peuvent être utilisés. Ils se distinguent par une plus grande résistance mécanique, mais il est plus difficile de les monter. Oui, et les connexions détachables ont toujours une étanchéité inférieure aux coutures soudées.
Nous apportons le câblage des tuyaux aux points de consommation et le fixons aux robinets. Pour assurer la sécurité, nous fixons les tuyaux sur les murs avec des colliers.
Le schéma le plus courant
Séparément, il convient de prendre soin du système de drainage.
Lors de sa conception, il est important de placer un puisard ou une fosse septique de manière à éliminer complètement la filtration des eaux de ruissellement dans les aquifères. Tout d'abord, cela s'applique aux puits de sable, caractérisés par des eaux peu profondes.
Pose de tuyaux sous la profondeur de congélation du sol

Le plus souvent, des difficultés surviennent avec le choix des tuyaux: les tuyaux en polyéthylène basse pression ne peuvent pas être utilisés, car la masse du sol entraînera une fissuration du matériau et le métal se corrodera. Autres inconvénients :
- Lors de l'installation du système, une grande quantité de travail au sol est nécessaire.
- Difficultés à retrouver les tronçons endommagés de l'autoroute autonome.
- Si la profondeur de la tranchée est inférieure au niveau de gel du sol, la probabilité de dommages à l'intégrité du pipeline augmente considérablement.
Pour minimiser la probabilité d'une fuite, il est nécessaire de faire le moins de joints possible entre les tuyaux pendant la phase de construction.
Automatisation de puits à faire soi-même ou avec l'aide de professionnels
Principe général de fonctionnement de l'automatisation
Malgré la différence de prix et de fonctionnalité, les unités automatiques modernes fonctionnent selon le même schéma - divers capteurs surveillent le niveau de pression et l'ajustent si nécessaire.
Un bon exemple est le principe de fonctionnement du pressostat le plus simple :
- L'appareil est installé dans deux positions - la pression maximale et minimale dans le système - et est connecté à l'accumulateur.
- La membrane de l'accumulateur réagit à la quantité d'eau, c'est-à-dire au niveau de pression.
- Lorsque le niveau minimum autorisé est atteint, le relais s'allume, ce qui démarre la pompe.
- La pompe s'arrête lorsque le capteur supérieur est déclenché.

Des systèmes plus avancés qui fonctionnent sans accumulateur hydraulique peuvent être équipés d'options supplémentaires, mais le principe de fonctionnement de l'automatisation d'une pompe de forage reste inchangé.
Types d'automatisation pour les pompes de forage
Première génération ↑
La première génération d'automatisation (la plus simple) comprend les appareils suivants :
- Pressostat ;
- Accumulateur hydraulique ;
- Capteurs-bloqueurs de marche à sec ;
- Interrupteurs à flotteur.
Le pressostat a été mentionné ci-dessus. Les interrupteurs à flotteur réagissent à une baisse critique du niveau de liquide en arrêtant la pompe. Les capteurs de fonctionnement à sec empêchent la pompe de surchauffer - s'il n'y a pas d'eau dans la chambre, le système cesse de fonctionner. En règle générale, un tel schéma est utilisé dans les modèles de surface.
L'automatisation la plus simple pour une pompe de forage peut être facilement installée de vos propres mains. Le système convient également aux équipements de drainage.
Deuxième génération ↑
Les machines à blocs de la deuxième génération sont des mécanismes plus sérieux. Il utilise une unité de contrôle électronique et plusieurs capteurs sensibles fixés à différents endroits de la canalisation et de la station de pompage. Les signaux des capteurs sont envoyés au microcircuit, qui maintient un contrôle total sur le fonctionnement du système d'alimentation en eau.
Le « veilleur » électronique réagit en temps réel à tout écart par rapport à la norme. De plus, il peut être équipé de fonctionnalités supplémentaires :
- Contrôle de la température;
- Arrêt d'urgence du système ;
- Vérification du niveau de liquide ;
- Bloqueur de marche à sec.
Important! Le gros inconvénient d'un tel système d'automatisation pour les pompes de forage est la nécessité d'un réglage fin, une tendance aux pannes et un prix plutôt élevé.
Troisième génération ↑
Important! Si vous n'avez pas d'expérience dans l'approvisionnement en eau, vous ne pourrez pas installer l'automatisation d'un puits de vos propres mains. Seul un spécialiste peut déterminer quel algorithme est le meilleur pour programmer le système
Blocage automatique à faire soi-même ↑
L'automatisation à faire soi-même pour une pompe de forage est souvent moins chère qu'un ensemble d'équipements d'usine.Lors de l'achat d'unités séparément, vous pouvez toujours choisir la meilleure option pour le modèle de pompe acheté sans surpayer pour les options supplémentaires inutiles.
Important! Une telle performance amateur nécessite un certain niveau de connaissances. Si vous ne pouvez pas vous appeler un expert, il est préférable d'acheter un équipement de pompage avec une automatisation préinstallée.
Schémas d'assemblage de base ↑
Parmi les schémas d'automatisation des pompes de forage, les types suivants ont fait leurs preuves :
Tous les nœuds d'automatisation sont assemblés en un seul endroit. Dans ce cas, l'accumulateur peut être situé en surface et l'eau lui est fournie par un tuyau ou une tuyauterie flexible. Le schéma convient aux pompes de surface et de puits profonds.

Centrale de commande sur accumulateur hydraulique
Avec cette disposition, il est recommandé de raccorder le collecteur du système au tuyau d'alimentation de la pompe. Il s'avère une station distribuée - l'unité est située dans le puits et l'unité de commande avec un accumulateur hydraulique est installée dans la maison ou la buanderie.
Station de pompage distribuée
L'unité d'automatisation est située près du collecteur d'eau froide, en y maintenant un niveau de pression constant. Le tuyau de pression part de la pompe elle-même. Avec un tel schéma, il est préférable d'utiliser des modèles de surface.
Conseils d'installation ↑
Pour que l'équipement automatique vous serve fidèlement, vous devez à l'avance prendre soin du bon endroit pour son installation:
- La pièce doit être chauffée toute l'année.
- Plus l'unité distante est proche du puits, mieux c'est. L'option idéale est d'équiper une petite chaufferie à proximité du caisson.
- Pour éviter les pertes de charge, installez la station de pompage à proximité immédiate du collecteur.
- Si l'équipement sera situé dans la maison, effectuez une insonorisation de haute qualité de la pièce.
Fournir de l'eau chaude
Si vous avez besoin de fournir de l'eau chaude, vous pouvez compléter votre système de plomberie avec un chauffe-eau. Il existe des variétés cumulatives et fluides de ces équipements. Dans les chalets d'été, il est plus pratique d'utiliser des réservoirs de stockage.
L'installation du chauffe-eau est effectuée selon le schéma standard pour un tel équipement.
Vous savez maintenant dans quel ordre l'installation du système de plomberie est effectuée et ce qui doit être pris en compte pour la mise en œuvre réussie de toutes les activités connexes. Faites tout conformément aux dispositions du guide ci-dessus et votre plomberie fonctionnera correctement pendant de nombreuses années.
Qu'est-ce qu'un approvisionnement en eau autonome
Lorsque vous avez été en mesure de répondre clairement à toutes les questions ci-dessus et d'établir un plan d'action approximatif, vous devez déterminer les éléments d'ingénierie constitutifs de la plomberie. En fait, ce sont les tuyaux eux-mêmes, ainsi que les mécanismes de leur injection à la surface :
Tuyaux de différents diamètres

Grues et raccords (pièces de raccordement) pour l'installation de tuyaux dans leur ensemble

Mécanismes de pompage de l'eau différents types de pompes (leur choix dépend principalement des volumes d'approvisionnement en eau requis

Moteurs électriques pour pompes
S'il est nécessaire de chauffer de l'eau (pour l'utiliser à la maison) - chauffe-eau
Filtres pour la purification mécanique (grossière) et profonde de l'eau (vous ne pouvez pas vous en passer si l'eau est utilisée à des fins de boisson)

Vous aurez également besoin d'outils de travail et de matériaux pour fixer les tuyaux aux surfaces, d'une protection supplémentaire (isolation) des tuyaux pour les utiliser en hiver.
En général, l'approvisionnement en eau de pays à faire soi-même à partir d'un puits en tant que système unique devrait ressembler à ceci.

Un diagramme schématique du système ressemble à ceci


Les nœuds principaux du système
Principaux éléments systèmes d'approvisionnement en eau du chalet à partir du puits:
-
Pompe. Il existe des pompes de surface et celles qui sont complètement immergées dans l'eau sur un câble en acier. Un câble est connecté à la pompe et un tuyau d'eau part de la pompe.
-
Accumulateur hydraulique. Permet de contrôler la pression de l'eau.
-
Vanne de vidange d'eau. Nécessaire à la conservation du système pour l'hiver
-
Chaudière de chauffage ou chaudière. Prévoir le chauffage de l'eau.
-
Câblage et tuyaux – assurer la distribution de l'eau et la livrer aux points nécessaires des locaux (cuisine, douche, toilettes, etc.)

Les principaux éléments de la plomberie sont situés au même endroit
La disposition du câblage et de la pose des tuyaux dépend de la pièce spécifique. Le coût final du projet dépendra des besoins des propriétaires.

Les principaux éléments du système d'approvisionnement en eau
La pose de canalisations

L'eau du puits sera transportée jusqu'à la maison par des tuyaux. Vous pouvez utiliser des produits en métal, en métal-plastique ou en polymère. Il est préférable de choisir des tuyaux en métal-plastique, car ils sont plus durables et résistants aux environnements agressifs.
La tranchée du tuyau est creusée sous le point de congélation de votre région climatique. Cela empêchera l'eau de geler dans les tuyaux en hiver. Cependant, il est possible de rendre la tranchée moins profonde en utilisant un câble chauffant et une isolation complète du tuyau, ce qui empêchera l'eau de geler pendant la saison froide.
Avant de poser des tuyaux dans des lieux de rotation, de divergence ou d'approfondissement de la branche, il est nécessaire de réaliser des regards:
- Pour ce faire, creusez d'abord une fosse de 100x100 mm. Le fond de la fosse doit être à 400 mm sous le point de congélation. Le fond est recouvert d'une couche de sable de 100 à 150 mm de haut.
- Ensuite, une bande de béton ou une fondation en dalle est construite. Il doit être tel qu'il puisse résister à un mur de briques.
- Après cela, vous pouvez disposer les murs de briques. L'épaisseur des parois du regard est de 250 mm.
- Vous pouvez maintenant poser une dalle de sol sur les murs avec un trou pour l'alimentation en eau.
Méthodes d'isolation de puits
L'isolation opportune du puits d'hiver aidera à éviter les problèmes de gel de la section souterraine de la mine. La formation d'une croûte de glace entraîne des conséquences négatives :
- la pompe et les autres équipements tombent en panne ;
- la glace exerce une pression sur les parois des anneaux de béton, provoquant la formation de fissures.
Pose de polystyrène expansé
La structure peut être isolée avec des plaques de polystyrène expansé ou un autre matériau aux propriétés similaires. Pour une isolation efficace, les anneaux sont creusés jusqu'à 1,5 m de profondeur, puis recouverts d'isolant et recouverts de terre. Cette option présente plusieurs avantages :
- coût abordable;
- durabilité;
- la mousse résiste à l'humidité et à la pourriture.

Le polystyrène expansé est utilisé pour isoler le puits
Fabrication d'une maison de puits
L'installation d'une maison de puits en bois est une méthode d'isolation efficace mais coûteuse. L'arbre sert de bon isolant thermique, éliminant le risque de gel de la partie supérieure de l'arbre. La structure en bois d'origine, en plus d'une utilisation pratique, sert de décoration décorative pour un chalet d'été.

Une telle maison est l'une des options pour isoler une source d'approvisionnement en eau.
Pulvérisation de polyuréthane
L'une des méthodes pour protéger la source des gelées hivernales consiste à pulvériser de la mousse de polyuréthane sur la partie extérieure du baril. Il s'avère une couche monolithique solide qui protège de manière fiable les anneaux de béton du froid. Le travail est assez laborieux, vous devrez creuser un puits de 1,5 à 2 m et, une fois la mousse durcie, vous rendormir.

Pulvérisation de polyuréthane
Principaux composants et conception du système
Tout schéma d'approvisionnement en eau à partir d'un puits comprend plusieurs éléments de base:
Sélection de la pompe
L'appareil peut être à la fois submersible et de surface. Les experts recommandent de choisir des appareils submersibles. Ils ont des performances élevées, peuvent travailler à de grandes profondeurs, sont économiques et ont un faible niveau de bruit. La marque de l'appareil et sa puissance sont choisies en fonction de la profondeur à laquelle il fonctionnera.
Accumulateur hydraulique
L'équipement est nécessaire pour protéger le système contre les coups de bélier et stabiliser la pression dans l'alimentation en eau. Un réservoir de stockage hydraulique à membrane accumule de l'eau, de sorte que même en cas de panne de courant, son alimentation se poursuivra pendant un certain temps.
La taille du réservoir peut varier. Lors de son choix, il faut tenir compte du fait que la quantité d'eau qui sera dans le réservoir est bien inférieure au volume nominal de l'appareil.
vanne de vidange
La conception est installée au point le plus bas du système, c'est-à-dire immédiatement après la pompe. Utilisé pour drainer l'eau du système pendant la conservation.Si le puits a une profondeur maximale de 8 m et est situé à proximité de l'habitation, un autre dispositif peut être installé à la place d'une vanne de vidange. Un clapet anti-retour est monté dans la maison, et juste devant se trouve un système de dérivation avec un robinet. Dès que le robinet s'ouvre, le vide créé par le clapet anti-retour disparaît et toute l'eau du système est évacuée.

Pour l'approvisionnement en eau d'un puits, vous pouvez choisir une pompe submersible ou de surface
Pressostat
Il est installé à côté de l'accumulateur hydraulique pour maintenir des valeurs de pression optimales dans la structure. Le relais réduit ou augmente la pression dans la conduite tandis que la pompe alimente en eau le réservoir de l'accumulateur. Dès que la pression maximale est atteinte, l'appareil éteint la pompe. Lorsque la valeur diminue au minimum, le relais ferme les contacts et le pompage de l'eau commence.
En plus de ces appareils, des conduites d'eau seront nécessaires. Les professionnels recommandent d'utiliser des pièces en polypropylène, qui sont durables, fiables, écologiques, faciles à installer et abordables. Vous aurez peut-être aussi besoin d'un câble chauffant pour l'eau qui empêchera les tuyaux de geler pendant la saison froide. Si la quantité d'eau dans le puits est faible, il est recommandé d'installer un interrupteur de marche à sec qui protégera la pompe en cas de forte baisse du niveau d'eau.
Autre nuance: l'alimentation en eau du puits vers la maison doit être installée sous une pente dirigée vers la vanne de vidange. Ainsi, il est possible de vidanger complètement l'eau de la structure sans aucun problème. A l'intérieur de la maison, tout le câblage est également équipé d'une pente obligatoire vers le tuyau d'alimentation, qui devient un tuyau de vidange lors de la conservation du système.
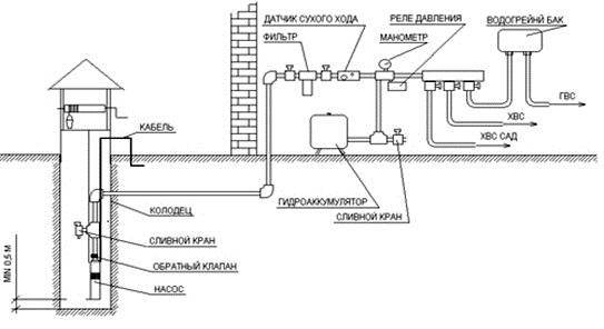
Où trouver de l'eau ou comment choisir une source d'approvisionnement en eau
Après avoir étudié tous les éléments du futur système d'approvisionnement en eau, ainsi que dessiné un schéma spécifiquement pour votre site, vous devez décider de la source d'approvisionnement en eau. A la campagne, contrairement à un appartement en ville, il existe plusieurs options :
Approvisionnement en eau centralisé
L'option la plus pratique et la plus évidente est l'approvisionnement en eau centralisé. Cette option est la moins chère, car vous n'avez pas besoin d'installer une pompe ou d'acheter des outils supplémentaires pour pomper l'eau et contrôler son niveau de pression.

En fait, vous devez creuser des niches, poser des tuyaux, les renforcer dans le sol, les relier entre eux et le système est prêt pour l'irrigation. Il y a bien sûr l'approvisionnement central en eau et ses faiblesses:
- il s'agit généralement d'une option estivale - elle ne fonctionne pas en hiver ;
- l'eau ordinaire est moins riche en nutriments que l'eau artésienne (si vous avez un puits sur le site);
- enfin, la source centrale peut être trop éloignée et il deviendra plus coûteux de tirer des tuyaux, et même à travers les champs voisins, que de faire une conduite d'eau dans le pays de vos propres mains à partir d'un puits.
Souvent, il n'y a pas du tout d'approvisionnement en eau centralisé à proximité - et il n'est alors pas nécessaire d'envisager cette possibilité.
le mien bien
Si vous avez un puits avec une source d'eau bonne et propre sur votre site ou chez un voisin, vous pouvez vous considérer comme très chanceux. Ces sites ne sont pas très courants et ils sont généralement plus chers.
Le puits, en plus de la partie extérieure avec un jars et un support en pierre, a une base intérieure. Il s'agit d'un tronc qui ouvre l'accès à l'eau à la surface et à l'aquifère lui-même, où l'eau naturelle est contenue.

Le puits lui-même peut être situé à différentes profondeurs et, en fonction de ce paramètre, il existe:
- Le puits "sur calcaire" - il est plus profond et séparé de manière fiable des eaux souterraines. Dans ce cas, il est nécessaire de filtrer beaucoup moins l'eau et, en termes de teneur en microéléments, elle est beaucoup plus riche qu'un puits «sur sable» et encore plus d'eau de ville chlorée.
- Puits "sur le sable" - situé plus haut, contient le plus souvent beaucoup d'impuretés mécaniques (sable, petites pierres, terre). Cependant, cela ne l'empêche pas d'être utilisé pour l'irrigation. Mais pour boire, un processus de filtrage est nécessaire.

Bien
Le puits permet la montée de l'eau, peu profonde (généralement jusqu'à 12 mètres). Dans tous les autres cas, un puits doit être foré sur le site. Cette option est beaucoup plus coûteuse en termes de force et d'argent, et bien sûr, en temps. Cependant, le résultat en vaut la peine - grâce au puits, il sera possible de fournir de l'eau toute l'année au site et à la maison de campagne.
Vous pouvez comparer un puits et un puits et sentir la différence dans ce diagramme.

En effet, généralement la profondeur du puits est plusieurs fois supérieure à celle du puits. Mais il y a beaucoup d'eau là-bas, et c'est beaucoup plus propre et plus sain.











































