Puits abyssin à faire soi-même: tout sur le dispositif indépendant d'un puits à aiguilles

Puits abyssin à faire soi-même : astuces de vie utiles

Technologie de création de puits

Le puits Abyssin est équipé de deux manières : en forant ou en forant un puits. Pour mettre en œuvre la première méthode, la soi-disant femme motrice est utilisée et, au cours du travail, de l'eau est périodiquement versée dans le tuyau. Au moment où l'eau pénètre brusquement dans le sol, le tuyau est creusé dans 50 cm supplémentaires, puis la pompe est montée. La méthode de conduite est bonne lorsque vous créez vous-même un puits, mais cette méthode n'est pas sans inconvénients. Premièrement, si un rocher gêne le tuyau, l'aiguille peut se détériorer complètement.Deuxièmement, lors du colmatage du puits, vous pouvez ignorer l'aquifère.

La deuxième méthode, qui consiste à forer un puits, nécessite l'aide d'artisans et l'intervention d'équipements spéciaux, mais lors de la mise en œuvre de cette méthode, vous êtes assuré de trouver de l'eau dans le puits.

Il existe plusieurs manières de boucher une aiguille de puits :

  1. À l'aide d'une poupée mobile et d'une poupée mobile - une pièce spéciale qui recouvre étroitement le tuyau et ne glisse pas vers le bas. En train de marteler l'aiguille, le travailleur soulève la poupée et l'abaisse avec force jusqu'au sous-stock. La pièce est progressivement remontée dans la conduite et travaillée de la même manière jusqu'à ce qu'un aquifère soit trouvé.
  2. La deuxième méthode de création d'un puits abyssin consiste à conduire avec une poupée avec un bouchon. Dans un tel cas, le coup tombe sur la partie supérieure du tuyau, tandis que le bouchon est installé à l'extrémité afin de protéger le filetage des dommages. Cette méthode est bonne car elle vous permet d'utiliser la force d'impact maximale.
  3. Vous pouvez également marteler un puits avec une tige. Dans ce cas, il n'y a aucun risque de plier le tuyau et le processus lui-même est plus facile et plus rapide. La tige d'entraînement peut être constituée d'un hexagone ou d'une tige ronde. Les différentes parties des barres sont torsadées ensemble à l'aide d'une connexion filetée. Pour que la tige soit retirée du sol une fois les travaux terminés, sa longueur doit être supérieure à la profondeur de l'aquifère.

Forage

Cette méthode est souvent utilisée pour faire passer le sol dans les sables mouvants, comme on appelle la couche sableuse saturée d'eau, qui, en raison de sa friabilité, peut s'effriter immédiatement après que la foreuse y ait avancé. Pour éviter cela, le forage du puits est combiné avec l'immersion du tubage.

Foreuses pour la production du puits Abassinien les aiguilles peuvent être soudées dans un atelier à domicile. Il est optimal d'utiliser deux modifications :

  • une perceuse à cadre, qui est une structure en forme de U, et est utilisée pour traverser une couche d'argile dense,
  • perceuse à cadre avec un cylindre, qui est installé à l'intérieur du cadre et sert à collecter et à évacuer ultérieurement le sol du canal.

La technologie de forage est assez simple - le passage des couches de sol s'effectue de manière séquentielle, avec une accumulation progressive de la partie travaillante avec des tiges. Au stade du forage avec une perceuse à vérin, il est préférable d'utiliser un treuil (acheté ou monté indépendamment d'un démarreur et d'un câble, équipé de rondelles restrictives et installé sur un support). Un tel dispositif facilitera le retrait du foret, des tiges et de la terre accumulés dans le cylindre du canal, qui ensemble donnent un poids considérable.

Blocage avec une poupée avec un sous-stock

Une sous-tête est un élément en forme de cône fixé à la tige avec une rondelle de butée. Une conception simple vous permet d'atteindre une efficacité maximale.

La poupée glissant le long de la tige, tombant après le levage, dégage de l'énergie à la sous-tête, grâce à laquelle la tige pénètre dans le sol. Afin d'éviter tout dommage, le cône de la poupée mobile doit être fabriqué dans un matériau plus résistant que la poupée fixe. La rondelle de butée empêche le cône de s'envoler de la tige, même en cas de chocs très violents. Au contraire, à ce moment-là, il "s'assied" encore plus fermement.

Poupée de farce avec bouchon

Pour mettre en œuvre cette méthode, ils n'utilisent pas une barre coulissante, mais une poupée. Pour protéger le filetage de la tige, un bouchon est installé dans la partie supérieure. Il est recommandé d'utiliser des mamies à partir de 30 kg et plus.

Conduite d'haltères

Équipement d'entraînement de tiges - tiges hexagonales dont le diamètre permet de les placer dans la colonne.Chacun d'eux est fourni avec un filetage pour augmenter la longueur (interne d'un côté et externe de l'autre). Pour une fixation fiable, la longueur des sections filetées doit être d'au moins 2 cm.Le processus de conduite d'un tube de tubage immergé dans un puits foré consiste à lancer une tige dans la cavité de la tige.

Aménagement du puits Abyssin

Une fois les travaux avec le puits terminés, la structure est un tuyau qui sort du sol.

Pour qu'elle devienne une source d'approvisionnement en eau autonome et à part entière, un certain nombre de travaux doivent être réalisés:

  1. Nous nous endormons avec du gravier tout l'espace près du tuyau.
  2. Une zone aveugle est aménagée au-dessus du gravier : cette plate-forme en béton est située légèrement au-dessus du niveau du sol au niveau du puits.

Cette conception empêchera l'humidité atmosphérique de pénétrer dans le lieu d'admission et protégera le tuyau des influences extérieures négatives.

La remontée d'eau du puits Abyssin peut être réalisée avec une pompe à main traditionnelle montée sur la tête du tuyau. Si le site est électrifié, ces travaux peuvent être grandement facilités. La profondeur de la source est généralement faible, une pompe de surface suffit à remonter l'eau. Son tuyau d'arrivée est placé dans la canalisation au niveau de l'eau. Une maille filtrante spéciale est installée à l'extrémité du tuyau.

Assurer le fonctionnement toute l'année du puits Abyssin

Puits abyssin à faire soi-même: tout sur le dispositif indépendant d'un puits à aiguillesSi vous envisagez d'utiliser votre puits Abyssin en permanence, alors il faut l'équiper en conséquence. La basse température dans les couches supérieures de la terre est le principal problème dans le fonctionnement des puits et des pompes par temps froid. Cela peut endommager à la fois l'équipement de pompage et les conduites d'approvisionnement en eau.

Pour protéger la canalisation et la pompe du gel, elles doivent être placées soit dans des conteneurs spéciaux - caissons, soit dans des pièces à température positive.

Le rôle du caisson peut être une structure de capital enterrée (en dessous du niveau de congélation du sol), ou il peut s'agir d'une structure enterrée en plastique ou en fer, réalisée sous la forme d'un tonneau.

Le bord inférieur du caisson doit être en dessous de la ligne de congélation du sol - la conduite d'alimentation en eau de l'habitation doit également être au même niveau. Le caisson peut avoir une couche supplémentaire constituée d'un matériau d'étanchéité qui ne craint pas l'exposition au sol. La canalisation d'alimentation en eau elle-même peut avoir un système de chauffage autonome (utilisant un câble chauffant) ou avoir une couche isolante fiable.

Quelle conclusion peut-on tirer de ce qui précède ?

    1. L'auto-construction à la fois du puits lui-même et de l'infrastructure nécessaire à l'entretien est à la portée des personnes, même avec peu de compétences en construction.
    2. Un tel puits peut devenir une source d'approvisionnement en eau autonome pour une maison à un coût relativement faible.
    3. Pour les besoins domestiques, l'eau peut être utilisée sans traitement, mais pour l'eau potable, elle doit être soumise à une purification supplémentaire.

Principes de fonctionnement du puits Abyssin

Dans les années 60. 19ème siècle pendant la guerre d'Abyssinie (Ethiopie), l'ingénieur américain Norton proposa à l'armée britannique un dessin primitif, appelé "puits d'Abyssinie". L'appareil n'a pas demandé beaucoup de temps pour être installé, il a été tout aussi rapidement démonté et transféré à un autre endroit, mais l'eau a été produite dans le désert. Une pompe à main a été utilisée pour le levage, maintenant les pompes électriques sont principalement installées.

Il ne s'agit pas d'un puits au sens classique, mais d'un baril de tuyaux avec un filtre et une pointe immergée dans le sol. Le premier élément est utilisé pour purifier l'eau des particules grossières, maintenant il sera amélioré afin que les fractions de sable fin ne passent pas. La pointe est longue, se rétrécissant progressivement vers la fin, le tronc lui-même, avec lui - une sorte d'aiguille pour un puits - une forme appropriée pour marteler le sol.

Pour comprendre ce qu'est un puits abyssin, il faut imaginer comment il a été fabriqué. La méthode classique est le martelage, elle est le plus souvent utilisée par des artisans indépendants. Vous pouvez faire venir une foreuse manuelle ou mécanique, mais il s'agit d'une technique particulière qui devra être louée ou louée, ce qui augmentera le budget. Les tuyaux sont bouchés jusqu'à ce que la pointe pénètre dans l'aquifère.

Il faut comprendre ce qu'est un puits abyssin, pour ne pas trop en attendre. Le puits-aiguille ouvre les aquifères les plus proches, l'eau technique n'est pas utilisée pour la consommation humaine sans purification supplémentaire. Le site en est arrosé, utilisé pour la construction, l'approvisionnement en eau du bain et d'autres besoins domestiques.

Lorsque les résidents d'été entendent parler du puits abyssin, ce que c'est, tout le monde ne le sait pas. Après s'être familiarisé avec l'appareil, il est souvent décidé de le construire. En option pour l'approvisionnement en eau, lorsque le site est en cours d'équipement, c'est tout à fait acceptable.

Regardez une vidéo sur les caractéristiques du dispositif de puits Abyssin et ses différences par rapport à un puits conventionnel :

Là où la construction est possible

Puits abyssin à faire soi-même: tout sur le dispositif indépendant d'un puits à aiguilles

Il est nécessaire d'aménager un tel puits dans les zones où l'aquifère se trouve à moins de 4 à 8 m de profondeur ou dans des endroits où la pression dans l'aquifère est suffisante jusqu'à 15 mètres, ce qui peut élever l'eau à une profondeur de 7 à 8 mètres. Si l'eau du réservoir monte un peu en dessous de 8 m, vous pouvez simplement installer la pompe en l'approfondissant dans le sol.

Puits abyssin à faire soi-même: tout sur le dispositif indépendant d'un puits à aiguilles

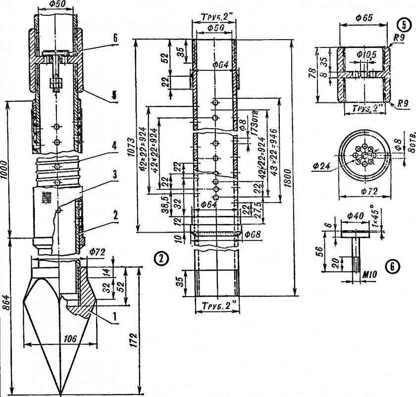
La partie principale du puits abyssin est un tuyau perforé avec une tête (pointe en coin) et un filtre. La pointe doit avoir un diamètre supérieur de 20 à 30 mm. Il est conseillé de fabriquer le filtre en métal, identique au matériau à partir duquel le tuyau est fabriqué : cela réduira le niveau de corrosion électrochimique. Des trous de 6 à 8 mm de diamètre sont percés dans le tuyau avec un diamètre de 0,6 à 0,8 m sur la longueur du tuyau. Dans cette section du tuyau, un fil est enroulé avec un espace de 1 à 2 mm pour le libre passage de l'eau. Après enroulement, le fil est soudé au tuyau en plusieurs endroits et aux extrémités du fil. Après cela, à l'aide de la soudure, un treillis de tissage uni en métal non ferreux ou en acier inoxydable est fixé.

Puits abyssin à faire soi-même: tout sur le dispositif indépendant d'un puits à aiguilles

Divers dispositifs sont utilisés pour approfondir les tuyaux, mais il est préférable de creuser d'abord un trou de 0,5 à 1,5 m, puis de forer un puits de 1 à 1,5 m afin que le tuyau ne bouge pas lorsqu'il est bouché.

Puits abyssin à faire soi-même: tout sur le dispositif indépendant d'un puits à aiguilles

Souvent, un conducteur de pile est utilisé pour approfondir les tuyaux, mais d'autres dispositifs peuvent être utilisés. L'approfondissement du tuyau du puits avec une tige métallique d'un diamètre de 16-22 mm insérée dans le tuyau consiste à élever la tige de 1 m de haut et à appliquer des coups verticaux vifs à la pointe. En conséquence, presque toute la charge tombe sur la pointe. La tige peut-elle être allongée à mesure que tu approfondis puits, ou vous pouvez fixer un câble souple au sommet d'une tige métallique. Cette méthode est appelée shock-rope.

Puits abyssin à faire soi-même: tout sur le dispositif indépendant d'un puits à aiguilles

La technologie d'approfondissement des tuyaux pour un puits abyssin est la suivante: il est nécessaire d'utiliser une poupée pesant 25 à 30 kg, cet appareil est soulevé par les poignées et abaissé brusquement, la charge d'impact doit tomber sur la buse fixée au sous-marin -tuyau. Lors de l'approfondissement du puits, la buse est déplacée vers le haut du tuyau et, si nécessaire, un autre tuyau est vissé.

Si la profondeur de l'aquifère est inconnue, alors lorsque le tuyau est obstrué de 4 à 5 m, vérifiez périodiquement si de l'eau est apparue. Si vous avez un aquifère mince et que sa profondeur n'est pas connue, vous pouvez obstruer le tuyau en dessous et ne pas obtenir d'eau.

Puits abyssin à faire soi-même: tout sur le dispositif indépendant d'un puits à aiguilles

Si le puits Abyssin est installé dans des sols argileux, le maillage du filtre peut devenir très sale et vous ne comprendrez peut-être pas que vous avez touché à l'aquifère. Dans ce cas, il vaut mieux ne pas se précipiter, et même lorsqu'une quantité minime d'eau apparaît dans le puits, il faut la pomper et, si possible, rincer le filtre tous les 0,5 m.Pour ce faire, utilisez une pompe électrique, insérez un tuyau dans le tuyau et laver la maille avec de l'eau propre.

Une pompe électrique auto-amorçante est utilisée pour remonter l'eau. Vous pouvez également utiliser une pompe à piston. Après avoir installé la pompe et pompé puits autour du tuyau aménager un château d'argile et faire une zone aveugle en béton. Le temps nécessaire pour construire un puits tubulaire abyssin est d'environ 5 à 10 heures et, dans la plupart des cas, dépend de la nature du sol et de la profondeur de l'aquifère.

Puits abyssin à faire soi-même: tout sur le dispositif indépendant d'un puits à aiguilles

Le puits Abyssin servira 10-30 ans, la durée dépend de l'aquifère, de la qualité du travail et du matériau utilisé.L'eau peut être pompée en continu du puits pendant plusieurs heures, la productivité du puits est généralement de 1 à 3 mètres cubes. eau par heure.

Aménagement du puits Abyssin

La source ne fonctionne qu'en été. Pendant la saison froide, le puits Abyssin n'est pas destiné à fonctionner. Parfois, la structure doit être repercée. Par conséquent, l'agencement de la source ne devrait pas être coûteux.

Équipement de puits d'Abyssinie

L'agencement est réduit à l'installation d'une pompe à main - une pompe à la sortie du tuyau du sol. Les pompes à main peuvent être laissées en hiver avec un risque minimal de perte due au vol ou au vandalisme.

Ou faire dans la maison pour profiter de l'hiver.

Puits abyssin à faire soi-même: tout sur le dispositif indépendant d'un puits à aiguilles

Si une pompe de surface électrique est nécessaire pour élever l'eau, alors après le travail, il vaut mieux ne pas la laisser, mais la ramener dans la maison. Pour éviter le vol, il est plus pratique d'utiliser la variante du puits non pas avec un bouchon, mais avec un couvercle.

Voici à quoi ressemble un puits abyssin avec un bouchon sur la bouche :

Puits abyssin à faire soi-même: tout sur le dispositif indépendant d'un puits à aiguilles

Escarpins abyssins

Lors du choix d'une pompe, la manière dont le puits abyssin a été construit n'a pas d'importance. La profondeur compte

Une station de pompage pour le puits Abyssin n'est pas nécessaire, pour les ouvrages de moins de 10 mètres de profondeur, privilégiez une pompe de surface.

Deux pompes, pour une même profondeur, ne fonctionnent pas de la même manière. Bien qu'elles puissent avoir beaucoup en commun, différentes pompes de puits sont installées différemment.

Les pompes centrifuges fonctionnent par aspiration grâce à la rotation d'un ventilateur interne. Ce sont des pompes standard car elles coûtent moins cher que les autres types.

Les pompes centrifuges sont installées dans un carter mécanique, à la surface du puits, et non à l'intérieur du puits. Cela rend la maintenance plus pratique.Mais le hic, c'est que les pompes centrifuges ne produisent pas assez d'aspiration pour fonctionner dans un puits profond.

Envisagez une pompe centrifuge pour un puits abyssin s'il est foré à une profondeur maximale de 10 mètres.

Prix ​​de la pompe centrifuge de surface :

Puits abyssin à faire soi-même: tout sur le dispositif indépendant d'un puits à aiguilles

Aiguille de puits en acier inoxydable

Le filtre du puits abyssin avec des tuyaux métalliques peut être fabriqué indépendamment. Mais sans les compétences nécessaires pour travailler le métal, il est moins cher d'acheter du prêt à l'emploi.

Lire aussi :  Systèmes split Midea : TOP-10 des meilleurs modèles + recommandations pour le choix des équipements

Puits abyssin à faire soi-même: tout sur le dispositif indépendant d'un puits à aiguilles

Le filtre est la base de la source : une pointe de bonne qualité pour un puits abyssin donne un débit normal. La perforation représente 30% de la surface du tuyau, pas moins d'un mètre de longueur. Le diamètre extérieur minimum des tuyaux est de 34 mm.

  1. La capacité du puits est augmentée en enroulant le cadre perforé avec du fil en spirale avec un retrait de 1 centimètre. Cela augmente le flux de fluide vers la perforation.
  2. D'en haut, l'aiguille du puits est enveloppée d'un réseau de tissage de galon. Nous soudons la grille avec de l'étain, le plomb n'est pas bon. La tâche de la grille est de retenir le sable fin.
  3. Au-dessus du maillage, nous tressons le puits avec un fil avec un retrait de 5 à 10 millimètres. Cela créera un espace entre le sol et la paroi de l'aiguille lorsqu'elle sera enfoncée dans le porteur d'eau.

Le cadre, le treillis et le fil de bobinage doivent être en acier inoxydable. Le cuivre, le laiton et la galvanisation deviendront rapidement inutilisables. Le filtre, en acier inoxydable, contient un autre avantage : il peut résister au lavage à l'acide. Tout élément filtrant formera une croûte après quelques années, et une aiguille avec des eaux glandulaires se bouchera trois fois plus vite. Ensuite, il faudra laver l'Abyssin avec des réactifs chimiques.

Filtre plastique pour puits Abyssin

Il est beaucoup plus facile de fabriquer un filtre de forage en tuyaux de polypropylène. Les tuyaux et les filtres en HDPE (nPVC) fonctionnent depuis plus de 50 ans et ne poussent pas trop.

Vidéo comment fabriquer soi-même un filtre en plastique pour le puits abyssin:

Perceuse à main pour la première couche

Une tarière pour un puits abyssin sera nécessaire pour passer les premiers mètres de terre. Il sera difficile de forer tout le puits avec une perceuse, il sera difficile de tirer la tarière du sol à une profondeur de 2 mètres. Et faire un trépied de levage avec un treuil pour l'Abyssin n'est pas pratique.

De plus, une couche de sable commence à une profondeur dans laquelle il vaut mieux enfoncer une aiguille que d'enlever le sable avec une tarière.

Les murs de sable ne sont pas solides et commencent à s'effriter à l'intérieur du tronc.

Une bavure peut être fabriquée à partir d'un exercice de jardin ou de pêche. Pour ce faire, vous devez augmenter la tarière avec des sections supplémentaires de tubes jusqu'à une longueur de 2 mètres.

Si la couche de sable commence plus près de la surface, le foret n'a pas besoin d'être rallongé.

Le prix d'une perceuse de jardin sur Yandex Market :

Puits abyssin à faire soi-même: tout sur le dispositif indépendant d'un puits à aiguilles

Set pour un puits une aiguille

Pour l'auto-forage, ils vendent un kit prêt à l'emploi pour le puits abyssin.

Puits abyssin à faire soi-même: tout sur le dispositif indépendant d'un puits à aiguilles

L'ensemble comprend :

  1. Le filtre est une aiguille.
  2. Accouplements, pour la fixation des profilés.
  3. Tubes filetés.

Le prix du kit dépend du nombre et du diamètre des tuyaux. Les tuyaux métalliques sont en acier inoxydable ou galvanisés. Les kits en acier inoxydable sont 10 à 20 % plus chers que les kits galvanisés.

Critères de choix d'un puits abyssin

Tout habitant de la campagne, avant de se lancer dans la construction d'un puits abyssin, doit se renseigner s'il lui convient. Après tout, l'Abyssin est un puits peu profond (jusqu'à environ 10 m) et il est placé dans du sable arrosé de grandes et moyennes fractions.Si la couche aquifère est plus basse, par exemple à une profondeur de 12 à 15 m, vous devez alors réfléchir attentivement à l'opportunité de créer un «igloo». La raison en est qu'une station de pompage auto-amorçante ne soulèvera pas l'eau à travers un tuyau si la distance entre le sommet du puits et la surface de l'eau dépasse 8-9 m.

Puits abyssin à faire soi-même: tout sur le dispositif indépendant d'un puits à aiguilles
Maximum profondeur de prise d'eau spécifié dans les caractéristiques techniques de la station de pompage.

L'une des options pour résoudre le problème d'un aquifère plus profond peut être la construction d'un Abyssin et l'installation d'une station de pompage dans le sous-sol, le sous-sol ou le puits.

Puits abyssin à faire soi-même: tout sur le dispositif indépendant d'un puits à aiguilles

Utilisateur Alexandre

j'ai un puits a été creusé dans la région 15 anneaux, mais pas beaucoup d'eau. En fait, le niveau n'est maintenu que sur la dernière sonnerie. Cela représente environ 500 litres, ce qui est totalement insuffisant pour l'approvisionnement normal d'une famille nombreuse. Je ne veux pas approfondir le puits avec des anneaux de réparation. Je pense marquer un Abyssin en plein dans le puits. La question est, est-ce une idée de travail ou non?

Dans une telle situation, afin de ne pas gaspiller d'argent, vous devez agir selon l'algorithme suivant :

  1. Nous apprenons le débit et la profondeur des puits voisins.
  2. Nous découvrons si les puits ont été forés dans du sable ou du calcaire.

S'il reste environ 5 à 7 m sur le sable et jusqu'à la couche de sable aquifère, vous pouvez essayer de marteler «l'aiguille». Si le sable est inférieur à 10 m, la pompe ne pourra pas soulever l'eau d'une telle profondeur.

Puits abyssin à faire soi-même: tout sur le dispositif indépendant d'un puits à aiguilles

De plus, il faut tenir compte du fait que si la pompe est placée dans un puits au-dessus d'une surface d'eau, en cas de fluctuations saisonnières du niveau, la station peut être inondée. Deuxièmement, s'il est nécessaire d'entretenir la pompe et «l'aiguille», par exemple en aérant l'Abyssin, vous devrez monter dans le puits pour éliminer le problème.

Par conséquent, s'il n'y a pas assez d'eau dans le puits, mais qu'au moins un anneau est collecté pendant la nuit, il est logique d'approfondir la source de 1 à 2 m supplémentaires.Par exemple, en utilisant au lieu d'anneaux de réparation un tuyau en plastique HDPE avec une épaisseur de paroi de 6-8 mm, le diamètre souhaité et avec des raidisseurs. Cela n'a pas non plus de sens d'installer l'Abyssin dans de l'argile ou dans des couches solides de sol, "l'aiguille" ne fonctionnera tout simplement pas.

Puits abyssin à faire soi-même: tout sur le dispositif indépendant d'un puits à aiguilles
Par conséquent, nous découvrons d'abord quel type de sol se trouve sur le site, et ce n'est qu'ensuite que nous choisissons la source d'approvisionnement en eau.

Vous pouvez vous renseigner sur la structure du sol et la profondeur de l'aquifère en demandant aux voisins qui ont des puits: à quelle profondeur se trouve l'eau de la surface et y a-t-il eu des problèmes lors du creusement. Par exemple, les travailleurs se sont heurtés à une épaisse couche d'argile ou à des sables mouvants. Un indice peut être la large répartition des Abyssins actifs dans un village ou un village.

La deuxième façon consiste à effectuer des forages exploratoires, par exemple, pour connaître le type de sol et choisir la conception de la fondation. Les résultats peuvent en dire long sur la possibilité Construction d'un puits abyssin.

Utilisateur dmp-best

Je veux faire un puits abyssin sur le site. La question est de savoir si cela me conviendra si le sol sur le site est le suivant.

Puits abyssin à faire soi-même: tout sur le dispositif indépendant d'un puits à aiguilles

Comme le montre le passeport du forage, du sable de taille moyenne saturé d'eau se trouve à une profondeur de dix mètres. Ceux. la meilleure option pour «l'aiguille», mais à une profondeur de 4,5 m, il y a du sable fin saturé d'eau avec des inclusions de gravier. Et le gravier et les pierres sont un obstacle sérieux au colmatage du puits abyssin, car. la pointe de «l'aiguille» peut se casser, la maille du filtre peut être décollée, les tuyaux se plieront ou les raccords éclateront. La solution consiste à percer une "aiguille".

Avantages et inconvénients du puits abyssin

En commençant l'arrangement d'une aiguille bien, il est important de considérer tous ses avantages et inconvénients

Avantages bien

Les propriétés positives des puits comprennent:

  1. Facilité d'organisation de vos propres mains.
  2. Polyvalence et praticité.
  3. Petites dimensions.
  4. Facilité de réparation et entretien programmé.
  5. Mobilité.

Il ne faudra pas plus d'une journée pour organiser un ouvrage hydraulique. La préparation de l'équipement et le processus de forage ne nécessitent pas d'assistance extérieure. Dans le même temps, si pendant la conduite vous rencontrez un pavé ou une autre roche dure, vous pouvez rapidement démonter l'appareil et le déplacer vers une zone plus favorable.

Bien Inconvénients

Les principaux inconvénients de l'équipement sont les suivants :

  1. Faible débit par rapport à un puits traditionnel.
  2. Perte de productivité pendant la saison sèche.
  3. Probabilité de collision avec des obstacles.

Si vous devez raccorder une maison dans laquelle vit une famille nombreuse à l'approvisionnement en eau, l'option puits à aiguilles ne convient pas. Cependant, un tel puits constituera un bon système auxiliaire, fournissant une quantité suffisante de fluide pour les besoins techniques.

Que considérer avant de prendre une décision ?

L'aménagement du puits abyssin n'est possible sur aucun territoire.

Obstacles potentiels

Puits abyssin à faire soi-même: tout sur le dispositif indépendant d'un puits à aiguilles

Les restrictions concernent le type de sol, la profondeur de l'aquifère dans une zone particulière, la qualité et la quantité d'eau.

  1. Le sol du site est la première pierre d'achoppement possible. Faire un puits abyssin n'est pas difficile si le sol est sablonneux - léger et souple. Travailler avec un sol argileux semble complètement différent, cela demandera déjà des efforts considérables. La pire option est une zone rocheuse pleine de gros rochers. Dans ce cas, afin de sauver les cellules nerveuses, il vaut mieux abandonner immédiatement cette idée.
  2. Le premier aquifère est un autre obstacle potentiel. La profondeur de cette formation ne doit pas dépasser 8 m.Sinon, il sera très difficile de faire remonter l'eau, une pompe puissante sera nécessaire, et cette opération dépassera la puissance d'un appareil manuel. Par conséquent, dans un premier temps, il est préférable que le propriétaire du site demande aux voisins quelle est la profondeur de l'horizon dans cette zone. Ou vérifiez-le vous-même - à l'aide d'une corde avec une charge et du puits de quelqu'un d'autre.
  3. Conformité de l'eau aux normes sanitaires. Avant de planifier la construction de "l'Abyssin", vous devez vous assurer de la qualité de l'eau. Le premier aquifère est la couche la plus vulnérable. Il peut être gâché par des puisards construits avec négligence dans le quartier, des usines voisines, des usines, des nitrates et des pesticides, qui sont généreusement saupoudrés sur les champs. Par conséquent, il est préférable de prélever un échantillon prélevé dans des puits voisins à la fin du printemps pour une analyse bactériologique et chimique au SES.
  4. Bon débit. Il s'agit du volume d'eau maximal reçu du puits par heure. Cet indicateur ne dépend que de la saturation de l'aquifère. Le volume possible est de 0,5 à 4 m3 par heure, mais des chiffres spécifiques peuvent être trouvés dans un cas - si les voisins ont déjà construit une structure abyssine similaire.
Lire aussi :  Lave-vaisselle encastrables Bosch (Bosch) 60 cm : TOP des meilleurs modèles du marché

Puits abyssin à faire soi-même: tout sur le dispositif indépendant d'un puits à aiguilles

Si tous les contrôles ont donné un résultat positif, nous pouvons supposer qu'il n'y a pas de "contre-indications" sérieuses à l'installation d'une aiguille abyssine.

"Activité amateur" hydrogéologique

Dans certains cas, des difficultés surgissent pour déterminer la distance entre l'horizon de l'eau et la surface. Pour comprendre si le site convient à un puits abyssin, il suffit réaliser en toute autonomie de petits travaux hydrogéologiques - explorez soigneusement la région.

Le territoire est adapté à une structure « éthiopienne » si :

  • il est situé dans la plaine;
  • des plantes qui aiment l'humidité avec des racines profondes s'y sont installées (par exemple, ortie, bardane, tussilage, roseau, houblon);
  • à moins de 500 m, des sources d'eau potable ont été trouvées - barils, sources ou étangs clés, sources.

Puits abyssin à faire soi-même: tout sur le dispositif indépendant d'un puits à aiguilles

Fabrication d'un filtre pour un puits abyssin

La durée du puits et la qualité de l'eau fournie au site dépendent largement de caractéristiques techniques du filtre et technologies caractéristiques de sa fabrication. Ceci est particulièrement important lorsque la qualité de la source d'eau dans le sol est faible.

L'appareil a les exigences suivantes :

  • le fouet doit avoir une pointe en acier faite d'un matériau solide et fixée par filetage ou soudure;
  • la base du cône attaché au tuyau doit être supérieure à la dimension extérieure du tuyau de l'épaisseur du filtre + 10 mm pour assurer le maintien de son intégrité ;

Au bas du tuyau, un élément structurel est créé pour l'admission et la filtration de l'eau de l'aquifère. Pour ce faire, en vous éloignant de 0,5 m de l'extrémité, percez un système de trous d'un diamètre de 6 à 10 mm en damier avec un pas de 50 mm. La hauteur totale de la partie d'admission peut varier entre 0,5 et 1,0 m.

Noter! Pour augmenter le degré de purification de l'eau à partir d'inclusions solides, dont la taille est par ailleurs supposée égale à deux fois la valeur de la section transversale de la perforation, il est nécessaire de réaliser un élément filtrant. Le filtre peut être une maille fixe en acier inoxydable avec une cellule de 2 mm (une section plus petite peut rapidement s'envaser) et/ou un fil enroulé avec un revêtement anti-corrosion ou une conception avec un pas de spires approprié ;

Le filtre peut être une maille fixe en acier inoxydable avec une cellule de 2 mm (une section plus petite peut rapidement s'envaser) et/ou un fil enroulé avec un revêtement anti-corrosion ou une conception avec un pas de spires approprié ;

L'élément filtrant est fixé avec des fils torsadés ou par soudure à l'aide de soudure à l'étain qui ne contient pas de plomb, qui peut empoisonner l'eau.

La section préparée du tuyau est enveloppée d'un fil d'acier inoxydable d'un diamètre de 1,5 mm sous la forme d'un enroulement en spirale, en essayant de ne pas fermer les trous du tuyau. Un treillis en acier inoxydable avec des trous de petit diamètre est enroulé sur le fil en deux couches, qui est fixé au tuyau avec des colliers.

Puits abyssin à faire soi-même: tout sur le dispositif indépendant d'un puits à aiguillesLe maillage ou le fil sur le filtre "aiguille" retient le sable et l'eau déjà purifiée pénètre dans le tuyau.

Afin d'offrir une meilleure filtration et de réduire la taille des suspensions dans l'eau, un ruban géotextile est enroulé sur le treillis d'acier, qui est également fixé avec des pinces. La figure montre les étapes de fabrication d'un filtre sur un dispositif de tuyau en acier.

Puits abyssin à faire soi-même: tout sur le dispositif indépendant d'un puits à aiguillesFiltre de puits abyssin: en haut - un tuyau percé de trous; au centre - un tuyau avec des trous et un fil de bobinage; ci-dessous - un tuyau avec des trous, du fil et du treillis.

De plus, après avoir installé le puits en acier à la profondeur requise, correspondant à la présence de l'aquifère, un tuyau en plastique peut être placé à l'intérieur du tuyau, équipé d'un filtre similaire à celui décrit ci-dessus. Cela garantira la haute qualité de l'eau obtenue du puits Abyssin et le fonctionnement ininterrompu à long terme de l'appareil.

Puits d'Ethiopie - commencer la construction

Une aiguille de puits est une colonne de forage enterrée dans le sol le long technologies de forage à percussion sans l'utilisation d'un tubage.Cette technique n'est presque jamais utilisée dans le forage professionnel. Mais pour créer de vos propres mains un point de prise d'eau de chalet d'été, c'est l'idéal.

L'essentiel de ce travail est le suivant. Vous devez percer le sol à l'aide de tuyaux d'une section d'environ 1 à 1,5 pouces jusqu'à la profondeur de la couche d'eau. Pour ce faire, fixez une pointe fine à l'extrémité du tubulaire. C'est grâce à un dispositif aussi simple qu'une aiguille de puits est créée.

Puits abyssin à faire soi-même: tout sur le dispositif indépendant d'un puits à aiguilles

Pointe fine attachée au tuyau

Pour équiper un puits abyssin, vous aurez besoin d'un ensemble de tuyaux différents (il n'est pas nécessaire d'acheter des produits neufs, ceux déjà utilisés conviennent tout à fait), un poste à souder, une masse, une perceuse de jardin, un treillis de galon en inox, un fil avec une section d'environ 0,25 mm, un marteau, des pinces, une perceuse, une meuleuse, une pompe fonctionnant sur le principe de la création d'un vide, des raccords spéciaux.

De vos propres mains, vous faites un puits selon l'algorithme ci-dessous. Tout d'abord, prenez une perceuse de jardin ordinaire et utilisez des tuyaux d'un demi-pouce de 1 à 2 m de long pour la construire. Expliquons ce que signifie cette opération. Vous devez utiliser des boulons et des raccords fabriqués à partir de tuyaux de 3/4 de pouce pour créer une conception spéciale. Et puis attachez-le à la perceuse.

La structure des tuyaux doit être aussi serrée que possible. Si cette recommandation n'est pas suivie, la conception ne pourra pas remplir sa tâche. L'étanchéité requise des joints des tuyaux est obtenue en les scellant avec de la peinture (huile), des composés de silicone, du lin sanitaire.

À la fin de la conception maison, installez un filtre spécial en forme d'aiguille.Il rend l'eau produite propre, protège le puits de l'envasement et aide la foreuse à traverser le sol. Il est souhaitable de fabriquer le filtre à partir de sections de tuyaux qui ont été utilisées pour créer la structure. Alors entre ses éléments il n'y aura pas de réaction de corrosion électrochimique.

Dans la section suivante, nous expliquons en détail comment fabriquer un filtre pour le puits abyssin. Étudiez-le attentivement.

Évaluation
Site sur la plomberie

Nous vous conseillons de lire

Où remplir la poudre dans la machine à laver et combien de poudre verser