- Types de poêles artisanaux en développement
- L'appareil et les inconvénients d'un poêle à ventre de type ouvert
- Avantages et inconvénients d'un compte-gouttes
- Fours solaires pour le garage
- Comment fonctionne une chaudière à mazout ?
- Connexion de la structure dans le bain
- Inconvénients du four dans l'exploitation minière
- Assemblage de l'échangeur de chaleur
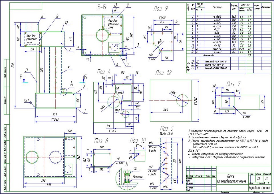
- Matériaux et outils nécessaires
- Conception de four sous pression
- Types de fournaises pour le garage
- D'une bouteille de gaz ou d'un tuyau
- Conception à combustion longue du bois
- Huile sur les fourneaux miniers et diesel
- Le principe de fonctionnement de l'appareil
- Comment faire un poêle à ventre en acier
- Séquence de fabrication
- Astuces utiles
- Fabrication de boîtiers
- 4 conseils utiles
- brique chaude
- Comment faire un four goutte à goutte à partir d'un cylindre
Types de poêles artisanaux en développement
L'huile moteur contaminée par des impuretés ne s'enflamme pas d'elle-même. Par conséquent, le principe de fonctionnement de tout poêle à mazout est basé sur la décomposition thermique du combustible - la pyrolyse. En termes simples, pour obtenir de la chaleur, l'exploitation minière doit être chauffée, évaporée et brûlée dans le fourneau, fournissant un excès d'air. Il existe 3 types d'appareils où ce principe est mis en œuvre de différentes manières :
- La conception la plus simple et la plus populaire de la combustion directe avec post-combustion des vapeurs d'huile dans un tuyau perforé de type ouvert (le soi-disant poêle miracle).
- Four d'égouttement d'huile usagée avec post-combustion fermée ;
- Brûleur Babington. Comment cela fonctionne et comment le fabriquer vous-même est décrit en détail dans notre autre publication.
L'efficacité des poêles chauffants est faible et s'élève au maximum à 70 %. A noter que les frais de chauffage indiqués en début d'article sont calculés sur la base de générateurs de chaleur d'usine avec un rendement de 85% (pour un tableau complet et un comparatif du mazout avec du bois de chauffage, vous pouvez vous rendre ici). En conséquence, la consommation de carburant dans les appareils de chauffage faits maison est beaucoup plus élevée - de 0,8 à 1,5 litre par heure contre 0,7 litre pour les chaudières diesel par 100 m² de surface. Considérez ce fait en reprenant la fabrication du four pour les tests.
L'appareil et les inconvénients d'un poêle à ventre de type ouvert
Le foyer à pyrolyse présenté sur la photo est un récipient cylindrique ou carré, rempli au quart d'huile usée ou de gasoil et équipé d'un volet d'air. Un tuyau percé de trous est soudé sur le dessus, à travers lequel l'air secondaire est aspiré en raison du tirage de la cheminée. Encore plus haut se trouve la chambre de postcombustion avec un déflecteur pour évacuer la chaleur des produits de combustion.
Le principe de fonctionnement est le suivant: le combustible doit être enflammé à l'aide d'un liquide inflammable, après quoi l'évaporation de l'exploitation minière et sa combustion primaire commenceront, provoquant une pyrolyse. Les gaz combustibles, pénétrant dans un tuyau perforé, s'enflamment au contact d'un courant d'oxygène et sont complètement brûlés. L'intensité de la flamme dans le foyer est régulée par un volet d'air.
Ce réchaud minier n'a que deux avantages : simplicité à faible coût et indépendance vis-à-vis de l'électricité. Le reste sont des inconvénients solides:
- un tirage naturel stable est requis pour le fonctionnement, sans cela, l'unité commence à fumer dans la pièce et à s'estomper ;
- l'eau ou l'antigel qui pénètre dans l'huile provoque des mini-explosions dans le foyer, ce qui provoque des éclaboussures de gouttes de feu de la postcombustion dans toutes les directions et le propriétaire doit éteindre le feu ;
- consommation de carburant élevée - jusqu'à 2 l / h avec un mauvais transfert de chaleur (la part du lion de l'énergie vole dans le tuyau);
- le boîtier monobloc est difficile à nettoyer de la suie.
Bien qu'extérieurement les poêles à ventre diffèrent, mais ils fonctionnent selon le même principe, sur la photo de droite, les vapeurs de carburant brûlent à l'intérieur d'un poêle à bois
Certaines de ces lacunes peuvent être comblées à l'aide de solutions techniques efficaces, qui seront abordées ci-dessous. Pendant le fonctionnement, les règles de sécurité incendie doivent être suivies et l'huile usée doit être préparée - défendue et filtrée.
Avantages et inconvénients d'un compte-gouttes
La différence cardinale de ce four est la suivante :
- le tuyau perforé est placé à l'intérieur d'un boîtier en acier à partir d'une bouteille ou d'un tuyau de gaz ;
- le carburant pénètre dans la zone de combustion sous forme de gouttelettes tombant au fond du bol situé sous la postcombustion ;
- Pour augmenter l'efficacité, l'unité est équipée d'air forcé au moyen d'un ventilateur, comme indiqué sur le schéma.
Schéma d'un compte-gouttes avec une alimentation en carburant inférieure du réservoir de carburant par gravité
Le véritable inconvénient d'un réchaud goutte à goutte est la difficulté pour un débutant. Le fait est que vous ne pouvez pas vous fier entièrement aux dessins et aux calculs d'autres personnes, l'appareil de chauffage doit être fabriqué et réglé en fonction de vos conditions de fonctionnement et organiser correctement l'alimentation en carburant. Autrement dit, cela nécessitera des améliorations répétées.
La flamme chauffe le corps du corps de chauffe dans une zone autour du brûleur
Le deuxième point négatif est typique des poêles suralimentés.En eux, un jet de flamme frappe constamment un endroit du corps, c'est pourquoi ce dernier s'éteindra assez rapidement s'il n'est pas en métal épais ou en acier inoxydable. Mais les inconvénients listés sont plus que compensés par les avantages :
- L'unité fonctionne en toute sécurité, car la zone de combustion est entièrement recouverte d'un boîtier en fer.
- Consommation acceptable d'huile usée. En pratique, un poêle à ventre bien réglé avec un circuit d'eau brûle jusqu'à 1,5 litre en 1 heure pour chauffer 100 m² de surface.
- Il est possible d'envelopper le corps avec une chemise d'eau et de refaire le four pour le transformer en chaudière.
- L'alimentation en carburant et la puissance de l'unité peuvent être ajustées.
- Peu exigeant pour la hauteur de la cheminée et la facilité de nettoyage.
Chaudière à air sous pression brûlant de l'huile moteur et du carburant diesel usagés
Fours solaires pour le garage
Pour faire un four pas cher pour le chauffage de garage avec un rendement élevé, nous avons besoin de :
- Réservoir de carburant d'une capacité de 7 à 15 litres;
- Cylindre sans soudure à parois métalliques minces (15 cm ou moins);
- Tuyaux d'un diamètre de 10 cm et d'une épaisseur de paroi allant jusqu'à 2 mm. Leur longueur doit être d'au moins 4 mètres ;
- Tuyaux en cuivre pour le brûleur.
En ce qui concerne les outils - les poêles à carburant diesel pour le garage sont fabriqués à l'aide d'une meuleuse, d'une perceuse et de limes, de perceuses, d'un niveau. Il vous faudra également trouver un ruban à mesurer, des coins en acier (20 cm) et des électrodes. Une fois que tout cela est entre vos mains, vous pouvez commencer à assembler un four diesel de vos propres mains. Ce processus comprend les étapes suivantes - assistant :
- Évacue le condensat du cylindre et le rince plusieurs fois à l'eau (éliminant les résidus odorants) ;
- Remplir le récipient d'eau et l'enfoncer dans le sol (pour lui donner de la stabilité) ;
- Fait une incision sur le cylindre, attend que l'eau se vide complètement, après quoi il sépare enfin la partie supérieure du récipient de la partie inférieure;
- Soudures au bas des jambes à partir des coins.
L'étape suivante consiste à reproduire le schéma ci-dessus du four de garage. Vous pouvez effectuer des actions dans n'importe quel ordre
Il est seulement important de reproduire fidèlement ce dessin, tout le reste est secondaire.
Comment fonctionne une chaudière à mazout ?
En regardant les dessins d'un poêle à ventre pour un garage, peu de gens comprendront immédiatement quel est exactement le «travail» de cette unité. En fait, la physique est en tête ici, il n'y a pas de pièces mobiles ou de solutions de conception complexes dans la conception du poêle à ventre. C'est à la fois un plus et un moins. L'assembler de vos propres mains est assez simple, mais apporter des changements drastiques est extrêmement difficile.
En fait, tout est extrêmement simple. Il y a deux réservoirs qui sont reliés par un tuyau. Il a de nombreux trous (assez grands), qui sont situés à une distance de 2-3 cm les uns des autres. Dans l'élément inférieur se trouve "l'entraînement". L'huile y est versée, puis allumée (vous pouvez voir les détails sur la vidéo). Premièrement, la chaleur est déjà générée à ce stade, mais le suivant est beaucoup plus important. Les vapeurs d'huile chauffée montent à travers le tuyau de raccordement, où elles commencent à brûler, mais ce processus est particulièrement actif dans le réservoir supérieur.
Le poêle lui-même est assez compact - il ne sera pas difficile de le déplacer d'un endroit à un autre de vos propres mains, mais la cheminée doit être très longue. Tout le monde conseille de lui faire au moins 4 mètres de long. Ces exigences sont dues à ce qui suit : plus le tuyau est long, plus la poussée est forte. Cela signifie que les vapeurs brûleront plus activement, dégageant beaucoup de chaleur.
Un petit poêle à ventre est capable de chauffer une pièce d'une superficie d'au moins 50 mètres, si vous faites tout correctement et assemblez un poêle plus grand de vos propres mains, il est tout à fait possible d'espérer chauffer un assez grand zone (jusqu'à 100 "carrés"). La seule exigence est que la pièce soit exempte de cloisons, par exemple - un garage, un entrepôt, un atelier.
Coût et sources de pétrole
Comme nous l'avons dit plus tôt, la principale raison pour laquelle les poêles à ventre plat sont utilisés est le carburant bon marché. Certains sont sûrs que vous pouvez utiliser de l'huile qui vient d'être vidangée de la voiture. En fait, c'est dangereux - un tel combustible contient beaucoup d'impuretés étrangères, ce qui, au mieux, rendra le four moins efficace. Au pire, il peut exploser, éclaboussant tout autour d'huile brûlante. Parfois, vous avez de la chance et l'explosion s'avère faible - la structure est simplement «démontée», tandis que l'huile s'éteint.
Nous vous conseillons d'acheter du carburant de qualité auprès des fournisseurs qui raffinent l'huile recyclée et la revendent ensuite. Sous cette forme, il est peu coûteux - seulement 10 à 20 roubles par litre. Le prix varie considérablement selon la région où vous achetez du carburant, ainsi que la saison. En hiver, ils l'achètent beaucoup plus activement uniquement pour les ateliers de chauffage, les ateliers et les garages.
Connexion de la structure dans le bain
La conception du poêle comprend une partie de la cheminée avec de nombreux trous (généralement jusqu'à 50). Cette partie de l'unité s'appelle le brûleur. Dans un tel brûleur, les vapeurs d'huile sont mélangées à l'oxygène entrant dans la cheminée sous l'influence du tirage.En raison de leur mélange, le processus de combustion commence à être beaucoup plus propre et plus intense avec la libération d'une énorme quantité de chaleur.
La palette était fabriquée à partir d'un disque de frein automobile en fonte. La fonte a une bonne résistance à la chaleur, j'ai donc décidé de la prendre.

C'est à partir de ce disque que je ferai une palette
Fond soudé au fond.

Le cercle d'acier est le fond
J'ai soudé un couvercle sur le dessus. Vous pouvez y voir la contrepartie du brûleur et l'ouverture. L'air pénètre dans le poêle par l'ouverture. Je l'ai fait large - c'est mieux ainsi. Avec une ouverture étroite, le tirage d'air peut ne pas être assez fort pour empêcher l'huile de pénétrer dans le puisard.
Ensuite, j'ai fait un embrayage. Elle relie la casserole et le brûleur dans mon poêle. Avec un embrayage, l'entretien du poêle sera beaucoup plus facile. Si nécessaire, je peux retirer la casserole et nettoyer le brûleur par le bas.

Ensuite, j'ai fait un embrayage
Le raccord a été fabriqué à partir d'un tuyau de 10 centimètres, en le coupant simplement le long du bord longitudinal. Je n'ai pas soudé l'ouverture dans l'accouplement - cela n'est pas nécessaire.

L'ancêtre de ces poêles était connu de l'ancienne génération de kérogaz. Il différait considérablement des autres conceptions par sa sécurité et son efficacité. Étant donné que les vapeurs de carburant ont été brûlées dans une chambre spéciale, tout le volume n'a pas chauffé et n'a pas créé de danger d'inflammation et d'incendie.
Le principe de fonctionnement du four à huile usée est à peu près le même. Il se compose de deux conteneurs situés l'un au-dessus de l'autre, entre lesquels se trouve une chambre de combustion avec des trous pour l'admission d'air. L'exploitation minière est versée dans le réservoir inférieur, dont les vapeurs brûlent activement dans la chambre médiane, et les produits de combustion, la fumée et d'autres substances pénètrent dans la chambre supérieure reliée à la cheminée, d'où ils sont évacués naturellement.
La chaudière à eau chaude est située en haut du four. Il est fixe, a des robinets pour prendre l'eau dans le bain et pour démarrer le circuit de chauffage. Le hammam est chauffé à partir d'un mur de briques qui va à l'intérieur. Pour que l'effet soit maximal, il est nécessaire de rendre la distance entre le four et la boîte à briques assez petite pour réduire les pertes de chaleur, mais également suffisante pour que l'air pénètre.
Il existe une autre option pour fabriquer une structure pour l'exploitation minière, combinée à un four à briques. Seul le réservoir inférieur est fabriqué. La chambre de combustion a la forme d'un coude légèrement incurvé à 90°. Une plaque verticale est soudée à l'extrémité, qui communiquera avec la partie interne (four) d'un four à briques conventionnel. Les gaz chauds formés lors de la combustion de l'exploitation minière pénètrent dans le four à briques et le chauffent.
La conception ultérieure n'est pas différente de la conception habituelle: une chaudière à eau est installée, un circuit de chauffage à circulation naturelle ou forcée, des vannes d'arrêt, etc. sont connectés. Une telle option compacte est optimale pour ceux qui ont déjà un four fini et qui souhaitent uniquement l'adapter à la combustion minière.
La meilleure option : créer un circuit de chauffage fermé avec un mélangeur d'eau chaude. Le caloporteur est chauffé dans un échangeur de chaleur installé à l'intérieur de la chaudière ou, alternativement, sur la cheminée. Un tel système vous permet de couper le média de l'eau pour les besoins domestiques, de fournir une température plus uniforme dans le système et permet d'ajuster assez précisément la température dans les locaux.
La possibilité d'économiser de l'argent sur la zone la plus coûteuse est très attrayante pour tout propriétaire, et l'intégration de tous les éléments dans un seul système contribue à une gestion plus pratique et efficace du chauffage domestique. De plus, le processus de recyclage des huiles usées est difficile et la capacité de les brûler avec un maximum d'avantages sera la meilleure option pour traiter les substances inutiles.
Inconvénients du four dans l'exploitation minière

Fours en développement
Bien sûr, l'avantage de telles structures est important - le bon marché du carburant. Mais il y a aussi de nombreux inconvénients :
- pour assurer une combustion ininterrompue du four, un tirage constant et suffisamment fort est nécessaire
- risque d'incendie élevé (nous discuterons ci-dessous des règles de fonctionnement du four pendant l'exploitation minière)
- nettoyage fréquent de la suie: si vous fabriquez le corps en une seule pièce, après quelques mois, vous ne pourrez tout simplement plus utiliser le four - il commencera à fumer sans pitié
- consommation de carburant élevée - vous aurez besoin d'au moins 2 l / heure
- le transfert de chaleur des appareils n'est pas si important, la majeure partie de l'énergie, malheureusement, vole dans le tuyau
La plupart de ces défauts peuvent être atténués en améliorant la conception - en installant un ventilateur pour augmenter la température de combustion, un vase d'expansion, etc. Mais en raison des défauts énumérés, les fours sont principalement utilisés pour le chauffage temporaire des locaux techniques.
Même si vous fabriquez un poêle selon des dessins éprouvés, dans tous les cas, vous devrez vous en souvenir vous-même: ajustez la force de traction, la vitesse du ventilateur et le dosage du combustible. Cela ne vaut pas non plus la peine de faire tous les trous dans le tuyau de postcombustion tout de suite - faites d'abord les deux premiers inférieurs et percez le reste après l'installation complète.
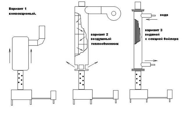
Assemblage de l'échangeur de chaleur
Est-ce que le poêle pour le chauffage de garage. Je n'ai pas de batteries à eau dans mon garage, j'ai donc décidé qu'il valait mieux chauffer et faire circuler l'air immédiatement. Si vous avez des batteries à eau, vous pouvez abandonner l'échangeur de chaleur à air et simplement faire passer 4 à 5 serpentins à eau dans la chambre supérieure, en les connectant en parallèle. Dans ce cas, la conception doit être complétée par une pompe de circulation et un ventilateur. Un tel équipement vous permettra de chauffer au moins toute la maison avec un poêle, il vous suffit d'allouer une pièce pour l'installation du poêle.
Assemblage de l'échangeur de chaleur
Revenons à mon échangeur de chaleur. Je l'ai installé entre la cheminée et le brûleur du poêle - ici la chaleur est la plus forte. Une plaque de fer a été soudée à l'échangeur de chaleur. Grâce à lui, la flamme sera mieux entretenue. Il contribuera également à la répartition du feu à l'intérieur du corps du poêle.
J'ai installé un tourbillon d'air à l'intérieur de l'échangeur de chaleur. Il n'y a pas de fioritures d'ingénierie dans un tel tourbillon, mais il fait face à sa tâche à cent pour cent. Lorsque vous travaillez à puissance maximale, le métal du boîtier est chauffé à une couleur écarlate et l'air d'échappement chauffé perce même à travers un gant. Vous pouvez voir le tourbillon lui-même sur la photo.
Je fais un tourbillonJe fais un tourbillonJe fais un tourbillonJe mets un tourbillon
Ensuite, j'ai pris un ventilateur de conduit et je l'ai placé sur un côté de l'échangeur de chaleur. À propos, un thermostat peut être connecté au ventilateur pour l'automatisation. Cela vous permettra de régler indépendamment la température et d'économiser des ressources. Par exemple, j'ai décidé d'utiliser un relais thermique d'Autonics - je l'avais juste inactif. Mais vous pouvez prendre un modèle budgétaire, par exemple, Vemer KLIMA. J'ai aussi essayé, ça marche très bien.
Fait un suralimentéVoici ce qui se passe
La chaleur est concentrée dans le compartiment foyer.
Matériaux et outils nécessaires
Pour fabriquer un poêle à ventre de vos propres mains, vous aurez besoin de:
- inventaire de soudage (ou toute autre machine à souder si vous avez une expérience pertinente);
- ciseau;
- chiffon doux (vous pouvez utiliser des chiffons);
- un marteau;
- papier de verre (à grain fin).
La liste des matériaux dépend de la capacité à partir de laquelle le poêle à ventre plat sera fabriqué. Il peut s'agir d'une bouteille de gaz ou d'un flacon de lait. Si vous avez une certaine expérience du métal, un poêle à ventre peut être fabriqué à partir de tôle. Cependant, vous devez absolument prendre soin de la disponibilité :
- briques réfractaires;
- tubes d'acier;
- fil métallique;
- grilles (dans certains cas, vous pouvez vous en passer);
- tuyau de branchement avec une girouette;
- charnières de porte.
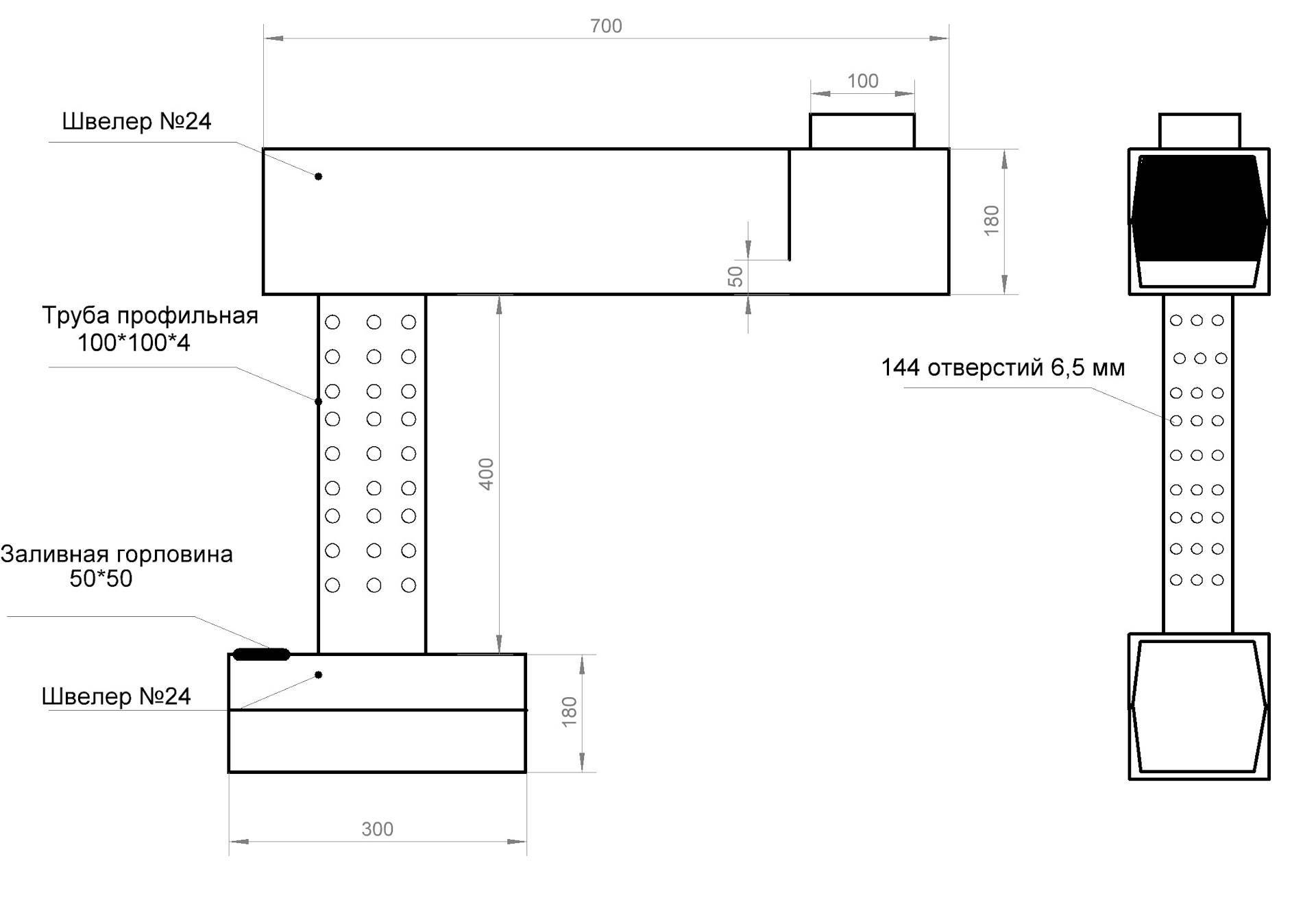
Conception de four sous pression

Dessin de structure d'un four sous pression
Une telle unité est considérée comme plus sûre - après tout, la zone de combustion qu'elle contient est complètement fermée. La méthode de pressurisation aide à réduire la consommation de carburant - il ne faudra pas deux, mais un litre et demi par heure. De plus, la puissance d'un tel four peut être facilement ajustée. L'appareil est également moins exigeant sur la hauteur de la cheminée. Et oui, vous n'avez pas à le nettoyer aussi souvent.
En tant que ventilateur, vous pouvez utiliser l'ancienne voiture VAZ 2108. Un analogue chinois convient également. Vous pouvez régler la vitesse du ventilateur avec un contrôleur PWM peu coûteux.
Le seul inconvénient du four minier suralimenté est peut-être la forte combustion du métal à l'endroit où le jet de flamme dévie
Mais pour une structure pliable, ce n'est pas si important - une tôle brûlée peut être facilement remplacée

Projets de maisons de campagne pour 6 à 10 acres : 120 photos, description et exigences | Les idées les plus intéressantes
Types de fournaises pour le garage
En vente, vous pouvez trouver des appareils à gaz et électriques, ils sont efficaces, mais coûteux, nécessitent un ravitaillement régulier et une manipulation soigneuse. Les options les plus populaires utilisent l'énergie de la combustion du bois, du carburant diesel ou de l'huile usée.
D'une bouteille de gaz ou d'un tuyau

L'option est attrayante pour sa facilité de fabrication. Disposés verticalement, ces fours sont très compacts. Une bouteille de gaz peut être trouvée dans une décharge ou un point de collecte de métaux, après quoi elle se transforme facilement en poêle.
La conception du four peut être verticale et horizontale. La première option est plus compacte, dans le second cas, il est plus pratique d'empiler du bois de chauffage long. Épaisseur de paroi - pas moins de 3 mm, meilleur - 5-6 mm.
La cheminée ne doit pas non plus être trop fine. Un tel poêle servira très longtemps et peut être chauffé avec des déchets de bois, des panneaux de particules, de la sciure de bois, des pellets, du charbon.
Vous pouvez utiliser un système de deux barils situés l'un dans l'autre, l'espace entre eux est rempli de cailloux ou de sable. La structure chauffe plus longtemps, mais elle dégage une chaleur uniforme et ne refroidit pas longtemps. En général, il n'y a pas de norme pour la fabrication d'un poêle à bois conventionnel.
L'essentiel est de suivre des règles simples: utilisez une paroi en acier épaisse, un foyer et un ventilateur, des grilles pour améliorer la combustion et un tuyau d'échappement d'au moins 10 centimètres de diamètre.
Avantages des poêles à bois :
- facilité d'utilisation;
- faible coût de l'appareil lui-même et du carburant pour celui-ci;
- installé sans fondation dans n'importe quel endroit approprié;
- haute efficacité et chauffage très rapide du garage;
- peut être utilisé pour cuisiner.
Conception à combustion longue du bois
Afin de ne pas jeter souvent de bois de chauffage dans la chambre de combustion, des poêles à accès d'air limité à la zone de combustion ont été inventés, de tels appareils peuvent fonctionner jusqu'à 12 heures dans une station-service. La même bouteille de gaz est utilisée comme corps.

Photo 1. Poêle fait maison dans le garage, travaillant sur du bois, sur lequel il convient de chauffer des plats, par exemple une bouilloire.
La combustion va de haut en bas sous l'action de la charge, entraînant la combustion du bois de chauffage lui-même et des gaz de pyrolyse formés lors du chauffage. L'efficacité d'un tel poêle est élevée et le bois de chauffage qu'il contient brûle presque sans résidus.
Huile sur les fourneaux miniers et diesel
L'idée d'utiliser de l'huile moteur ancienne a conduit au développement d'un appareil capable de la brûler en dégageant une grande quantité de chaleur.
Plus bas le récipient de l'appareil sert de réservoir pour carburant, et le processus de combustion principal se produit dans la moitié supérieure, de sorte que son épaisseur de paroi doit être plus élevée. La température de chauffage peut atteindre 850–900 °C.

Photo 2. Four à l'huile dans le garage. L'appareil est de petite taille, avec de bonnes propriétés de dissipation thermique et sans suie.
Avantages de l'utilisation du minage :
- disponibilité du carburant ;
- absence de fumée et de suie dans le processus de combustion ;
- sécurité et respect de l'environnement, seules les vapeurs d'huile brûlent;
- compacité;
- bonne dissipation thermique.
Important! La cheminée doit mesurer jusqu'à 4 mètres de haut pour assurer un bon tirage et un fonctionnement stable. La conception de la fournaise alimentée au diesel est similaire à celle de l'unité fonctionnant dans les mines. La conception du four pour le carburant diesel est similaire à l'unité fonctionnant dans l'exploitation minière
La conception de la fournaise alimentée au diesel est similaire à celle de l'unité fonctionnant dans les mines.

Pour augmenter l'efficacité, de simples buses peuvent être utilisées au bas du brûleur.
Ces fours sont utilisés:
- diesel ou mazout;
- essence;
- kérosène;
- transformateur, huile de machine.
Le principe de fonctionnement de l'appareil
La combustion du combustible dans un poêle à ventre pendant le traitement se déroule en deux étapes principales. Initialement, l'huile remplie brûle dans le réservoir, après quoi les gaz se mélangent à l'air, pénètrent dans la deuxième chambre, où ils sont brûlés et fournissent l'efficacité de chauffage maximale possible de la pièce. Dans le même temps, la consommation de carburant est considérablement réduite et la nécessité de faire le plein en permanence de l'unité disparaît.
Un poêle à ventre bien assemblé dans l'huile se composera de deux compartiments séparés. La première chambre est un petit réservoir où l'huile usée est versée. La combustion du carburant se produit à une température relativement basse. Ci-dessus se trouve une post-combustion, où le gaz résultant est mélangé à de l'air et brûle à une température d'environ 800 degrés. Les parois métalliques du poêle à ventre chauffent et le métal épais retient efficacement la chaleur, chauffant rapidement une petite pièce.
Dans ce vidéo tu sauras informations utiles dans la fabrication de poêles à ventre:
Comment faire un poêle à ventre en acier
Poêle à ventre plat de type convection.
Si vous avez besoin de chauffer une maison à la campagne et de cuisiner, vous devez absolument savoir comment souder vous-même un poêle à ventre en tôle d'acier. Cette conception ne nécessitera pas beaucoup de carburant. Ceci est réalisé grâce à l'installation de cloisons dans le four, à une fixation fiable des portes et à la possibilité de régler le débit d'air.Pour fabriquer un tel appareil de vos propres mains, vous devrez préparer les éléments suivants:
- tôle d'une épaisseur de 4 mm ou plus;
- métal d'une épaisseur de 8 à 12 mm, à partir duquel des cloisons seront fabriquées;
- treillis;
- cheminée;
- coins à partir desquels les jambes seront construites;
- appareil de soudage.
Séquence de fabrication
Dans la tôle d'acier, la première étape consiste à découper les éléments pour le corps et plusieurs cloisons qui seront montées sur le dessus du foyer. Ils pourront créer un labyrinthe pour la fumée, ce qui augmentera l'efficacité du poêle. Dans la partie supérieure, vous pouvez faire un évidement pour la structure de la cheminée. Le diamètre d'évidement recommandé est de 100 mm. Ensuite, vous devrez faire un évidement pour la table de cuisson d'un diamètre de 140 mm.
Poêle poêle à ventre en tôle d'acier.
À l'aide d'un appareil de soudage, vous devez fixer les éléments latéraux au bas de la structure. Aux parois latérales, vous devrez fixer des bandes de métal de grande épaisseur. En conséquence, il sera possible de fixer la grille. Il peut s'agir d'une tôle avec des évidements d'un diamètre d'environ 20 mm. Le treillis peut être constitué de barres de renforcement. À l'étape suivante, les éléments de support d'une bande métallique doivent être fixés aux parois latérales. Après cela, l'installation des partitions est effectuée.
Les portes du foyer et du cendrier doivent être découpées dans du métal. Ils peuvent être installés sur des charnières ordinaires. Cependant, une option plus fiable est utilisation de rideaux en tubes d'acier et des tiges. Ils peuvent être fixés sur des tas de coins. Les éléments sont coupés de Tôle d'acier inoxydablepuis fixé avec des boulons.Afin de pouvoir régler l'intensité de la combustion du carburant, sur la porte qui ferme le cendrier, il est nécessaire de faire un évidement pour le montage de l'amortisseur.
À l'évidement de la structure de la cheminée, vous devez fixer un manchon de 200 mm de haut, sur lequel le tuyau sera monté. Un amortisseur dans le tube aidera à garder la chaleur à l'intérieur. Pour elle, il faudra découper un cercle dans une tôle. Une partie extrême de la tige d'acier doit être pliée. Après cela, plusieurs trous parallèles devront être faits dans le tube. Ensuite, une tige est montée, après quoi un amortisseur rond y est soudé.
Schéma d'une clôture en briques pour un poêle à ventre plat.
Le conduit de fumée doit être installé à un angle de 45°. Si elle traverse un renfoncement dans le mur, à cet endroit, la pièce doit être enveloppée de fibre de verre, puis fixée avec un mélange de ciment.
Pour éviter l'apparition de brûlures en touchant un poêle chaud, il sera nécessaire de construire un écran de protection en acier de plusieurs côtés et de le placer à une distance de 50 mm. Si l'on souhaite augmenter le coefficient de transfert de chaleur, la structure peut être recouverte de briques. Une fois la chambre de combustion terminée, la brique chauffera la maison pendant un certain temps. La pose doit être effectuée à une distance de 12 cm du corps métallique.
Le coussin d'air peut devenir une protection contre la chaleur.
Pour sa mise en œuvre, des trous pour la ventilation doivent être pratiqués dans la maçonnerie au-dessus et au-dessous.
Astuces utiles
Le poêle à ventre plat sera facile à utiliser si vous suivez les recommandations d'experts :
- Pour vérifier la qualité des joints soudés, le premier allumage est effectué dans la rue.
- Pour assurer l'étanchéité, la cheminée passant à l'intérieur du garage est constituée d'un tuyau entièrement soudé sans tronçons horizontaux.
- À côté du poêle, il devrait y avoir une boîte de sable et un extincteur.
- Les endroits où le tuyau de cheminée traverse le mur ou le plafond sont isolés avec un matériau réfractaire.
- Un écran en brique disposé sur 3 côtés du poêle protégera contre les brûlures accidentelles et retiendra la chaleur après que le combustible ait brûlé. La distance entre celui-ci et les parois du poêle à ventre doit être de 5 à 7 cm.
Malgré la simplicité de l'appareil, un poêle à ventre est considéré comme le moyen le plus fiable et le moins cher de chauffer un garage. Dans un tel four, même les ordures peuvent être brûlées. Lors du choix, gardez à l'esprit que les structures horizontales durent plus longtemps que les verticales.
Fabrication de boîtiers
De ce ballon je ferai un poêle
J'ai utilisé une bouteille usagée. Il n'y avait plus de gaz dedans, mais juste au cas où, j'ai ouvert le robinet et laissé la bouteille dehors pour la nuit.
Ensuite, j'ai soigneusement et lentement percé un trou au fond du cylindre. Pour éviter les étincelles, j'ai pré-humidifié la perceuse avec de l'huile
Trou
Ensuite, j'ai rempli la bouteille d'eau et je l'ai vidangée - cela a éliminé le gaz restant. Travaillez avec précaution, essayez de ne pas renverser de condensat de gaz, car. ça pue très fort et très longtemps.
Ensuite, j'ai coupé quelques ouvertures. Dans l'ouverture supérieure, je ferai une chambre de combustion et placerai un échangeur de chaleur, dans la partie inférieure, il y aura un brûleur avec un plateau. La chambre au sommet est spécialement conçue si grande que, si nécessaire, elle peut être chauffée avec du bois de chauffage, des briquettes pressées, etc.
Montrant comment j'ai coupé un ballon Montrant comment j'ai coupé un ballon Montrant comment j'ai coupé un ballon Montrant comment j'ai coupé un ballon À la fin, c'est ce qui s'est passé
Ensuite, j'ai de nouveau lavé la bouteille de gaz ouverte du condensat de gaz.
4 conseils utiles
Dans la fabrication indépendante de poêles à ventre pour le développement, les dessins jouent un rôle important. Avec leur aide, même un maître inexpérimenté pourra réaliser une installation de très haute qualité qui durera de nombreuses années.
En plus des avantages visibles d'un poêle à mazout, les utilisateurs sont confrontés à de nombreux problèmes qui peuvent être résolus, moyennant quelques conseils. Par exemple, les nuances suivantes ont été remarquées dans le travail:
- chauffage inégal de la pièce;
- déversements d'huile hors du conteneur pendant le fonctionnement ;
- l'odeur de brûlé et de fumée dans la chambre;
- consommation de carburant élevée.

La répartition inégale de la chaleur dans la pièce (quand il fait chaud près du poêle à ventre et froid à l'autre bout de la pièce) est résolue en installant des tubes spéciaux dans la chambre secondaire. Grâce à cela, le flux d'air chaud peut être dirigé dans n'importe quelle direction et égaliser le chauffage du bâtiment. À une température de l'air extérieur de -30-35 °C, il est possible d'obtenir un chauffage de la pièce jusqu'à +20-25 °C.
Souvent, le fonctionnement de haute qualité d'un poêle à mazout dépend d'une poussée correctement réglée. À cet égard, la production de poêles ventrus sur travaux de bricolage selon les dessins est la base du bon fonctionnement de l'installation. Ne faites pas l'unité "à l'œil".
Pour éviter que l'huile ne siffle, elle ne doit pas être versée dans un récipient immédiatement après avoir été vidangée de la machine. Il est nécessaire de le laisser reposer pendant plusieurs jours et ensuite seulement de l'utiliser comme combustible. Il existe également des recommandations pour le remplissage du réservoir. Vous devez le remplir jusqu'à 2/3 du volume total.
brique chaude
Un poêle à ventre rond au bois, au charbon et à d'autres types de combustibles peut augmenter considérablement son efficacité. Pour ce faire, il suffit de construire un écran de briques d'argile cuite autour de ses propres mains.Si vous regardez attentivement les dessins d'un tel mini-bâtiment, vous pouvez voir que les briques sont posées à une courte distance des murs du poêle (environ 10-15 cm) et, si vous le souhaitez, autour de la cheminée.

Les briques ont besoin d'une fondation. Voulez-vous que la maçonnerie dure longtemps? Versez ensuite la base à la fois pour former un monolithe. Le matériau de la fondation est préférable de prendre du béton, qui doit être renforcé avec une armature en acier de vos propres mains. Il est souhaitable de réaliser une couche de renforcement à une distance d'environ 5 cm de la surface du socle en béton.
Des trous de ventilation sont pratiqués en bas et en haut de la maçonnerie, ce qui assurera la circulation de l'air (les masses chauffées monteront, l'air froid s'écoulera par le bas). La ventilation prolonge également la durée de vie des parois métalliques du poêle ventru, retardant le moment de leur épuisement dû au refroidissement par circulation d'air.
Les briques posées autour du poêle accumulent de la chaleur, puis la dégagent pendant longtemps, réchauffant l'air de la pièce même après l'extinction du poêle à ventre. De plus, la maçonnerie protège également les objets entourant le poêle du feu.
Si vous le souhaitez, le poêle peut être entièrement en brique. Une telle structure est avantageuse en ce sens qu'elle durera de nombreuses années sans effort supplémentaire de la part du propriétaire. Cependant, il y a aussi certains inconvénients. Les inconvénients de cette option incluent les suivants :
- le processus de pose d'un tel poêle est assez laborieux et ne convient qu'aux personnes ayant une expérience de la maçonnerie de leurs propres mains;
- un poêle à ventre en brique coûte assez cher, car il nécessite l'utilisation de matériaux réfractaires, notamment des briques en argile réfractaire et de l'argile spéciale pour le mortier.
Pour obtenir un petit poêle à ventre sur bois, il suffit de disposer un cône mesurant 2 par 2,5 briques, 9 briques de haut. Dans la chambre de combustion, 2 à 4 rangées sont disposées en briques réfractaires. La brique cuite en argile ordinaire convient à une cheminée, dans laquelle vous devez vous rappeler d'insérer un manchon en acier inoxydable.
Quelle que soit la méthode de fabrication d'un poêle miniature ou d'un poêle à ventre de vos propres mains, vous les fabriquez selon un dessin ou à l'œil nu, l'essentiel est qu'à la sortie vous obteniez un appareil de chauffage efficace, et dans une configuration étendue également une plaque de cuisson pour cuisiner. Cherchez des matériaux adaptés (fûts, tôles, etc.) et dirigez-vous vers votre propre poêle fait maison ou même vers une cheminée ventrale !
Comment fabriquer une fendeuse à bois de vos propres mains? Comment installer un sandwichcheminée à faire soi-même Construire cheminée de chaudière à faire soi-même pas difficile Poêle en métal à faire soi-même Comment fabriquer soi-même un fumoir à la maison ou à la campagne
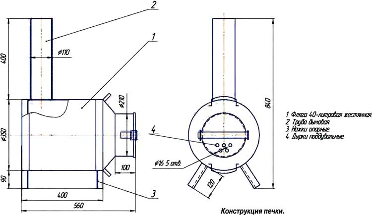
Comment faire un four goutte à goutte à partir d'un cylindre
En règle générale, un réchaud de travail avec une alimentation en huile goutte à goutte dans le bol est fait à partir d'un tuyau d'un diamètre de 200 mm ou vieille bouteille de gaz hors propane. Ce dernier est préférable de prendre l'échantillon soviétique, où l'épaisseur de paroi peut atteindre 5 mm.
Lors de la fabrication d'une chambre de combustion à partir d'un tuyau, vous devrez fabriquer et souder un fond avec un couvercle. À cet égard, la bouteille de gaz est plus pratique: vous devez dévisser la valve, la remplir d'eau et couper la partie supérieure avec une meuleuse. Après cela, suivez les instructions :
- Faites des trous dans le corps pour la cheminée et dans le couvercle - pour le montage de la postcombustion. Dans la partie inférieure du cylindre, une ouverture d'inspection peut être découpée, fermée par un couvercle boulonné, comme indiqué sur le dessin.
- Fabriquez un tuyau de postcombustion en perçant des trous selon le dessin. À l'extrémité inférieure, faites 9 rainures avec une molette de coupe.
- Fabriquez un bol en acier, vous pouvez utiliser un disque de frein de voiture, comme indiqué sur la photo. Placez-le sur le fond du foyer en le soulevant de 3 à 5 cm.
- Remplacez la postcombustion et mettez le bouchon du cylindre. Insérez la conduite d'huile dans le tuyau de sorte que son extrémité soit au-dessus de la cuvette.
- Fabriquez un réservoir de carburant avec un raccord (par exemple, à partir d'un vase d'expansion de chauffage) et accrochez-le au mur près du poêle. Il ne reste plus qu'à connecter la cheminée et vous pouvez commencer à allumer.

Si vous souhaitez créer un four en état de marche avec un circuit d'eau, placez un serpentin à partir d'un tube à paroi épaisse à l'intérieur de la chambre de combustion, de préférence en acier inoxydable. Placez-le dans la zone supérieure et faites sortir les extrémités des tubes par les trous des murs. Ensuite, ils peuvent se connecter à des chauffe-eau garage, comme indiqué sur la photo.

Détails sur le dispositif d'un four à goutte à goutte d'huile usée fabriqué par bricolage à partir d'une bouteille de gazdécrit dans la vidéo suivante :





































