- Communications électriques
- Comment faire la bonne entrée d'égout à travers la fondation
- Les principaux types de communication dans une maison privée.
- Approvisionnement en eau
- Assainissement
- Électricité
- Gazéification
- Ventilation
- Pose sans tranchée des utilités
- Schéma de câblage
- Erreurs d'installation courantes
- Remplacement
- Méthodes de pose - système caché et ouvert
- Installation d'une nouvelle colonne montante
- Comment raccorder les tuyaux
- Le choix du matériau lors du remplacement des conduites d'égout
- Céramique
- Polymères
- Métal
- Sélection du diamètre
- Par où commencer ↑
- Instructions étape par étape pour le câblage d'un système d'alimentation en eau
- Installation de robinets à tournant sphérique
- Installation de compteurs d'eau chaude et froide
- Montage de boîtes de vitesses
- Installation du collecteur
- Installation de conduites d'eau
- Installation d'un système de chauffage dans une maison en panneaux sandwich
- Installation qualifiée et installation de ventilation dans une maison à ossature bois
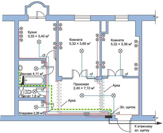
Communications électriques
Les résidents sont confrontés au problème de savoir comment cacher les communications électriques pendant la période des réparations majeures, qui s'accompagnent du remplacement du câblage électrique. Dans la construction moderne, le câblage est posé à travers des cavités dans les plafonds ou le long du sol, suivi d'une fermeture avec une chape. Les fils menant aux prises, lampes et autres consommateurs sont placés sur les surfaces murales dans des stroboscopes spécialement préparés.Après avoir terminé les travaux et vérifié les performances du réseau domestique, les stroboscopes sont scellés avec du plâtre.
La solution la plus rationnelle à la question de l'arrangement câblage caché trouver si l'ensemble du réseau électrique domestique est divisé en deux groupes. Un groupe, posé dans la chape, alimentera les prises, l'autre, lancé le long du plafond, alimentera les appliques et plafonniers. Un tel système de fourniture d'électricité aux consommateurs présente un certain nombre d'avantages.
Premièrement, il contribuera à améliorer la sécurité électrique et incendie des logements.
Deuxièmement, étant donné la particularité qu'il est récemment devenu courant de placer des prises dans des pièces à une hauteur de seulement 0,3 mètre du sol, cela permettra d'économiser considérablement sur la longueur du fil.

Vous ne pouvez pas ignorer les équipements basse tension, qui comprennent Internet, la télévision, les alarmes incendie et antivol. Souvent, il faut faire face aux problèmes de pose du câblage de ces systèmes à un moment où une réparation majeure est déjà terminée ou n'est pas prévue prochainement, c'est-à-dire qu'il ne sert à rien de violer l'intégrité des murs et des sols.
Comme option la plus simple et la plus abordable, vous pouvez utiliser des plinthes de sol, dont la conception prévoit un canal de câble. Le moyen le plus efficace de se débarrasser du câblage des équipements basse tension consiste à utiliser la transmission du signal Internet, ainsi que les capteurs d'alarme incendie et antivol via un système Wi-Fi.
Un conseil pour tous ceux qui cherchent à améliorer leur maison. Avant de procéder à la fermeture des communications, il est nécessaire d'établir, si possible, un schéma de câblage précis.Pour plus de clarté, il est préférable de faire le schéma en couleur indiquant le type de communications et les distances de leur pose par rapport aux points de repère sélectionnés. S'il n'y a aucune possibilité ou désir d'établir des diagrammes, vous devez prendre une photo à l'aide d'un appareil photo de téléphone portable, qui, en règle générale, est toujours à portée de main.
Comment faire la bonne entrée d'égout à travers la fondation
Pour que le système d'assainissement et d'approvisionnement en eau posé dans l'UWB fonctionne correctement pendant de nombreuses années, vous devez choisir des tuyaux de haute qualité résistant aux charges exercées par la dalle de fondation. Pour cela, des «manchons» sont utilisés, qui sont des tuyaux creux de grand diamètre, dans lesquels sont insérés des tuyaux d'égout. En plus de la protection, un tel «manchon» est également bon car, s'il est nécessaire de remplacer un tuyau d'égout défectueux, il peut être facilement remplacé par un nouvel élément. Il est recommandé d'installer des "manchons" similaires lors de l'introduction d'autres communications dans la maison, par exemple la plomberie, les câbles électriques. Dans ce cas, les systèmes d'égouts et d'alimentation en eau doivent être posés dans des manchons séparés.
La conduite d'égout à la sortie de la dalle UWB est raccordée à la canalisation principale menant à la fosse septique selon la méthode "cloche" ou à l'aide de raccords. Quant au système de drainage, qui sera caché sous la fondation, il nécessite, comme toutes les autres communications techniques d'une maison de campagne, un entretien obligatoire. Pour ce faire, des puits de réception de drainage sont installés, qui sont situés de manière à ce qu'il soit possible d'atteindre un tuyau spécial d'un puits à l'autre - une buse pour un mini-laveur haute pression et de rincer le système.
En lisant mon blog, vous faites probablement des réparations. Ajoutez cette page à vos favoris.Tous les magasins de bricolage utiles se trouvent ici.
violation de pente. Une diminution viole l'auto-nettoyage du tuyau, une augmentation augmentera le bruit lors de l'utilisation du drain.
le manque d'isolation des canalisations est aussi une des causes du bruit.
raccord de tuyau dans le sol - en cas de fuite, vous devrez le démonter.
mauvaise ventilation de la colonne montante d'égout - vous avez la garantie d'une odeur désagréable.
Les principaux types de communication dans une maison privée.
Considérez les principales communications nécessaires dans un immeuble résidentiel privé pour chaque personne:
- Approvisionnement en eau.
- Assainissement.
- Électricité.
- Gazéification.
- Ventilation.
Approvisionnement en eau
S'il n'y a pas d'eau courante sur le site et qu'il n'est pas prévu de le réaliser, le raccordement d'une alimentation en eau centralisée coûtera très cher. Dans ce cas, vous pouvez faire votre propre puits ou puits. Les caractéristiques géologiques de la zone et la profondeur de l'eau doivent être prises en compte. Pour ce faire, vous devez appeler un spécialiste et décider où et comment un tel point sera équipé. Et comment exactement l'eau coulera-t-elle dans la maison.
Assainissement
En l'absence d'un système d'égouts commun, il y a quelques années, les gens ont creusé des puisards et des équipements spéciaux ont pompé les déchets humains sur appel. Ce système est en train de disparaître. Actuellement, des fosses septiques spéciales sont installées pour la décomposition rapide, le traitement biologique et la filtration des eaux usées.
Électricité
L'un des principaux éléments des réseaux d'ingénierie est la disponibilité de l'électricité. Très souvent, les gens doivent installer eux-mêmes les poteaux, appeler un électricien pour conduire l'électricité jusqu'au site, puis jusqu'à la maison. Cependant, sans électricité, il est presque impossible de faire quoi que ce soit dans la construction.
Gazéification
Dans de nombreuses régions éloignées des chalets d'été, la gazéification est absente. Les gens utilisent des bouteilles de gaz pour cuisiner et parfois pour se chauffer. Cependant, c'est assez dangereux, coûteux et peu pratique. Mais, s'il n'y a pas d'électricité, et dans les régions éloignées, elle est souvent éteinte, bouteille de gaz dans la maison juste besoin.
La gazéification centralisée est un plaisir très coûteux. En plus d'introduire une conduite de gaz dans la maison, il est nécessaire de payer le câblage des communications à l'intérieur des locaux selon un certain schéma. Et aussi acheter une chaudière à gaz, conduire l'eau chaude et le chauffage selon un projet convenu. Peu de gens dans leur chalet d'été veulent de tels problèmes pour eux-mêmes. Pour la résidence permanente, le gaz est bien sûr beaucoup plus rentable que le combustible solide ou l'électricité.
Ventilation
La maison nécessite une ventilation passive et souvent active. Vous devez penser à l'avance où seront situés les conduits d'air et où accrocher correctement la hotte et le climatiseur, si nécessaire. Des experts peuvent vous aider à résoudre ces problèmes.
En conclusion, il convient de noter qu'il est nécessaire de choisir un site non seulement par son emplacement, mais également en tenant compte de l'endroit où passent les communications requises. Cela vous permettra de consacrer moins de temps et d'argent personnel à la construction.
Pose sans tranchée des utilités
Il est possible de poser des canalisations sans excavation sans causer de dommages à l'environnement. Méthode forage dirigé horizontal au fil du temps, il deviendra le principal lors de la pose de réseaux d'ingénierie.
La pose de réseaux d'ingénierie externes par la méthode sans tranchée implique l'installation d'une installation HDD au point de départ. Un puits pilote est percé en direction du point de sortie le long d'une trajectoire prédéterminée.Des étuis à tuyaux sont posés le long de celui-ci avec une machine spéciale, des tuyaux ou des câbles y sont tirés. Avec une longueur de chenille allant jusqu'à 10 m, la ponction peut également être effectuée manuellement.
Avantages de la pose sans tranchée :
- automatisation des processus ;
- haute vitesse;
- la possibilité de poser des réseaux à une profondeur allant jusqu'à 20 m élimine les dommages au paysage, vous permet de passer sous des objets où creuser des tranchées est inacceptable;
- le manque de dépenses pour les travaux de restauration réduit considérablement le coût total;
- pas besoin d'interrompre les activités normales de la vie sur le chantier ;
- situations d'urgence, les dommages aux réseaux précédemment posés deviennent fondamentalement impossibles.
Schéma de câblage
- Quelle est la différence entre le câblage en T et le câblage du collecteur de l'alimentation en eau ?
Le té implique une connexion en série de points de prise d'eau à un tuyau commun. Dans le cas d'un câblage collecteur (faisceau), chaque appareil est connecté à un collecteur commun avec sa propre alimentation.

Câblage série et collecteur
- Quelle disposition est la plus pratique ?
Si nous oublions la grande consommation de matériaux et la nécessité d'un câblage caché d'un grand nombre de tuyaux - collecteur. Il supprime le problème de chute de pression sur tous les appareils lors de l'analyse de l'eau à travers l'un d'eux.
Si vous ouvrez un robinet d'eau froide dans la cuisine, le cri d'un conjoint ébouillanté avec de l'eau bouillante ne viendra pas de la salle de bain, pleine d'amertume et de douleur.

Collecteur d'alimentation en eau
La vidéo de cet article vous expliquera plus clairement comment s'effectue l'aménagement de l'approvisionnement en eau de l'appartement.
Erreurs d'installation courantes
La rédaction du système de plomberie, à la fois collecteur et té, est mieux confiée à des professionnels qui connaissent les codes du bâtiment et sont capables d'effectuer des calculs hydrauliques. Mais même le meilleur projet sera inutile si des erreurs sont commises dans sa mise en œuvre.
Les robinets d'arrêt font partie de tout système d'approvisionnement en eau : à la fois séquentiel et collecteur. Ils sont installés à l'entrée du système de plomberie, ainsi que devant chaque appareil de plomberie.
Par exemple, certains artisans malheureux, poussés par la pensée d'économies déraisonnables, négligent l'obligation d'isoler les conduites d'eau chaude qui sont posées sous le plancher ou dans l'épaisseur des murs.
De ce fait, une partie de l'énergie thermique est transférée aux matériaux entourant la conduite, ce qui dégrade la qualité de l'eau. De plus, la condensation de la surface des tuyaux sans isolation thermique peut endommager la finition de la pièce.
Lors des travaux d'installation, des artisans expérimentés recommandent de fermer les extrémités des tuyaux qui n'ont pas encore été installés afin que les débris n'y pénètrent pas. L'absence de cette mesure de protection peut conduire au fait qu'immédiatement après l'installation, le système d'alimentation en eau devra être soigneusement et pendant longtemps rincé ou même réparé.
Lorsque vous soudez des conduites d'eau en polypropylène, n'oubliez pas qu'une petite saleté ou de l'humidité au point de soudure peut nuire considérablement à la qualité du travail.
Si le soudage de tuyaux en plastique est nécessaire, tous les travaux doivent être effectués dans une salle blanche pour éviter toute contamination. Il est également inacceptable de souder des tuyaux sur lesquels même une petite quantité d'humidité est présente. Une goutte d'eau ou des débris dans la zone de soudure peuvent fragiliser considérablement la connexion et dégrader sa qualité.
Il n'est pas nécessaire de concevoir le système de plomberie de manière à ce que tous les tuyaux traversent le plafond par un trou commun. Cela peut dégrader les performances de la plomberie. Les designers professionnels ne commettent jamais de telles erreurs.
Lors de l'élaboration d'un plan de câblage, il est nécessaire de s'assurer que les tuyaux ne bloquent pas l'accès aux joints. Cela facilitera grandement la réparation en cas de fuite.
Un nombre insuffisant de dispositifs de verrouillage peut également causer beaucoup de problèmes lors des travaux d'installation. De tels équipements doivent être présents devant chaque appareil alimenté en eau, ainsi que pour chaque colonne montante. Si la maison n'a pas une, mais plusieurs salles de bains, vous pouvez installer une vanne d'arrêt pour chacune d'elles.
En même temps que le système de plomberie, les égouts sont généralement conçus et aménagés. Il faut s'assurer que les tuyaux et les colonnes montantes des systèmes individuels ne se chevauchent pas. À l'avenir, cela facilitera les travaux d'entretien et de réparation.
Remplacement
Il ne faut pas oublier qu'en plus du droit de propriété, il y a aussi la charge dite du propriétaire, qui réside dans la nécessité de maintenir son bien en état de fonctionnement et de payer ses réparations. Y compris pour : l'eau ; égouts; gaz; autres bénédictions du monde.
Et ici, une question importante se pose, et qui est considéré comme le propriétaire de ces tuyaux et de leurs branches, qui ne sont plus situés à l'intérieur de chaque territoire privé, mais le relient aux services publics qui fournissent du fluide, de la chaleur et de la lumière à la structure elle-même ? Ils sont, comme il est devenu clair, classés comme propriété d'un type général, qui appartient à tout le monde.
Les obligations du propriétaire, selon les règles, de prendre des décisions sur la nécessité de réparations actuelles et encore plus complètes incombent à tous les propriétaires d'appartements. Les propriétaires de logements et de biens communs doivent : assurer l'état technique stable des communications communes ; prendre la décision de les mettre à jour lorsque le besoin s'en fait sentir.
Lire la suite : Violation de la procédure d'abattage des plantations forestières
Mais les propriétaires eux-mêmes ne peuvent réparer que les équipements qui desservent directement leur logement. Après tout, c'est leur propriété personnelle.
Pour réparer les communications communes, une partie des tâches personnelles est transférée à la société de gestion, ce qui leur élimine tous les problèmes complexes. Cet accord est officiel, c'est-à-dire qu'il implique le transfert d'un montant spécifique sur une base mensuelle.
Ces transactions financières relèvent également de la responsabilité du propriétaire. En contrepartie, il bénéficie d'un service de qualité pour l'ensemble de l'économie.
Responsabilités des services publics. L'exécution de tous les travaux de réparation nécessaires pour maintenir les colonnes montantes de l'appartement, les égouts, le chauffage et autres en état de fonctionnement technique, tout cela est considéré comme la responsabilité du bureau d'entretien du logement. Ou une autre entreprise avec laquelle un contrat formel a été établi.
La base pour la mise en œuvre de la manipulation sera: un plan pour leur mise en œuvre; un acte indiquant que toute partie de la colonne montante doit être mise à jour pour éviter un accident ; fuite ou autre problème. Si vous avez quelque chose qui fuit, vous devez dans tous les cas réparer le logement et les services communaux.
Méthodes de pose - système caché et ouvert
Les tuyaux du système d'alimentation en eau peuvent être posés de manière fermée et ouverte.Le choix de l'une des méthodes n'affecte ni la qualité des connexions ni la fonctionnalité de l'ensemble du système et ne dépend que des préférences personnelles.
Il semblerait que ce ne soit pas difficile de trancher et la méthode fermée est préférable car plus esthétique et permet de gagner jusqu'à 10 cm d'espace utilisable. Pourquoi une canalisation ouverte est-elle encore utilisée dans l'installation d'un système d'approvisionnement en eau ? Essayons de donner une réponse.
Le câblage caché vous permet de cacher les tuyaux et de ne pas gâcher la perception esthétique de l'intérieur d'une maison ou d'un appartement. La méthode cachée est utilisée lors de l'assemblage d'une conduite d'eau à partir de tuyaux en PP. Ils cachent le contour derrière un mur décoratif, par exemple en cloison sèche, ou creusent les murs et conduisent les tuyaux dans les niches formées, en les scellant avec un matériau de parement ou du plâtre le long de la grille.
Le pipeline ne doit pas être étroitement adjacent aux surfaces - laissez toujours un petit espace pour d'éventuelles réparations. Lors de l'installation d'un pipeline dans un monolithe, il est recommandé de les placer dans un boîtier, en insérant un tuyau dans un tuyau.
L'inconvénient de la méthode se manifeste lorsqu'il devient nécessaire de réparer ou de remplacer les éléments cachés du système - le plâtre ou le carrelage doit être ouvert puis re-décoré.
De plus, en cas de dégradations et de fuites, le problème peut ne pas être détecté immédiatement et conduire d'abord à la perte des caractéristiques techniques de fonctionnement des ouvrages, puis à l'inondation des locaux.
Il est préférable de procéder à l'installation du système d'alimentation en eau avec un schéma pré-dessiné - sinon, des erreurs de calcul ou d'assemblage entraîneront le fait que vous devrez abandonner de nouvelles rainures et remonter les tuyaux
Pour éviter de telles difficultés, lors de l'installation du câblage, seules des sections entières du tuyau sont masquées, plaçant les raccords d'amarrage dans des zones ouvertes. Dans les lieux d'installation de vannes d'arrêt, des portes invisibles sont fabriquées. Cela permet d'accéder pour la maintenance aux raccords de tuyauterie, qui sont les maillons les plus faibles du système.
Il convient également de noter que les tuyaux fabriqués à partir de tous les matériaux ne peuvent pas être cachés sous une couche de plâtre - seuls les produits en polypropylène, en métal-plastique ou en cuivre conviennent à cela.
La pose de tuyaux à ciel ouvert est effectuée une fois la finition terminée. La méthode implique la pose à découvert de tuyaux et d'éléments d'alimentation en eau. Il a l'air moche, réduit la surface utilisable de la pièce, mais en même temps, cette méthode est très pratique pour l'entretien, la réparation et le démontage des éléments.
Le réaménagement et le réaménagement de la plomberie dans la maison avec un tel appareil de plomberie ne causeront pas non plus de difficultés.
Le câblage ouvert permet de détecter rapidement une fuite et d'éliminer la cause de la rupture ou de l'endommagement des éléments du système
Installation d'une nouvelle colonne montante
Les travaux commencent par l'installation d'un tuyau vertical. Si une traverse reste dans le sol en béton, la possibilité d'installer de nouvelles communications est envisagée, mais en tenant compte du matériau de ces produits. Tout d'abord, une installation approximative est faite. Les produits sont placés à leur place, en tenant compte du dessin préalablement établi. Cela évitera les erreurs lors du travail avec les communications et réduira la consommation de matériel, car les erreurs sont détectées à ce stade.
Comment raccorder les tuyaux
Dans l'appartement, le câblage est réalisé en forme de cloche.Pour ce faire, utilisez des tuyaux avec un élargissement à l'une des extrémités. Cette mesure facilite l'installation. Les communications à parois lisses entrent facilement dans l'élargissement à la fin.
Le choix du matériau lors du remplacement des conduites d'égout
Quel que soit l'endroit où l'installation est effectuée (dans une maison ou un appartement privé), vous pouvez utiliser des produits de :
- céramique;
- matériau polymère;
- métal.
Afin de ne pas avoir à faire face à des problèmes de fonctionnement à l'avenir, lors de la phase de sélection, il est nécessaire de comparer les propriétés des types de communication disponibles.
Tenez compte des critères :
- douceur des parois intérieures;
- diamètre;
- le degré de résistance du matériau et sa sensibilité aux contraintes mécaniques ;
- expansion linéaire;
- le poids.
Tous ces facteurs affectent le coût. La complexité de l'installation, la durée de vie est également estimée.
Céramique
Avantages des produits céramiques :
- parois intérieures lisses, grâce auxquelles les drains se déplacent plus rapidement, le risque de colmatage est réduit, car la pollution est moins intensément retenue à la surface;
- résistance aux milieux agressifs, en conséquence, le pipeline conserve son aspect et ses propriétés d'origine pendant une longue période.
D'un côté, il y a une prise, ce qui facilite l'installation.
Polymères
Tuyaux pour les égouts.
Lorsqu'il est prévu de remplacer l'égout, les tuyaux en PVC et les analogues en PP doivent être envisagés en premier lieu. Ces produits ont également un élargissement à la fin pour simplifier l'installation.
Avantages des communications polymères :
- surfaces intérieures lisses ;
- résistance aux produits chimiques;
- fonctionnement à long terme (les tuyaux en PVC ou en PP durent 30 à 50 ans, parfois plus);
- la capacité de résister à l'influence des températures élevées, selon ce critère, les produits PP sont supérieurs aux produits similaires d'autres matériaux;
- poids léger;
- facilité d'installation;
- haute résistance, résistance aux contraintes mécaniques.
L'inconvénient est la tendance à l'expansion linéaire. Pendant le fonctionnement des communications sous l'influence constante de la température élevée, ses différences, une augmentation de la longueur du tuyau est notée. Après l'installation, cette fonctionnalité entraînera une flexion du pipeline.
Métal
Les communications en acier sont instables à l'influence des produits chimiques, mais elles tolèrent bien les températures élevées. L'inconvénient du produit est le développement possible de corrosion.
En conséquence, la lumière du pipeline se rétrécit et le risque de formation d'un blocage difficile à éliminer, formé de flocons de rouille, augmente. De plus, l'acier a un poids important - lorsqu'il est utilisé dans des immeubles d'habitation, la charge sur les sols en béton augmente.
Tuyaux en fonte pour les égouts.
Les communications en fonte pèsent aussi beaucoup. Si vous envisagez d'acheter des tuyaux d'un diamètre de 100 mm ou plus, il est difficile de les installer vous-même. Les parois internes ne sont pas assez lisses, ce qui augmente le risque de formation de plaque, qui se transforme plus tard en un bouchon. Ces tuyaux sont plus chers que les tuyaux en acier. Ils résistent mieux à la corrosion, augmentant ainsi la durée de vie du pipeline.
Sélection du diamètre
Les appartements utilisent des communications de tailles standard. La colonne montante est installée à l'aide d'un produit d'un diamètre de 110 cm.La taille standard des tuyaux en fonte est de 100 cm.Cela suffit pour drainer les eaux usées contenant de grandes fractions de contaminants.Pour réaliser le câblage dans l'appartement, utilisez des produits d'une section plus petite. Une option d'un diamètre de 50 mm convient, mais d'autres communications sont également courantes : 32 et 40 mm.
Le choix de la section dépend également du matériau, car les communications en métal, PVC ou PP sont produites selon des normes différentes. De plus, la configuration du site où le pipeline est prévu d'être installé joue un rôle. Plus l'espace est petit, plus l'installation de tuyaux en PVC ou en PP est préférable, car ils diffèrent par la plus petite section.
Un autre critère de sélection est la structure des effluents qui transiteront par les communications. Plus ils contiennent de contaminants, plus la valeur du diamètre doit être élevée. Par exemple, il est recommandé de détourner les communications d'un diamètre de 32 mm des appareils électroménagers (machines à laver et lave-vaisselle). Pour le lavage dans la cuisine et dans la salle de bain, des tuyaux d'un diamètre de 50 à 70 mm sont pris en compte.
Par où commencer ↑
Décidez de l'emplacement de la plomberie. Avec une salle de bain typique, on ne peut pas vraiment accélérer, le lieu ne le permet pas. Mais plus de chambres ont le choix. Recommandations générales :
Il est recommandé de placer les toilettes en premier à partir de la colonne montante d'égout. Il est souhaitable que la sortie de la cuvette des toilettes passe par le raccord directement dans la colonne montante ou ait un nombre minimum de tours. Ce sera juste si les drains des appareils de plomberie situés plus loin que les toilettes se déversent à travers elle.
Une douche, dont la hauteur de vidange typique est faible par rapport au sol, doit également être placée plus près de la colonne montante afin qu'il n'y ait pas de problème de pente. Le drain est assez faible. Mais le lavabo, l'évier de la cuisine, la machine à laver peuvent être placés plus loin.
La plupart des lavabos, baignoires, toilettes sont connectés aux canalisations de la même manière: à la même hauteur, les axes des sorties d'égout, les conduites d'alimentation en eau, sont situés.Mais il existe des solutions non standard. Il est conseillé de sélectionner tous les équipements à l'avance, de prendre les schémas de connexion de communication du vendeur, de les suivre strictement
Nous vous recommandons de porter une attention particulière au schéma de la cuvette des toilettes : le drain peut être dirigé de différentes manières et sous différents angles. 90% des appareils domestiques sont équipés d'une sortie horizontale inclinée, mais il existe d'autres options. Si vous allez installer une grande baignoire d'angle, qui n'a pas de pieds, mais un cadre de support, prenez le schéma du cadre : il n'est pas toujours possible de « dénouer » le drain de la salle de bain de la manière habituelle.
Si vous allez installer une grande baignoire d'angle, qui n'a pas de pieds, mais un cadre de support, prenez le schéma du cadre : il n'est pas toujours possible de « dénouer » le drain de la salle de bain de la manière habituelle.

Après avoir aménagé la plomberie, vous devez définir l'emplacement des canalisations: commencez par les communications.
Instructions étape par étape pour le câblage d'un système d'alimentation en eau
Le câblage d'alimentation en eau à faire soi-même dans un appartement commence toujours par l'élaboration d'un schéma détaillé d'alimentation en eau sur papier. Il devrait prévoir les moindres nuances, car il constituera la base non seulement du travail, mais également de l'acquisition de la quantité de matériaux requise.
Attention! Le schéma doit être établi avec un nombre minimum de joints, de connexions et de coudes - cela augmentera considérablement sa fiabilité opérationnelle. Si l'espace de la pièce le permet, la meilleure option est le câblage collecteur des conduites d'alimentation en eau, dont un exemple est illustré dans la figure ci-dessous.
Si l'espace de la pièce le permet, la meilleure option est le câblage collecteur des conduites d'alimentation en eau, dont un exemple est illustré dans la figure ci-dessous.
Les positions référencées font référence aux éléments suivants :
- 1,2,3 - vannes à bille à l'entrée du lave-linge, de l'évier et du mélangeur de bain;
- 4.5 - collecteurs d'eau froide et chaude ;
- 6 - clapets anti-retour ;
- 7.8 - compteurs d'eau chaude et froide ;
- 9 - réducteurs pour la normalisation de la pression ;
- 10 - filtres assurant un nettoyage grossier.
- 11 - grues d'urgence.
- 12 - colonnes montantes d'eau froide et chaude.
L'option la plus acceptable pour organiser un système de plomberie à faire soi-même consiste à utiliser des tuyaux en plastique. Ils sont faciles à installer et peuvent être utilisés pendant longtemps. Le diamètre optimal du tuyau est sélectionné en fonction de la longueur totale du pipeline afin de fournir la pression requise. Pour ce faire, vous pouvez utiliser des tableaux spéciaux disponibles sur Internet ou consulter des experts.
Attention! Si la distribution des conduites d'eau est effectuée dans une maison ancienne, vous devez faire attention à l'état de la colonne montante principale. Il faudra peut-être d'abord le remplacer, et cet événement ne doit être effectué que par des spécialistes.
Installation de robinets à tournant sphérique
Installation de vannes à boisseau sphérique d'urgence à l'entrée des colonnes montantes principales et installation de filtres. Les robinets à l'entrée du système d'alimentation en eau ont été réaffectés pour couper rapidement l'alimentation en eau lorsqu'une fuite est détectée.
Assurez-vous de couper l'eau avant de commencer l'installation. Il est recommandé d'utiliser des vannes à bille qui fonctionnent à des pressions jusqu'à 60 atmosphères et des températures jusqu'à +150˚С. Les filtres grossiers sont connectés aux vannes à bille installées.
Installation de compteurs d'eau chaude et froide
En règle générale, des écrous-raccords sont inclus avec le compteur, ce qui permet, si nécessaire, de déconnecter le compteur sans violer l'intégrité du système.
Important! Lors de l'installation du compteur vous-même, vous devez faire attention aux flèches directionnelles placées par le fabricant sur l'appareil. Ils indiquent la direction du mouvement de l'eau.
Rappelles toi! Après le démarrage du système, les appareils installés doivent être enregistrés auprès de l'organisme d'approvisionnement en eau.
Montage de boîtes de vitesses
Installation dans le système d'alimentation en eau de réducteurs qui éviteront d'endommager les canalisations en cas de chute de pression. Il est impératif d'installer ces appareils si la pression d'eau dans la colonne montante dépasse de manière significative le débit des appareils de plomberie. C'est bien si, en cas de surpression, l'excès d'eau est évacué dans les égouts, donc si possible, un drain spécial doit être prévu.
Règles de base pour l'installation de la boîte de vitesses:
- Le manomètre du régulateur de pression doit être monté verticalement ;
- Lors de l'installation, des vannes d'arrêt doivent être fournies ;
- Veillez à prendre en compte le sens de l'eau conformément à la flèche indiquée sur l'appareil.
Installation du collecteur
En règle générale, ces appareils sont équipés d'un maximum de quatre sorties. Par conséquent, pour connecter un plus grand nombre de consommateurs, il est nécessaire d'installer plusieurs capteurs.
Important! Des robinets à tournant sphérique doivent être installés à l'entrée de tous les consommateurs pour pouvoir éteindre des appareils spécifiques en cas d'accident.
Installation de conduites d'eau
Installation directe de conduites d'eau. Pour ce faire, les tuyaux en plastique achetés doivent être coupés à la bonne taille conformément au schéma de câblage.Les joints sont soudés à l'aide d'un appareil spécial, assez facile à manipuler. Cette technologie est décrite en détail dans l'article Tuyaux en polypropylène - installation à faire soi-même.
Vous ne pouvez commencer à faire fonctionner un système d'alimentation en eau auto-installé qu'après vérification, ce qui est mieux fait avec un assistant. Cela coupera rapidement l'alimentation en eau si une fuite est détectée en raison d'un mauvais assemblage.
Installation d'un système de chauffage dans une maison en panneaux sandwich
L'installation et l'installation d'un système de chauffage d'une maison utilisant la technologie du cadre peuvent être mises en œuvre de la même manière que l'installation d'un compteur d'eau. Tous les tuyaux du diamètre requis sont installés dans l'espace entre les murs. Ils sont fixés aux crémaillères verticales de la charpente en bois et aux poutres de tous les étages avec des pinces spécialisées. Afin de ne pas perdre une partie de la chaleur, les tuyaux de chauffage installés dans une chambre froide sont parfaitement isolés.
Toutes les lignes des systèmes de ventilation d'évacuation et d'alimentation et d'évacuation et les équipements connexes (il peut s'agir de filtres, de divers ventilateurs et d'appareils de chauffage) sont généralement situés dans le grenier ou entre les étages. La puissance de cet équipement est calculée par des professionnels, et ce, par exemple, si le système de ventilation est forcé.
Circuit de chauffage dans une maison privatisée
Installation qualifiée et installation de ventilation dans une maison à ossature bois
Le conduit d'air passant dans l'espace non chauffé du grenier doit être particulièrement bien isolé des grosses déperditions de chaleur.Afin d'établir une communication compétente dans une maison à ossature en bois de vos propres mains, tous les endroits de fixation de la ventilation et de son équipement au plafond doivent être scellés pour éliminer l'apparition de fuites. C'est alors que toute la ventilation mécanique sera à son meilleur.
Schéma de ventilation
Installation et installation de câblage électrique intérieur dans une maison en panneaux sandwich
Le plus grand nombre de questions apparaîtra lors de l'installation et de l'installation du câblage électrique dans les maisons à ossature bois, car il est difficile de disposer le câblage dans l'espace entre les murs. Sur la base des exigences de SP-31-110-2003 "Conception et installation d'installations électriques de bâtiments résidentiels et publics", les règles et réglementations pour l'installation de toutes les installations électriques, ainsi que les règles et réglementations de sécurité incendie dans le Fédération de Russie (PPB-01-03), lire qu'il est permis d'installer et d'installer tout le câblage électrique uniquement dans des tuyaux en fer spécialisés.
Tous les tuyaux pour câblage électrique en filaire maison en bois doit être en acier inoxydable ou en acier noir.
Ondulations pour câblage dans une maison en bois
Pour cette raison, toutes les boîtes de distribution doivent être en acier. Pour chaque prise électrique et interrupteur, des clips de fer spécifiques doivent être installés, qui seront nécessaires pour les prises.
Au lieu de boîtiers pour l'intérieur câblage électrique en filaire maison en bois, vous pouvez utiliser des manchons ondulés en cuivre ou en acier inoxydable, ou des manchons revêtus d'un émail résistant au feu spécifique, c'est-à-dire des tubes profilés.
Mais l'utilisation de tubes profilés sera autorisée dans des conditions d'étanchéité complète de tous les composants de câblage.Si nous supposons qu'un fil brûlera au milieu de ce tuyau, alors ce feu sera considéré comme local en raison du manque d'air et il ne se propagera pas davantage.
Lors de l'installation et du montage câblage électrique dans les tuyaux en fer, des travaux de soudage spécialisés devraient être effectués, mais selon les règles de sécurité incendie, tout travail de soudage dans les maisons préfabriquées en panneaux est strictement interdit. Bien que, jusqu'à ce qu'une boîte en bois soit gainée de panneaux internes ou externes, elle ne puisse pas être appelée une maison, grâce à cela, l'installation et l'installation de tuyaux en métal seront une option réalisable. Lors du soudage, tout d'abord, suivez toutes les règles de sécurité incendie.
Aucun autre type légal d'installation et de pose câblage électrique dans une maison à ossature bois, non.
Le câblage électrique, qui est réalisé dans des tuyaux ondulés en PVC, est une violation flagrante des normes et règles en vigueur.
Tous les travaux liés au processus d'installation des lignes électriques doivent être effectués uniquement par des spécialistes expérimentés disposant de tous les permis et licences spécifiques nécessaires. Une fois l'installation terminée, ils sont tenus de vous délivrer un certificat de services rendus, qui indiquera les données légales et une liste de tous les documents pertinents de l'entreprise qui a effectué les travaux liés à l'installation et au processus d'installation de votre câblage électrique. .
Le coût du câblage dissimulé, réalisé conformément à toutes les normes et règles, sera beaucoup plus élevé que les prix du câblage dans des canaux de câbles spéciaux de 50 à 60%.















































