- Caractéristiques des chaudières de nettoyage de différentes marques
- Baksi
- Navien
- Ariston
- Vaillant
- Beretta
- Ardéria
- Causes et conséquences du colmatage
- Comment retirer et nettoyer le bloc brûleur AOGV
- Série AKGV
- Choisir une chaudière "Borino"
- Considérez la méthode pour trouver le dysfonctionnement ci-dessus
- Travailler avec AOGV
- Produits de combustion et leur cause
- Automatisation pour chauffer les chaudières à gaz AOGV
- Automatisation pour chaudières à gaz AOGV
- En quoi consiste l'automatisation des chaudières à gaz AOGV ?
- Les principales caractéristiques des chaudières à gaz AOGV-11.6-3
- Société "VodoGazServis"
- Instructions de démarrage et d'utilisation
- Comment vérifier le thermocouple de la chaudière AOGV
- L'appareil de la chaudière à gaz AOGV - 17.3-3
Caractéristiques des chaudières de nettoyage de différentes marques
Selon le fabricant de l'équipement de chauffage de l'eau, le nettoyage peut avoir un certain nombre de nuances qui doivent être prises en compte. Regardons les marques les plus courantes.
Baksi
La principale caractéristique des chaudières Baksi est la présence d'un échangeur de chaleur à plaques secondaire. Ceci doit être pris en compte lors du choix d'un agent de nettoyage.
Navien
Un fabricant sud-coréen qui fabrique des produits de chauffage de l'eau adaptés aux conditions russes. Lors de son rinçage, aucun problème ne survient, car le système a une stabilité et une fiabilité accrues.
Ariston
L'équipement Ariston est équipé de filtres de purification d'eau supplémentaires, c'est pourquoi l'eau pénètre dans le système plus propre que d'habitude.Cela vous permet de vous passer de nettoyage pendant une longue période et d'utiliser des options de rechange lors du choix de la chimie.

Vaillant
Le régime de température de fonctionnement recommandé par le fabricant est compris entre 40 et 50 o. Si vous le suivez, le tartre s'accumulera plus lentement dans l'échangeur de chaleur.
Beretta
Un fabricant de qualité qui adapte ses produits aux réalités russes. N'a aucune caractéristique pendant le nettoyage. Il est réalisé par analogie avec la plupart des produits similaires.
Ardéria
Une autre marque de Corée du Sud équipée de deux échangeurs de chaleur. En cas de mauvais fonctionnement du produit, il est conseillé de nettoyer les deux parties.
Causes et conséquences du colmatage
Dépendant de l'énergie sont divisés à leur tour en:
- gaz de traitement;
- installations électriques;
- équipement à combustible solide et à combustible liquide;
- modèles combinés.
Les chaudières volatiles peuvent s'éteindre pour plusieurs raisons :
- surtensions et surtensions dans les lignes électriques
- manque d'électricité
- échec des réglages d'usine.
Souvent utilisé dans les maisons: AOGV, chaudière Zhukovsky, gaz "Hearth", Lemax, Signal, Conord.
Four à faire soi-même pour l'élaboration: dessin, plan de travail. Lisez ici.
Raccordement au réseau d'eau de la ville : documents, tarifs :
Les mécaniques peuvent fonctionner par intermittence en raison du flux de vent entrant dans la cheminée. De plus, en raison d'un manque d'oxygène, la flamme peut s'éteindre.
Vous devez faire attention au capot (pour les modèles moins chers, il n'est pas toujours présent)
Lorsque la cheminée est contaminée, les appareils modernes disposent d'un système d'alerte qui vous avertira des problèmes et de la nécessité d'un nettoyage.
Comment retirer et nettoyer le bloc brûleur AOGV
Pour retirer le bloc brûleur, vous devez tourner le bac de la chaudière et déconnecter le tube d'allumage, le tuyau de gaz et le tube de contact du thermocouple de l'unité d'automatisation. Dévisser ensuite avec précaution les écrous des raccords de l'unité d'automatisation.
Retirer la paronite joint sur le tuyau de gaz principal et vérifier son état. Vérifiez l'usure du joint sur le tube évasé, il restera très probablement sur le raccord en T.
Après démontage de cet ensemble, la palette est facilement mise en rotation et par la rainure la plus proche des tubes, le support est retiré de l'engagement avec le carter. Tout en soutenant le plateau par le bas, poussez-le légèrement vers vous et dégagez les deux autres supports. Abaissez l'ensemble au sol et tirez-le délicatement entre les pieds de la chaudière.
- Vérifiez l'état du brûleur principal et nettoyez-le si nécessaire. Ensuite, inspectez la buse de la torche d'allumage.
- Dévisser les deux vis maintenant cet ensemble en position assemblée (mèche et thermocouple). Pour faciliter le dévissage, traitez les vis avec du WD-40, le processus sera beaucoup plus facile.
- Retirez le boîtier de la veilleuse pour accéder à la buse. Si nécessaire, retirez la plaque de la buse en laiton sans effort avec du papier de verre fin.
- Nettoyez la buse elle-même avec un fil de cuivre fin et soufflez sous pression avec une pompe du côté où le tube est connecté au té.
- Bien qu'il y ait un accès libre, nettoyez très soigneusement le coude du tube du thermocouple avec du papier de verre fin, il peut y avoir une petite couche d'oxyde.
Série AKGV
Les chaudières au sol avec un système de chauffage à double circuit sont également présentées ici. Les chaudières de cette série nécessitent une ventilation de haute qualité, qui éliminera les produits de combustion, et une pièce séparée.Certes, comme le montrent les critiques des modèles de cette série, vous pouvez également acheter une chaudière à gaz à installer dans la cuisine.
- La puissance du brûleur de ces unités varie de 11,5 à 29 kW. Le modèle le plus populaire a une puissance de 17 kW et chauffe une pièce de 150 mètres carrés. mètres
- La chaudière est équipée d'un échangeur de chaleur bithermique - un serpentin est installé à l'intérieur du réservoir, qui est chargé de chauffer l'eau à la température souhaitée
- Le brûleur de l'appareil a des propriétés anti-corrosion
- L'équipement de chauffage est équipé d'un thermostat, d'un système de contrôle de la température et d'un contrôle de l'alimentation en gaz et du tirage dans le système
De plus, la série AKGV se distingue par le fait que les parois extérieures ne chauffent pas pendant le fonctionnement, et avec des rafales de vent soudaines, la poussée ne disparaîtra pas grâce à un élément stabilisateur spécial.
Vous pouvez acheter une chaudière de chauffage Borinsky de la série AKGV pour 250 USD, et vous pouvez acheter des chaudières de chauffage au gaz Borinsky d'une puissance supérieure de 23 kW pour 360 $. Que disent les avis sur le modèle puissant de la chaudière de chauffage AKGV 23 ?
Anastasia, 32 ans :
Je suis heureux que ce modèle appartienne à non volatile, avec des pannes de courant constantes, les parents ont toujours un problème. Il chauffe également bien l'eau, mais je ne dirai pas qu'il y a assez de pression pour tous les besoins - c'est suffisant pour laver la vaisselle. »
3. Série AOGV - voici les chaudières à gaz à circuit unique conçues pour le chauffage des locaux. Les appareils de cette série sont des appareils au sol alimentés au gaz naturel.
Les modèles AOGV sont fabriqués dans un corps cylindrique et sont représentés par plusieurs «sous-séries» - une version économique avec une unité de commande de fabrication russe, un appareil universel avec une unité de commande de marques italiennes et une unité confortable, où l'automatisation est présentée par un fabricant allemand.
- Les chaudières à gaz au sol Borinsky AOGV ont une puissance thermique de 11,5 à 29 kW.
- Sont destinés au chauffage de pièces de 40 (à la puissance minimale) à 250 m². mètres (puissance maximale de la chaudière).
- Les chaudières à gaz sont équipées d'un système automatique d'arrêt de l'alimentation en gaz en l'absence de tirage et de fusible sur le brûleur.
- Équipé d'un thermostat avec une plage de température allant jusqu'à +95 degrés.
Vous pouvez acheter une chaudière Borinsky de la série AOGV pour 220 USD. - un tel modèle aura une puissance minimale, une unité pour une grande maison avec une puissance maximale coûtera entre 450 et 490 dollars. Regardons les critiques du modèle de milieu de gamme avec une puissance de 23 kW.
Alexandre, 37 ans :
En général, j'ai acheté un modèle avec des automatiques italiens pour mes 150 places. Je veux dire que l'efficacité est vraiment d'environ 90% et que la consommation de gaz est faible - quelque part autour de 1,7 kg / heure (ballon). Je suis satisfait de l'appareil et je n'ai pas été ravi depuis six mois maintenant.
4. Les séries KOV sont des chaudières au sol à circuit unique, qui avoir un grand pouvoir et sont conçus pour chauffer des pièces impressionnantes.
- Les chaudières Borinsky KOV ont une capacité de 30 à 63 kW;
- Équipé d'automatisation d'un fabricant italien;
- Sont destinés au chauffage de la zone de 250 à 750 m². mètres ;
- Les chaudières à gaz sont équipées d'un système de protection en l'absence de courant d'air, d'interruption d'alimentation en gaz et d'absence de fusible sur le brûleur.
Vous pouvez acheter une chaudière Borinsky d'une capacité de 30 kW pour 600-660 USD, une chaudière d'une capacité de 50 kW pour une pièce de 500 mètres carrés coûtera 820-860 dollars.
Choisir une chaudière "Borino"
Avant d'acheter une chaudière à gaz Borinsky, décidez pour quoi vous en avez besoin - remplira-t-elle uniquement la fonction de chauffage ou avez-vous besoin d'un modèle à double circuit.
- Regardez la puissance - si votre maison est isolée, vous pouvez choisir une chaudière adaptée à la superficie de la maison. Si votre maison est « froide », prenez un modèle avec une « réserve de marche »
- Regardez l'automatisation - toutes les chaudières au sol sont équipées d'un système de protection, mais l'automatisation elle-même peut être de production nationale ou étrangère
- Regardez la chambre de combustion et la sortie d'air - la chambre peut être fermée et ouverte, fonctionner au gaz naturel et à partir d'une bouteille. Certains modèles peuvent nécessiter des injecteurs de remplacement pour le fonctionnement au GPL.
Considérez la méthode pour trouver le dysfonctionnement ci-dessus
Une vérification lors de la réparation d'une chaudière à gaz commence par le «maillon le plus faible» du dispositif d'automatisation - le capteur de tirage. Le capteur n'est pas protégé par un boîtier, donc après 6 ... 12 mois de fonctionnement, il "acquiert" une épaisse couche de poussière. La plaque bimétallique (voir Fig. 6) s'oxyde rapidement, ce qui conduit à un mauvais contact.
La couche de poussière est enlevée avec une brosse douce. Ensuite, la plaque est retirée du contact et nettoyée avec du papier de verre fin. Il ne faut pas oublier qu'il faut nettoyer le contact lui-même. De bons résultats sont obtenus en nettoyant ces éléments avec un spray spécial "Contact". Il contient des substances qui détruisent activement le film d'oxyde. Après le nettoyage, une fine couche de lubrifiant liquide est appliquée sur la plaque et le contact.
L'étape suivante consiste à vérifier la santé du thermocouple. Il fonctionne dans des conditions thermiques difficiles, car il est constamment dans la flamme de l'allumeur, naturellement, sa durée de vie est bien inférieure à celle du reste des éléments de la chaudière.
Le principal défaut d'un thermocouple est l'épuisement (destruction) de son corps.Dans ce cas, la résistance de transition au niveau du site de soudage (jonction) augmente fortement. En conséquence, le courant dans le circuit thermocouple - électroaimant.
La plaque bimétallique sera inférieure à la valeur nominale, ce qui conduit au fait que l'électroaimant ne pourra plus fixer la tige (Fig. 5).
Travailler avec AOGV
Il démarre lorsque l'alimentation en gaz est bloquée - la vanne correspondante se ferme. Et c'est un principe général pour un tel travail avec toutes les chaudières et colonnes.
Comment nettoyer le brûleur d'une chaudière gaz AOGV ? Après avoir coupé le gaz, cet élément est retiré de sa position. Le brûleur a une buse
Il est soigneusement dévissé et soigneusement nettoyé avec une brosse. Le brûleur lui-même est nettoyé en soufflant à l'aide d'une pompe spéciale
Ensuite, la buse et le brûleur sont remis à leur place.
Ce sont des critères généraux. Et les détails sont présentés sur les deux modèles suivants.
Première. AOGV 11.6-3. C'est un appareil fiable et pratique.

Mais après une certaine période de fonctionnement, il est soigneusement nettoyé. Le processus se déroule comme suit :
Retrait du bloc brûleur
Pour ce faire, la palette de l'appareil est tournée et trois tubes sont déconnectés de l'unité d'automatisation: contact, gaz et thermocouples.
Dévissez soigneusement les écrous situés sur les raccords du mécanisme d'automatisation.
Le joint en paronite de la conduite principale de gaz est retiré et son état est étudié. S'il est endommagé, il doit être remplacé.
La palette désignée est extraite par la rainure, qui est aussi proche que possible des tubes
Parallèlement à cela, le boîtier est également retiré. En fixant la partie inférieure de la palette, dirigez-la vers vous et retirez les supports restants (deux pièces) de l'engagement.
Tout ce nœud tombe au sol.
Le brûleur principal est en cours d'étude et de nettoyage. La buse de l'allumeur est examinée.
La mèche et le thermocouple sont dévissés.
Un boîtier en forme de boîte est séparé du brûleur pilote. Cela dégage la voie vers la buse. S'il est en laiton et qu'il y a un revêtement dessus, il peut être enlevé avec du papier de verre à grain fin.
Nettoyage des buses. Pour cela, un fil de cuivre fin et une méthode de soufflage sous forte pression sont utilisés. La deuxième action est effectuée par une pompe spéciale du côté où le tube est connecté au té.
Le même papier de verre nettoie très soigneusement le coude du tube du thermocouple.
Après ce travail, tous les détails sont assemblés dans l'algorithme inverse. Doucement, en évitant les distorsions, soulevez ce bloc dans son ensemble. Le brûleur doit être à l'intérieur du boîtier et l'allumeur et le thermocouple ne doivent pas toucher la bride du boîtier.
Du côté des tubes, l'ensemble doit être poussé vers lui-même avec une légère pente descendante. Le côté opposé de la palette doit monter.
Ensuite, faites-le avancer et mettez de manière synchrone une paire de prises distantes. Ils doivent être sur le bordage du boîtier. Le crochet proche est une rainure découpée. Après y être entrée, toute la palette tourne dans le sens inverse du mouvement dans le sens des aiguilles d'une montre. Le tuyau de gaz doit être positionné uniquement sous son embranchement de l'unité d'automatisation.
Ensuite, on teste l'ajustement des joints et tous les tubes retournent à leur place. La clé serre les écrous sur deux tubes : allumeur et gaz.
Avant de remonter le tube thermocouple, ses zones de contact sont minutieusement mais soigneusement nettoyées. L'écrou est serré à la main.
La dernière étape consiste à vérifier l'étanchéité de toutes les connexions pour détecter d'éventuelles fuites. En leur absence, la chaudière s'allume. Si disponible, ces endroits sont recouverts de mastic, les écrous sont plus serrés.
Le deuxième modèle est AOGV-23.2-1 Zhukovsky.

Cela fonctionne comme ceci :
- L'écrou est dévissé pour que le tuyau de gaz passe.
- L'angle, l'allumeur et le thermocouple sont dévissés.
- Tous les brûleurs du kit s'étendent vers l'extérieur, se déplacent sur le côté vers l'utilisateur. En cas de difficulté avec leur mouvement, desserrez et dévissez les goujons avec une pince. Nettoyez tous les jets et autres composants.
- Démontage du brûleur. Pour ce faire, les goujons sont dévissés en 4 pièces des deux côtés.
- Les plaques fendues sont retirées du haut des brûleurs, puis les ressorts. Chaque détail est soigneusement nettoyé.
- Assemblez tous les éléments dans l'ordre inverse.
Après le remontage, un test d'étanchéité est organisé, il est étudié à quel point les brûleurs jouxtent le corps.
Produits de combustion et leur cause
- suie;
- résine;
- le goudron.
Les raisons de l'apparition de ces substances sont les points importants suivants:
- Causes de la suie :
- il n'y a pas assez d'oxygène pour le processus de combustion;
- la température de combustion du carburant est trop basse.
- Facteurs affectant l'apparence de la résine :
- un carburant de mauvaise qualité est utilisé;
- le matériau combustible a un degré d'humidité élevé ;
- la chaudière fonctionne à basse température ;
- trop de combustible est chargé dans le four.
- Tar apparaît dans les cas suivants :
- faible injection de flux d'air dans la chambre de combustion de la chaudière à pyrolyse ;
- conception incorrecte de l'unité ;
- cheminée basse.
Comme vous pouvez le constater, les principales raisons de l'apparition de substances nocives sont le mauvais carburant et les aspects techniques de l'organisation du processus de combustion.
Les experts conseillent: n'utilisez que du combustible de haute qualité - sinon l'usure de la chaudière augmentera rapidement.
Automatisation pour chauffer les chaudières à gaz AOGV

Automatisation pour chaudières à gaz assure un fonctionnement stable et sûr de l'équipement. Ces systèmes simplifient grandement l'utilisation des équipements de chauffage, augmentent leur efficacité et permettent une utilisation rationnelle des ressources énergétiques.
Automatisation pour chaudières à gaz AOGV
Les modèles modernes de chaudières de chauffage sont équipés d'appareils automatiques en production. L'automatisation doit assurer une alimentation en gaz ininterrompue du brûleur, mais les fonctions de ces appareils ne se limitent pas à cela. Des dispositifs automatiques ferment la vanne d'alimentation en gaz dans des situations potentiellement dangereuses :
- La température de l'eau dans le réservoir de la chaudière dépasse le maximum réglé.
- L'allumeur s'éteint.
- L'alimentation en eau s'arrête.
- Il y a une panne dans le système de gaz.
- La pression tombe en dessous de la norme établie.
- Avec un tirage de cheminée insuffisant.
En quoi consiste l'automatisation des chaudières à gaz AOGV ?
Un système automatique standard devrait avoir plusieurs éléments de base.
Éléments d'allumage. Il n'y a pas de torche allumée dans les systèmes modernes. Le brûleur pilote est allumé par un élément piézoélectrique, qui produit de l'énergie électrique à la suite d'une pression mécanique sur le cristal. Il existe des systèmes dans lesquels vous devez ouvrir la vanne d'alimentation en gaz d'une main et appuyer sur le bouton d'allumage piézo de l'autre. Dans les chaudières les plus modernes, un bouton est responsable du fonctionnement des deux processus. Un contrôle supplémentaire de la vanne de gaz est effectué de l'une des deux manières suivantes :
- En raison de la tension qui se produit lorsque le thermocouple est chauffé.
- En chauffant un générateur thermique supplémentaire (plus souvent utilisé dans les chaudières importées).
L'automatisation des chaudières à gaz AOGV fonctionne le plus souvent grâce à l'énergie d'un thermocouple.
Dans les deux cas, l'énergie générée crée une tension qui agit sur la bobine de la vanne gaz. Il reste ouvert, assurant l'alimentation en gaz, tant que le brûleur à gaz est allumé.
Système de thermorégulation. Ces éléments contrôlent la température de l'eau. Ils se composent d'un capteur de température et d'un système de vannes qui coupent le débit de gaz lorsque la température de consigne est atteinte. Dans les modèles de chaudières les plus modernes, un thermostat d'ambiance a été ajouté au circuit de commande, qui, en fonction de la température dans la pièce, donne un signal et la nécessité de fermer ou d'ouvrir la vanne d'alimentation en gaz.
Dans le système de thermorégulation mécanique, il y a un thermomètre sur le panneau de commande et le régulateur de température est situé à la sortie du liquide de refroidissement de la chaudière.
Éléments de commande pour une élimination efficace et sûre des produits de combustion. Il s'agit d'un capteur de tirage monté dans la cheminée. Les fils relient le capteur de poussée avec soupape à gaz. En l'absence de traction optimale, un signal est envoyé à la vanne, celle-ci se ferme et arrête l'alimentation en gaz.
Automatisation pour chaudières à gaz ne vous permet pas d'ouvrir l'alimentation en gaz, si les indicateurs de performance de l'équipement s'égarent, la moindre panne ou dépressurisation des tuyaux se produit.
Éléments supplémentaires et possibilités d'automatisation
Dans certains modèles, l'automatisation des chaudières à gaz AOGV est équipée d'un thermostat qui assure la régulation du débit de gaz. La raison de la réduction de l'intensité du travail peut être une augmentation de la température extérieure ou un signal de thermostat dans l'une des pièces indiquant que la température maximale autorisée a été dépassée.
Les modèles montés dans le système "Smart Home" suggèrent la possibilité de contrôler à distance les modes de chauffage.
Un système automatique moderne, correctement installé et réglé sur les équipements de chauffage permet de réduire les coûts de chauffage de 40%.
Les principales caractéristiques des chaudières à gaz AOGV-11.6-3
Les chaudières à gaz au sol AOGV-11.6-3 sont des unités à circuit unique d'une puissance nominale de 11,6 kW. L'appareil est capable de fonctionner aussi bien à partir de gaz naturel que de gaz liquéfié avec une consommation très économique. À ce jour, c'est la meilleure option pour chauffer une maison jusqu'à 110 mètres carrés. M. Dans le même temps, l'unité a des dimensions acceptables (850x310x412 mm), ce qui facilite sa recherche de place dans la maison et facilite l'installation de la chaudière.
En général, les AOGV-11.6-3 sont fiables et pratiques, ces appareils de chauffage ont fait leurs preuves et sont idéaux pour fonctionner en Russie. Les chaudières AOGV ne nécessitent aucune condition particulière de fonctionnement. Cependant, après plusieurs années de fonctionnement, il peut être nécessaire de nettoyer l'unité avec tous les composants de la suie et d'autres contaminants.
La rapidité avec laquelle la suie s'accumulera dans votre AOGV dépend de plusieurs raisons, y compris l'installation initiale correcte de l'appareil. Le processus de nettoyage AOGV n'est pas si compliqué, il est donc conseillé de l'effectuer régulièrement, au moins à titre préventif, avant le début de chaque saison de chauffage.
En commençant la procédure de nettoyage d'une chaudière à gaz, soyez plus attentif aux petites choses de toute conception dans l'unité. Tout a son but et des actions mal conçues peuvent conduire à des situations d'urgence.
Société "VodoGazServis"
LLC "VodoGazService" est une entreprise de vente en gros et au détail organisée par des spécialistes qualifiés de l'industrie de l'eau et du gaz qui ont de nombreuses années d'expérience dans cette industrie.Au cours de son travail, l'entreprise s'est imposée comme un partenaire fiable, prêt à servir le client le plus exigeant dans tous les coins de notre pays de Kaliningrad à Ioujno-Sakhalinsk. LLC "VodoGazService" a ouvert des succursales à Krasnoznamensk, Vladimir, Volgograd et Krasnodar. Sur la base de la connaissance du marché de consommation dans son domaine et de l'expérience des employés, l'entreprise dans son travail étudie régulièrement de nouveaux produits, surveille le marché moderne des équipements d'eau et de gaz domestiques et importés et est prête à n'offrir à l'acheteur que des équipements de haute qualité et des biens fiables qui répondent aux exigences modernes de qualité et de sécurité.
L'entrepôt dispose toujours de compteurs de gaz, de radiateurs de chauffage bimétalliques et en aluminium, de vannes d'arrêt et de contrôle de plomberie et de gaz, d'appareils sanitaires, d'électricité. La gamme comprend des chauffe-eau à accumulation (chaudières) d'une capacité de 10 à 500 litres, ainsi que des chauffe-eau instantanés à gaz et électriques modernes et sûrs de différentes capacités, importés et produits localement. Tous les produits que nous vendons ont les certificats et licences nécessaires.
Les produits proposés par notre société sont de bonne qualité, ont les dernières dates de sortie et sont fournis avec des cartes de garantie.
Le magasin "VodoGazService" est ouvert 7j/7, téléphone, plan de situation et horaires d'ouverture dans la rubrique "Contacts"
en savoir plus sur l'entreprise
Instructions de démarrage et d'utilisation
La chaudière est démarrée après l'installation sur une surface horizontale plane et la connexion de toutes les communications :
- Approvisionnement en gaz.
- Lignes directes et inversées du système de chauffage.
Après l'installation, le système doit être rempli de liquide de refroidissement.Le niveau de remplissage est surveillé à l'aide d'un tuyau de signalisation. La chaudière est allumée à l'aide d'une unité d'allumage piézo ou d'une allumette allumée (série Economy).
IMPORTANT!
Pour démarrer la chaudière, aérez d'abord la pièce pendant 15 minutes. Après cela, ouvrez le robinet de gaz, tournez la poignée en position «allumeur allumé» et noyez-la jusqu'à ce qu'elle s'arrête. Attendez dans cette position pendant 10 à 15 secondes, puis appuyez sur le bouton d'allumage piézo.
Lorsque la flamme apparaît sur l'allumeur, attendez encore 20 à 30 secondes, puis relâchez la poignée. L'allumeur doit continuer à brûler. Après cela, vous pouvez régler la température souhaitée du liquide de refroidissement.
Pendant le fonctionnement, aucune action spécifique n'est requise de la part de l'utilisateur, à l'exception d'un nettoyage périodique de la poussière et de la suie.
Une fois par an, un contremaître devrait être invité à effectuer l'entretien. Pour tout problème, veuillez contacter l'atelier de garantie ou de service.

Comment vérifier le thermocouple de la chaudière AOGV
Pour vérifier le thermocouple, dévisser l'écrou-raccord (Fig. 7), situé sur le côté gauche de l'électroaimant. Ensuite, l'allumeur est allumé et la tension constante (thermo-EMF) aux contacts du thermocouple est mesurée avec un voltmètre (Fig. 8). Un thermocouple réparable chauffé génère une FEM d'environ 25 ... 30 mV. Si cette valeur est inférieure, le thermocouple est défectueux. Pour son contrôle final, le tube est désamarré du boîtier de l'électroaimant et la résistance du thermocouple est mesurée.La résistance du thermocouple chauffé est inférieure à 1 ohm. Si la résistance du thermocouple est de plusieurs centaines d'ohms ou plus, il doit être remplacé. L'apparence d'un thermocouple qui a échoué à la suite d'un grillage est illustrée à la Fig. 9. Le prix d'un nouveau thermocouple (complet avec tube et écrou) est d'environ 300 roubles.Il est préférable de les acheter dans un magasin du fabricant ou d'utiliser les services d'un centre de service agréé. Le fait est que le fabricant améliore constamment ses produits. Cela se reflète dans les paramètres des pièces auto-fabriquées. Par exemple, dans la chaudière AOGV-17.4-3 de l'usine Joukovski, depuis 1996, la longueur de la connexion du thermocouple a été augmentée d'environ 5 cm (c'est-à-dire que les pièces similaires fabriquées avant ou après 1996 ne sont pas interchangeables). Ce type d'informations ne peut être obtenu qu'auprès d'un magasin (centre de service agréé).

La faible valeur de thermo-EMF générée par un thermocouple peut être causée par les raisons suivantes :
- colmatage de la buse d'allumage (en conséquence, la température de chauffage du thermocouple peut être inférieure à celle nominale). Un défaut similaire est «traité» en nettoyant le trou de l'allumeur avec n'importe quel fil souple d'un diamètre approprié;
- décaler la position du thermocouple (naturellement, il peut aussi ne pas chauffer suffisamment). Éliminez le défaut comme suit - desserrez la vis fixant le revêtement près de l'allumeur et ajustez la position du thermocouple (Fig. 10);
- faible pression de gaz à l'entrée de la chaudière.
Si la FEM au niveau des câbles du thermocouple est normale (tout en conservant les symptômes du dysfonctionnement indiqué ci-dessus), les éléments suivants sont vérifiés :
- l'intégrité des contacts aux points de connexion du thermocouple et du capteur de tirage.
Les contacts oxydés doivent être nettoyés. Les écrous-raccords sont serrés, comme on dit, "à la main". Dans ce cas, il n'est pas souhaitable d'utiliser une clé car il est facile de casser les fils adaptés aux contacts;
- l'intégrité de l'enroulement de l'électroaimant et, si nécessaire, souder ses conclusions.
Les performances de l'électroaimant peuvent être vérifiées comme suit. Débranchez le câble du thermocouple.Appuyez sur le bouton de démarrage et maintenez-le enfoncé, puis allumez l'allumeur. D'une source de tension continue séparée au contact libéré de l'électroaimant (du thermocouple), une tension d'environ 1 V est appliquée par rapport au boîtier (à un courant allant jusqu'à 2 A). Pour ce faire, vous pouvez utiliser une pile ordinaire (1,5 V), tant qu'elle fournit le courant de fonctionnement nécessaire. Maintenant, le bouton peut être relâché. Si l'allumeur ne s'éteint pas, l'électroaimant et le capteur de tirage fonctionnent ;
- capteur de poussée
Tout d'abord, la force d'appui du contact sur la plaque bimétallique est vérifiée (avec les signes indiqués de dysfonctionnement, elle est souvent insuffisante). Pour augmenter la force de serrage, desserrez le contre-écrou et rapprochez le contact de la plaque, puis serrez l'écrou. Dans ce cas, aucun réglage supplémentaire n'est nécessaire - la force de pression n'affecte pas la température de la réponse du capteur. Le capteur a une grande marge pour l'angle de déviation de la plaque, assurant une coupure fiable du circuit électrique en cas d'accident.
Impossible d'allumer l'allumeur - la flamme s'embrase et s'éteint immédiatement.
Il peut y avoir les raisons possibles suivantes pour un tel défaut :
- la vanne gaz à l'entrée de la chaudière est fermée ou défectueuse ; - le trou du gicleur de l'allumeur est bouché ; dans ce cas, il suffit de nettoyer le trou du gicleur avec un fil souple ; - la flamme de l'allumeur est soufflée à cause d'une forte tirant d'air ;
L'alimentation en gaz est coupée pendant le fonctionnement de la chaudière :
- déclenchement du capteur de tirage dû à un colmatage de la cheminée, dans ce cas il faut vérifier, nettoyer la cheminée ; - l'électroaimant est défaillant, dans ce cas, l'électroaimant est vérifié selon la méthode ci-dessus ; - pression de gaz insuffisante à l'entrée de la chaudière.
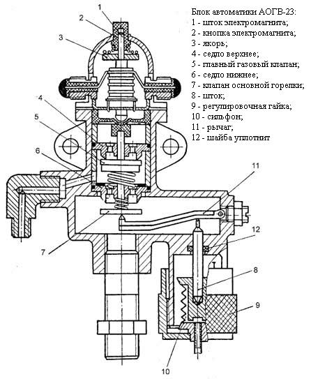
L'appareil de la chaudière à gaz AOGV - 17.3-3
Ses principaux éléments sont représentés sur la Fig. 2.Les chiffres sur la figure indiquent : 1-tracteur ; capteur à 2 poussées; Capteur de poussée à 3 fils ; bouton de démarrage 4 ; 5 portes; électrovanne 6 gaz; 7-écrou de réglage ; 8 robinets ; 9-réservoir ; 10 brûleurs ; 11 thermocouples ; 12 allumeurs ; 13 thermostats ; base 14 ; 15 tuyaux d'alimentation en eau ; 16-échangeur de chaleur ; 17-turbulateur ; soufflet à 18 nœuds ; 19 tuyaux d'évacuation d'eau ; 20 portes du disjoncteur de traction ; 21 thermomètres ; 22 filtres ; 23 cap.

La chaudière est réalisée sous la forme d'un réservoir cylindrique. Sur la face avant se trouvent les commandes, qui sont recouvertes d'une housse de protection. La soupape à gaz 6 (Fig. 2) se compose d'un électroaimant et d'une soupape. La vanne est utilisée pour contrôler l'alimentation en gaz de l'allumeur et du brûleur. En cas d'urgence, la vanne coupe automatiquement le gaz. Le coupe-tirage 1 permet de maintenir automatiquement la valeur du vide dans le four de la chaudière lors de la mesure du tirage dans la cheminée. Pour son fonctionnement normal, la porte 20 doit tourner librement, sans coincement, sur l'axe. Le thermostat 13 est conçu pour maintenir une température constante de l'eau dans le réservoir.
Le dispositif d'automatisation est illustré à la fig. 3. Arrêtons-nous plus en détail sur la signification de ses éléments. Le gaz traversant le filtre de nettoyage 2, 9 (Fig. 3) pénètre dans la vanne de gaz électromagnétique 1. Les capteurs de température de poussée sont connectés à la vanne à l'aide des écrous-raccords 3, 5. L'allumeur est allumé lorsque l'on appuie sur le bouton de démarrage 4. Il y a une échelle de réglage 9 sur le corps du thermostat 6. Ses divisions sont graduées en degrés Celsius.
La valeur de la température d'eau souhaitée dans la chaudière est réglée par l'utilisateur à l'aide de l'écrou de réglage 10. La rotation de l'écrou entraîne un mouvement linéaire du soufflet 11 et de la tige 7.Le thermostat est composé d'un ensemble soufflet-thermobalon installé à l'intérieur du réservoir, ainsi que d'un système de leviers et d'une vanne situés dans le boîtier du thermostat. Lorsque l'eau est chauffée à la température indiquée sur le régulateur, le thermostat est activé et l'alimentation en gaz du brûleur s'arrête, tandis que l'allumeur continue de fonctionner. Lorsque l'eau de la chaudière se refroidit de 10 à 15 degrés, l'alimentation en gaz reprend. Le brûleur est allumé par la flamme de l'allumeur. Pendant le fonctionnement de la chaudière, il est strictement interdit de régler (réduire) la température avec l'écrou 10 - cela peut entraîner la rupture du soufflet. Vous ne pouvez réduire la température sur le régleur qu'après que l'eau du réservoir ait refroidi à 30 degrés. Il est interdit de régler la température sur le capteur au-dessus de 90 degrés - cela entraînera le fonctionnement du dispositif d'automatisation et coupera l'alimentation en gaz. L'aspect du thermostat est illustré à la (Fig. 4).












































