- 5 Déflecteur de ventilation à faire soi-même
- Types de produits populaires
- Comment faire un déflecteur de cheminée à faire soi-même
- Comment calculer un déflecteur statique
- Auto-assemblage du déflecteur
- Pourquoi avez-vous besoin d'un déflecteur de cheminée et comment cela fonctionne
- Comment faire un déflecteur TsAGI sur un tuyau de cheminée de vos propres mains
- Outils requis
- Développement d'un dessin du modèle de déflecteur TsAGI
- Instruction étape par étape
- Classification des déflecteurs pour cheminées
- Options pour les conduits de gaz pour une maison de campagne
- Guide de sélection
- Cheminée de chaudière à combustible solide
- Le dispositif du déflecteur de canal de fumée et le principe de son fonctionnement
- Types principaux
- Variétés
- Installation d'un déflecteur de ventilation
5 Déflecteur de ventilation à faire soi-même
Connaissant l'appareil et le principe de fonctionnement de l'appareil, de nombreux propriétaires décident de fabriquer eux-mêmes un déflecteur de ventilation. Du point de vue de sa propre implémentation, la version du produit de Grigorovich est inégalée, nous allons donc considérer l'implémentation de cette version particulière. Le principal avantage est qu'une telle ventilation fonctionne sans électricité, toute l'année.
Vous devez d'abord préparer :
- type de tôle d'acier inoxydable, peut être remplacé par galvanisé;
- perceuse électrique;
- colliers de fixation, boulons, rivets et écrous;
- outil de dessin pour surfaces métalliques;
- boussole;
- feuille de carton;
- règle;
- ciseaux pour le métal et le papier.
Types de produits populaires
Vous avez probablement remarqué qu'ils se présentent sous différentes formes. Les appareils modernes peuvent avoir différents sommets :
- appartement
- Demi-cercle
- avec un couvercle
- Avec toit à pignon
bouchon semi-circulaire
Le premier type est le plus souvent installé sur des maisons de style Art Nouveau. Pour les bâtiments modernes ordinaires, un capuchon semi-circulaire est principalement utilisé. Un toit à pignon déflecteur est le meilleur moyen de protéger la cheminée de la neige.
La plupart des cheminées sont en fer galvanisé, moins souvent en cuivre. Mais aujourd'hui, les produits recouverts d'émail ou de polymère résistant à la chaleur deviennent à la mode. Si l'appareil est utilisé sur des conduits de ventilation où il n'y a pas de contact direct avec l'air chauffé, un capuchon en plastique peut être utilisé.
Les conceptions des déflecteurs sont également différentes.
Sur le marché intérieur, les plus populaires sont :
- Déflecteur TsAGI, sphérique avec rotation, ouvert "Astato"
- L'appareil de Grigorovitch
- "Dent de fumée"
- Cheminée ronde "Voller"
- Étoile Shenard
Différents types de chapeaux de cheminée
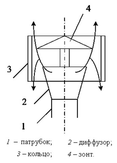
Le déflecteur TsAGI est devenu le plus populaire dans les espaces ouverts russes. Son forfait comprend :
- Tuyau de dérivation (entrée)
- Cadre
- Diffuseur
- Parapluie
- supports
Vous pouvez acheter un déflecteur d'usine et l'installer sur la cheminée, mais certaines personnes préfèrent le fabriquer elles-mêmes à partir de matériaux de rebut. Pour ce faire, suivez quelques règles simples.
Il s'agit d'un mécanisme qui a un corps rotatif et est relié à un ensemble de roulements, des pièces spécialement incurvées y sont fixées. La girouette elle-même est située sur le dessus, elle permet à l'ensemble de l'appareil, pour ainsi dire, de rester constamment dans le vent.

L'anneau avec un roulement intégré est fixé à la cheminée coupée avec des boulons solides. Le flux d'air passant entre les visières est accéléré, ce qui conduit à la création d'une zone raréfiée. La poussée, respectivement, augmente et augmente l'efficacité de la sortie des produits de combustion.
Comment faire un déflecteur de cheminée à faire soi-même
Vous devez d'abord décider à partir de quel matériau il sera créé. Il peut être en fer galvanisé ou en acier inoxydable. Le cuivre convient également, bien qu'il s'agisse d'un matériau coûteux. L'utilisation de ces métaux est due au fait que le déflecteur doit être aussi résistant que possible aux températures extrêmes et aux influences atmosphériques.
L'appareil a ses propres paramètres spécifiques qui doivent être respectés. Par exemple, la hauteur de la cheminée doit être de 1,6 à 1,7 partie du diamètre intérieur du tuyau et la largeur doit être de 1,9.
La séquence de travail sur la création indépendante du déflecteur est la suivante:
- Sur carton, nous dessinons un scan des principaux détails.
- Nous transférons les motifs sur le métal et découpons des pièces individuelles.
- Nous connectons tous les éléments les uns aux autres, en utilisant pour cela des fixations ou des soudures.
- Nous fabriquons les supports en acier nécessaires à la fixation du chapeau sur la surface de la cheminée.
- Nous récupérons le bouchon.
Un déflecteur fabriqué soi-même est d'abord assemblé et ensuite seulement monté sur un tuyau. Le cylindre est installé en premier, qui est fixé avec des attaches. A l'aide de pinces, on y fixe un diffuseur, ainsi qu'un capuchon, en forme de cône inversé.Cet élément simple permet à l'appareil de fonctionner par tous les vents.
Regardez la vidéo, faites-le vous-même et étape par étape :
Pour fabriquer vous-même une casquette, vous aurez besoin des éléments et outils suivants :
- Maillet en caoutchouc ou en bois
- Un marteau
- Bar
- pinces
- Ciseaux pour travailler le métal
- Coin en acier.
Pour simplifier le processus d'assemblage de l'appareil, les coins sont spécialement coupés sur toutes les pièces des deux côtés.
L'installation d'un déflecteur est obligatoire et est plus efficace en présence d'une cheminée indirecte.
Lors de la fabrication de l'appareil vous-même, vous devez respecter strictement les proportions indiquées ci-dessus. Si le déflecteur installé sur la cheminée ne respecte pas ces paramètres, il ne pourra alors pas remplir correctement sa fonction principale de création d'un bon tirage.
Nous fabriquons nous-mêmes la casquette, revue vidéo:
Lorsque vous réalisez vous-même des ébauches métalliques, il est préférable de le faire en utilisant des patrons en carton découpés aux dimensions requises. En les fixant sur une feuille de métal, il suffira d'entourer les détails le long du contour et vous pourrez les découper en toute sécurité sans crainte de vous tromper.
Si le tuyau a le diamètre maximal autorisé, l'installation nécessitera l'utilisation d'une rallonge en fil de fer.
Comment calculer un déflecteur statique
Lorsque vous fabriquez vous-même le déflecteur, vous devez effectuer des calculs et esquisser un croquis du futur produit. Vous devez procéder à partir du diamètre intérieur du tuyau de cheminée.
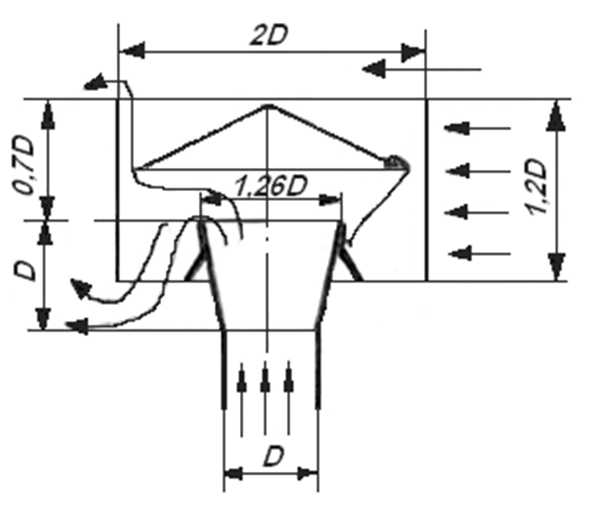
La photo montre la dépendance de la taille du déflecteur au diamètre de la cheminée. Pour déterminer le diamètre inférieur du diffuseur, le paramètre de base est multiplié par 2, le supérieur par 1,5, la hauteur du diffuseur par 1,5, la hauteur du cône, y compris l'inverse, la hauteur du parapluie lui-même par 0,25 , le tuyau entrant dans le diffuseur de 0,15
Pour un appareil standard, les paramètres peuvent être choisis dans le tableau :
Le tableau vous permettra de choisir les dimensions du déflecteur sans effectuer de calculs.Mais s'il n'y a pas de tailles appropriées, vous devez toujours vous armer d'une calculatrice ou trouver le programme approprié sur Internet.
Dans la fabrication d'un déflecteur avec des paramètres individuels, ces formules spéciales sont également utilisées pour déterminer les dimensions : • Diffuseur = 1,2 x din. tuyaux; • H = 1,6 x din. tuyaux; • Largeur de couverture = 1,7 x din. tuyaux.
Après avoir appris toutes les dimensions, vous pouvez calculer le balayage du cône du parapluie. Si le diamètre et la hauteur sont connus, le diamètre de la billette ronde peut être facilement calculé à l'aide du théorème de Pythagore :
R = √(D/2)² + H²
Nous devons maintenant déterminer les paramètres du secteur, qui sera ensuite découpé dans la pièce.
La longueur d'un cercle complet en 360⁰ L est égale à 2π R. La longueur du cercle sous-jacent au cône fini Lm sera inférieure à L. La longueur de l'arc de segment (X) est déterminée à partir de la différence de ces longueurs. Pour ce faire, composez la proportion:
L/360⁰ = Lm/X
La taille souhaitée en est calculée: X \u003d 360 x Lm / L. La valeur résultante de X est soustraite de 360⁰ - ce sera la taille du secteur coupé.
Ainsi, si la hauteur du déflecteur doit être de 168 mm et le diamètre de 280 mm, le rayon de la pièce est de 219 mm et sa longueur circonférentielle Lm = 218,7 x 2 x 3,14 = 1373 mm. Le cône souhaité aura une circonférence de 280 x 3,14 = 879 mm. D'où 879/1373 x 360⁰ = 230⁰. Le secteur coupé doit avoir un angle de 360 - 230 = 130⁰.
Lorsque vous devez couper une pièce sous la forme d'un cône tronqué, vous devez résoudre une tâche plus difficile, car. la valeur connue sera la hauteur de la partie tronquée, et non le cône entier. Indépendamment de cela, le calcul est effectué sur la base du même théorème de Pythagore. La hauteur totale se trouve à partir de la proportion :
(D – Dm)/ 2H = D/2Hp
D'où il suit que Hp = D x H / (D-Dm).Après avoir appris cette valeur, calculez les paramètres de la pièce pour un cône plein et soustrayez-en la partie supérieure.
Avec des paramètres connus : la hauteur du cône - plein ou tronqué et le rayon de la base, par des calculs simples, il suffit de déterminer le rayon de l'extérieur et de l'intérieur (dans le cas d'un cône tronqué) puis l'angle initial et la longueur de la génératrice de la courbe
Supposons qu'un cône tronqué soit requis, dans lequel H \u003d 240 mm, le diamètre à la base est de 400 mm et le cercle supérieur doit avoir un diamètre de 300 mm.
- Hauteur totale Hp = 400 x 240 / (400 - 300) = 960 mm.
- Rayon extérieur de la pièce Rz = √(400/2)² + 960² = 980,6 mm.
- Rayon de trou plus petit Rm = √(960 - 240)² + (300|2)² = 239 mm.
- Angle de secteur : 360/2 x 400/980,6 = 73,4⁰.
Il reste à tracer un arc avec un rayon de 980,6 mm et le second avec un rayon de 239 mm à partir du même point et tracer les rayons à un angle de 73,4⁰. S'il est prévu de chevaucher les bords, des tolérances sont ajoutées.
Auto-assemblage du déflecteur
Tout d'abord, les motifs sont préparés, puis ils sont disposés sur une feuille de métal et les pièces sont découpées à l'aide de ciseaux spéciaux. Le corps est plié, les bords sont fixés avec des rivets. Ensuite, les cônes supérieur et inférieur sont attachés l'un à l'autre, en utilisant le bord du premier pour cela. il est plus grand et des coupes de fixation spéciales d'environ 1,5 cm de large peuvent y être coupées à plusieurs endroits, puis pliées.
Il n'est pas difficile d'assembler un déflecteur simple, mais si un dispositif de type rotatif doit être installé, vous devrez composer avec de nombreuses pièces
Avant l'assemblage, 3 racks sont installés dans le cône inférieur, en les répartissant uniformément autour du périmètre et en utilisant des goujons filetés pour cela.Pour relier le parasol au diffuseur, des boucles de bandes métalliques sont rivetées sur ce dernier. Les crémaillères sont vissées dans les charnières et, pour une plus grande fiabilité, elles sont fixées avec des écrous.
De plus, ils effectuent des travaux sur l'installation d'un déflecteur fabriqué à la main sur la cheminée d'une chaudière à gaz ou autre type. L'appareil assemblé est placé sur le tuyau et fixé à l'aide de colliers, en évitant les espaces. Parfois, le joint est traité avec un scellant résistant à la chaleur.
Pourquoi avez-vous besoin d'un déflecteur de cheminée et comment cela fonctionne
Même le meilleur poêle ne pourra pas donner de bons résultats si sa cheminée ne crée pas le tirage nécessaire. C'est ce facteur qui affecte l'efficacité de l'alimentation en air et l'élimination rapide des gaz d'échappement.
et une diminution de l'efficacité est facilitée par des vents forts et des changements soudains de la pression atmosphérique. Ces facteurs météorologiques provoquent une turbulence des gaz de combustion et peuvent provoquer une poussée inverse, dans laquelle le sens de déplacement des produits de combustion est inversé. De plus, les précipitations et les débris pénètrent facilement dans la cheminée ouverte, ce qui réduit considérablement la section transversale du canal de fumée. Il est clair qu'il ne peut être question d'un fonctionnement normal du four dans de telles conditions.
En tant que réflecteur des flux d'air, le déflecteur sert en fait de barrière ordinaire au vent.
En heurtant un obstacle, le flux d'air le contourne de deux côtés, de sorte qu'immédiatement derrière le réflecteur se trouve une zone de basse pression. Ce phénomène est connu depuis le cours de physique à l'école sous le nom d'effet Bernoulli. C'est cela qui contribue à l'amélioration de l'élimination des gaz de la zone de combustion et vous permet d'alimenter le four avec la quantité d'air nécessaire.

Le principe de fonctionnement du déflecteur repose sur l'apparition d'une zone dépressionnaire sous le vent
Plus récemment, les ingénieurs ont été étroitement impliqués dans ce sujet. Au cours de nombreuses expériences, ils ont découvert qu'avec le bon choix de déflecteur, l'efficacité thermique du four peut être augmentée de 20%
Il est également important que le dispositif réfléchissant améliore les propriétés aérodynamiques de la cheminée, quelles que soient la force et la direction du vent, la présence de précipitations et d'autres facteurs météorologiques.
Comment faire un déflecteur TsAGI sur un tuyau de cheminée de vos propres mains
Le processus de développement et d'assemblage d'un déflecteur sur un tuyau d'échappement comprend quatre étapes: dessiner, créer des ébauches, assembler, installer la structure et la fixer directement sur la cheminée.
Outils requis
Vous aurez certainement besoin de :
- une feuille de papier épais pour le dessin et la mise en page;
- marqueur pour marquer;
- riveteuse pour connecter des éléments structurels;
- ciseaux à métal pour couper des pièces;
- perceuse;
- un marteau.
Ne pas oublier le bon outil avant d'installer le déflecteur
Développement d'un dessin du modèle de déflecteur TsAGI
Il existe un algorithme pour fabriquer un déflecteur à faire soi-même sur un tuyau de cheminée. Il est recommandé de faire la première étape sur papier. Vous devez d'abord calculer les dimensions du diamètre de la buse et du capuchon supérieur de la structure, ainsi que calculer la hauteur du réflecteur.
Pour cela, des formules spéciales sont utilisées:
- diamètre de la partie supérieure du déflecteur - 1,25d;
- diamètre de la bague extérieure - 2d;
- hauteur de construction - 2d + d / 2;
- hauteur de l'anneau - 1,2d ;
- diamètre du capuchon - 1,7d ;
- la distance de la base au bord de l'enveloppe externe est d/2.
Où d est le diamètre de la cheminée.
Un tableau aidera à faciliter la tâche, qui contient des calculs prêts à l'emploi pour les tailles standard de tuyaux métalliques.
| Diamètre de la cheminée, cm | Diamètre de l'enveloppe extérieure, cm | Hauteur de l'enveloppe extérieure, cm | Diamètre de sortie du diffuseur, cm | Diamètre du bouchon, cm | Hauteur d'installation de l'enveloppe extérieure, cm |
| 100 | 20.0 | 12.0 | 12.5 | 17.0…19.0 | 5.0 |
| 125 | 25.0 | 15.0 | 15.7 | 21.2…23.8 | 6.3 |
| 160 | 32.0 | 19.2 | 20.0 | 27.2…30.4 | 8.0 |
| 20.0 | 40.0 | 24.0 | 25.0 | 34.0…38.0 | 10.0 |
| 25.0 | 50.0 | 30.0 | 31.3 | 42.5…47.5 | 12.5 |
| 31.5 | 63.0 | 37.8 | 39.4 | 53.6–59.9 | 15.8 |
Si la cheminée a une largeur non standard, tous les calculs devront être effectués indépendamment. Mais, connaissant les formules, il est facile de mesurer le diamètre du tuyau et de déterminer tous les indicateurs nécessaires pour les utiliser lors de l'élaboration des dessins.
Lorsque les patrons sont réalisés, il est recommandé d'assembler au préalable un prototype papier du futur réflecteur. Même si vous êtes un artisan expérimenté et que vous êtes sûr de construire vous-même sans problème un déflecteur pour la cheminée d'un poêle, vous ne devez pas sauter cette étape, car cela vous aidera à identifier les erreurs et les défauts éventuels et à corriger les calculs ou un dessin. Ce n'est qu'après avoir créé la mise en page correcte du papier, qui confirme que le schéma de déflecteur est exact, que vous pouvez passer à l'étape suivante.
Instruction étape par étape
Il y a un ordre de travail qui doit être suivi, sinon vous ne pourrez pas connecter vous-même les différentes parties du déflecteur de cheminée de vos propres mains.
La procédure est la suivante :
- À l'aide de papiers vierges, transférez le gabarit sur la surface du métal à partir duquel vous prévoyez de fabriquer un réflecteur. Tracez soigneusement les contours des détails du papier. Vous pouvez utiliser un marqueur permanent, une craie spéciale et même un simple crayon à papier à cet effet.
- À l'aide de ciseaux à métal, découpez les blancs des détails structurels nécessaires.
- Sur tout le contour des sections, le métal doit être plié de 5 mm et soigneusement marché avec un marteau.
- Roulez la pièce en forme de cylindre, percez des trous pour les fixations afin de pouvoir connecter la structure avec des rivets. Le soudage est autorisé, mais pas le soudage à l'arc. Il faut veiller à ne pas brûler le métal. Choisissez une distance entre les points d'attache principaux de 2 à 6 cm, elle varie en fonction de la taille de la structure finie. Le cylindre extérieur est plié et fixé de la même manière.
- Pliez et reliez les bords, faites le reste des détails: un parapluie et un capuchon de protection en forme de cône.
- Les attaches doivent être découpées dans la tôle galvanisée - 3-4 bandes: largeur 6 cm, longueur - jusqu'à 20 cm. Pliez sur tout le périmètre des deux côtés et marchez dessus avec un marteau. De l'intérieur du parapluie, il est nécessaire de percer des trous de montage en s'écartant du bord de 5 cm, 3 points suffiront. Après cela, fixez les bandes métalliques au capuchon avec des rivets. Ensuite, ils doivent être pliés à un angle de 90 degrés.
- Connectez le diffuseur et le cône à l'aide de rivets au tuyau d'admission. Après avoir fabriqué de vos propres mains un déflecteur pour un tuyau rond, vous pouvez procéder à son installation.
Un déflecteur de cheminée Volper peut également être créé en utilisant une méthode similaire. Sa conception est très similaire au modèle TsAGI, mais il y a quelques différences dans la partie supérieure. Ils sont également en acier inoxydable, galvanisé ou en cuivre.
Classification des déflecteurs pour cheminées
Tous les appareils sont divisés en trois grands groupes selon plusieurs critères.
Avant de prendre une décision finale, il est recommandé de vous familiariser avec les modèles de déflecteurs les plus connus.
Le tableau comparatif répertorie uniquement les modèles populaires auprès des développeurs privés.
Table.Types de déflecteurs pour la cheminée
| La casquette de Grigorovitch | Option classique et très courante, la vitesse de déplacement des produits de combustion augmente d'environ 20 à 25 %. L'appareil se compose de deux parapluies presque identiques reliés en une seule structure à une petite distance entre eux. Peut être installé sur les cheminées rondes et carrées. De par les caractéristiques de conception, il y a une double accélération du mouvement des flux d'air : dans le sens de l'étranglement du diffuseur et vers le capot de reprise supérieur. |
| Buse TsAGI | Le modèle a été développé par des employés de l'Institut central d'aérohydrodynamique, dans un passé récent l'institution scientifique spécialisée la plus célèbre. La poussée est améliorée en attirant la pression du vent et la différence de pression en hauteur. La buse à l'intérieur a un écran supplémentaire, à l'intérieur duquel un déflecteur traditionnel est installé. La buse TsAGI élimine l'effet de poussée inverse. L'inconvénient est que dans certaines conditions climatiques de la période hivernale, du givre peut apparaître sur les murs, ce qui aggrave les paramètres du tirage de la cheminée. |
| Cap Astato | Le produit a été développé par des spécialistes de la société française Astato. Il se compose d'une partie statique et dynamique, rarement utilisée sur les cheminées. En effet, les conditions de fonctionnement extrêmement difficiles du ventilateur imposent des exigences strictes en matière de fiabilité et de sécurité. De tels ventilateurs augmentent considérablement le coût global d'installation des conduits de cheminée. |
| Déflecteurs turbo | Dispositifs assez complexes, constitués d'une tête de turbine rotative et d'un corps fixe. En raison de la rotation des pales sous le capot de l'appareil, la pression diminue, la fumée de la cheminée est aspirée plus efficacement.Les roulements modernes permettent à la turbine de tourner à une vitesse de vent de seulement 0,5 m/s, ce qui améliore considérablement les performances des cheminées. Les déflecteurs turbo sont 2 à 4 fois plus efficaces que les modèles statiques et ont une apparence attrayante. |
| Hottes rotatives | Les visières de protection sont reliées au conduit de cheminée par un petit palier fermé des deux côtés. L'auvent a une géométrie incurvée et, en termes de projection, recouvre complètement la section de la cheminée. Une girouette est installée sur le dessus de la hotte, qui fait tourner la structure en fonction de la direction du vent. Les flux d'air traversent des fentes spéciales et montent. Un tel mouvement provoque une diminution de la pression et une augmentation du tirage naturel des gaz d'échappement de la cheminée. |
| Module en forme de H | Il est le plus souvent monté sur des cheminées industrielles. La principale caractéristique est la capacité de travailler avec de fortes rafales de vent. De plus, la possibilité d'inversion de poussée est complètement éliminée. |
Le capitaine devrait choisir un déflecteur approprié après une analyse minutieuse de tous les facteurs. Mais il faut garder à l'esprit qu'une traction très forte a non seulement des côtés positifs, mais aussi des côtés négatifs. Quoi exactement?
- Le mouvement de l'air est si rapide que la mèche s'éteint. Ce problème survient souvent sur les chaudières à gaz. Les modèles modernes ont un allumage automatique avec une étincelle électrique. Il fonctionne constamment, ce qui cause des désagréments aux utilisateurs. Les chaudières de conception obsolète ne sont pas équipées de tels dispositifs, elles doivent être démarrées manuellement.
Si le tirage est trop fort, la flamme de la chaudière s'éteindra constamment
- Un fort tirage réduit l'efficacité de la chaudière de chauffage.Les produits de combustion chauds pendant une courte période de contact avec l'échangeur de chaleur n'ont pas le temps de lui donner le maximum d'énergie thermique. Une partie importante de celui-ci est évacuée par la cheminée, ce qui augmente le coût des ressources financières pour l'entretien du bâtiment en hiver.
Un fort tirage réduit considérablement l'efficacité de la chaudière, ce qui entraîne une augmentation des coûts de chauffage
- Le fort tirage de la cheminée provoque un apport accru d'air extérieur froid. En conséquence, le confort de séjour dans les locaux se dégrade, la température baisse, il faut augmenter la puissance des chaudières. Et cela, compte tenu du coût actuel des vecteurs énergétiques, se reflète dans la situation financière des utilisateurs.
Méthode de vérification de la présence et de la force du tirage dans la cheminée
Options pour les conduits de gaz pour une maison de campagne
Pour évacuer les produits de combustion à température relativement basse (jusqu'à 120 ° C) émis par les chaudières à gaz, les types de cheminées suivants conviennent:
- sandwich modulaire en acier inoxydable à trois couches avec isolation incombustible - laine de basalte;
- un canal constitué de tuyaux en fer ou en amiante-ciment, protégé par une isolation thermique;
- les systèmes isolés en céramique tels que Schiedel ;
- bloc de briques avec un insert de tuyau en acier inoxydable, recouvert de l'extérieur d'un matériau calorifuge;
- idem, avec un manchon interne en polymère de type FuranFlex.
Dispositif sandwich à trois couches pour le désenfumage
Expliquons pourquoi il est impossible de construire une cheminée en brique traditionnelle ou de mettre un tuyau en acier ordinaire relié à une chaudière à gaz. Les gaz d'échappement contiennent de la vapeur d'eau, qui est un produit de la combustion des hydrocarbures. Au contact des parois froides, l'humidité se condense, puis les événements se déroulent comme suit :
- Grâce à de nombreux pores, l'eau pénètre dans le matériau de construction. Dans les cheminées métalliques, le condensat coule le long des murs.
- Étant donné que les chaudières à gaz et autres chaudières à haut rendement (au diesel et au propane liquéfié) fonctionnent périodiquement, le gel a le temps de capter l'humidité et de la transformer en glace.
- Les granules de glace, de plus en plus grosses, décollent la brique de l'intérieur et de l'extérieur, détruisant progressivement la cheminée.
- Pour la même raison, les parois d'un conduit de fumée en acier non isolé plus près de la tête sont couvertes de glace. Le diamètre de passage du canal diminue.
Tuyau en fer ordinaire isolé avec de la laine de kaolin incombustible
Guide de sélection
Étant donné que nous avons initialement entrepris d'installer une version peu coûteuse de la cheminée dans une maison privée, adaptée à une installation à faire soi-même, nous recommandons d'utiliser un sandwich de tuyau en acier inoxydable. L'installation d'autres types de tuyaux est associée aux difficultés suivantes:
- L'amiante et les tuyaux en acier à paroi épaisse sont lourds, ce qui complique le travail. De plus, la partie extérieure devra être gainée d'isolant et de tôle. Le coût et la durée de la construction dépasseront certainement l'assemblage d'un sandwich.
- Les cheminées en céramique pour chaudières à gaz sont le meilleur choix si le développeur en a les moyens. Les systèmes tels que Schiedel UNI sont fiables et durables, mais trop chers et hors de portée du propriétaire moyen.
- Des inserts en acier inoxydable et en polymère sont utilisés pour la reconstruction - revêtement de canaux en briques existants, précédemment construits selon d'anciens projets. Clôturer spécialement une telle structure n'est ni rentable ni inutile.
Variante de conduit avec insert en céramique
Une chaudière à gaz suralimentée peut également être raccordée à une cheminée verticale conventionnelle en organisant l'apport d'air extérieur par une canalisation séparée.La solution technique doit être mise en œuvre lorsqu'un conduit de gaz a déjà été réalisé dans une maison privée, amené sur le toit. Dans d'autres cas, un tuyau coaxial est monté (illustré sur la photo) - c'est l'option la plus économique et la plus correcte.
Il convient de noter le dernier moyen le moins cher de construire une cheminée: faites de vos propres mains un sandwich pour une chaudière à gaz. Un tuyau en acier inoxydable est pris, enveloppé dans de la laine de basalte de l'épaisseur requise et gainé d'une toiture galvanisée. La mise en œuvre pratique de cette solution est illustrée dans la vidéo :
Cheminée de chaudière à combustible solide
Le mode de fonctionnement des appareils de chauffage au bois et au charbon implique le dégagement de gaz plus chauds. La température des produits de combustion atteint 200 ° C ou plus, le canal de fumée se réchauffe complètement et le condensat ne gèle pratiquement pas. Mais il est remplacé par un autre ennemi caché - la suie déposée sur les parois intérieures. Périodiquement, il s'enflamme, faisant chauffer le tuyau jusqu'à 400-600 degrés.
Les chaudières à combustible solide conviennent aux types de cheminées suivants :
- acier inoxydable à trois couches (sandwich);
- tuyau à simple paroi en acier inoxydable ou en acier noir à paroi épaisse (3 mm);
- céramique.
Le conduit de gaz en brique de section rectangulaire 270 x 140 mm est garni d'un tuyau inox ovale
Il est contre-indiqué de poser des tuyaux en amiante sur les chaudières, les poêles et les cheminées TT - ils se fissurent à haute température. Un simple canal de brique fonctionnera, mais en raison de la rugosité, il sera obstrué par de la suie, il est donc préférable de le recouvrir d'un insert en acier inoxydable. Le manchon polymère FuranFlex ne fonctionnera pas - la température de fonctionnement maximale n'est que de 250 ° C.
Le dispositif du déflecteur de canal de fumée et le principe de son fonctionnement
Tous les déflecteurs de cheminée ont la même conception et se composent de quatre éléments :
- cylindre;
- diffuseur;
- l'anneau se casse ;
- capuchon de protection.
Les appareils peuvent différer par leur conception, leurs dimensions et le nombre d'éléments supplémentaires, mais ils fonctionnent tous sur le même principe.
Étant donné que la conception ne crée pas de résistance au flux d'air interne, la fumée ne retourne pas dans la pièce et est efficacement évacuée à l'extérieur du bâtiment. De plus, l'appareil protège le canal de la saleté et des débris et est esthétiquement agréable.
Des études montrent que l'installation d'un déflecteur sur une cheminée augmente l'efficacité des appareils de chauffage de 15 à 20 %. Cependant, cette valeur dépend non seulement du déflecteur, mais également de l'emplacement et du diamètre de la section de cheminée.
Types principaux
Les magasins spécialisés offrent de nombreuses options de design. Le type de déflecteur à choisir pour la cheminée dépendra du type de chaudière. Très souvent, des modèles simples sont fabriqués à la main afin d'économiser de l'argent. Les réflecteurs les plus populaires incluent les appareils suivants :
- TsAGI est considéré comme l'appareil le plus populaire. Il a une forme cylindrique. Un tel réflecteur est en acier inoxydable ou galvanisé. Selon le type de connexion, il peut s'agir d'un mamelon et d'une bride. Le principal avantage est un emplacement pratique pour l'évacuation des masses d'air à travers les conduits de ventilation, ce qui améliore la traction. Grâce à cette conception, la fumée sort rapidement de la cheminée. Parmi les inconvénients figure la difficulté de fabrication.
- Round Volper est très similaire à TsAGI, mais il présente des différences dans la partie supérieure. Une visière de protection y est installée contre divers contaminants et précipitations.Le modèle le plus pertinent pour les baignoires, en acier inoxydable, galvanisé et cuivre.
- Le réflecteur Grigorovich est l'option la plus abordable, il est donc souvent fabriqué à la main. Une conception simple se compose d'un cylindre supérieur et inférieur, d'un cône, de buses et de supports de fixation. La simplicité de l'appareil est son principal avantage, et la position haute du parapluie est considérée comme un inconvénient, ce qui contribue au soufflage latéral de la fumée.
- Le réflecteur en forme de H convient pour une installation avec des segments de tuyau, ce qui lui permet de résister à des charges de vent maximales. Les parties principales de l'appareil sont montées sous la forme de la lettre H. Cette caractéristique empêche la saleté et les précipitations de pénétrer dans le tuyau en raison de l'emplacement horizontal du tuyau. Les éléments latéraux disposés verticalement améliorent le tirage interne, à la suite de quoi la fumée est évacuée simultanément dans différentes directions.
- Une girouette est un appareil à boîtier tournant fixé au sommet de la cheminée. Il est fabriqué en acier inoxydable ou en acier au carbone. Les crêtes qui coupent les courants d'air du vent sont conçues pour améliorer le tirage dans la cheminée. Ils servent également à protéger les chaudières et les fours contre la contamination de l'extérieur. L'inconvénient du dispositif est la fragilité des roulements qui contribuent au mouvement des visières.
- Le réflecteur à plaque peut également être attribué aux déflecteurs les plus simples et les plus abordables. Il protège bien le système de cheminée et fournit un fort tirage. Pour empêcher la saleté et les précipitations de pénétrer dans le tuyau, l'appareil est équipé d'une visière spéciale. Dans sa partie inférieure se trouve un capuchon dirigé vers le tuyau. La poussée interne est améliorée deux fois en raison du canal étroit et raréfié, où les masses d'air entrent.
Certains des modèles peuvent être fabriqués indépendamment. Pour ce faire, vous devez disposer de dessins d'exécution aux dimensions spécifiées. Les valeurs requises peuvent être obtenues après avoir mesuré le diamètre intérieur de la cheminée. S'il y a des inexactitudes dans les paramètres, des difficultés surgiront lors de l'installation de l'appareil et lors de son fonctionnement ultérieur.
L'installation des produits s'effectue de deux manières - sur un morceau de tuyau ou sur une cheminée. La première option est la plus pratique, car les travaux préliminaires peuvent être effectués en dessous, et non sur le toit, ce qui est plus sûr. Les produits d'usine sont le plus souvent équipés d'une buse inférieure, ce qui facilite la tâche. Il est simplement mis sur le tuyau et fixé avec des colliers métalliques.
Variétés
De nombreux utilisateurs se demandent constamment : quel déflecteur est le meilleur pour la cheminée ? Pour répondre à cette question, vous devez étudier les modèles existants et, en fonction de leurs caractéristiques, choisir la meilleure option.
Aujourd'hui, il existe plusieurs variétés de déflecteurs qui ont gagné en popularité en raison de leur caractère pratique et de leur fiabilité.
Poppet Astato. Ce déflecteur est ouvert, mais il est très efficace. Sa principale caractéristique est qu'il est capable de fournir une bonne traction, quelle que soit la direction du vent. Matériau de production — acier galvanisé/inoxydable.
Déflecteur de cheminée Astato
Déflecteur TsAGI. Ce modèle est reconnu comme l'un des plus populaires et des plus demandés. Il est réalisé sous la forme d'un cylindre. Le matériau de fabrication est l'acier inoxydable ou galvanisé. Type de connexion - bride.
Voleur rond. En termes de caractéristiques de conception, ce modèle ressemble au précédent.La principale caractéristique distinctive est le haut de l'appareil. Habituellement, ces déflecteurs sont en acier inoxydable ou en cuivre. Le plus souvent, ils sont achetés pour être installés sur la cheminée du bain.
Déflecteur Grigorovitch. Ce type est une version plus moderne et améliorée de TsAGI. Il est installé dans des endroits où les vents ne sont généralement pas très forts.
En forme de H. Ce modèle est très durable et fiable, quelle que soit la direction du vent - efficace. Un déflecteur en forme de H est en acier inoxydable. La connexion se fait au moyen d'un tie-in sur la buse de l'appareil.
Déflecteur de girouette. C'est un corps rotatif, au sommet duquel se trouve une girouette. Fabriqué en acier inoxydable ou en acier au carbone.
Types de déflecteurs pour la cheminée
Fondamentalement, les déflecteurs de cheminée diffèrent par leur forme et leurs éléments constitutifs. Comme le montrent les exemples, les produits sont généralement fabriqués en acier inoxydable et en acier galvanisé. Les modèles sont ronds, carrés, en forme de cylindre ouvert et fermé. Le "haut" de l'appareil est également différent. Dans certains cas, il a la forme d'un parapluie, dans d'autres, le couvercle peut être à pignon ou en croupe, et dans d'autres, il est complètement plat ou avec des éléments décoratifs figurés.
Le diamètre du déflecteur sur le tuyau de cheminée peut être de 100 à 500 mm, la largeur du diffuseur varie de 240 à 1000 mm, la hauteur de l'appareil est de 140 à 600 mm.
Le déflecteur est relié à la cheminée à l'aide de supports, de boulons et de ruban d'étanchéité. Il est en acier dont l'épaisseur est de 0,5 à 1 mm. Vous pouvez également installer un pare-étincelles. Typiquement, un équipement est équipé d'une telle pièce, en cas de risque d'un éventuel incendie de la toiture.
Installation d'un déflecteur de ventilation
Pour augmenter le tirage dans les conduits d'air soufflé, il est préférable d'utiliser des déflecteurs Tsaga. Ils se caractérisent par un design simple. Par conséquent, ils peuvent être rapidement fabriqués à la main.
Le bouchon en question peut avoir une section transversale différente. Il est équipé d'un cylindre spécial. Pour obtenir un fonctionnement ininterrompu de l'appareil, il doit être installé à une distance de cent à cent soixante centimètres au-dessus du toit.
La conception de cet appareil consiste en :

- parapluie;
- corps;
- un ensemble de crochets ;
- diffuseur spécial;
- tuyau d'admission.
L'installation de l'appareil ne nécessite pas beaucoup d'efforts. C'est assez facile à gérer.
Il est important de monter l'appareil dans une zone à circulation d'air libre. Il est strictement interdit de monter le déflecteur dans l'ombre aérodynamique créée par les bâtiments voisins
L'appareil est placé sur le dessus du canal. Le cylindre inférieur est fixé avec des boulons. Le diffuseur est fixé avec des supports. Le bouchon est disposé sur des pinces
Il est important de sécuriser chaque partie de l'appareil en toute sécurité. Assurez-vous de vérifier le fonctionnement de la vanne, qui vous permettra d'ajuster le tirant d'eau par vent fort
La mise en œuvre correcte de toutes les recommandations vous permettra de créer un conduit de ventilation efficace. A noter que les déflecteurs Tsaga peuvent également être utilisés pour équiper les conduits de cheminée.




































