- Variétés d'ampoules
- Lampes à incandescence et halogènes
- Ampoules halogènes basse tension
- Lampes fluorescentes
- Ampoules LED
- Quand est-ce que l'achat est la pire option ?
- Circuits de gradation
- Comment connecter des LED via un gradateur ?
- Connecter un gradateur
- Schéma d'un gradateur avec un interrupteur
- Schéma de câblage avec deux gradateurs
- Schéma avec deux commutateurs traversants
- Avantages et inconvénients des gradateurs
- Sur le microcontrôleur
- Gradateurs pour lampes LED 220 volts. Schème
- Schéma et principe de son fonctionnement
- Que devez-vous savoir sur les gradateurs ?
- Avantages de l'utilisation de l'appareil
- Comment s'effectue la régulation ?
- Réglage de l'éclairage dans plusieurs pièces avec un régulateur de passage
- Nous connectons le régulateur à la place de l'interrupteur - procédure
- Utilisation de condensateurs
- Principe d'opération
Variétés d'ampoules
Dans les gradateurs, une variété de types de sources lumineuses sont utilisées: lampes à incandescence, halogènes (conventionnelles et basse tension), fluorescentes, ampoules LED. Les options de connexion d'un variateur avec un interrupteur diffèrent selon le type de lampes utilisées.
Lampes à incandescence et halogènes
Ces sources lumineuses sont conçues pour 220 volts.Pour modifier l'intensité de l'éclairage, des gradateurs de tous les modèles sont utilisés, car la charge est entièrement active en raison du manque de capacité et d'inductance. L'inconvénient des systèmes de ce type est le décalage du spectre des couleurs vers le rouge. Cela se produit lorsque la tension chute. La puissance des gradateurs est comprise entre 60 et 600 watts.
Ampoules halogènes basse tension
Pour travailler avec des lampes basse tension, vous aurez besoin d'un transformateur abaisseur avec un régulateur pour charges inductives. Une caractéristique distinctive du régulateur est l'abréviation RL. Il est recommandé d'acheter le transformateur non pas séparément du gradateur, mais en tant qu'appareil intégré. Pour un transformateur électronique, des indicateurs capacitifs sont définis. Pour les sources lumineuses halogènes, la douceur des fluctuations de tension joue un rôle important, sinon la durée de vie des ampoules sera considérablement réduite.
Lampes fluorescentes
Le gradateur standard devra être remplacé par un ballast électronique (ballast électronique) si le démarrage est effectué par un interrupteur, une charge luminescente de démarrage ou un starter électromagnétique. Le schéma le plus simple d'un système avec des lampes fluorescentes est illustré dans la figure ci-dessous.
La tension à l'ampoule est envoyée à partir d'un générateur de fréquence de 20 à 50 kHz. La lueur se forme en raison de l'entrée en résonance du circuit créé par l'inductance et la capacité. Pour modifier l'intensité du courant (ce qui modifie la luminosité de la lumière), vous devez modifier la fréquence. Le processus de gradation démarre dès que la pleine puissance est atteinte.
Les ballasts électroniques sont fabriqués sur la base du contrôleur IRS2530D, équipé de huit sorties.Cet appareil agit comme un pilote en demi-pont de 600 volts avec des fonctionnalités de déclenchement, de gradation et de sécurité intégrée. Le circuit intégré est conçu pour mettre en œuvre toutes les manières possibles contrôle, grâce à la présence de plusieurs sorties. La figure ci-dessous montre le circuit de commande des sources lumineuses fluorescentes.
Ampoules LED
Bien que les LED soient économiques, il est souvent nécessaire de réduire la luminosité de leur éclat.
Caractéristiques des sources lumineuses LED :
- plinthes standards E, G, MR ;
- possibilité de fonctionner avec un réseau sans appareils supplémentaires (pour lampes 12 volts).
Les ampoules LED ne sont pas compatibles avec les gradateurs standards. Ils échouent tout simplement. Par conséquent, pour travailler avec des LED, des interrupteurs spéciaux avec gradateurs pour lampes à LED sont utilisés.
Les régulateurs adaptés aux LED sont disponibles en deux versions : avec contrôle de tension et avec contrôle par modulation de largeur d'impulsion. Le premier type d'appareil est très coûteux et encombrant (il comprend un rhéostat ou un potentiomètre). Les gradateurs à tension variable ne sont pas le meilleur choix pour les ampoules basse tension et ne peuvent fonctionner qu'à 9 et 18 volts.
Ce type de source lumineuse se caractérise par une modification du spectre en réponse à une régulation de tension. Pour cette raison, le réglage des diodes lumineuses est effectué en contrôlant la durée des impulsions émises. De cette manière, le scintillement est évité puisque la fréquence de répétition des impulsions atteint 300 kHz.
Il existe de tels contrôleurs avec PWM:
- Modulaire. La gestion est effectuée par des télécommandes, des télécommandes ou à l'aide de pneus spéciaux.
- Installé dans une boîte de montage.Ils sont utilisés comme interrupteurs à commande rotative ou à bouton-poussoir.
- Systèmes à distance installés dans des structures de plafond (pour bandes LED et spots).
La régulation de la largeur d'impulsion nécessite des microcontrôleurs coûteux. Et ils ne sont pas réparables. Il est possible de fabriquer indépendamment un dispositif basé sur un microcircuit. Vous trouverez ci-dessous un circuit de gradation pour les ampoules LED.
La fréquence normale des oscillations est obtenue grâce à l'utilisation d'un générateur, qui comprend un condensateur et une résistance. Les intervalles de connexion et de déconnexion de la charge à la sortie du microcircuit sont définis par la taille de la résistance variable. Un transistor à effet de champ sert d'amplificateur de puissance. Si le courant est supérieur à 1 ampère, vous aurez besoin d'un radiateur de refroidissement.
Quand est-ce que l'achat est la pire option ?
Les gradateurs d'usine sont capables de fournir le résultat économique attendu ou d'augmenter le confort de vie dans toutes les situations typiques. De plus, leur coût est différent, ce qui vous permettra de faire un achat "abordable".
Mais encore, dans un certain nombre de situations, vous ne pouvez pas trouver une option adaptée en taille ou en puissance, donc un produit fait maison peut être une issue.
Dans la plupart des cas, une personne intéressée pourra acheter un gradateur d'usine peu coûteux, dont les performances le satisferont.
Il existe des situations non standard lorsque les produits industriels ne satisfont pas les besoins humains. Par exemple, cela arrive si un petit gradateur est nécessaire, on souhaite améliorer les propriétés esthétiques de son panneau de commande.
Ou une personne considère qu'il est nécessaire d'augmenter l'efficacité, de rendre le contrôle plus pratique, d'obtenir des effets de couleur, d'améliorer toute autre caractéristique.
Fabriquer un simple variateur n'est pas une tâche difficile, d'autant plus que vous n'aurez besoin que d'outils accessibles à tous, dont le principal est un fer à souder
Vous pouvez également l'assembler vous-même, lorsque les composants nécessaires sont disponibles, ce qui réduira considérablement le coût de la procédure.
Circuits de gradation
Le variateur pour tension 220V, avec une coupure sur le front montant, fonctionne sur le principe du contrôle de tension phase-impulsion. Pendant le fonctionnement, les éléments d'un tel gradateur alimentent la charge en tension à certains moments, coupant une partie de la sinusoïde. Ceci est montré plus en détail et plus clairement dans les graphiques.

La zone de la sinusoïde ombrée en gris est la zone de la tension ou de sa valeur efficace, qui est fournie à la charge (lampe ou tout autre appareil décrit ci-dessus).
La ligne pointillée rouge montre la forme d'onde de tension à l'entrée du gradateur pour les lampes à led. Sous cette forme, il est alimenté par un interrupteur classique sans réglages.
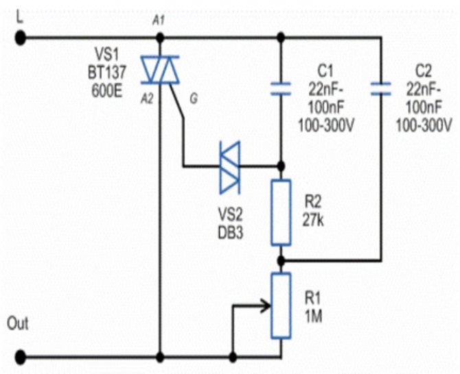
Comment connecter des LED via un gradateur ?

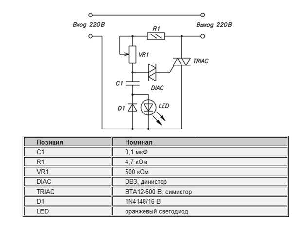
Les valeurs nominales des composants et toutes les informations sont indiquées sur le schéma du gradateur.
L'appareil est installé dans la rupture du fil allant à la source lumineuse, au moteur, à l'élément chauffant ou à tout autre appareil.
La logique du circuit est la suivante : le condensateur C1 est chargé à travers le circuit R1 et le potentiomètre R2. Selon la position du potentiomètre, le condensateur est chargé à la tension d'ouverture du dinistor VD1.
Le circuit utilisait un dinistor DB3, qui est d'environ 30V. A travers un dinistor ouvert, une impulsion de commande de l'ouverture du triac (thyristor bidirectionnel) est appliquée à son électrode de commande.
Plus la résistance réglée par le bouton du potentiomètre est élevée, plus le condensateur se charge longtemps, respectivement, plus le circuit dinistor-triac s'ouvrira tard et la tension sera plus faible, car la majeure partie de la sinusoïde sera coupée. Et vice versa - moins de résistance - plus de tension à la sortie du régulateur.

Connecter un gradateur
Il y a plusieurs schémas de connexion des variateurs.
Schéma d'un gradateur avec un interrupteur
Dans le cas décrit, le gradateur est installé devant le gradateur en coupure de phase. Le commutateur contrôle l'alimentation en courant. Le schéma de connexion est illustré dans la figure ci-dessous.

De l'interrupteur, le courant est dirigé vers le gradateur, et de là vers l'ampoule à incandescence. En conséquence, le régulateur détermine le niveau de luminosité souhaité et l'interrupteur est responsable de l'activation et de la désactivation de la chaîne.
Le schéma est bien adapté pour les chambres. L'interrupteur est placé près de la porte et le gradateur est placé près du lit. Cela permet de contrôler la lumière directement depuis le lit. Lorsqu'une personne quitte la pièce, l'éclairage s'éteint et lorsqu'elle revient dans la pièce, la lumière s'allume avec les caractéristiques définies par le gradateur.
Schéma de câblage avec deux gradateurs
Dans ce circuit, il y a deux interrupteurs d'éclairage lisses. Ils sont montés à deux endroits dans une pièce et, essentiellement, sont des interrupteurs qui contrôlent les appareils d'éclairage individuels.

Le circuit est associé à la fourniture de trois conducteurs à la boîte de jonction à partir de chaque point. Pour connecter des gradateurs, des cavaliers connectent les premier et deuxième contacts dans les gradateurs. Ensuite, une phase est fournie au troisième contact du premier gradateur, qui va au dispositif d'éclairage à travers le troisième contact du deuxième gradateur.
Schéma avec deux commutateurs traversants
Ce schéma est rarement utilisé. Il est demandé pour organiser le contrôle de l'éclairage dans les pièces de passage et les longs couloirs. Le schéma vous permet d'allumer et d'éteindre la lumière, ainsi que de l'ajuster à partir de différentes parties de la pièce.

Les commutateurs de passage sont placés dans une coupure de phase. Les contacts sont reliés par des conducteurs. Le gradateur entre dans la chaîne de manière séquentielle, après l'un des interrupteurs. Une phase se rapproche du premier contact, qui va ensuite vers la lampe à incandescence.
La luminosité est contrôlée par un variateur. Cependant, il faut garder à l'esprit que lorsque le régulateur est éteint, les interrupteurs de passage ne sont pas en mesure de commuter les ampoules.
Avantages et inconvénients des gradateurs
Parmi les avantages des différents types d'interrupteurs avec régulateurs figure le démarrage en douceur du système d'éclairage, qui peut augmenter considérablement la durée de vie des luminaires (la durée de vie des lampes à incandescence dans ce cas augmente jusqu'à 40%).
Les gradateurs peuvent être utilisés non seulement pour contrôler la lumière, mais aussi pour réguler la tension d'autres appareils (bouilloires, fers à repasser, radiateurs)
Dans ce cas, il est important d'observer la correspondance entre la puissance de l'appareil et la charge exercée sur celui-ci. De tels dispositifs créent des possibilités infinies pour la décoration intérieure.
Avec leur aide, il est facile de mettre en lumière la zone sélectionnée, de créer des motifs lumineux intéressants. Une qualité précieuse des gradateurs est également la possibilité de contrôler les sources lumineuses à distance ou à l'aide de sons.
De tels dispositifs créent des possibilités infinies pour la décoration intérieure. Avec leur aide, il est facile de mettre en lumière la zone sélectionnée, de créer des motifs lumineux intéressants.Une qualité précieuse des gradateurs est également la possibilité de contrôler les sources lumineuses à distance ou à l'aide de sons.
Cependant, ces dispositifs ont aussi leurs inconvénients. Les variateurs ne peuvent être utilisés que pour contrôler des sources lumineuses dont la puissance correspond à celle de l'appareil. En raison des caractéristiques de la tension de sortie, les transformateurs abaisseurs peuvent ne pas fonctionner correctement.
Les appareils peuvent générer des interférences électromagnétiques qui interféreront avec le fonctionnement des radios et autres appareils. Certains types de lampes (en particulier celles équipées de dispositifs supplémentaires - ballasts électroniques, pilotes) ne peuvent en principe pas être combinées avec des gradateurs. L'efficacité des gradateurs lorsque vous travaillez avec des lampes à incandescence est assez faible. Baisser la luminosité des lampes a peu d'effet sur la consommation d'électricité, qui au lieu de la lumière se transforme en chaleur.
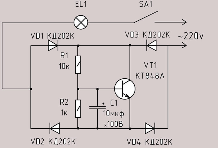
Sur le microcontrôleur
Dans le cas où l'interprète a pleinement confiance en ses capacités, il peut se charger de la fabrication d'un stabilisateur thermique pour un fer à souder fonctionnant sur un microcontrôleur. Cette version du régulateur de puissance se présente sous la forme d'une station de soudage à part entière, qui dispose de deux sorties de travail avec des tensions de 12 et 220 volts.
Le premier d'entre eux a une valeur fixe et est destiné à alimenter des fers à souder miniatures à faible courant. Cette partie de l'appareil est assemblée selon le circuit de transformateur habituel, qui, en raison de sa simplicité, peut être ignoré.
A la deuxième sortie d'un régulateur de bricolage pour fer à souder, fonctionne une tension alternative dont l'amplitude peut varier dans la plage de 0 à 220 volts.
Le schéma de cette partie du régulateur, associé à un contrôleur de type PIC16F628A et à un indicateur de tension de sortie numérique, est également présenté sur la photo.
Pour le fonctionnement en toute sécurité d'équipements avec deux tensions de sortie différentes, un régulateur fait maison doit avoir des prises de conception différente (incompatibles entre elles).
Une telle prévoyance élimine la possibilité d'erreur lors de la connexion de fers à souder conçus pour différentes tensions.
La partie puissance d'un tel circuit est réalisée sur un triac de la marque VT 136 600, et la puissance dans la charge est réglée au moyen d'un interrupteur à bouton-poussoir à dix positions.
En commutant le régulateur à bouton-poussoir, vous pouvez modifier le niveau de puissance dans la charge, indiqué par des chiffres de 0 à 9 (ces valeurs sont affichées sur l'écran de l'indicateur intégré à l'appareil).
Comme exemple d'un tel régulateur, assemblé selon le schéma avec le contrôleur SMT32, une station conçue pour connecter des fers à souder avec des pointes T12 peut être envisagée.
Cette conception industrielle de l'appareil qui contrôle le mode de chauffage du fer à souder qui lui est connecté est capable de réguler la température de la panne dans la plage de 9 à 99 degrés.
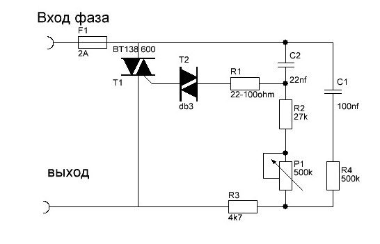
Gradateurs pour lampes LED 220 volts. Schème
Dans la plupart des cas, une personne intéressée pourra acheter un gradateur d'usine peu coûteux, dont les performances le satisferont.Il existe des situations non standard lorsque les produits industriels ne répondent pas aux besoins humains. Le prix des gradateurs avec régulateur et avec boutons diffère d'un ordre de grandeur, car un gradateur à bouton-poussoir, par exemple un gradateur Legrand, est généralement assemblé à l'aide d'un microcontrôleur.
Pour cela, un circuit utilisant une puce KR EN 12A est utilisé, illustré dans la figure ci-dessous. Se compose d'une anode et d'une cathode.
Autrement dit, le rapport de puissance n'est pas de 5:1, comme dans la publicité, mais de 4:1.
La méthode proposée convient aux lampes avec un circuit de condensateur. Selon les calculs, il devrait être 10 fois plus grand que sur le schéma, mais il ne rentrera pas dans le petit corps de lampe. Lors de la connexion d'un gradateur pour une lampe LED en B avec télécommande, assurez-vous qu'il est installé directement avant le contrôleur de lampe. Le gradateur dans la configuration ci-dessus est conçu pour connecter un appareil électrique d'une puissance ne dépassant pas les watts.
De plus, sa fonctionnalité vous permet de travailler en conjonction avec des systèmes de sécurité ou simplement de simuler la présence de personnes dans la pièce. Lisez "Considérations générales" à la fin.
Sting Sur la piqûre, aussi, faites attention lors de l'achat. Autrement dit, sa résistance devient très faible, et l'ampoule brûle jusqu'à la fin de l'alternance
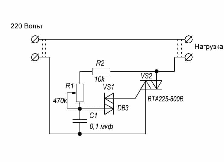
Lorsque la tension sur le condensateur atteint une valeur suffisante pour ouvrir le triac et le dinistor, le triac s'ouvre.
Schéma et principe de son fonctionnement
Son avantage le plus important est la possibilité de travailler dans une large gamme de tension d'alimentation. De plus, une conception de conducteur multicouche est fournie, ce qui vous permet d'effectuer des tâches aussi précisément que possible.
Question stupide. D'une autre manière, on l'appelle un régulateur de courant alternatif. Nous testons le circuit sur des lampes.
Régulateur de puissance pour appareils alimentés en AC 220V. Gradateur sur VTA41-600
Que devez-vous savoir sur les gradateurs ?
Le verbe "to dim" en anglais signifie "to come dim", "to darken". Ce phénomène est l'essence des gradateurs. En outre, une personne reçoit en outre un certain nombre d'avantages.
Avantages de l'utilisation de l'appareil
Parmi les avantages, il convient de souligner les fonctionnalités supplémentaires suivantes :
- réduire la consommation d'électricité - cela conduit à une plus grande efficacité;
- remplacer plusieurs types d'appareils d'éclairage - par exemple, une lampe peut servir de veilleuse, d'éclairage principal, etc.
De plus, l'utilisateur peut obtenir divers effets d'éclairage, par exemple, utiliser un éclairage conventionnel contrôlé par un gradateur comme musique légère.
De plus, sa fonctionnalité vous permet de travailler en conjonction avec des systèmes de sécurité ou simplement de simuler la présence de personnes dans la pièce. Cela aidera les propriétaires de tous les locaux à protéger leur propriété contre les intrus ou même à empêcher leur entrée non autorisée dans un appartement ou un bureau.
La base de la conception du gradateur est un triac
Il est important de se rappeler que sa puissance doit être supérieure de 20 à 50% au même indicateur de charge. De plus, il doit supporter une tension de 400 V
Cela garantira la durabilité du produit.
De plus, le contrôle de la luminosité est capable de rendre le contrôle des sources d'éclairage, d'autres appareils électriques plus pratique et efficace. Par exemple, vous pouvez utiliser des signaux radio ou infrarouges, ce qui vous permettra d'effectuer les manipulations nécessaires à distance.
Ou il est possible d'utiliser plusieurs points de contrôle de la lumière au lieu d'un seul. Par exemple, si l'utilisateur souhaite moderniser l'éclairage de la chambre, les régulateurs peuvent être installés à l'entrée, ainsi qu'à proximité du lit.
Une telle décision rendra la vie des propriétaires un peu plus confortable. Vous pouvez faire la même chose dans n'importe quelle autre pièce.
Comment s'effectue la régulation ?
Si une personne intéressée décide d'assembler elle-même un gradateur, la procédure ne doit pas être lancée avec des réflexions sur la façon de le faire, mais avec la détermination des buts et objectifs qui seront résolus.

Voici à quoi ressemble une onde sinusoïdale de courant ordinaire, et l'essence de la gradation est de la "couper". Cela réduira la durée de l'impulsion et permettra à l'appareil de fonctionner à une puissance inférieure à la pleine puissance.
Donc, avant de procéder au montage, il est nécessaire de décider quel type de lampes sera utilisé. Cette procédure est obligatoire, car il existe différents principes de contrôle de la luminosité de la lueur.
Ceux-ci inclus:
- changement de tension - cette méthode sera pertinente lors de l'utilisation de lampes à incandescence obsolètes;
- modulation de largeur d'impulsion - cette option doit être utilisée pour contrôler la luminosité des appareils d'éclairage modernes à économie d'énergie.
La modification de la tension des lampes à LED est inefficace car elles fonctionnent dans une plage étroite et, avec un léger écart par rapport à la norme, elles s'éteignent ou ne s'allument pas. Cela ne vous permettra pas de libérer pleinement le potentiel des appareils conventionnels, car des gradateurs spécialisés pour les appareils à LED sont produits pour eux.
De plus, l'utilisation de rhéostats simples mais dépassés ne permet pas d'économiser sur l'électricité. Après tout, l'excès d'électricité sous forme de chaleur est simplement dissipé dans l'air.

Un gradateur correctement fabriqué devrait fournir une telle sinusoïde, dans laquelle de courtes impulsions alternent avec de longues pauses. De plus, plus il est long et plus la force du signal est faible, plus la lampe brillera.
À l'aide de la modulation de largeur d'impulsion, il sera possible d'assembler un gradateur permettant aux lampes de fonctionner à 10-100% de leur puissance. Dans ce cas, l'utilisateur recevra un agréable bonus sous forme d'électricité économisée.
Et vous pouvez également utiliser pleinement tous les autres avantages des gradateurs, y compris la durabilité.
Réglage de l'éclairage dans plusieurs pièces avec un régulateur de passage
Les gradateurs traversants sont généralement utilisés dans les ménages privés ou les appartements multi-pièces. Des commutateurs traversants peuvent être utilisés pour résoudre ce problème afin de fournir un contrôle de la lumière.
Pour pouvoir régler la luminosité à partir de différents endroits, le dispositif de passage doit être installé à un moment donné et un gradateur rotatif est monté à un autre. Un tel schéma est l'un des plus simples en terme de mise en oeuvre.
À un endroit de la pièce, la lumière sera allumée ou éteinte, et à l'autre, le paramètre d'intensité sera ajusté.
Mais en vente, vous pouvez trouver des modèles d'appareils modernes à l'aide d'une gradation pass-through de l'éclairage. Ce sont des commandes tactiles. Ces appareils ont un remplissage électronique, ce qui vous permet de synchroniser le travail de plusieurs appareils en même temps. Pour contrôler la procédure de réglage au moyen de gradateurs, les appareils doivent d'abord être connectés aux soi-disant satellites. Selon le type d'appareil, leur nombre peut aller de 5 à 10 pièces.
Nous connectons le régulateur à la place de l'interrupteur - procédure
La présence d'un maître de maison ayant des connaissances minimales dans le domaine électrique lui permettra de connecter correctement un variateur monobloc dans son logement. Il n'y a pas de difficultés particulières ici.La principale chose à retenir est que le régulateur est monté exclusivement dans la coupure du câble de phase. L'appareil ne doit en aucun cas être connecté à une coupure neutre. Si vous faites cette erreur, vous pouvez immédiatement aller acheter un nouveau gradateur. Son circuit électronique grillera tout simplement.
Au lieu d'un interrupteur, le gradateur est installé selon le schéma suivant:
- Coupez l'alimentation électrique de l'appartement dans le panneau d'alimentation.
- Débranchez les fils des bornes de l'interrupteur installé et retirez-le.
- Mettez le blindage sous tension, utilisez un tournevis avec une LED, un multimètre ou un testeur électrique pour déterminer le fil de phase. Marquez-le d'une manière qui vous convient (collez un morceau de ruban adhésif ou de ruban électrique, faites une marque avec un crayon).
- Vous pouvez maintenant éteindre le blindage et procéder directement à l'installation du gradateur. C'est facile à faire. Vous devez appliquer le fil de phase que vous avez noté à l'entrée du régulateur. De la sortie, il ira à la boîte de jonction (c'est-à-dire à la charge), puis au luminaire lui-même.

Installation d'un gradateur
Il existe des gradateurs avec des contacts de sortie et d'entrée signés. Dans ceux-ci, il est impératif de fournir un fil de phase au connecteur approprié. Si les contacts du gradateur ne sont pas marqués d'une manière spéciale, la phase est alimentée à l'une des entrées disponibles.
Après avoir connecté le gradateur, vous devez le réinstaller dans la prise, mettre une garniture décorative et une molette de potentiomètre sur le gradateur (si vous montez un mécanisme tourner-pousser ou tourner). Tout! Vous avez pu connecter correctement le gradateur à l'interrupteur. Utilisez l'appareil installé à votre guise!
Utilisation de condensateurs
Un tel gradateur fonctionne uniquement comme un interrupteur, ce qui modifie le chemin du flux de courant qui alimente la charge. Mais le circuit du variateur à bouton est assez simple et ne nécessite aucun élément spécifique.
Circuit variateur de condensateur
Le principe de son fonctionnement est de basculer le commutateur SA1 sur l'une des trois positions possibles :
- éteint - le circuit est complètement interrompu, la lampe est éteinte ou le commutateur de passage émet un zéro logique dans le circuit ;
- court-circuité à la lampe - il n'y a aucun élément dans le circuit de connexion du gradateur à l'exception d'une lampe électrique (le dispositif d'éclairage brûle à pleine puissance);
- connecté via le circuit R - C - ne donne qu'un certain pourcentage de la luminosité de l'éclairage.
En fonction des paramètres de la résistance et de l'élément capacitif, la tension et la luminosité de la lueur dépendront. Ce gradateur est utilisé pour atténuer l'éclairage en dissipant une partie de la puissance dans le circuit R-C, de sorte que vous ne réalisez aucune économie grâce à la gradation.
Principe d'opération
L'élément principal présent dans les gradateurs modernes est un triac. Dans la version anglaise, cela s'appelle un triac. Un triac est un dispositif semi-conducteur qui est un type de thyristor. Son objectif principal est de poursuivre la commutation des circuits AC. Sur ces appareils, vous pouvez créer un variateur pour régler la tension dans le circuit d'éclairage. Pour les lampes classiques, il s'agit de 220 volts et de 12 volts pour les lampes halogènes basse tension. En principe, vous pouvez créer des régulateurs pour presque toutes les tensions.
Le triac est connecté en série dans un circuit avec une charge réglable. S'il n'y a pas de signal de commande sur le triac, il est verrouillé et la charge est éteinte.Après réception d'un signal, l'appareil s'ouvre et la charge est allumée. Une caractéristique du triac est qu'à l'état ouvert, il laissera passer le courant dans les deux sens.

Triac pour variateur
En plus des triacs, le circuit gradateur peut également inclure des dinistors, qui sont un certain type de diodes semi-conductrices. Ils servent de témoins. Grâce à toutes les caractéristiques du triac et du dinistor que nous avons indiquées ci-dessus, les circuits électriques des gradateurs artisanaux sont assez simples et ne contiennent que peu de composants.















































