Chauffage au gaz à faire soi-même dans une maison privée

Chauffage au gaz d'une maison privée - comment choisir un système, un type de câblage et une chaudière

Comment faire le chauffage au gaz d'une maison privée de vos propres mains

L'installation de chauffage autonome à faire soi-même est tout à fait à la portée d'une personne qui a les compétences d'un tel travail

Divers schémas d'installation sont examinés en détail, une attention particulière est accordée aux détails individuels

Vous pouvez effectuer indépendamment tous les travaux d'installation d'un système de chauffage domestique, à l'exception de:

  1. puiser le système de chauffage de la maison dans le réseau de gaz;
  2. conception du chauffage au gaz de la maison.

L'insertion et la conception sont effectuées uniquement par des organisations spécialisées disposant de licences.

Demande de service

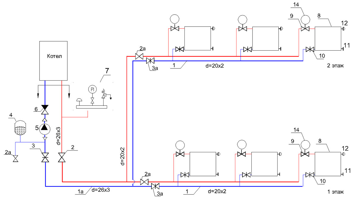
Le principe de fonctionnement du chauffage de l'eau est le suivant: l'eau chauffée par une chaudière à gaz circule naturellement ou de manière forcée dans des canalisations, dégageant de la chaleur dans les locaux. Le schéma de chauffage optimal pour une maison privée à deux étages comprend un système avec chauffage au sol au premier étage et chauffage par radiateur au deuxième étage.La circulation du liquide de refroidissement peut être naturelle (circulation gravitaire) ou forcée (pompe de circulation).

Considérez la procédure d'installation d'un chauffage au gaz autonome en utilisant l'exemple d'un bâtiment de 2 étages:

  1. installation de la chaudière dans la chaufferie au rez-de-chaussée;
  2. installation d'un groupe de sécurité, vase d'expansion, pompe de circulation
  3. installation d'une unité de pompage et de mélange pour plancher chauffant pour faire circuler le liquide de refroidissement à la température requise ;
  4. installation d'un collecteur pour un sol chaud;
  5. pose d'un sol chaud (la spécification des matériaux et la procédure peuvent être trouvées sur Internet);
  6. installation de radiateurs et leur raccordement au collecteur dans toutes les pièces du deuxième étage ;
  7. à la fin de l'installation complète du chauffage, le plancher chauffant est coulé avec du béton.

Les schémas de chauffage d'une maison privée avec une chaudière à gaz peuvent être de deux types:

1. Schéma de chauffage à circuit unique d'une maison privée avec une chaudière à gaz (fermé, conçu uniquement pour le chauffage des locaux)

2. Schéma à double circuit utilisant une chaudière spéciale (chauffant et chauffant simultanément l'eau du robinet)

Schémas de câblage du chauffage autonome

Le câblage de chauffage d'une chaudière à gaz est basé sur plusieurs schémas de chauffage typiques, qui diffèrent par le type de circulation du liquide de refroidissement (généralement de l'eau) et par les méthodes de tuyauterie. Il existe les types d'installation de chauffage suivants :

  • Distribution de chauffage monotube, dans laquelle les tuyaux sont bouclés et les radiateurs sont disposés en série. Le liquide de refroidissement, sortant de la chaudière, traverse tour à tour chaque radiateur. La température du liquide de refroidissement diminue lorsque vous vous déplacez. Il est primitif et imparfait, car la température du liquide de refroidissement chute à la fin du cycle.
  • Le système Leningradka avec radiateurs de dérivation dédiés est intermédiaire et vous permet d'éliminer certains des problèmes d'un circuit monotube;
  • Système "Leningradka" amélioré avec vannes d'arrêt et d'équilibrage ;
  • Le câblage à deux tuyaux représente les tuyaux d'alimentation et de retour parallèles l'un à l'autre. Permet au liquide de refroidissement utilisé dans le radiateur d'être renvoyé vers la chaudière pour le chauffage. L'alimentation en liquide de refroidissement du radiateur selon ce schéma se produit sans perte de chaleur.
  • Le câblage radial (collecteur) distribue le liquide de refroidissement collecté aux radiateurs individuels. Le schéma est complexe, utilisé rarement.

Les schémas de chauffage pour une maison privée à 2 étages peuvent être les suivants:

1. Système de chauffage de type ouvert

Vase d'expansion - un conteneur ouvert avec un tuyau d'entrée relié à une colonne montante d'alimentation. Il est installé au point le plus élevé du système de chauffage - le liquide de refroidissement ne déborde pas vers l'extérieur et le vase d'expansion sert en outre de bouche d'aération.

Schéma de chauffage au gaz autonome de type ouvert

2. Système de chauffage de type fermé

Un vase d'expansion scellé est installé dans le système, divisé par une membrane élastique en chambres à eau et à air. Avec la dilatation thermique, l'excès de liquide de refroidissement pénètre dans la chambre à eau du réservoir. La pression dans la chambre à air augmente et lorsque la pression chute, le liquide de refroidissement retourne dans les canalisations. Le réservoir peut être installé à n'importe quel endroit, mais il est généralement monté à côté de la chaudière sur le tuyau de retour. Une soupape de surpression est installée.

Schéma avec recirculation naturelle et forcée, utilisé pour chauffer une maison privée à deux étages

Processus d'installation de chauffage au gaz

C'est bien de tout faire dans la maison de ses propres mains, mais lors du raccordement et de l'installation d'une chaudière à gaz, il vaut mieux s'adresser à des spécialistes; sur chaque instruction pour les chaudières "Aton", "Siberia", "Conord", "Ariston" cet avertissement est indiqué. Le gaz est une chose dangereuse : des connaissances et une expérience particulières sont nécessaires pour travailler avec.

La préparation commence par vérifier sa qualité, la présence de composants dans la composition. Alors

Chauffage au gaz à faire soi-même dans une maison privée

Lors de l'installation du système de chauffage, toute négligence peut provoquer l'explosion de l'équipement.

laver les tuyaux de la chaudière. Examinez le mur sous la chaudière. ça doit être solide. Un joint en matériau incombustible y est fixé. La chaudière est située à une distance de 5 cm du joint; doit avoir une ventilation ou une cheminée.

Ayant l'autorisation de, vous devez préparer les outils nécessaires:

  • vis autotaraudeuses grandes d'un diamètre de 6 mm - 4 pièces;
  • marqueur;
  • exercice victorieux;
  • perceuse;
  • chevilles en plastique;
  • niveau;
  • parapet.
Lire aussi :  Comment choisir une chaudière à double circuit à combustible solide pour une longue combustion

Acquérir le matériel nécessaire :

  • fil à trois conducteurs ;
  • coude de cheminée;
  • support parallèle ;
  • crépine d'angle ;
  • robinets à tournant sphérique ;
  • joint en paronite;
  • alarme gaz;
  • certificat de gaz.

Système de gravité

La gravité est une attraction naturelle. La circulation de l'eau le long d'un contour donné est réalisée par un dispositif de traction, les lois de la physique. Aucune connexion électrique ou pompe nécessaire.

Le chauffage gravitationnel de la chaudière est un invité fréquent des chalets, des maisons de campagne, où se produisent des pannes de courant. Cependant, dans les foyers qui utilisent une chaudière, il est possible de s'organiser pour économiser l'électricité.

Un câblage approprié pour une circulation naturelle est essentiel.S'il y a une violation dans l'installation, le chauffage s'avérera ne pas fonctionner.

La caractéristique d'installation est une pente qui n'interfère pas avec la montée de l'eau à partir de la pression en ligne. La chaudière est installée sous les radiateurs, l'angle fournit une traction pour soulever le support, diminuant à mesure qu'il refroidit.

Chauffage au gaz à faire soi-même dans une maison privéeLa gravité

Matériaux et outils

Pour construire une chaudière à gaz, préparez les matériaux et outils suivants:

  • perceuse électrique;
  • pinces;
  • niveau;
  • coin;
  • roulette;
  • tuyau en métal;
  • tôle d'acier;
  • conduite de gaz ;
  • portes pour créer une chambre de combustion;
  • brique rouge;
  • raccords;
  • argile;
  • tôle galvanisée;
  • outil de soudage ;
  • thermostat;
  • automatisation;
  • déflecteur.

Si tout est clair avec la plupart des éléments ci-dessus, alors choisir le bon automatisme, déflecteur et thermostat n'est pas une tâche facile. Que rechercher lors de leur choix:

les thermostats sont filaires et sans fil. Les premiers sont légèrement moins chers que les seconds. Choisissez des modèles programmables, avec leur aide, il est plus facile de contrôler et de réguler la température de la chaudière. Structurellement, le thermostat se compose de deux appareils. L'un est placé dans la pièce, l'autre - sur la façade de la chaudière. Lorsque la température ambiante baisse, le thermostat allume le chauffage.

Faites attention aux modèles d'appareils domestiques. Ils ne sont en aucun cas inférieurs à leurs homologues étrangers coûteux;
le concept "d'automatisation pour chaudières à gaz" comprend : un module de contrôle de la flamme, une protection contre la surchauffe, un contrôleur de tirage, une vanne de soufflage

Ces appareils sont vendus séparément. Pour un fonctionnement normal de l'appareil de chauffage, tous les appareils répertoriés sont nécessaires. Ne choisissez pas les modèles les moins chers ou les plus chers. Arrêtez-vous au prix moyen;
le déflecteur fournit un bon capot. Il est installé au-dessus de la cheminée.Pour une chaudière à gaz maison, un modèle sous la forme d'un parapluie en acier inoxydable en forme de cône convient.

Caractéristiques du gaz liquéfié

Les propriétés du gaz liquéfié ne sont pas très inférieures à celles des matériaux naturels. Il est largement utilisé dans la vie quotidienne, par exemple pour chauffer la maison. Bien entendu, ces systèmes sont moins pratiques à utiliser que le câblage de gaz principal. Mais, si nous comparons le gaz liquéfié avec d'autres solutions alternatives pour une maison de campagne, il y a certainement plus d'avantages. En particulier, un tel matériau brûle parfaitement. Dans le même temps, ce processus peut être entièrement automatisé grâce à la présence d'une vaste gamme d'équipements modernes. En d'autres termes, les chaudières fonctionnant sur sa base peuvent fonctionner sans s'arrêter. Dans ce cas, il n'est pas nécessaire de surveiller le fonctionnement de ces équipements.

Schémas de chauffage individuel de la maison. basés sur l'utilisation de gaz liquéfié sont également bons parce qu'ils sont silencieux en fonctionnement. On ne peut pas en dire autant des analogues qui utilisent du carburant liquide. Le schéma de chauffage au gaz d'une maison privée peut inclure des convertisseurs comme base. Dans ce cas, une enveloppe distincte est installée dans chaque pièce.

Cet équipement est particulièrement efficace dans les cas où il est nécessaire de chauffer deux pièces adjacentes.

Chauffage au gaz à faire soi-même dans une maison privée

Chauffage gaz convecteur

Des modèles similaires de convecteurs fonctionnent au gaz liquéfié. Il n'est pas sûr de faire du câblage pour le gaz naturel dans une maison privée pour chacun de ces appareils de chauffage. Dans ce cas, la pièce est chauffée par de l'air chauffé, le chauffage est donc appelé chauffage de l'air. N'importe quelle chaudière peut être configurée pour ce type de chauffage, seulement il faudra changer le brûleur ou la buse.

Les convecteurs à gaz sont mieux utilisés si nécessaire pour augmenter rapidement la température et dans les locaux non résidentiels. Ces appareils commencent à chauffer l'air immédiatement après avoir été allumés, mais dès qu'ils sont éteints, ils cessent rapidement de fournir de la chaleur.

Chauffage au gaz à faire soi-même dans une maison privée

Types de chaudières pour chauffer une maison privée

Le principe de fonctionnement de la chaudière est toujours le même - chauffer le liquide de refroidissement, le plus souvent il s'agit d'eau du robinet standard, au mieux passée à travers un système de filtration. Différents types de combustibles peuvent être utilisés pour le chauffage. En fonction de cela, il y a :

  1. Chaudières à gaz. Leaders stables dans le domaine des unités de chauffage. La raison de la popularité est le prix bas (par rapport aux autres vecteurs énergétiques) en Russie. Soit dit en passant, en Europe et dans d'autres pays où le gaz naturel est acheté au niveau de l'État, ces chaudières sont beaucoup moins courantes. Avantages - stabilité du travail, prix, caractéristiques - il est nécessaire d'équiper le canal de sortie de gaz, d'obtenir des permis, de s'écraser sur la conduite d'alimentation en gaz. Malgré les coûts élevés au stade initial, les chaudières à gaz sont l'un des retours sur investissement les plus rapides.

    Chaudière à gaz

  2. Chaudières à combustible solide. Une large gamme de matériaux peut être brûlée dans ces appareils : du charbon et du bois de chauffage aux granulés spéciaux appelés granulés. Parmi les avantages - autonomie complète à la fois du gaz et de l'électricité. Une chaudière à combustible solide peut être utilisée dans toutes les conditions en présence d'une circulation gravitationnelle du liquide de refroidissement dans le système. Inconvénients - risque d'incendie accru lors du chargement de carburant, exigences particulières pour la pièce et présence d'une cheminée d'évacuation. Contrairement au gaz, qui est alimenté automatiquement, une chaudière à combustible solide doit être périodiquement équipée de combustible.L'installation d'accumulateurs thermiques et de systèmes d'alimentation automatique permet de résoudre ce problème, mais seulement en partie.

    Chaudières à combustible solide

  3. Chaudières à liquide. Le carburant de ces appareils est un carburant liquide, le plus souvent du carburant diesel (carburant diesel). Il est utilisé car son risque d'inflammation est inférieur à celui de l'essence. Une fois que le mélange diesel-air est fourni par la buse, il est brûlé dans la chambre de combustion, à l'extérieur de laquelle se trouve un échangeur de chaleur avec un circuit d'eau. Avantages - rendement élevé et possibilité de fonctionnement à long terme en mode automatique. Inconvénients - la nécessité d'équiper des réservoirs pour stocker les réserves de carburant, des exigences accrues pour le placement des unités et des systèmes d'échappement des gaz d'échappement.

  4. Chaudières électriques. Ils ont beaucoup d'avantages dans l'installation et le placement. Les unités électriques ne nécessitent pas de pièce séparée ni de conduits d'évacuation, car rien n'est brûlé. Parmi les chaudières, ce sont les plus respectueuses de l'environnement. En raison de leur fonctionnement au courant électrique, ils ont un haut niveau d'automatisation et l'absence de canalisations pour l'alimentation en vecteurs énergétiques combustibles simplifie grandement la conception, à l'exclusion des buses, des brûleurs, des fours et des éléments similaires des chaudières à combustible. Ils n'ont que deux inconvénients, mais ils sont importants : le coût élevé de l'électricité lors du paiement des factures de services publics et la vulnérabilité du système de chauffage en cas de panne de courant. S'il n'y a pas de "lumière" dans la maison, la chaudière électrique cesse de fonctionner.

Lire aussi :  Quelle est la meilleure et la plus rentable - chaudière à gaz ou électrique ? Arguments pour choisir l'option la plus pratique

Malgré les différences de combustible, toutes les chaudières qui génèrent de la chaleur en brûlant quelque chose ont beaucoup en commun, y compris les règles d'installation.Un paramètre tel que la puissance peut également être déterminé sans tenir compte du type de chaudière.

Tableau 1. Puissance de chaudière requise pour chauffer une maison par zone

Surface de la maison, m² m Puissance de la chaudière, kW
90 — 200 jusqu'à 25
200 — 300 25 -35
300 — 600 35 — 60
600 — 1200 60 — 100

Choisir un schéma de chauffage pour une chaudière de chauffage dans une maison privée

La chaudière elle-même n'est qu'un élément du système de chauffage. Sans tuyaux et radiateurs à travers lesquels circule le liquide de refroidissement, son travail est inutile. Par conséquent, le câblage de chauffage doit être fourni à l'avance, avant d'acheter une unité qui fournit de la chaleur. La tâche est facilitée par le fait que le circuit de chauffage de tous les types de chaudières présente plus de similitudes que de différences.

Schéma de gravité

Le plus souvent, un tel schéma est utilisé pour le raccordement à une chaudière à combustible solide ou liquide. Si nous abordons la question strictement, en tenant compte de la préservation de l'efficacité, les chaudières à gaz modernes n'impliquent pas la circulation par gravité du liquide de refroidissement. De nombreux modèles de murs et de sols à commande électronique ont déjà une pompe de circulation intégrée qui entraîne de force l'eau ou l'antigel à travers les tuyaux et les radiateurs. Dans des conditions de coupures de courant fréquentes, une telle chaudière sera inactive.

Vue générale du schéma gravitaire

Cependant, dans de nombreuses habitations, les circuits gravitaires continuent de fonctionner en conjonction avec une chaudière à gaz non volatile de type simple à commande mécanique. Avec l'utilisation de tuyaux de chauffage de grand diamètre, une pression d'eau suffisante est créée dans le système pour démarrer le brûleur à gaz. Dans les anciens systèmes, des tuyaux d'une section de 100 à 150 mm ont été prélevés, qui entouraient les pièces autour du périmètre. Le transfert de chaleur d'une telle conception est faible, mais il est lui-même fiable et durable. Lors de l'installation de radiateurs, le diamètre des tuyaux d'alimentation doit être d'au moins 40 mm pour réduire la résistance hydrodynamique.

Dans les systèmes gravitaires, un élément indispensable est un vase d'expansion. Si l'eau du système atteint des températures élevées, son excès pénètre dans le réservoir en raison de l'augmentation du volume. Le réservoir assure le système contre les fuites et la dépressurisation en cas d'augmentation brutale de la pression. Dans les systèmes ouverts, le réservoir est toujours situé en haut.

Le schéma gravitationnel est monotube. Cela signifie que le liquide de refroidissement traverse séquentiellement tous les radiateurs, puis revient par le «retour». Pour l'installation de batteries avec un tel système, des dérivations sont utilisées - des conduites de dérivation avec vannes d'arrêt, grâce auxquelles il est possible de démonter et de remplacer les batteries sans arrêter la chaudière ni vidanger le liquide de refroidissement. De plus, une grue Mayevsky est placée sur chaque radiateur pour purger l'air qui s'accumule à l'intérieur du câblage.

Grue Mayevsky

Circuit à circulation forcée

Le seul inconvénient de ce type de câblage de chauffage est la dépendance à la présence de tension dans le réseau électrique domestique. Outre la chaudière, le deuxième nœud important d'un tel schéma est la pompe de circulation, qui s'écrase dans le «retour» avant de le renvoyer à la chaudière. Les pompes modernes sont silencieuses, productives et consomment de l'électricité de la même manière qu'une ampoule à incandescence. Mais grâce à un tel dispositif, il devient possible de faire un choix en faveur d'un système à deux tuyaux. Dans ce cas, le tuyau de liaison traverse toutes les pièces chauffées de la maison. De là, un flux séparé d'eau chaude est fourni à chaque batterie, et à partir de là, le liquide de refroidissement refroidi est évacué dans le «retour», qui est le tout deuxième tuyau du circuit. Cela vous permet de répartir uniformément la chaleur sur tous les radiateurs et de maintenir la même température même dans les pièces les plus éloignées de la chaudière.

Le vase d'expansion, en présence d'une pompe de circulation, est rendu obligatoirement fermé afin qu'une certaine pression puisse être créée dans le système. En cas de dépassement des valeurs normales, une soupape de surpression d'urgence est fournie.

Représentation visuelle d'un schéma à deux tuyaux

Dans les deux schémas, une unité d'appoint doit être fournie à travers laquelle le liquide de refroidissement est versé dans le système. Si de l'eau est utilisée, un tuyau de dérivation du réseau d'alimentation en eau est coupé pour remplir les canalisations, en installant un système de filtration à l'entrée. Lors de l'utilisation d'antigel, une vanne d'admission avec vannes d'arrêt est disposée et le pompage est effectué à l'aide d'une pompe submersible «bébé» ou d'un autre équipement de pompage.

Numéro 3. Chaudière à gaz pour chalets et maisons de campagne

La plupart des chaudières à gaz sont polyvalentes et peuvent être utilisées avec n'importe quelle source de gaz. Le fait est que même les appareils qui ont été initialement développés pour fonctionner avec le gazoduc principal peuvent être adaptés pour utiliser du gaz liquéfié. En règle générale, il suffit de changer le brûleur ou d'en acheter un nouveau s'il n'y en avait pas de approprié dans le kit. Le reste des "modifications" sera minime. Une telle polyvalence des chaudières à gaz est particulièrement pratique lorsque la zone où se trouve la maison de campagne est en plein développement: pour la première fois, vous pouvez utiliser des bouteilles, puis connecter le système au gazoduc - les investissements seront minimes.

Si vous envisagez d'utiliser uniquement des bouteilles de gaz dans le système de chauffage d'une maison de campagne, lors du choix d'une chaudière, faites attention aux modèles dans lesquels le seuil inférieur de la pression de gaz de travail est minimal - cela permettra d'économiser de l'argent pendant le fonctionnement. De plus, la chaudière doit être sélectionnée avec un haut niveau d'efficacité, certainement pas inférieur à 90%

Le choix de chaudières à gaz est immense, et tout dépend des exigences mises en avant. Par fonctionnalité (nombre de circuits), les chaudières sont divisées en:

  • mono-circuit. S'appliquent uniquement à l'organisation du chauffage;
  • double circuit. Ils sont équipés d'un circuit d'eau chaude indépendant, ils résolvent donc un autre problème - l'eau chaude dans le robinet. Ces chaudières peuvent être de type à écoulement, si la quantité d'eau chaude requise est insignifiante, ou elles peuvent être équipées d'une chaudière intégrée, qui assure un chauffage complet et une alimentation en eau chaude.

Selon le type de traction, les chaudières sont :

  • avec traction naturelle. Idéalement adapté lorsque la maison a déjà une cheminée. Une telle chaudière coûtera moins cher, bien que son installation soit un peu plus compliquée, et pendant le fonctionnement, il sera parfois nécessaire de nettoyer la cheminée;
  • tirage forcé ou turbocompressé. Les produits de combustion dans ce cas sont évacués par un petit tuyau équipé d'un ventilateur. Le tuyau peut même être monté dans le mur, mais il est préférable de le placer à l'écart des fenêtres et des systèmes de ventilation. Le tirage forcé permet aux produits de combustion de quitter la chaudière plus rapidement, ne nécessite pas la construction d'une cheminée, mais utilise constamment de l'électricité pendant le fonctionnement.

Le type d'allumage peut également différer :

  • manuel, c'est-à-dire avec une allumette, c'est la méthode la plus ancienne, souvent dangereuse.Aujourd'hui, de telles chaudières ne sont presque jamais produites;
  • allumage piezo. Ici, au lieu d'une allumette, une étincelle est utilisée, qui est obtenue en appuyant sur un bouton spécial. Il s'agit d'une méthode plus avancée et, selon de nombreux experts, la mieux adaptée aux conditions d'une maison de campagne, car l'électricité n'est pas utilisée pour l'allumage, ce qui peut poser des problèmes ;
  • l'allumage électrique est pratique, économique, sûr, mais pour les zones où des pannes de courant se produisent, ce n'est pas une option.

Selon la méthode d'installation, les chaudières sont divisées en:

  • mur;
  • sol.

La question ici n'est pas seulement dans les préférences personnelles, mais plutôt dans la puissance requise. Les chaudières au sol sont des appareils plus puissants, productifs et durables, mais elles coûtent également un peu plus cher que les chaudières murales. Les chaudières murales ont moins de puissance (au maximum, elles assurent le chauffage d'une maison d'une superficie de 300 m2), elles occupent un minimum d'espace.

Pour la pièce où la chaudière sera installée, certaines exigences de sécurité sont avancées. La pièce doit mesurer au moins 7,5 m2, avec une hauteur sous plafond d'au moins 2,5 m.Si la maison est en bois, il est préférable d'isoler la pièce avec la chaudière avec de l'acier de toiture, dans les cas extrêmes - des feuilles d'amiante de 3 mm d'épaisseur.

Évaluation
Site sur la plomberie

Nous vous conseillons de lire

Où remplir la poudre dans la machine à laver et combien de poudre verser