- Relais à impulsions pour installation dans la boîte de jonction
- Branchement d'un bouton 3 pôles rétro-éclairé : schéma
- Quelles sont les fonctions du relais d'éclairage public ?
- Commande d'éclairage centralisée avec un seul bouton
- Comment connecter un relais à impulsion
- Variétés de relais à impulsions
- Électromécanique
- Électronique
- Principales caractéristiques techniques
- Relais à impulsions et son dispositif
- Schéma de connexion du relais d'impulsion
- Variétés
- Relais à impulsions - avantages et inconvénients
- Conseils & Astuces
- Conclusions et vidéo utile sur le sujet
Relais à impulsions pour installation dans la boîte de jonction
En plus des options de panneaux, il existe également des panneaux à charnières, pour une installation derrière un faux plafond ou directement dans un coffret électrique.
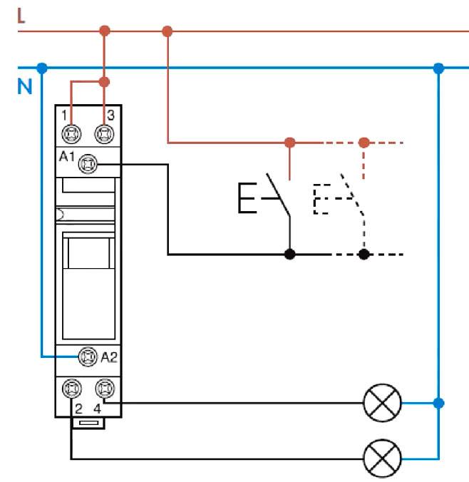
Avec leur aide, vous pouvez organiser le transfert de l'éclairage dans votre appartement des claviers simples aux interrupteurs à impulsion. Changez les interrupteurs dans les boîtes de jonction en boutons et changez les fils dans la boîte de jonction.
Voici à quoi ressemble ce circuit lorsqu'un relais à impulsions est connecté, directement dans la boîte de jonction sous le plafond.
Régime n ° 3
En même temps, vous avez peu à changer dans le panneau électrique et vous obtenez une excellente option de contrôle de l'éclairage, similaire aux interrupteurs de passage.
Lorsque vous connectez plusieurs lampes à la fois au tableau à partir d'un interrupteur à impulsion standard, et pas une seule ampoule, veillez à monter un module croisé ou des borniers.
Il est peu probable qu'il soit possible de démarrer deux, trois câbles par relais (il n'y aura aucune restriction sur l'épaisseur du fil). Nous devrons les disperser dans différents blocs.
Quels autres types de télérupteurs existent ? Il y en a, par exemple, avec une fonction de temporisation.
Il peut être utilisé pour retarder à la fois l'allumage et l'extinction de la lumière. Vous quittez votre propre chalet le soir et appuyez sur un bouton spécial dans la maison.
Cela vous donne le temps de marcher calmement le long des chemins éclairés jusqu'à la porte, et seulement après cela, la lumière s'éteindra automatiquement.
Cette méthode ne nécessite même pas l'installation d'interrupteurs séparés dans la rue.
Vous pouvez également connecter un ventilateur d'extraction dans la salle de bain à de tels relais. En quittant la salle de bain, appuyez sur le bouton et le ventilateur continue de fonctionner pendant la durée que vous avez définie.
Quels sont les inconvénients des télérupteurs ? Certains modèles de fabricants individuels sont sensibles aux chutes de tension.
Quel est le risque ? Et le fait que la lumière de certaines lampes s'allume et s'éteint spontanément avec une tension instable.
Beaucoup d'autres sont ennuyés par le cliquetis et les clics constants pendant le fonctionnement du relais. Surtout cette espèce de péché el.mekhanicheskie. Ils se composent d'un système de levier et de contact, de bobines et de ressorts.
Vous pouvez les différencier grâce au levier situé à l'avant. Avec lui, le relais est transféré manuellement d'une position à une autre.
La carte avec un microcontrôleur est intégrée aux cartes électroniques. Il n'y a rien de spécial à cliquer dessus, et ils sont moins bruyants.
Pour avoir moins de problèmes, choisissez des relais de marques connues et établies de longue date.Tels que - ABB (E-290), Schneider Electric (Acti 9iTL), F&F (Biss) ou méandre domestique (RIO-1 et RIO-2).
ABB a un très large choix d'ajouts de toutes sortes de superpositions et de "goodies" supplémentaires au modèle E290 principal.
Meander RIO-2 a une fonction utile pour travailler avec des commutateurs simples conventionnels.
Pour cela, ce relais doit être commuté sur le mode n°2 et connecter votre propre interrupteur d'éclairage à chacune des entrées Y, Y1 et Y2 (3 pièces au total).
En conséquence, vous obtiendrez le mode de fonctionnement des interrupteurs croisés basé sur des interrupteurs à une touche ordinaires. Lorsque vous appuyez sur l'un d'eux (marche ou arrêt), la sortie changera et les contacts du relais lui-même commuteront, allumant ou éteignant l'ampoule.
Branchement d'un bouton 3 pôles rétro-éclairé : schéma
Afin d'alimenter et de déconnecter la tension de divers appareils ou de circuits électriques temporaires et permanents, vous pouvez installer un bouton à trois broches conventionnel, qui servira à son tour d'indicateur supplémentaire.
Le bouton est composé de :
- Boîtier en plastique avec bouton transparent ;
- Trois contacts métalliques ;
- Éclairage au néon ou à diode avec une résistance.
Ces appareils ont un boîtier étanche, mais les contacts pour connecter les conducteurs sont situés à l'extérieur. Par conséquent, avant de connecter le bouton, il est nécessaire de considérer le lieu de son installation.
Les boutons sont installés dans divers appareils, quel que soit le matériau du boîtier, l'essentiel est que les contacts ne touchent pas les parties métalliques des boîtiers.
Une fois le site d'installation sélectionné et préparé, vous pouvez procéder à la connexion de l'appareil. Tout d'abord, il faut étamer les contacts et souder trois fils.
Ensuite, l'un des contacts provenant du réseau est connecté directement au bouton lui-même.Pour plus de commodité, vous pouvez les marquer de gauche à droite, de la position (off) à la position (on). Après avoir connecté le fil au contact gauche, nous connectons les deux fils restants.
Le deuxième fil du réseau doit être bifurqué et l'un des fils connecté au bouton, et le second à l'appareil. Le contact médian du bouton est relié au second contact de l'appareil. Prêt!
Quelles sont les fonctions du relais d'éclairage public ?
Aujourd'hui, vous pouvez trouver de nombreux modèles de relais de lumière. Ils diffèrent selon le pays, le fabricant, les fonctions et la conception. Par exemple, le capteur peut être dans un boîtier (pour une utilisation en extérieur) ou être déporté, auquel cas il est principalement installé à l'intérieur. Selon que l'appareil est utilisé à l'intérieur du bâtiment ou destiné à l'éclairage public, il a un design extérieur différent. Ainsi, les premiers sont montés dans un panneau électrique, et les seconds sont situés dans un boîtier étanche fiable et sont conçus pour une installation en extérieur.

Relais lumineux pour l'éclairage public
Les appareils les plus simples consistent en une cellule photoélectrique avec un relais et fonctionnent en se concentrant sur le degré d'éclairage. Mais au fil du temps, cette conception a été améliorée et aujourd'hui, les relais d'éclairage avec détecteur de mouvement sont les plus demandés. De tels appareils fonctionnent non seulement la nuit (vous définissez vous-même le seuil), mais réagissent également au mouvement. C'est-à-dire qu'avec le début de l'obscurité, la lumière s'allumera s'il y a un mouvement à proximité. Pendant la journée, l'appareil s'éteint complètement.

Relais temporisé
Mais les appareils qui combinent les trois fonctions - un compteur de temps, un détecteur de mouvement et une cellule photoélectrique - vous permettront de combiner les réglages.Les développements les plus récents dans ce domaine peuvent être considérés comme un relais photo pour l'éclairage public avec une fonction de programmation. Dans ce cas, n'importe quel programme de contrôle est installé. Par exemple, l'ordinateur peut ajuster les paramètres en fonction de la saison.
Commande d'éclairage centralisée avec un seul bouton
Sur les modèles avec la commande dite centrale ou centralisée, en plus de ce qui précède, il existe également des bornes ON et OFF supplémentaires.
Lorsqu'une tension leur est appliquée, le relais est forcé de s'éteindre (OFF) ou de s'allumer (ON).
Ils sont utilisés lors de l'assemblage d'un circuit avec un bouton principal ou un interrupteur principal. Autrement dit, en quittant la maison, avec un seul bouton, vous pouvez éteindre la lumière de manière centralisée à tous les étages et dans toutes les pièces.
Voici un tel circuit assemblé pour plusieurs lampes de groupe connectées à partir de différents relais à impulsions. Notez que dans ce cas, tous les relais doivent être contrôlés de manière centralisée, sinon le circuit ne fonctionnera pas.
Schéma n ° 2 - avec contrôle central
Pour les générateurs d'impulsions ABB, l'unité de commande centrale peut être achetée séparément et connectée sur le côté gauche du relais E290.
Soyez juste extrêmement prudent lors de l'assemblage d'un tel circuit de contrôle dans un blindage triphasé 380V.
En présence d'un système triphasé, certains groupes d'éclairage sont alimentés à partir de différentes phases afin de répartir uniformément la charge.
Dans ce cas, il est impossible de connecter tous les contacts OFF et ON des relais avec des cavaliers, comme cela se fait souvent dans les blindages monophasés. Vous devrez transférer tous les circuits de commande sur une machine séparée et c'est à partir de celle-ci que la phase du même nom est alimentée pour allumer et éteindre tous les télérupteurs en même temps.
Et puis, c'est possible en utilisant des modèles el.mechanical.Pour les électroniques, vous devrez faire le découplage via des relais intermédiaires.
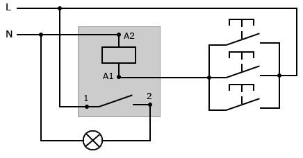
Comment connecter un relais à impulsion
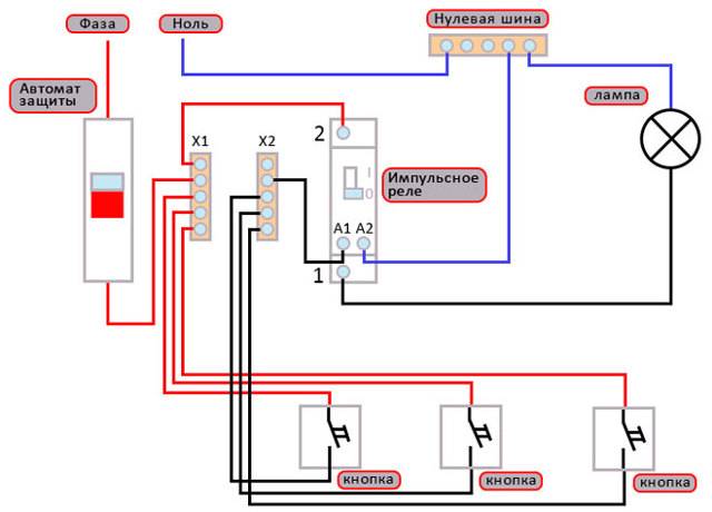
Pour connecter correctement un relais à impulsions, vous devez comprendre de quels contacts il dispose et de quoi ils sont responsables.
En règle générale, c'est:
deux contacts par bobine de puissance A1-A2

Sur l'un d'eux, la phase ou le zéro vient constamment, et sur l'autre, la même impulsion est donnée après avoir appuyé sur le bouton.
contacts de puissance 1-2, 3-4, etc.

En les traversant, le courant circule vers la lampe.
Voici le schéma le plus simple pour connecter un télérupteur par groupe de boutons-poussoirs.

Schéma n ° 1 Veuillez noter que dans un relais à impulsions, la charge ne passe pas du tout par le bouton. En appuyant dessus, vous donnez juste une impulsion à la bobine, qui ferme le contact de puissance
Dans certains modèles, une impulsion de commande peut être appliquée à la fois par le conducteur de phase et par le zéro.
Imaginez qu'une partie importante et étendue du câblage électrique de votre maison ne soit même pas alimentée en permanence, comme c'est le cas avec les interrupteurs d'éclairage ordinaires. Combien cela augmentera la sécurité incendie et électrique !
Certaines variétés ont plusieurs contacts à la fois. À partir d'eux, vous pouvez connecter deux, trois groupes d'éclairage ou plus.

Le passage de toute la charge à travers le relais signifie qu'il est pratiquement impossible de brûler ou de brûler des contacts sur les boutons. Beaucoup, se réjouissant de cette circonstance, sous-estiment hardiment la section transversale des lignes d'éclairage à 0,5 mm2 ou 0,75 mm2. Ou même « lancer » une paire torsadée.
Cependant, n'oubliez pas les règles, qui stipulent clairement que toutes les lignes de groupe vers les lampes dans les locaux d'habitation doivent être réalisées avec des conducteurs d'une section d'au moins 1,5 mm2.
En même temps, veuillez noter que tous les relais (groupe ou simple) doivent être connectés après la machine

Il protège:
bobine
câble de commande
la lampe elle-même
Sans cela, en cas de court-circuit, votre câblage électrique grillera tout simplement.
Le relais lui-même ne protège pas contre les surcharges ou les courts-circuits.
Ainsi, lors du montage d'un circuit dans un panneau, vous semblez « accrocher » un ou plusieurs télérupteurs sur chaque machine d'éclairage.
Variétés de relais à impulsions

Il existe de grandes différences entre certains relais, ils peuvent donc être divisés principalement en 2 catégories :
- relais électromécaniques;
- relais à impulsions électroniques.
Électromécanique
Ce type d'appareil ne consomme de l'électricité qu'au moment de son fonctionnement. Le mécanisme de verrouillage assure une grande fiabilité et économise de l'électricité. Le système fonctionne bien : cela signifie une protection contre les fluctuations du réseau, qui conduisent à des faux positifs.
La conception est basée sur: une bobine, des contacts, un mécanisme avec des boutons pour allumer et éteindre.
Les relais de type électromécanique sont considérés comme plus fiables et pratiques à utiliser, car ils ne craignent pas les interférences. De plus, il n'y a pas d'exigences élevées pour le site d'installation.
Électronique
Les télérupteurs électroniques ont une particularité : ils utilisent des microcontrôleurs. Grâce à cela, ils ont des fonctionnalités étendues. Par exemple, ces appareils vous permettent d'ajouter une minuterie. D'autres fonctionnalités supplémentaires aident à construire des systèmes d'éclairage complexes.
Au cœur de la conception : une bobine électromagnétique, des microcontrôleurs, des interrupteurs à semi-conducteurs.
Les relais électroniques sont plus populaires que les autres types en raison de la fonctionnalité et de la variété qui peuvent leur être ajoutées : vous pouvez créer des produits pour l'éclairage de n'importe quelle complexité. Il est également possible de les sélectionner pour n'importe quelle tension - 12 volts, 24, 130, 220. Selon l'installation, ces relais peuvent être aux normes DIN (pour les panneaux électriques) et conventionnels (avec d'autres méthodes de montage).
Principales caractéristiques techniques
Les relais peuvent être classés selon les paramètres suivants, en fonction de l'objectif et de la portée :
- le coefficient de retour est le rapport du courant de sortie de l'induit au courant d'appel ;
- le courant de sortie est la valeur maximale du courant dans la bobine à la sortie de l'induit ;
- courant de rétraction - la valeur minimale du courant dans la bobine lorsque l'armature revient à sa position d'origine;
- réglage - la valeur de fonctionnement dans les limites spécifiées dans le relais;
- valeur de déclenchement - le signal d'entrée auquel l'appareil répond automatiquement ;
- les valeurs nominales sont la tension, le courant et d'autres grandeurs qui sous-tendent le fonctionnement du relais.
Relais à impulsions et son dispositif
Afin que vous compreniez en détail et compreniez le dispositif d'un relais à impulsions, nous avons décidé d'examiner son fonctionnement sur un relais à impulsions avec un automate à échelle BIS-403. Le corps de cet appareil est considéré comme de haute qualité, mais il est assemblé sans un seul boulon. Toutes les pièces qui y sont installées sont reliées à l'aide d'un adhésif thermique. Sur la boîte fournie par le fabricant, vous pouvez voir que cet appareil doit être installé dans une boîte de montage.

Ce télérupteur se compose principalement du contrôleur ST 78522. Il dispose également d'un régulateur de tension de 5 volts. Également dans sa conception, vous pouvez trouver des redresseurs et des diodes.

Cet appareil doit contrôler le passage du courant à travers un relais conventionnel. Grâce aux contacts installés dans ce relais, il est possible de déterminer la puissance de commutation. Cet appareil est capable de supporter une charge de 2 ampères. Si votre charge est supérieure à 0,5 kW, vous devrez installer un contacteur supplémentaire. Pour une meilleure protection, vous aurez besoin installer un disjoncteur.

Schéma de connexion du relais d'impulsion
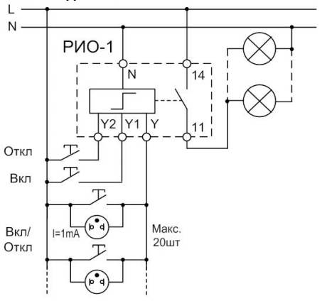
L'interrupteur pour la commande d'éclairage par télérupteurs doit être à contact ouvert et sans accrochage. Un tel interrupteur comporte un ressort d'ouverture du groupe de contact. Ce commutateur ne fonctionne que lorsque la touche est enfoncée. La première pression active le relais polarisé et la prochaine pression l'éteint.

Schéma de câblage pour un télérupteur RIO - 1
Lorsque vous entrez dans un long couloir, une pression allume les lumières, et lorsque vous sortez, en appuyant sur un autre interrupteur, les lumières s'éteignent. Le nombre de ces commutateurs d'un appareil peut aller jusqu'à 20, selon le fabricant. Il existe des types de relais tels que: électromagnétiques, dont le principe de fonctionnement est basé sur la commutation du groupe de contact avec un électroaimant et les appareils électroniques en fonctionnement sont similaires aux électromagnétiques
Des minuteries peuvent être intégrées au relais, qui allument l'éclairage à une heure prédéterminée. Le schéma de connexion du télérupteur comporte quatre types de commutation. Une sortie est destinée à la phase de la tension d'alimentation, la seconde est connectée au zéro de travail, la sortie pour connecter les boutons et commuter la phase via des contacts pour connecter l'éclairage.
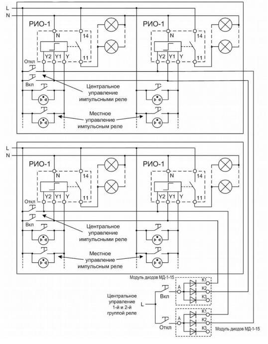
Schéma de connexion centrale de deux télérupteurs RIO - 1
Le fil neutre vers les lampes d'éclairage est fourni séparément.Le nombre d'interrupteurs connectés à l'appareil n'est pas supérieur à celui indiqué dans le passeport, avec un plus grand nombre d'interrupteurs, une fausse opération est possible. Le dispositif comprend une unité de commande électronique pour un relais polarisé avec une bobine électromagnétique. La tension d'alimentation du relais peut provenir du secteur, DC 12 V ou AC 24 V.
Le circuit de relais bipolaire RIO-1 a des contacts Y qui alternent entre allumer et éteindre l'éclairage, l'entrée Y1 allume uniquement l'éclairage et Y2 éteint les lampes. La borne N est conçue pour connecter le zéro et un groupe de contacts normalement ouverts 11 à 14 commute la charge.

Schéma de contrôle central de deux groupes de télérupteurs RIO - 1
L'appareil bipolaire n'a pas de protection de courant, alors installez-le avec le disjoncteur. Avec une forte charge d'éclairage, les lampes sont connectées via un démarreur magnétique. Les relais à impulsions ont peur des vibrations, ils ne sont donc pas installés à côté des démarreurs électromagnétiques. La charge est connectée via les broches 11-14. Appuyez sur le commutateur Y pour allumer la lumière et appuyez à nouveau pour l'éteindre.
Variétés
Aujourd'hui, un tel appareil est présenté sur le marché sous différentes marques. Les plus populaires sont les suivants :
- ABB,
- Schneider Electric,
- legrand,
- IEK,
- Chercheur et autres.

Ils fonctionnent tous sur le même principe de pilotage d'une bobine, qui est affectée par une courte impulsion de tension. Le cycle de fonctionnement comprend une action d'impulsion, dans laquelle l'appareil s'allume et s'éteint. Le principe de la commande cyclique est utilisé dans tous les modèles de relais.
Il est utilisé dans des modèles de différents types:
- électromagnétique;
- induction;
- magnétoélectrique;
- électrodynamique.

Dans les systèmes d'automatisation, les modifications électromagnétiques sont le plus souvent utilisées en raison de leur fiabilité, basée sur le principe de l'action de la force électromagnétique dans le noyau ferromagnétique d'un tel dispositif lorsqu'un courant est appliqué à la bobine. Les contacts sont activés par un cadre qui, dans une certaine position, attire le noyau magnétique et, dans la seconde position, est rétracté par un ressort.
Relais à impulsions - avantages et inconvénients
Les caractéristiques positives et négatives diffèrent selon le type de relais inductif. De ce qui précède, il s'ensuit que les relais sont divisés en deux types : électromécaniques et électroniques.
Relais à impulsions BIS-402
Les relais électromécaniques présentent les avantages suivants. Ils sont très fiables à l'usage, et ont également une excellente tolérance aux hautes tensions secteur.
Les inconvénients de tels modèles peuvent être : le manque d'indication de l'emplacement des contacts ; remplissant la même fonction.
Les avantages des relais électroniques sont :
- leur utilisation en toute sécurité ;
- de grandes opportunités pour contrôler les circuits électriques;
- la conception comprend des voyants LED ;
- bonne performance dans le domaine de la régulation des appareils d'éclairage;
- des accessoires peuvent être ajoutés à l'appareil.
Un avantage significatif du type de relais électronique est la capacité d'effectuer plusieurs fonctions.
Les inconvénients d'un tel relais peuvent être : réponse aux fortes impulsions ; sensibilité à l'amplitude de la tension ; Des interférences dans le secteur peuvent provoquer de faux déclenchements du relais.
Comparés aux types électroniques, les relais électromécaniques sont très appréciés des consommateurs en raison de leur fiabilité et de leur facilité d'utilisation. Le fonctionnement d'un appareil électronique nécessite une source d'alimentation supplémentaire, et la phase et le zéro doivent toujours être présents. De plus, ils ont une immunité réduite aux interférences.
Dans le même temps, l'installation d'un relais à impulsions est un processus peu coûteux, car aucun câble d'alimentation n'est requis pour son installation. Dans ce cas, beaucoup d'efforts et d'investissements financiers ne seront pas dépensés.
Conseils & Astuces
Avant d'acheter et d'installer un relais à impulsions, il serait utile de se familiariser avec les erreurs les plus courantes pouvant survenir à ce stade. Il est souvent conseillé aux artisans expérimentés qui installent ce type de systèmes de commutation de suivre les recommandations suivantes :
- Si un relais électronique de type impulsion est acheté, il est préférable de privilégier les modèles équipés d'une minuterie. Grâce à cette fonction, vous pouvez régler l'extinction automatique après un certain laps de temps. Une telle fonction sera très utile pour organiser l'éclairage dans la rue, ainsi que dans les pièces visitées souvent, mais pas longtemps.
- Si vous envisagez d'installer des interrupteurs (boutons) avec rétro-éclairage, vous devez vérifier auprès du vendeur à l'avance que le relais peut fonctionner avec de tels éléments d'équipements électriques. De nombreux IR sont très sensibles à l'apparition même d'un petit courant dans le circuit électrique, et la présence d'un élément résistif activera le système. De plus, l'appareil peut se détériorer, car la bobine sera constamment sous tension.
- Lors des travaux d'installation, toutes les pièces traversées par le courant électrique doivent être bien isolées. À cette fin, vous pouvez utiliser des gaines thermorétractables spéciales, ainsi que du ruban adhésif en PVC.
- S'il y a un petit enfant dans la maison, il est préférable d'installer des boutons pour activer le relais plus haut. Ces produits sont bien isolés et pratiquement sûrs pendant le fonctionnement, mais les enfants commencent souvent à jouer avec les boutons pendant longtemps en les gardant allumés. De telles actions conduisent souvent à la défaillance des relais à impulsion de type électromécanique.
- La plupart des modèles de relais à impulsions avec bobine sont conçus pour 220 V. Ces produits sont très faciles à connecter au réseau électrique, mais si vous devez assurer un haut niveau de sécurité dans les pièces humides, vous devez choisir des modèles pour 12 ou 24 Volts.
- S'il est nécessaire d'installer plusieurs relais à impulsions qui seront utilisés pour éteindre divers appareils d'éclairage, il convient de sélectionner des modèles à commande centrale. Un tel appareil peut être éteint de force en appliquant un courant électrique à l'un de ses contacts. Par conséquent, si vous connectez plusieurs de ces éléments à un seul interrupteur, vous pouvez éteindre toutes les lumières de la maison en appuyant simplement sur un bouton.
- S'il n'y a aucun désir ou opportunité d'acheter de nouveaux boutons pour allumer la lumière à l'aide d'un relais à impulsions, les interrupteurs ordinaires peuvent être refaits. Pour cela, il est nécessaire d'installer de petits ressorts sous les touches afin qu'après l'arrêt de la pression, elles reviennent dans leur position d'origine.
- Lors de l'installation d'un grand nombre de commutateurs à impulsions, pour économiser de l'espace, les boutons peuvent être placés dans une seule prise.
Le télérupteur est un produit très intéressant dans sa conception et sa fonctionnalité, qui peut et doit être utilisé pour organiser un contrôle plus confortable des appareils d'éclairage. Si un appareil de qualité est sélectionné et que l'installation du produit est effectuée sans erreur, un tel système durera de nombreuses années.
Conclusions et vidéo utile sur le sujet
Le matériel vidéo raconte l'appareil, le fonctionnement, l'application et l'historique de la création de ce type d'appareil :
Le schéma suivant détaille le principe de fonctionnement des relais statiques ou électroniques :
L'utilisation de relais à impulsions est de plus en plus utilisée dans les systèmes d'électrification modernes. Les exigences croissantes en matière de fonctionnalité et de flexibilité de la commande d'éclairage, les économies de matériaux et la sécurité créent une impulsion continue pour l'amélioration des contacteurs.
Ils sont réduits en taille, simplifiés structurellement, augmentant la fiabilité. Et l'utilisation de technologies fondamentalement nouvelles au cœur du travail permet de les utiliser dans des conditions difficiles d'industries poussiéreuses, de vibrations, de champs magnétiques et d'humidité.
Veuillez écrire des commentaires dans la case ci-dessous. Posez des questions, partagez des informations utiles sur le sujet de l'article, qui seront utiles aux visiteurs du site. Expliquez-nous comment le commutateur à impulsion a été sélectionné et installé.










































