Comment fabriquer un appareil de chauffage par induction de vos propres mains à partir d'un onduleur de soudage

Comment fabriquer un appareil de chauffage par induction et un four à partir d'un onduleur de soudage

Acheter des pièces sur Aliexpress

  • Acheter Transistors IRFP250
  • Acheter Diodes UF4007
  • Acheter Condensateurs 0.33uf-275v

Les appareils qui chauffent à l'électricité plutôt qu'au gaz sont sûrs et pratiques. De tels appareils de chauffage ne produisent pas de suie et d'odeurs désagréables, mais consomment une grande quantité d'électricité. Une excellente solution consiste à assembler un appareil de chauffage par induction de vos propres mains. Cela permet d'économiser de l'argent et contribue au budget familial. Il existe de nombreux schémas simples selon lesquels l'inducteur peut être assemblé indépendamment.

Afin de faciliter la compréhension des circuits et d'assembler correctement la structure, il sera utile de se pencher sur l'histoire de l'électricité. Les méthodes de chauffage des structures métalliques avec un courant de bobine électromagnétique sont largement utilisées dans la fabrication industrielle d'appareils électroménagers - chaudières, radiateurs et poêles. Il s'avère que vous pouvez fabriquer vous-même un appareil de chauffage par induction fonctionnel et durable.

Le principe de fonctionnement des appareils

Le principe de fonctionnement des appareils

Le célèbre scientifique britannique du 19ème siècle Faraday a passé 9 ans à faire des recherches pour convertir les ondes magnétiques en électricité. En 1931, une découverte a finalement été faite, appelée induction électromagnétique. L'enroulement de fil de la bobine, au centre duquel se trouve un noyau de métal magnétique, crée un champ magnétique sous la puissance du courant alternatif. Sous l'action des écoulements tourbillonnaires, le cœur s'échauffe.

La découverte de Faraday a commencé à être utilisée à la fois dans l'industrie et dans la fabrication de moteurs et de radiateurs électriques artisanaux. La première fonderie basée sur un inducteur vortex a été ouverte en 1928 à Sheffield. Plus tard, selon le même principe, les ateliers des usines ont été chauffés, et pour chauffer l'eau, les surfaces métalliques, les connaisseurs ont assemblé un inducteur de leurs propres mains.

Le schéma de l'appareil de l'époque est valable aujourd'hui. Un exemple classique est une chaudière à induction, qui comprend :

  • noyau métallique;
  • Cadre;
  • isolation thermique.

Les caractéristiques du circuit d'accélération de la fréquence du courant sont les suivantes :

  • la fréquence industrielle de 50 Hz ne convient pas aux appareils faits maison;
  • la connexion directe de l'inducteur au réseau entraînera un bourdonnement et un faible chauffage;
  • un chauffage efficace est effectué à une fréquence de 10 kHz.

Assemblage selon schémas

Toute personne familiarisée avec les lois de la physique peut assembler un radiateur à induction de ses propres mains. La complexité de l'appareil variera en fonction du degré de préparation et de l'expérience du capitaine.

Il existe de nombreux didacticiels vidéo, à la suite desquels vous pouvez créer un appareil efficace. Il est presque toujours nécessaire d'utiliser les composants de base suivants :

  • fil d'acier d'un diamètre de 6-7 mm;
  • fil de cuivre pour l'inducteur ;
  • treillis métallique (pour maintenir le fil à l'intérieur du boîtier);
  • adaptateurs;
  • tuyaux pour le corps (en plastique ou en acier);
  • inverseur haute fréquence.

Cela suffira pour assembler de vos propres mains une bobine à induction, et c'est elle qui est au cœur du chauffe-eau instantané. Après avoir préparé les éléments nécessaires vous pouvez accéder directement au processus de fabrication de l'appareil :

  • couper le fil en segments de 6-7 cm;
  • couvrir l'intérieur du tuyau avec un treillis métallique et remplir le fil jusqu'en haut;
  • fermez de même l'ouverture du tuyau de l'extérieur;
  • enroulez le fil de cuivre autour du boîtier en plastique au moins 90 fois pour la bobine ;
  • insérer la structure dans le système de chauffage ;
  • à l'aide d'un onduleur, connectez la bobine à l'électricité.

Selon un algorithme similaire, vous pouvez facilement assembler une chaudière à induction, pour laquelle vous devez:

  • découper des ébauches dans un tuyau en acier de 25 sur 45 mm avec une paroi d'au plus 2 mm d'épaisseur;
  • soudez-les ensemble en les reliant avec des diamètres plus petits;
  • souder les couvercles en fer aux extrémités et percer des trous pour les tuyaux filetés;
  • faire un support pour une cuisinière à induction en soudant deux coins d'un côté;
  • insérez la table de cuisson dans le support à partir des coins et connectez-la au secteur ;
  • ajouter du liquide de refroidissement au système et allumer le chauffage.

De nombreux inducteurs fonctionnent à une puissance ne dépassant pas 2 à 2,5 kW. Ces appareils de chauffage sont conçus pour une pièce de 20 à 25 m²

Si le générateur est utilisé dans un service de voiture, vous pouvez le connecter à une machine à souder, mais il est important de prendre en compte certaines nuances :

  • Vous avez besoin de courant alternatif et non de courant continu comme un onduleur. La machine à souder devra être examinée pour la présence de points où la tension n'a pas de direction directe.
  • Le nombre de tours d'un fil de plus grande section est sélectionné par un calcul mathématique.
  • Un refroidissement des éléments de travail sera nécessaire.

Four à induction d'un onduleur de soudage - un appareil pour faire fondre le métal et pour chauffer le liquide de refroidissement dans le système de chauffage

L'idée d'utiliser une telle installation à induction comme four de fusion des métaux permet à bien des égards de l'utiliser comme chaudière de chauffage pour une petite pièce.

L'avantage de cette application est :

  • Contrairement à la fusion des métaux, en présence d'un liquide de refroidissement en circulation constante, le système n'est pas sujet à une surchauffe ;
  • Les vibrations constantes dans le champ électromagnétique ne permettent pas aux sédiments de se déposer sur les parois de la chambre de chauffage, rétrécissant la lumière;
  • Le schéma de principe sans raccords filetés avec joints et raccords élimine la possibilité de fuites ;
  • L'installation est quasiment silencieuse, contrairement aux autres types de chaudières de chauffage ;
  • L'installation elle-même, sans éléments chauffants traditionnels, a une durée de vie plus longue et une grande fiabilité ;
  • Il n'y a pas d'émissions de produits de combustion, le risque d'empoisonnement par les produits de combustion du carburant est réduit à zéro.

La composante pratique du processus de création d'équipements pour le chauffage des locaux à l'aide d'un four à induction à partir d'une machine à souder à onduleur comprend les étapes suivantes.

  • Pour la fabrication du corps, un tuyau en plastique à parois épaisses est sélectionné et conçu pour être utilisé dans des canalisations à haute température et haute pression;
  • Pour que la charge métallique soit constamment dans la cavité du réchauffeur, deux couvercles avec un maillage sont fabriqués afin que la charge ne tombe pas à travers elle.
  • Un fil d'acier d'un diamètre de 5 à 8 mm est sélectionné comme charge et coupé en morceaux de 50 à 70 mm de long.
  • Le corps du tuyau est rempli de morceaux de fil et connecté au système.

Le principe de fonctionnement de cet appareil est le suivant :

  • Un inducteur en fil de cuivre d'un diamètre de 2 à 3 mm avec 90 à 110 tours est installé à l'extérieur du boîtier à partir d'un tuyau en plastique;
  • Le corps est rempli de liquide de refroidissement;
  • Lorsque l'onduleur est allumé, le courant circule vers l'inductance ;
  • Dans la bobine de l'inducteur, des flux de vortex se forment, qui commencent à agir sur le réseau cristallin du métal à l'intérieur du boîtier;
  • Des morceaux de fil métallique commencent à chauffer et à chauffer le liquide de refroidissement;
  • Le flux de liquide de refroidissement après le chauffage commence à bouger, le liquide de refroidissement chauffé est remplacé par un liquide froid.

Un tel schéma d'un système de chauffage basé sur un élément chauffant par induction dans l'exécution pratique présente un inconvénient important - le liquide de refroidissement doit être constamment poussé par la pression. Pour cela, une pompe de circulation doit être incluse dans le système. De plus, il est recommandé d'installer une sonde de température supplémentaire, cela vous permettra de contrôler le liquide de refroidissement et de protéger la chaudière contre la surchauffe.

Schéma d'un chauffage par induction

Grâce à la découverte de M.Faraday en 1831, le phénomène d'induction électromagnétique dans notre vie moderne, de nombreux appareils sont apparus qui chauffent l'eau et d'autres milieux. Chaque jour, nous utilisons une bouilloire électrique avec un disque chauffant, un multicuiseur, une plaque à induction, puisque nous avons réussi à réaliser cette découverte pour la vie quotidienne uniquement à notre époque. Auparavant, il était utilisé dans les branches métallurgiques et autres de l'industrie métallurgique.

Lire aussi :  Smart home Apple: les subtilités de l'organisation des systèmes de contrôle à domicile de la société "apple"

La chaudière à induction d'usine utilise dans son travail le principe de l'action des courants de Foucault sur un noyau métallique placé à l'intérieur de la bobine. Les courants de Foucault de Foucault sont de nature superficielle, il est donc logique d'utiliser un tuyau métallique creux comme noyau, à travers lequel circule un liquide de refroidissement chauffé.

Comment fabriquer un appareil de chauffage par induction de vos propres mains à partir d'un onduleur de soudage

Le principe de fonctionnement du chauffage par induction

L'apparition de courants est due à la fourniture d'une tension électrique alternative au bobinage, provoquant l'apparition d'un champ électromagnétique alternatif qui change de potentiel 50 fois par seconde à une fréquence industrielle normale de 50 Hz. Dans le même temps, la bobine d'induction est conçue de manière à pouvoir être connectée directement au secteur AC. Dans l'industrie, des courants haute fréquence sont utilisés pour un tel chauffage - jusqu'à 1 MHz, il n'est donc pas facile d'obtenir un fonctionnement de l'appareil à une fréquence de 50 Hz.

L'épaisseur du fil de cuivre et le nombre de tours d'enroulement utilisés par les chauffe-eau à induction sont calculés séparément pour chaque unité en utilisant une méthode spéciale pour la puissance calorifique requise.Le produit doit fonctionner efficacement, chauffer rapidement l'eau qui coule dans le tuyau et en même temps ne pas surchauffer. Les entreprises investissent beaucoup d'argent dans le développement et la mise en œuvre de tels produits, de sorte que toutes les tâches sont résolues avec succès et que l'indicateur d'efficacité du chauffage est de 98%.

En plus d'un rendement élevé, la vitesse à laquelle le fluide traversant le noyau est chauffé est particulièrement attrayante. La figure montre un schéma de fonctionnement d'un appareil de chauffage par induction fabriqué en usine. Un tel schéma est utilisé dans les unités de la marque bien connue "VIN", produites par l'usine d'Izhevsk.

Schéma de fonctionnement du réchauffeur

La durabilité du générateur de chaleur ne dépend que de l'étanchéité du boîtier et de l'intégrité de l'isolation des spires du fil, et cela s'avère être une période assez longue, déclarent les fabricants - jusqu'à 30 ans. Pour tous ces avantages que possèdent réellement ces appareils, il faut débourser beaucoup d'argent, un chauffe-eau à induction est le plus cher de tous les types d'installations électriques de chauffage. Pour cette raison, certains artisans ont repris fabriquer un appareil maison afin de l'utiliser pour chauffer la maison.

Avantages et inconvénients des appareils de chauffage par induction

Les avantages des radiateurs électriques à induction comprennent les caractéristiques de performance et les propriétés suivantes :

Comment fabriquer un appareil de chauffage par induction de vos propres mains à partir d'un onduleur de soudage

Chauffage à induction bricolage

  • Les courants de Foucault génèrent non seulement de la chaleur, mais aussi des vibrations. Par conséquent, le tartre ne se dépose pas sur les parois de l'élément chauffant. Par conséquent, les chaudières à induction n'ont pas besoin d'être nettoyées.
  • L'élément chauffant d'une telle chaudière est un tuyau ordinaire chauffé par des courants de Foucault.Et avec une circulation constante du liquide de refroidissement à la demande, il ne peut pas s'éteindre physiquement, contrairement au serpentin de chauffage d'un élément chauffant traditionnel. Autrement dit, vous ne pouvez même pas penser à remplacer ou à réparer l'élément chauffant.
  • Même un générateur de chaleur vortex fait maison est initialement scellé. Après tout, le caloporteur est chauffé à l'intérieur d'un élément chauffant entièrement métallique. De plus, l'énergie est transférée à l'appareil de chauffage à distance - au moyen d'un champ électromagnétique. Par conséquent, en raison du manque de connexions détachables, il ne peut en principe y avoir aucune fuite dans les chaudières à induction.
  • La chaudière ne fait pas de bruit, bien que l'élément chauffant puisse vibrer. Mais la fréquence de cette vibration est loin de la gamme des ondes sonores. Par conséquent, le chauffage par induction fonctionne silencieusement.
  • Toute la structure est assemblée à partir de pièces bon marché et facilement disponibles. Par conséquent, le chauffage par induction est bon marché au point d'être obscénité.

En un mot, un tel système de chauffage caloporteur est fiable, durable et très efficace. De plus, lorsque vous utilisez une chaudière à induction, vous pouvez même refuser une pompe de circulation - le liquide de refroidissement «passera» dans les tuyaux sous l'influence de la convection thermique, se réchauffant au début presque à l'état de vapeur.

Et la liste des inconvénients des appareils de chauffage par induction devrait inclure les faits suivants :

  • Premièrement, le champ électromagnétique alternatif chauffe non seulement l'élément chauffant, mais également tout l'espace environnant, y compris les tissus du corps humain. Par conséquent, vous devez rester à l'écart d'un tel appareil.
  • Deuxièmement, l'appareil de chauffage fonctionne à l'électricité. Et ce n'est pas la source d'énergie la moins chère.
  • Troisièmement, l'appareil est très efficace et le transfert de chaleur du réchauffeur est tout simplement colossal, il y a donc toujours un risque de détonation de la chaudière par surchauffe du liquide de refroidissement. Cependant, ce défaut est éliminé par un capteur de pression classique.

Cependant, si vous êtes prêt à supporter les défauts, ce radiateur a été créé spécialement pour vous. Et ci-dessous dans le texte, nous vous proposerons un schéma d'auto-assemblage d'une telle chaudière.

Caractéristiques de fonctionnement

L'assemblage d'un radiateur fait maison n'est que la moitié de la bataille

Le bon fonctionnement de la structure résultante est tout aussi important. Initialement, chacun de ces appareils présente un certain danger, car il n'est pas en mesure de contrôler indépendamment le niveau de chauffage du liquide de refroidissement. À cet égard, chaque appareil de chauffage nécessite un certain raffinement, c'est-à-dire l'installation et la connexion de dispositifs de contrôle et automatiques supplémentaires.

À cet égard, chaque appareil de chauffage nécessite un certain raffinement, c'est-à-dire l'installation et la connexion de dispositifs de contrôle et automatiques supplémentaires.

Tout d'abord, la sortie du tuyau est équipée d'un ensemble standard de dispositifs de sécurité - une soupape de sécurité, un manomètre et un dispositif d'évacuation de l'air. Il convient de rappeler que les chauffe-eau à induction ne fonctionneront normalement que s'il y a circulation forcée de l'eau. Le circuit d'écoulement gravitaire entraînera très rapidement une surchauffe de l'élément et la destruction du tuyau en plastique.

Pour éviter de telles situations, un thermostat est installé dans l'appareil de chauffage, connecté à un dispositif d'arrêt d'urgence.Les ingénieurs électriciens expérimentés utilisent à cet effet des thermostats avec des capteurs de température et des relais qui éteignent le circuit lorsque le liquide de refroidissement atteint la température définie.

Les conceptions artisanales se caractérisent par une efficacité plutôt faible, car au lieu d'un passage libre, il y a un obstacle sur le chemin de l'eau sous la forme de particules de fil. Ils recouvrent presque complètement le tuyau, provoquant une résistance hydraulique accrue. Dans les situations d'urgence, des dommages et une rupture du plastique sont possibles, après quoi l'eau chaude entraînera certainement un court-circuit. En règle générale, ces appareils de chauffage sont utilisés dans de petites pièces comme système de chauffage supplémentaire pendant la saison froide.

L'utilisation de bobines d'induction au lieu d'éléments chauffants traditionnels dans les équipements de chauffage a permis d'augmenter considérablement l'efficacité des unités avec une consommation d'électricité moindre. Les appareils de chauffage par induction sont apparus en vente relativement récemment, d'ailleurs, à des prix assez élevés. Par conséquent, les artisans n'ont pas laissé ce sujet sans attention et ont compris comment fabriquer un appareil de chauffage par induction d'un onduleur de soudage.

Appareils de chauffage par induction à haute fréquence

La gamme d'applications la plus large concerne les appareils de chauffage par induction à haute fréquence. Les radiateurs se caractérisent par une fréquence élevée de 30-100 kHz et une large plage de puissance de 15-160 kW. Le type haute fréquence fournit une faible profondeur de chauffage, mais cela suffit pour améliorer les propriétés chimiques du métal.

Les appareils de chauffage par induction à haute fréquence sont faciles à utiliser et économiques, tandis que leur efficacité peut atteindre 95 %.Tous les types fonctionnent en continu pendant une longue période et la version à deux blocs (lorsque le transformateur haute fréquence est placé dans un bloc séparé) permet un fonctionnement 24 heures sur 24. Le radiateur dispose de 28 types de protections, chacune étant responsable de sa propre fonction. Exemple : contrôle de la pression d'eau dans le système de refroidissement.

  • Chauffage par induction 60 kW Perm
  • Chauffage à induction 65 kW Novossibirsk
  • Chauffage à induction 60 kW Krasnoïarsk
  • Chauffage à induction 60 kW Kalouga
  • Chauffage par induction 100 kW Novossibirsk
  • Chauffage à induction 120 kW Ekaterinbourg
  • Chauffage à induction 160 kW Samara
Lire aussi :  La procédure et les règles d'installation des compteurs d'eau: règles d'installation et d'étanchéité

Application:

  • engrenage trempé en surface
  • durcissement de l'arbre
  • durcissement des roues de grue
  • chauffer les pièces avant de les plier
  • soudure de fraises, fraises, forets
  • chauffer la pièce lors de l'emboutissage à chaud
  • boulon d'atterrissage
  • soudage et rechargement des métaux
  • restauration des détails.

Suite

Onduleur d'un appareil de soudage.

La formation d'un champ électromagnétique à l'extérieur de l'inducteur nécessite une bobine puissante avec un grand nombre de spires, et plier le tuyau n'est pas non plus une tâche facile. Par conséquent, les maîtres recommandent de faire un semblant de noyau à partir du tuyau en le plaçant dans une bobine d'induction. En général, le corps de l'appareil a été conçu en métal, mais, en raison de la petite taille de l'inducteur, le tuyau est remplacé par un polymère avec un fil métallique à l'intérieur. Après avoir collecté les pièces nécessaires, vous pouvez commencer à fabriquer une chaudière à induction selon le schéma ci-dessous

Il faut faire attention à la séquence des étapes, car le résultat dépend du respect des étapes.

Vous devez d'abord fixer le treillis métallique à une extrémité du tuyau en polymère afin que les morceaux de fil chauffant ne tombent pas pendant le fonctionnement.

À partir de la même extrémité du tuyau, un adaptateur est fixé pour une connexion ultérieure au chauffage.

Ensuite, vous devez couper le fil à l'aide d'une pince coupante. La longueur des pièces varie de 1 à 6 cm, puis ces pièces doivent être placées le plus étroitement possible dans le tuyau afin qu'il ne reste plus d'espace libre.

La deuxième extrémité du tuyau passe par les 2 mêmes étapes initiales : installation d'un treillis métallique et d'un adaptateur. Ensuite, l'étape de fabrication de l'inducteur commence: vous devez enrouler le fil de cuivre, tandis que le taux de spires est de 80 à 90 pièces. Connectez les extrémités du fil de cuivre aux pôles de l'onduleur.

Il est nécessaire d'installer une pompe de circulation dans le système de chauffage (si elle était absente). Et enfin, le thermostat est connecté. Il fournit un fonctionnement automatisé du réchauffeur.

L'inducteur commence à créer un champ électromagnétique après le démarrage de l'onduleur. Des écoulements tourbillonnaires apparaissent, chauffant le fil à l'intérieur du tuyau et, par conséquent, l'ensemble du liquide de refroidissement.

Ainsi, la création d'un appareil de chauffage par induction basé sur un onduleur de soudage est une affaire assez simple. De plus, ce type de chauffage présente de nombreux avantages qui se traduisent par une efficacité, une durabilité des équipements et de faibles coûts financiers.

Cependant, vous devez vous rappeler les précautions afin de ne pas avoir à refaire tout le travail, sélectionner des pièces de haute qualité et maintenir l'assemblage de l'appareil de chauffage en phase.

Comment fabriquer un appareil de chauffage par induction de vos propres mains à partir d'un onduleur de soudage

Le marché moderne des équipements de chauffage est très saturé de toutes sortes de chaudières.De nombreux experts conseillent aujourd'hui d'installer une chaudière à gaz, car c'est un moyen efficace de chauffer une maison.

Bien sûr, personne ne doute d'une telle affirmation, mais que faire si le bâtiment est situé loin du réseau de gaz ? Dans ce cas, la meilleure solution serait d'installer des équipements électriques pour le chauffage de la maison.

Pour devancer les sceptiques qui, à la lecture de ces lignes, songent à la hausse constante du prix de l'électricité, nous proposons de considérer un tel type de chauffage électrique des locaux comme le chauffage par induction. Par conséquent, dans notre article, nous nous attarderons sur la description chauffage par induction vortex, ce qui peut être fait sans trop d'effort de vos propres mains, tout en utilisant un onduleur de soudage.

3 Production indépendante d'équipements

Un appareil de chauffage par induction de faible puissance, conçu pour chauffer de l'eau, peut être fabriqué sur la base d'un simple transformateur comportant un enroulement primaire et secondaire. Dans le premier circuit, l'électricité est convertie en courants de Foucault. Un champ magnétique est créé, qui fournit une induction puissante, une action directionnelle. Le deuxième circuit du transformateur est responsable du chauffage rapide du liquide de refroidissement.

Comment fabriquer un appareil de chauffage par induction de vos propres mains à partir d'un onduleur de soudage

Outils et matériaux nécessaires :

  • Transformateurs ou onduleur de soudage.
  • Tubes métalliques de différents diamètres.
  • Machine à souder et fer à souder.
  • Tournevis et cutters.

Dans chaque cas, les composants nécessaires différeront en fonction du schéma de conception de l'appareil de chauffage sélectionné. Il faut se rappeler de la présence obligatoire de l'automatisation intégrée, qui surveillera la température de l'eau chauffée.La présence d'un relais de contrôle permet de garantir le fonctionnement sans problème de l'appareil, d'augmenter sa sécurité et d'éviter la panne d'un générateur de chaleur fait maison.

Chauffages à induction bricolage. Chauffage à induction maison: schéma

Comment fabriquer un appareil de chauffage par induction de vos propres mains à partir d'un onduleur de soudage Un tel appareil de chauffage peut souvent être vu sur une vidéo ou sur des photographies où, après la mise sous tension, un produit métallique ou simplement un morceau de fer placé dans une bobine de tube de cuivre commence immédiatement à chauffer au rouge. Dans cet article, nous examinerons le circuit et l'assemblage d'un appareil de chauffage par induction.

Schéma de l'appareil :

Schéma d'un radiateur à induction de 500 watts que vous pouvez fabriquer vous-même ! Il existe de nombreux programmes similaires sur Internet, mais l'intérêt pour eux disparaît, car fondamentalement, ils ne fonctionnent pas ou ne fonctionnent pas comme nous le souhaiterions. Ce circuit de chauffage par induction est parfaitement opérationnel, éprouvé, et surtout, pas compliqué, je pense que vous l'apprécierez !

Instructions de fabrication

Plans

Figure 1. Schéma électrique du chauffage par induction

Illustration 2. Appareil.

Figure 3. Schéma d'un simple appareil de chauffage par induction

Pour la fabrication du four, vous aurez besoin des matériaux et outils suivants:

  • fer à souder;
  • souder;
  • planche de textolite.
  • mini perceuse.
  • radioéléments.
  • pâte thermique.
  • réactifs chimiques pour la gravure de panneaux.

Matériaux supplémentaires et leurs caractéristiques :

  1. Pour fabriquer une bobine qui émettra un champ magnétique alternatif nécessaire au chauffage, il faut préparer un morceau de tube de cuivre d'un diamètre de 8 mm et d'une longueur de 800 mm.
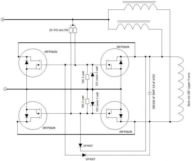
  2. Les transistors de puissance puissants sont la partie la plus chère d'une configuration à induction maison. Pour monter le circuit générateur de fréquence, il est nécessaire de préparer 2 de ces éléments.À ces fins, les transistors de marques conviennent: IRFP-150; IRFP-260 ; IRFP-460. Dans la fabrication du circuit, 2 transistors à effet de champ identiques parmi ceux répertoriés sont utilisés.
  3. Pour la fabrication d'un circuit oscillant, des condensateurs en céramique d'une capacité de 0,1 mF et d'une tension de fonctionnement de 1600 V seront nécessaires.Pour qu'un courant alternatif de haute puissance se forme dans la bobine, 7 de ces condensateurs sont nécessaires.
  4. Lors du fonctionnement d'un tel dispositif à induction, les transistors à effet de champ deviendront très chauds et si des radiateurs en alliage d'aluminium ne leur sont pas fixés, alors après quelques secondes de fonctionnement à puissance maximale, ces éléments tomberont en panne. La mise en place des transistors sur les dissipateurs de chaleur doit se faire à travers une fine couche de pâte thermique, sinon l'efficacité d'un tel refroidissement sera minime.
  5. Les diodes utilisées dans le chauffage par induction doivent être à action ultra-rapide. Les plus adaptées à ce circuit, les diodes : MUR-460 ; UV-4007 ; HER-307.
  6. Résistances utilisées dans le circuit 3 : 10 kOhm avec une puissance de 0,25 W - 2 pcs. et puissance de 440 ohms - 2 watts. Diodes Zener : 2 pièces. avec une tension de fonctionnement de 15 V. La puissance des diodes Zener doit être d'au moins 2 watts. Une self de connexion aux sorties de puissance de la bobine est utilisée avec l'induction.
  7. Pour alimenter l'ensemble de l'appareil, vous aurez besoin d'un bloc d'alimentation d'une capacité allant jusqu'à 500. W. et une tension de 12 à 40 V. Vous pouvez alimenter cet appareil à partir d'une batterie de voiture, mais vous ne pourrez pas obtenir les lectures de puissance les plus élevées à cette tension.

Le processus même de fabrication d'un générateur électronique et d'une bobine prend un peu de temps et se déroule dans l'ordre suivant :

  1. Une spirale d'un diamètre de 4 cm est fabriquée à partir d'un tuyau en cuivre.Pour faire une spirale, un tube de cuivre doit être enroulé sur une tige à surface plane de 4 cm de diamètre.La spirale doit avoir 7 tours qui ne doivent pas se toucher. Des anneaux de montage sont soudés aux 2 extrémités du tube pour la connexion aux radiateurs du transistor.
  2. La carte de circuit imprimé est fabriquée selon le schéma. S'il est possible de fournir des condensateurs en polypropylène, du fait que ces éléments ont des pertes minimales et un fonctionnement stable à de grandes amplitudes de fluctuations de tension, l'appareil fonctionnera de manière beaucoup plus stable. Les condensateurs du circuit sont installés en parallèle, formant un circuit oscillant avec une bobine de cuivre.
  3. Le chauffage du métal se produit à l'intérieur de la bobine, après que le circuit est connecté à une alimentation ou à une batterie. Lors du chauffage du métal, il est nécessaire de s'assurer qu'il n'y a pas de court-circuit des enroulements du ressort. Si vous touchez le métal chauffé 2 tours de la bobine en même temps, les transistors échouent instantanément.
Lire aussi :  Règles pour l'emplacement de la sortie du climatiseur: choisir le meilleur endroit pour l'installation

Le principe de fonctionnement du chauffage par induction

Le chauffage par induction n'est pas possible sans l'utilisation de trois éléments principaux :

  • inducteur;
  • Générateur;
  • élément chauffant.

Une inductance est une bobine, généralement constituée de fil de cuivre, qui génère un champ magnétique. Un alternateur est utilisé pour produire un flux haute fréquence à partir d'un flux d'alimentation domestique standard de 50 Hz.

Un objet métallique est utilisé comme élément chauffant, capable d'absorber de l'énergie thermique sous l'influence d'un champ magnétique.Si vous connectez ces éléments correctement, vous pouvez obtenir un appareil performant, parfait pour chauffer un liquide caloporteur et chauffer une maison.

Galerie d'images

Photo de

Indépendamment de la complexité de la conception, des dimensions et des tâches à résoudre, ses principaux composants sont un inducteur, un générateur de courants de Foucault et un élément chauffant.

L'avantage incontestable des appareils de chauffage par induction est un échauffement rapide avec des besoins en énergie nettement inférieurs à ceux des autres appareils de chauffage.

Un inconvénient majeur des appareils de chauffage par induction est le besoin obligatoire d'une source d'énergie. Sans électricité, l'appareil est complètement inutile.

Si un appareil de chauffage par induction fait maison est installé sur une canalisation de chauffage en métal, il chauffera non seulement efficacement le liquide de refroidissement, mais stimulera également le mouvement du fluide chauffé le long du circuit.

Pour que l'onduleur fonctionne normalement dans un circuit avec une bobine d'induction, il est connecté via un thermostat. Des diodes de redressement sont connectées aux sorties, sinon le système fonctionnera comme un électroaimant et non comme un chauffage par induction.

Le générateur de courants d'induction le plus simple pour un appareil de chauffage fait maison est un onduleur, généralement utilisé dans le soudage électrique.

Une bobine d'induction qui génère des courants de Foucault est connectée aux pôles de l'onduleur, lorsqu'elle est allumée, l'énergie thermique commence immédiatement à être générée dans le réseau.

Le principe de l'induction est utilisé non seulement dans la préparation du caloporteur et le chauffage de l'eau sanitaire à des fins hygiéniques. Il est utilisé dans la fusion des métaux

Assemblage du chauffage par induction le plus simple

Chauffage rapide par courants de Foucault

Accès obligatoire à une source d'énergie

tube métallique chauffant

Mise à niveau de l'onduleur conventionnel

Utilisation de l'onduleur comme générateur

Points de connexion de la bobine d'induction

L'utilisation de l'induction dans la fusion des métaux

À l'aide d'un générateur, un courant électrique présentant les caractéristiques nécessaires est fourni à l'inducteur, c'est-à-dire sur une bobine de cuivre. En le traversant, le flux de particules chargées forme un champ magnétique.

Le principe de fonctionnement des appareils de chauffage par induction repose sur l'apparition de courants électriques à l'intérieur des conducteurs qui apparaissent sous l'influence de champs magnétiques.

La particularité du champ est qu'il a la capacité de changer la direction des ondes électromagnétiques à haute fréquence. Si un objet métallique est placé dans ce champ, il commencera à chauffer sans contact direct avec l'inducteur sous l'influence des courants de Foucault créés.

Le courant électrique à haute fréquence circulant de l'onduleur vers la bobine d'induction crée un champ magnétique avec un vecteur d'ondes magnétiques en constante évolution. Le métal placé dans ce champ chauffe rapidement

L'absence de contact permet de rendre négligeables les pertes d'énergie lors du passage d'un type à l'autre, ce qui explique le rendement accru des chaudières à induction.

Pour chauffer l'eau du circuit de chauffage, il suffit d'assurer son contact avec un radiateur métallique. Souvent, un tuyau métallique est utilisé comme élément chauffant, à travers lequel un courant d'eau passe simplement. L'eau refroidit simultanément le réchauffeur, ce qui augmente considérablement sa durée de vie.

L'électroaimant d'un dispositif à induction est obtenu en enroulant un fil autour d'un noyau d'un ferromagnétique.La bobine d'induction qui en résulte chauffe et transfère la chaleur au corps chauffé ou au liquide de refroidissement circulant à proximité à travers l'échangeur de chaleur

C'est intéressant : Pompe de circulation pour le chauffage - sélection modèles et règles d'installation

Soudage par induction : principe de fonctionnement

Un appareil de chauffage de ce type peut être créé en ayant certaines pièces.

Le plus souvent, ses composants structurels comprennent:

  1. Un inducteur, qui est fabriqué à partir de la quantité requise de fil de cuivre. C'est elle qui va fournir une sorte de champ magnétique.
  2. Élément oui chauffant. Le plus souvent, il est fabriqué à partir d'un tuyau en cuivre, situé à l'intérieur de chaque inducteur.
  3. Générateur. Il convertira l'énergie de type domestique en courant de haute qualité.

Tous ces composants interagissent entre eux et fonctionnent sur le principe d'un chauffage de type induction.

Comment fabriquer un appareil de chauffage par induction de vos propres mains à partir d'un onduleur de soudage

Le chauffage par induction, quant à lui, présente 4 points importants :

  • Un générateur qui générera du courant et le transférera dans une bobine de cuivre ;
  • Un inducteur recevant du courant créera un champ électromagnétique ;
  • L'élément chauffant va s'échauffer sous l'influence du débit, et créer des changements de vecteurs ;
  • Le caloporteur pendant le processus de chauffage transfère son énergie directement au système de chauffage.

Cette action de l'unité d'induction offre un certain nombre d'avantages.

Étape 7 : Faire une bobine de travail

L'une des questions que l'on m'a souvent posées est la suivante : "Comment fabrique-t-on une bobine aussi incurvée ?" La réponse est le sable. Le sable empêchera le tube de se casser pendant le processus de cintrage.

Prenez un tube de cuivre d'un réfrigérateur de 9 mm et remplissez-le de sable propre. Avant de faire cela, couvrez une extrémité avec du ruban adhésif et couvrez également l'autre après avoir rempli de sable.Creusez un tuyau du diamètre approprié dans le sol. Mesurez la longueur du tube de votre bobine et commencez à l'enrouler lentement autour du tube. Une fois que vous aurez fait un tour, le reste sera facile à faire. Continuez à enrouler le tube jusqu'à ce que vous obteniez le nombre de tours souhaité (généralement 4 à 6). La deuxième extrémité doit être alignée avec la première. Cela facilitera la connexion au condensateur.

Retirez maintenant les bouchons et prenez un compresseur d'air pour souffler le sable. Il est conseillé de le faire à l'extérieur.

Veuillez noter que le tube de cuivre est également utilisé pour le refroidissement par eau. Cette eau circule à travers le condensateur capacitif et à travers la bobine de travail.

La bobine de travail génère beaucoup de chaleur à partir du courant. Même si vous utilisez une isolation en céramique à l'intérieur du serpentin (pour conserver la chaleur), vous aurez toujours des températures extrêmement élevées dans l'espace de travail qui réchaufferont le serpentin. Je vais commencer avec un grand seau d'eau glacée et après un certain temps, il deviendra chaud. Je vous conseille de préparer beaucoup de glace.

Conclusion

Les chaudières et les appareils de chauffage à induction se caractérisent par un rendement élevé, car toute l'électricité utilisée est convertie en chaleur. Avant de fabriquer vous-même un appareil, nous vous recommandons vivement d'étudier attentivement le schéma et d'analyser les conditions de travail. Cela évitera les erreurs lors de la préparation.

Électricien de 6e catégorie Panteleev Sergey Borisovich, expérience professionnelle - 17 ans: «Pour chauffer ma maison, j'ai choisi un schéma très simple de chauffage par induction. Tout d'abord, j'ai choisi une section du tuyau et je l'ai nettoyée. Il a fabriqué une isolation en tissu électrique et une bobine d'induction en fil de cuivre. Après avoir isolé le système, j'ai connecté l'onduleur.Le seul inconvénient de ce schéma est le champ électromagnétique, qui affecte négativement le corps. Par conséquent, l'appareil a dû être installé dans la chaufferie, où les gens apparaissent rarement.

Évaluation
Site sur la plomberie

Nous vous conseillons de lire

Où remplir la poudre dans la machine à laver et combien de poudre verser