- Équipement dans un système fermé à circulation forcée
- Comment installer une chaudière à gaz à double circuit dans une maison privée
- Fonctionnement en parallèle des chaudières au bois et au gaz
- 1 régime (systèmes ouverts et fermés)
- Avantages et inconvénients
- 2 schémas, deux systèmes fermés
- Apport de chaleur par vanne 3 voies
- Système avec accumulateur de chaleur, pourquoi est-il
- Types principaux
- Comment faire du chauffage avec deux chaudières
- Raccordement de chaudières électriques et à gaz
- Raccordement de chaudières à gaz et à combustible solide
- Raccordement d'une chaudière à combustible solide et électrique
- 5 Connexion gaz
- Générateurs de chaleur électriques et diesel
- Schéma monotube avec Leningrad
- Comment connecter un appareil pour une chaudière à deux circuits
- Schéma de câblage
- Appareil de chauffage direct
- Chauffage indirect et combiné
- Matériaux et outils
- Installation étape par étape et contrôle qualité
- Quels documents doivent être préparés et qui les délivre
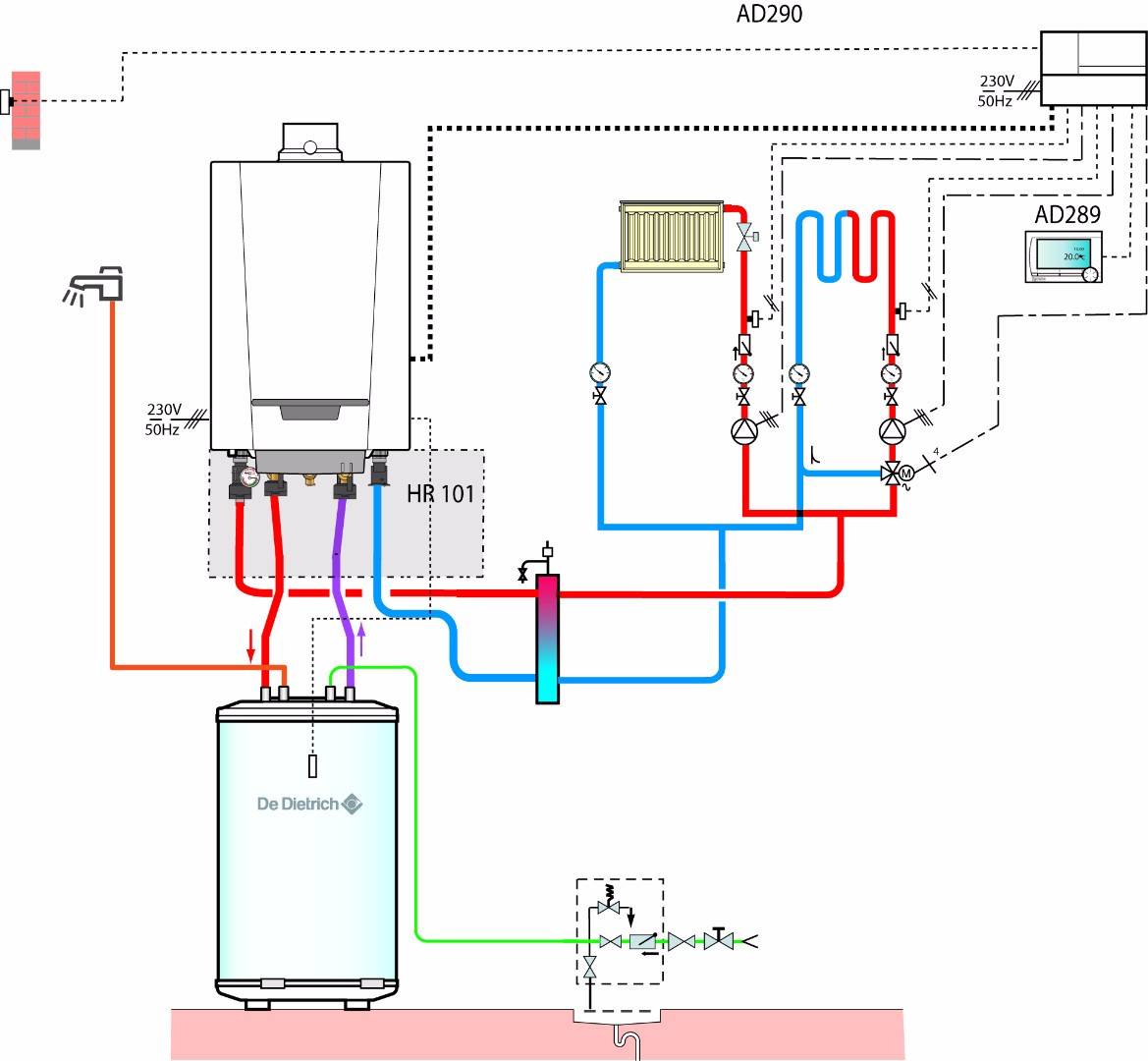
Équipement dans un système fermé à circulation forcée
Lorsque le système de chauffage n'est pas en communication avec l'air ambiant et fonctionne sous pression, ces circuits sont uniquement fermés.
Dans ce cas, l'équipement suivant est nécessaire pour lier la chaudière :
- pompe 100-200 watts, qui doit être installée sur l'alimentation;
- vase d'expansion à membrane pour fournir au liquide de refroidissement un volume supplémentaire pendant l'expansion ;
- soupape de sécurité pour la décharge du liquide de refroidissement, en cas de dépassement de la pression autorisée ;
- un purgeur d'air automatique qui va aider le sas apparu à sortir tout seul du système afin que le liquide de refroidissement circule librement le long du circuit ;
- manomètre - pour contrôler la pression.
Ce sont des éléments obligatoires. Les options suivantes peuvent également être incluses dans le régime :
- filtre pour unité à gaz;
- filtre à l'entrée de l'échangeur de chaleur pour protéger contre les débris ;
- un accumulateur de chaleur, qu'il est avantageux d'associer à des chaudières à combustible solide ou électriques pour économiser l'énergie.
Comment installer une chaudière à gaz à double circuit dans une maison privée
- 03 mai/
- administrateur /
- papecham
Variétés d'équipements au gaz Une chaudière à gaz à double circuit dans une maison privée deviendra non seulement une garantie d'approvisionnement en chaleur, mais également l'utilisation d'eau chaude. Il existe deux types principaux de ces équipements : une chaudière à circulation et une chaudière. Le schéma de leur fonctionnement est basé sur la quantité d'eau chaude utilisée.

La commodité d'une chaudière à double circuit réside dans le chauffage rapide de l'eau. Par exemple, en une minute une telle chaudière chauffe 6 litres d'eau jusqu'à 37 degrés.
L'installation d'une chaudière à gaz à flux est effectuée lorsque le débit d'eau chauffée à 30 ° C ne dépasse pas 15 l / min. La chaudière, équipée d'une chaudière intégrée, fournit un approvisionnement constant en eau chaude d'au moins 50 litres.

Système de chauffage.
Selon la méthode d'évacuation des gaz brûlés, une chaudière à double circuit peut être:
- cheminée (sortie des produits de combustion dans la cheminée);
- condensation (élimination du condensat dans une cheminée étanche);
- turbocompressé (un ventilateur est utilisé dans la cheminée).
Il existe également une division des chaudières en produits de sol et de mur. Beaucoup de gens préfèrent ce dernier. Premièrement, l'utilisation d'une chaudière à gaz murale est considérée comme plus pratique à la fois dans une maison privée et dans un appartement. Il peut être connecté à des thermostats. Deuxièmement, la chaudière est équipée de tous les éléments du système de chauffage:
- vase d'expansion;
- foyer;
- pompe de circulation d'air;
- garnitures de protection;
- unité de contrôle électronique.
Les principaux avantages de l'utilisation d'une chaudière murale sont :
- économie de consommation de carburant;
- facilité d'installation (grâce au faible poids et à la compacité) et à la maintenance ;
- fonctionnement silencieux (obtenu par le système hydraulique);
- la possibilité de se connecter à d'autres appareils externes ;
- installation n'importe où à la maison ou à l'extérieur.
Fonctionnement en parallèle des chaudières au bois et au gaz
Cette option de chauffage de la maison à partir de deux chaudières prévoit leur connexion séparée au système de circulation. Chaque source de chaleur doit avoir sa propre pompe de circulation à l'entrée de retour. Pour une chaudière à gaz murale, cela n'est pas nécessaire, la pompe y est déjà installée par le fabricant. En cas d'épuisement du combustible solide, la température du liquide de refroidissement diminuera et la chaudière à gaz s'allumera automatiquement.
Un point de conception important est la liaison d'une chaudière à combustible solide avec des tuyaux métalliques et la présence d'un dispositif d'évacuation d'urgence avec l'alimentation simultanée en eau froide de la conduite de retour.
1 régime (systèmes ouverts et fermés)

Cette méthode est pratique car les liquides des deux systèmes ne se mélangent pas. Cela vous permet d'utiliser différents liquides de refroidissement.
Avantages et inconvénients
| avantages | Les moins |
| Possibilité d'utiliser différents liquides de refroidissement | Un grand nombre d'équipements supplémentaires |
| Fonctionnement sûr, le réservoir de réserve videra l'excès d'eau en cas d'ébullition | L'efficacité est inférieure en raison de l'excès d'eau dans le système |
| Peut être utilisé sans automatisation supplémentaire |
2 schémas, deux systèmes fermés

Il utilise un système fermé, ce qui élimine le besoin d'un accumulateur de chaleur. Le contrôle est effectué par des thermostats et des capteurs à trois voies. La sécurité de fonctionnement est assurée par l'automatisation.

Ici, nous utilisons la batterie pour l'excès de chaleur. Ainsi, nous augmentons l'efficacité du système et éliminons le besoin de capteurs de température et d'automatisation.
Apport de chaleur par vanne 3 voies

Chaque chaudière doit être équipée de sa propre pompe de circulation, et une autre pompe sera nécessaire pour circuler dans les appareils du système de chauffage. Un purgeur d'air automatique doit être installé en haut du séparateur hydraulique et une vanne de vidange d'urgence en bas.
Système avec accumulateur de chaleur, pourquoi est-il

La chaleur générée chaudière à boispénètre dans ce conteneur. De pas, à travers un serpentin, un échangeur de chaleur ou sans eux, dans une chaudière à gaz. L'automatisation de la seconde comprend que l'eau a la température requise et coupe le gaz. Ce sera tant qu'il y a suffisamment de température dans l'accumulateur de chaleur.
Un accumulateur de chaleur ou un récipient calorifugé avec un serpentin intégré, conçu pour accumuler du liquide de refroidissement chauffé et le fournir au système de chauffage.Dans ce schéma, la chaudière à gaz, les radiateurs et la batterie sont reliés par des pipelines dans un système de type fermé. Chaudière à combustible solide connectée à la bobine de batterie intégrée et chauffe ainsi le liquide de refroidissement dans un système fermé. L'organisation des travaux de chauffage dans ce schéma se déroule dans l'ordre suivant:
- le bois de chauffage brûle dans une chaudière à combustible solide et le liquide de refroidissement est chauffé à partir du serpentin dans le réservoir;
- le combustible solide a brûlé, le liquide de refroidissement s'est refroidi;
- la chaudière à gaz s'allume automatiquement;
- du bois de chauffage est posé à nouveau et une chaudière à combustible solide est allumée;
- la température de l'eau dans l'accumulateur monte jusqu'à celle qui est réglée sur la chaudière à gaz, qui s'arrête automatiquement.
Ce régime nécessite les coûts les plus élevés pour l'achat de matériaux et d'équipements, mais il présente un certain nombre d'avantages:
- une chaudière à combustible solide peut fonctionner en circuit ouvert ;
- le plus haut niveau de sécurité ;
- pas besoin de réapprovisionnement constant de la chambre de combustion avec du bois ou du charbon ;
- circulation du liquide de refroidissement à travers un système de type fermé ;
- la possibilité de fonctionnement simultané de deux chaudières simultanément et chacune séparément.
Parmi les coûts supplémentaires, il faut prendre en compte l'achat d'un ballon tampon avec un serpentin, deux vases d'expansion et une pompe de circulation supplémentaire.
calculer la capacité requise
Types principaux
Les chaudières à gaz sont classées selon différents critères : destination, puissance, type de poussée et mode d'installation. Les chaudières à circuit unique sont installées exclusivement pour chauffer la maison, les chaudières à double circuit permettent non seulement de chauffer les locaux, mais également de fournir de l'eau à la maison avec la possibilité de la chauffer.
Les chaudières de faible puissance sont régulées selon un principe à un étage, les unités de productivité moyenne - selon un principe à deux étages. Dans les chaudières à haute performance, un contrôle de puissance modulé est généralement fourni.
Les chaudières de type fermé fonctionnent sur tirage de ventilation. Il existe également des chaudières à gaz à tirage naturel - de type ouvert ou atmosphérique.
L'installation de chaudières à gaz dans une maison privée s'effectue soit par montage au mur, soit au sol. Dans le premier cas, des échangeurs de chaleur en cuivre sont utilisés, et dans le second, en fonte ou en acier.
La solution optimale pour une utilisation dans une maison privée est considérée comme une chaudière à double circuit à circulation avec une chaudière fonctionnant sur l'automatisation. Il fournit le chauffage des locaux pendant la saison froide et le chauffage de l'eau pour cuisiner, laver la vaisselle, prendre une douche.

Le système automatique, qui comprend un double thermostat et un microprocesseur, simplifie grandement le processus de réglage de l'équipement, vous permet de surveiller la température dans les pièces et dans la rue, de définir un programme pour réduire le chauffage au minimum s'il n'y a personne dans la maison (par exemple, pendant la journée, quand tout le monde est allé travailler).
L'installation d'une chaudière entièrement automatique vous permettra d'économiser 30% à 70% de combustible par rapport aux chaudières manuelles ou semi-automatiques.
Dans le même temps, en l'absence d'électricité, une chaufferie domestique automatique ne pourra pas assurer le chauffage à part entière de la maison. Par conséquent, lors de l'installation de la chaudière, des situations de force majeure doivent également être prévues.
Lors de l'achat d'une chaudière à gaz, assurez-vous de vérifier la disponibilité d'un certificat et d'un ensemble complet. Si nécessaire, achetez en plus des fixations pour fixer l'appareil au mur.
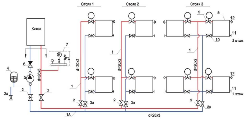
Comment faire du chauffage avec deux chaudières
La création d'un circuit pour deux chaudières de chauffage est associée à une décision évidente de maximiser la fonctionnalité de divers types de systèmes de chauffage pour une maison privée. A ce jour, plusieurs options de connexion sont proposées :
- chaudière à gaz et électrique;
- chaudière à combustible solide et électrique;
- chaudière à combustible solide et gaz.
Avant de procéder à la sélection et à l'installation d'un nouveau système de chauffage, nous vous recommandons de vous familiariser avec les brèves caractéristiques du fonctionnement des chaudières communes.
Raccordement de chaudières électriques et à gaz
L'un des systèmes de chauffage les plus faciles à utiliser consiste à combiner une chaudière à gaz avec une chaudière électrique. Il existe deux options de connexion: parallèle et série, mais le parallèle est considéré comme préférable, car il est possible de réparer l'une des chaudières, de la remplacer et de l'arrêter, et également d'en laisser une seule fonctionner en mode minimum.
Une telle connexion peut être complètement fermée et de l'eau ordinaire ou de l'éthylène glycol peut être utilisé comme liquide de refroidissement pour les systèmes de chauffage.

Raccordement de chaudières à gaz et à combustible solide
L'option la plus difficile techniquement, car elle nécessite une préparation minutieuse du système de ventilation et des locaux pour les installations globales et à risque d'incendie. Avant l'installation, lisez les règles d'installation séparément pour les chaudières à gaz et à combustible solide, en choisissant la meilleure option.De plus, le chauffage du liquide de refroidissement est difficile à contrôler dans une chaudière à combustible solide et un système ouvert est nécessaire pour compenser la surchauffe, dans lequel la surpression est réduite dans le vase d'expansion.
Important: un système fermé lors du raccordement de chaudières à gaz et à combustible solide est interdit et est considéré comme une violation grave de la sécurité incendie. Les performances optimales de deux chaudières peuvent être obtenues à l'aide d'un système de chauffage à plusieurs circuits, composé de deux circuits indépendants l'un de l'autre. Les performances optimales de deux chaudières peuvent être obtenues à l'aide d'un système de chauffage à plusieurs circuits, composé de deux circuits indépendants l'un de l'autre
Les performances optimales de deux chaudières peuvent être obtenues à l'aide d'un système de chauffage à plusieurs circuits, composé de deux circuits indépendants l'un de l'autre.
Raccordement d'une chaudière à combustible solide et électrique
Avant le raccordement, évaluez les caractéristiques techniques de la chaudière électrique sélectionnée et lisez les instructions. Les fabricants produisent modèles ouverts et les systèmes de chauffage fermés. Dans le premier cas, la meilleure option est de se concentrer sur le fonctionnement de deux chaudières sur un échangeur de chaleur commun ; dans le second, il peut être facilement connecté à un circuit ouvert déjà en fonctionnement.

5 Connexion gaz
Il est recommandé d'utiliser des tuyaux en acier pour connecter la chaudière au gazoduc central. Le raccordement se fait avec un tuyau. Pour assurer l'étanchéité nécessaire, les raccords filetés sont scellés avec du câble et recouverts de peinture.
Un filtre est installé sur la vanne qui ferme le gaz, ce qui protège contre la pénétration de petits débris et de condensat.En outre, le gazoduc est relié au filtre à l'aide d'un raccord ou d'un tuyau flexible. N'utilisez pas de tuyau en caoutchouc, car avec le temps, il se fissure et le gaz s'infiltre à travers les fissures. Le tuyau ondulé est le meilleur choix pour une connexion flexible. Il est fabriqué en acier inoxydable, solide, durable, résistant à une humidité élevée.
Au dernier stade, le raccordement à la ligne centrale de gaz se fait à l'aide d'un écrou-raccord avec joint en paronite. L'étanchéité est déterminée à l'aide d'une solution savonneuse, qui est appliquée sur les joints. Un signe de fuite de gaz est la présence de bulles. Le raccordement correct du système de gaz est vérifié par un représentant du service de gaz.
Avant le premier démarrage du système de chauffage, de l'eau y est pompée. La procédure doit être effectuée lentement afin que l'air existant sorte des tuyaux. Le remplissage se termine lorsque la pression du liquide dans la ligne atteint deux atmosphères. Dans le même temps, l'étanchéité de l'alimentation en eau est vérifiée, toutes les fuites sont immédiatement éliminées. Les défauts trouvés sont éliminés et les performances du système sont vérifiées. Le premier démarrage doit être supervisé par un représentant du service de gaz.
Générateurs de chaleur électriques et diesel
Le raccordement d'une chaudière à carburant diesel à un système de radiateurs est identique aux installations utilisant des canalisations de gaz. Raison: l'unité diesel fonctionne sur un principe similaire - un brûleur à commande électronique chauffe l'échangeur de chaleur avec une flamme, en maintenant la température réglée du liquide de refroidissement.

Les chaudières électriques, dans lesquelles l'eau est chauffée par des éléments chauffants, un noyau à induction ou grâce à l'électrolyse des sels, sont également directement connectées au chauffage.Pour le maintien de la température et de la sécurité, l'automatisme est situé dans l'armoire électrique, connecté au réseau selon le schéma de câblage ci-dessus. D'autres options de connexion sont présentées dans une publication séparée sur l'installation de chaudières de chauffage électrique.
Les mini-chaudières murales équipées de résistances tubulaires sont destinées uniquement aux systèmes de chauffage fermés. Pour travailler avec le câblage par gravité, vous aurez besoin d'une électrode ou d'une unité d'induction, qui est liée selon le schéma standard:

Si vous le comprenez, la dérivation n'est pas nécessaire ici - la chaudière ne fonctionnera pas non plus sans électricité.
Schéma monotube avec Leningrad
Diviser le schéma de gravité est une tâche difficile. Si la chaudière est utilisée dans une maison privée, un appartement à un étage, le nombre de radiateurs ne dépassant pas 5-6 (la valeur exacte dépend de la puissance de la chaudière), il est réaliste de fournir un Leningrad monotube.
Le schéma, appelé celui de Leningrad, est une méthode d'installation lorsque l'autoroute est située au niveau du sol, exactement en surface. Les piles sont insérées avec une connexion inférieure.
Positionné horizontalement. Le seul élément vertical du circuit est la colonne montante accélératrice. Il est retiré de la chaudière, coudé, relié au réservoir.
L'installation d'un pipeline horizontal pour un cycle naturel est réalisée en biais. L'angle dépasse rarement 30 degrés.
Le câblage de Leningrad dans un seul tuyau fonctionne dans de petites pièces.
Comment connecter un appareil pour une chaudière à deux circuits
La chaudière est sélectionnée après avoir décidé de son type, de son emplacement et de son volume par rapport à la puissance du chauffe-eau. Dans les réservoirs de stockage indirects et combinés, il est recommandé de prévoir une protection supplémentaire contre le tartre à l'intérieur du serpentin.
Attention! Il est interdit de brancher la chaudière jusqu'à ce que la chaudière soit mise en marche par le service de gaz
Schéma de câblage
Le schéma de raccordement dépend du type de réservoir :
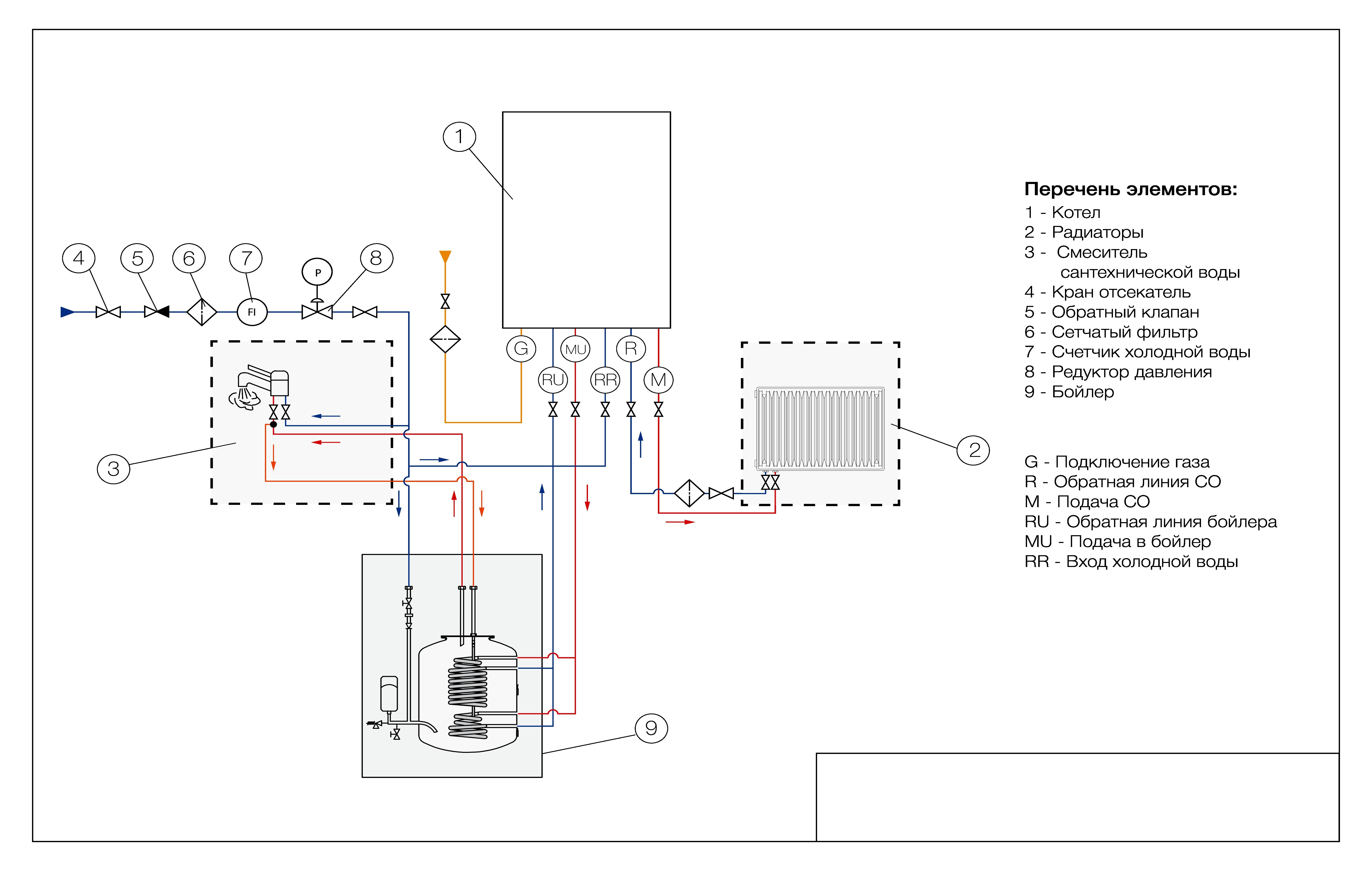
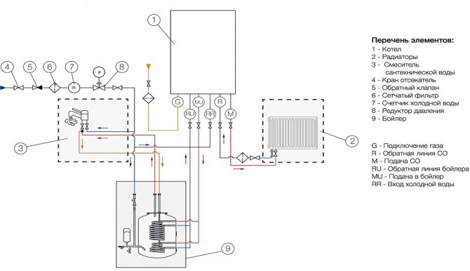
Appareil de chauffage direct
Le tuyau d'entrée du réservoir de stockage est relié à l'arrivée d'eau froide. Tuyau de dérivation de sortie - à l'entrée du deuxième circuit de la chaudière.
L'eau froide entre directement dans la chaudière, où elle chauffe jusqu'à 60 ° C sous l'influence d'un élément chauffant.
De la chaudière, le liquide est envoyé à la chaudière, perdant plusieurs degrés de température en cours de route. En passant par le deuxième échangeur de chaleur de l'appareil de chauffage, l'eau restaure les pertes et passe au système ECS par la vanne de sortie de la chaudière.
Chauffage indirect et combiné
Ils ont deux tuyaux de dérivation supplémentaires à partir de serpentins. Ils sont raccordés au premier circuit de la chaudière. Le schéma de travail suppose que le liquide de refroidissement chauffé du système de chauffage passera d'abord par le serpentin de stockage, puis seulement par les radiateurs.
De ce fait, le principal gradient de chauffage de l'eau du robinet est assuré par un serpentin. L'eau froide est introduite directement dans l'accumulateur, le liquide réchauffé est évacué vers le circuit ECS de la chaudière.
Lors de la synchronisation, c'est-à-dire de l'allumage et de l'extinction périodiques du brûleur par l'automatisation de la chaudière fonctionnant avec une chaudière à chauffage indirect, il est recommandé de modifier le schéma de raccordement du réservoir. La synchronisation de la chaudière indique que l'eau dans le ballon de stockage n'atteint pas les 60 °C requis.
Les canalisations du circuit ECS du chauffe-eau sont étouffées, l'eau de la chaudière est immédiatement envoyée aux consommateurs.Le taux de chauffage du liquide dépend uniquement de la puissance du système de chauffage, il est impossible de faire fonctionner ce schéma en été.

Photo 3. Schéma de câblage d'une chaudière à eau chaude indirecte pour une chaudière à gaz à double circuit.
Matériaux et outils
Les éléments internes des chaudières sont en cuivre, en acier ou en fonte. Les éléments chauffants et les serpentins sont en cuivre ou en acier. Les parois en acier du réservoir sont sujettes à la corrosion, la durée de vie ne dépasse pas 15 ans. Les murs en fonte sont deux fois plus massifs et plus chers, mais ils fonctionnent correctement jusqu'à 90 ans.
Lors de l'installation d'une chaudière, des raccords de tuyauterie amovibles sont fournis. Pour cela, vous avez besoin de :
- ruban à mesurer, crayon, craie;
- perforateur avec un jeu de forets (pour faire des trous pour le pipeline, éléments de montage mural);
- réglables et clés (les modèles à cliquet sont recommandés);
- Ensemble de tournevis;
- pinces;
- pinces coupantes;
- moyens pour sceller les joints (lin, ruban FUM, fil de plomberie);
- produits d'étanchéité;
- vannes d'arrêt, tés;
- raccord;
- tuyaux.
S'il n'est pas possible d'organiser des connexions détachables, des tuyaux en polypropylène sont utilisés, qui sont soudés sur place.
Installation étape par étape et contrôle qualité

Tous les travaux sont effectués avec l'équipement éteint et le liquide retiré du système.
- Marquer les attaches avec un crayon ou une craie. Perçage des trous de montage.
- Vérification de la capacité portante du mur. Réel pour les modèles à charnières. Les fixations fournies avec le variateur sont installées au mur, chargées de sacs de ciment ou de sable à raison d'une double alimentation.
Si le matériau du mur peut supporter une charge de 100 kg, vous pouvez suspendre sans crainte une chaudière d'un volume allant jusqu'à 50 litres.
- Placer le conteneur sur le mur ou sur le sol.
- Raccordement plomberie.
- Installation de soupapes de surpression le long du cours d'eau.
- Pose d'un vase d'expansion.
- Remplir d'eau et vérifier l'étanchéité des connexions. Si le système rempli d'eau n'a pas fui pendant une heure d'inactivité, alors l'étanchéité des joints est satisfaisante.
- Allumer l'équipement sur le réseau, vérifier le fonctionnement.
Quels documents doivent être préparés et qui les délivre
Une fois le projet terminé, il sera nécessaire d'obtenir les approbations du service de gaz et des services publics.
Vous devez d'abord décider de la documentation. La source
Processus de préparation des documents :
- Obtention des conditions techniques (TU). Vous devez vous rendre chez les gaziers locaux. Pour déposer une demande, vous avez besoin de la consommation horaire de combustible de la chaudière, qui est déterminée par la décision de conception. Les spécifications techniques sont publiées en 1-2 semaines.
- Selon le cahier des charges, ils réalisent un projet d'installation d'équipements à gaz, généralement inclus dans la section "Installations à gaz" du projet général de la chaudière.
- Le projet développé est soumis pour approbation à la société de distribution de gaz qui a émis le cahier des charges.
Dans le même temps, le passeport technique de la chaudière, les instructions d'usine, les certificats et l'examen de la conformité de la chaudière aux normes nationales sont soumis au même organisme avec la demande.
La coordination peut avoir lieu sous 10 jours et jusqu'à 3 mois, tout dépendra de la complexité du matériel. En cas de refus, l'inspection doit émettre une liste de corrections pour éliminer les lacunes.
Si toutes les modifications sont apportées, le projet est estampillé et l'installation de la chaudière peut commencer. Un raccordement non autorisé au réseau de gaz entraîne l'imposition de lourdes pénalités au propriétaire de la chaudière.





































