Comment connecter un commutateur de passage: analyse des circuits + instructions pas à pas pour la connexion

Commutateur traversant: un schéma de connexion simple à faire soi-même (instruction avec photo et vidéo)

Circuit de commutation d'éclairage à trois points

Dans la section précédente, l'activation et la désactivation de l'électricité à partir de deux points ont été envisagées : le circuit est très simple.

Eh bien, si vous avez besoin d'allumer/éteindre la lumière à partir de trois points ? Un tel problème se pose lorsque vous essayez d'économiser de la lumière dans un bâtiment à plusieurs étages et en même temps de ne pas monter les escaliers dans l'obscurité. Il n'y a rien de difficile à cela.Mais vous aurez besoin d'un commutateur supplémentaire, et non pas d'un passage, mais d'un croisement.

Riz. 3 Circuit de commutation croisée

Avec un commutateur croisé, la phase peut être transférée de n'importe quelle entrée à n'importe quelle sortie, et le circuit peut être déconnecté entre n'importe quelle paire d'entrée-sortie. À l'aide d'un interrupteur croisé et de deux interrupteurs de passage, vous pouvez assembler un circuit marche/arrêt de lumière à partir de ces points, par exemple, sur un escalier dans une maison à trois étages :

Fig. 4 Schéma d'allumage / extinction de la lumière à partir de trois points

La figure 4 montre la position des interrupteurs dans laquelle la lumière est allumée. En cliquant sur une touche de l'un de ces interrupteurs, nous éteignons la lumière. Après cela, il vaut la peine d'appuyer sur une touche de n'importe quel interrupteur - la lumière s'allumera.

Et si les étages ne sont pas trois, mais cinq, six ? Vous pouvez assembler le circuit de manière à ce que la lumière s'allume et s'éteigne de n'importe quel étage.

Seuls deux interrupteurs sont toujours nécessaires : au début et à la fin de la chaîne. Entre eux, placez des interrupteurs croisés. Un exemple de schéma pour un escalier à quatre étages est illustré à la Fig. 5.

Riz. 5. Schéma d'allumage / extinction de la lumière à partir de quatre points

Armé d'un crayon et de papier, vous pouvez dessiner différentes options et vous assurer qu'appuyer sur n'importe quelle touche de n'importe quel interrupteur entraîne un changement de situation : la lumière s'éteint et si la lumière était éteinte, elle s'allume.

Ce merveilleux circuit peut se développer à mesure que d'autres commutateurs croisés y sont ajoutés.

Peu importe le nombre de commutateurs croisés à quatre contacts, il ne devrait y avoir que deux commutateurs de passage : au début et à la fin.

Où l'interrupteur est-il utilisé ?

En plus des organisations, comme mentionné ci-dessus, une telle solution est pertinente pour les volées d'escaliers, avec l'ajout d'un relais temporisé.Cependant, le relais est conçu pour un certain temps, que la personne ait réussi à monter les escaliers ou non. Cela signifie que le système avec l'ajout d'un capteur temporaire n'est pas très pratique, bien qu'en général les interrupteurs facilitent beaucoup la vie.

Comment connecter un commutateur de passage: analyse des circuits + instructions pas à pas pour la connexion

Ainsi, pour éclairer la volée d'escalier de 4 étages, il suffit d'appuyer sur l'interrupteur du premier. Et à la fin du mouvement dans les escaliers, éteignez toutes les lampes en un clic au dernier étage.

Erreurs de connexion de base

L'erreur la plus courante est commise au stade de la détermination du terminal commun. Certains utilisateurs pensent que quel que soit le schéma, le lien correct sera là où il n'y a qu'un seul contact. Le circuit ainsi assemblé ne fonctionne pas correctement, les interrupteurs qu'il contient dépendent les uns des autres

Dans ce cas, il est important de se rappeler que sur les interrupteurs de fabricants différents, la borne commune peut être située à des endroits différents. Par conséquent, vous devez toujours vérifier le schéma fourni ou appeler les liens avec un testeur.

Si tout est fait correctement et que le circuit ne fonctionne toujours pas correctement, la raison peut être le mauvais choix de commutateur, peut-être que 2 appareils standard sont installés sur le réseau.

La prochaine erreur d'installation populaire est l'introduction incorrecte de dispositifs intermédiaires dans le circuit. Souvent, 2 fils du commutateur n ° 1 sont connectés à l'entrée et du commutateur n ° 2 à la sortie. Le circuit ne fonctionnera pas, car les contacts doivent être connectés en croix. Pour de tels interrupteurs électriques traversants, le schéma de connexion est presque toujours indiqué sur l'appareil lui-même.

Changement d'un interrupteur classique sous le portail

Lors de l'étude d'une photo d'un commutateur pass-through dans le réseau, il devient clair que les différences de ce type par rapport à l'habituel sont minimes. Et par conséquent, s'il y a quelques éléments ordinaires en stock, ils peuvent être facilement convertis en un look amélioré. Surtout quand il s'agit d'appareils existants. Ainsi, il sera possible d'économiser non seulement sur le coût de l'électricité, mais également sur l'achat d'appareils supplémentaires.

L'instruction sur la façon de faire un commutateur pass-through à partir d'un commutateur standard implique la présence d'une paire de dispositifs de commutation fabriqués par la même société et un format de libération (forme de clé, taille, couleur). De plus, vous aurez besoin de variétés à clé unique et à deux clés.

Il est important de faire attention ici que le type d'appareil à deux touches possède des bornes qui permettent de changer de place. Ceci est important pour assurer un processus indépendant de fermeture et d'ouverture du réseau. En d'autres termes, dans une position de la clé, le premier réseau sera allumé, dans une autre position, le second.

En d'autres termes, dans une position de la clé, le premier réseau sera allumé, dans une autre position, le second.

L'algorithme d'actions ressemblera à :

  • au point de fixation avec une sonde, déterminez lequel des fils passant dans le mur (au-dessus du mur) est le fil de phase et marquez-le avec une couleur, cela facilitera le processus d'installation;
  • si l'élément est actif et non neuf, vous devrez le mettre hors tension et le retirer (desserrer les pinces de contact et chaque vis à tête creuse);
  • au verso de l'appareil retiré, ouvrez les pinces du boîtier et retirez le composant électrique ;
  • à l'aide d'un tournevis épais (type à fente), les poussoirs à ressort sont soigneusement retirés du cadre pour éviter d'endommager les éléments;
  • le même tournevis fait levier sur les dents aux extrémités du mécanisme extrait;
  • l'un des contacts basculants mobiles situés sur la partie électrique devra être tourné d'un tour complet (180°);
  • couper une des zones de contact communes (sans isolation ultérieure) ;
  • remettre les éléments supprimés à leur place;
  • si nous parlons d'un élément actif, vous devrez l'installer à sa place d'origine;
  • retirez la clé de l'interrupteur à clé unique et placez-la sur la structure assemblée ;
  • installez le deuxième interrupteur sur le point de commande prévu, en le connectant au premier câble à trois fils ;
  • connecter le circuit ensemble dans une boîte de jonction.

Dans le cas d'interrupteurs installés lors d'une réparation, la présence d'un interrupteur amélioré peut être prise en compte dans la conception. Si nous parlons d'une modification autonome des points de contrôle d'un appareil électrique, le processus sera plus compliqué.

Lire aussi :  Lave-linge Haier : classement des meilleurs modèles + conseils aux acheteurs

Au début, après avoir installé les types d'interrupteurs considérés, qu'ils soient d'usine ou fabriqués indépendamment, il peut y avoir une confusion d'utilisation en raison de certaines caractéristiques des appareils, car il ne sera plus clair par la position de la clé si le l'appareil est allumé ou éteint.

De plus, le réseau ne sera pas disponible simultanément à partir des deux (tous) points de contrôle. À un moment donné, la commande doit être donnée à partir d'un point. Cependant, la méconnaissance initiale ne remplacera pas les avantages de l'installation.

Commutateur de méthode de câblage

Avant de commencer l'installation de l'interrupteur, vous devez savoir que les attaches de fil internes de l'appareil peuvent être différentes. Il existe deux méthodes de commutation.

Pince à vis

Le contact à vis est serré avec un tournevis.Au préalable, environ 2 cm du fil sont nettoyés de l'isolant, puis il est situé sous la borne et fixé

Il est extrêmement important qu'il ne reste pas un millimètre d'isolant sous le terminal, sinon il commencera à fondre, ce qui est très dangereux.

Comment connecter un commutateur de passage: analyse des circuits + instructions pas à pas pour la connexion La pince à vis est mieux utilisée pour les fils d'aluminium, qui ont tendance à chauffer et à se déformer. Pour revenir en capacité de travail, il suffira de serrer le contact (+)

Cette connexion est particulièrement bonne pour les fils d'aluminium. Ils chauffent pendant le fonctionnement, ce qui finit par entraîner une déformation. Le contact dans ce cas commence à se réchauffer et à produire des étincelles.

Pour résoudre le problème, il suffira de serrer la vis. Les fils pris en sandwich entre les deux plaques de contact plates "se mettront en place" et l'appareil fonctionnera sans chaleur ni étincelles.

Pince sans vis

Représente le contact avec le plateau de pression. Équipé d'un bouton spécial qui ajuste la position de la plaque. Le fil est dénudé de 1 cm, après quoi il est inséré dans le trou de contact et serré. L'ensemble de la procédure est très rapide et facile.

Comment connecter un commutateur de passage: analyse des circuits + instructions pas à pas pour la connexion
La borne sans vis est extrêmement facile à installer, c'est pourquoi les experts recommandent aux électriciens débutants de travailler avec des bornes de ce type.

La conception du terminal assure une grande fiabilité de la connexion résultante. Les bornes sans vis sont mieux utilisées pour le câblage en cuivre.

Il faut bien admettre que les colliers à vis et sans vis offrent sensiblement la même fiabilité et la même qualité de connexions. Cependant, la deuxième option est plus facile à installer. Ce sont ses experts expérimentés qui recommandent de l'utiliser aux électriciens débutants.

Fabricants renommés d'interrupteurs de traversée électrique

Les interrupteurs les plus courants sont les produits de la marque Legrand. Les commutateurs sont fabriqués à partir de matériaux de haute qualité, ont un design laconique élégant, sont faciles à installer et sont réputés pour leur politique de prix flexible. La gamme a beaucoup d'offres - des options bon marché aux options chères. Parmi les lacunes, les utilisateurs ont attribué la nécessité d'ajuster le site d'installation.

Lezard est une filiale de Legrand implantée en Chine. De la maison mère, Lezard n'a hérité que du design, la qualité des produits et des matériaux utilisés est sensiblement différente de l'original.

Un autre acteur majeur du marché est la marque Wessen, qui fait partie du groupe de sociétés Schneider Electric. Les commutateurs sont fabriqués selon les derniers développements sur les nouveaux équipements et sont conformes aux normes de qualité européennes. Les appareils permettent le remplacement du châssis de l'interrupteur sans démontage complet.

Makel, un fabricant turc d'appareils de mise en réseau électrique d'intérieur, fournit depuis de nombreuses années sur le marché des interrupteurs de haute qualité et sûrs, qui, en plus, ont un design élégant. Les ingénieurs ont développé la possibilité de connecter des appareils sans interférer avec la boîte de jonction, ce qui facilite le processus d'installation et garantit la sécurité des opérations ultérieures.

Variétés de commutateurs

Selon leur conception, les commutateurs croisés sont divisés en 2 types : clavier et rotatif.

Claviers

Les commutateurs de ce type sont les plus utilisés.

Interrupteurs à clé, il est plus correct de les appeler des interrupteurs, de couper un circuit et d'en fermer un autre. Les interrupteurs conventionnels n'ouvrent ou ne ferment qu'un seul circuit.Extérieurement, ils ne diffèrent pratiquement pas. Ils ne se distinguent de l'arrière que par le nombre de contacts :

  • une monoclé conventionnelle a 2 contacts ;
  • au point de contrôle -3 ;
  • à la croix - 4.

Les interrupteurs à clé peuvent avoir 1, 2 ou 3 clés. Les interrupteurs à touches multiples sont conçus pour contrôler indépendamment plusieurs circuits.

Croix pivotante

Les commutateurs de ce type sont installés moins fréquemment que les claviers. Ils sont généralement utilisés dans les entrepôts et les locaux industriels, pour l'éclairage public, comme décoration intérieure dans les appartements. Les groupes de contact qu'ils contiennent sont fermés et ouverts en tournant le levier.

L'apparition des commutateurs rotatifs (galerie de photos)

Aérien et intégré

Selon la méthode d'installation, les commutateurs sont divisés en 2 types: aériens et intégrés.

Les interrupteurs intégrés sont montés au stade de la construction ou de la réparation dans des boîtiers installés dans des niches. Les fils sont posés dans des tronçons ou attachés aux murs. En règle générale, cette méthode est utilisée avant de plâtrer les murs ou de les recouvrir de cloisons sèches ou d'autres matériaux.

Les interrupteurs aériens et les fils qui leur conviennent sont fixés au mur. Dans ce cas, il n'est pas nécessaire de gratter les murs et de faire des évidements pour les boîtes. De cette façon, ils sont généralement montés lors de réparations esthétiques. Les interrupteurs aériens créent certains inconvénients: la poussière s'y accumule, les gens s'y accrochent en conduisant. Dans certains cas, les propriétaires, au contraire, préfèrent ce type d'interrupteur pour la décoration intérieure.

Caractéristiques des interrupteurs croisés

Sur le marché des produits électriques, il existe un large choix d'interrupteurs et d'interrupteurs de fabricants nationaux et étrangers.La différence de prix entre les différents fabricants est importante, et les dimensions et les caractéristiques techniques sont similaires.

Caractéristiques principales

Tension 220–230 V
Force actuelle 10 A
Matériel
corps
thermoplastique
polycarbonate
Plastique

Les modèles avec des boîtiers qui protègent contre l'humidité et la vapeur sont plus chers.

Caractéristiques de câblage

Le schéma de connexion de l'interrupteur, selon son type (le nombre de touches est pris en compte), varie légèrement.

Comment connecter un commutateur de passage: analyse des circuits + instructions pas à pas pour la connexion

L'option la plus simple consiste à connecter un interrupteur simple, auquel cas vous pouvez tout faire vous-même. Dans une telle situation, dans la boîte de distribution, il n'y a que 2 fils - zéro et phase.

Comment connecter un commutateur de passage: analyse des circuits + instructions pas à pas pour la connexion

Le fil bleu (zéro) est connecté au même fil sur la lampe. La phase d'entrée se déplace initialement vers l'appareil pour éteindre la lumière, après quoi elle retourne à nouveau vers le boîtier de distribution, et ensuite seulement elle est connectée à la phase de l'ampoule.

Comment connecter un commutateur de passage: analyse des circuits + instructions pas à pas pour la connexion

La condition principale pour connecter un interrupteur d'éclairage à une touche est l'attention, car même avec seulement deux fils, les situations sont assez courantes lorsqu'une personne confond les fils.

Comment connecter un commutateur de passage: analyse des circuits + instructions pas à pas pour la connexion

La connexion d'un interrupteur à deux gangs nécessitera une grande connaissance des électriciens, cela se justifie par le fait que tous les groupes de lampes ont un disjoncteur séparé. Comme avec une unité à clé unique, il y a deux noyaux dans la boîte de distribution. Le fil bleu est connecté à d'autres fils de la même couleur à l'entrée.

Lire aussi :  Changer le robinet de la salle de bain

Comment connecter un commutateur de passage: analyse des circuits + instructions pas à pas pour la connexion

Comment connecter un commutateur de passage: analyse des circuits + instructions pas à pas pour la connexion

La phase s'effectue d'abord sur une pause, sur les deux boutons, puis elle se fixe dans un évidement prédéterminé. Les fils sortants vont à chaque groupe de luminaires présents ou à deux ampoules individuelles.

Comment connecter un commutateur de passage: analyse des circuits + instructions pas à pas pour la connexion

Assurez-vous de prendre en compte le fait que le dos du boîtier contient trois trous : deux sont situés sur le côté gauche et un de plus sur la droite. Là où il n'y a qu'un seul trou, la phase d'entrée est connectée, et là où il y a deux trous, la phase de sortie est connectée à la lampe.

Comment connecter un commutateur de passage: analyse des circuits + instructions pas à pas pour la connexion

La phase d'entrée est envoyée pour couper, puis elle est divisée en trois conducteurs de phase différents, chacun étant envoyé à son propre groupe d'ampoules.

Comment connecter un commutateur de passage: analyse des circuits + instructions pas à pas pour la connexion

Fabricants renommés d'interrupteurs de traversée électrique

Les interrupteurs les plus courants sont les produits de la marque Legrand. Les commutateurs sont fabriqués à partir de matériaux de haute qualité, ont un design laconique élégant, sont faciles à installer et sont réputés pour leur politique de prix flexible. La gamme a beaucoup d'offres - des options bon marché aux options chères. Parmi les lacunes, les utilisateurs ont attribué la nécessité d'ajuster le site d'installation.

Lezard est une filiale de Legrand implantée en Chine. De la maison mère, Lezard n'a hérité que du design, la qualité des produits et des matériaux utilisés est sensiblement différente de l'original.

Un autre acteur majeur du marché est la marque Wessen, qui fait partie du groupe de sociétés Schneider Electric. Les commutateurs sont fabriqués selon les derniers développements sur les nouveaux équipements et sont conformes aux normes de qualité européennes. Les appareils permettent le remplacement du châssis de l'interrupteur sans démontage complet.

Makel, un fabricant turc d'appareils de mise en réseau électrique d'intérieur, fournit depuis de nombreuses années sur le marché des interrupteurs de haute qualité et sûrs, qui, en plus, ont un design élégant.Les ingénieurs ont développé la possibilité de connecter des appareils sans interférer avec la boîte de jonction, ce qui facilite le processus d'installation et garantit la sécurité des opérations ultérieures.

UtileInutile

Auto-connexion

Comment connecter un commutateur de passage: analyse des circuits + instructions pas à pas pour la connexion

Connexion d'un interrupteur simple

Pour connecter un interrupteur à une ou deux touches, vous devrez d'abord préparer les outils et le matériel conformément à la liste suivante :

  • couteau avec une lame tranchante;
  • pinces coupantes;
  • tournevis de divers types;
  • pinces;
  • contact avec un isolant;
  • ruban isolant;
  • fils;
  • Boîte de dérivation;

Une fois toutes les préparations terminées, vous pouvez commencer le processus d'installation.

Pour installer un interrupteur à clé unique, vous devrez reproduire l'algorithme d'actions suivant :

Au stade initial, il est nécessaire d'installer la boîte de jonction et de la fixer solidement au mur, si cet élément n'était pas disponible auparavant.

Un fil à trois conducteurs est tiré de la boîte installée à la prise, et des deux côtés, il doit y avoir une marge d'au moins 15 cm, qui sera nécessaire pour connecter davantage l'appareil.

Le deuxième fil est également posé à partir de la boîte de jonction, mais s'étend jusqu'au luminaire.

Le troisième fil tendu servira à alimenter la boîte, il y est tiré depuis la machine.

Le quatrième et dernier fil est tiré vers la machine elle-même depuis le panneau électrique avec un compteur d'énergie ou depuis la machine d'introduction. Cependant, s'il existe déjà un câble d'alimentation, cette étape doit être ignorée et le câble précédemment tiré doit être mis hors tension afin de vous protéger des accidents pendant le processus d'installation.

Connectez un système responsable de la sécurité pendant le fonctionnement du commutateur de traversée, par exemple un disjoncteur multipolaire ou un dispositif spécial qui limite la tension entrante.

Sur les fils, avec un couteau, la première couche de protection est coupée et l'isolant est également retiré. Après cela, les fils de phase et de neutre sont connectés au disjoncteur. Les noyaux des fils sont fixés sur les bornes de la machine, après quoi ils sont serrés à l'aide de vis de serrage spéciales.

Selon exactement le même schéma, tous les fils allant à la boîte de distribution sont connectés

À ce stade, il est important d'observer la bonne technologie pour connecter les fils. Pour ce faire, vous devez vous concentrer sur leurs couleurs: la phase et l'isolant sont connectés aux bornes situées de la même manière que dans la connexion précédente

En d'autres termes, si avant cela le fil neutre était connecté sur le côté gauche, alors ici il faut le répéter, sa connexion sur la droite, au lieu de la phase, est inacceptable.

Si le système d'éclairage présente certaines caractéristiques, par exemple, une source lumineuse avec des éléments métalliques est prévue pour être installée dans la cuisine ou dans la salle de bain, où l'humidité est toujours élevée, la mise à la terre doit également être envisagée. Ses fonctions seront assurées par le troisième fil, il doit être connecté à la fois aux contacts entrants et sortants à l'aide de la pince de contact.

À ce stade, vous pouvez passer directement au raccordement du luminaire, le fil de terre n'est pas nécessaire dans la plupart des cas, mais dans tous les cas, il n'est pas recommandé de le couper, car il pourrait être nécessaire à l'avenir. Les fils restants sont préparés selon le schéma décrit ci-dessus, après quoi ils sont connectés à la cartouche de l'appareil.

Un fil de terre inutilisé peut être isolé puis placé à l'intérieur de la prise.

La plupart des modèles modernes d'interrupteurs de passage sont équipés de contacts enfichables, ce qui facilite grandement le processus de connexion. Le contact correspondant à la phase entrante est traditionnellement indiqué par la lettre latine L, et la phase sortante a une icône en forme de flèche pointant vers le bas. Le fil de phase doit être connecté exactement au contact L et le fil neutre doit être connecté à la phase sortante avec une flèche.

Il ne reste plus qu'à placer le dispositif de commutation connecté dans la prise, après quoi le processus peut être considéré comme complètement terminé.

Comment connecter un commutateur de passage: analyse des circuits + instructions pas à pas pour la connexion

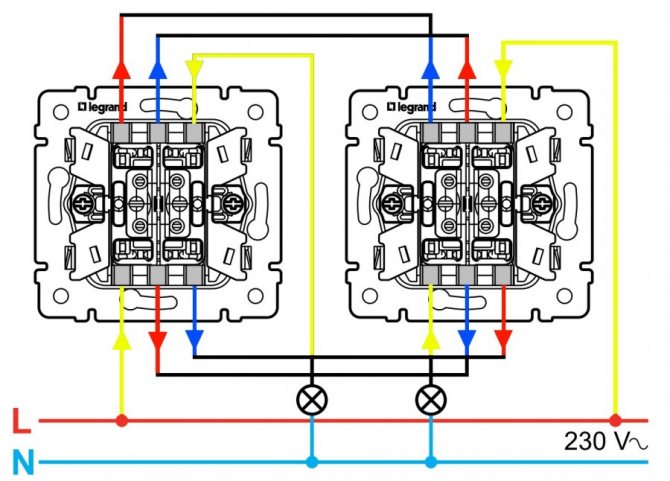
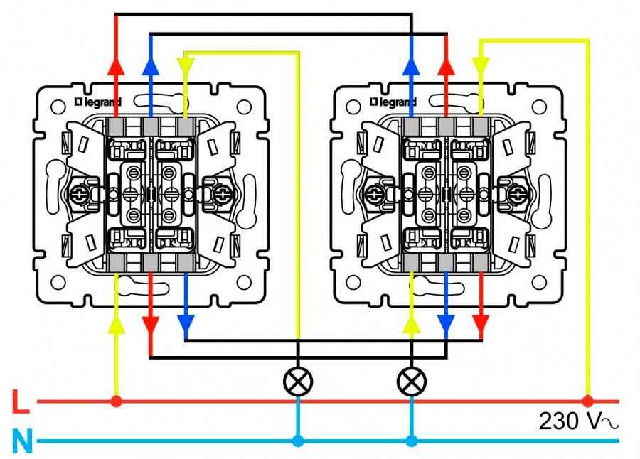
Connexion d'un interrupteur à deux gangs

Un certain nombre de nuances surviennent si vous envisagez de connecter un commutateur d'intercommunication à deux gangs. En fait, il n'y a rien de compliqué à cela, car il n'y a pas de différences fondamentales dans les régimes.

La connexion d'un tel appareil est réalisée à l'aide d'un double circuit de commutation à clé unique, qui est décrit en détail ci-dessus. En termes simples, chacune des touches d'un tel appareil équivaudra à connecter deux interrupteurs à touche unique indépendants.

Le nombre de fils utilisés augmente proportionnellement à la croissance des clés utilisées, sinon, la technologie de connexion reste inchangée.

Pourquoi les interrupteurs de passage sont-ils nécessaires ?

Allumer la lumière dans un long couloir sombre peut être assez gênant s'il n'y a qu'un seul interrupteur situé au bout de la pièce. L'installation la plus rationnelle des commutateurs de passage (un autre nom est les commutateurs croisés) dans différents côtés de la pièce.

Il sera donc possible d'allumer, d'éteindre la lumière immédiatement après être entré dans le couloir.Cela est particulièrement vrai à l'entrée de la maison, où les appartements sont situés en une seule ligne le long d'un long palier, sur des escaliers, dans des bureaux, des locaux industriels.

Un autre cas d'utilisation de ce schéma de contrôle est une grande chambre avec plusieurs lits. Si vous installez des interrupteurs à chaque lit, vous pouvez allumer la lumière sans vous lever. L'installation de tels dispositifs est justifiée dans les chalets d'été, les parcelles personnelles, les cours de maisons privées. Vous pouvez allumer la lumière à la sortie de la maison - après la fin des travaux, il n'est pas nécessaire d'aller dans le noir.

Lire aussi :  Salle de bain en rénovation

Quelques subtilités

S'il est nécessaire de créer plusieurs points de contrôle intermédiaires pour les appareils d'éclairage, par exemple pour les volées d'escaliers de l'entrée d'un immeuble de cinq étages, ils sont tous allumés séquentiellement les uns par rapport aux autres. La même phase doit les traverser - c'est une condition préalable.

Il y a une opinion que pour l'installation de points marche-arrêt intermédiaires pour les appareils d'éclairage, il vaut la peine d'utiliser uniquement un câble à quatre conducteurs. Cela simplifie le travail d'installation.

Il y a du vrai là-dedans, mais il y a une menace réelle à inclure des fils de section inappropriée dans la ligne. En effet, les câbles avec autant de conducteurs sont conçus pour le courant triphasé, le quatrième noyau en eux a un tiers de diamètre plus petit, il est connecté à la boucle de terre. Le courant de phase ne peut pas le traverser.

Tous les travaux de raccordement d'un point marche-arrêt supplémentaire sont effectués hors tension et dans le respect des autres mesures de sécurité électrique.

Schéma de câblage pour les interrupteurs traversants et croisés à partir de 3 endroits :

Pourquoi pourriez-vous avoir besoin d'un circuit d'éclairage PV pour 2 interrupteurs ?

Interrupteur de passage à 3 positions Est-il possible de connecter plusieurs interrupteurs pour contrôler l'éclairage d'une lampe ? Il n'y a pas de disposition intermédiaire dans ce cas.Comment connecter un commutateur de passage: analyse des circuits + instructions pas à pas pour la connexion
Lorsque les extrémités des sondes sont fermées, l'appareil émet un signal sonore, ce qui est très pratique, car il n'est pas nécessaire de regarder l'écran de l'appareil. Dans ce cas, il vaut mieux d'abord regarder la vidéo, qui explique clairement, et surtout montre comment faire.Comment connecter un commutateur de passage: analyse des circuits + instructions pas à pas pour la connexion
Dans tous les cas, vous devez vous procurer un testeur pour détecter le câble sous le plâtre et vérifier sa présence là où vous allez faire quelque chose.Comment connecter un commutateur de passage: analyse des circuits + instructions pas à pas pour la connexion
Nous fournissons un potentiel électrique à travers le fil de phase L. Il est utilisé dans le même but pour contrôler trois groupes de lampes.Comment connecter un commutateur de passage: analyse des circuits + instructions pas à pas pour la connexion
Solution pour trois points de commande L'organisation des systèmes de permutation est en grande partie déterminée par la superficie des locaux, la longueur, le nombre de mouvements de porte. Nous montons l'escalier éclairé et éteignons la lumière Pour éclairer l'escalier, les interrupteurs à mi-volée sont une nécessité : contrôler l'éclairage du salon au premier étage ; trois lampes à l'escalier; commande d'éclairage au deuxième étage.Comment connecter un commutateur de passage: analyse des circuits + instructions pas à pas pour la connexion
Quatre PV sont connectés à l'aide de commutateurs croisés comme décrit ci-dessus. Systèmes avec contrôle depuis plus de trois emplacements Le nombre d'emplacements de contrôle est en principe illimité.
Comme mentionné ci-dessus, en l'absence de circuit, il est préférable d'appeler des contacts à différents postes clés. Le fil de phase est alimenté aux entrées des deux commutateurs, et les autres entrées des commutateurs sont connectées à l'une des extrémités de l'une et de l'autre lampe.
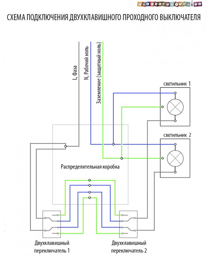
Comment connecter un interrupteur traversant et croisé à deux gangs à partir de deux endroits ou plus

Comment connecter un commutateur de passage: analyse des circuits + instructions pas à pas pour la connexion

Voir aussi : Snip pose de câble d'alimentation

Schéma de commande d'éclairage à partir de 3 endroits

Comment connecter un commutateur de passage: analyse des circuits + instructions pas à pas pour la connexion

Le schéma, dans lequel il y aura 3 interrupteurs ou plus par luminaire, est légèrement différent de la version standard. Un simple interrupteur de marche à trois fils n'aidera pas ici. Dans le magasin, vous devrez acheter un interrupteur à bascule ou croisé, qui est équipé de 4 sorties. Il servira de lien intermédiaire entre les interrupteurs principaux.

Dans la boîte, vous devez trouver 2 noyaux secondaires des commutateurs principaux et les connecter au dispositif de commutation. Le fil de 1 de l'appareil principal va à l'entrée de l'intermédiaire, et le fil qui en sort va de 2 aux bornes de sortie. Afin de ne rien confondre, vous devez toujours vous référer au schéma dessiné sur les appareils eux-mêmes. Il arrive que leur entrée et leur sortie soient situées du même côté.

Seuls les fils d'un câble à quatre conducteurs sont amenés dans la boîte de jonction et l'appareil lui-même est situé à n'importe quel endroit pratique pour l'utilisateur. Avec une connexion appropriée, la lumière s'allumera et s'éteindra à partir de n'importe quel appareil installé. Plusieurs interrupteurs à bascule peuvent être ajoutés au circuit. Le schéma de raccordement des principaux appareils reste le même qu'avec un éclairage à partir de 2 places.

montage traversant et interrupteurs croisés

La meilleure option pour la conception et l'installation de circuits électriques
- au stade de la construction ou à domicile lors de son immobilisation
Besoin. réparation pour prendre en compte tous les locaux dans lesquels vous pourriez avoir besoin
allumage et extinction indépendants de l'éclairage à partir de 3 points
télécommande.Ce sont de longs couloirs, sous-sol avec plusieurs pièces
entrées et sorties, volées d'escaliers. prendre en compte devrait et yard
bâtiments, éclairage public.

qui, Tem va monter l'éclairage tout seul, mais pas
a des compétences, les experts conseillent d'abord de monter un régime temporaire
éclairage en connectant 2 interrupteurs de passage avec des fils courts et
brancher une ampoule. Il convient de rappeler quels contacts ont été
les fils sont connectés. Après vous être assuré que la chaîne est correctement assemblée,
les commutateurs ont besoin de séquence.

action de détachement

L'installation de l'éclairage s'effectue dans l'ordre suivant:

  1. Poser et fixer le câble de raccordement à deux conducteurs pour les traversées.
    commutateurs.
  2. Sur le site d'installation du commutateur croisé, laissez un petit
    boucle, mais le fil ne s'installe pas.
  3. coupez les interrupteurs à leur place permanente.
  4. aux interrupteurs Connecter les extrémités des deux fils,
    zéro phase ou fils.

    Connexion filaire

  5. Assurez-vous que l'éclairage peut être contrôlé indépendamment à partir de 2
    points.
  6. circuit Débrancher de l'alimentation secteur.
  7. Sur le site d'installation du commutateur croisé, un câble à deux conducteurs
    coupez et installez un interrupteur dans l'espace transversal.

    Couper la connexion de la connexion à deux fils

  8. circuit de câble au secteur.
  9. Assurez-vous que l'éclairage peut être contrôlé indépendamment à partir de 3
    points.

interne Pour le travail, tout fil à deux fils convient
isolé, dont la section correspond à la destination Pour. charger
Pour l'éclairage public, un fil à double isolation est utilisé.

La pratique a montré que le contrôle de l'éclairage long
couloirs, sur les volées d'escaliers, dans les sous-sols des pièces moins chères et
il est plus pratique de faire avec l'utilisation de passerelles et d'interrupteurs
traverser.

Conclusions et vidéo utile sur le sujet

Comment installer un interrupteur de surface simple :

La séquence de travail lors du remplacement de l'appareil:

Règles et séquence de connexion d'un interrupteur à deux gangs :

L'installation et la connexion de l'interrupteur est l'un des travaux électriques les plus simples. Des connaissances et des compétences particulières ne sont pratiquement pas requises ici, mais vous ne devez pas non plus traiter cet événement de manière irresponsable. L'électricité ne pardonne même pas les plus petites erreurs.

Par conséquent, ceux qui n'ont pas d'expérience dans la réalisation de tels travaux devraient demander l'aide de spécialistes ou d'artisans à domicile plus expérimentés.

Évaluation
Site sur la plomberie

Nous vous conseillons de lire

Où remplir la poudre dans la machine à laver et combien de poudre verser