- Phase préparatoire
- Connexion LED selon un circuit simple avec une résistance et une diode - option 2
- Partie calcul du régime
- Inconvénients d'utiliser le schéma de connexion des LED à 220 V selon l'option 2
- Lien
- Auto-assemblage
- Dispositif d'interrupteur lumineux
- Le circuit de rétroéclairage fonctionne comme ceci :
- Types d'interrupteurs lumineux
- Se préparer à se connecter
- Méthodes de connexion
- Connecteurs
- Soudure
- Interrupteur lumineux bricolage
- "Histoires d'horreur" et mythes sur l'interrupteur
- Règles de connexion
- Installation d'un seul interrupteur
- Installation et raccordement d'interrupteurs à plusieurs touches
- Connecter un interrupteur rétro-éclairé
- Comment combiner des lampes et un interrupteur
Phase préparatoire
Si vous n'avez jamais rencontré le remplacement ou l'installation d'interrupteurs lumineux auparavant, vous devrez vous préparer un peu et réfléchir à vos actions. En général, les mesures pour retirer une ampoule néon ou une LED peuvent être divisées en deux étapes :
- supprimer la tension des fils porteurs de courant ;
- préparation de l'outil nécessaire.
Le premier point consiste à mettre hors tension la pièce dans laquelle se trouve l'interrupteur rétroéclairé. Pour ce faire, la poignée du disjoncteur doit être tournée en position "off". Dans certaines maisons, des fusibles (prises) sont installés à la place, qui devront être dévissés.Si les fils de phase et de neutre sont connectés à des machines différentes, pour une sécurité totale, les deux machines sont éteintes (les deux prises sont retirées).
L'essence de la deuxième étape est d'éviter les tracas inutiles à la recherche de l'outil manquant pendant le travail. Pour retirer l'interrupteur lumineux et éteindre le rétroéclairage, vous aurez besoin : d'un tournevis indicateur, d'un puissant tournevis à tête plate, d'une pince coupante et d'un couteau.
Connexion LED selon un circuit simple avec une résistance et une diode - option 2
Un autre circuit simple montrant comment connecter des LED à 220VAC n'est pas beaucoup plus compliqué et peut également être classé comme un circuit simple.
Considérez le principe de fonctionnement. Avec une demi-onde positive, le courant traverse les résistances 1 et 2, ainsi que la LED elle-même. Dans ce cas, il convient de rappeler que la chute de tension aux bornes de la LED sera inversée pour une diode conventionnelle - VD1. Dès que la demi-onde négative de 220 V "entre" dans le circuit, le courant passe par une diode et des résistances conventionnelles. Dans ce cas, la chute de tension continue aux bornes de VD1 sera inversée par rapport à la LED. Tout est simple.
Avec une alternance positive de la tension secteur, le courant traverse les résistances R1, R2 et la LED LED1 (dans ce cas, la chute de tension directe sur la LED LED1 est la tension inverse pour la diode VD1). Avec une demi-onde négative de la tension secteur, le courant traverse la diode VD1 et les résistances R1, R2 (dans ce cas, la chute de tension directe à travers la diode VD1 est la tension inverse pour la LED LED1).
Partie calcul du régime
Tension secteur nominale :
tuS.NOM = 220V
La tension secteur minimale et maximale est acceptée (données expérimentales) :
tuS.MIN = 170V
tuS.MAX = 250V
La LED LED1 est acceptée pour l'installation, ayant le courant maximal autorisé :
jeLED1.OPTION = 20 mA
Courant de crête nominal maximal de LED1 :
jeLED1.AMPL.MAX = 0,7*jeLED1.OPTION \u003d 0,7 * 20 \u003d 14 mA
Chute de tension sur LED1 (données expérimentales) :
tuLED1 = 2V
Tension de fonctionnement minimale et maximale aux bornes des résistances R1, R2 :
tuR.ACT MIN = US.MIN = 170V
tuR.ACT MAX = US.MAX = 250V
Résistance équivalente estimée des résistances R1, R2 :
REQ.CALC = UR.AMPL.MAX/JELED1.AMPL.MAX = 350/14 = 25 kOhm
Puissance totale maximale des résistances R1, R2 :
PR.MAX = UR.ACT MAX2/REQ.CALC = 2502/25 = 2500 mW = 2,5 W
Puissance totale estimée des résistances R1, R2 :
PR.CALC =PR.MAX/0,7 = 2,5/0,7 = 3,6W
Une connexion en parallèle de deux résistances de type MLT-2 est acceptée, ayant une puissance totale maximale autorisée :
PR.DOP = 2 2 = 4 W
Résistance estimée de chaque résistance :
RCALC = 2*REQ.CALC \u003d 2 * 25 \u003d 50 kOhm
La plus grande résistance standard la plus proche de chaque résistance est prise :
R1 = R2 = 51 kΩ
Résistance équivalente des résistances R1, R2 :
RVCE = R1/2 = 51/2 = 26 kΩ
Puissance totale maximale des résistances R1, R2 :
PR.MAX = UR.ACT MAX2/RVCE = 2502/26 = 2400mW = 2,4W
Courant d'amplitude minimum et maximum de la LED HL1 et de la diode VD1 :
jeLED1.AMPL.MIN = jeVD1.AMPL.MIN = UR.AMPL.MIN/RVCE = 240/26 = 9,2 mA
jeLED1.AMPL.MAX = jeVD1.AMPL.MAX = UR.AMPL.MAX/RVCE = 350/26 = 13 mA
Courant moyen minimum et maximum de la LED HL1 et de la diode VD1 :
jeLED1.WED.MIN = jeVD1.SR.MIN = jeLED1.ACT.MIN/ÀF = 3,3/1,1 = 3,0 mA
jeLED1.MED.MAX = jeVD1.MED.MAX = jeLED1.RÉEL MAX/ÀF = 4,8/1,1 = 4,4 mA
Diode de tension inverse VD1 :
tuVD1.OBR = ULED1.OL = 2V
Paramètres de conception de la diode VD1 :
tuVD1.CALC = UVD1.OBR/0,7 = 2/0,7 = 2,9 V
jeVD1.CALC = UVD1.AMPL.MAX/0,7 = 13/0,7 = 19mA
Une diode VD1 de type D9V est adoptée, qui a les paramètres principaux suivants :
tuVD1.DOP = 30V
jeVD1.DOP = 20 mA
je0.MAX = 250 uA
Inconvénients d'utiliser le schéma de connexion des LED à 220 V selon l'option 2
Les principaux inconvénients de la connexion des LED selon ce schéma sont la faible luminosité des LED, due au faible courant. jeLED1.SR = (3.0-4.4) mA et haute puissance sur les résistances : R1, R2 : PR.MAX = 2,4W.
Lien
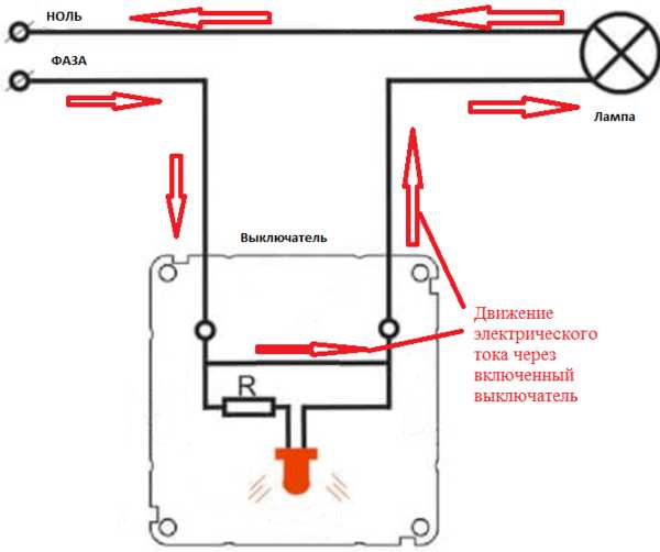
Après avoir étudié la conception du commutateur, vous pouvez connecter directement le commutateur. Pour ceux qui ont rencontré une telle tâche pour la première fois, il est recommandé d'établir à l'avance un schéma, selon lequel les fils seront posés sur l'interrupteur et les luminaires.
Le schéma de câblage standard comprend un fil de phase qui est sous tension. Il est indiqué par la lettre L et est connecté à la lampe via l'interrupteur. En plus de cela, il y a un fil neutre ou neutre N, qui est connecté directement à la douille de la lampe. S'il y a un fil de terre, il est également connecté directement au luminaire.
Les fils peuvent être posés de manière fermée ou ouverte, si le schéma de câblage le prévoit. Dans le premier cas, un dispositif stroboscopique dans les murs sera nécessaire, dans le second - des tuyaux ondulés ou des canaux de câbles. Avec un câblage caché sous l'interrupteur, un trou est percé dans le mur.
Afin d'assurer une connexion fiable et un contact de qualité avec les bornes, l'extrémité de chaque conducteur est dénudée d'environ 1 à 1,5 cm.Lors de l'utilisation de fils toronnés, il est recommandé de sertir leurs extrémités. Trois fils sont connectés à l'interrupteur à deux gangs. Le premier est en phase et est alimenté à l'entrée, et les deuxième et troisième vont à la sortie et sont amenés directement à la lampe. Des conducteurs de zéro et de masse sont connectés aux contacts des sources lumineuses. Le lieu d'entrée du fil de phase est indiqué à l'intérieur de l'interrupteur par une flèche. La phase elle-même est déterminée par le testeur.
Une fois que tous les fils sont installés à leur place et que le double interrupteur lumineux est connecté, il est nécessaire d'isoler les endroits potentiellement dangereux. Ensuite, toute la structure, avec les fils, est installée dans la boîte de montage et fixée avec des entretoises à l'aide de vis. Une fois les travaux principaux terminés, vous devez installer le panneau décoratif et les deux clés en place.
S'il y a un rétro-éclairage, pour connecter un interrupteur double, vous devez utiliser un câblage supplémentaire connecté à des mini-indicateurs montés sur les touches. L'un d'eux est connecté à la phase à l'entrée en haut, et l'autre est connecté à l'un des fils allant aux luminaires. Lorsque la lumière est éteinte, les indicateurs colorés continueront de briller sur chaque touche.
Auto-assemblage
Si vous savez manipuler un fer à souder, comprenez l'électronique et disposez de tous les détails de conception, vous pouvez assembler de vos propres mains un interrupteur tactile pour le connecter à une bande de LED, alimentée par un réseau de 220 volts. Toute la difficulté ici réside dans la bonne soudure du circuit.Voici le schéma le plus simple qu'un débutant puisse gérer.
Noter! Le condensateur C3 peut être omis du circuit.
Pour le montage, vous aurez besoin des pièces suivantes :
Schéma d'assemblage du produit
- deux transistors KT315 ;
- résistance (à 30 ohms);
- semi-conducteur D226 ;
- un simple condensateur (à 0,22 microfarads);
- alimentation ou batterie puissante avec une tension de sortie de 9 volts;
- condensateur électrolytique (à 100 microfarads, 16 V).
Tous ces composants doivent être soudés selon le schéma ci-dessus, en les plaçant dans un boîtier approprié.
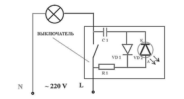
Dispositif d'interrupteur lumineux
Si vous retirez les touches de l'interrupteur, vous pouvez voir en bas une petite lampe au néon - c'est le rétroéclairage.
Pour comprendre comment cela fonctionne, considérons la conception d'un interrupteur rétro-éclairé. Et d'abord, rappelons-nous comment fonctionne le double interrupteur.
La phase arrivant à l'interrupteur est connectée au contact L, et des contacts L1 et L2 va à l'éclairage des lampes, par exemple, un lustre.
Mobile commuter les contacts fermés entre Contacts L, L1 et L2:
1. L et L1 -> la première touche est enfoncée ; 2. L et L2 -> la deuxième touche est enfoncée ; 3. L — L1 et L2 -> les deux touches sont enfoncées.
Maintenant, il est clair pourquoi il est impossible de connecter simultanément «phase» et «zéro» à l'interrupteur - il y aura un court-circuit.
Ici, un circuit de rétroéclairage est installé sur l'interrupteur, composé d'une résistance de limitation de courant et d'une ampoule au néon. L'ampoule et la résistance sont soudées aux contacts L et L1.
Le circuit de rétroéclairage fonctionne comme ceci :
Lorsque la lumière est éteinte, le commutateur contacte L et L1 ouvert, ce qui signifie que l'ampoule au néon brûlera, car la tension lui parvient par le filament de la lampe.
Lorsque la lumière est allumée, le contact mobile de l'interrupteur se ferme l'un à l'autre L et L1, excluant ainsi le circuit de rétroéclairage du circuit. La lampe d'éclairage s'allume et le rétroéclairage s'éteint.
La question se pose. Et pourquoi l'ampoule ne s'allume-t-elle pas à travers le rétroéclairage ? Tout est simple ici.
Pour allumer une lampe au néon, une petite tension et un courant suffisent. Dans le circuit de rétroéclairage, une résistance de limitation de courant en est responsable, ce qui atténue la surtension. Mais pour une lampe d'éclairage, cette tension et cette intensité ne suffisent pas, elle ne s'allume donc pas.
Lorsque l'interrupteur est allumé, puis à travers ses contacts L et L1 phase vient directement à la lampe, en contournant la chaîne de rétroéclairage.
Types d'interrupteurs lumineux
Un inconvénient commun de ces dispositifs est l'impossibilité de les connecter à des lampes fluorescentes équipées d'amorces. Dans ce cas, le condensateur à travers la LED se chargera progressivement, et lorsqu'il atteindra sa pleine charge, il enverra toute l'électricité accumulée à la lampe. Il y a un bref flash, qui se répète périodiquement et irrite grandement les autres.
Le principal critère de choix des interrupteurs est la façon dont ils sont allumés. Les plus répandus sont les claviers standard conçus pour une installation intérieure et extérieure. Leur conception est extrêmement simple et leur fonctionnement est fiable et pratique. La fermeture et l'ouverture du circuit s'effectuent au moyen d'un interrupteur mécanique à deux positions.
Différents modèles utilisent des LED comme rétroéclairage. ou des néons. Malgré la similitude externe, leurs caractéristiques techniques diffèrent considérablement.Par exemple, les lampes au néon ont une faible consommation d'énergie, mais elles contribuent également à une forte chute de tension. Autrement dit, avec un courant de lueur minimum de 0,1 mA, la chute de tension est de 70 V. Pour les LED, ces indicateurs seront respectivement de 2 mA et 2 V.
Le rétroéclairage peut être installé non seulement dans les interrupteurs doubles, mais également dans les appareils à trois et même quatre touches, ainsi que sur les modèles de passage. Un point lumineux est généralement situé sur le corps ou sur les touches - en haut, au centre ou en bas.
Se préparer à se connecter
L'interrupteur rétro-éclairé est connecté au réseau de la même manière qu'un interrupteur normal. Le circuit supplémentaire n'affecte pas les fonctions de base du commutateur à deux gangs. Un fil de phase est connecté à l'appareil lui-même. Cela évite l'apparition de tension sur la douille de la lampe lorsque l'appareil est éteint. Les fils zéro, au contraire, sont connectés directement au luminaire. Avant de commencer les travaux, le réseau électrique doit être mis hors tension en éteignant la machine ou en dévissant les bouchons de sécurité.
Tout d'abord, vous devez démonter l'interrupteur pour vous familiariser avec sa conception. Le démontage commence par des clés sécurisées avec des épingles ou des loquets en plastique. Habituellement, ils sont retirés avec peu d'effort, alternativement - le premier, puis l'autre.
Après les clés, le boîtier est libéré du cadre décoratif. Sa fixation s'effectue avec deux vis qui se dévissent facilement. Lorsque toutes les pièces en plastique sont retirées, la partie électrique de l'appareil devient complètement ouverte pour la visualisation. Vous devez immédiatement déterminer l'emplacement des bornes où les fils seront connectés. Les bornes elles-mêmes sont équipées sous forme de petits plots en cuivre avec vis de serrage.Le fil est nettoyé de l'isolant, inséré à sa place et pressé avec une vis.
S'il y a un rétro-éclairage, il est nécessaire de dénuder le fil et de l'insérer dans le connecteur à ressort souhaité. Le ressort interne assure en même temps une fixation fiable et un contact de haute qualité.
Méthodes de connexion
Connexion de la bande LED à l'alimentation en série
Par conséquent, nous faisons attention à la polarité : nous connectons le « + » uniquement au même pôle et le « - » au moins.
À la fin de la bande, qui vient sur une bobine, les conducteurs sont soudés. Si la lueur est monochrome, il y a deux conducteurs - "+" et "-", pour multicolore 4, - un "positif" commun (+ V) et trois colorés (R - rouge, G - vert, B - bleu).
Bobines dans leur forme la plus pure
Mais une pièce de 5 mètres n'est pas toujours nécessaire. des longueurs plus courtes sont souvent nécessaires. Coupez le ruban le long des lignes marquées.
Lignes de coupe sur les bandes LED

Sur la photo, vous pouvez voir des pastilles de contact des deux côtés de la ligne de coupe. Ils sont signés sur chaque bande, il est donc assez difficile de s'embrouiller lors de la connexion. Pour le rendre encore plus facile, utilisez des conducteurs de couleurs différentes. Ainsi, ce sera plus clair et vous ne serez certainement pas confus.
Connecteurs
Vous pouvez connecter la bande LED sans soudure. Il existe des connecteurs spéciaux pour cela. Ce sont des dispositifs spécialement conçus - des boîtiers en plastique qui assurent un bon contact. Il existe des connecteurs :
- pour la connexion à la bande conductrice ;
- connexion de deux bandes. Différents types de connecteurs
Tout est très simple: le couvercle est ouvert, une bande ou des conducteurs aux extrémités nues sont insérés. Le couvercle se ferme. La connexion est prête.
La méthode est très simple, mais pas très fiable.Le contact n'est assuré que par la pression, et si le couvercle est un peu desserré, les problèmes commencent.
Soudure
Si vous avez au moins quelques compétences en soudure, il est préférable d'utiliser cette méthode. Pour travailler, vous aurez besoin d'un fer à souder de puissance moyenne, avec une pointe fine ou affûtée. Vous avez besoin de colophane ou de flux, ainsi que d'étain ou de soudure.
Nous nettoyons les extrémités des conducteurs de l'isolant, les tordons en un faisceau serré. Nous prenons un fer à souder chauffé, posons le conducteur sur la colophane, le réchauffons. On prend un peu de soudure sur la pointe du fer à souder, on réchauffe à nouveau les fils. Les veines doivent être resserrées avec de l'étain - étamé. Sous cette forme, les conducteurs sont faciles à souder.
Comment connecter une bande de diodes

De même, il est souhaitable de lubrifier les plots de contact : tremper le fer à souder dans de la colophane, réchauffer le plot. Assurez-vous que la boîte ne fuit pas des plates-formes. Prenez le conducteur préparé, posez-le sur la plate-forme, réchauffez-le avec un fer à souder. L'étain doit fondre et tendre le conducteur. Maintenez le conducteur en place pendant 10 à 20 secondes (il est parfois plus facile de le tenir avec une pince à bec fin ou une pince à épiler - le conducteur chauffe), tirez. Il doit tenir bon. Nous soudons tous les conducteurs nécessaires de la même manière.
Sur les rubans RGB à 4 fils, attention à ne pas connecter les pastilles lors de la soudure. La distance entre les contacts est très faible, les moindres stries peuvent gâcher le tout. Agissez avec prudence.
Regardez le processus de soudure de la bande de diodes dans la vidéo. Vous devrez tout répéter.
Interrupteur lumineux bricolage
Lors du fonctionnement d'équipements électriques, il s'avère parfois que dans certaines pièces il serait bien d'avoir un interrupteur rétro-éclairé. Pour ce faire, il n'est pas nécessaire d'acheter un appareil - vous pouvez indépendamment améliorer l'ancien.
Ce qu'il faut pour cela :
- interrupteur conventionnel;
- LED avec toutes les caractéristiques ;
- résistance de 470 kΩ ;
- diode 0,25W;
- le fil;
- fer à souder;
- perceuse.
À l'aide d'un fer à souder, commencez à assembler le circuit. La cathode de la diode (marquée d'une bande noire) est connectée à l'anode de la LED (l'anode a une jambe plus longue). La résistance est soudée à la borne positive de la LED et au fil qui servira de connexion à l'interrupteur. Le deuxième fil est connecté à la cathode de la LED.
S'il n'y a pas de résistance de puissance appropriée à portée de main ou s'il n'y a pas assez d'espace pour le placement, il peut être remplacé par deux résistances de puissance inférieure en les connectant en série (+)
Ensuite, connectez tout au mécanisme marche-arrêt. Le conducteur de phase qui mène à la lampe est connecté à la borne avec l'un des fils menant à la LED. L'autre câblage est connecté à la borne d'entrée avec le fil de phase, qui fournit le courant du secteur.
Il est nécessaire d'isoler soigneusement les sections exposées du fil et d'empêcher les conducteurs de toucher le boîtier, ceci est particulièrement important s'il est en métal. Ils vérifient le fonctionnement du schéma de connexion de l'interrupteur rétro-éclairé comme suit: la clé, en fermant le contact, provoque l'allumage du lustre ou de la lampe, à l'état éteint, la lampe LED s'allume
Si le circuit fonctionne correctement, vous pouvez installer le luminaire dans le boîtier
Le schéma de connexion de l'interrupteur rétro-éclairé est vérifié pour son fonctionnement comme suit: la clé, en fermant le contact, provoque l'allumage du lustre ou de la lampe et la lampe à LED s'allume lorsqu'elle est éteinte. Si le circuit fonctionne correctement, vous pouvez installer le luminaire dans le boîtier.
Afin de voir l'éclairage, la lampe LED est sortie dans le trou percé en haut du boîtier.Il n'est pas nécessaire de le faire si le boîtier est léger - la lumière le traversera.
L'interrupteur peut être éclairé par une lampe au néon. Le circuit utilise une lampe à décharge de gaz HG1 et tout type de résistance avec une valeur nominale de 0,5-1,0 MΩ avec une puissance supérieure à 0,25 W (+)
"Histoires d'horreur" et mythes sur l'interrupteur
Pour comprendre le soi-disant "problème", considérons les différents types d'indication. Il existe en néon et LED. Il n'y a pas de différence fondamentale dans la consommation d'énergie, les deux circuits ne consomment pas plus de 1 W de puissance. Les néons existent en deux couleurs : orange (rouge) ou vert, selon le gaz contenu dans la fiole. La LED peut être de n'importe quelle couleur, même la teinte à changement dynamique (RVB).
Passons maintenant aux mythes :
- Consommation d'électricité supplémentaire. Dans une certaine mesure, cette affirmation est vraie. Le circuit de rétroéclairage LED consomme environ 1W de puissance. Pendant un mois, il accumule 0,5 à 0,7 kilowatt / heure. Autrement dit, vous devrez payer quelques roubles pour le confort (de chaque interrupteur). Coûts similaires pour une lampe au néon. Là, l'énergie est dépensée principalement sur une résistance de limitation.
- "Nous avons installé le rétroéclairage - maintenant les lampes éteintes brûlent dans le noir !" Et c'est vrai. Les lampes à l'ancienne (à incandescence et halogènes) s'éteignent régulièrement lorsqu'elles sont éteintes. Mais plus personne ne les utilise. Le problème concerne les lampes à décharge fluorescentes économiques (elles clignotent par intermittence) et les lampes à LED avec un circuit de commande peu coûteux (low glow).
La première option devient peu à peu inutile.

Les lampes à LED sont de moins en moins chères, le seul avantage des femmes de ménage (le prix) est perdu.Quant aux lampes LED, vous pouvez en acheter des plus chères avec une alimentation dimmable. De telles lampes peuvent modifier la luminosité de la lueur lorsqu'elles sont connectées via un régulateur: le soi-disant "gradateur". Dans le même temps, le problème de lueur parasite dans l'alimentation est résolu si un interrupteur rétro-éclairé est utilisé.
Des informations à ce sujet se trouvent dans les instructions de la lampe.

Si le premier mythe (consommation d'énergie supplémentaire) doit être supporté : vous ne payez qu'une petite somme pour plus de commodité, alors le deuxième « problème » a plusieurs solutions. Vous en apprendrez plus sur notre matériel.
Règles de connexion
Quel que soit le type, l'installation d'un interrupteur rétroéclairé est la même. Les différences ne sont que dans quelques nuances.
Installation d'un seul interrupteur
Le moyen le plus simple consiste à connecter un interrupteur rétroéclairé à un seul groupe (simple). Tout d'abord, vous devez couper l'alimentation et retirer l'ancien interrupteur.
Pour ça:
Retirez la clé à l'aide d'un tournevis à tête plate.
Retirez délicatement la garniture décorative.
Dévissez les vis reliant l'appareil à la prise. Tirez.
Desserrez les fixations, déconnectez les fils.. A la fin des manipulations, l'intérieur de l'interrupteur démonté reste sur les mains
Il est jeté ou utilisé comme pièce de rechange.
A la fin des manipulations, l'intérieur de l'interrupteur démonté reste sur les aiguilles. Il est jeté ou utilisé comme pièces de rechange.

Pour installer un nouvel interrupteur d'éclairage avec indicateur/rétroéclairage, vous devez répéter les étapes ci-dessus, uniquement dans l'ordre inverse :
- Insérez les "intérieurs" dans la prise, sans oublier de fixer les fils aux contacts de l'interrupteur.
- Visser les boulons.
- Installez un cadre décoratif.
- Insérez la clé.
- Mettez sous tension pour vérifier l'installation et la connexion correctes. Si le travail est effectué correctement, la diode du rétroéclairage s'allumera.
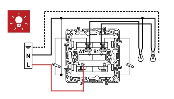
Installation et raccordement d'interrupteurs à plusieurs touches
Le raccordement d'un interrupteur lumineux double ou triple s'effectue sensiblement de la même manière. Pour installer une conception à deux clés, vous aurez besoin d'un tournevis, d'une pince coupante, de pointes et d'un indicateur pour déterminer la phase.
Le travail se fait comme ceci :
Comme dans le cas précédent, il faut tout d'abord mettre l'appartement / la maison hors tension. Ensuite, le démantèlement de l'ancien appareil commence.
Retirer les clés et dévisser les vis. Il y aura trois fils dans la prise. L'un est la puissance entrante, deux autres sont la puissance allant au luminaire.
Maintenant, à l'aide d'un tournevis indicateur, vous devez trouver le fil de phase, le marquer ou simplement vous souvenir
Vous devez agir avec beaucoup de prudence, car cette étape nécessite la présence de tension dans le réseau.
Mettez le réseau hors tension.
Dénudez les fils de l'isolant.
Obtenez un nouvel appareil. Il a trois groupes de contact et une paire de fils provenant du rétroéclairage.
A l'aide d'un appareil de mesure, déterminer la position "Off".
Habituellement, les fils provenant de la LED ont des plaques de contact spéciales pour les vis. La vis doit être dévissée, attachée à la plaque et revissée. Répétez l'action pour les autres contacts.
Fixez le fil de phase à la plaque, située séparément des autres, avec une vis.
Connectez le fil allant au lustre au contact et fixez-le.
Fixez le dernier fil sous le contact sur lequel il n'y a pas de plaques.
Vérifiez si la connexion est correcte.
Insérez l'intérieur de l'interrupteur dans la boîte de jonction.
Serrez les vis.
Réinstallez les clés.
Une fois l'installation terminée, connectez l'alimentation électrique et vérifiez le fonctionnement de l'appareil.

S'il est nécessaire de contrôler la source lumineuse à partir de différents endroits, un interrupteur passe / bascule doit être installé. Sa principale différence avec les modèles classiques est la présence d'un contact mobile. Si vous appuyez sur la touche marche / arrêt, il sera transféré d'un contact à un autre, démarrant le travail du deuxième circuit.
Connecter un interrupteur rétro-éclairé
Le schéma de connexion du commutateur d'intercommunication est extrêmement simple. Deux appareils distincts sont installés de part et d'autre de la chaîne.
Pour ce faire, vous devrez poser un câble à trois conducteurs sur l'un et sur l'autre. Lorsque le premier interrupteur est allumé, le circuit sera fermé et la lampe sera allumée. Lorsque vous allumez la deuxième lumière s'éteint.
Comment combiner des lampes et un interrupteur
Si la lampe fluorescente scintille ou brille faiblement après l'avoir éteinte, le problème peut être résolu en connectant une résistance supplémentaire (résistance ou condensateur) en parallèle avec le point d'éclairage.
Pour ce faire, vous avez besoin d'une résistance d'une valeur nominale de 50 kOhm et d'une puissance de 2 watts. Il absorbera l'excès de courant lorsque le rétroéclairage est allumé et ne permettra pas au condensateur de la lampe de se charger.
La résistance est placée dans une boîte de jonction dans une cartouche de plafonnier ou de lustre, après l'avoir préalablement connectée à deux fils et en isolant les zones nues. La gaine thermorétractable peut être utilisée pour l'isolation (+)
Cette méthode d'élimination de la cause du clignotement des lampes à économie d'énergie est considérée comme assez dangereuse et les électriciens expérimentés ne recommandent pas de l'utiliser sans compétences suffisantes en électricité.
Il est préférable d'utiliser une unité de protection prête à l'emploi pour les lampes fluorescentes et à LED, qui élimine le scintillement, protège contre les surtensions et élimine les interférences des lampes. Son raccordement est obligatoire si un interrupteur lumineux est utilisé.
La puissance maximale de la lampe lors de l'utilisation du bloc GRANITE BZ-300-L est de 300 W. La protection est déclenchée lorsque la tension secteur est de 275-300 W
L'unité de protection est connectée en parallèle avec des lampes qui ne fonctionnent pas correctement - scintillent ou brillent faiblement lorsqu'elles sont éteintes. Installez-le dans le corps de la lampe ou dans le verre du lustre.
Lors de l'utilisation d'appareils d'éclairage avec deux groupes d'éclairage ou plus, un bloc séparé (+) est installé sur chacun des groupes
Les solutions aux problèmes et dysfonctionnements courants des lampes LED sont détaillées dans ces articles :
- Pourquoi les lampes LED sont allumées lorsque l'interrupteur est éteint : causes et solutions
- Pourquoi les voyants LED clignotent : dépannage + comment réparer
- Réparation de lampe LED à faire soi-même : causes des pannes, quand et comment réparer soi-même













































