- Fonctions principales
- Tableaux de sélectivité
- Protection de relais - exigences
- Vitesse de protection du relais
- Sensibilité du relais
- Sélectivité de la protection du relais
- Principe logique
- Interrupteurs horaires
- Plus loin:
- Méthodes de construction et types de systèmes de protection sélective
- Sélectivité actuelle
- Sélectivité par l'intervalle de temps de fonctionnement de la protection
- Principe différentiel de la construction d'une protection sélective
- Types de schémas de connexion sélectifs
- Protection complète et partielle
- Sélectivité du type de courant
- Sélectivité temporelle et temps-courant
- Sélectivité énergétique des automates
- Qu'est-ce que la sélectivité de zone
- Importance et tâches principales de la protection sélective
- Définitions basiques
- Avantages de la cascade
- Détermination de la sélectivité des disjoncteurs
- Carte de sélectivité
Fonctions principales
Les tâches essentielles de la protection sélective sont d'assurer le fonctionnement ininterrompu du système électrique et l'inadmissibilité des mécanismes de combustion lorsque des menaces apparaissent. La seule condition pour le bon fonctionnement de ce type de protection est la cohérence des unités de protection entre elles.
Dès qu'une situation d'urgence survient, la section endommagée est immédiatement identifiée et désactivée à l'aide d'une protection sélective.Dans le même temps, les lieux utilisables continuent de fonctionner et les personnes handicapées n'interfèrent en aucune façon avec cela. La sélectivité réduit considérablement la charge sur les installations électriques.
Le principe de base de l'agencement de ce type de protection réside dans l'équipement des machines automatiques avec un courant nominal inférieur à celui de l'appareil en entrée. En somme, ils peuvent dépasser la valeur nominale de la machine du groupe, mais individuellement - jamais. Par exemple, lors de l'installation d'un appareil d'entrée de 50 A, l'appareil suivant ne doit pas avoir une puissance supérieure à 40 A. L'unité la plus proche possible du lieu d'urgence fonctionnera toujours en premier.
Ainsi, les principales fonctions de la protection sélective comprennent :
- assurer la sécurité des appareils électriques et des travailleurs;
- identification rapide et arrêt de la zone du système électrique où la panne s'est produite (en même temps, les zones de travail ne cessent pas de fonctionner);
- réduction des conséquences négatives pour les parties actives des électromécanismes ;
- réduire la charge sur les mécanismes des composants, prévenir les pannes dans la zone défectueuse;
- Garantie d'un processus de travail ininterrompu et d'une alimentation électrique constante de haut niveau.
- soutien au fonctionnement optimal d'une installation particulière.
Tableaux de sélectivité
La protection sélective fonctionne principalement lorsque le calibre In du disjoncteur est dépassé, c'est-à-dire avec de petites surcharges. Avec les courts-circuits, il est beaucoup plus difficile d'y parvenir. Pour ce faire, les fabricants vendent des produits avec des tableaux de sélectivité, avec lesquels vous pouvez créer des liens avec sélectivité. Ici, vous pouvez sélectionner des groupes d'appareils d'un seul fabricant. Des tableaux de sélectivité sont présentés ci-dessous, ils sont également consultables sur les sites internet des entreprises.
Pour vérifier la sélectivité entre les dispositifs en amont et en aval, l'intersection de la ligne et de la colonne est trouvée, où "T" est la sélectivité totale et le nombre est partiel (si le courant de court-circuit est inférieur à la valeur indiquée dans le tableau ).
Protection de relais - exigences
La protection des relais doit respecter un certain nombre d'exigences, qui contiennent les principes suivants : principe de sélectivité, sensibilité, fiabilité, rapidité. L'appareil doit surveiller le fonctionnement des appareils électriques, réagir à temps en cas de violation du mode établi, éteindre immédiatement la section défectueuse du circuit, tout en signalant une urgence au personnel de maintenance.
Vitesse de protection du relais
Le temps de réponse dépend de cette exigence, à la suite de laquelle la protection des appareils électriques. Plus tôt le relais de protection fonctionne, protégeant ainsi l'équipement électrique contre les dommages. Par conséquent, tous les équipements électriques doivent être équipés d'une protection par relais. Dans ce cas, le temps d'arrêt est de 0,01 à 0,1 seconde.

En termes simples, il s'agit de la vitesse à laquelle le relais de protection doit détecter et déconnecter les éléments endommagés. Le facteur de vitesse est la durée qui commence à partir du moment où un défaut se produit et jusqu'à ce que l'élément défectueux soit déconnecté du réseau électrique.
L'accélération de l'arrêt du défaut raccourcit la durée de fonctionnement de la charge à tension réduite, réduisant ainsi les dommages au composant défectueux. En conséquence, pour un réseau électrique avec une tension de 500 kV, la vitesse doit correspondre à 20 ms, et pour une ligne électrique de 750 kV - au moins 15 ms.
Sensibilité du relais
Cette exigence devrait assurer la protection des équipements électriques même à des tarifs minimaux. C'est-à-dire qu'il s'agit de la susceptibilité du relais aux types de défauts auxquels il est destiné.
Le coefficient de sensibilité est le rapport entre la valeur minimale de l'indicateur, qui s'est formée à la suite d'un dommage, et la valeur définie.
Sélectivité de la protection du relais
Ce principe réside dans le fait qu'en cas de court-circuit, seule la section du circuit sur laquelle cette situation s'est formée s'éteindra. Tous les équipements électriques restants restent en état de marche.
La sélectivité est divisée en absolue et relative. La sélectivité absolue n'est valable que dans le domaine de l'exécution de ses fonctions. La sélectivité absolue inclut tous les types de protection différentielle. La caractéristique relative agit sur l'ensemble de la ligne électrique, tout en désactivant non seulement ses sections, mais également celles voisines. Cette sélectivité inclut la protection de distance et de surintensité.
Principe logique
Pour mettre en œuvre des circuits utilisant ce principe, des relais numériques sont nécessaires. Les relais sont reliés entre eux par une ligne à paire torsadée, un câble à fibre optique ou une ligne téléphonique (utilisant un modem). À l'aide de telles lignes, des informations sont reçues (transmises) au panneau de commande à partir de différents objets et entre les relais eux-mêmes.

Le principe de la logique dans un réseau radial
Sur l'image 9 donnée, le principe de fonctionnement de la logique est expliqué. Chacun des 4 relais numériques applique un courant de réglage égal au dernier étage sensible. Cette étape a un temps de réponse de 0,2 s. La sélectivité logique implique la possibilité de bloquer le relais avec un signal LO (attente logique).Un tel signal est alimenté par le canal du relais de protection précédent. Chacun des relais peut transmettre de tels signaux en transit.
Comme on peut le voir sur la figure, en cas de court-circuit au point K1, tous les autres relais, à partir du signal LO donné par le relais K1, seront en attente. Le relais K1 s'activera et se déclenchera. En cas de court-circuit au point 2, le relais K4 fonctionnera de la même manière.
De tels schémas de construction de commande logique exigent la fiabilité des lignes de communication entre les éléments.
Interrupteurs horaires
Les disjoncteurs équipés d'un mécanisme de réglage du temps de fonctionnement, quelle que soit la valeur du courant, sont dits sélectifs. En conséquence, les appareils qui n'ont pas cette qualité sont classés comme non sélectifs. Considérez ce qu'est la sélectivité et pourquoi elle est nécessaire.
La sélectivité est l'une des principales qualités que la protection devrait avoir. La sélectivité réside dans le nombre nécessaire et suffisant d'arrêts de protection de la section endommagée du réseau. Cela signifie qu'en cas d'endommagement de l'équipement (par exemple, un court-circuit), la protection doit fonctionner de manière à ce que seul le segment endommagé du circuit soit désactivé. Tous les autres équipements doivent rester en fonctionnement dans la mesure du possible. Qu'est-ce que la temporisation de l'interrupteur a à voir avec cela, nous allons le montrer avec un exemple.
Supposons que l'interrupteur "1" est installé sur l'entrée de puissance de la section 0,4 kV. Plusieurs lignes sortantes sont alimentées à partir de cette section par des commutateurs linéaires. Installez le commutateur "2" sur l'une des lignes de départ.
Supposons maintenant qu'il y ait un court-circuit au tout début de cette ligne.Quel interrupteur doit être déclenché par les protections afin de ne mettre en évidence que la zone endommagée ? Bien sûr, "2". Mais après tout, le courant de court-circuit dans cette situation passe par deux interrupteurs - "1" et "2" (le court-circuit est alimenté depuis la source via l'interrupteur d'entrée "1"). Comment, alors, s'assurer que seul l'interrupteur "2" est éteint, car la valeur du courant traversant ces interrupteurs est presque la même. C'est là qu'intervient la possibilité de régler une temporisation d'arrêt artificielle sur l'entrée automatique « 1 ». Dans le même temps, la protection n'a tout simplement pas le temps de fonctionner, depuis le changement de ligne "2" éteindra le courant de court-circuit sans délai.
Plus loin:
- Que sont les parafoudres et où sont-ils utilisés ?
- Vue d'ensemble des relais de tension RN-111, RN-111M, UZM-16.
- Est-ce mieux ou non les stabilisateurs de tension de l'onduleur d'autres appareils similaires?
Méthodes de construction et types de systèmes de protection sélective
Sur la base des principes ci-dessus, les principales méthodes et types de conception de systèmes de protection sélective sont distingués.
Sélectivité actuelle
Des disjoncteurs avec différents seuils de courant sont installés en série dans le réseau.
Le principe de construction de la sélectivité en courant
Un exemple serait un réseau d'un appartement ordinaire ou d'une maison privée, lorsqu'une machine d'introduction pour 25A est installée dans le standard, après quoi une machine intermédiaire pour 16A. Sur les groupes d'éclairage de prises ou les appareils électroménagers avec une ligne séparée, des machines automatiques avec une limite de réponse de 10A sont installées. Dans le même temps, le temps et les autres seuils de fonctionnement de ces interrupteurs de protection peuvent être identiques ou différents selon la nature de la charge.
Circuit de protection sélectif de courant
Sélectivité par l'intervalle de temps de fonctionnement de la protection
Dans ce cas, la construction de la protection est réalisée selon le même principe qu'avec la protection en courant, seul le paramètre déterminant en termes de sélectivité est le temps de fonctionnement des disjoncteurs lorsque la valeur seuil des courants est atteinte.
Schéma de protection sélectif dans le temps
La machine d'introduction dans le standard est réglée sur un intervalle de réponse de 1 seconde, l'interrupteur intermédiaire a un intervalle de 0,5 seconde et avant la charge elle-même, des machines automatiques avec un intervalle de réponse de 0,1 seconde.
- La protection temps-courant est un ensemble d'éléments, prenant en compte les valeurs seuils de fonctionnement pour le courant et le temps, pratiquement une option combinée pour sélectionner les paramètres énumérés ci-dessus;
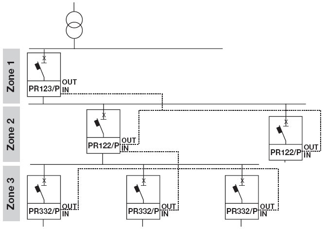
- Protection de zone - lorsque le principe de protection sélective est appliqué à une section distincte du circuit ;
Un exemple de construction d'un schéma de protection zonal
Le principe logique de la construction d'une protection sélective prévoit la présence d'un processeur qui reçoit les signaux de tous les éléments de protection connectés en série dans le circuit. Sur la base de ces données, le dispositif prend une décision et envoie un signal pour désactiver l'élément de protection dans la zone où le seuil de l'un des paramètres contrôlés est dépassé ;
Schéma de protection sélective, construit sur un principe logique
Sélectivité en direction - lorsque des éléments de protection sont installés en série dans la direction du courant, un déphasage de tension forme un point dans la direction du vecteur tension. Ainsi, le relais réagit aux changements de tension et à la direction du courant non seulement dans la zone d'installation de protection, mais également sur toute la ligne de circuit à partir de la source d'alimentation.
En cas de court-circuit sur la première ligne, celle-ci s'éteindra, tandis que la deuxième ligne continuera à fonctionner et, à l'inverse, si un défaut survient sur la deuxième ligne, la première ligne ne s'éteindra pas. L'inconvénient de cette méthode est qu'en plus des disjoncteurs, il est nécessaire de monter des transformateurs de tension pour chaque phase de la ligne.
Principe différentiel de la construction d'une protection sélective
Cette méthode est utilisée dans les circuits où une charge est connectée qui consomme une grande puissance électrique. Le contrôle du courant est effectué par des transformateurs de tension uniquement dans la section A-B. En fait, les processus sont contrôlés dans une courte section du réseau où la charge est connectée ; lorsque les valeurs seuils sont dépassées, des équipements spécifiques sont éteints sans affecter les autres sections.
Circuit de protection différentielle
L'avantage de cette méthode est sa grande vitesse et sa sensibilité aux changements de paramètres; comme inconvénient, on peut noter le coût élevé de l'équipement.
Toutes les méthodes ci-dessus du principe sélectif de construction de protection permettent de résoudre un certain nombre de problèmes de fonctionnement des circuits électriques:
- Maintenir l'opérabilité des sections utilisables lors de la survenance d'un dysfonctionnement dans les zones adjacentes ;
- Détection automatique de l'emplacement du défaut et déconnexion du réseau de travail ;
- Assurer la sécurité du personnel au service des installations électriques.
Lors de la construction d'une protection sélective, il est nécessaire de suivre les principes de base, tous les éléments sont réglés sur la même tension, aux points de contrôle, les valeurs les plus petites et les plus grandes des paramètres en cas de court-circuit doivent être prises en compte Compte.
Types de schémas de connexion sélectifs
Les équipements de protection par sélectivité sont divisés en plusieurs types.Ceux-ci incluent les types de protection suivants :
- Achevée;
- partiel;
- courant;
- temporaire;
- temps-courant ;
- énergie.
Chacun d'eux doit être traité séparément.
Protection complète et partielle
Avec une telle sécurité de circuit, les appareils sont connectés en série. En cas de surintensité, l'automate le plus proche du défaut fonctionnera.
Important! La protection sélective partielle diffère de la sélectivité totale en ce qu'elle ne fonctionne que jusqu'à la valeur de surintensité définie.
Sélectivité du type de courant
En classant par ordre décroissant l'amplitude des courants de la source à la charge, assurer le fonctionnement de la sélectivité en courant. La principale mesure ici est la valeur limite de la marque actuelle.
Par exemple, à partir de la source d'alimentation ou de l'entrée, les disjoncteurs sont installés dans l'ordre : 25 A, 16 A, 10 A. Toutes les machines peuvent avoir le même temps de fonctionnement.
Important! Il doit y avoir une résistance élevée entre les disjoncteurs. Ils auront alors une sélectivité efficace. Augmentez la résistance en augmentant la longueur de la ligne, y compris les sections avec un fil de plus petit diamètre ou en insérant un enroulement de transformateur
Ils augmentent la résistance en augmentant la longueur de la ligne, y compris des sections avec un fil de plus petit diamètre ou en insérant un enroulement de transformateur.
Sélectivité actuelle
Sélectivité temporelle et temps-courant
Que signifie la protection sélective dans le temps ? Une caractéristique de cette construction du circuit de protection à relais est la liaison au temps de réponse de chaque élément de protection.Les disjoncteurs ont les mêmes courants nominaux, mais ont des délais de déclenchement différents. Le temps de réponse augmente avec la distance à la charge. Par exemple, le plus proche est conçu pour fonctionner après 0,2 s. En cas de panne après 0,5 s. le deuxième devrait fonctionner. Le travail du troisième disjoncteur est évalué après 1 seconde en cas de défaillance des deux premiers.
Sélectivité temporelle
La sélectivité temps-courant est considérée comme très difficile. Pour l'organiser, vous devez sélectionner les appareils des groupes: A, B, C, D. Le groupe A a la protection la plus élevée (utilisée dans les circuits électriques). Chacun de ces groupes a une réponse individuelle à l'amplitude du courant électrique et à la temporisation.
Sélectivité énergétique des automates
Cette protection est due aux propriétés des interrupteurs, qui sont définies par le fabricant. Déclenchement rapide - avant que les courants de court-circuit aient atteint leur maximum. Le compte s'écoule en millisecondes, il est très difficile de s'entendre sur une telle sélectivité.
Sélectivité énergétique
Qu'est-ce que la sélectivité de zone
La définition de cette couverture par protection sélective du réseau est liée à la particularité de sa construction. C'est un moyen assez coûteux et compliqué. À la suite du traitement des signaux provenant de chaque disjoncteur, la zone endommagée est déterminée et le déclenchement ne se produit que dans celle-ci.
Informations. Pour l'agencement d'une telle protection, une puissance supplémentaire est nécessaire. Le signal de chaque commutateur est envoyé au centre de contrôle. Les voyages sont effectués par des déclencheurs électroniques.
De tels circuits sont utilisés de manière plus rationnelle dans les entreprises industrielles, où les systèmes ont des courants de court-circuit élevés et des courants de fonctionnement importants.
Exemple et graphique de sélectivité de zone
Importance et tâches principales de la protection sélective
Le fonctionnement sûr et le fonctionnement stable des installations électriques sont les tâches qui sont assignées à la protection sélective. Il calcule et coupe instantanément la zone endommagée sans interrompre l'alimentation des zones saines. La sélectivité réduit la charge sur l'installation, réduit les conséquences d'un court-circuit.
Avec le bon fonctionnement des disjoncteurs, les demandes sont satisfaites au maximum en ce qui concerne la fourniture d'une alimentation électrique ininterrompue et, par conséquent, le processus technologique.
Lorsque l'équipement d'ouverture automatique tombe en panne à la suite d'un court-circuit, les consommateurs recevront une alimentation normale en raison de la sélectivité.
La règle stipulant que la valeur du courant traversant tous les interrupteurs de distribution installés après la machine d'introduction est inférieure au courant indiqué de cette dernière est à la base de la protection sélective.
Au total, ces dénominations peuvent être plus nombreuses, mais chacune d'entre elles doit être au moins inférieure d'un cran à celle d'introduction. Ainsi, si une machine automatique de 50 ampères est installée à l'entrée, un interrupteur est installé à côté, avec un courant nominal de 40 A.
Le disjoncteur est constitué des éléments suivants : levier (1), bornes à vis (2), contacts mobiles et fixes (3, 4), bilame (5), vis de réglage (6), solénoïde (7), chambre de coupure ( 8) , loquets (9)
À l'aide du levier, activez et désactivez l'entrée de courant aux bornes. Les contacts sont amenés aux terminaux et fixés. Le contact mobile avec le ressort sert à une ouverture rapide et le circuit y est connecté via un contact fixe.
Le désengagement, dans le cas où le courant dépasse sa valeur de seuil, se produit en raison de l'échauffement et de la flexion de la plaque bimétallique, ainsi que du solénoïde.
Les courants de fonctionnement sont réglés à l'aide de la vis de réglage. Afin d'éviter l'apparition d'un arc électrique lors de l'ouverture des contacts, un élément tel qu'une chambre de coupure a été introduit dans le circuit. Il y a un loquet pour fixer le corps de la machine.
La sélectivité, en tant que caractéristique de la protection par relais, est la capacité de détecter un nœud système défectueux et de le couper de la partie active de l'EPS.
Voici un schéma du bouclier, montrant clairement comment la charge est répartie dans tout l'appartement. Avant d'installer la machine, vous devez calculer la puissance totale de l'équipement qui y sera connecté
La sélectivité des automates est leur propriété de fonctionner en alternance. Si ce principe n'est pas respecté, les disjoncteurs et le câblage électrique chaufferont.
En conséquence, un court-circuit peut se produire sur la ligne, l'épuisement des contacts fusibles, l'isolation. Tout cela entraînera une panne des appareils électriques et un incendie.
Supposons qu'il y ait une urgence sur une longue ligne électrique. Selon la règle principale de sélectivité, l'automate le plus proche du site du dommage tire en premier.
Si un court-circuit se produit dans un appartement ordinaire dans une prise, la protection de la ligne, dont cette prise fait partie, doit fonctionner sur le blindage. Si cela ne se produit pas, c'est au tour du disjoncteur sur le bouclier, et seulement après - celui d'introduction.
Définitions basiques
La définition de la sélectivité est donnée dans GOST CEI 60947-1-2014 "Équipement de distribution et de contrôle basse tension - Partie 1. Règles générales."
"Sélectivité pour les surintensités (2.5.23)
Coordination des caractéristiques de fonctionnement de deux ou plusieurs dispositifs de protection contre les surintensités de sorte qu'en cas de surintensités dans une plage spécifiée, seul l'appareil conçu pour fonctionner dans cette plage se déclenche et les autres ne se déclenchent pas », tandis que la surintensité s'entend comme un courant de valeur supérieure au courant nominal causé par une cause quelconque (surcharge, court-circuit, etc.). Il y a ainsi sélectivité entre deux disjoncteurs en série vis-à-vis de la surintensité qui traverse les deux disjoncteurs, le disjoncteur aval s'ouvrant pour protéger le circuit et le disjoncteur aval restant fermé pour alimenter le reste de l'installation. . Les définitions de la sélectivité totale et partielle, en revanche, sont données dans GOST R 50030.2-2010 "Équipement de distribution et de contrôle basse tension - Partie 2. Disjoncteurs".
"Sélectivité totale (2.17.2)
Sélectivité de surintensité, lorsque, lorsque deux dispositifs de protection contre les surintensités sont connectés en série, le dispositif côté charge assure la protection sans déclencher le deuxième dispositif de protection.
"Sélectivité partielle (2.17.3)
Sélectivité de surintensité, lorsque, lorsque deux dispositifs de protection contre les surintensités sont connectés en série, le dispositif côté charge fournit une protection jusqu'à un certain niveau de surintensité sans déclencher le deuxième dispositif de protection.
On peut parler de sélectivité complète lorsque la sélectivité est assurée pour toute valeur de surintensité possible dans l'installation. La pleine sélectivité entre deux disjoncteurs est dite lorsque la sélectivité à la plus petite des valeurs Icu des deux disjoncteurs est assurée, puisque le courant de court-circuit (SC) présumé maximum de l'installation sera dans tous les cas inférieur ou égal à égale à la plus petite valeur Icu des deux disjoncteurs.
On parle de sélectivité partielle lorsque la sélectivité n'est assurée que jusqu'à une certaine valeur de courant Is (limite de sélectivité). Si le courant dépasse cette valeur, la sélectivité entre les deux disjoncteurs ne peut plus être assurée.
La sélectivité partielle entre deux disjoncteurs est dite atteinte lorsque la sélectivité est atteinte jusqu'à une certaine valeur Is, inférieure aux valeurs Icu des deux disjoncteurs. Si le courant de court-circuit présumé maximal de l'installation est inférieur ou égal au courant de sélectivité Is, on parle de sélectivité totale.
Exemple
Les deux disjoncteurs suivants sont considérés :
- Côté alimentation XT4N250 TMA100 (Icu=36 kA) ;
- Côté charge S200M C40 (Icu=15 kA).
D'après les "tableaux de coordination de protection et de contrôle", on peut voir que la sélectivité totale (T) entre deux disjoncteurs est assurée. Cela signifie qu'une sélectivité jusqu'à 15 kA est fournie, c'est-à-dire la plus petite des deux valeurs Icu.
Évidemment, le courant maximal attendu K3 sur le site d'installation du disjoncteur S200M C40 sera inférieur ou égal à 15kA.
Les deux disjoncteurs suivants sont maintenant considérés :
- Côté alimentation XT4N250 TMA80 (Icu=36 kA) ;
- Côté charge S200M C40 (Icu=15 kA).
D'après les "Tableaux de coordination des dispositifs de protection et de commande", on peut voir que la sélectivité entre deux disjoncteurs est Is = 6,5 kA.
Cela signifie que si le courant de court-circuit présumé maximal du côté charge du disjoncteur S200M C40 est inférieur à 6,5 kA, une sélectivité complète sera fournie, et si le courant de court-circuit est plus élevé, une sélectivité partielle sera fournie. , c'est à dire. uniquement pour les courts-circuits avec des courants inférieurs à 6,5 kA, tandis que pour les courts-circuits avec des courants compris entre 6,5 et 15 kA, la défaillance du disjoncteur côté alimentation n'est pas garantie.
Avantages de la cascade
La limitation de courant profite à tous les circuits en aval contrôlés par le disjoncteur de limitation de courant approprié.
Ce principe n'impose aucune restriction supplémentaire, i. Les disjoncteurs limiteurs de courant peuvent être installés n'importe où dans une installation électrique où les circuits en aval ne sont pas suffisamment protégés.
Avantages :
- simplification des calculs des courants de court-circuit ;
- un choix plus large d'appareils de commutation en aval et d'appareils électroménagers ;
- l'utilisation d'appareils de commutation et d'appareils électroménagers conçus pour des conditions de fonctionnement plus légères et donc moins coûteux ;
- gain de place, car les équipements conçus pour des courants plus faibles sont généralement plus compacts.
Détermination de la sélectivité des disjoncteurs
La définition de "sélectivité" implique un mécanisme de protection et le bon fonctionnement de certains appareils, constitués de pièces séparées connectées en série les unes avec les autres.Souvent, divers types d'appareils automatiques, fusibles, RCD, etc., servent de tels dispositifs.Le résultat de leur travail est d'empêcher la combustion des mécanismes électriques en cas de menace.
A quoi ressemble l'appareil ?
Noter! L'avantage de ce système est sa capacité à éteindre uniquement les sections nécessaires, tandis que le reste du système reste en état de fonctionnement. La seule condition est la cohérence des dispositifs de protection entre eux
Schéma de protection de zone
Carte de sélectivité
Assurez-vous de mentionner la carte de sélectivité, dont vous aurez besoin "comme l'air" pour la protection contre les surintensités. La carte elle-même est un schéma spécifique construit en axes, où tous les ensembles de caractéristiques temps-courant des appareils installés sont affichés. Un exemple est fourni ci-dessous :

Nous avons déjà dit que tous les dispositifs de protection doivent être connectés à tour de rôle les uns après les autres. Et la carte montre les caractéristiques de ces appareils particuliers. Les principales règles de dessin des cartes sont les suivantes : les paramètres de protection doivent provenir d'une tension ; l'échelle doit être choisie en s'attendant à ce que tous les points limites soient visibles ; il est nécessaire de spécifier non seulement les propriétés de protection, mais également les indicateurs maximum et minimum de courts-circuits aux points de conception du circuit.
Il convient de noter que dans la pratique actuelle, l'absence de cartes de sélectivité dans les projets est bien ancrée, en particulier à basse tension. Et c'est une violation de toutes les normes de conception, qui est finalement le résultat d'une panne de courant chez les consommateurs.
Enfin, nous vous recommandons de regarder une vidéo utile sur le sujet :






























