- Où installer un panneau électrique ?
- Schéma d'alimentation
- Nous pensons à l'alimentation
- Nous dessinons un schéma
- Installation du câblage dans l'appartement - ce dont vous devez vous souvenir?
- Par où commencer pour remplacer le câblage
- Calcul de puissance
- Schéma électrique de l'appartement
- Le choix des câbles électriques selon les règles
- Installation de câblage à faire soi-même
- Option de montage ouvert
- Câblage affleurant
- Câblage électrique dans une maison privée
- Câblage bricolage
- Méthodes de connexion filaire
- Sélection de matériel d'installation électrique
- Rédaction d'un schéma de câblage
- Plan d'action
- Pourquoi définir une section ?
- Faire un plan et recevoir un projet
- Conclusions et vidéo utile sur le sujet
Où installer un panneau électrique ?

panneau électrique
Un endroit spécifique pour le montage du bouclier n'est indiqué dans aucune réglementation. Seulement, vous ne pouvez pas l'installer à moins d'un mètre de tout pipeline - une conduite de gaz, des tuyaux de descente, des égouts, un système de chauffage, une conduite d'eau, vous ne pouvez même pas placer de compteurs de gaz à proximité.
Selon la destination des locaux, il n'y a pas d'interdictions, ils ont souvent des boucliers dans les chaufferies - il convient de recueillir toutes les communications ici, le comité de sélection n'exprimera pas de réclamations. Si le bouclier a une classe de protection élevée, vous pouvez placer le tableau près de la porte d'entrée.

Comment créer un patio à la campagne de vos propres mains: une variété d'options de conception, de décoration et d'arrangement (plus de 85 idées de photos et vidéo)
Schéma d'alimentation
Jetez un oeil à l'image dans la section. Pour l'instant, jetez un coup d'œil. Donnons quelques explications. Premièrement : kWA - compteur d'électricité ; RCD est un dispositif à courant résiduel. Deuxièmement, le circuit d'alimentation est unifilaire.

Schéma unifilaire de l'alimentation de l'appartement
Faites attention aux deux barres obliques qui barrent la désignation du fil. Cela signifie que dans la vraie vie, il y a deux fils - phase L et zéro N (neutre), posés ensemble
Le fil de protection PE n'est pas barré, ce qui signifie qu'il est livré séparément. Si l'entrée est triphasée, il y aura trois tirets sur les désignations de ses fils. Les systèmes à neutre isolé, qui ne sont pas utilisés dans la vie courante, ne se touchent pas.
Maintenant, regardez attentivement le dessin. Il s'agit d'un schéma d'alimentation électrique à une seule ligne pour un appartement de luxe de 200 m². M. Si vous comprenez tout en général, vous pouvez dessiner votre propre schéma d'alimentation, même si vous n'avez pas de formation en génie électrique et que vous ne savez pas dessiner.
Dans le pire des cas, vous vous retrouverez avec un croquis maladroit. Mais selon elle, un étudiant de premier cycle à la recherche d'un emploi à temps partiel ou un électricien à la retraite pourra dessiner le schéma correct en une demi-soirée et à peu de frais. Et si vous confiez le programme à un spécialiste en exercice avec déjà un salaire décent, cela vous coûtera un joli centime. Les tracas ne diminueront pas pour vous : après tout, il a besoin des données initiales.
Nous pensons à l'alimentation
Un bon câblage dans la maison dépend principalement de la consommation d'énergie.Dans les colonies de chalets, ils donnent une limite de consommation de 10 à 20 kW pour le logement, mais dans un appartement en ville, cela n'est pas réaliste: soit la machine à l'entrée sera toujours assommée, soit, pire encore, le câblage de la maison brûlera. Et dans les vieilles maisons, où le plus souvent le remplacement du câblage est nécessaire, la limite "Khrouchtchev" de 1,3 kW est fixée; à la limite - 2 kW.
Cependant, personne n'allume tout en même temps. Même en été, lorsque les climatiseurs sont allumés, ils s'allument hors du temps. Ici, le hasard joue pour le consommateur : avec une consommation électrique moyenne de 4,3 kW, le câblage de la maison tient le coup. Cette limite est la base du calcul. Certes, si vous commencez à laver ou à repasser en été, vous devrez éteindre le climatiseur avec la chaudière, sinon la machine principale réduira tout l'appartement. Mais vous devrez vous réconcilier avec cela.
Sans entrer dans les détails du calcul, nous donnerons immédiatement des données pour un appartement en ville moyen de 40 à 100 mètres carrés. m de surface totale :
- La machine principale - de 25 à 32 A, selon la zone. Pour les méticuleux : le facteur de sécurité actuel est de 1,3-1,5. Il est impossible d'en donner 2 dans les immeubles à appartements : le câblage général est "rabougri".
- Appartement RCD - Déséquilibre 50 A 30 μA.
- Cuisine - deux branches de câblage de 4 mètres carrés. millimètre ; sur chacun - une machine automatique pour 25 A et un RCD de 30 A 30 μA. Laver la salle de bain - de la cuisine; non indiqué sur le schéma, voir ci-dessous.
- Climatisation - une branche de 2,5 mm². automatique - 16 A, RCD - 20 A 30 μA.
- Circuits de prises et circuits d'éclairage - l'un et l'autre dans chaque pièce, sauf pour la salle de bain et la salle de bain ; en eux - uniquement l'éclairage; la salle de bain est encore à discuter. La section des produits est de 2,5 mm² ; l'arrêt automatique n'est pas nécessaire, l'appartement général suffit.
C'est tout le code source d'un circuit d'alimentation monoligne pour un appartement. Tu peux dessiner.
Figure : schémas graphiques pour la « visibilité » :

Nous dessinons un schéma
Comme base, vous pouvez prendre le schéma donné. Son sommet, dès la sortie du compteur, reste inchangé, il suffit de changer les données numériques. La marque du RCD n'a pas d'importance : si vous finissez par en mettre d'autres à la place d'ASTRO-RCD, cela ne viole rien.
En cas de doute sur les désignations, voir l'annexe au PUE (Règles d'installation des installations électriques des consommateurs) ou GOST 2.755-87 (CT SEV 5720-86). Gardez simplement un œil sur le numéro GOST : pour une raison quelconque, de nombreux liens vers GOST 2.721-74 et même GOST 7624-55 apparaissent dans la recherche, qui ne sont pas plus utiles maintenant que le code moral du bâtisseur du communisme, qui à un moment donné a été personnellement édité par un cher camarade et inoubliable secrétaire général Leonid Ilyich.
Lorsque vous dessinez un schéma, respectez les dimensions des symboles des éléments : leur mise à l'échelle n'est pas autorisée. Si, par exemple, un condensateur électrique est indiqué par deux traits parallèles de 0,5 mm d'épaisseur et de 10 mm de long à une distance de 2 mm l'un de l'autre, tant pis, même s'il est seul sur une feuille de papier à dessin A0.
Installation du câblage dans l'appartement - ce dont vous devez vous souvenir?
Avant de connecter le câblage électrique dans l'appartement, vous devez suivre plusieurs étapes préparatoires importantes. Nous avons donc déjà parlé de la conception et du dessin du circuit - une étape très importante dont dépend la qualité de l'installation. La prochaine étape est la mise en œuvre du balisage dans le schéma de câblage, le long duquel les fils seront posés et un blindage temporaire installé.
Il est souhaitable de commencer à travailler en posant le faisceau principal de câbles, leurs branches et en indiquant leurs virages. N'oubliez pas que la disposition des câbles doit être verticale ou horizontale. Après avoir terminé, dessinez un diagramme dont vous aurez besoin pour effectuer le travail principal.Après cela, nous devons acheter des outils et d'autres dispositifs de construction (nous les choisissons en fonction du matériau des murs et des autres surfaces):
- meuleuse pour travailler avec des surfaces en béton et en brique;
- ciseau de montage - adapté au travail avec des blocs de mousse et du plâtre.

Cet outil sera nécessaire pour créer des évidements dans les murs et autres surfaces lors de la pose des fils. Ensuite, nous procédons à la préparation du câblage électrique - coupe des câbles. Lorsque vous les coupez à la longueur requise, n'oubliez pas de laisser environ 15 cm de câble en réserve pour relier les câbles entre eux. Ensuite, vous devez préparer un mélange pour l'enrobage, qui dans ses caractéristiques sera similaire à celui appliqué aux murs pour la décoration. Il est nécessaire de fixer les fils dans le stroboscope et de niveler la surface. Après avoir préparé la solution, nous l'appliquons sur les murs et attendons que le mélange sèche un peu, après quoi nous nivelons les irrégularités à l'aide d'une râpe à mousse.
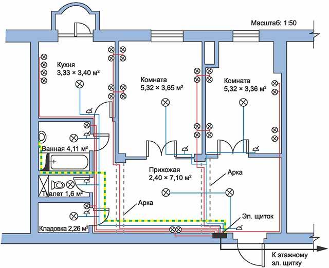
Par où commencer pour remplacer le câblage
Schéma structurel du câblage électrique de l'appartement
Au stade préparatoire, un plan est établi pour un nouveau câblage dans un appartement de deux pièces. Il est coordonné dans le BTI et Energosbyt. La préparation comprend également :
- Inspection visuelle de la ligne pour les dommages visibles.
- Faire un dessin avec les systèmes électriques de toute la maison.
- Achat de consommables - prises, câbles, interrupteurs, boîtiers.
- Recherchez les bons outils - perforateur, meuleuse, indicateur, pince coupante, niveau, lanterne, couteau de montage, pince, fer à souder, ruban électrique en tissu.
Achetez un fil avec des allocations après avoir mesuré la longueur du parcours.
Calcul de puissance
Puissance approximative de divers appareils électriques
Il est nécessaire de remplacer l'électricien pour qu'à l'avenir il n'y ait plus de pannes ni de surtensions du réseau. La puissance de la ligne est choisie en tenant compte de tous les équipements électriques et dépend de la section du câble. Vous devrez faire plusieurs calculs :
- Additionnez les capacités de tous les équipements connectés au réseau électrique.
- Ajoutez +100W par luminaire.
- Divisez le total par 220.
Si le résultat est 12-15, il est permis d'utiliser un câble d'une section de 1,5 mm2. Pour un appartement d'aménagement standard, cela suffit.
Lorsqu'il y a une charge importante sur la ligne, il est permis d'augmenter la section du câble pour équiper les communications dans un schéma à deux ou trois fils.
Schéma électrique de l'appartement
Le schéma d'alimentation de l'appartement via le RCD
Dans les maisons anciennes, il y a un panneau électrique à chaque étage, où se trouvent un compteur, un interrupteur de lot et des disjoncteurs. Par conséquent, lorsqu'un schéma de câblage est conçu dans un appartement de deux pièces, il convient de créer un circuit d'alimentation et d'éclairage indépendant, en planifiant les branches principales et supplémentaires. À Khrouchtchev, les options de connexion suivantes sont autorisées :
- Parallèle - l'énergie est fournie au consommateur à partir de la source d'alimentation via sa propre ligne. Un câble à trois conducteurs est connecté à un appareil monophasé, un câble à cinq conducteurs avec des fils de phases A, B, C, zéro et terre est connecté à un appareil triphasé. Un tel schéma prévoit l'organisation pour chaque consommateur de sa propre ligne et l'installation d'un DDR individuel.
- Série - un câble est tiré d'une source d'alimentation et le consommateur y est connecté à une certaine distance. Pour mettre en œuvre le schéma, vous aurez besoin d'un fil avec une grande section et des stroboscopes dans les murs. La source d'énergie sera un générateur qui délivre une valeur nominale de 220 V.Pour économiser de l'argent, vous pouvez étirer le câble électrique du blindage à un consommateur spécifique.
- Série-parallèle - le schéma est utilisé dans la plupart des appartements. La boîte de jonction est conçue pour des consommateurs regroupés par type (chaudière, prises, éclairage) ou par emplacement (cuisine, chambre, salle de bain).
Le choix des câbles électriques selon les règles
Les exigences de sécurité modernes, et non un ultimatum, recommandent que le câblage dans les locaux résidentiels ne soit PAS avec des fils, mais avec des câbles électriques.
Un fil est un conducteur électriquement conducteur en cuivre ou en aluminium, recouvert d'une couche d'isolant.
Un câble est composé de plusieurs fils, torsadés en faisceau à l'usine et recouverts d'un ou deux grains de soja d'une gaine isolante commune.
Pour le câblage des appartements sont recommandés :
- Câbles VVGng ou NYUM pour câblage caché ou ouvert ;
- Câbles PVA, uniquement pour le raccordement d'appareils électroménagers mobiles à des prises électriques ou à l'alimentation électrique.
Les autres fils de type PUNP sont interdits en raison de l'absence d'un seul GOST pour leur production et, par conséquent, d'une qualité médiocre.
- La section des conducteurs de câble pour un appartement (maison) est très facile à choisir :
- Pour l'éclairage, nous sélectionnons des câbles d'une section de 2 × 1,5 mm;
- Pour les prises, câbles de section 3 × 2,5 mm (câbles avec mise à la terre) ;
- Pour un réchaud électrique, les câbles font 3 × 4 mm, moins souvent 3 × 6 m, tout dépend de la puissance du réchaud.
Important! Si vous réparez un câblage électrique composé de câbles en aluminium (fils), vous devez utiliser des fils en aluminium (câbles) pour les réparations. Le nouveau câblage électrique, ainsi que les prises et l'éclairage supplémentaires, doivent être posés à l'aide de câbles électriques en cuivre.
La connexion des conducteurs en cuivre et en aluminium doit être effectuée uniquement via des bornes de connexion, qui ne permettent pas au cuivre et à l'aluminium de se toucher
Le nouveau câblage électrique, ainsi que les prises et l'éclairage supplémentaires, doivent être posés à l'aide de câbles électriques en cuivre. La connexion des conducteurs en cuivre et en aluminium doit être effectuée uniquement via des bornes de connexion, qui ne permettent pas le contact du cuivre et de l'aluminium.
Installation de câblage à faire soi-même
Si les calculs préliminaires ont été effectués correctement et que le futur schéma de câblage a été correctement établi, il n'y aura pas de problèmes d'installation. L'essentiel est de respecter les consignes de sécurité.
La première étape du travail est le balisage. La ligne de pose du câble est tracée avec un marqueur lumineux directement sur les murs / plafond et strictement selon le schéma. Toutes les notes nécessaires sont prises - l'emplacement des prises, interrupteurs, lampes, appareils électroménagers, un bouclier d'arrêt (SchO).
Deuxième étape - stroboscope mural (la profondeur du stroboscope est d'environ 20 mm, la largeur est égale à la largeur du câble posé), si le câblage est caché. Ou les fils sont installés de manière ouverte.
Pour le matériel, tous les trous sont réalisés avec un perforateur (buse « couronne »). Dans les coins des locaux, des trous traversants sont nécessairement pratiqués pour le passage des câbles.
Au plafond, le câble peut être fixé directement aux plafonds ou caché dans leurs vides (avec la conception de trous d'entrée / sortie), puis fermer le tout avec un plafond décoratif.

L'installation étape par étape du câblage électrique après toutes les mesures préparatoires est la suivante:
- Tout d'abord, le SCW est installé et le RCD y est connecté (les bornes de terre sont situées dans le blindage standard en bas, les bornes zéro sont en haut et des automates sont installés entre eux).
- Plus à l'intérieur, le câble démarre, mais ne se connecte pas. Veuillez noter que seul un électricien possédant les qualifications professionnelles appropriées et le certificat d'autorisation peut connecter ce câble.
- Le câble d'entrée au SC est connecté comme suit :
- le fil bleu est attaché à zéro ;
- fil blanc - au contact supérieur du RCD (c'est-à-dire à la phase);
- jaune avec une bande verte, le fil est relié à la terre.
Quant aux machines, elles sont connectées en série par le haut avec un fil de liaison blanc ou un bus d'usine spécial.
Important : vous devez regarder très attentivement les marquages et les marques d'accompagnement du fabricant du câble - les couleurs peuvent différer de celles indiquées ci-dessus. Et maintenant, quand tout ce qui est nécessaire et peut être connecté, vous pouvez passer directement au câblage
Et maintenant, lorsque tout ce qui est nécessaire et peut être connecté, vous pouvez procéder directement au câblage.
Option de montage ouvert
Le câblage ouvert est monté en série :
- selon les marquages, des boîtes ou des canaux de câble sont fixés (sur des vis autotaraudeuses, à 5-10 cm du bord, pas de 50 cm);
- des boîtes de jonction, des interrupteurs, des prises sont installés ;
- un câble est posé des prises à l'appareillage (à partir des points de connexion du VVG - 3 * 2,5 fils);
- VVG (câble 3 * 1,5) est conduit des ampoules et des commutateurs au boîtier de distribution.
- dans les boîtes de jonction, les âmes des fils sont connectées avec des pinces ou des bornes WAGO selon la couleur.
Câblage affleurant
La différence entre le câblage caché et ouvert est que le fil de la première version est placé le long d'ondulations spéciales dans des stroboscopes préconçus. Cette méthode permet le remplacement/réparation du câblage sans perturber sérieusement la finition. Dans ce cas, les boîtes de jonction et les boîtes de prises sont placées dans des niches spécialement conçues.

Pour sceller le câblage, vous pouvez utiliser du mastic de gypse et, après l'installation, les stroboscopes du câblage électrique caché sont plâtrés.
Câblage électrique dans une maison privée
Dans une maison privée ou une maison de campagne, la conception d'un câble électrique nécessitera des mesures de sécurité particulières. Après tout, de telles structures peuvent être en bois. Et le câblage qu'ils contiennent doit être monté en tenant compte des exigences suivantes:
- l'utilisation de câbles avec une isolation parfaite et des fils auto-extinguibles ;
- l'utilisation de coffrets de distribution et d'installation exclusivement métalliques ;
- scellement obligatoire de toutes les connexions ;
- empêcher le contact du câblage ouvert avec les murs et les plafonds (il est impératif d'utiliser des isolateurs en porcelaine);
- maintenir le câblage caché uniquement à travers des tuyaux en cuivre et des fils d'acier, toujours avec mise à la terre ;
- installation d'ondulations en plastique et de boîtes en plâtre.

Et afin d'augmenter la sécurité des maisons en bois, les experts recommandent d'installer un RCD dans de telles maisons - un relais différentiel qui réagit rapidement à une éventuelle fuite de courant ou à un court-circuit en "assommant" la machine.
Câblage bricolage
Les tendances de la construction moderne incluent le câblage caché. Il peut être posé dans des rainures spécialement réalisées dans les murs - stroboscopes. Après avoir posé et fixé les câbles, ils sont recouverts de mastic, en comparant avec la surface du reste du mur. Si les murs érigés sont ensuite recouverts de matériaux en feuille - cloisons sèches, GVL, etc., les stroboscopes ne sont pas nécessaires. Les câbles sont posés dans l'espace entre le mur et la finition, mais dans ce cas, uniquement dans des manchons ondulés. La gaine avec les câbles posés est fixée avec des pinces aux éléments structurels.
Comment poser le câblage interne ?Dans une maison privée, lors de l'organisation de vos propres mains, vous devez suivre toutes les règles
Lors de la pose, vous devez vous rappeler que le câblage interne d'une maison privée est effectué conformément à toutes les règles et recommandations. C'est le seul moyen de garantir la sécurité. Les règles de base sont :
- câblage uniquement verticalement et horizontalement, pas de coins arrondis ni d'itinéraires biseautés ;
- toutes les connexions doivent être effectuées dans des boîtes de jonction de montage ;
- les transitions horizontales doivent être à une hauteur d'au moins 2,5 mètres, à partir desquelles le câble descend jusqu'à la prise ou à l'interrupteur.
Un plan d'itinéraire détaillé, similaire à celui de la photo ci-dessus, doit être enregistré. Il vous sera utile lors de la réparation ou de la modernisation du câblage. Vous devrez vérifier avec lui si, quelque part à proximité, vous devez creuser ou faire un trou, enfoncer un clou. La tâche principale n'est pas d'entrer dans le câble.
Méthodes de connexion filaire
Un grand pourcentage de problèmes de câblage provient de mauvaises connexions de fil. Ils peuvent se faire de plusieurs manières :
- Torsion. Seuls les métaux homogènes, ou ceux qui n'entrent pas dans une réaction chimique, peuvent se combiner de cette façon. Il est impossible de tordre catégoriquement le cuivre et l'aluminium. Dans les autres cas, la longueur des conducteurs nus doit être d'au moins 40 mm. Deux fils sont connectés l'un à l'autre aussi étroitement que possible, les spires sont empilées les unes à côté des autres. Par le haut, la connexion est enveloppée de ruban électrique et / ou emballée avec un tube thermorétractable. Si vous voulez que le contact soit à 100% et que les pertes soient minimes, ne soyez pas trop paresseux pour souder la torsion. En général, selon les normes modernes, ce type de connexion filaire est considéré comme peu fiable.
Les règles d'installation du câblage électrique dans un ohm privé interdisent de faire des torsions dans les murs (les maçonner) - Raccordement par boîte à bornes avec bornes à vis. Les bornes métalliques sont soudées dans le boîtier en plastique résistant à la chaleur, qui sont serrées avec des vis. Le conducteur, dénudé, est inséré dans la douille, fixé par une vis, à l'aide d'un tournevis. Ce type de connexion est le plus fiable.
Le raccordement du câblage électrique à l'aide de boîtes à bornes est rapide, pratique, fiable et sûr - Blocs de connexion avec ressorts. Dans ces dispositifs, le contact est assuré par un ressort. Un conducteur nu est inséré dans la douille, qui est serrée par un ressort.
Et pourtant, les méthodes de connexion les plus fiables sont le soudage et le brasage. S'il est possible de faire la connexion comme celle-ci, nous pouvons supposer que vous n'aurez pas de problèmes. Au moins avec des connexions.
L'installation à faire soi-même du câblage électrique dans une maison nécessite de respecter scrupuleusement toutes les exigences. C'est une garantie de votre vie privée et de la sécurité de votre propriété privée.
Une fois les fils de la machine au point de connexion de la prise ou de l'interrupteur posés, leur intégrité est vérifiée à l'aide d'un testeur - les fils sonnent entre eux, vérifiant l'intégrité des conducteurs, et chacun individuellement à la terre - vérifiant que l'isolation n'est pas endommagée quelque part. Si le câble n'est pas endommagé, procédez à l'installation de la prise ou de l'interrupteur. Après s'être connectés, ils le vérifient à nouveau avec un testeur. Ensuite, ils peuvent être démarrés sur la machine appropriée. De plus, il est conseillé de signer immédiatement la machine : il sera plus facile de s'y retrouver.
Après avoir terminé le câblage électrique dans toute la maison, après avoir tout vérifié par eux-mêmes, ils appellent les spécialistes du laboratoire électrique. Ils vérifient l'état des conducteurs et de l'isolation, mesurent la mise à la terre et le zéro, et vous remettent un rapport de test (protocole) basé sur les résultats.Sans cela, vous ne recevrez pas de permis de mise en service.
Sélection de matériel d'installation électrique
Avant de commencer l'installation, vous devez acheter le panneau électrique lui-même et toutes les installations et appareils électriques qui constitueront son contenu. Il faut tenir compte du fait que chaque élément occupe un certain nombre d'emplacements de montage sur un rail DIN - une barre métallique de 3,5 cm de large.Un ou plusieurs rails DIN peuvent être situés dans une boîte.
Sous un "lieu de montage", un segment sur un profil d'une longueur de 1,75 cm est pris en compte - un module. Le passeport du panneau électrique doit indiquer pour combien de modules il est conçu.
Trois appareils sont fixés sur un rail DIN : les deux premiers occupent 3 modules chacun, le troisième - un module. Il n'est pas recommandé de laisser des espaces entre les appareils à proximité pour économiser de l'espace.
Avant de choisir un bouclier, additionnez le nombre de tous les modules, puis ajoutez quelques places au montant résultant qui pourrait s'avérer utile à l'avenir. Par exemple, calculons quelle boîte est nécessaire pour un appartement 1 pièce.
Selon le schéma, nous déterminons le nombre de modules occupés par chacun de leurs appareils: une machine à 4 pôles à l'entrée - 4 places, un compteur - 6, RCBO - 2 x 2, machines - 4. Le résultat est de 18 modules
Pour 18-20 places, un tableau électrique pour 24 modules convient. Mais si l'appartement est grand et qu'il est prévu à l'avenir d'acheter de nouveaux équipements, d'installer un chauffage au sol ou de réparer avec le remplacement du câblage, il est préférable d'acheter une boîte de 36 places.
Si vous souhaitez simplifier davantage le travail, rendre la protection du réseau maximale et l'emplacement des modules pratique, essayez de choisir un bouclier avec un ensemble complet, et ce sont:
- cadre amovible avec rails DIN ;
- trous d'entrée et supports pour la fixation des câbles ;
- deux pneus, zéro de travail et de protection - avec supports et sites d'installation ;
- un ensemble de fixations pour le montage;
- organisateurs de fil.
Les boucliers sont en métal et en plastique, intégrés et articulés.
Voyons en quoi ils diffèrent fondamentalement.
Les électriciens expérimentés recommandent de travailler avec un seul magasin. Les avantages d'acheter auprès d'un grand fournisseur sont un large assortiment de produits et la garantie de recevoir des produits originaux et non des contrefaçons. Par conséquent, il est préférable d'acheter à la fois le bouclier et le reste des produits d'installation électrique au même endroit.
En plus du compteur et des dispositifs de protection, vous aurez besoin de :
- peignes pour plusieurs poteaux avec embouts - pour connecter les modules les uns aux autres, simplifier l'installation et économiser de l'espace;
- 2-3 mètres de fil PV1 avec une section similaire à celle du câble d'entrée et un codage couleur de l'isolant ;
- zéro pneu ou cross-modules pour les RCD du groupe ;
- pinces et attaches pour organiser les conducteurs;
- limiteurs pour rails DIN;
- talons pour masquer les sièges vides.
Si les opportunités financières le permettent, il est préférable de sélectionner l'équipement d'un fabricant de confiance - Hager, ABB, Legrand, Schneider Electric. Les appareils de la même marque sont plus faciles à monter et le bouclier sera beaucoup plus esthétique.
Rédaction d'un schéma de câblage
Faisons une réservation tout de suite : nous parlons d'un réseau monophasé avec une tension de 220 volts, qui est déjà relié à une maison privée d'une superficie de 100-150 m² ou un appartement. Des organismes spécialisés sont engagés dans la conception et l'installation de réseaux électriques triphasés 380 V pour les grands chalets.Dans ce cas, cela n'a aucun sens de prendre en charge le câblage électrique par vous-même, car sans projet d'alimentation électrique et sans documentation exécutive convenue, la société de gestion n'autorisera pas la connexion à ses communications.

Ainsi, le schéma de câblage typique d'un immeuble résidentiel présenté ci-dessus comprend les éléments suivants (à partir de l'entrée des câbles) :
- disjoncteur d'introduction d'une valeur nominale de 25 ampères;
- compteur électrique (de préférence multitarif);
- dispositif à courant résiduel - RCD, conçu pour un courant de déclenchement de 300 mA;
- 20 A machine différentielle, déclenchée à un courant de fuite de 30 mA, - pour protéger le réseau de prises ;
- interrupteurs automatiques d'une valeur nominale de 10 A pour l'éclairage (le nombre dépend du nombre de lignes aux lampes);
- une armoire électrique équipée d'un bus zéro et terre, ainsi que de rails DIN pour le montage d'automates et de DDR :
- lignes de câbles avec boîtes de jonction menant à des prises pour le raccordement d'appareils électroménagers et d'appareils d'éclairage.

Le but fonctionnel des éléments énumérés est le suivant. Les disjoncteurs protègent les branches ou le système dans son ensemble d'un court-circuit, le RCD vous protège des chocs électriques et une machine différentielle combine ces 2 fonctions. Ce dernier doit être installé sur chaque ligne électrique. Pour protéger les appareils électroménagers des surtensions, vous pouvez compléter le circuit avec un relais de protection installé après le RCD principal, comme le raconte le maître dans la vidéo:
Pour réaliser un schéma d'électrification complet, vous devez dessiner un plan de maison à la main et y placer des luminaires avec des prises.Indiquez l'emplacement du panneau électrique et répartissez le câblage de celui-ci le long des murs, en marquant chaque paire (phase et zéro) avec une ligne, comme le font les électriciens (appelé schéma unifilaire). Un exemple d'un tel croquis est montré dans l'image.

Plan d'action
Le câblage dans une maison privée est effectué avant le début des travaux de finition. La boîte de la maison est expulsée, les murs et le toit sont prêts - il est temps de commencer les travaux. La séquence d'actions est la suivante :
- Détermination du type d'entrée - monophasée (220 V) ou triphasée (380 V).
- Élaboration du schéma, calcul de la capacité de l'équipement prévu, soumission des documents et réception du projet. Ici, il faut dire que pas toujours dans les conditions techniques, ils détermineront la puissance que vous avez déclarée, très probablement ils n'alloueront pas plus de 5 kW.
- Sélection de composants et d'accessoires, achat d'un compteur, d'automates, de câbles, etc.
- Entrée des électriciens du poteau dans la maison. Il est effectué par une organisation spécialisée, vous devez décider du type - aérien ou souterrain, installer une machine d'entrée et un compteur au bon endroit.
- Installez un bouclier, apportez l'électricité à la maison.
- Pose de câbles à l'intérieur de la maison, branchement de prises, interrupteurs.
- Dispositif de boucle de masse et sa connexion.
- Tester le système et obtenir un acte.
- Branchement électrique et fonctionnement.
Ceci n'est qu'un plan général, chaque cas a ses propres nuances et caractéristiques, mais vous devez commencer par obtenir les conditions techniques de connexion au réseau électrique et au projet. Pour ce faire, vous devez décider du type d'entrée et de la consommation électrique prévue. Il faut rappeler que la préparation des documents peut prendre jusqu'à six mois, il est donc préférable de les soumettre avant même le début des travaux : deux ans sont accordés pour remplir les conditions techniques.Pendant ce temps, c'est sûr, vous pourrez chasser le mur sur lequel vous pourrez poser la machine et le comptoir.
Pourquoi définir une section ?
Tout d'abord, si le fil est trop petit, il ne pourra pas supporter une charge de consommation importante.
Il chauffera fréquemment, ce qui entraînera :
- Détérioration de l'isolation.
- Endommagement des contacts sur les bornes.
Cela augmente parfois le risque de court-circuit.
De plus, peu de gens savent que les fils qui diffèrent par leur section diffèrent également par leurs prix. Par conséquent, le calcul doit être effectué afin de ne pas surpayer le matériel avec des paramètres excessifs.
Il est important de ne pas oublier que les fils ont également des objectifs différents, mais cela est facile à comprendre si vous connaissez la bonne disposition des couleurs. Il est indiqué dans le tableau ci-dessous.
Il est fourni dans le tableau ci-dessous.
| Couleur du fil | Objectif |
| Rayé, jaune-vert | Conducteur de protection zéro (mise à la terre) |
| Bleu | Zéro conducteur de travail |
| Noir, rouge, marron et toutes autres couleurs différentes des précédentes. | Conducteurs de phase |
Faire un plan et recevoir un projet
Vous pouvez maintenant créer un plan pour le câblage et l'installation de prises électriques dans la maison. Pour ce faire, utilisez le plan du bâtiment à l'échelle, marquez-y l'emplacement de l'équipement, réfléchissez aux endroits où les interrupteurs et les prises seront installés. Il est nécessaire de ne pas oublier les sites d'installation de meubles massifs afin qu'ils ne couvrent pas les interrupteurs et les prises.

Schéma de câblage dans la maison
Sur le plan il faut noter tous les luminaires nécessaires. Certains nécessiteront l'installation d'interrupteurs, d'autres nécessiteront leurs propres prises. Après cela, vous devez réfléchir à ce que vous pourriez avoir à inclure dans chaque pièce.
Par exemple : dans la cuisine, il y a de nombreux appareils différents qui sont constamment connectés, ils ont besoin de leurs propres prises. Mais vous devrez peut-être utiliser occasionnellement d'autres appareils électriques. Toutes ces données sont indiquées sur le plan et l'emplacement le plus pratique des points d'inclusion est calculé.

Primula: description, variétés pour la culture domestique à partir de graines, respect des règles de culture et d'entretien (50+ Photos & Vidéos) + Avis
Conclusions et vidéo utile sur le sujet
Pour des informations plus complètes concernant l'installation du câblage électrique dans la zone de l'appartement, il est recommandé de visionner la description vidéo des processus.
La familiarisation avec la vidéo enrichira l'expérience existante, ce qui n'affectera que positivement la qualité du travail.
Le câblage électrique à faire soi-même dans un appartement en ville est une option parfaitement acceptable. Cependant, il y a des "mais" dans la résolution du problème de cette manière.
Tout d'abord, vous ne devriez pas vous attaquer à ce problème s'il n'y a pas la moindre expérience en installation électrique. Deuxièmement, lorsque vous envisagez l'exécution indépendante du travail, vous devez d'abord penser à votre propre sécurité et seulement secondairement à votre propre avantage.
Partagez avec les lecteurs votre expérience du câblage indépendant d'un appartement, de la connexion de prises et d'interrupteurs. Veuillez laisser des commentaires, poser des questions sur le sujet de l'article et participer aux discussions - le formulaire de commentaires se trouve ci-dessous.

































