- Schéma de câblage standard
- Chauffe-eau et alimentation en eau autonome
- Connexion à la conduite d'eau
- Insertion dans un tuyau en métal-plastique
- Polypropylène
- Tubes d'acier
- Instructions étape par étape pour l'installation d'une chaudière
- Equipement de type stockage : dispositif et principe de fonctionnement
- Divers schémas de raccordement de chaudière
- Schéma de raccordement d'un chauffe-eau dans un appartement
- Raccordement au système de plomberie
- En bref sur le principe de fonctionnement du lecteur
- Matériaux et accessoires
- Installation de chaudière à faire soi-même - est-ce possible ?
- Comment installer un chauffe-eau instantané
- Organisation de l'alimentation
- Sélection d'un emplacement d'installation
- Montage mural
- Critères pour une installation sans erreur de l'équipement
- Installer une chaudière à chauffage indirect
Schéma de câblage standard
Une personne qui a une idée générale de la disposition du réseau d'alimentation en eau à l'échelle d'un appartement et du concept de fonctionnement d'un chauffe-eau électrique à accumulation ne sera pas difficile à comprendre avec l'ordre de son raccordement aux tuyaux de l'approvisionnement en eau froide et chaude.

Schéma de raccordement chaudière dans l'appartement
Donc, de l'eau froide doit être fournie à la chaudière
Cela se fait en insérant (montant) un té à l'endroit le plus pratique dans des conditions spécifiques.
Un groupe de sécurité doit être installé sur la conduite d'alimentation - une ou plusieurs vannes spéciales.Leur importance et les règles d'installation seront discutées ci-dessous dans une section distincte de l'article. La canalisation de sortie de l'eau chauffée coupe dans le réseau de l'alimentation en eau chaude de l'appartement local - directement au tuyau de passage - à travers le té installé, ou, de préférence, au collecteur
Si l'appartement est raccordé à un réseau d'eau chaude centralisé, il faut installer un robinet qui coupera, si nécessaire, le réseau intérieur de la colonne montante commune.
Le tuyau de sortie de l'eau chauffée coupe le réseau de l'alimentation en eau chaude de l'appartement local - directement vers le tuyau de passage - via le té installé ou, de préférence, vers le collecteur. Si l'appartement est raccordé à un réseau d'eau chaude centralisé, il faut installer un robinet qui coupera, si nécessaire, le réseau intérieur de la colonne montante commune.
- Ce schéma généralement accepté peut être complété par certains éléments. Ainsi, de nombreux maîtres préfèrent installer des tés avec des robinets devant les entrées de la chaudière sur les tuyaux chauds et froids, ce qui facilite la vidange du réservoir de chauffage électrique pour les travaux d'entretien ou de réparation. Cela "pese" quelque peu le processus d'installation, mais donne certaines commodités à l'avenir.
-
Si des surpressions se produisent souvent dans le réseau d'alimentation en eau froide ou si la pression de l'eau dépasse les valeurs autorisées pour une chaudière particulière, un réducteur d'eau sera nécessaire. Il égalisera la pression et protégera le réchauffeur électrique des chocs hydrauliques.
Un autre ajout serait un mitigeur thermostatique.Il fournira une température uniforme et préréglée dans le système d'alimentation en eau chaude, éliminera la possibilité de brûlures possibles, etc. Cependant, pour l'installer, vous devrez insérer un autre té dans la conduite d'eau froide - dans la vanne thermostatique elle-même, les flux chaud et froid sont mélangés à la température requise.
Schéma utilisant une vanne thermostatique
Chauffe-eau et alimentation en eau autonome
L'approvisionnement en eau autonome est souvent par gravité, c'est-à-dire que la source d'eau est un réservoir installé dans le grenier, dans lequel l'eau est pompée à l'aide d'une pompe.
- Si moins de 2 m : un té est vissé immédiatement sur le raccord de sortie de la cuve dont les sorties sont reliées par des tuyaux au mitigeur et au tuyau d'arrivée du chauffe-eau.
- Plus de 2 m: un té de distribution d'eau à la chaudière et au mélangeur est installé sous le niveau de la chaudière, en y posant un tuyau (té) depuis le réservoir.
Le premier schéma diffère du second par la présence d'une soupape de sécurité, qui est installée sur le tuyau de sortie (chaud) du chauffe-eau.
Connexion à la conduite d'eau
Pour raccorder le chauffe-eau à l'eau froide et à l'eau chaude, vous aurez besoin de :
- clés (il est préférable de prendre une paire de clés à molette);
- ruban FUM ;
- des tés pour puiser dans les pipelines existants ;
- deux vannes d'arrêt ;
- clapets de sécurité et clapets anti-retour;
- tuyaux ou tuyaux en plastique dans une tresse métallique;
- coupe-tube et fer à souder pour les raccords en plastique ou appropriés ;
Le processus de connexion de la chaudière aux conduites d'eau se réduit à connecter deux tuyaux (entrée avec froid et sortie avec eau chaude) aux tuyaux filetés sur le corps du réchauffeur. Et le point principal ici est l'insertion correcte des tés pour ces branches dans la canalisation d'alimentation en eau existante.

La procédure de raccordement de la chaudière aux consommateurs d'eau chaude
Insertion dans un tuyau en métal-plastique
Si l'alimentation en eau est constituée de tuyaux en métal-plastique, des raccords à compression ou à sertir seront nécessaires. Avec le premier, lors du raccordement du chauffe-eau, il est plus facile de travailler, vous devez serrer les écrous avec des clés. Et ces derniers sont plus fiables, mais forment une connexion intégrale.
Pour installer le té, vous devrez couper une section de la taille appropriée sur le pipeline. Pour ce faire, il est préférable d'utiliser un coupe-tube, mais vous pouvez également prendre une scie à métaux pour le métal à dents fines. Assurez-vous simplement que la couche d'aluminium en métal-plastique ne dépasse pas sur le bord coupé. La feuille peut être tirée à l'intérieur du tuyau, grâce à quoi ce dernier sera rétréci.

Schéma de raccordement chaudière et consommables
Polypropylène
Si vous devez connecter la chaudière à une conduite d'eau constituée de tuyaux en polypropylène, vous aurez besoin d'un fer à souder. L'incision est faite de la même manière que dans le cas du métal-plastique. Ensuite, le té est chauffé d'un côté et soudé au tuyau, puis la deuxième extrémité est soudée. Sur le côté, il y a une extrémité libre avec un filetage pour connecter la sortie du chauffe-eau.

Variantes de systèmes d'approvisionnement en eau à travers la chaudière
Tubes d'acier
Vous devrez bricoler des tuyaux en acier. Ici, il faut soit prendre la meuleuse puis couper le filetage pour connecter le té avec une matrice ou un collier à vis, soit installer un collier de serrage («vampire», té-clip) et percer la canalisation.
La première option pour connecter le chauffe-eau à l'alimentation en eau est plus difficile à installer et plus fiable en fonctionnement, et la seconde est plus rapide et plus simple, mais pas si durable.
Mais voici comment connecter le drain de la machine à laver à l'égout - vous pouvez simplement accrocher le tuyau de vidange sur la baignoire, ou vous pouvez installer un té avec une sortie latérale. Dans le second cas, la fiabilité sera d'un ordre de grandeur supérieur.
Avec les conduites d'eau en acier, tout est similaire à bien des égards. Cependant, un té inséré et une pince suspendue donnent à peu près le même résultat. De plus, s'il n'y a pas d'expérience en tant que broyeur, il est préférable d'utiliser la deuxième option.

Les tuyaux en acier ne sont pas faciles à connecter, donc plus souvent cette option pour se connecter à une chaudière pour des besoins industriels ou un usage intensif
Instructions étape par étape pour l'installation d'une chaudière
Il vaut mieux travailler ensemble, si ce n'est pas possible, alors appelez un assistant au moins juste pour accrocher le chauffe-eau.
Étape 1. Décidez de l'emplacement d'installation de la chaudière à accumulation, établissez un schéma des canalisations. Vous devrez fournir de l'eau froide et de l'eau chaude.
Un chauffe-eau y sera installé. Les dimensions de la pièce correspondent aux dimensions de la chaudière
Nous vous recommandons de vous connecter selon le schéma le plus simple et le plus fiable. Il y a une vanne d'arrêt à l'entrée d'eau froide, suivie d'une soupape de sécurité avec un retour. Une vanne n'est pas nécessaire à la sortie d'eau chaude, il suffit d'en fermer une pour les réparations. Si vous le souhaitez, vous pouvez mettre des vannes à chaque tour et sur chaque tuyau, mais le résultat d'un tel travail ne sera que négatif. En plus de devoir acheter des éléments inutiles, le temps d'installation augmentera et le nombre de fuites possibles augmentera. La pratique montre que toutes les autres vannes d'arrêt ne sont jamais utilisées, une seule entrée est toujours bloquée.
Si vous avez une nouvelle construction et que des douilles de tuyau ont déjà été faites dans le mur, le travail est alors beaucoup plus simple. Et si la chaudière est installée dans une salle de bain déjà exploitée ? L'approvisionnement en eau est mieux pris de l'évier. Démontez le raccord à l'entrée d'eau froide et installez-y un té. Connectez l'eau chaude à un robinet de douche existant. Vous pouvez effectuer ce travail rapidement en utilisant une tuyauterie extérieure et des tuyaux flexibles, ou vous pouvez abandonner les murs et masquer les communications. La deuxième option est bien meilleure, mais nécessite plus d'efforts. De plus, il n'est pas toujours possible de restaurer le revêtement mural avec des carreaux de céramique dans sa forme originale. Décidez vous-même quelle option choisir.
Étape 2. Déballez le chauffe-eau et vérifiez son contenu. Le contenu de la livraison est indiqué dans les instructions du fabricant. Au même endroit, en passant, un schéma d'installation approximatif est également donné. Sur ce schéma, un seul point est important pour vous - comment connecter la soupape de sécurité. Nous avons déjà mentionné qu'il est situé dans le même bâtiment avec l'inverse.
Equipement de type stockage : dispositif et principe de fonctionnement
L'appareil est un réservoir calorifugé de forme arbitraire. Un élément chauffant y est monté, qui chauffe l'eau à la température définie par le propriétaire.
Chauffe-eau électriques - une solution pratique pour une production d'eau chaude ininterrompue
Il est seulement important de déterminer correctement le volume de l'appareil. Elle varie de 35 à 85C
Dans un récipient calorifugé, le liquide chauffé conserve sa température pendant 2 à 3 heures.Une fois l'eau refroidie de 0,5 C, l'automatisation est activée et le chauffage s'allume pour chauffer le liquide.
Elle varie de 35 à 85C. Dans un récipient calorifugé, le liquide chauffé conserve sa température pendant 2 à 3 heures. Une fois l'eau refroidie de 0,5 C, l'automatisation est activée et le réchauffeur est allumé pour chauffer le liquide.
Lorsque la température réglée est atteinte, l'appareil s'éteint. Ce mode de fonctionnement permet à l'appareil d'économiser de l'énergie.
Les réchauffeurs intégrés au réservoir peuvent être tubulaires ou en spirale. La première option est plus fiable, elle ne craint pas la congestion aérienne, mais avec le temps, elle est sûre de se couvrir d'échelle.
Les appareils en spirale n'ont pas peur de l'échelle et ils chauffent plus rapidement d'un ordre de grandeur. Le réservoir peut être en acier ou en plastique. Sa surface intérieure est recouverte d'émail ou de vitrocéramique.
Pour que les soudures du réservoir en acier ne rouillent pas, des tiges d'anode spéciales sont insérées dans le réservoir, ce qui empêche le fer de s'oxyder. Ils doivent être changés tous les 5 à 8 ans.
La conception standard du chauffe-eau comprend un thermostat chargé de maintenir la température réglée. Le système de contrôle des instruments peut être manuel ou automatisé.
L'appareil peut être équipé d'une fonction supplémentaire pour un chauffage rapide de l'eau. Les chauffe-eau à accumulation diffèrent en volume, ce qui, à son tour, affecte le taux de chauffage de l'eau.
Plus le volume est important, plus longtemps l'équipement réchauffera le liquide. Il est conseillé de calculer avec précision le besoin en eau chaude afin de ne pas forcer l'appareil à tourner au ralenti et en même temps de ne pas en manquer.
Le schéma montre la disposition générale d'un chauffe-eau électrique à accumulation
Divers schémas de raccordement de chaudière
Pour connecter la chaudière à l'alimentation en eau, ils utilisent généralement le schéma présenté ci-dessous:
Le schéma montre la procédure de raccordement d'un chauffe-eau à accumulation à un système de plomberie conventionnel. L'emplacement des robinets, vanne d'arrêt, vidange, etc. est indiqué.
La figure montre la disposition conditionnelle des colonnes montantes, qui sont indiquées par les mots «eau froide» et «eau chaude». Les chiffres « 1 » et « 2 » font référence aux robinets conventionnels.
L'un d'eux est ouvert pour que l'eau froide pénètre dans le réservoir, à travers l'autre, le liquide chauffé à la température souhaitée est fourni à la partie chaude de l'alimentation en eau.
Dans les périodes où le chauffe-eau à accumulation ne fonctionne pas, il est recommandé de fermer ces robinets.
Sous les chiffres "3" et "4" se trouve une autre paire de robinets. Ces appareils sont responsables de l'écoulement de l'eau dans l'appartement à partir d'une colonne montante commune.
Ils sont généralement disponibles dans chaque appartement, que l'appartement dispose ou non d'une chaudière. Et si le robinet «3», à travers lequel l'eau froide coule, n'est fermé que s'il est nécessaire d'arrêter l'alimentation en eau de l'appartement, le robinet «4» doit être complètement fermé pendant le fonctionnement de l'appareil de chauffage.
Si cela n'est pas fait, l'eau chaude de la chaudière ira dans la colonne montante de la maison.
Le chiffre "5" est l'emplacement de montage du clapet anti-retour. Il s'agit d'un élément très important du système de raccordement du chauffe-eau, car il protège l'équipement contre les dommages.
En cas de coupure d'eau froide (ce qui n'arrive pas aussi rarement qu'on le souhaiterait), c'est le clapet anti-retour qui ne permettra pas au liquide de sortir du réservoir de stockage de la chaudière.
En l'absence de clapet anti-retour, l'eau quittera l'appareil pour retourner dans la colonne montante. En conséquence, les éléments chauffants fonctionneront au ralenti, ce qui entraînera leur défaillance rapide.
Il convient de rappeler que les fabricants de chaudières incluent généralement un clapet anti-retour dans l'emballage de livraison, il est donc nécessaire de clarifier sa présence même lors de l'achat de l'appareil.
Lorsqu'il est connecté au système d'alimentation en eau du chauffe-eau à accumulation, des robinets d'arrêt sont utilisés, avec lesquels vous pouvez contrôler le débit d'eau dans le réservoir
Le robinet, marqué du chiffre "6", est conçu pour vidanger l'eau du réservoir du chauffe-eau. Cette grue est utilisée extrêmement rarement, par exemple si l'appareil doit être réparé ou s'il est destiné à être démonté.
Dans ce cas, selon la technologie, l'eau du réservoir doit être vidangée. Ne négligez pas l'installation de cet élément, car vider le réservoir de grande capacité par d'autres moyens peut être assez laborieux.
Le robinet de vidange doit toujours être légèrement plus haut que le clapet anti-retour, sinon il ne sera pas possible d'évacuer l'eau du réservoir.
Ainsi, si le chauffe-eau à accumulation fonctionne, les robinets « 1 », « 2 » et « 3 » doivent être ouverts et le robinet « 4 » doit être fermé. Si la chaudière est éteinte, il faut fermer les robinets « 1 » et « 2 », et les robinets « 3 » et « 4 » doivent être ouverts.
Des informations détaillées sur la connexion d'un chauffe-eau à accumulation au système d'alimentation en eau sont présentées dans la vidéo suivante:
Schéma de raccordement d'un chauffe-eau dans un appartement
La présence dans l'appartement d'un système d'alimentation en eau centralisé implique le respect du schéma basé sur les éléments présentés:
- tuyau d'admission avec soupape de surpression unidirectionnelle ;
- tuyau d'eau de sortie pour surpression;
- mélangeurs;
- manchon de raccordement pour l'alimentation en eau ;
- tuyau de sortie pour l'eau chaude.
Lors du raccordement et du fonctionnement du chauffe-eau, vous devrez suivre quelques recommandations simples données par le fabricant.

Schéma de connexion EWH à l'alimentation en eau
Il est important de rappeler que le raccordement d'un appareil non rempli d'eau au réseau électrique est strictement interdit et que le liquide ayant traversé l'équipement de chauffage de l'eau ne doit pas être utilisé à des fins alimentaires. Pour que le processus d'installation du chauffe-eau se déroule sans heurts et que l'appareil lui-même soit utilisé le plus longtemps possible, il est nécessaire d'utiliser les pièces recommandées par le fabricant de l'équipement.
Pour que le processus d'installation du chauffe-eau se déroule sans heurts et que l'appareil lui-même soit utilisé le plus longtemps possible, il est nécessaire d'utiliser les pièces recommandées par le fabricant de l'équipement.
Raccordement au système de plomberie
Le trou de vidange de ce type de radiateurs, quel que soit le modèle, est généralement situé en bas. Tout d'abord, vous devez assembler et installer le soi-disant groupe de sécurité. Il s'agit d'un ensemble de vannes et de raccords conçus pour prévenir diverses situations d'urgence pouvant survenir lors du fonctionnement de l'appareil.
Un adaptateur est installé en haut, souvent appelé «l'américain». Ensuite, un té en bronze est vissé. Un clapet anti-retour est fixé à sa partie inférieure, ce qui empêche l'eau de refluer dans le système de plomberie. Un autre té est attaché à la branche latérale du té.
Le schéma montre en détail le raccordement du chauffe-eau à accumulation : colonnes montantes d'eau chaude et froide, robinets d'eau (1 et 2) ; robinets (3 et 4); clapet anti-retour (5); vanne de vidange (6)
Une soupape de sécurité de 6 bar y est fixée afin de permettre de baisser automatiquement la pression à l'intérieur du réservoir si celle-ci a atteint un niveau critique.
Un raccord à compression spécial pour conduite d'eau est fixé au même té. À travers elle, en cas de surpression, une partie de l'eau sera évacuée du réservoir de stockage dans les égouts.

Schéma du groupe de sécurité du chauffe-eau à accumulation. Cet ensemble de dispositifs empêche la vidange dangereuse du récipient de l'appareil et élimine l'excès d'eau si la pression à l'intérieur dépasse la norme.
Après avoir installé l'appareil, assurez-vous que le trou de la soupape de pression reste ouvert, sinon l'appareil ne fonctionnera tout simplement pas.
Toutes les connexions filetées doivent être scellées et scellées. Les experts recommandent de laisser sécher le mastic pendant au moins quatre heures.
La photo montre et signe clairement les éléments du groupe de sécurité du chauffe-eau à accumulation
Lors de l'installation de l'appareil, il est important de suivre strictement l'ordre de leur connexion. Pour connecter l'appareil à la colonne montante d'eau froide, des tuyaux en acier, en cuivre, en plastique ou en métal-plastique peuvent être utilisés.
Lorsque vous effectuez vous-même l'installation, les tuyaux en plastique sont le plus souvent utilisés, car il est relativement facile de les souder.
Pour connecter l'appareil à la colonne montante d'eau froide, des tuyaux en acier, en cuivre, en plastique ou en métal-plastique peuvent être utilisés. Lorsque vous effectuez vous-même l'installation, les tuyaux en plastique sont le plus souvent utilisés, car il est relativement facile de les souder.
Certains utilisent des flexibles à cet effet, mais cette solution ne se justifie pas. Comme la pratique l'a montré, ces éléments s'usent rapidement.

Les éléments individuels du groupe de sécurité du chauffe-eau à accumulation sont reliés par un fil. Conformément aux normes, ces endroits doivent être scellés et traités avec du mastic.
Il est clair qu'avant d'insérer des tuyaux, l'eau chaude et froide entrant dans l'appartement doit être coupée. Une vanne d'arrêt doit être installée entre la colonne montante d'eau froide et le réchauffeur afin que, si nécessaire, l'alimentation en eau de l'appareil puisse être coupée. Toutes les connexions sont soigneusement scellées.
Vous devez maintenant apporter un autre tuyau qui reliera le radiateur au système d'eau chaude de l'appartement. Dans cette zone, vous aurez besoin d'une autre vanne d'arrêt : entre la colonne montante d'eau chaude et le réchauffeur.
Ce robinet doit toujours être fermé afin que l'eau chauffée de la chaudière ne pénètre pas dans la colonne montante chaude commune de la maison. Encore une fois, vous devez surveiller l'étanchéité et l'étanchéité de toutes les connexions.
Le robinet d'arrêt pour l'eau froide entre le réchauffeur et les colonnes montantes doit être installé de manière à ce que, lorsqu'il est fermé, il n'interfère pas avec le débit d'eau vers les autres consommateurs, en coupant uniquement le réchauffeur.
Et le raccordement au système d'alimentation en eau chaude doit être effectué de manière à ce que, si nécessaire, il soit possible de rétablir le débit d'eau chaude de la colonne montante commune au système de l'appartement.
Sur cette connexion au système de plomberie peut être considérée comme complète. Certains experts à ce stade recommandent d'effectuer une vérification préalable : remplir le récipient d'eau, puis le vider et voir s'il y a une fuite.Une telle vérification ne peut être effectuée qu'après le séchage complet du mastic sur tous les joints.
En bref sur le principe de fonctionnement du lecteur
Pour une installation et une connexion correctes du chauffe-eau aux réseaux d'ingénierie, vous devez connaître l'appareil et le principe de fonctionnement de l'appareil. La conception et le schéma de travail ressemblent à ceci:
- Le récipient principal - en acier inoxydable ou en acier émaillé - est rempli d'eau froide par un tuyau qui pénètre dans la zone inférieure du réservoir.
- Lors du remplissage, l'air est complètement expulsé dans le système ECS par le tuyau d'arrivée d'eau chaude situé dans la zone supérieure du ballon.
- Après avoir allumé la chaudière, l'eau est chauffée par un réchauffeur électrique tubulaire (abrégé en élément chauffant) intégré dans le fond du réservoir.
- Sur la même plate-forme avec l'élément chauffant, une unité d'automatisation est installée - un capteur de température submersible et un thermostat. Lorsque la température du conteneur atteint un seuil prédéterminé, l'automatisation désexcite l'élément chauffant. Une fois l'eau refroidie de 3 à 5 °C, le thermostat rallume le chauffage.
Schéma en coupe d'un ballon de chauffage électrique - Un groupe de sécurité chaudière est placé à l'entrée du réseau d'eau. La pièce se compose d'un clapet de sécurité et d'un clapet anti-retour, la fonction est de soulager la surpression due à l'expansion du liquide chauffé et d'empêcher l'eau de quitter le réservoir dans le tuyau.
- A côté de l'élément chauffant se trouve une anode en magnésium qui protège le métal du réservoir de la corrosion électrochimique. À l'extérieur, le conteneur est isolé avec une couche de polyuréthane, puis fermé avec une enveloppe décorative, comme indiqué sur le schéma en coupe.

Le dispositif des chaudières verticales et horizontales est identique - le tuyau d'admission est en haut, le tuyau d'alimentation est en bas. D'où le problème principal de l'entretien de tout chauffe-eau à accumulation - il est impossible de vidanger l'eau par le robinet.Le problème est résolu de différentes manières, en fonction du schéma de cerclage, que nous examinerons ci-dessous.
Matériaux et accessoires
En règle générale, les chauffe-eau à accumulation et instantanés sont équipés de supports - supports ou supports conçus pour accrocher l'appareil au mur. Les composants restants et les raccords de canalisation devront être achetés indépendamment.

Pour installer et connecter correctement une chaudière électrique selon un schéma standard, préparez un ensemble de matériaux:
- 3 vannes à bille DN15 ;
- 2 Américaines de diamètre identique ;
- té DN15;
- clapet anti-retour de sécurité destiné aux chaudières;
- tuyaux en métal-plastique (polyéthylène réticulé, acier inoxydable ondulé ou polypropylène conviennent également) avec raccords de raccordement;
- câble en cuivre à trois conducteurs VVG avec une section de conducteur de 2,5 mm² ;
- interrupteur bipolaire automatique, évalué pour un courant de 20 ampères.

Voici à quoi ressemble la soupape de surpression depuis le réservoir
Si les raccordements de tuyaux au chauffe-eau à accumulation sont prévus pour être fixés au mur, il est préférable de prendre un tuyau en métal-plastique, en acier inoxydable ou en polyéthylène réticulé. Il n'est pas recommandé de cacher le câblage PPR. N'oubliez pas les supports de fixation des tuyaux aux murs - les tuyaux ne doivent pas charger les tuyaux de la chaudière avec leur propre poids.
La longueur du câble de connexion au secteur dépend de l'éloignement du panneau de commande principal, à partir duquel une ligne électrique séparée devra être acheminée. La deuxième option de connexion est à la boîte de distribution électrique la plus proche. Pour poser le câblage de manière ouverte, préparez des canaux de câbles en plastique ou un manchon ondulé.

Avec la pose cachée, les tuyaux pénètrent immédiatement dans le mur
La possibilité de raccorder une chaudière à chauffage indirect dépend du type de chaudière et du schéma de chauffage. Mais vous aurez certainement besoin de tuyaux avec raccords et d'une pompe de circulation de faible puissance qui développe une pression de 4 m de colonne d'eau (0,4 bar).
Installation de chaudière à faire soi-même - est-ce possible ?

Installation de chaudière à faire soi-même
On remarque tout de suite qu'en l'absence de connaissances minimales dans le domaine de la plomberie, mieux vaut confier l'installation à des spécialistes. C'est plus vrai pour les appartements, car si des erreurs sont commises lors de l'installation, les voisins du dessous en souffriront en premier.
En termes simples, l'auto-installation est une procédure risquée. Mais si vous étudiez attentivement les instructions du fabricant et agissez strictement selon la technologie, aucun problème ne devrait survenir, d'autant plus que cette option a ses avantages, tels que:
- réduction des coûts - vous n'avez pas à payer pour le travail d'un plombier;
- gagner du temps;
-
acquisition des compétences qui seront nécessaires pour le fonctionnement ultérieur de l'équipement.
De plus, si les réparations commencent dans la pièce dans laquelle le chauffe-eau est installé, aucun spécialiste ne sera nécessaire pour démonter l'appareil, car tout peut être fait à la main.
Comment installer un chauffe-eau instantané
Le processus d'installation d'un chauffe-eau instantané de vos propres mains comprend une période préparatoire
Tout d'abord, il est important de déterminer correctement le modèle. Pour choisir l'appareil le mieux adapté à ses caractéristiques, les facteurs suivants sont pris en compte :
- le nombre de personnes vivant dans la maison;
- consommation d'eau chaude maximale avec tous les robinets ouverts en même temps ;
- nombre de points d'eau ;
- température de l'eau désirée à la sortie du robinet.
Ayant une idée claire des exigences, vous pouvez procéder à la sélection d'un chauffe-eau instantané de puissance appropriée
Séparément, il convient de prêter attention à d'autres nuances: la complexité de l'installation, le prix, la maintenabilité et la disponibilité des pièces de rechange à vendre.
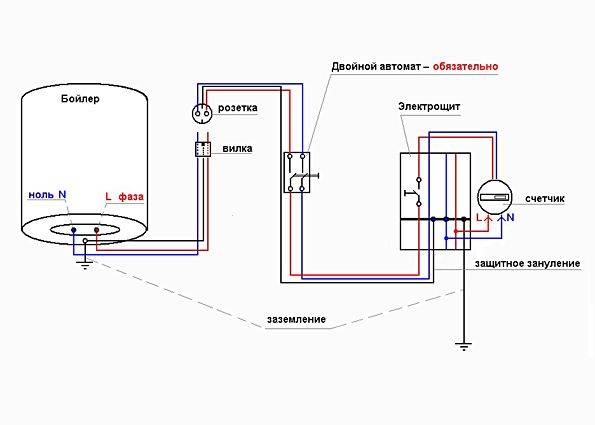
Organisation de l'alimentation
La puissance des radiateurs instantanés domestiques varie de 3 à 27 kW. L'ancien câblage électrique ne supportera pas une telle charge. Si un appareil sans pression d'une puissance nominale de 3 kW peut toujours être connecté à un réseau électrique existant, les modèles à pression puissants nécessitent une ligne séparée.
Un chauffe-eau puissant ne peut pas être connecté à une prise de courant. De l'appareil, tracez une ligne droite jusqu'au panneau électrique. Le circuit comprend un RCD. Le disjoncteur est choisi en fonction de la puissance de l'appareil électrique circulant. Selon la norme, l'indicateur est de 50 à 60 A, mais vous devez consulter les instructions de l'appareil.
La section du câble est choisie de la même manière, en tenant compte de la puissance de l'appareil de chauffage, mais pas moins de 2,5 mm 2. Il est préférable de prendre un fil de cuivre et de s'assurer d'en avoir un à trois conducteurs. Le chauffe-eau instantané ne peut pas être utilisé sans mise à la terre.
Sélection d'un emplacement d'installation
Le choix de l'emplacement du chauffe-eau est déterminé par la commodité et la sécurité d'utilisation de l'appareil:
Lors de l'installation d'un chauffe-eau dans un appartement, il est important de choisir un emplacement permettant une approche libre de l'appareil. Il y a des boutons de contrôle sur le boîtier. Tous les membres de la famille régleront la température optimale de l'eau en fonction de leurs préférences.
L'installation de l'appareil électrique est réalisée de manière à ce que lors de l'utilisation d'une douche ou d'un lavabo, des éclaboussures d'eau ne tombent pas sur son corps.
L'appareil est placé le plus près possible des points d'eau et du panneau électrique, en tenant compte du raccordement pratique à l'alimentation en eau.
Tous les membres de la famille régleront la température optimale de l'eau en fonction de leurs préférences.
L'installation de l'appareil électrique est réalisée de manière à ce que lors de l'utilisation d'une douche ou d'un lavabo, des éclaboussures d'eau ne tombent pas sur son corps.
L'appareil est placé le plus près possible des points d'eau et du panneau électrique, en tenant compte du raccordement pratique à l'alimentation en eau.
Le choix de l'emplacement d'installation dépend du type de débitmètre :
- Les modèles basse consommation sans pression sont conçus pour se connecter à un seul point de soutirage. Le chauffe-eau est souvent réalisé sous la forme d'un robinet monté sur l'évier. Les modèles sans pression sont montés sous l'évier ou sur le côté de l'évier. L'appareil peut être équipé d'un tuyau avec une pomme de douche. Il sera optimal d'installer un chauffe-eau à circulation dans la salle de bain près de la douche. Si la question se pose, comment connecter un chauffe-eau instantané sans pression, il n'y a qu'une seule réponse - aussi près que possible du mélangeur.
- De puissants modèles à pression sont capables de fournir de l'eau chaude à plus de deux points d'eau. Il est permis d'installer un appareil électrique à proximité de la colonne montante d'eau froide. Avec ce schéma, l'eau chaude coulera à tous les robinets de l'appartement.
La présence du marquage IP 24 et IP 25 sur le chauffe-eau signifie une protection contre les jets d'eau directs. Cependant, cela ne vaut pas le risque. Il est préférable de placer l'appareil dans un endroit sûr et sec.
Montage mural
Le chauffe-eau instantané s'installe au mur par accrochage. Le produit comprend des chevilles avec des vis autotaraudeuses, une plaque de montage et des supports. Lors de l'installation d'un chauffe-eau électrique à circulation, deux nuances importantes sont prises en compte:
- Force de soutien. Un mur fait de matériaux solides est parfait. L'appareil se caractérise par un poids léger.Il peut être fixé même sur un mur en plaques de plâtre. L'essentiel est que le mur ne vacille pas et une hypothèque a été fournie sous la plaque de plâtre pour une fixation fiable des supports.
- Lors de l'installation, la position horizontale idéale du corps du dispositif de débit est observée. A la moindre inclinaison, un sas se forme à l'intérieur de la chambre du chauffe-eau. Un élément chauffant non lavé à l'eau dans cette zone s'éteindra rapidement.
Le travail d'installation commence par le balisage. La plaque de montage est appliquée au mur et les endroits pour percer des trous sont marqués avec un crayon.
Il est important à ce stade de fixer le niveau horizontal. Les trous sont percés selon les marquages, les chevilles en plastique sont enfoncées avec un marteau, après quoi la plaque de montage est vissée avec des vis autotaraudeuses. Base de support prête
Il reste maintenant à fixer le corps du chauffe-eau à la barre
La base de support est prête. Il reste maintenant à fixer le corps du chauffe-eau à la barre.
Critères pour une installation sans erreur de l'équipement
Parmi les principaux points d'installation, sur lesquels il convient de se concentrer pour ne pas se tromper, figurent la correspondance des diamètres des canalisations par rapport aux raccords d'entrée, ainsi que la section du câble alimentant la résistance électrique du Chaudière. Le diamètre des tuyaux d'alimentation doit assurer la libre circulation de l'eau le long des lignes d'entrée / sortie
Par conséquent, un plus grand diamètre des manchons avec la transition vers la taille des raccords est toujours acceptable, mais la section des canalisations est inférieure à celle des tuyaux d'entrée de la chaudière, déjà considérée comme une erreur grossière.
Le diamètre des tuyaux d'alimentation doit assurer la libre circulation de l'eau le long des lignes d'entrée/sortie. Par conséquent, un diamètre plus grand des manchons avec une transition vers la taille des raccords est toujours acceptable, mais la section transversale des canalisations plus petite que les tuyaux d'entrée de la chaudière est déjà considérée comme une erreur grossière.

Un bon exemple d'équipement d'une installation de chaudière de chauffage électrique avec tous les raccords nécessaires. Il convient également de noter ici que l'isolation de toutes les lignes entrantes et sortantes était qualitativement (sans erreur)
L'image est similaire pour la section transversale du câble d'alimentation. Il n'est pas interdit d'utiliser un câble de plus grande section, et il est strictement interdit d'utiliser un câble de plus petite section.
Certes, un câble avec une section accrue par rapport à la norme crée des difficultés lors de la pose dans les canaux et occupe plus d'espace libre. Ici, il semble logique de sélectionner la section exacte du fil en fonction du courant de charge.
La prise de courant est généralement montée directement sur l'appareil. La hauteur d'installation de la prise à partir du niveau du sol n'est pas inférieure à 1,5 m.Les chaudières domestiques sont conçues pour le courant alternatif monophasé 220-250 W. La charge actuelle, en règle générale, n'est pas inférieure à 10 A.

Raccordement du système de chaudière selon le schéma électrique. Une telle variante de connexions peut être considérée comme faite sans équivoque. La section du fil correspond à celle précisée dans la documentation, le circuit de masse est présent
La valeur exacte est déterminée par les performances de l'appareil de chauffage et est indiquée dans la documentation technique. C'est pour la valeur de courant spécifiée qu'il faut sélectionner un disjoncteur.
Par exemple, pour les chauffe-eau instantanés, les normes de coupure actuelles suivantes pour les machines automatiques sont pertinentes (tableau) :
| Puissance de la chaudière (circuit de départ), kW | Courant de coupure automatique, A |
| 3,5 | 20 |
| 5,5 | 25 |
| 6,5 | 30 |
En règle générale, tous les paramètres de connexion requis sont spécifiés dans les instructions de la chaudière. Le manuel d'utilisation explique exactement tous les points d'installation. Par conséquent, il est recommandé d'étudier attentivement les documents inclus dans l'emballage de l'appareil avant l'installation.
Installer une chaudière à chauffage indirect
Laissons de côté l'accrochage des échangeurs sur le réseau de chauffage, ce n'est toujours pas 100% légal. Nous verrons pourquoi et comment connecter une chaudière à chauffage indirect au système général du logement individuel. Tout d'abord, ce n'est pas seulement un chauffage indirect. Il s'agit d'un système de remplacement de la source de chaleur, en fonction des conditions extérieures. En règle générale, la capacité de la chaudière est d'au moins 100 litres et de deux circuits d'échange de chaleur. Une chaudière traditionnelle (gaz ou autre) y est raccordée, ainsi qu'une batterie solaire. Pas celui qui génère du courant électrique, mais le collecteur de chaleur solaire.

En conséquence, pendant le fonctionnement de la chaufferie (pour le chauffage des locaux) ou en plein soleil, l'eau de la chaudière commune chauffe toujours. C'est-à-dire que vous recevez de la chaleur gratuitement sous certaines conditions. De plus, si le soleil chauffe efficacement l'eau même par temps froid (et que les batteries modernes fonctionnent même à des températures proches de zéro), vous pouvez économiser sur le chauffage de l'eau traditionnel et utiliser la chaudière comme récipient consommable.
C'est-à-dire que le système «fonctionne» dans l'autre sens: à travers le premier échangeur de chaleur, le soleil chauffe l'eau dans le réservoir et le deuxième serpentin peut la fournir aux radiateurs ou au système «plancher chaud».








































