Comment choisir et connecter correctement un interrupteur à trois gangs

Comment choisir et connecter correctement un interrupteur triple - point j

Erreurs de connexion

1

Le point ici peut être que vous avez simplement mélangé la phase et le zéro sur la prise. Et en conséquence, ils ont lancé avec un cavalier sur la borne commune de l'interrupteur non pas un fil de phase, mais un zéro.

À l'aide d'un tournevis indicateur, vérifiez à nouveau où la phase entre.

Comment choisir et connecter correctement un interrupteur à trois gangs

2

Souvent, certains électriciens ont un câblage séparé pour la prise et un autre pour l'interrupteur. De ce fait, vous pouvez avoir deux alimentations en même temps dans le bloc. Et en assemblant le circuit selon le guide ci-dessus, vous pouvez créer par inadvertance un court-circuit.

Comment choisir et connecter correctement un interrupteur à trois gangs

3

Comment choisir et connecter correctement un interrupteur à trois gangs

4

Comment choisir et connecter correctement un interrupteur à trois gangs

Mais le fait est que l'interrupteur dans ce cas ne coupe pas la phase, mais zéro !

Il s'est donc avéré que là où il y avait une phase avant, un zéro s'est formé.Souvent, même pour les installateurs eux-mêmes, il n'est pas facile de comprendre les tableaux de distribution.

Comment choisir et connecter correctement un interrupteur à trois gangs

En même temps, l'indicateur s'allume sur les contacts, car les ampoules sont vissées dans les cartouches. En conséquence, le circuit est fermé à travers le filament.

Dévissez toutes les lampes et vérifiez à nouveau les conducteurs de phase. La lueur sur les trois phases devrait disparaître. Pour une connexion correcte, il est déjà nécessaire de trouver un zéro commun ici et de le jeter simplement sur le contact central du nouvel interrupteur à trois gangs.

Comment choisir et connecter correctement un interrupteur à trois gangs

Et il est préférable de rechercher la cause dans le tableau en invitant un électricien professionnel et de rétablir le circuit d'alimentation normal.

5

Cela semble pratique pour beaucoup - vous avez appuyé sur une touche et la lumière de la prise a disparu. Il n'est pas recommandé de le faire. Cela est dû au fait qu'une charge puissante est généralement connectée via les contacts de la prise, par exemple un sèche-cheveux de 1,5 à 2 kW.

Mais à travers elle, vous pouvez toujours connecter un té ou une rallonge ! Les contacts de commutation pour un courant d'une telle amplitude et durée ne sont pas du tout conçus. En conséquence, après un certain temps, la tension dans l'ensemble de l'unité disparaîtra si un incendie ne se produit pas encore plus tôt.

Comment connecter un interrupteur à trois gangs de vos propres mains

La connexion d'un appareil à trois circuits est extrêmement simple. Pour le faire correctement, vous devez suivre de nombreuses actions étape par étape. L'ensemble du processus de connexion est divisé en étapes:

  • connecter le câble au trois claviers ;
  • connexion des fils dans la boîte;
  • vérification de la connexion correcte et dépannage.

Avant d'effectuer le processus, il est conseillé d'étudier le schéma de connexion. Cette mesure contribuera à minimiser les éventuels ratés.

Schéma de câblage d'un interrupteur triple

Il y a plusieurs conducteurs dans la boîte. Chacun remplit sa propre fonction :

  1. Le câble à 3 conducteurs est situé dans la machine présente dans la salle de contrôle.
  2. Un fil à quatre conducteurs descend vers un clavier à trois conducteurs connecté au bas.
  3. Le schéma de câblage d'un interrupteur triple pour 3 lampes implique une connexion avec un fil VVGnG-Ls à 4 ou 5 fils. Sa section transversale est de 1,5 à 2 mm. Un lustre à 6 ou 9 lumières nécessite le même raccordement.
  4. Avec 3 luminaires différents, 3 câbles tripolaires différents doivent être tirés. Cette méthode est courante.

Désormais, le nombre de demandes de "triple switch with socket circuit" a augmenté sur le réseau. Il est facile d'y trouver des algorithmes de connexion détaillés avec des photographies ou des dessins.

Vidéo utile sur le sujet :

Connexion des fils à l'interrupteur

Souvent, l'appareil est installé dans un bloc avec une prise. Les gens s'intéressent à la façon de connecter un commutateur à trois gangs. Vous devez suivre plusieurs étapes consécutives :

  1. Vous aurez besoin d'un fil de cuivre d'une section de 2,5 mm². Dirigez le câble du blindage commun. Quand il passe de la boîte à l'interrupteur, c'est une erreur.
  2. Fil de cuivre 5 * 2,5 mm² en bas du portail. Ensuite, il sera près de l'interrupteur et du bloc de prises. Connectez le fil commun au contact. Cela est dû à une charge plus puissante sur les prises. Sur les lampes, ce n'est pas si prononcé.
  3. A l'aide d'un cavalier, mettre la phase sur la pince supérieure de l'appareil. Zéro envoi à 2 contacts. Faites passer le reste des conducteurs sous les contacts inférieurs.

Le raccordement du câble dans le boîtier s'effectue selon la méthode décrite ci-dessus. La différence réside dans la connexion du conducteur zéro auxiliaire au point central.

Connexions de câblage dans la boîte de jonction

Il y a 5 conducteurs dans la boîte. Il est nécessaire de ne pas les confondre et de connecter les fils correctement. Cela vaut la peine de commencer avec 2 cœurs : zéro et masse. Le nombre d'ampoules n'a pas d'importance. Tous les zéros seront au même point.

La règle de réduction à un point commun s'applique aux conducteurs de mise à la terre. Sur les luminaires, ils doivent être connectés au corps. Il manque parfois des fils.

Vous pouvez connecter rapidement les noyaux avec des pinces pour bornes Vago. Ils conviennent aux charges d'éclairage. Il est préférable de choisir les couleurs du vécu, en fonction des normes existantes. Les fils bleus sont nuls. Les fils de terre sont de couleur jaune-vert.

Il ne faut pas oublier que le zéro n'est pas dirigé vers l'interrupteur. Il va directement aux lampes. Par le contact de l'appareil à trois clés, 1 phase est interrompue.

Ensuite, vous devez connecter les noyaux des phases. Commencez par le conducteur provenant de la machine d'entrée. Combinez une phase avec un conducteur de phase commun. Il va au terminal commun des trois claviers. Si le noyau n'est dirigé nulle part ailleurs, la phase démarre sur l'interrupteur.

Combinez 3 conducteurs sortant des touches avec 3 phases. Ils partent des circuits vers les lampes à l'aide de pinces Vago. Le marquage correct des noyaux aidera à les reconnaître rapidement. Chacun contrôle une ampoule dans la pièce. Il y aura 6 points de connexion dans la boîte.

Lire aussi :  Classement des meilleurs lave-vaisselle : un aperçu des modèles TOP-25 sur le marché actuel

Avant la mise sous tension, vérifiez à nouveau le circuit du triple interrupteur. Allumez ensuite la machine et démarrez les dispositifs d'éclairage avec les clés.

Nous vous recommandons de regarder une vidéo sur le sujet :

Travaux préparatoires avant l'installation du disjoncteur

Par exemple, point 7.

Nous fixons le boîtier en plastique à l'endroit désigné sur le mur à l'aide de chevilles - la meilleure option pour la fixation sur des bases en béton et en brique.Du boîtier de l'interrupteur, retirez le bouchon élastique situé dans la partie supérieure, insérez le fil dans le trou et l'extrémité du tuyau ondulé provenant du plafond.

Avec un interrupteur à deux boutons, vous ne pouvez contrôler que deux groupes d'appareils d'éclairage. Parfois, il est connecté par erreur au fil de phase secondaire. Ainsi, ces fils supplémentaires proviennent de mini-témoins situés sur les touches.

Déterminez à l'avance et assurez-vous de la présence de matériel de connexion pour les fils. Nous testons le fonctionnement de l'appareil, bien qu'il soit préférable de faire la première vérification avant même que le mécanisme interne ne soit complètement fixé - afin que vous n'ayez pas à le refaire.Ainsi, pour installer un nouvel interrupteur, nous avions besoin d'outils : un tournevis , des pinces, un couteau, des pinces coupantes, un tournevis indicateur, du matériel isolant et 20 minutes de temps . La différence entre un appareil à une touche et un à deux touches réside uniquement dans les adaptateurs, qui vous permettent de fournir du courant à une ou à la deuxième connexion, ou aux deux en même temps.

Après cela, vous devez trouver le fil de phase et l'entrée en dessous, contrairement aux sorties, en est une. Le fil bleu Zéro N pour toutes les lampes est commun. L'un d'eux est l'entrée - phase, et les deux autres sont la sortie, qui fournira une tension directement à la lampe elle-même.

Pour assurer la sécurité et la stabilité de l'installation de l'interrupteur intégré, utilisez un boîtier de montage sous la prise - un boîtier de protection en plastique. Interrupteur lumineux à deux gangs L'interrupteur lumineux ne diffère de l'interrupteur habituel que par le fait qu'il contient un indicateur de rétroéclairage. Raccordement aux contacts en l'absence de ligne de masse Schéma de câblage interrupteurs doubles deux ampoules au système TN-C. La phase d'entrée est envoyée pour couper, puis elle est divisée en trois conducteurs de phase différents, chacun étant envoyé à son propre groupe d'ampoules.À l'état éteint, l'interrupteur est éclairé par une LED et vous n'avez pas besoin de le chercher longtemps dans une pièce sombre.

Caractéristiques de câblage

Et bien sûr, il est nécessaire de respecter pleinement les règles de sécurité électrique. Vous devez ouvrir la prise et vérifier la tension. Parfois, il existe des boîtiers d'interrupteurs en céramique. Déterminez à l'avance et assurez-vous de la présence de matériel de connexion pour les fils.

Cependant, si vous n'êtes pas sûr de l'exactitude des actions, il est préférable de jouer la sécurité et d'effectuer la première connexion sous la supervision d'un électricien expérimenté. Nous testons le fonctionnement de l'appareil, bien qu'il soit préférable de faire la première vérification avant même que le mécanisme interne ne soit complètement fixé - afin que vous n'ayez pas à le refaire.Ainsi, pour installer un nouvel interrupteur, nous avions besoin d'outils : un tournevis , des pinces, un couteau, des pinces coupantes, un tournevis indicateur, du matériel isolant et 20 minutes de temps . Les torsions dans la boîte sont protégées avec du ruban électrique ou utilisent toutes les mêmes bornes. Sur le site d'installation de l'interrupteur, le tuyau ondulé, fixé au mur avec des clips spéciaux, est coupé et le fil isolé de travail est retiré. Sous l'interrupteur, il y aura un autre appareil électrique - une prise, de sorte que les câbles des deux appareils sont enfermés dans une ondulation pour des raisons esthétiques. Il est nécessaire de dénuder les extrémités des fils afin qu'ils suffisent uniquement à se connecter aux bornes.
Comment connecter un interrupteur double #Secrets d'électricien / Comment connecter un interrupteur double

Photo de la connexion d'un interrupteur à trois gangs

Comment choisir et connecter correctement un interrupteur à trois gangs

  • Prises GSM intelligentes : appareil, principe de fonctionnement et tour d'horizon des appareils les plus modernes. 150 photos des meilleurs modèles
  • Emplacement des prises dans la cuisine - planification de l'aménagement, règles et erreurs courantes lors du placement des prises de cuisine. 135 photos d'idées d'hébergements confortables

  • Comment installer un bloc de prises dans un mur - instructions pour planifier et installer plusieurs prises. Schémas, photos et vidéos

  • Instructions sur la façon de déplacer la prise à un autre endroit : instructions détaillées étape par étape sur la façon de transférer et de masquer la prise (135 photos et vidéos)

  • Comment choisir un disjoncteur pour une maison et un appartement: conseils pour choisir et calculer les paramètres du disjoncteur pour le courant. Quelle machine est la meilleure - un aperçu des principaux fabricants (175 photos + vidéo)

  • Comment vérifier la tension dans la prise avec un multimètre: une description étape par étape de la façon de mesurer les principaux paramètres du courant dans le réseau (120 photos + vidéo)

1+

Installation à faire soi-même d'un interrupteur à trois gangs

Les principales étapes d'installation et de raccordement d'un interrupteur triple:

  • Couper l'alimentation au tableau de distribution.
  • Démonter l'interrupteur. Déconnectez le boîtier de la partie de base et desserrez les pinces des bornes. Il existe des modèles avec des bornes à encliquetage, elles n'ont pas besoin d'être desserrées, ici le fil est fixé par un mécanisme de serrage. Desserrez les vis d'écartement pour monter l'appareil dans la prise.
  • Connectez les fils. Ici, vous devez agir avec prudence. La phase est connectée à une borne commune, d'où elle est couplée à 3 luminaires ou 3 groupes de lampes dans un lustre. Il est nécessaire de dénuder le fil de l'isolant d'au plus 1 cm.Dans le cas de fils toronnés, utilisez des manchons spéciaux ou pré-étamez les extrémités.
  • Connectez les fils dans la boîte de jonction. Cela peut être fait en utilisant des borniers spéciaux ou en soudant les fils.
  • Vérifiez si la connexion est correcte. Avant d'assembler l'interrupteur, vérifiez que les clés fonctionnent correctement.Pour ce faire, activez temporairement l'alimentation électrique du panneau.
  • Assemblez l'interrupteur et la boîte de jonction. Dans la boîte à douilles, l'interrupteur est fixé avec des vis de fixation complètes. Après avoir monté la partie intérieure, installez le boîtier de protection et de décoration sur l'interrupteur.
  • Allumez l'alimentation sur la carte.

Comment choisir et connecter correctement un interrupteur à trois gangs

Il est important de s'assurer que l'interrupteur ouvre exactement la phase, et non le fil neutre. Sinon, il y a un risque de choc électrique, car il y aura une tension constante présente sur le luminaire.

Lire aussi :  TOP 7 des aspirateurs Supra : un aperçu des modèles populaires + ce qu'il faut rechercher lors de l'achat d'équipement de marque

Comment choisir et connecter correctement un interrupteur à trois gangs

Conseils de sélection

Le choix d'un interrupteur triple ne dépendra que de vos souhaits.

Mais lors du choix, vous devez faire attention aux détails suivants:

  1. Il ne doit y avoir aucune bavure sur la face supérieure du produit. Ils peuvent indiquer un produit de mauvaise qualité.
  2. Les touches doivent fonctionner sans se coincer.
  3. Lorsque vous l'allumez ou l'éteignez, vous devriez clairement entendre des clics.
  4. Au verso du produit, il doit y avoir un schéma de câblage pour le produit.
  5. Tous les terminaux doivent fonctionner correctement.
  6. L'interrupteur à trois gangs doit avoir des bornes bout à bout. Ils simplifient grandement le processus d'installation.

Interrupteur triple dans la vie de tous les jours

Aujourd'hui, de nombreuses personnes utilisent un grand nombre de sources lumineuses dans leur maison. Leur nombre peut parfois dépasser le double des besoins humains. Après avoir mené des recherches, il a été possible de découvrir que si une personne arrête d'allumer des lampes supplémentaires, elle peut économiser 30% d'électricité. D'autre part, un interrupteur à trois gangs vous permet de rendre la maison beaucoup plus confortable.

Comment choisir et connecter correctement un interrupteur à trois gangs

Le dispositif du commutateur à trois gangs est assez simple. Mais grâce à sa conception simple, il vous permet de résoudre la plupart des problèmes. Avec lui, vous pouvez diviser votre pièce en plusieurs zones éclairées. Grâce à lui, vous ne pouvez allumer un éclairage supplémentaire qu'en cas de besoin.

Installation de câblage électrique

Nous supposerons qu'aucun fil n'a encore été posé nulle part. Par conséquent, tout d'abord, posez un câble d'alimentation à trois conducteurs VVGng-Ls 3 * 1,5 mm2 dans le stroboscope du tableau de distribution à la boîte de jonction.

Comment choisir et connecter correctement un interrupteur à trois gangs

Pour déconnecter davantage les fils à l'intérieur, laissez une marge d'environ 10-15 cm. Vous en aurez besoin lorsque, pour une raison quelconque, vous avez un court-circuit ou un épuisement des contacts, et vous pouvez facilement mordre les fils brûlés et tout reconnecter, sans courir après et poser un nouveau câble.

Dans le noyau de blindage du câble, ils sont connectés à une machine d'éclairage séparée avec un courant nominal ne dépassant pas 10A.

Comment choisir et connecter correctement un interrupteur à trois gangs

Dans la boîte de jonction, le câble est dénudé et les conducteurs sont signés en fonction de la couleur et de la manière dont vous les avez connectés dans le blindage :

Phase L

N-zéro

Pe - conducteur de terre

Comment choisir et connecter correctement un interrupteur à trois gangs

D'ailleurs, il est conseillé de conserver tous les marquages, y compris les câbles eux-mêmes, et pas seulement leurs âmes. Cela vous aidera à l'avenir, lors de la connexion de nouvelles lignes ou de la réparation de ce câblage, à déterminer rapidement d'où vient le câble et où il va.

Vous pouvez signer avec un marqueur directement sur les parois de la boîte elle-même.

Lors du marquage des noyaux, essayez de respecter les couleurs approuvées par les règles.

Bleu - zéro

Jaune-vert - terre

Gris, blanc, marron, etc. - phase

Critères pour un choix compétent

Lors de l'achat d'un interrupteur triple, inspectez-le soigneusement, étudiez les quantités physiques, vérifiez le schéma de connexion.

Points clés à considérer lors du choix d'un produit :

  1. Le corps du produit - il doit être exempt de tout type de défaut : bavures, bosses et éclats.
  2. L'actionnement de la clé - doit être facile et sans coincement.
  3. Effets sonores - lorsque vous allumez chacune des touches, un clic caractéristique doit être entendu.
  4. Noyau - doit également être dépourvu de bavures et ses bornes doivent fonctionner correctement.

Lorsque vous envisagez d'installer un interrupteur dans une pièce très humide, il est nécessaire de choisir un appareil avec protection.

Comment choisir et connecter correctement un interrupteur à trois gangs
Les éléments de travail de l'interrupteur étanche ont une coque supplémentaire en caoutchouc ou en plastique qui protège le mécanisme du contact direct avec l'eau.

Pour simplifier la procédure d'installation et assurer en même temps la durabilité de l'appareil, il convient de privilégier les modèles dont les noyaux sont équipés de bornes à vis ou à pince.

Lors de l'installation d'interrupteurs triples importés, en particulier de produits coréens et chinois, des difficultés peuvent survenir auxquelles vous devez réfléchir à l'avance :

Où sont-ils appliqués ?

Les réparations modernes et les solutions de conception proposent de plus en plus d'éclairage à diviser en différents groupes.

Par exemple, une pièce a une configuration complexe - niches, rebords, cloisons ou rideaux. Très souvent maintenant, les grands appartements d'une pièce sont divisés en zones, des soi-disant studios en sont constitués. Dans ce cas, un interrupteur à trois touches est le mieux adapté. Grâce à un éclairage de zone spécialement pensé et monté, il est possible de distinguer une zone de travail où il y aura un bureau d'ordinateur, un canapé, des étagères avec des livres, ici l'éclairage devient plus lumineux. La deuxième zone est la zone de couchage, où une lumière plus tamisée est tout à fait appropriée.La troisième zone est le salon, où se trouvent une table basse, des fauteuils, une télévision, ici l'éclairage peut être combiné.

Dans quels autres cas est-il conseillé d'utiliser un interrupteur domestique à trois gangs ?

  • Si d'un point il est nécessaire de contrôler l'éclairage de trois pièces à la fois, par exemple, un couloir, une salle de bain et une salle de bain, lorsqu'elles sont proches l'une de l'autre.
  • Dans le cas d'un éclairage combiné dans la pièce - central et ponctuel.
  • Dans une grande pièce, l'éclairage est assuré par un lustre multipiste.
  • Si un plafond en plaques de plâtre à plusieurs niveaux est installé dans la pièce.
  • Lorsque l'éclairage d'un long couloir est divisé en trois zones.

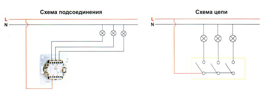
Analysons le schéma de câblage pour connecter l'interrupteur

Phase L pénètre dans la boîte de jonction et au point 1 se connecte au fil du câble allant à l'interrupteur. En venant à l'interrupteur, la phase entre dans son contact d'entrée inférieur et sur ce contact est en permanence.

Depuis les trois contacts de sortie supérieurs des fils de phase du commutateur L1, L2, L3 le même câble va à la boîte de jonction, où aux points 2, 3, 4 connecté aux fils du câble allant au plafond. Sur les fils de phase du plafond L1, L2, L3 connecter aux bornes marron des lampes HL1, HL2, HL3.

Lire aussi :  Comment connecter un détecteur de mouvement à une ampoule : instructions étape par étape

Zéro N pénètre dans la boîte de jonction et au point 5 se connecte au fil du câble allant au plafond. Au plafond, zéro est connecté aux bornes bleues des lampes connectées en un point, formant général conclusion.

C'est intéressant: Une branche pour connecter une prise - comment la connecter correctement

5 conseils pour choisir un interrupteur à trois positions

Certaines règles:

Inspectez soigneusement l'appareil dans le magasin.Les trois touches doivent fonctionner en douceur, sans coincement, avec des clics caractéristiques.
Il ne doit y avoir aucune éraflure, égratignure ou fissure à l'extérieur.
Il est préférable de prendre des disjoncteurs avec une base de bloc en céramique ou en métal épais

Ils résistent mieux à la surchauffe et aux fortes contraintes, contrairement au plastique.
Faites attention au degré de protection de la coque, si, bien sûr, cela vous importe. Il est marqué des lettres IP et de deux chiffres.

Le premier chiffre est la protection contre les corps étrangers : 0, 1 - non utilisé dans la vie quotidienne ; 2 - protection contre les doigts; 3 - protection contre la pénétration de fils et d'outils d'un diamètre allant jusqu'à 2,5 mm; 4 - protection contre les petites pièces (fil, broches, etc.); 5, 6 - modèles anti-poussière. Le deuxième chiffre est la protection contre l'humidité : 0 - absent ; 1, 2 - protection contre les gouttes d'eau tombant verticalement; 3, 4 - pour la rue; 5, 6 - protection contre les jets puissants (douche, bateau, etc.); 7, 8 - résistent à l'immersion dans l'eau, mais de tels modèles ne sont presque jamais trouvés.
N'oubliez pas que les interrupteurs sont faits pour trois positions avec éclairage. Ils sont très pratiques si vous devez allumer ou contrôler les lumières dans l'obscurité. De cette façon, vous verrez quelle clé est activée et laquelle ne l'est pas. Les interrupteurs lumineux sont à une ou deux positions.

Ce ne sont pas tous les modèles d'interrupteurs triples que l'on trouve dans les magasins d'électricité. Il existe des options décoratives (couleur, cerisier, bois, etc.), étanches, à l'épreuve des enfants, sortie USB, rétroéclairage LED et de nombreuses autres options.

Câblage à travers la boîte de jonction

Il vaut mieux ramener le même coup tous les fils triphasés à la boîte de jonction, puis amenez-les aux lampes le long de la porte supérieure commune.Si nous filons au lustre, la dernière option est la meilleure.

Comment choisir et connecter correctement un interrupteur à trois gangs
Interrupteur triple : schéma de connexion du lustre

L - phase à l'interrupteur (rouge); puis la phase (jaune, marron, rose) passe à trois groupes de lampes de lustre ; N - zéro de travail (bleu), va directement au lustre et est élevé par le bornier du lustre en groupes; PE - mise à la terre (jaune-vert), connectée au corps du lustre

Ainsi, avant de brancher le triple interrupteur, il est nécessaire de préparer tout le câblage.

Tous les travaux doivent être effectués avec l'alimentation électrique du réseau d'éclairage coupée par des machines automatiques. Pour rechercher le zéro et la phase, l'alimentation est allumée, mais après les avoir trouvés avec un indicateur et un marquage, elle s'éteint à nouveau.

Ensuite, les travaux suivants sont effectués :

  1. Recherche de câblage existant : vous devez trouver une boîte de jonction, des lignes qui participeront au câblage. Il est nécessaire de marquer les murs pour le traitement. Un emplacement est prévu pour le trou où l'interrupteur à trois gangs sera installé, et pour le câblage vers et depuis celui-ci.
  2. Ouvrir les canaux existants et en créer de nouveaux.
  3. Pose et sécurisation des câbles du coffret au site d'installation. Les fils pour la phase, le zéro et la terre (le cas échéant) doivent être marqués. Si possible, vous devez respecter les couleurs standard des fils : bleu pour le zéro, jaune-vert pour la mise à la terre et autres couleurs pour la phase.
  4. Installation et fixation de boîtiers de prises. Les fils sont maintenus à l'intérieur.

Comment choisir et connecter correctement un interrupteur à trois gangs
Connexion triple interrupteur

Déterminez les fils dans la boîte de jonction auxquels câbler. La phase et le zéro sont des indicateurs. Ils sont marqués (avec du ruban électrique).

Ce travail est effectué après l'inspection pour s'assurer que les actions précédentes n'ont pas endommagé le câblage.Après cela, le réseau d'éclairage automatique est allumé et la phase des fils de la boîte de jonction est déterminée, à laquelle il est nécessaire d'établir une connexion. Les fils sont marqués, après quoi l'alimentation est à nouveau coupée.

Les fils du nouveau câblage sont connectés à la boîte de jonction, leurs extrémités sont solidement isolées avec des capuchons spéciaux.

Pour vérifier la bonne connexion, rallumez la machine et, en vous assurant que tout va bien, vérifiez la phase sur tous les fils. Il devrait être sur un seul fil de phase passant par la prise jusqu'à l'interrupteur. Le reste doit être nul : sur les fils neutres allant aux lampes, sur les fils de terre et les fils de phase allant de l'interrupteur aux lampes, puisqu'ils sont ouverts.

  1. En éteignant à nouveau la machine, vous pouvez connecter l'interrupteur en connectant les fils aux bornes conformément au schéma de connexion. Après cela, l'interrupteur peut être mis à sa place, fixé dans la prise selon la conception.
  2. Les fils sont connectés aux douilles de lampe ou aux borniers de lustre. Deux fils doivent convenir à chaque cartouche - phase zéro et ouverte.

Avant de connecter chaque fil à un lustre ou une lampe, il faut savoir exactement lesquels sont nuls (venant de la boîte de jonction, bleu selon la norme) et lesquels sont en phase. L'identification par couleur de chaque fil aide. Mais pour qu'ils se connectent correctement, il est nécessaire d'allumer la machine pour déterminer et vérifier chacun d'eux à tour de rôle avec un indicateur, y compris le bouton correspondant de l'interrupteur à trois boutons.

Après avoir installé et vérifié que toutes les lampes sont connectées, le travail peut être considéré comme terminé.

Évaluation
Site sur la plomberie

Nous vous conseillons de lire

Où remplir la poudre dans la machine à laver et combien de poudre verser