Comment connecter un détecteur de mouvement à une ampoule : instructions étape par étape

Comment connecter un détecteur de mouvement à une ampoule : instructions détaillées et schémas - point j

Capteurs de mouvement, leur objectif, principe de fonctionnement

La tâche principale du capteur de mouvement, comme d'ailleurs de tout capteur, est de contrôler le réseau électrique. Le travail peut être effectué avec une charge active ou avec une charge active-inductive. Après avoir détecté un mouvement dans sa zone de responsabilité, le capteur commence à déterminer à quel point il est éclairé. Si le niveau d'éclairage est inférieur à la valeur définie, l'éclairage s'allume.Cela permet à l'appareil de fonctionner quelle que soit l'heure de la journée. Le seuil de réponse est défini à l'aide de régulateurs spéciaux.

Les capteurs, couramment utilisés à la maison, détectent les fluctuations des ondes électromagnétiques dans le spectre de la lumière infrarouge. Séparément, vous pouvez configurer le temps nécessaire à l'appareil pour commencer à fonctionner s'il remarque soudainement un mouvement dans le secteur.

En tournant le bouton, on peut régler la vitesse d'obturation. Le temps dépend du modèle d'appareil spécifique. Elle peut varier de dix secondes à sept ou quinze minutes.

Placement et orientation

Les règles générales d'installation des capteurs sont les suivantes :

  • la hauteur d'installation au-dessus de la surface observée peut être de 2,5 à 4 m (le paramètre dépend du modèle de l'appareil);
  • lors du choix d'un emplacement de montage, tenez compte du fait que le détecteur est plus sensible aux mouvements qui se produisent dans la zone d'observation ;
  • La puissance de charge totale des lampes est limitée et peut être, par exemple, de 60 à 1200 W pour les ampoules à incandescence et de 0 à 600 W pour les illuminateurs fluorescents.

La température affecte également la sensibilité du détecteur. La plage de valeurs de température à laquelle l'appareil remplit normalement ses fonctions est de -20 à 40 ° C.

Comment connecter un détecteur de mouvement à une ampoule : instructions étape par étapeMéthodes d'installation des capteurs de mouvement sur l'exemple des appareils TDM ELEKTRIK : DDPt-01 est monté dans une cartouche ; E27, DDT-03, DDT-02, DDT-01 sont installés dans le trou de montage des projecteurs (le diamètre des différents appareils est différent et peut être de 40 à 65 mm); DDSK-01 peut être monté dans le mur, le plafond, le boîtier du luminaire

Il est interdit d'installer des lampes :

  • sur des surfaces vibrantes ;
  • près des ventilateurs, des climatiseurs ;
  • sur des surfaces murales blanches brillantes;
  • à proximité de sources de chaleur - radiateurs électriques, lampes;
  • sur des surfaces exposées à la lumière directe du soleil.

Pour éviter les faux déclenchements, le détecteur infrarouge n'est pas exposé aux sources d'ondes électromagnétiques, au vent et aux flux de chaleur.

Comment connecter un détecteur de mouvement à une ampoule : instructions étape par étapeLors du choix d'un endroit approprié pour l'installation, la zone de détection d'objet est prise en compte avec un placement différent de l'appareil

Il est également impossible qu'une lampe à incandescence tombe dans la zone de couverture - un fil se refroidissant progressivement déclenchera le détecteur, car il réagira en s'allumant à un changement de sa température.

Cela peut continuer indéfiniment - la lumière s'allumera et s'éteindra. De fausses alarmes peuvent également se produire par temps venteux en raison du balancement des branches.

Comment connecter un détecteur de mouvement à une ampoule : instructions étape par étape
Lors du choix de l'emplacement d'installation et de l'emplacement du capteur lui-même, il est nécessaire de prendre en compte: la hauteur d'installation, la température ambiante, assurez-vous qu'il n'y a pas d'interférence

Comment choisir un détecteur de mouvement domestique

On distingue les types de capteurs suivants, qui diffèrent par la manière dont ils apparaissent dans la portée d'une personne :

  • Passif - le type le plus courant de capteurs de mouvement, basé sur la capture de la chaleur rayonnée par le corps humain. Parfaitement adapté pour contrôler l'inclusion des lumières dans les appartements et les petites pièces.
  • Actif - le principe de leur fonctionnement est similaire à celui des échosondeurs ou des radars, c'est-à-dire qu'un signal est émis avec une analyse ultérieure de sa réflexion. L'appareil se déclenche lorsque la distance parcourue par le signal du capteur à l'obstacle et à l'arrière change. Ils fonctionnent dans le domaine des ultrasons et des hautes fréquences radio. Il n'est pas conseillé d'installer le premier type dans des pièces où se trouvent des animaux domestiques qui se comportent de manière agitée en raison des fréquences ultrasonores.Le deuxième type, s'il est mal installé, peut ne pas remarquer les obstacles sous forme de murs et même fonctionner à partir du mouvement du vent.
  • Combiné - combiner des méthodes de contrôle actives et passives.

Une attention particulière doit être portée aux angles de détection (horizontal et vertical) et à la plage de fonctionnement de l'équipement. Les détecteurs de mouvement installés sous le plafond ont une zone de suivi de 360 ​​degrés dans un cercle

Pour les appareils muraux, l'angle de détection de gauche à droite est de 180 degrés et de haut en bas de seulement 20 degrés

Souvent, les détecteurs de mouvement ne couvrent pas toute la surface de la pièce. Par conséquent, lors du choix d'un emplacement pour placer l'appareil, il est important d'analyser attentivement la zone de détection et les angles. Les détecteurs de mouvement installés sous le plafond ont une zone de suivi de 360 ​​degrés dans un cercle

Pour les appareils muraux, l'angle de détection de gauche à droite est de 180 degrés et de haut en bas de seulement 20 degrés. Souvent, les détecteurs de mouvement ne couvrent pas toute la surface de la pièce. Par conséquent, lors du choix d'un emplacement pour placer l'appareil, il est important d'analyser attentivement la zone de détection et les angles.

Les détecteurs de mouvement installés sous le plafond ont une zone de suivi de 360 ​​degrés dans un cercle. Pour les appareils muraux, l'angle de détection de gauche à droite est de 180 degrés et de haut en bas de seulement 20 degrés

Souvent, les détecteurs de mouvement ne couvrent pas toute la surface de la pièce. Par conséquent, lors du choix d'un emplacement pour placer l'appareil, il est important d'analyser attentivement la zone de détection et les angles.

Les appareils diffèrent par leur conception :

  • mobile - vous permet de modifier la zone de détection, car il est possible de se déplacer le long de la base dans les directions verticale et horizontale.
  • capteurs fixes.

Pour les modèles les plus courants, la portée de fonctionnement est limitée à 12 mètres. Cette distance est suffisante pour faire fonctionner l'appareil à la maison. Si la pièce est de forme irrégulière, de grande surface ou comporte plusieurs étages, pour détecter l'activité humaine, il est nécessaire d'installer plusieurs détecteurs de mouvement.

Schéma de connexion du capteur de mouvement à trois fils

Les capteurs à trois bornes sont généralement utilisés dans la conception du capteur IR. IEK est un fabricant assez courant de capteurs de mouvement infrarouges bon marché. Sans aucun problème, vous pouvez trouver de bons produits sur Aliexpress.

Des produits plus chers sont fabriqués selon un principe similaire, le schéma de connexion d'une lampe avec un capteur est similaire à un modèle de capteur de n'importe quel fabricant. Les appareils doivent avoir un degré de protection IP44 contre la pénétration de corps solides supérieurs à 1 mm et les gouttes d'humidité. Si le détecteur de mouvement doit être déplacé à l'extérieur de la maison, l'installation n'est possible que sous la visière.

Si vous souhaitez protéger l'appareil de la pluie et de la neige, recherchez un modèle avec protection contre la poussière et l'humidité IP65 et contrôle de la température pour votre climat. La plupart des capteurs infrarouges ne peuvent fonctionner que jusqu'à moins 20 degrés Celsius.

Pour connecter un capteur de mouvement IR à trois fils, une phase complète et zéro sont démarrés. Pour le bon agencement, vous aurez besoin des mêmes 4 éléments de base :

  1. Disjoncteur (qui est dans le tableau).
  2. Boîte de jonction (dans laquelle se trouve l'installation principale).
  3. Capteur (un fil de la boîte de distribution y est connecté).
  4. Luminaire (deuxième fil de la boîte de jonction).

Le raccordement du capteur à trois fils s'effectuera avec l'installation dans une boîte de jonction à trois câbles :

  1. Il y a trois noyaux de la machine : L (phase), N (zéro de travail), zéro de protection ou terre (PE).
  2. Il y a trois fils sur la lampe, si le corps du dispositif d'éclairage est en métal.
  3. Trois fils par capteur.

Comment connecter un détecteur de mouvement à une ampoule à l'aide de trois fils est expliqué en détail dans le schéma.

Les zéros (N) sont collectés en un point (comme dans le cas du schéma précédent). La terre du disjoncteur est également reliée à la terre du luminaire (zero drive ou PE). La phase zéro est maintenant appliquée au capteur de mouvement à trois bornes :

  • Deux entrées - pour alimentation 220V, généralement signées L (phase) et N (zéro).
  • Une sortie est désignée par la lettre A.
Lire aussi :  Schéma de câblage d'un interrupteur de passage simple: analyse du circuit et procédure d'exécution des travaux

Montage

Pour installer un détecteur de mouvement à trois fils :

  1. Desserrez les deux vis du boîtier. Les bornes sont situées sous le capot arrière.

  2. Certains modèles sont déjà retirés du boîtier avec trois fils de couleurs différentes. Par couleur, vous pouvez déterminer ce que cela signifie : terre (A) rouge, zéro (N) bleu, phase (L) marron. Mais si le couvercle s'ouvre sans trop d'effort, il est recommandé de vérifier personnellement l'exactitude d'un certain marquage en regardant les inscriptions à côté des bornes.
  3. Un schéma simplifié de connexion d'un capteur de mouvement à une ampoule ressemble à ceci :
  4. Un peu de clarté ici dans cette image.
  5. Vous pouvez vous passer d'une boîte de jonction pour connecter les fils et faire passer tous les fils directement dans la boîte du capteur si elle est suffisamment spacieuse à l'intérieur et possède son propre bornier. La phase zéro a été appliquée à partir d'un câble et la phase zéro a été retirée de l'autre.
  6. Il s'avère un circuit simplifié, mais le même à trois fils, uniquement sans boîte de jonction.

Réglage et ajustement de la sensibilité

Après avoir réussi à connecter une lampe à un détecteur de mouvement, vous devez définir correctement ses paramètres :

  1. Au dos du boîtier, retrouvez les principales commandes. LUX avec les positions du mois et du soleil est responsable du déclenchement en fonction de l'éclairement. Avez-vous besoin que le capteur s'allume dans une pièce avec une fenêtre uniquement lorsqu'il fait nuageux ou que le soleil se couche ? Tournez le régulateur vers la lune.
  2. Réglez l'heure d'arrêt avec le deuxième bouton. Le délai peut être réglé de quelques secondes à 5-10 minutes.
  3. L'angle de rotation de toute la sphère vous permet d'ajuster la détection des animaux.

Avantages et nuances d'utilisation

Pour éviter que le capteur ne réagisse aux animaux, ne tournez pas la tête du capteur vers le sol. Exposez-le pour qu'il capte les mouvements au niveau de la tête (épaules) de tous les habitants de la maison. Habituellement, à ce niveau, la capture d'animaux ne se produit pas.

S'il est nécessaire que le capteur ne fonctionne pas temporairement, dirigez sa tête vers le plafond. Par conséquent, la capture de mouvement n'est pas possible. La capture de mouvement par le capteur dépend de l'angle d'inclinaison. En réalité, la distance maximale atteint 9 mètres. Mais selon le passeport, il peut être plus élevé.

Le capteur de détection utilise des rayons infrarouges. Si vous vous déplacez d'un faisceau à l'autre, l'appareil détecte une activité et réagit. Lorsque vous marchez directement dans le faisceau, la sensibilité du capteur est minime et l'appareil peut ne pas vous répondre immédiatement.

Pour cette raison, l'installation de détecteurs de mouvement n'est pas effectuée directement au-dessus de la porte, mais légèrement sur le côté. Par exemple, dans le coin de la pièce.

Défauts

L'inconvénient du circuit à trois fils pour connecter le détecteur de mouvement à la lampe est le manque de lumière forcée. Si le capteur tombe en panne pour une raison quelconque, des problèmes de fonctionnement correct commenceront.Pour éviter cela, il est recommandé d'ajouter un interrupteur au circuit.

Pose de détecteur de mouvement

Comment connecter un détecteur de mouvement à une ampoule : instructions étape par étapeDétecteur de mouvement avec couvercle de boîtier retiré

Tout d'abord, déterminez la méthode de connexion du câble supplémentaire au commutateur (externe, interne). Avant la connexion directe, retirez le couvercle extérieur du boîtier - à l'emplacement du loquet, soulevez le panneau avec un tournevis à fente. Il existe deux manières de connecter le fil à l'appareil :

  • arrière - l'option convient au câblage électrique posé à l'intérieur du mur;
  • sur le côté - adapté à un réseau électrique externe.

Le bouchon temporaire est retiré. Commencez à connecter les fils. Les microcontacts sont séparés par des lettres. En règle générale, les symboles L, N et L1 sont utilisés - cela dépend du fabricant et de la configuration de l'indicateur.

Comment connecter un détecteur de mouvement à une ampoule : instructions étape par étapeL'étape suivante consiste à fixer le capteur au plafond. La méthode de fixation est choisie en fonction du matériau de la surface et du détecteur. Dans la plupart des cas, il y a des trous spéciaux à l'arrière du boîtier.

Conseils généraux d'installation :

Il n'est pas recommandé de connecter des détecteurs de mouvement avec des ampoules à économie d'énergie.

La durée de vie de ce dernier avec un tel ajout est considérablement réduite.
Il est important d'exclure les arbres et arbustes du champ de vision du détecteur. Ils peuvent émettre une petite quantité de chaleur, qui sera suffisante pour activer l'indicateur ;
Le faisceau du capteur doit être tourné dans la direction où le mouvement commence: à la porte d'entrée, au portail.

Comment connecter un détecteur de mouvement à une ampoule : instructions étape par étapeConfiguration du capteur

Il est nécessaire d'ajuster le capteur au niveau de sensibilité requis en utilisant les valeurs de service des potentiomètres. Dans les appareils classiques, il existe trois leviers rotatifs :

  • délai de temporisation (Time) ;
  • sensibilité (Mètre);
  • luminosité (lux).

Le délai d'extinction indique le temps après lequel la lampe s'éteindra s'il n'y a aucun mouvement dans la pièce. Le niveau de luminosité - la force de la lumière lorsqu'elle est allumée dans l'obscurité totale - doit être ajusté de manière à ne pas aveugler les yeux. Réglez d'abord au minimum, pendant le fonctionnement - au niveau de confort souhaité, ainsi que l'indicateur de sensibilité.

La dernière étape de l'installation consiste à tester le fonctionnement. Pour ce faire, utilisez le mode Test de l'indicateur de temps.

Environ une minute après la connexion du courant, l'appareil s'initie et s'active. La vérification des performances du mécanisme peut être effectuée sans connecter d'appareils d'éclairage - vous pouvez naviguer grâce à une petite LED sur le boîtier.

Combinaison d'un détecteur de mouvement avec un interrupteur

Pour assurer le fonctionnement constant de la lampe, quel que soit le niveau d'éclairement et la présence d'un capteur humain dans la zone d'action, un interrupteur peut être placé dans le circuit. Un interrupteur de type à clé unique peut être utilisé comme tel. Lorsqu'il est allumé, les contacts de commutation du capteur sont shuntés, ce qui garantit un mode d'éclairage constant.

Comment connecter un détecteur de mouvement à une ampoule : instructions étape par étape

Le fil neutre ou neutre de l'interrupteur va directement à la lampe (lampe) du réseau, le fil de phase passe à travers l'interrupteur, dont les contacts sont parallèles au groupe de commutation du capteur. Si un démarreur est utilisé dans le circuit, son enroulement doit être alimenté par l'interrupteur.

Comment connecter un détecteur de mouvement à une ampoule : instructions étape par étape

Schéma de câblage pour plusieurs capteurs

Le schéma du premier type a été largement utilisé dans les pièces de forme simple. Il peut s'agir d'un carré, d'un rectangle ou d'un cercle, en général, où une seule zone spécifique doit être contrôlée.Si vous souhaitez organiser l'allumage automatique de l'éclairage dans des pièces de forme complexe avec des branches et des virages supplémentaires, par exemple dans des couloirs incurvés, vous devez utiliser plusieurs capteurs. Mais ce schéma a aussi ses propres nuances. Par exemple, si vous souhaitez organiser le confort de déplacement le long d'un long couloir, mais que vous devez en même temps garantir des économies maximales, les capteurs doivent être activés indépendamment les uns des autres, c'est-à-dire en parallèle.

Comment connecter un détecteur de mouvement à une ampoule : instructions étape par étape

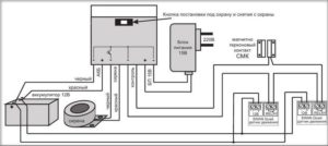
Si vous souhaitez créer un système de sécurité fiable, le détecteur de mouvement doit être connecté à la lumière conformément au schéma ci-dessous.

Comment connecter un détecteur de mouvement à une ampoule : instructions étape par étape

Ici, les capteurs sont interconnectés par un fil de phase du réseau. Le fil neutre va à tous les capteurs et une lampe ou un système d'alarme sans commutation intermédiaire

Il est important ici de ne pas confondre les couleurs des fils et de contrôler la phase sur tous les appareils afin de ne pas créer de court-circuit dans le circuit. Lorsque l'un des capteurs est déclenché, le voyant principal ou le système d'avertissement sonore s'allume. Lors de la création d'un système avec des lampes contrôlées, un interrupteur est installé en parallèle avec le groupe de contact des capteurs

Si le circuit est composé de plusieurs capteurs de mouvement et qu'il est nécessaire d'assurer un allumage indépendant de chacune des lampes, l'interrupteur est installé sur chaque capteur

Lors de la création d'un système avec des lampes contrôlées, un interrupteur est installé en parallèle avec le groupe de contact des capteurs. Si le circuit est composé de plusieurs capteurs de mouvement et qu'il est nécessaire d'assurer un allumage indépendant de chacune des lampes, l'interrupteur est installé sur chaque capteur.

Comment connecter un détecteur de mouvement à une ampoule : instructions étape par étape

Avant de vérifier le dispositif de commande de mouvement, assurez-vous que les couleurs des fils sont respectées et qu'ils sont bien serrés dans les bornes.

Nuances de placement: comment connecter correctement un détecteur de mouvement infrarouge

Les dispositifs de repérage PIR ont leurs propres caractéristiques qui forment les règles de placement.

  1. Malgré la protection contre les faux positifs à la lumière du spectre « lumière du jour » par la lentille de Fresnel, il n'est pas souhaitable de placer les appareils en plein soleil, sous des luminaires.
  2. Dans la zone de "visibilité", il ne doit pas y avoir de gros objets, cloisons (y compris en verre), bloquant la vue.
  3. Évitez les "angles morts", les zones non visibles de la pièce.
  4. Dans les grandes pièces, il est préférable de monter les capteurs au plafond - cela offre un large angle de couverture.
  5. S'il y a des animaux dans la maison, il est préférable d'utiliser des modèles avec une limite de masse d'objets suivis.
Lire aussi :  Comment fabriquer soi-même un porte-clés pratique pour nettoyer le couloir

Les rayons tombant sur le dispositif de poursuite ayant la forme d'un éventail convergeant vers la lentille, l'emplacement du dispositif est choisi en tenant compte de ce facteur. Il en va de même pour déterminer la hauteur d'installation du modèle.

Caractéristiques

Après avoir décidé quel détecteur de mouvement vous allez installer pour allumer la lumière, vous devez sélectionner ses caractéristiques techniques.

Dans les caractéristiques techniques des modèles sans fil, il y a aussi la fréquence à laquelle ils fonctionnent et le type de batteries.

Angle de vue

Le capteur de mouvement pour allumer la lumière peut avoir un angle de vue différent dans le plan horizontal - de 90 ° à 360 °. Si un objet peut être approché de n'importe quelle direction, des capteurs d'un rayon de 180 à 360 ° sont installés, en fonction de son emplacement.Si l'appareil est monté sur un mur, 180° suffisent, s'il est sur un poteau, 360° est déjà nécessaire. À l'intérieur, vous pouvez utiliser ceux qui suivent le mouvement dans un secteur étroit.

En fonction de l'emplacement d'installation et de la zone de détection requise, le rayon de vision est sélectionné

S'il n'y a qu'une seule porte (buanderie par exemple), un capteur à bande étroite peut suffire. Si la pièce peut être pénétrée par deux ou trois côtés, le modèle doit pouvoir voir au moins à 180°, et de préférence dans toutes les directions. Plus la "couverture" est large, mieux c'est, mais le coût des modèles grand angle est beaucoup plus élevé, il vaut donc la peine de partir du principe de suffisance raisonnable.

Il y a aussi un angle de vue vertical. Dans les modèles classiques bon marché, il est de 15-20°, mais il existe des modèles qui peuvent couvrir jusqu'à 180°. Les détecteurs de mouvement à grand angle sont généralement installés dans les systèmes de sécurité, et non dans les systèmes d'éclairage, car leur coût est solide. À cet égard, il convient de choisir correctement la hauteur d'installation de l'appareil: de sorte que la «zone morte», dans laquelle le détecteur ne voit tout simplement rien, ne soit pas à l'endroit où le mouvement est le plus intense.

Intervalle

Là encore, il convient de choisir en tenant compte du fait qu'un détecteur de mouvement sera installé dans la pièce pour allumer la lumière ou dans la rue. Pour les pièces d'une portée de 5 à 7 mètres, cela suffira avec votre tête.

Plage d'action choisir avec une marge

Pour la rue, l'installation de plus "longue portée" est souhaitable. Mais regardez ici aussi : avec un large rayon de couverture, les faux positifs peuvent être très fréquents. Donc, trop de couverture peut même être un inconvénient.

Puissance des lampes connectées

Chaque capteur de mouvement pour allumer la lumière est conçu pour connecter une certaine charge - il peut faire passer un courant d'une certaine valeur à travers lui-même. Par conséquent, lors du choix, vous devez connaître la puissance totale des lampes que l'appareil connectera.

La puissance des lampes connectées est critique si un groupe de lampes ou une lampe puissante est allumée.

Afin de ne pas surpayer l'augmentation de la bande passante du capteur de mouvement et même d'économiser sur les factures d'électricité, n'utilisez pas de lampes à incandescence, mais des lampes plus économiques - à décharge de gaz, fluorescentes ou LED.

Méthode et lieu d'installation

En plus de la division explicite en rue et "domicile", il existe un autre type de division en fonction de l'emplacement d'installation des détecteurs de mouvement :

  • Modèles de corps. Une petite boîte qui peut être montée sur un support. Le support peut être fixé :
    • sur le plafond;
    • sur le mur.

  • Modèles encastrés pour installation cachée. Modèles miniatures pouvant être installés dans des niches spéciales dans un endroit discret.

Si l'éclairage est allumé uniquement pour augmenter le confort, les modèles d'armoires sont choisis, car à caractéristiques égales, ils sont moins chers. Embarqué mis dans les systèmes de sécurité. Ils sont petits mais plus chers.

Fonctions supplémentaires

Certains détecteurs de mouvement ont des fonctionnalités supplémentaires. Certains d'entre eux sont exagérés, d'autres, dans certaines situations, peuvent être utiles.

  • Capteur de lumière intégré. Si le détecteur de mouvement pour allumer la lumière est installé dans la rue ou dans une pièce avec une fenêtre, il n'est pas nécessaire d'allumer la lumière pendant la journée - l'éclairage est suffisant. Dans ce cas, soit un relais photo est intégré au circuit, soit un détecteur de mouvement avec un relais photo intégré (dans un boîtier) est utilisé.
  • Protection des animaux.Une fonctionnalité utile s'il y a des chats, des chiens. Avec cette fonctionnalité, les faux positifs sont beaucoup moins nombreux. Si le chien est grand, même cette option ne sera pas sauvegardée. Mais avec les chats et les petits chiens, ça marche bien.

  • Délai d'extinction. Il existe des appareils qui éteignent la lumière immédiatement après que l'objet a quitté la zone d'action. Dans la plupart des cas, cela n'est pas pratique : la lumière est toujours nécessaire. Par conséquent, les modèles avec un retard sont pratiques, et encore plus pratiques sont ceux qui permettent de régler ce retard.

Ce sont toutes les fonctionnalités qui pourraient être utiles

Portez une attention particulière à la protection des animaux et au délai d'arrêt. Ce sont des options vraiment utiles.

Affectation des molettes de réglage des paramètres

Sur le corps du capteur de mouvement, il y a des boutons pour régler ses paramètres. Selon le modèle et sa destination, il existe de deux à quatre poignées. À côté des boutons, il y a généralement une lettre indiquant le type de réglage, une image de l'objectif du réglage et le sens de rotation du bouton pour modifier le réglage. Par conséquent, avant d'installer un capteur de mouvement, vous devez déterminer quel paramètre et comment chacune des poignées affecte et dans quelle position elles doivent être réglées pour un fonctionnement optimal dans des conditions spécifiques.

Comment connecter un détecteur de mouvement à une ampoule : instructions étape par étape

Avant de commencer la recherche lieux d'implantation détecteur de mouvement, il est conseillé d'ajuster ses paramètres sur la table et de prendre des notes avec un marqueur pour le rendre plus facile en conditions réelles. En basse lumière, les marquages ​​d'usine sont difficiles à voir.

Nom et désignation du paramètre du capteur de mouvement
La désignation Le nom du paramètre Fonction Noter
LUX éclairage Ajuste le niveau d'éclairage auquel le détecteur de mouvement est déclenché de 5 à 10000 Lux
TEMPS Temps Durée de la minuterie 5 à 420 secondes
SENS Sensibilité Ajuste la portée jusqu'à 12m
micro Microphone Ajuste le niveau de bruit auquel le détecteur de mouvement est déclenché 30-90db

Variateur LUX vous permet de définir le seuil d'éclairage au-dessus duquel le détecteur de mouvement ne répondra pas au mouvement. Pourquoi allumer la lumière pendant les heures de clarté, si vous pouvez la voir si bien. Initialement réglé sur max..

Contrôleur de temps de minuterie TEMPS capteur de mouvement. C'est le temps pendant lequel la lumière sera allumée après le déclenchement du détecteur de mouvement. Initialement réglé sur le temps d'activation minimum. Il convient de noter que si, après le déclenchement du détecteur de mouvement, une personne continue de se déplacer dans la zone de détection, la minuterie est redémarrée et le compte à rebours jusqu'à ce que le détecteur de mouvement s'éteigne commencera à partir du moment où la personne arrête de bouger. Par exemple, si vous réglez la minuterie sur 10 secondes et qu'une personne bouge ou agite ses bras dans la zone de détection pendant 10 minutes, la lumière sera allumée tout ce temps.

Bouton de sensibilité SENS rarement installé sur les détecteurs de mouvement, car c'est une nécessité pratique. Cela arrive, il est nécessaire s'il est nécessaire de ne pas contrôler une partie de la pièce, et cela peut toujours être fait en ajustant la position du détecteur de mouvement lors de l'installation. Au départ, vous devez le régler au maximum.

Contrôle de la sensibilité du microphone micro est présent très rarement, car il n'est pas demandé dans la vie quotidienne et a une faible immunité au bruit. Le bruit d'un camion qui passe ou d'un cri d'enfant dans l'entrée de la maison peut déclencher le détecteur de mouvement.Mais pour remplir la fonction de protection, s'il est correctement réglé, il peut constituer un excellent moyen de protection, car la zone de détection sera pratiquement illimitée. Au départ, vous devez le régler au minimum.

Maintenant que les travaux préparatoires sont terminés et que toutes les commandes sont réglées sur les positions souhaitées, vous pouvez commencer à déterminer l'emplacement du détecteur de mouvement. Pour ce faire, vous pouvez fixer temporairement le capteur sur un escabeau ou une planche, et en plaçant le capteur de mouvement dans les emplacements d'installation prévus, par essais et erreurs, trouvez le meilleur. Comme je l'ai écrit ci-dessus, une LED clignotant fréquemment indiquera un déclencheur.

Lire aussi :  Comment approfondir un puits

Il est pratique de connecter le détecteur de mouvement pour l'éclairage au câblage électrique à deux endroits, dans la boîte de jonction ou directement au point où le lustre est connecté aux fils sortant du plafond ou du mur. Par conséquent, avant de chercher un endroit pour installer un détecteur de mouvement, vous devez déterminer à quel endroit il est plus facile de le connecter. La gestion des fils dans la boîte de jonction, en particulier dans les maisons de longue durée, est difficile même pour un électricien professionnel, et les boîtes sont souvent recouvertes de papier peint ou sous plâtre. La façon la plus simple de gérer la connexion à un lustre ou à une applique.

Après avoir déterminé l'emplacement d'installation du détecteur de mouvement, vous pouvez commencer à le monter sur le mur et à installer le câblage.

Attention! Avant de connecter le détecteur de mouvement au câblage, pour éviter un choc électrique, il est nécessaire de le mettre hors tension. Pour ce faire, éteignez le disjoncteur correspondant dans le tableau et vérifiez la fiabilité de la déconnexion à l'aide de l'indicateur de phase

Comment connecter un spot LED ?

Les projecteurs à LED sont considérés comme un type d'éclairage courant avec un coût abordable et des performances techniques élevées. Le champ d'application principal: garages, parkings, cours, maisons privées. Ils peuvent être à l'extérieur ou à l'intérieur.

Le schéma de câblage d'un spot LED se compose de plusieurs nuances importantes :

- Ouvrez le boîtier de travail et trouvez le mécanisme.

- Retirer l'écrou de la borne "entrée" et retirer le presse étoupe.

- Enfiler le fil électrique et fermer la structure avec des attaches.

Il est déconseillé d'effectuer l'installation pour ceux qui n'ont rien à voir avec l'électricité ou qui ne comprennent même pas les circuits simples. Avant d'effectuer la procédure, il est interdit de se mouiller les mains, de surveiller les performances du réseau électrique - pas plus de 220 V. Il est possible de déterminer si le projecteur est adapté au fonctionnement uniquement s'il commence à clignoter ou à l'ombre de la lumière a changé.

La procédure de connexion d'un spot LED au réseau 220 nécessite le respect de toutes les règles de sécurité pour travailler avec des appareils électriques. Si le courant est mal appliqué, un court-circuit est possible.

Pour l'installer vous-même, vous devez préparer à l'avance l'inventaire et les outils. Leur liste comprend : un tournevis, des pinces, du ruban électrique, un fer à souder et autres. Pour les LED, un fil fin est utilisé, avec un diamètre total de 0,5 à 1,5 mm2. De plus, le même matériau métallique est sélectionné que celui utilisé sur l'appareil.

Dans les modèles bon marché, il peut y avoir de la pâte thermique séchée ou certains fils ne sont pas connectés. Pour ce faire, vous devez démonter la structure et vérifier toutes les connexions, la quantité de pâte thermique.

Problèmes et solutions possibles

Si le capteur allume correctement la lumière, mais qu'il y a des problèmes pour l'éteindre, la première chose à vérifier est le commutateur de retardement de la lumière. Il est possible que le contrôleur TIME soit réglé sur le temps de fonctionnement maximum, c'est pourquoi les intervalles entre les réponses sont trop courts : la lampe n'a pas le temps de s'éteindre.

Conseils! Peut-être y a-t-il une sensibilité insuffisante du détecteur ou un réglage incorrect du paramètre LUX. Il faut dévisser les molettes au maximum, vérifier la santé de l'appareil.

Option de mise en page TIME et LUX

Mauvais emplacement d'installation

Pour l'installation correcte de l'appareil, il est nécessaire de prendre en compte le principe de son fonctionnement: le capteur IR réagit bien aux mouvements "passés", mais peut ne pas fonctionner lorsqu'il se dirige vers lui, et les capteurs à ultrasons et à micro-ondes perçoivent le mouvement " envers eux-mêmes".

S'il y a un objet entre l'appareil et la zone de couverture, cela provoque également des ratés : il est nécessaire d'éliminer les obstacles devant l'émetteur. Parfois, les appareils électriques donnent de fausses alarmes lorsqu'ils sont à proximité de la lampe. Si un tel problème est constaté, il faut placer la lampe un peu plus loin.

Conseils! Les détecteurs infrarouges réagissent à tout objet qui émet de la chaleur. Par conséquent, il convient d'inspecter la pièce pour détecter la présence d'appareils de chauffage.

Technologies de suivi de mouvement

Grillage de la lampe

Si l'appareil ne réagit pas du tout à la pénétration d'un objet dans la zone, la cause en est le plus souvent l'épuisement habituel de la lampe. Avant l'installation, vous devez vérifier l'ampoule dans une autre lampe.

Défauts de câblage

Lorsque toutes les causes possibles de problèmes ont été vérifiées, mais que le capteur ne démarre toujours pas, vous devez sonner toutes les sections du circuit avec un multimètre.Si le problème vient du câblage, vous devez mettre le système hors tension et reconnecter l'appareil.

Important! Parfois, le problème réside dans la connexion du fil au bornier. En raison de la pénétration de poussière et de débris, le fil s'oxyde et le détecteur cesse de fonctionner. Il est nécessaire de nettoyer le câble de l'oxydation, appuyez sur l'extrémité du NShVI

Il est nécessaire de nettoyer le câble de l'oxydation, appuyez sur l'extrémité du NShVI.

Conseils sur le NShVI

Mariage et conditions de fonctionnement inappropriées

Il arrive que la cause du problème réside dans l'appareil lui-même : un défaut d'usine ou des dommages pendant le transport (typiques pour les appareils bon marché avec un faible degré de protection). Si le capteur n'a pas une bonne protection contre l'humidité, mais qu'il a été placé dans un endroit ouvert à l'eau (dans la rue de la visière de protection, dans la salle de bain), de l'eau pourrait pénétrer à l'intérieur, à cause de laquelle l'appareil électrique tomberait en panne.

Conseils! Avant d'acheter, vous devez toujours inspecter le détecteur pour des dommages visibles, si possible, il est préférable de vérifier ses performances en magasin. Vous ne pouvez pas jeter les cartes de garantie et les boîtes de l'équipement : en cas de dysfonctionnement, il sera possible de remplacer l'appareil sous garantie.

Emballage du capteur de mouvement

Vous n'avez pas besoin d'être un maître pour comprendre comment connecter correctement un détecteur de mouvement pour allumer automatiquement la lumière : suivez simplement les instructions simples d'utilisation et de configuration de l'appareil. Le détecteur de mouvement peut économiser jusqu'à 50 % d'électricité, ce qui, associé à la facilité d'utilisation, paiera plusieurs fois le coût de l'appareil.

Principe d'opération

Le fonctionnement du système d'éclairage automatique est assuré par un détecteur de mouvement spécial. Lorsqu'un changement de volume de la pièce se produit dans son champ de vision, qu'un rayonnement thermique ou sonore se produit, un signal est envoyé au circuit de commande.Ce qui permet le courant aux lampes et continue également de le supporter pendant toute la durée de fonctionnement du capteur. Des versions plus "intelligentes" du contrôleur effectuent une action similaire pendant un certain temps après la fin du signal du capteur. Un tel système empêche l'éclairage de s'éteindre lorsque des objets dans le champ du capteur sont temporairement immobiles ou qu'il n'y a pas de signaux auxquels le détecteur répond. Dans les cas où le détecteur de mouvement n'enregistre pas la présence d'une personne pendant une longue période, l'alimentation électrique des lampes est interrompue.

Dans les systèmes les plus simples, le circuit de commande est monté directement à l'intérieur du capteur, ce qui impose certaines restrictions sur le nombre de consommateurs connectés.

Il existe une autre méthode d'utilisation des détecteurs de mouvement - ils sont utilisés dans les systèmes de sécurité. Dans de tels cas, leur réaction à la découverte d'un objet en mouvement conduit à l'activation d'une sirène ou d'autres dispositifs d'avertissement.

Comment connecter un détecteur de mouvement à une ampoule : instructions étape par étape

Aperçu des modèles populaires de capteurs d'éclairage public

Quant aux fabricants, les produits des marques suivantes sont en demande:

  • ElkoEP;
  • Euroélectrique ;
  • hager;
  • Thében ;
  • PromAvtomatika.
  1. Euroélectrique 10A NOUVEAU. Boîtier en plastique, il y a un support mural, adapté pour connecter une ligne. Courant maximum - 10A, fonctionnement - jusqu'à 6A (1,3 kW). Parmi les paramètres - seul le contrôle de la sensibilité. Un des modèles les plus simples, mais très fiable. Le prix moyen est de 600 roubles.
  2. Prom Avtomatika FRA 1-10. Relais universel, adapté non seulement à l'éclairage public, mais aussi à l'allumage de tout appareil électrique. L'intensité maximale du courant est de 10A, le coût est de 400 roubles.
  3. Theben LUNA 122 top2. Relais crépusculaire avec montage sur rail DIN.Modèle professionnel, beaucoup de paramètres (sensibilité, délai, connexion de capteurs supplémentaires, fonction minuterie, etc.). Il peut être utilisé pour contrôler l'éclairage public dans de grandes zones avec plusieurs lignes séparées. Le prix moyen est de 17 000 roubles.
  4. Eurolamp ST-303WSR. Il y a un ajustement du seuil de réponse, l'intensité maximale du courant est de 25A. Mais il a une faible protection contre la pénétration d'humidité, il n'est donc installé que dans des endroits secs ou dans un boîtier de protection. Le prix moyen est de 350 roubles.

Soit dit en passant, si vous fabriquez vous-même un relais photoélectrique, cela ne coûtera que 50 à 100 roubles - c'est le prix de tous les composants nécessaires dans les magasins de radio.

Évaluation
Site sur la plomberie

Nous vous conseillons de lire

Où remplir la poudre dans la machine à laver et combien de poudre verser