- Conditions de fonctionnement des chaudières non volatiles, caractéristiques de leur installation
- Allumer la chaudière à gaz
- Sol
- Mur
- Caractéristiques de l'allumage de l'ancienne chaudière
- Caractéristiques de la mise en marche des chaudières de différentes entreprises
- Si la chaudière fait du bruit ou siffle
- Problèmes des chaudières à combustible solide
- Caractéristiques du remplissage du système avec de l'eau
- Les causes de l'excès d'air
- Comment fonctionne la chaudière, desservant deux circuits à la fois
- Classification
- Tableau : types de chaudières à gaz
- Que faire en cas de dysfonctionnement ?
- Résumés et mesures
- situations dangereuses
- Consignes d'utilisation importantes
- Le principe de fonctionnement de l'automatisation sur les chaudières à gaz à l'ancienne
- Convecteur électrique calcul de la consommation en kW.
- Calcul de la consommation
- La solution
- ARRÊT D'URGENCE DE L'UNITÉ
Conditions de fonctionnement des chaudières non volatiles, caractéristiques de leur installation

Fonctionnement de la chaudière à gaz
- Les chaudières non volatiles n'ont pas de pompe de circulation. Une caractéristique de cet équipement est la circulation naturelle du liquide de refroidissement. Le liquide, en chauffant, se dilate, l'eau chaude expulse l'eau froide, de sorte que son mouvement dans un cercle vicieux se produit. Pour qu'il soit efficace, il est nécessaire, même au stade de l'installation de la canalisation de distribution, de la poser avec une certaine pente pour favoriser la circulation de l'eau chaude. C'est l'une des principales conditions de fonctionnement du chauffage.
- Lors de la combustion du combustible, des gaz de monoxyde de carbone sont libérés, qui sont éliminés à l'aide d'une cheminée à tirage naturel. Par conséquent, presque toutes les chaudières au sol non volatiles à circuit unique et à double circuit ont une chambre de combustion ouverte. L'air pénètre dans la fournaise depuis la pièce et les produits de combustion sont évacués à l'extérieur. Pour que le processus soit efficace, l'équipement décrit ne peut être installé que dans une zone bien ventilée. C'est la deuxième condition pour l'utilisation d'installations non volatiles. Sinon, vous pouvez facilement être empoisonné par le monoxyde de carbone.
- Mais non seulement ces caractéristiques doivent être respectées lors de l'installation d'une chaudière à gaz non volatile. Lors de sa connexion au système de chauffage, il est nécessaire de choisir des tuyaux d'un diamètre plus grand que d'habitude pour transporter le liquide de refroidissement.
- Et la dernière condition à respecter. Un vase d'expansion doit être installé à proximité de la chaudière à une certaine hauteur. Cela vous permettra d'éliminer l'excès de gaz formé dans le système de chauffage avec une forte augmentation de la température du liquide de refroidissement.
Noter! Seul le strict respect des règles ci-dessus vous permet d'organiser un chauffage efficace de la maison à l'aide de chaudières au sol non volatiles. Par conséquent, pour l'installation, il est nécessaire d'inviter des spécialistes qui connaissent bien les caractéristiques de la sélection et de l'installation des tuyaux, ainsi que la disposition correcte des cheminées
Allumer la chaudière à gaz
L'allumage de la chaudière est effectué après vérification du tirage et alimentation en gaz du tuyau
Il est possible d'allumer une chaudière à gaz après mise en service par un service spécialisé. L'intervenant appelé vérifie le respect des normes d'installation, l'efficacité de la hotte et procède à un essai de fonctionnement.
L'inclusion des chaudières semi-automatiques se fait en tournant le régulateur à la position extrême et en poussant la molette pour démarrer l'alimentation en gaz. L'allumage piezo s'effectue en maintenant cette position pendant 10 secondes.
Sol
Le débit de gaz dans le système est activé lorsque la soupape d'admission est ouverte. La turbine se déplace vers la position d'allumage.
Actions supplémentaires:
- En appuyant sur la poignée, l'alimentation forcée du brûleur pilote est assurée.
- Après l'apparition d'une flamme dans le foyer, la poignée est relâchée.
- Le levier de commande est déplacé vers le numéro 2 dans le sens antihoraire pour allumer le brûleur principal.
- Le bouton est placé en position sur le chiffre qui correspond à la température sélectionnée.
Près des chiffres, la lecture de la température est écrite, ce qui correspond à la position du régulateur. Les actions sont répétées lorsque le feu est atténué.
Mur
La chaudière est branchée sur la prise, la vanne gaz s'ouvre et l'allumage est effectué
Avant de démarrer la chaudière, l'appareil est connecté à la sortie et la vanne de gaz sur la colonne montante est dévissée. Le bouton de démarrage est enfoncé et la température de chauffage est réglée à l'aide des touches du panneau de commande. Pour faciliter la notation, il y a des plus et des moins à côté des boutons.
Caractéristiques de l'allumage de l'ancienne chaudière
Le démarrage de la pompe de circulation nécessite une attention, dans laquelle les pales sont ralenties en raison d'un sas. L'échec correspondant est affiché sur le panneau.
Correction du problème :
- le capot avant est retiré ;
- le boulon est dévissé au centre;
- avec un tournevis à fente, l'arbre est tourné dans le sens de la flèche;
- le couvercle de la bouche d'aération aux couleurs vives se soulève et l'air est libéré.
Les bruits de gargouillis disparaîtront progressivement, car les bouchons sortiront par la valve du détendeur. La pression dans le manomètre est vérifiée régulièrement.
Caractéristiques de la mise en marche des chaudières de différentes entreprises
Dispositif de contrôle de température d'urgence dans la chaudière Navien
Avant d'allumer la chaudière Lemax, vous devez vous assurer qu'il y a un liquide de refroidissement à l'intérieur du système. L'indicateur est vérifié et le mode de fonctionnement optimal est sélectionné. Le nombre d'appareils automatiques et la puissance de l'unité affectent la formation de la réglementation. Certains modèles sont équipés de capteurs de traction, ce qui facilite la mise en marche et le contrôle du travail.
Avant de démarrer la chaudière Navien, un dispositif de contrôle de température d'urgence supplémentaire, un dispositif de contrôle de puissance, un fusible et un thermomètre sont achetés et installés. Certains modèles possèdent ces éléments, tout dépend de la configuration.
Si la chaudière fait du bruit ou siffle
Lorsque vous sentez à l'intérieur de la maison le bruit de la chaudière, cela peut signifier que les parois intérieures de l'échangeur de chaleur sont recouvertes d'une épaisse couche de tartre. Dans de telles conditions, l'antigel surchauffe et bout. De tels sons peuvent être entendus lorsque l'eau bout dans une bouilloire électrique.
Parfois, certaines couches d'échelle sont laissées pour compte. Par conséquent, vous pouvez entendre le sifflement de l'appareil.
Pour vérifier si le bruit est vraiment causé par le tartre, la conduite de retour est fermée au minimum et la chaudière est réglée sur le fonctionnement maximum. Cela augmentera la température du liquide de refroidissement à 80 °C. Avec lui, le grondement de la chaudière augmente considérablement. Pour éliminer les bruits excessifs, vous devez remplir l'échangeur de chaleur avec une solution spéciale et rincer.
Le tartre entraîne également une surchauffe de l'échangeur de chaleur. Au niveau de ce dernier, une fistule apparaît, à travers laquelle le liquide de refroidissement commence à s'écouler.
Les injecteurs peuvent également siffler. Ils le font au moment où la chaudière est allumée. Un sifflement indique la présence d'air dans le gazoduc. Un son désagréable est éliminé en faisant tomber de l'air.Cette procédure dépend des caractéristiques de l'appareil dont le diagnostic et la maintenance peuvent être assez simples.
Problèmes des chaudières à combustible solide
Le plus souvent, ces appareils sont «agréables» avec le fait qu'ils commencent à couler. Cette difficulté survient lorsque :
- Surchauffe, à cause de laquelle l'eau bout et une fistule apparaît sur l'échangeur de chaleur. La réparation des chaudières implique le remplacement de l'échangeur de chaleur.
- Température d'eau trop basse (inférieure à 60 °C) dans la conduite de retour. Cela conduit à l'apparition de condensat, qui corrode l'échangeur de chaleur. Pour cette raison, une fistule se forme et le liquide de refroidissement commence à couler. Dans ce cas, la fuite se produit en raison d'une mauvaise organisation du système de chauffage à la maison.
En général, la plupart des problèmes, y compris les fuites et les fistules, surviennent en raison d'une mauvaise installation de l'appareil et d'erreurs dans l'organisation de la cheminée, dans laquelle le vent souffle facilement. De telles erreurs provoquent également une circulation accélérée de l'antigel (ce qui signifie que son volume ne correspond pas à la norme du fabricant), une panne de la pompe et des autres unités de tuyauterie, une chute ou inversement, une augmentation excessive de la poussée.
Caractéristiques du remplissage du système avec de l'eau
Pour allumer le système de chauffage, vous devez d'abord le remplir de liquide de refroidissement, c'est-à-dire d'eau, qui, après chauffage, commencera à circuler. Une caractéristique de l'équipement moderne est qu'un maquillage manuel spécial n'est pas nécessaire. Lors du premier lancement, vous devez tout vérifier soigneusement afin que les travaux ultérieurs se déroulent de manière fluide et claire. Non seulement une pompe est intégrée dans le corps de la chaudière, mais un robinet spécial près du tuyau pour fournir de l'eau froide au système. Lors de l'approvisionnement en eau froide, du bruit se fait entendre, c'est tout à fait normal, il ne faut pas paniquer ici.
Pendant le remplissage, il est nécessaire de surveiller la pression dans le système ; pour cela, des capteurs et des manomètres spéciaux sont fournis. L'équipement moderne a nécessairement de tels éléments supplémentaires, vous n'avez donc pas besoin de les acheter séparément. Au fur et à mesure que la chaudière à gaz se remplit, la marque sur le capteur augmente. Lorsqu'il atteint 1,5-2 atmosphères, il est nécessaire d'arrêter l'alimentation en eau froide, c'est-à-dire que le remplissage est terminé. Le paramètre de pression peut être différent, car tout dépend du fabricant de l'équipement, de ses exigences en matière de pression de fonctionnement dans le système. Mais ce n'est pas encore le dernier remplissage, un réapprovisionnement est nécessaire car le système de chauffage est débarrassé des poches d'air.
Les causes de l'excès d'air
Il existe de nombreuses raisons à l'apparition de l'air, il est assez difficile d'éviter complètement ce phénomène. Néanmoins, les facteurs sous l'influence desquels les poches d'air se forment dans le système de chauffage doivent être étudiés afin de minimiser leur impact sur le système.
Le plus souvent, de l'air pénètre dans le système :
- si le chauffage a été initialement mal installé ;
- en cas de non-respect des règles de remplissage en eau du circuit de chauffage ;
- si l'étanchéité de la connexion des éléments individuels du système est rompue;
- lorsqu'il n'y a pas ou qu'il n'y a pas de dispositifs mal utilisés pour évacuer l'air dans le système ;
- après travaux de réparation;
- lors de la compensation du volume perdu de liquide de refroidissement avec de l'eau froide.
Une installation incorrecte du système de chauffage entraîne son aération dans les cas où les tuyaux sont posés avec la mauvaise pente, forment des boucles, etc.Il est préférable de suivre ces zones au stade de la conception du chauffage autonome.
Le remplissage du circuit avec de l'eau doit être effectué selon le principe suivant: plus le volume du liquide de refroidissement est important, plus le taux d'entrée dans le système est faible. Si l'eau pénètre trop rapidement, dans certaines zones, elle peut devenir une variante spontanée du joint d'eau, empêchant le processus naturel d'expulsion de l'air du circuit.
Les fuites se produisent souvent aux jonctions des tuyaux et des radiateurs. Parfois, la fissure est si petite que l'eau qui en sort s'évapore presque immédiatement. Le trou reste inaperçu et l'air y pénètre progressivement, ce qui remplace le volume d'eau perdu.

Un petit interstice par lequel l'eau s'écoule peut faire entrer de l'air dans le circuit de chauffage et former un sas
Étant donné que d'une manière ou d'une autre, le circuit peut encore être rempli d'air, lors de la conception du chauffage, il est nécessaire de prévoir l'installation de dispositifs spéciaux conçus pour purger l'air du système de chauffage. Si de telles bouches d'aération existent déjà, mais ne donnent pas l'effet escompté, il est possible que certaines d'entre elles soient cassées et doivent être remplacées.
Il arrive également que les dispositifs d'évacuation d'air soient inefficaces du fait de leur mauvaise installation ou de leur nombre insuffisant. Il est inévitable que de l'air pénètre dans le système après sa réparation. Dans ce cas, il est nécessaire d'effectuer des mesures de désaération.

L'air dissous dans l'eau pénètre dans le système de chauffage lors du remplissage du circuit. Lorsqu'il est chauffé, il est libéré sous forme de petites bulles, à partir desquelles un sas d'air se forme.
Si une partie du volume de liquide de refroidissement est perdue, il doit être remplacé.L'eau douce, contrairement à ce qui se trouve déjà dans le système, contient une certaine quantité d'air dissous. Lorsqu'il est chauffé, il est libéré sous forme de petites bulles et s'accumule, formant des bouchons.
Si un liquide de refroidissement frais est ajouté au système, après un certain temps, cela ne fait pas de mal de s'assurer qu'il n'est diffusé nulle part.
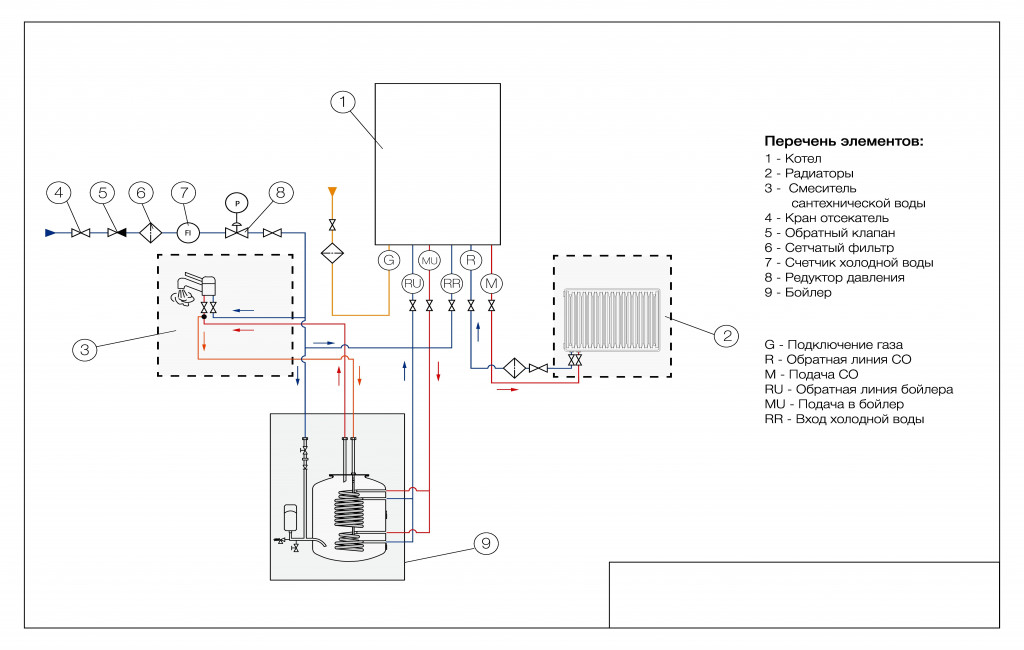
Comment fonctionne la chaudière, desservant deux circuits à la fois
La principale différence entre une chaudière à double circuit et une chaudière similaire à circuit unique est la possibilité de fournir simultanément à la pièce du chauffage et de l'eau chaude. L'échangeur de chaleur primaire, en raison de son emplacement, chauffe le liquide de refroidissement afin que le système de chauffage de toute la pièce puisse fonctionner pleinement. Le secondaire se charge d'alimenter les locaux en eau chaude en juste quantité.
La stabilité du fonctionnement du principe de fonctionnement d'une chaudière à double circuit ne peut être assurée que par l'état de fonctionnement complet et la cohérence du fonctionnement de chaque composant.
Structurellement, toute chaudière à double circuit comprend des éléments tels que:
- échangeurs de chaleur en quantité de deux pièces;
- une chambre de combustion, à laquelle un bloc brûleur est nécessairement attaché ;
- équipement protecteur;
- Système de contrôle.
Pour comprendre exactement comment une chaudière à gaz à double circuit est agencée et son principe de fonctionnement, chaque composant important d'une telle conception doit être examiné plus en détail séparément.
Classification
Il existe un grand nombre de types de cet équipement, ce qui vous permet de choisir celui qui vous convient à tous égards.
Tableau : types de chaudières à gaz
La chaudière à gaz peut être située au sol et au mur
Les chaudières au sol se distinguent des chaudières murales par une large plage de réglage de la puissance.Un tel équipement peut chauffer une pièce de 200 m 2. Si vous y connectez une chaudière, vous pouvez également vous fournir de l'eau chaude.

La chaudière à gaz murale s'intégrera parfaitement dans n'importe quel intérieur
Une chaudière à circuit unique peut chauffer une chose : soit un liquide de refroidissement, soit un système de chauffage, soit une alimentation en eau chaude. Lors de l'utilisation d'un double circuit, il est possible de connecter simultanément le chauffage et l'alimentation en eau chaude.
Les chaudières à tirage naturel se distinguent par le fait que les produits de combustion sont évacués grâce à des apports constants d'air de rue. Ils chauffent souvent des locaux non résidentiels et de petites maisons. Dans les chaudières à tirage de ventilation, il est forcé. En eux, la combustion a lieu dans une chambre fermée. Une cheminée spéciale est équipée de tuyaux externes et internes à travers lesquels l'air est aspiré. Ils ne brûlent pas l'oxygène de la pièce, n'ont pas besoin d'apport d'air supplémentaire pour maintenir la combustion.

Dans la pièce où se trouve la chaudière à gaz, le système de ventilation doit être bien pensé.
Pour les équipements équipés d'un fusible électronique, le processus de mise sous tension est automatisé. De tels modèles sont plus économiques que les chaudières à allumage piézo, car ils n'ont pas de pièce spéciale avec une flamme brûlante en permanence. Si l'alimentation électrique est interrompue, l'équipement cesse de fonctionner, mais reprend automatiquement le fonctionnement lorsque le courant revient.
Les chaudières sont également classées selon leur efficacité énergétique :
- condensation;
- convection.
Ces derniers ne forment pas de condensat, qui peut dissoudre les acides qui se trouvent sur les parois de l'appareil. Mais le transfert de chaleur y est plus faible.
Que faire en cas de dysfonctionnement ?
Les consommateurs de gaz doivent comprendre qu'ils n'ont pas le droit, mais qu'ils sont obligés d'effectuer des réparations sur leur équipement interne ou interne. Et en temps opportun et avec une haute qualité.
Et comme l'arrêt fréquent de la chaudière est potentiellement un dysfonctionnement, il est impossible d'ignorer l'exigence légale spécifiée. Puisque pour cela, selon l'art. 9.23 du Code des infractions administratives menace d'une amende.
Réparation de tout équipement à gaz la procédure est responsable, car elle affecte considérablement la sécurité. Par conséquent, vous ne devez pas surestimer vos capacités ou essayer d'économiser de l'argent, en risquant la vie et la santé des personnes à proximité, y compris des parents et des amis.
La taille, qui est de 1 à 2 mille roubles. Et, si soudainement la situation, par la faute de l'utilisateur, devient dangereuse pour la vie et la santé des personnes ou si un accident se produit, vous devrez vous séparer de 10 à 30 000 roubles (article 9.23 du Code des infractions administratives) .
Il est plus simple et plus fiable de contacter la compagnie gazière avec laquelle le contrat a été signé. Et tous les risques tomberont sur leurs épaules. Ainsi que la responsabilité de la rapidité et de la qualité des réparations. Et en cas de violation, la société sera tenue responsable conformément à l'art. 9.23 du Code des infractions administratives. Où est-il dit que les sanctions peuvent atteindre 200 000 roubles impressionnants
Il convient également de rappeler que vous ne devez pas assumer la responsabilité d'essayer d'éliminer vous-même la cause de l'activation / désactivation. Surtout dans le contexte du fait que les problèmes d'inopérabilité des équipements doivent être résolus par des spécialistes des entreprises avec lesquelles le consommateur de gaz a signé un accord. Et pour avoir ignoré une telle règle, des sanctions supplémentaires d'un montant de 1 à 2 000 roubles menacent - cela est également énoncé à l'art.9.23 du Code des infractions administratives.
Toute violation répétée des normes ci-dessus entraînera une sanction sous la forme d'une amende dont le montant sera de 2 à 5 000. La base en est la norme correspondante de l'article ci-dessus du Code des infractions administratives.
Résumés et mesures
La pression de fonctionnement normalisée pour un système de chauffage isolé à circulation forcée est comprise entre 1,5 et 2 bars.

Pour les modèles à un ou deux circuits, la pression peut être :
- Statique - naturel. Il est généré par la gravité agissant sur le liquide de refroidissement. De chaque mètre de la colonne montante, on obtient environ 0,1 bar.
- Dynamique - artificiel. Il est créé en circuit fermé par une pompe spéciale ou un liquide de refroidissement chauffé détendu. Ce type est déterminé par les paramètres de la pompe, l'étanchéité du système et les indicateurs de température du liquide de refroidissement.
- Fonctionnel - réel. Les éléments 1 et 2 sont combinés. Pour le mesurer, des appareils spéciaux sont utilisés.
- Ultime. C'est la pression maximale possible pour le fonctionnement du réseau. Tout excès entraîne un accident : des canalisations, des radiateurs ou un échangeur de chaudière sont arrachés.
Quelle pression doit être dans une chaudière à double circuit? La norme est de 1,5 ou 2 bar.
Un manomètre est intégré à de nombreux modèles muraux et au sol pour mesurer la pression de l'eau dans le circuit de chauffage. Même s'il est présent, il est nécessaire de monter un appareil supplémentaire. Il est introduit dans le kit de sécurité, composé de deux vannes : de sécurité et de prélèvement d'air.
La raison réside dans le comparateur d'usine. Peu à peu, il échoue et affiche des indicateurs incorrects. Un instrument supplémentaire vous permet de vérifier et de comparer les valeurs. Cela élimine le problème du manomètre, en tant que cause de la chute de pression.
D'autres raisons potentielles à cela sont :
- La vanne d'alimentation est cassée.
- Fuite de caloporteur.
- Embouteillage aérien.
- Vase d'expansion défectueux.
- Défauts dans l'échangeur de chaleur.
- Soupape de décharge cassée.
situations dangereuses
Le plus grand danger est la panne liée au fonctionnement des brûleurs. Si la flamme s'éteint, du gaz peut s'accumuler dans la pièce, ce qui provoque par la suite une explosion. Causes d'extinction d'incendie:
- la pression du gaz est tombée en dessous de la norme autorisée ;
- pas de tirage dans la cheminée;
- la tension d'alimentation a disparu ;
- l'allumeur s'est éteint.
En cas d'urgence, il est nécessaire de couper immédiatement l'alimentation en combustible des brûleurs - automatiquement ou manuellement. Les versions modernes sont équipées de dispositifs d'automatisation nécessaires à l'arrêt rapide des équipements. Le fonctionnement de tels appareils est non seulement pratique, mais également sûr.

Comment éviter l'accumulation de gaz dans la pièce
Les normes de sécurité modernes prévoient l'installation d'analyseurs de gaz dans les chaufferies, ils sont nécessaires pour signaler l'apparition de gaz dans la pièce. Une vanne électronique spéciale réagit à leurs signaux, ce qui arrête automatiquement le flux de carburant vers les brûleurs.
Consignes d'utilisation importantes
En termes de fonctionnement, les chaudières à gaz à chambre de combustion fermée sont considérées comme plus sûres. Leur foyer ne communique pas avec l'air de la pièce. Cependant, la puissance de ces chaudières est nettement inférieure à la puissance des chaudières à chambre de combustion ouverte. Par conséquent, dans les ménages privés, le deuxième type de chaudières est souvent installé.
Le choix du futur liquide de refroidissement dépend des objectifs et des conditions de fonctionnement du système. Si un arrêt fréquent de la chaudière est prévu, il est logique de penser à utiliser de l'antigel
Le fonctionnement de telles chaudières nécessite le respect des règles de sécurité.Ainsi, pour aménager une puissante chaudière au sol, il est d'usage d'utiliser une pièce séparée avec certaines dimensions. La chaudière est montée à une certaine distance des murs. Les murs avoisinants doivent être protégés par un matériau ignifuge pour empêcher l'inflammation.
La chaufferie a besoin d'un système de ventilation. Devrait également être source de lumière naturelle. La largeur de la porte d'entrée doit être d'au moins 80 centimètres. La cheminée est posée conformément aux instructions de la chaudière et à partir d'un matériau résistant à la chaleur. La cheminée doit s'élever au-dessus du faîte du toit d'au moins un demi-mètre.
Une des mesures de sécurité est capteurs de monoxyde de carbone. Le détecteur de gaz détectera la fuite de toxine volatile en temps opportun et en avertira les utilisateurs. Il peut également être réglé pour allumer automatiquement la ventilation et couper l'alimentation en gaz. L'automatisation moderne permet l'introduction d'une variété de systèmes intelligents.
Si le capteur de température, de pression ou de teneur en gaz est hors service, vous devez immédiatement éteindre la chaudière et appeler le maître du service après-vente. L'utilisation de la chaudière sans ces appareils est lourde de conséquences négatives graves.
Les exigences du SNiP stipulent qu'il est nécessaire de connecter une chaudière à gaz à la ligne principale à l'aide d'un tuyau en cuivre ou d'un tuyau à soufflet. Dans ce cas, une grue doit être installée
Si des signes de fuite de gaz sont détectés, fermez immédiatement le robinet de gaz et ouvrez les fenêtres pour aérer la pièce. N'allumez pas la lumière et essayez d'éclairer la pièce en allumant des allumettes ou un briquet.
La chaudière à gaz doit être entretenue aux intervalles spécifiés par le fabricant.Les données sur les procédures nécessaires sont indiquées dans les instructions de l'appareil. Par exemple, vous devez nettoyer la cheminée, enlever le tartre de l'échangeur de chaleur ou nettoyer les cendres du brûleur. Ensuite, la chaudière durera longtemps et le risque de dysfonctionnements graves sera considérablement réduit.
Lorsque vous utilisez un appareil à gaz, ne l'allumez pas à la puissance maximale pendant une longue période. Cela peut entraîner un dégagement de vapeur, ce qui est inacceptable.
Parfois, la chaudière commence à faire des bruits et des vibrations inhabituels. Cela peut être dû au fonctionnement du ventilateur. Nous vous avertissons que toutes les actions pour lesquelles vous devez démonter l'enveloppe de la chaudière privent automatiquement le propriétaire du droit à la réparation ou au remplacement sous garantie.
Cependant, le propriétaire de l'unité doit contrôler le fonctionnement des mécanismes et des systèmes qui fournissent protection de la chaudière contre allumage. Il est nécessaire de maintenir la température dans les circuits à environ 50 degrés, ce qui réduit considérablement la probabilité de dépôts minéraux sur les surfaces internes des tuyaux et des appareils.
Le principe de fonctionnement de l'automatisation sur les chaudières à gaz à l'ancienne
Les problèmes fréquents de chauffage d'une pièce avec des chaudières à gaz sont l'atténuation de la flamme dans le brûleur et la teneur en gaz de la pièce. Cela se produit pour plusieurs raisons :
- tirage insuffisant dans la cheminée;
- pression trop élevée ou trop basse dans le pipeline par lequel le gaz est fourni ;
- extinction de la flamme sur l'allumeur ;
- fuite du système d'impulsion.
Dans ces situations, l'automatisme se déclenche pour arrêter l'alimentation en gaz et ne permet pas de gazer la pièce.Par conséquent, l'installation d'une automatisation de haute qualité sur une ancienne chaudière à gaz est la règle de sécurité élémentaire lors de son utilisation pour le chauffage des locaux et le chauffage de l'eau.
Toute automatisation de toute marque et de tout fabricant a un principe de fonctionnement et des éléments de base. Seules leurs conceptions différeront. Les anciens automatiques "Flame", "Arbat", SABK, AGUK et autres fonctionnent selon le principe suivant. Si le liquide de refroidissement refroidit en dessous de la température définie par l'utilisateur, le capteur d'alimentation en gaz se déclenche. Le brûleur commence à chauffer de l'eau. Une fois que le capteur atteint la température définie par l'utilisateur, le capteur de gaz s'éteint automatiquement.
Sur une note!
Lors de l'utilisation de l'automatisation moderne, il est possible d'économiser jusqu'à 30% de chaleur.
L'automatisation de l'ancien modèle est non volatile, n'a pas besoin d'électricité. Son réglage, sa connexion et sa déconnexion sont effectués par une personne. Les commandes sont transmises à l'aide d'impulsions électromagnétiques.
La vidéo explique comment fonctionne l'automatisation des chaudières à gaz AOGV, KSTG.
…
Convecteur électrique calcul de la consommation en kW.
D'accord, acheter un convecteur électrique est une chose, une autre est de savoir combien nous devrons payer pour la chaleur reçue, telle est la question. Nous soulignons que notre calcul de consommation est basé sur l'expérience d'exploitation personnelle et non sur les formules du fabricant. Précisons également que nous ne chauffons pas la maison pendant un hiver glacial, nous élevons la température de la pièce à un niveau confortable. Considérez une pièce moyenne de 18 m2. Les caractéristiques techniques de tout fabricant, pour chauffer une pièce d'une telle superficie, régissent l'achat d'un convecteur de 1000 W.
Précisons que pour démarrer le chauffage central, les autorités municipales sont guidées par le décret du gouvernement de la Fédération de Russie du 05/06/2011 N 354., Selon lequel, la température de la rue doit descendre en dessous de +8 ºС et ne pas lever pendant 5 jours. Je pense que beaucoup conviendront que généralement, hors saison, cela peut prendre un mois pour atteindre cet objectif, et la température à l'extérieur de la fenêtre est de + 12 ° C, réduit déjà la température dans les appartements urbains à + 16 - 17 ° C .
Calcul de la consommation
Une fois la valeur définie atteinte, le système de contrôle de la température fonctionnera et la consommation d'énergie électrique s'arrêtera. En refroidissant, sensiblement après 20 minutes, la sonde de température se déclenche et rallume le convecteur. Considérant que la prochaine mise en marche ne nécessite pas de chauffage à partir de 17 °C, mais démarre à partir de 20 °C, alors le temps d'atteindre la valeur de 22 °C. beaucoup moins, pas plus de 10 minutes. Ensuite, le cycle marche/arrêt est répété et le fonctionnement moyen de l'appareil de chauffage ne dépasse pas 20 minutes par heure.
En effet, sur la base des données obtenues empiriquement, on obtient la consommation d'un convecteur électrique. Divisez 1000 watts par 60 minutes et obtenez 16 watts - nous avons déterminé la consommation d'énergie d'une minute de travail. Dans notre expérience, le convecteur n'a pas fonctionné plus de 20 minutes. Maintenant, nous multiplions 16 W par 20 minutes et nous obtenons la puissance utilisée par le convecteur par heure de fonctionnement - 330 W. Ainsi, un convecteur de 1 kW « mange » en trois heures. Le coût d'un kilowatt au début de 2018 est de 4 roubles.
Messieurs, pour la soirée nous n'aurons pas besoin de plus de 9 heures fonctionnement du convecteur électrique - 12 roubles. Un mois hors saison coûtera environ 360 roubles. Ajoutons encore 30% à ce montant pour la fiabilité (pour ceux qui s'assoient devant la télé).Le montant total de fonctionnement du convecteur sera de 400 à 500 roubles pour un régime de température normal, dans un délai d'un mois. Permettez-moi de vous poser une question, cela vaut-il la peine d'économiser ce montant, mettant votre corps et votre ménage en danger de refroidissement ? Les congés de maladie et une humeur gâtée coûtent beaucoup plus cher, seules les gouttes d'un rhume peuvent compenser ce genre d'économies.

La solution
Pour que la chaudière démarre normalement après un arrêt d'urgence, il est nécessaire de remplir tous les éléments de drainage avec de l'eau - tuyaux et radiateurs. Juste avant cela, il faut regarder les valeurs des pressions de travail dans le système, leur minimum et leur maximum. Vous pouvez les trouver dans la documentation jointe à l'appareil.

Capteur de pression et de température
Après cela, le raccordement au gaz est vérifié : tous les tuyaux sont connectés, le robinet n'est pas fermé. Et vous pouvez démarrer le système avec le bouton "réseau".
Pour déverrouiller, vous devez suivre six étapes :
- Réglez la température de chauffage au maximum à l'aide du bouton du régulateur.
- Baisser brusquement le thermostat à zéro.
- Répétez ces étapes 2 à 3 fois.
- Laisser le régulateur à température maximale et attendre que le système se déverrouille automatiquement et se mette en marche.
- Attendez que le témoin d'arrêt d'urgence s'éteigne.
- Réglez le mode de température requis.
ARRÊT D'URGENCE DE L'UNITÉ
- Il existe les cas suivants d'arrêt d'urgence de la chaudière :
- interruption de la fourniture d'électricité;
- dommages aux raccords de gaz ou au gazoduc ;
- en cas de panne ou de mauvais fonctionnement des soupapes de sécurité ;
- si le débit d'eau à travers la chaudière est descendu en dessous de la ligne de niveau minimum ;
- en cas de fonctionnement défectueux de la vanne vapeur ;
- en cas de dysfonctionnement de l'automatisation ;
- avec une flamme éteinte dans le four pendant la combustion du combustible ;
- à un niveau d'eau élevé;
- si les pompes d'alimentation ne fonctionnent pas ;
- lorsque la pression monte ou descend par rapport à la norme;
- en cas de dommages mécaniques à l'unité, en cas de rupture de tuyaux ;
- si des fissures ou des lacunes sont trouvées dans les soudures ;
- lorsque des signaux sonores atypiques apparaissent (crépitements, bruits, cognements, secousses), etc.
L'arrêt des groupes de chauffage implique des actions qui dépendent du type de chaudière.
La procédure d'arrêt d'urgence d'une chaudière à gaz implique les manipulations suivantes :
- Réduisez l'alimentation en gaz du brûleur.
- Alimentation en air réduite (limitation du tirage).
- Fermeture de la vanne (robinet) sur le gazoduc.
- Fermeture de la vanne sur le conduit d'air.
- Vérification de l'absence de combustion du four.
Le manuel d'instructions de la chaudière Ariston ou d'une autre marque contient les informations nécessaires pour arrêter l'appareil en cas d'urgence
Il est important de l'exécuter étape par étape et de contrôler l'exactitude des actions.



































