- Protection d'une chaudière à combustible solide contre la surchauffe
- Schéma de raccordement d'une chaudière à combustible solide à un système de chauffage fermé
- Caractéristiques d'installation
- À propos des fonctionnalités d'utilisation de l'appareil
- À propos du carburant liquide
- Les meilleures chaudières à combustible solide à pyrolyse
- Buderus Logano S171
- Écosystème ProBurn Lambda
- Atmos CC 18S, 22S, 25S, 32S, 50S, 70S
- Kiturami KRH-35A
- Instructions générales de montage
- Procédure d'installation
- Comment puis-je remplir le système de chauffage dans un immeuble
- exigences de la chaufferie
- Chaufferie dans une maison particulière dans une pièce séparée (encastrée ou attenante)
- Exigences particulières pour les chaufferies attenantes
- Lors du remplissage de liquide de refroidissement
- Règles de base pour l'organisation de l'appoint de chauffage
- Installer une chaudière à gaz
- Préparation et connexion
- Conclusions et vidéo utile sur le sujet
Protection d'une chaudière à combustible solide contre la surchauffe
Dans une chaudière à combustible solide, la combustion du combustible et la chaudière elle-même ont une masse assez importante. Par conséquent, le processus de dégagement de chaleur dans la chaudière a une grande inertie. La combustion du combustible et le chauffage de l'eau dans une chaudière à combustible solide ne peuvent pas être arrêtés instantanément en coupant l'alimentation en combustible, comme c'est le cas dans une chaudière à gaz.
Les chaudières à combustibles solides, plus que les autres, sont sujettes à une surchauffe du liquide de refroidissement - de l'eau bouillante si la chaleur est perdue, par exemple, lorsque la circulation de l'eau dans le système de chauffage s'arrête soudainement ou que plus de chaleur est libérée dans la chaudière qu'elle n'en consomme.
L'ébullition de l'eau dans la chaudière entraîne une augmentation de la température et de la pression dans le système de chauffage avec toutes les conséquences graves - destruction de l'équipement du système de chauffage, blessures corporelles, dommages matériels.
Les systèmes de chauffage fermés modernes avec une chaudière à combustible solide sont particulièrement sujets à la surchauffe, car ils contiennent un volume relativement faible de liquide de refroidissement.
Les systèmes de chauffage utilisent généralement des tuyaux en polymère, des collecteurs de contrôle et de distribution, divers robinets, vannes et autres raccords. La plupart des éléments du système de chauffage sont très sensibles à la surchauffe du liquide de refroidissement et aux surpressions causées par l'eau bouillante dans le système.
La chaudière à combustible solide de l'installation de chauffage doit être protégée contre la surchauffe du liquide de refroidissement.
Pour protéger la chaudière à combustible solide contre la surchauffe Dans un système de chauffage fermé qui n'est pas relié à l'atmosphère, deux étapes doivent être suivies :
- Coupez l'alimentation en air de combustion de la fournaise de la chaudière afin de réduire l'intensité de combustion du combustible le plus tôt possible.
- Assurer le refroidissement du caloporteur à la sortie de la chaudière et empêcher la température de l'eau de monter jusqu'au point d'ébullition. Le refroidissement doit avoir lieu jusqu'à ce que le dégagement de chaleur soit réduit à un niveau auquel l'eau bouillante devient impossible.
Considérez comment protéger la chaudière contre la surchauffe, en utilisant le circuit de chauffage comme exemple, qui est illustré ci-dessous.
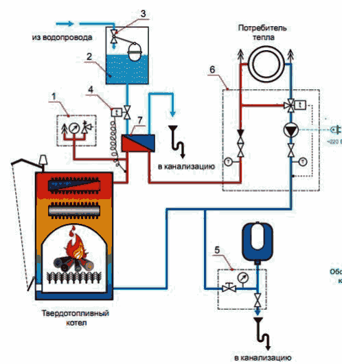
Schéma de raccordement d'une chaudière à combustible solide à un système de chauffage fermé

Schéma d'un système de chauffage fermé avec une chaudière à combustible solide.
1 - groupe de sécurité chaudière (soupape de sécurité, purgeur d'air automatique, manomètre); 2 - un réservoir avec une alimentation en eau pour refroidir le liquide de refroidissement en cas de surchauffe de la chaudière ; 3 - vanne d'arrêt à flotteur ; 4 - vanne thermique ; 5 - groupe pour connecter un réservoir à membrane d'expansion; 6 - groupe de circulation du liquide de refroidissement et protection de la chaudière contre la corrosion à basse température (avec une pompe et une vanne à trois voies); 7 - protection de l'échangeur de chaleur contre la surchauffe.
La protection de la chaudière contre la surchauffe fonctionne comme suit. Lorsque la température du liquide de refroidissement dépasse 95 degrés, le thermostat de la chaudière ferme le registre d'alimentation en air de la chambre de combustion de la chaudière.
La vanne thermique pos.4 s'ouvre alimentation en eau froide du réservoir pos.2 dans l'échangeur de chaleur pos.7. L'eau froide circulant dans l'échangeur de chaleur refroidit le liquide de refroidissement à la sortie de la chaudière, empêchant l'ébullition.
L'approvisionnement en eau dans le réservoir pos.2 est nécessaire en cas de manque d'eau dans l'alimentation en eau, par exemple lors d'une panne de courant. Souvent, un réservoir de stockage commun est installé dans le système d'alimentation en eau de la maison. Ensuite, l'eau de refroidissement de la chaudière est prélevée dans ce réservoir.
Un échangeur de chaleur pour protéger la chaudière contre la surchauffe et le refroidissement du liquide de refroidissement, pos.7 et une vanne thermique, pos.4, sont généralement intégrés dans le corps de la chaudière par les fabricants de chaudières. C'est devenu un équipement standard pour les chaudières conçues pour les systèmes de chauffage fermés.
Dans les systèmes de chauffage avec chaudière à combustible solide (à l'exception des systèmes avec ballon tampon), les vannes thermostatiques et autres dispositifs automatiques réduisant l'extraction de chaleur ne doivent pas être installés sur les appareils de chauffage (radiateurs).L'automatisation peut réduire la consommation de chaleur pendant la période de combustion intensive du combustible dans la chaudière, ce qui peut provoquer le déclenchement de la protection contre la surchauffe.
Une autre façon de protéger une chaudière à combustible solide contre la surchauffe est décrite dans l'article:
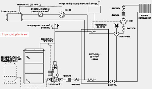
Lire : Réservoir tampon - protection d'une chaudière à combustible solide contre la surchauffe.
Suite à la page suivante 2 :
Caractéristiques d'installation
Comme nous l'avons dit dans l'un des paragraphes précédents de l'article, une chaudière à combustible liquide prévoit l'aménagement d'une pièce séparée pour elle-même. Ainsi, une chaufferie miniature apparaîtra dans votre maison, dans laquelle, en plus de la chaudière elle-même, les éléments suivants devraient être situés:
- cheminée;
- un réservoir pour stocker du carburant ;
- système d'échappement.
Vous pouvez en savoir plus sur les exigences et les normes de SNiP pour une chaufferie dans une maison privée ici
Soit dit en passant, le réservoir doit être aussi grand que possible (idéalement, il devrait suffire pour toute la saison de chauffage) afin que vous ne preniez pas la peine de le remplir constamment. Vous devez également prendre soin des raccords pour le pipeline et d'une pompe qui distillerait le carburant liquide du réservoir directement vers la chaudière. Si vous avez l'expérience et les compétences nécessaires, vous pouvez effectuer de manière indépendante toute la gamme de travaux - de la rédaction du projet à l'installation réelle générateur de chaleur.
Mais il est bien sûr recommandé de recourir à l'aide de professionnels. Une personne formée prendra tout en compte lors du travail, en tenant compte des caractéristiques de votre maison, il fera donc tout correctement et en un temps record. Après tout, un tel système de chauffage est une chose sérieuse qui nécessite une approche particulière.
Un autre point important est que l'installation de la chaudière peut être réalisée de l'une des deux manières existantes, et le choix de l'une ou l'autre d'entre elles est basé uniquement sur les caractéristiques de l'appareil lui-même.
- Les chaudières montées sont plus légères, mais en même temps moins puissantes et moins productives. En d'autres termes, ils sont compacts et pratiques, mais la surface du bâtiment qu'ils peuvent chauffer est souvent limitée à 300 mètres carrés. Il existe rarement de tels appareils, ce qui ne peut être dit à propos des appareils à gaz, peut-être en raison du fait qu'ils ne sont pas si populaires parmi la population.
- Et les chaudières au sol sont plus puissantes et, par conséquent, plus massives.

Chaudières de chauffage de type industriel
Si le système de chauffage a une échelle importante, la chaudière doit bien sûr correspondre à ces échelles. Bien sûr, les appareils électroménagers ordinaires ont dix fois moins de puissance que les appareils industriels. Dans le rôle du carburant dans les grandes entreprises industrielles est le mazout ou le carburant diesel, parfois l'exploitation minière est également utilisée.
En ce qui concerne l'utilisation du pétrole, c'est plutôt le lot des États qui accordent une attention particulière à la propreté de l'environnement. Cette option présente deux avantages à la fois :
- les chaudières à combustible liquide ont quelque chose à travailler ;
- résout le problème de l'élimination des déchets.
Le système de chauffage, qui est utilisé avec les appareils industriels, est souvent à vapeur, c'est-à-dire que le caloporteur dans ce cas est de la vapeur d'eau chauffée, qui est souvent nécessaire pour les besoins de l'entreprise. Chaque chaudière dispose de son propre économiseur et d'une purge entièrement autonome. Le condensat est éliminé pendant le fonctionnement et, grâce à l'utilisation d'économiseurs, l'efficacité augmente considérablement. En général, si vous avez besoin de chauffer un atelier ou une autre grande pièce, il est conseillé d'installer en plus une chaudière.

À propos des fonctionnalités d'utilisation de l'appareil
Le brûleur du ventilateur nécessite une alimentation électrique. Par conséquent, une chaudière à combustible liquide dépend également de l'électricité. De plus, le réservoir de carburant doit être suffisamment grand, idéalement suffisant pour toute la saison de chauffage.
Pour ce faire, vous devez calculer la consommation approximative de carburant (elle est mesurée en litres par heure). Cela peut être fait comme ceci :
Consommation - un dixième de la puissance de l'appareil; si la chaudière est de 150 kilowatts, sa consommation est de 1,5 litre par heure.
Pour déterminer le débit du brûleur, multipliez sa puissance par 0,1. Il s'avère que pour une maison moyenne de 300 mètres carrés, une chaudière de même capacité est nécessaire. Si vous utilisez la formule ci-dessus, il s'avère qu'environ 3 tonnes de carburant diesel seront nécessaires pour la saison de chauffage.
En ce qui concerne le nombre de circuits, les appareils à circuit unique sont plus populaires.
Une information important! Les appareils à circuit unique ne peuvent que chauffer la pièce, ils ne sont pas conçus pour chauffer l'eau.
Pour le chauffage, dans ce cas, il est préférable d'utiliser un chauffe-eau à chauffage indirect, qui utilisera l'eau chaude du système de chauffage en fonctionnement.

À propos du carburant liquide
Les chaudières au fioul peuvent utiliser les types de combustibles suivants :
- Gas-oil;
- exploitation minière (huile moteur usagée);
- essence.
Nous avons mentionné le coût du carburant diesel au début de l'article - c'est la plus chère des options répertoriées. Le prix du pétrole sera d'environ 1/5 de ce chiffre, et le mazout - ?. Il est caractéristique que chaque type de combustible nécessite un brûleur spécial, sinon le sien.Et puis un paradoxe surgit : le coût du brûleur augmente inversement avec le coût du combustible ! Mais il existe aussi des brûleurs universels (très chers) qui peuvent fonctionner avec n'importe quel combustible liquide.

Les meilleures chaudières à combustible solide à pyrolyse
Buderus Logano S171
La programmation
Les chaudières à pyrolyse au sol de la production allemande Buderus Logano S171 sont disponibles en quatre versions d'une capacité de 20, 30, 40 et 50 kW. Ils fonctionnent automatiquement et ne nécessitent pas de contrôle humain constant. Leurs performances sont suffisantes pour chauffer des bâtiments peu élevés de différentes tailles. L'efficacité de l'équipement atteint 87%. Pour un fonctionnement normal, une connexion électrique de 220 volts est nécessaire. La consommation d'électricité ne dépasse pas 80 watts. L'appareil est fiable et facile à utiliser. Garantie constructeur 2 ans.
Regarder la vidéo du produit
Caractéristiques de conception
La chaudière a une chambre de combustion spacieuse de type ouvert avec un système d'alimentation en air à deux étages. Les gaz d'échappement sont évacués par une cheminée d'un diamètre de 180 mm. De larges portes facilitent le processus de chargement du carburant et la révision des dispositifs internes. La pression de conception dans le circuit de chauffage est de 3 bar. La température du caloporteur est de 55 à 85 ° C. Une protection contre la surchauffe est fournie.
Carburant utilisé. La principale source d'énergie est le bois de chauffage sec jusqu'à 50 cm de long.La durée de combustion d'un signet est de 3 heures.
Écosystème ProBurn Lambda
La programmation
Les chaudières à pyrolyse à circuit unique bulgares sont disponibles en deux versions d'une capacité de 25 et 30 kW. Leurs performances sont suffisantes pour chauffer une maison individuelle de taille moyenne. Le système de contrôle automatique nécessite un raccordement à un réseau électrique standard.
L'unité est conçue pour chauffer l'eau en circulation jusqu'à 90°C. La pression maximale dans le circuit est de 3 atmosphères. Il y a une protection contre la surchauffe du liquide de refroidissement. La chaudière est facile à entretenir et très efficace. Une garantie de 12 mois est fournie.
Regarder la vidéo du produit
Caractéristiques de conception
Il y a un tuyau de dérivation d'un diamètre de 150 mm pour le raccordement de la cheminée et des raccords 1 ½" pour le circuit de circulation. Une sonde est installée dans la zone de sortie du four à gaz de combustion pour mesurer la concentration en oxygène. Il donne des signaux de commande au registre qui régule l'alimentation en air.
Carburant utilisé. Le bois ordinaire est utilisé comme combustible.
Atmos CC 18S, 22S, 25S, 32S, 50S, 70S
La programmation
La gamme de chaudières à pyrolyse élégantes de cette marque comprend une gamme de modèles d'une capacité de 20 à 70 kW. Ils sont conçus pour une installation au sol dans des locaux résidentiels, industriels et d'entrepôt. L'équipement est très efficace et fiable. Pour le bon fonctionnement du système de contrôle automatique, l'unité nécessite une alimentation du réseau 220 V. La consommation électrique maximale est de 50 W.
Le système de régulation intelligente du débit d'air entrant dans la chambre de combustion assure l'efficacité de chaque modèle au niveau de 91%.
Regarder la vidéo du produit
Caractéristiques de conception
Les appareils se distinguent par des foyers spacieux d'une configuration spéciale, de larges portes et un panneau de commande pratique. La conception de l'échangeur de chaleur est conçue pour une pression maximale de 2,5 bar. L'échauffement maximum du liquide de refroidissement est de 90°C. En cas de surchauffe, un blocage de protection se déclenche. La sortie des fumées est adaptée pour raccorder des cheminées de différents diamètres.
Carburant utilisé.Pour charger le four, du bois de chauffage avec une humidité relative ne dépassant pas 20% doit être utilisé.
Kiturami KRH-35A
La programmation
Cet étage La chaudière de marque coréenne est conçue pour chauffage de locaux résidentiels et industriels jusqu'à 280 m². Il dispose de deux circuits d'échange de chaleur, travailler sur le chauffage et le chauffage eau chaude pour les besoins domestiques. Ils sont conçus pour des pressions de travail de 2 et 3,5 bars respectivement. Pour le bon fonctionnement de l'équipement, il est nécessaire de se connecter au réseau électrique.
Ce modèle dispose d'une télécommande avec un choix de plusieurs modes de fonctionnement. L'automatisation protège l'équipement contre la surchauffe et le gel du liquide de refroidissement. Efficacité de l'unité 91%.
Regarder la vidéo du produit
Carburant utilisé. La principale différence de la marque présentée est la polyvalence. La chaudière est capable de fonctionner non seulement avec du carburant solide, mais également avec du carburant diesel. Lors du chargement du charbon, sa puissance atteint 35 kW. Avec la version à carburant liquide, elle est réduite à 24,4 kW.
Instructions générales de montage
Avant d'acheter un appareil de chauffage, vous devez déterminer l'emplacement de son installation. Un four est destiné à cela, mais souvent il n'y a pas assez d'espace libre, car il est occupé par un gaz existant ou un autre appareil de chauffage. Ensuite l'installation d'une chaudière à combustible solide chez un particulier peut se faire derrière le mur de la chaufferie, dans une annexe. Un cadre de structures métalliques est installé et gainé de panneaux sandwich ou de tôles profilées avec isolation. L'option est pratique pour ceux qui vont chauffer au charbon, il n'y aura pas de saleté à l'intérieur de la maison.
Toutes les chaudières à combustibles solides bon marché pour une maison de faible puissance peuvent être placées directement sur une chape de sol rugueuse.Ils sont légers et n'exercent pas de charges de vibration sur la base, car ils ne sont pas équipés d'un ventilateur ou d'un convoyeur à vis pour l'alimentation des granulés. Pour les unités d'une capacité supérieure à 50 kW, il est recommandé de disposer une fondation en béton, qui doit reposer sur le sol et une litière de gravier compacté. La fondation est réalisée à 80-100 mm au-dessus du niveau de la chape, alors qu'elle ne doit pas y être associée. Les appareils de base nécessitent également des chaudières à combustion longue, qui ont un mécanisme pour soulever et abaisser une charge lourde.
Les projets de maisons privées prévoient généralement l'installation d'un puits de cheminée dans l'épaisseur du mur avec un tuyau sortant par le toit. Si la gaine est manquante ou occupée par un chauffage au gaz existant, il sera nécessaire d'installer une cheminée pour une chaudière à combustible solide. Pour ce faire, il est préférable d'utiliser des cheminées métalliques à double paroi avec isolation. Ils sont légers, assemblés à partir de sections de la longueur souhaitée et facilement fixés au mur de la maison. Pour les coudes et les branches, les mêmes tés et coudes à double paroi sont fabriqués. Les méthodes d'installation des cheminées avec et sans conduit d'évacuation sont illustrées sur la figure.
Une ventilation par aspiration naturelle est requise dans la chaufferie. Lorsque des chaudières de chauffage sont installées dans une maison privée, la hotte est fournie par un puits dans le mur. L'arbre est parallèle à la cheminée, seulement d'une section plus petite. En son absence, une grille de trop-plein est placée dans le mur extérieur, elle doit être située sous le plafond de la pièce. Le rôle de la hotte est le suivant :
- Un vide est créé dans le four, à la suite de quoi l'air d'alimentation des autres pièces est aspiré et utilisé pour la combustion. Les chaudières d'une capacité de 50 kW et plus nécessitent l'organisation d'une ventilation d'alimentation séparée.
- Élimination des produits de combustion entrés accidentellement dans la pièce.
La disposition approximative de l'équipement et le schéma d'installation d'une chaudière à combustible solide sont illustrés sur la figure.
Schéma d'installation d'une chaudière à combustible solide
Souvent, dans les chaufferies des maisons de campagne, il n'y a pas de sortie d'égout. Ce n'est pas tout à fait correct, car il est parfois nécessaire de vider le système ou la chemise d'eau de la chaudière. La soupape de décharge est envoyée au même drain.
Procédure d'installation
Pour effectuer les travaux, les instructions d'installation suivantes pour les chaudières à combustible solide sont proposées :
- Sortir le produit de son emballage d'origine.
- S'il n'y a pas assez d'espace dans la chaufferie, il est préférable d'assembler le produit dans la rue. Installez toutes les portes et le tiroir à cendres, ainsi que les autres éléments fournis séparément. Le ventilateur et les dispositifs d'automatisation n'ont pas besoin d'être installés, cela se fait après l'installation de la chaudière.
- Déplacez l'appareil à l'intérieur et installez-le sur une fondation ou un sol de manière à ce que le tuyau de sortie du gaz soit dans le même axe que le tuyau de cheminée. A domicile, l'installation à faire soi-même d'une chaudière à combustible solide doit se faire avec un assistant ; le poids de l'équipement est rarement inférieur à 50 kg.
- Fixez la chaudière sur la fondation ou la chape afin qu'il n'y ait pas de déformations.
- Raccordez la cheminée, installez un ventilateur avec une unité de contrôle et un groupe de sécurité.
- Connectez la chaudière au système de chauffage selon le schéma sélectionné.
Comment puis-je remplir le système de chauffage dans un immeuble

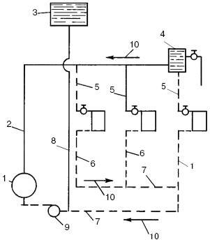
Schéma de chauffage de l'eau avec mouvement d'eau associé : 1 - chaudière ; 2 - colonne montante principale ; 3 - vase d'expansion; 4 - collecteur d'air; 5 - colonnes montantes d'alimentation; 6 - élévateurs inversés; 7 - ligne de retour ; 8 - tuyau d'expansion; 9 - pompe; 10 - direction de la pente du tuyau.
La vanne d'eau située dans la maison doit être fermée et l'évacuation de l'eau est progressivement ouverte sur la canalisation d'alimentation en liquide de refroidissement. A ce moment, la décharge sur la ligne de retour est bloquée. Ensuite, vous devez ouvrir très lentement l'obturateur sur la canalisation de retour jusqu'à ce qu'il soit complètement ouvert.
Il faut être prudent, car si l'alimentation en eau à haute pression du système de chauffage général est brusquement ouverte, cela peut entraîner des chutes de pression soudaines qui provoquent des coups de bélier. La poussée peut être si puissante qu'une seule suffira à casser le système dans les endroits les plus vulnérables. Il faudra un certain temps pour que le système de chauffage se remplisse.
La réinitialisation doit être surveillée en permanence. Lorsque l'eau s'écoule sans mélange de bulles d'air, et cela peut être compris par la cessation du sifflement caractéristique, la vanne de décharge est fermée. Il est maintenant temps d'ouvrir la vanne d'alimentation en eau d'une pièce particulière. Au stade final, il reste à purger l'air de tous les circuits de chauffage. Cette méthode de remplissage du système avec de l'eau est prévue pour le chauffage avec un câblage inférieur.
Il faudra un certain temps pour que le système de chauffage se remplisse. La réinitialisation doit être surveillée en permanence. Lorsque l'eau s'écoule sans mélange de bulles d'air, et cela peut être compris par la cessation du sifflement caractéristique, la vanne de décharge est fermée. Il est maintenant temps d'ouvrir la vanne d'alimentation en eau d'une pièce particulière.Au stade final, il reste à purger l'air de tous les circuits de chauffage. Cette méthode de remplissage du système avec de l'eau est prévue pour le chauffage avec un câblage inférieur.
Un système avec une tuyauterie supérieure semble beaucoup plus facile à manipuler.
Dans ce cas, simultanément, avec la même prudence, les deux registres doivent être ouverts en même temps, tandis que la décharge doit être fermée. Pour purger l'air, montez dans les combles du bâtiment et ouvrez les vannes d'aération prévues par la conception
exigences de la chaufferie
Les équipements à gaz appartiennent à la catégorie des risques d'explosion et d'incendie. Par conséquent, des exigences particulières sont imposées à la pièce dans laquelle il sera installé.
Tout d'abord, il devrait avoir de la lumière naturelle. Dans le même temps, pour chaque mètre cube de la pièce, il devrait y avoir au moins 0,03 mètre carré. m d'ouverture de fenêtre sans cadre, c'est-à-dire uniquement un vitrage. La fenêtre doit être équipée d'une fenêtre.

Le mur sur lequel la chaudière à gaz est installée doit être fini avec des matériaux incombustibles
Une autre condition préalable est la présence d'une ventilation forcée, qui peut fournir un changement du volume d'air de la pièce en 3 fois en une heure. De cette façon, la pollution par les gaz dans la pièce peut être minimisée.
De plus, le volume de la pièce dans laquelle il sera installé dépend de la puissance de la chaudière choisie. Les équipements d'une capacité de 30 kW et moins peuvent être placés dans 7,5 mètres cubes. m chaufferie.
Pour les appareils de chauffage dont la puissance varie de 30 à 60 kW, un four d'un volume de 13,5 mètres cubes sera nécessaire. m et plus. Si le radiateur est placé dans l'appartement, il est généralement installé dans la cuisine.
Cela est possible si toutes les exigences des SNiP sont remplies.Une nuance importante: dans ce cas, la puissance calorifique totale de tous les appareils de chauffage situés dans la cuisine ne doit pas dépasser 150 kW.
Selon les normes d'installation des chaudières à gaz murales, afin d'améliorer l'échange d'air dans la porte de la cuisine, il est nécessaire de faire un trou d'une superficie d'au moins 0,02 m² et de le fermer avec une grille.
Les experts recommandent pour l'installation dans un immeuble d'habitation uniquement des équipements avec un foyer fermé équipé d'une cheminée coaxiale. Dans les cuisines d'un volume de 7,5 mètres cubes. m et moins, il est interdit d'installer plus d'un appareil de chauffage.
Les exigences relatives à l'installation d'équipements de chauffage au gaz sont réglementées par SP-41-104-2000 et SNiP 42-01-2002. Le respect des normes d'installation garantit un fonctionnement sûr
Dans les maisons privées pour les chaudières à gaz, il est recommandé d'allouer une pièce séparée des pièces à vivre par des cloisons durables réfractaires.
Il est optimal que les matériaux avec lesquels la pièce est finie aient une durée limite de résistance au feu d'au moins 45 minutes. Il est souhaitable que l'aménagement des locaux évite la propagation rapide des flammes aux pièces à vivre.
La fixation de la chaudière à gaz ne peut se faire que sur une base solide. Les cloisons en contreplaqué ou en cloison sèche ne conviennent pas à ces fins. Le mur sur lequel le radiateur sera placé doit être fini avec des matériaux réfractaires.
Si ce n'est pas le cas, un substrat incombustible est monté sous la chaudière. La distance minimale entre l'appareil et les structures de support est de 0,5 m au plafond ou aux murs et de 0,8 m au sol.
Sur la photo, l'une des options de raccordement d'une chaudière à gaz murale
Chaufferie dans une maison particulière dans une pièce séparée (encastrée ou attenante)
Les chaufferies séparées pour l'installation de chaudières à gaz d'une puissance allant jusqu'à 200 kW doivent être séparées du reste des pièces par un mur incombustible avec une limite de résistance au feu d'au moins 0,75 heure. Ces exigences sont remplies brique, parpaing, béton (léger et lourd). Les exigences pour les fournaises séparées dans une pièce intégrée ou attenante sont les suivantes :
- Le volume minimum est de 15 mètres cubes.
- Hauteur de plafond :
- avec une puissance de 30 kW - 2,5 m;
- jusqu'à 30 kW - à partir de 2,2 m.
- Il doit y avoir une fenêtre avec une imposte ou une fenêtre, la surface vitrée n'est pas inférieure à 0,03 mètre carré par mètre cube de volume.
- La ventilation doit assurer au moins trois renouvellements d'air en une heure.
Si la chaufferie est organisée au sous-sol ou au sous-sol, la taille minimale de la chaufferie sera plus grande: 0,2 m2 s'ajoute aux 15 mètres cubes requis pour chaque kilowatt de puissance qui va au chauffage. Une exigence est également ajoutée aux murs et plafonds adjacents à d'autres pièces : ils doivent être étanches à la vapeur d'eau. Et une autre caractéristique: lors de l'installation d'équipements d'une capacité de 150 kW à 350 kW, une fournaise au sous-sol ou au sous-sol doit avoir une sortie séparée sur la rue. L'accès au couloir menant à la rue est autorisé.
Ce n'est pas la surface de la chaufferie qui est normalisée, mais son volume, la hauteur minimale des plafonds est également fixée
En général, il est conseillé de choisir la taille d'une chaufferie dans une maison privée en fonction de la commodité de l'entretien, qui, en règle générale, dépasse de loin les normes.
Exigences particulières pour les chaufferies attenantes
Il n'y en a pas beaucoup. Trois nouvelles exigences sont ajoutées aux points ci-dessus :
- L'extension doit être située sur une section solide du mur, la distance aux fenêtres ou portes les plus proches doit être d'au moins 1 mètre.
- Il doit être en matériau incombustible ayant une résistance au feu d'au moins 0,75 heure (béton, brique, parpaing).
-
Les murs de l'extension ne doivent pas être reliés aux murs du bâtiment principal. Cela signifie que la fondation doit être séparée, incohérente et qu'il ne faut pas construire trois murs, mais les quatre.
Ce qu'il faut garder à l'esprit. Si vous allez aménager une chaufferie dans une maison privée, mais qu'il n'y a pas de pièce d'un volume approprié ou que la hauteur du plafond est légèrement inférieure aux exigences, vous pouvez être satisfait et demandé en retour d'augmenter la surface vitrée. Si vous envisagez de construire une maison, vous devez répondre à toutes les exigences, sinon le projet ne sera jamais approuvé pour vous. Ils sont également sévères pour la construction de chaufferies attenantes : tout doit être aux normes et rien d'autre.
Lors du remplissage de liquide de refroidissement
Seules deux situations nécessitent la mise en œuvre de cette opération technologique :
- mise en marche du chauffage (au début de la saison de chauffe) ;
- redémarrer après les travaux de réparation.
Habituellement, l'eau du caloporteur est drainée à la fin du printemps pour deux raisons :
- L'eau est inévitablement contaminée par des produits de corrosion (à l'intérieur des radiateurs, les canalisations métal-plastique et polypropylène n'y sont pas soumises). En laissant l'ancienne eau pour la nouvelle saison, vous risquez de casser la pompe de circulation avec des contaminants solides.
- Les systèmes inondés non lancés des maisons de campagne peuvent «dégivrer» lors d'une vague de froid soudaine - de tels cas ne sont pas rares.En ce sens, le liquide de refroidissement antigel est préférable.La composition de haute qualité a des propriétés anti-corrosion élevées, ce qui augmente l'intervalle de «drainage» jusqu'à 5-6 ans. Il existe des cas de fonctionnement ininterrompu du chauffage sur le même volume d'antigel pendant 15 à 17 ans. Il est recommandé de vidanger l'antigel de mauvaise qualité après 2-3 ans.

Pompage d'antigel dans le système de chauffage.
Règles de base pour l'organisation de l'appoint de chauffage
Exemple d'appoint de système de chauffage
Quelle est la raison de la diminution du volume d'eau dans les canalisations ? La principale source de sa fuite est l'excès de la température de fonctionnement. En conséquence, une expansion critique du liquide se produit, après quoi son excès sous forme de vapeur sort par un évent (circuit fermé) ou un vase d'expansion ouvert (gravitationnel).
La machine de réapprovisionnement du système de chauffage installée compense le manque d'eau en ajoutant le volume requis à la ligne. Mais ce n'est pas le seul cas où il est nécessaire d'ajouter rapidement un liquide de refroidissement au système :
- Élimination des poches d'air. À la suite de l'ouverture du robinet ou de l'évent Mayevsky, une partie du liquide quittera inévitablement le système. Dans un circuit fermé, dans ce cas, une chute de pression se produira, à laquelle le réapprovisionnement automatique du système de chauffage doit répondre;
- Micro-fuites. Un montage lâche des joints de canalisation et une perte d'étanchéité, même à un petit niveau, entraîneront une diminution progressive du volume d'eau. Il est difficile d'identifier de tels défauts, mais c'est nécessaire. La vanne d'appoint automatique du système de chauffage ne fonctionnera qu'après que la pression aura atteint un niveau minimum ;
- Effectuer des travaux de réparation ou d'entretien;
- La formation de corrosion sur les parois des tuyaux métalliques, ce qui entraîne leur amincissement et, par conséquent, une augmentation du volume interne.À première vue, c'est un facteur mineur. Mais si la recharge d'un système de chauffage fermé n'est pas installée, la pression diminuera progressivement et des bouchons d'air commenceront à se former.
En quoi doit consister le dispositif d'alimentation du système de chauffage ? Tout dépend du type de système de chauffage. De plus, la conception de l'ajout d'un liquide de refroidissement au système est influencée par ses caractéristiques: pression, régime de température de fonctionnement, disposition des lignes, nombre de circuits de chauffage, etc.
Installer une chaudière à gaz
En règle générale, l'installation de chaudières de chauffage de ce type dans une maison privée nécessite un local non résidentiel séparé (chaufferie). Cela est nécessaire pour l'élimination des produits de combustion, c'est-à-dire pour l'installation d'une cheminée. La chaufferie doit être équipée d'une ventilation à l'entrée et à la sortie. Un trou est fait sous le plafond pour que l'air s'échappe et pour son entrée - à 30 cm du niveau du sol. L'installation des chaudières au sol s'effectue à l'aide de:
- Machine de soudage;
- perceuses et ensemble de perceuses ;
- clés, y compris le gaz ;
- un jeu de tournevis;
- ciseaux pour le métal;
- niveau du bâtiment ;
- ruban à mesurer et marqueur.
Préparation et connexion
La surface de montage doit être solide et de niveau, et idéalement la fondation doit être coulée. Pour assurer la sécurité lors du fonctionnement de l'équipement, il est nécessaire de poser une feuille de fer sur la fondation. La première étape consiste à amener la cheminée et à vérifier le tirage. Ensuite, connectez la chaudière au système de chauffage interne : devant l'entrée du tuyau de retour, installez un filtre qui protège l'échangeur de chaleur contre le blocage, et le raccordement à l'alimentation en eau doit être placé aussi près que possible de l'entrée du tuyau d'eau. dans la pièce.
Ce schéma fournira une haute pression dans le système et un approvisionnement constant en eau.
Cela est nécessaire pour démonter l'équipement sans rejeter d'eau. Il convient de noter que l'installation d'équipements de gaz n'est effectuée qu'après accord avec les autorités de contrôle avec la participation de spécialistes certifiés du service de gaz. Ne lésinez pas sur la sécurité !
Conclusions et vidéo utile sur le sujet
Regarder du matériel vidéo vous aidera à comprendre l'appareil et le principe de fonctionnement des unités de chauffage à combustible liquide.
Comparaison d'une chaudière diesel et d'une unité fonctionnant sur un "work out":
Les règles de choix des équipements de chauffage à combustible liquide seront discutées dans la vidéo suivante:
Les chaudières à combustible liquide se caractérisent par un haut niveau d'automatisation. Le chauffage à base d'appareils diesel vous permet d'atteindre l'autonomie, et l'absence de cadres rigides pour la documentation en fait une proposition attrayante. Cependant, un certain nombre de lacunes importantes dans l'entretien de la chaufferie maintient la demande d'unités diesel.
Si vous êtes préoccupé par le choix d'une chaudière au fioul, veuillez laisser vos questions dans l'encadré ci-dessous. Vous pouvez également y écrire des conseils pratiques sur le sujet de l'article ou partager votre expérience dans l'utilisation de tels équipements de chauffage.
































