- Étapes de travail
- Les fouilles
- Étanchéité
- Montage
- Caisson en béton à faire soi-même pour un puits
- Vidéo - Comment fabriquer un caisson en béton de vos propres mains
- Instructions pas à pas pour disposer un caisson en béton monolithique
- Qu'est-ce qu'un caisson de forage et pourquoi est-il nécessaire ?
- Nous construisons indépendamment un caisson en béton
- Aménagement d'une fosse pour la construction
- Pose de treillis de renfort
- Installation de coffrage de construction + coulage
- Construction de coffrage de couverture
- Remplir le couvercle de béton
Étapes de travail
Le caisson est lié à l'emplacement du puits ou de la fosse septique. Par conséquent, la conception est réalisée dans les conditions locales :
- analyse de la composition de la terre;
- identification de l'horizon des eaux souterraines;
- clarification de la profondeur de gel du sol;
- tenir compte des dimensions des équipements situés dans la cavité interne du caisson ;
- facilité d'installation et d'entretien des groupes motopompes à eau.
Le dispositif pratique d'un caisson pour un puits constitué d'anneaux en béton est divisé en plusieurs étapes:
- terrassements :
- choix de l'emplacement (lié à l'emplacement du puits);
- pose de tranchées pour pipelines;
- les fouilles;
- prendre des mesures pour se protéger contre l'excrétion;
- remplir l'espace libre restant avec de la terre;
- montage:
- disposition du drainage;
- fabrication de bases;
- installation d'anneaux;
- mesures d'étanchéité et d'isolation thermique;
- disposition du caisson :
- installation d'équipement de pompage;
- connexion de pipelines;
- opérations de mise en service.
- pose de couverture.
Les fouilles
Le creusement d'une fosse pour un caisson est effectué par des moyens mécaniques ou manuellement. Ceci est déterminé par la taille de la fosse et la composition du sol. Argile et limon, les roches sont traitées à l'aide d'une excavatrice. Grès légers, les limons sableux se prêtent au travail manuel, à condition que la profondeur ne dépasse pas deux ou trois mètres.
Les travaux sont effectués au printemps et en été. La meilleure option est en l'absence de précipitations.
La profondeur de la fosse est déterminée par la taille de la structure et le niveau de gel du sol. Le drainage est effectué au fond de la fosse, - une tranchée est creusée le long du contour jusqu'à 20 ~ 40 cm de profondeur, une largeur d'une baïonnette bêche, recouverte de gravats.
La base est en cours de fabrication - le fond est en béton. Me rappelle une fondation monolithique. Il est conseillé de prévoir des pièces métalliques encastrées pour la liaison avec la structure verticale. La dalle est installée sur un coussin de sable grossier (herbe).
Étanchéité
Contrairement aux produits métalliques ou polymères, le caisson est préfabriqué, composé de pièces individuelles. De plus, le béton est une substance hygroscopique. En raison de ces facteurs, il est nécessaire d'imperméabiliser le caisson des anneaux en béton:
- La paroi extérieure, les coutures sont recouvertes d'un matériau imperméabilisant. Pour améliorer l'adhérence, un prétraitement avec un apprêt à pénétration profonde de la série AQUA-stop est recommandé. Comme isolant, il est conseillé d'utiliser des mastics à base de bitume ou de goudron fondu.
- Les extrémités, avant installation directe en place, sont traitées avec du mastic silicone. Cette substance peut simultanément servir d'élément de liaison entre des pièces adjacentes.Mais la résistance mécanique au cisaillement du joint sera inférieure à celle d'un mortier ciment-sable.
- La couture, pour augmenter la résistance et l'étanchéité, est recommandée pour être bandée avec un matériau en maille (bande "serpyanka").
- La cavité intérieure du caisson est imprégnée de mastic de la série AQUA-stop, traité avec Penetron ou un matériau d'étanchéité similaire.
Montage
Le montage de la structure est réalisé dès que la fosse, canalisation est prête. Un mécanisme de levage est utilisé. Lors de l'installation d'un caisson d'anneaux en béton, il est nécessaire de surveiller l'alignement des pièces adjacentes.
Sous-séquence :
Un mortier de ciment-sable ou un mastic silicone est appliqué sur les joints. En présence de pièces métalliques encastrées, une fixation supplémentaire par soudage est réalisée.
Des travaux d'étanchéité sont en cours. Le mastic est appliqué en deux ou trois couches
Une attention particulière - la jonction de la partie inférieure et du fond. A cet endroit, la pression du sol et de la neige fondue est la plus grande.
L'anneau supérieur est installé à 10 ~ 20 cm au-dessus du niveau du sol
Cela empêchera la pénétration d'eau de fonte et de précipitations.
Le caisson est isolé, - avec le matériau de la série Penoplex à l'extérieur ou avec de la mousse plastique à l'intérieur. Il est conseillé d'envelopper la couche externe avec un film de polyéthylène en trois ou quatre couches.
Disposition du caisson - l'équipement nécessaire est installé à l'intérieur, les canalisations sont connectées. Réaliser les travaux de mise en service.
Le capot supérieur est monté, la ventilation est installée. Le long du périmètre, à une distance allant jusqu'à 0,5 ~ 1 mètre du mur extérieur, une isolation thermique (penoplex) est posée dans un champ continu, recouvert de terre.
Pendant le fonctionnement, en particulier pendant la période printemps-automne, il est nécessaire de vérifier périodiquement le caisson. En cas de pénétration d'eau extérieure, prendre des mesures pour l'éliminer.
Caisson en béton à faire soi-même pour un puits
S'il n'y a aucune possibilité ou désir de louer un équipement de levage, une boîte en béton monolithique peut être fabriquée pour protéger le puits et l'équipement. Mais vous devez tenir compte du fait que vous devrez consacrer du temps non seulement à la disposition, mais également au séchage des murs en béton. Une telle cuve est généralement réalisée en section rectangulaire pour simplifier la pose des coffrages.
Vidéo - Comment fabriquer un caisson en béton de vos propres mains
Il est préférable de faire un caisson au printemps. Cela permettra d'évaluer le taux d'humidité du fond de la fosse et de choisir le type de fond du caisson :
- en sol sec, une couche drainante de pierre concassée suffit ;
- un fond humide indique qu'une base monolithique en béton est nécessaire.
Une telle étude est réalisée au stade de la fouille.
Réalisation d'un plancher à caissons en briques
Instructions pas à pas pour disposer un caisson en béton monolithique
| Étape 1. Une fosse est creusée autour de la tête. Sa profondeur est déterminée non seulement par le point de congélation du sol, mais également par le type de base du caisson. La couche de drainage est généralement de 25 à 30 cm et le fond en béton monolithique avec un coussin de sable est de 20 cm.Pour déterminer la largeur de la fosse, vous devez ajouter 10 cm pour chaque mur à la taille interne sélectionnée, plus un espace pour les parois de la fosse si le coffrage est double . Les lacunes sont également importantes à haut GWL pour faire des sinus de drainage autour du caisson. | Creusez une fosse autour de la tête |
| Étape 2 Disposez le bas. Pour un faible GWL, on recouvre d'abord une couche de sable compacté de 10 cm, puis une couche de gravier de 15 cm.Si le fond de la fosse est humide, une base en béton est coulée. Pour ce faire, un film est posé sur le coussin de sable, qui va également sur les parois de la fosse, et une grille de renfort est posée sur les barres de bois afin qu'elle ne touche pas les parois. Ensuite, la solution de béton est coulée avec une couche de 10 cm, fermant l'armature. | Disposez le bas |
| Étape 3. Une fois le fond sec, le coffrage est érigé. Dans les sols non coulants, cela peut être fait avec un seul mur, tandis que la partie extérieure sera réalisée à côté de la fosse, recouverte d'un film. Dans les sols humides et émiettés, les deux murs de coffrage sont des planches en planches de bois, entre lesquelles un treillis de renfort est installé. Il est impératif à ce stade de prévoir les points de sortie de l'alimentation en eau et l'entrée du câble d'alimentation. | Fabrication de coffrage |
| Étape 4. La solution de béton est malaxée et introduite dans le coffrage. Pour une distribution uniforme du béton et la commodité de le couler, une gouttière est fabriquée à partir d'un tuyau en plastique. Servir le béton par portions, en le compactant avec un outil vibrant ou une baïonnette. Cela vous permet d'éliminer l'air et de rendre le béton dense. | Mélanger la solution de béton et la verser dans le coffrage |
| Étape 5 Séchez correctement les murs en béton. Pour ce faire, ils sont aspergés d'eau et recouverts d'un chiffon humide jusqu'à 5 jours. Une telle mesure empêchera la formation de fissures dues à l'évaporation rapide de l'humidité. | Murs en béton sec |
| Étape 6. Après une semaine, le coffrage est retiré et les travaux sont arrêtés pendant environ 4 semaines pour que le béton mûrisse complètement. | Enlever le coffrage |
| Étape 7 Installez une dalle de béton finie avec une trappe comme plancher. Il est possible de couler le toit à partir d'une solution en béton, après avoir préalablement construit un coffrage horizontal. Tenez compte de l'emplacement de la trappe et de la sortie des tuyaux de ventilation et d'arrosage. | Coffrage de dalle horizontale |
| Étape 8L'imperméabilisation est appliquée sur les parois du réservoir de l'intérieur et de l'extérieur, par exemple du mastic bitumineux. | Appliquer du mastic bitumineux sur les parois du réservoir |
Le réservoir est prêt. À la fin, l'équipement et une échelle sont installés, toutes les communications sont démarrées et connectées, en remplaçant les joints de tuyaux et de câbles par les parois du caisson. Après cela, un remblayage est effectué et la zone autour du réservoir est ennoblie.
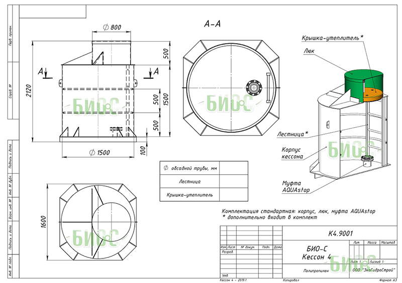
Qu'est-ce qu'un caisson de forage et pourquoi est-il nécessaire ?
Un caisson est un conteneur protégé de manière fiable contre la pénétration d'eau. Initialement, ils étaient utilisés exclusivement pour les travaux sous-marins, puis d'autres domaines d'application leur ont été trouvés.
En particulier, des chambres hermétiques ont commencé à être installées sur la tête du puits. Le caisson standard a une conception très simple. Il s'agit d'un conteneur qui se ferme avec une trappe sur le dessus.

Un caisson pour un puits est un conteneur étanche qui protège la tête des effets des basses températures et de la pénétration des eaux souterraines.
À travers elle, une personne descend dans la chambre pour effectuer des travaux d'entretien et de réparation. Dans la partie inférieure de l'appareil, il y a une entrée de tuyau de boîtier, dans les parois latérales, il y a des entrées pour les câbles et les conduites d'eau.
Le couvercle, et dans certains cas les parois du caisson, sont isolés. Le plus souvent, de la mousse ou du polymère expansé est utilisé à cette fin. La chambre de conception classique est réalisée sous la forme d'un cylindre d'une hauteur d'environ 2 m et d'un diamètre d'au moins 1 m.
Ces dimensions n'ont pas été choisies par hasard. La hauteur du conteneur est due à la nécessité de protéger les équipements installés à l'intérieur contre les effets des basses températures.La section de raccordement de l'alimentation en eau et la tête du puits doivent être placées sous le niveau de congélation du sol.
Le plus souvent, il s'agit d'une profondeur de l'ordre de 1 à 2 m, c'est cette valeur qui détermine la profondeur du fond de la chambre et, par conséquent, sa hauteur.
Le diamètre du récipient n'a pas non plus été choisi au hasard. Il devrait suffire d'installer le matériel nécessaire et de placer à l'intérieur une personne qui descendra pour effectuer l'entretien ou la réparation du puits.
Lors du choix d'un caisson, vous devez comprendre qu'une conception trop petite sera peu pratique à utiliser et qu'une conception trop grande sera inutilement coûteuse. Après tout, les chambres étanches sont des équipements assez coûteux.

La taille du caisson doit correspondre exactement à la quantité d'équipement qui y sera placé. De plus, une personne qui est descendue pour entretenir les instruments doit y être placée librement.
Un conteneur étanche enterré dans le sol remplit deux fonctions principales :
- Protection des équipements contre les basses températures. En hiver, l'eau fournie par le puits est exposée à des températures négatives. Dans de telles conditions, il peut geler et gâcher, voire casser le pipeline.
- Protection des eaux souterraines. Le caisson empêche l'eau du sol de pénétrer dans la tête de puits, ce qui prolonge la durée de vie de l'équipement.
De plus, le caisson est un endroit pratique pour placer tout l'équipement nécessaire au fonctionnement du puits.
Une station de pompage, divers systèmes de purification de l'eau, un adaptateur de forage, des vannes d'arrêt à entraînement électrique ou pneumatique, des canalisations et une automatisation contrôlant une alimentation en eau autonome sont généralement installés ici.
Une chambre étanche à l'humidité protège de manière fiable tous ces équipements contre les accès non autorisés, contre les dommages causés par les rongeurs et les insectes.

Les chambres en matériaux à fort transfert de chaleur doivent être isolées en plus. À ces fins, seuls les types d'appareils de chauffage non hygroscopiques conviennent.
Nous construisons indépendamment un caisson en béton
Avant de commencer le travail, vous devez décider si un conteneur scellé est nécessaire ou non. La première option est choisie dans le cas d'un niveau d'eau souterraine élevé et dans ce cas il faut équiper un sol en béton, dans la seconde vous pouvez vous en passer en ajoutant de la pierre concassée au fond. Vous devez également connaître les dimensions de la future structure. Si l'équipement du puits sera situé à l'intérieur, la taille minimale du caisson est de 1x1x1 m, si dans le réservoir il est de 1,5x1,5 m avec une hauteur d'environ 1,8 m.
Le processus de construction d'un caisson en béton se déroule en plusieurs étapes. Regardons de plus près.
Aménagement d'une fosse pour la construction
Un trou de la taille requise est creusé autour du tube de tubage. La pierre concassée est coulée au fond avec une couche d'environ 15 cm. Avant de commencer les travaux, il est préférable de recouvrir les parois de la fosse d'un film de fondation qui protégera la structure des eaux souterraines.

Les parois de la fosse sont mieux recouvertes d'un film: ainsi les eaux souterraines ne pénètrent pas à l'intérieur
Pose de treillis de renfort
En partant des parois de la fosse d'environ 7-8 cm, un treillis de renfort est tricoté. Sa hauteur dépend de la taille de la future structure. Il est préférable de remplir toute la structure dans son ensemble, mais cela est loin d'être toujours possible, puis l'installation du caisson pour le puits est divisée en plusieurs étapes. En conséquence, sur le premier, une rangée de renfort de la hauteur requise est installée par incréments d'environ 30x30 cm.

Si un coulage échelonné de la structure est prévu, le coffrage est réglé à une hauteur d'environ la moitié de la structure
Installation de coffrage de construction + coulage
Le coffrage peut être assemblé à partir d'anciennes barres et planches. Les experts conseillent de le recouvrir d'une agrafeuse de construction avec une pellicule plastique. Cela facilitera grandement le retrait de la structure du béton durci. Une fois le coffrage installé, le béton est coulé. Si le bétonnage est effectué par étapes, alors après la «mise en place» du matériau, il est censé répéter les opérations d'assemblage des armatures, d'installation des coffrages et de coulage jusqu'à l'obtention d'une structure de la hauteur souhaitée.

Les murs de la structure sont coulés avec du béton jusqu'à ce qu'ils atteignent la hauteur souhaitée.
Une fois la structure complètement sèche, des trous sont pratiqués dans les parois du caisson avec un perforateur pour amener les conduites d'eau nécessaires. Au lieu de passage à travers le béton, des manchons métalliques sont posés sur les pièces.
L'espace entre le manchon et le tuyau est scellé avec de la mousse de montage, entre le béton et le manchon - avec du mortier.

Les endroits où les conduites d'eau pénètrent dans le caisson sont scellés
Construction de coffrage de couverture
La conception est un bouclier en bois posé sur des barres. Pour sa construction, un matériau durable est utilisé. Environ six barres sont placées verticalement sur les planches, plus de barres sont posées horizontalement sur le dessus. Tout est vissé. Des planches de coffrage sont fixées à la base résultante. La conception doit prévoir un trou pour la trappe, sur lequel une boîte en bois de la taille souhaitée est installée. La structure résultante doit être renforcée par le bas avec des barres avant de couler.

Le coffrage du couvercle est un bouclier en bois, renforcé par le bas avec des barres
Remplir le couvercle de béton
Le bâtiment est coulé avec du béton. La trappe est fixe.

Pour équiper la trappe, un col spécial en béton est réalisé
Le caisson en béton est prêt. Si nécessaire, ses murs peuvent être traités avec un composé imperméabilisant, car le béton est très hygroscopique et isolé. De même, vous pouvez équiper un caisson en brique. Seulement dans ce cas, la maçonnerie est utilisée pour construire des murs.










Creusez une fosse autour de la tête
Disposez le bas
Fabrication de coffrage
Mélanger la solution de béton et la verser dans le coffrage
Murs en béton sec
Enlever le coffrage
Coffrage de dalle horizontale
Appliquer du mastic bitumineux sur les parois du réservoir 






































