- Nettoyage du système de drainage
- Impact sur la santé
- Combien cela coûtera-t-il si vous ne l'installez PAS vous-même ?
- Coordination pour l'installation d'un système split
- Pourquoi le climatiseur pleure-t-il ?
- Comment nettoyer votre climatiseur à la maison
- Comment nettoyer le filtre du climatiseur
- Comment nettoyer le système de drainage du climatiseur
- Comment nettoyer un ventilateur de climatiseur
- Comment nettoyer un radiateur de climatisation
- Comment nettoyer un évaporateur de climatiseur
- Où vidanger l'eau du climatiseur: normes et options pour un dispositif de drainage pour un système divisé
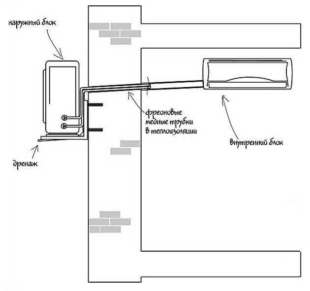
- Installation de l'unité extérieure
- objectif
- Le but du tube de vidange dans le climatiseur
- Règles d'installation de l'unité intérieure
- Principe d'opération
- Pourquoi la condensation coule-t-elle et que faire à ce sujet ?
- Tuyaux de vidange pour climatiseurs
- Comment se forme la condensation dans un climatiseur ?
- Raccordement du climatiseur au secteur
- Options d'évacuation des condensats
Nettoyage du système de drainage
Dans des conditions domestiques, sans l'aide d'un spécialiste, il est possible de nettoyer le système de drainage uniquement si seule la buse du bain est sale. Pour cela, vous avez besoin de :
Détachez le filtre qui se trouve sur le boîtier du climatiseur et rincez-le soigneusement.
Après avoir retiré les fixations inférieures, déconnectez le tube de drainage et retirez le bain.
Rincez ces pièces en faisant particulièrement attention aux trous.
De plus, les experts recommandent d'utiliser des désinfectants pendant la procédure de nettoyage, par exemple une solution de chlorhexidine.
Pour les autres pannes liées à un drainage bouché, vous avez besoin d'un équipement technique, il est préférable d'appeler le maître. L'auto-réparation peut endommager des équipements coûteux.
Impact sur la santé
Le principal danger de colmatage du drainage n'est pas les conséquences de l'inondation des voisins ou de la panne d'un appareil coûteux, mais la menace pour la vie et la santé des habitants de la chambre froide. S'il y a de la saleté, de l'eau et de la chaleur, cela crée automatiquement le risque de créer tout un incubateur d'infections diverses dans le système divisé :
- Champignons de moisissure. Certaines souches peuvent provoquer des maladies respiratoires pouvant aller jusqu'au cancer du poumon.
- bactéries. Il existe une certaine variété qui cause la maladie du légionnaire, une inflammation bactérienne des poumons. Dans le même temps, le taux de mortalité est très élevé.
- Une odeur désagréable est le moindre des maux possibles. En même temps, cela sert en quelque sorte de dernier avertissement - il est temps de nettoyer le drainage.
Combien cela coûtera-t-il si vous ne l'installez PAS vous-même ?
Divers facteurs influent sur le coût de l'installation. Ainsi, il est généralement moins cher d'installer des modèles de petite capacité que des unités plus puissantes, car ces dernières peuvent différer par le poids de l'unité extérieure, le diamètre du tuyau, le déplacement du réfrigérant, etc. Le prix du type d'installation le plus simple d'un système split mural à Moscou (avec l'installation d'une unité extérieure sous la fenêtre et d'une unité intérieure à une distance maximale de 5 m de l'unité extérieure) est de 7000-9000 roubles, les systèmes multi-split sont environ deux fois plus chers.
Séparément, vous devrez payer un supplément pour les services de poursuite des murs sous la piste ou d'installation de la boîte, pour le travail des grimpeurs (le cas échéant), pour le ravitaillement du système divisé, pour diverses situations non standard, etc. Chaque entreprise développe une liste d'échange de services et de prix, après vérification avec laquelle vous pouvez calculer les dépenses futures.
Coordination pour l'installation d'un système split
Du point de vue de la législation russe, l'installation d'un système fractionné équivaut à un réaménagement et à une réorganisation des locaux. Après tout, l'unité extérieure (et, contrairement à l'unité intérieure, ne diffère pas par ses fioritures de conception et ressemble à une grande boîte) gâche l'apparence de la façade du bâtiment, fait beaucoup de bruit et dégouline également de condensat, ce qui irrite les voisins et peut endommager les murs du bâtiment. Autrement dit, le système divisé affecte l'apparence du bâtiment et peut interférer avec les résidents. Et le réaménagement, comme vous le savez, doit être coordonné ... Ou pas?
Depuis 2005, à Moscou, pour l'installation légale d'un climatiseur, il a fallu passer par une procédure complexe en plusieurs étapes: développer un projet d'installation de l'appareil, calculer le bruit de l'unité extérieure, coordonner le projet avec Rospotrebnadzor, AEZ, Moscomarchitecture, puis obtenez l'autorisation de l'inspection du logement de Moscou. De plus, le projet et les calculs de bruit ont été réalisés par des organismes spécialisés - et en aucun cas gratuitement. Le coût de tous les retards dépassait parfois le coût de l'équipement lui-même.
Cependant, après l'été anormalement chaud de 2010, les autorités de la ville ont révisé les termes de l'accord. En conséquence, depuis 2011, des systèmes fractionnés peuvent être installés à Moscou sans passer par une procédure compliquée de collecte de documents et de permis. Cette mesure permet aux utilisateurs de climatiseurs d'économiser du temps et de l'argent.
Certes, l'inspection du logement se réserve le droit de vérifier si les conditions d'installation du climatiseur sont conformes aux normes ; sinon, le propriétaire devra tout réparer à ses frais. Mais avec des bâtiments reconnus comme objets du patrimoine culturel, c'est plus difficile: ici l'installation d'un climatiseur est autorisée du côté de la cour, sur la façade «avant» - uniquement sous certaines conditions.
Dans les régions de Russie, la situation de coordination se développe de différentes manières. Dans certaines régions et villes, il existe des actes législatifs exigeant l'approbation de l'installation d'un climatiseur, dans d'autres non. Souvent, les autorités locales ferment les yeux sur l'installation de systèmes split, ne réagissant qu'aux cas où des plaintes sont reçues concernant un climatiseur particulier. Ensuite, le propriétaire peut être amené à démonter l'équipement ou à modifier sa configuration (par exemple, refaire le système d'évacuation pour qu'il ne gêne pas les voisins ou n'endommage pas les murs). Parfois, vous devez coordonner l'installation d'un système divisé avec le HOA.
De nombreuses sociétés de développement ont pris en charge le problème des climatiseurs et des façades des maisons à l'avance. C'est maintenant une pratique courante lorsque les résidents des nouveaux immeubles qui veulent installer un climatiseur.
Il est prescrit de placer les unités extérieures à certains endroits. Les blocs situés selon de telles règles s'intègrent harmonieusement dans l'architecture du bâtiment. Une option encore plus pratique consiste à créer des zones spécialement conçues pour les climatiseurs sur les balcons. Ils vous permettent d'installer facilement le climatiseur et de le protéger de la pluie.
Pourquoi le climatiseur pleure-t-il ?
Comme mentionné ci-dessus, le climatiseur fuit, probablement en raison d'un système de drainage bouché.Pendant le fonctionnement du système divisé, du condensat se forme inévitablement sur l'échangeur de chaleur de l'unité d'évaporation, qui s'écoule dans un bac spécial, et de là, à travers le tuyau de drainage, est évacué à l'extérieur de la pièce.
Mais pendant le fonctionnement du climatiseur, la poussière, les particules de poils d'animaux et autres contaminants que le filtre n'a pas retenus adhèrent à l'échangeur de chaleur humide. La pollution, avec le condensat, pénètre dans le puisard et de celui-ci dans le tuyau de vidange. Le problème est que le diamètre du tube de drainage n'est que d'environ 10 mm. La poussière et la saleté du climatiseur obstruent très facilement les trous de vidange, le condensat n'a nulle part où aller et il s'écoule simplement du bac.
C'est la cause la plus fréquente des fuites de climatisation. Mais dans certains cas, le flux de la technologie climatique indique des problèmes plus complexes, par exemple :
Gel du condensat sur l'échangeur de chaleur. Du givre apparaît sur l'évaporateur en cas de baisse des performances du climatiseur. La raison en est peut-être une diminution du volume de réfrigérant dans le système, des filtres obstrués et l'échangeur de chaleur lui-même. Lors de la décongélation, l'humidité ne tombera pas dans la casserole comme il se doit, mais s'écoulera vers le sol à travers les éléments internes du bloc.
- Régulateur de pression cassé. La chute de pression dans le système entraîne une diminution de la température de l'échangeur de chaleur de l'unité d'évaporation. donc glace et fuite comme dans le premier cas.
- Dans certains modèles de climatiseurs, une pompe spéciale est utilisée pour éliminer le condensat du puisard. Lorsqu'il échoue, l'humidité n'est pas pompée et un débordement se produit.
- Endommagement du capteur de niveau de condensat.
Il existe des causes plus courantes de fuite, telles que le givrage et une mauvaise installation du système divisé.Comment nettoyer l'équipement climatique à la maison, sera décrit ci-dessous.
Comment nettoyer votre climatiseur à la maison
Sachant à quelle fréquence vous devez nettoyer, vous devez savoir comment nettoyer correctement l'appareil à la maison. La question de savoir comment laver vous-même le climatiseur peut être déroutante, mais en réalité, il n'y a rien de compliqué à ce sujet.
Pour commencer, quelque chose doit être placé sur le sol sous l'unité intérieure, sur lequel la saleté tombera afin de laver le système split sans salir l'appartement. Ensuite, le capot avant et la grille de protection sont retirés. Retirer vous-même le couvercle du climatiseur n'est pas difficile. Dans le cas d'un climatiseur bk 1500, vous aurez devant vous des filtres, un système de vidange, un radiateur avec un évaporateur et bien sûr un ventilateur.
Comment nettoyer le filtre du climatiseur
Si vous souhaitez nettoyer vous-même le système split, le nettoyage des filtres est une étape obligatoire. Les filtres sont la première chose qui saute aux yeux lorsque l'on retire le couvercle du climatiseur bk 1500. Il ressemble à une fine maille, parsemée de cloisons en plastique.
Selon les entreprises, leur nombre varie de un à trois. Ces articles nécessitent des lavages fréquents. Vous pouvez même comprendre comment nettoyer intuitivement le filtre du climatiseur. Le lavage à l'eau froide, à l'aspirateur ou avec une brosse ordinaire convient.
Les filtres doivent être séchés avant d'être remis en place.
Comment nettoyer le système de drainage du climatiseur
La clé du nettoyage du drain se trouve dans son appareil. Le système se compose d'un tube et d'un plateau qui recueille le liquide. Pour retirer ce dernier, il est déconnecté de la carte, puis détaché du tube de vidange.Il suffit de rincer le bain avec de l'eau.
Maintenant, comment nettoyer le tuyau de vidange du climatiseur. Habituellement, un compresseur ou un aspirateur allumé pour le soufflage y est attaché, et il est simplement soufflé avec un flux d'air puissant. Après le canal est traité avec de la chlorhexidine. Il est pompé et laissé pendant 15 minutes, puis la procédure de soufflage est répétée. Ces actions assureront une bonne propreté de la vidange du climatiseur.
Pour vérifier le système à la maison et s'assurer que tout est fait correctement, un litre et demi d'eau est versé dans le drainage. L'absence de fuites est le signe d'un nettoyage de qualité.
Comment nettoyer un ventilateur de climatiseur
Après avoir retiré les filtres, la poussière est soufflée avec un aspirateur avec une fonction de soufflage ou avec une bombe d'air comprimé. Ensuite, les pales du tambour sont recouvertes d'eau savonneuse. Il est préférable de le faire avec un pinceau adapté.
Le détergent peut être à la fois du savon à lessive et du liquide vaisselle. Le ventilateur se débarrassera de la saleté lui-même lorsque vous l'allumerez. Au préalable, vous devez mettre une sorte de film sous la grille du diffuseur.
Comment nettoyer un radiateur de climatisation
Malheureusement, il n'existe aucun moyen de nettoyer soigneusement le radiateur à la maison. Vous devrez vous limiter au nettoyage de surface.
Le radiateur du climatiseur bk 1500 est situé sous le panneau avant, qu'il faudra dévisser. Il se nettoie avec une brosse ordinaire, de préférence à poils longs. Ensuite, en basculant le système en mode recirculation à une température minimale, il est nécessaire de pulvériser environ un demi-litre d'antiseptique dans la zone d'admission d'air.
Comment nettoyer un évaporateur de climatiseur
L'évaporateur se nettoie de la même manière que le radiateur du climatiseur bk 1500, mais la brosse doit être entraînée exclusivement de haut en bas, afin d'éviter d'endommager les plaques minces. Le film de saleté de l'échangeur de chaleur est parfaitement éliminé par un nettoyeur à vapeur. Procéder ensuite au traitement avec un antiseptique.
Vous avez reçu suffisamment d'informations sur la façon de nettoyer vous-même le climatiseur, mais cela n'épuise toujours pas l'entretien de la technologie climatique. D'une manière ou d'une autre, le système split, tel qu'il est utilisé, perdra du réfrigérant, environ 5% par an, s'il n'y avait pas de dépressurisation.
Par conséquent, même en sachant nettoyer vous-même le système de séparation, vous ne pourrez pas vous passer des services de spécialistes. Périodiquement, vous devrez envoyer le climatiseur à un centre de service pour vérification, puis il vous ravira avec un service long et sans faille.
Où vidanger l'eau du climatiseur: normes et options pour un dispositif de drainage pour un système divisé
L'éternel casse-tête des installateurs et des concepteurs : où vidanger l'eau du climatiseur. Personne n'est satisfait de l'installation d'un conduit avec drainage à travers tout le mur, les voisins du dessous se plaignent de l'eau qui coule du tuyau de drainage 24 heures sur 24. D'accord, cette question mérite une recherche d'une solution plus digne.
Vous apprendrez tout sur les questions d'éducation, de collecte et d'évacuation des condensats qui accompagnent le fonctionnement d'un système de séparation domestique à partir de l'article que nous avons présenté. Nous vous dirons comment vous en débarrasser avec un minimum d'inconvénients pour vous et les autres. Considérez les recommandations pour l'installation d'un tuyau de drainage et comment le sortir.
Installation de l'unité extérieure
Le choix d'un emplacement pour le montage de l'unité extérieure doit être pris très au sérieux - non seulement l'efficacité de l'appareil et sa sécurité, mais également le confort des propriétaires et des résidents des appartements voisins dépendront du résultat.
L'unité extérieure est fixée au mur du bâtiment ou sur le côté du balcon. Il est permis d'installer le bloc à l'intérieur du balcon, mais seulement s'il n'est pas vitré. N'installez pas l'unité sur le sol à moins que l'équipement ne soit solidement soutenu.
La surface sur laquelle l'unité extérieure sera fixée doit être rigide, durable et supporter le poids de l'équipement (et l'unité peut peser plusieurs dizaines de kilogrammes). L'unité extérieure est montée sur des supports, qui sont parfois complétés par des joints anti-vibrations, bien que ce ne soit pas une action obligatoire.
Il est important que l'unité extérieure soit de niveau et horizontale, car un mauvais alignement peut entraîner des dysfonctionnements. Le corps du bloc est installé de sorte qu'il y ait un espace vide entre lui et le mur
Il ne doit pas y avoir de saillies de murs ou d'autres obstacles à proximité de l'unité qui interfèrent avec l'échange d'air. Une mauvaise circulation de l'air réduit les performances du climatiseur.
L'unité ne doit pas être située à proximité immédiate des fenêtres des appartements voisins - le bruit qu'elle produit et les courants d'air chaud peuvent interférer avec les résidents, ce qui deviendra un motif de réclamation de la part de l'inspection du logement. Si vous envisagez de faire passer le canal de drainage à travers l'unité extérieure, vous devez le monter de manière à ce que le condensat ne coule pas sur les murs, les rebords de fenêtre et les passants en dessous.
Le type d'installation le plus simple et le plus économique consiste à installer l'unité extérieure sous la fenêtre. Cependant, il ne réussit pas toujours.Ainsi, en raison de la proximité de l'unité extérieure avec la fenêtre, le bruit et les vibrations résultant du fonctionnement de l'appareil peuvent être ressentis à l'intérieur. Par conséquent, de nombreux propriétaires choisissent de monter l'unité extérieure sur des murs vierges, loin des fenêtres. Dans ce cas, le mur lui-même deviendra une protection fiable contre le bruit. Mais l'installation d'un bloc dessus coûtera également plus cher, car il devra être suspendu au mieux avec un escabeau (si l'on parle des étages inférieurs de la maison), et au pire - en utilisant les services de grimpeurs industriels.
Contrairement à la plupart des types d'appareils électroménagers, le climatiseur nécessite un entretien. Non seulement l'unité intérieure, mais aussi l'unité extérieure sont soumises à une inspection et à un nettoyage périodiques. Par conséquent, l'accessibilité facile du bloc pour les maîtres est un plus indéniable. Mais il n'est pas toujours possible de deviner de sorte qu'il est pratique de se rendre au bloc et en même temps cela ne dérange personne. Il est généralement plus facile d'inspecter les unités extérieures fixées sous la fenêtre (certains fabricants développent à cet effet des unités avec un capot supérieur facilement amovible), au rez-de-chaussée, sur le balcon. Si le bloc est suspendu à distance des fenêtres ou même sur un mur vierge, les services des mêmes grimpeurs industriels seront nécessaires pour l'inspection.
Les unités extérieures sont fabriquées en tenant compte du fait qu'elles peuvent être placées à l'extérieur, mais il est préférable de les protéger de la lumière directe du soleil et des précipitations. À ces fins, une visière peut être installée au-dessus de l'unité extérieure - elle protégera l'équipement du soleil, de l'eau, de la neige, ainsi que des chutes de glaçons et de glace lors du nettoyage du toit.
Lien connexe : La technologie climatique (humidificateurs, systèmes split, climatiseurs) en questions et réponses
objectif
Siphon pour système divisé est un dispositif spécial qui relie le tuyau de sortie des condensats au système d'égouts. Le but principal de l'appareil est d'éliminer l'humidité du climatiseur pour drainer les communications et protéger les locaux de l'odeur désagréable des eaux usées. De plus, l'utilisation d'un siphon assure l'esthétique de l'extérieur des bâtiments en empêchant l'eau de ruisseler sur les murs et le trottoir. En même temps, à côté de la composante esthétique, il y a aussi une composante pratique.
Ainsi, l'eau qui goutte du tuyau de sortie forme des flaques d'eau et humidifie excessivement les zones aveugles des maisons. Ceci, à son tour, affecte négativement la fondation et conduit finalement à sa destruction. En hiver, les climatiseurs qui ne sont pas équipés d'un siphon risquent de tomber en panne en raison du gel des condensats à l'intérieur du tuyau d'évacuation.


Le but du tube de vidange dans le climatiseur
La condensation fait partie intégrante du fonctionnement efficace du climatiseur. Son apparence s'explique par le principe de fonctionnement du système divisé lui-même. En été, lorsque la température de l'air est élevée, les propriétaires de climatiseurs essaient de refroidir leurs maisons et leurs appartements à l'aide de climatiseurs. Le système split lui-même, ou d'autres types d'équipements, s'acquitte efficacement de sa tâche à l'aide d'un réfrigérant. Il s'agit le plus souvent de fréon.
Le principe de fonctionnement du climatiseur est basé sur le refroidissement par air. C'est à l'aide du fréon, qui circule dans le groupe compresseur-condenseur le long des lignes de cuivre, que la température baisse.Étant donné que la partie condenseur avec l'échangeur de chaleur de l'équipement est toujours située dans la rue, c'est là que se produit la collision du «chaud» avec le «froid». Les gouttelettes de liquide s'accumulent activement à la surface du condenseur, ce qui peut nuire au fonctionnement du climatiseur si elles ne sont pas correctement éliminées.
Il est important que l'élimination du condensat n'interfère pas avec d'autres personnes (dans les bâtiments résidentiels à plusieurs étages). Le tube doit être situé à l'écart des fenêtres et des murs, car il est possible de nuire à l'intégrité de la structure elle-même
Et la meilleure option est de connecter le drainage au système d'égouts. Mais, cette méthode ne présente aucun inconvénient. Mais seuls les propriétaires de biens privés peuvent l'organiser.

Le tube doit être sorti le plus loin possible des murs de la maison
Règles d'installation de l'unité intérieure
L'unité intérieure est la partie du système split dont la conception et l'amélioration fonctionnelle font l'objet d'une grande attention. Et pas en vain, car il est situé à l'intérieur, pourrait-on dire, c'est le "visage" de l'équipement climatique. Il existe de nombreuses exigences pour l'installation de l'unité intérieure du climatiseur, qui sont conçues pour l'organiser de la manière la plus qualitative.
Nous listons les règles de base pour l'installation de l'unité intérieure d'un système split utilisé par des spécialistes :
L'installation de l'unité intérieure du climatiseur est soumise à de nombreuses exigences conçues pour l'organiser de la manière la plus qualitative. Nous listons les règles de base pour l'installation de l'unité intérieure d'un système split utilisé par des spécialistes :
- Il est préférable d'installer l'appareil avant ou après les réparations dans la pièce. Ainsi, vous pouvez établir des voies de communication de la manière la plus pratique et la moins coûteuse.
- Il est nécessaire de respecter des distances strictement marquées par rapport aux murs, plafonds les plus proches: au moins 10 cm au plafond, au moins 10 cm aux murs, en tenant compte du fait que de l'appareil au point de sortie des communications - au moins 50 cm .
- Il est impossible d'installer des fenêtres derrière des rideaux, dans des niches. Cela limitera le flux d'air refroidi, il ne circulera que dans l'espace de l'ouverture de la fenêtre.
- Il ne doit pas être installé au-dessus de commodes hautes, d'armoires (minimum - 1 m). Le flux d'air sera également limité par l'obstruction, et la poussière accumulée sur les meubles pénétrera dans la pièce.
- Ne peut pas être installé au-dessus des éléments du système de chauffage. Le capteur de température à l'intérieur de l'unité détectera en permanence une température élevée, l'incitant à fonctionner en continu en mode refroidissement. Cela entraînera une usure rapide des pièces, une défaillance du système climatique.
- Aménagez de manière à ce que les lieux de repos, de travail, de séjour fréquent des personnes soient en dehors du flux d'air refroidi direct.
- Le dispositif de climatisation doit être placé strictement à l'horizontale pour éviter l'accumulation puis le débordement des condensats du réservoir de vidange.
Principe d'opération
Structurellement, les siphons pour climatiseurs sont similaires aux appareils de plomberie ordinaires: ils ont également une prise d'entrée et de sortie, et les chambres à air sont reliées les unes aux autres par un élément en zigzag - un genou.
Le principe de fonctionnement des deux appareils est également le même et est le suivant: le condensat formé lors du fonctionnement du système divisé pénètre dans le siphon par un tuyau de sortie spécial et commence à s'y accumuler. Une fois que le niveau de liquide s'est élevé au-dessus du haut du genou, l'eau commence à s'écouler du siphon par le tuyau de sortie et à aller dans les égouts.Dans le même temps, le bouchon d'eau situé dans le genou ne permet pas aux odeurs d'égout de pénétrer dans la pièce, créant ainsi un joint d'eau. En d'autres termes, les masses d'air et le liquide peuvent se déplacer à travers le siphon dans un seul sens, tandis que l'appareil agit comme un clapet anti-retour. L'écoulement d'eau dans le siphon se produit en continu, grâce à quoi il ne stagne pas et ne dégage pas d'odeur désagréable.
Pourquoi la condensation coule-t-elle et que faire à ce sujet ?
Les principales conditions de fuite de condensats de votre climatiseur sont :
- Les normes technologiques qui doivent être respectées lors de l'installation du climatiseur ont été violées ;
- Des matériaux et autres équipements de qualité inférieure ont été utilisés dans l'appareil;
- Manque de mesures préventives régulières et d'entretien professionnel.
Lors de l'évacuation des condensats, le liquide s'écoule dans le puisard après s'être accumulé sur les ailettes de l'évaporateur. Ensuite, à travers le pipeline, le liquide s'écoule dans la rue sous l'influence des forces gravitationnelles. Dans ce scénario, le problème peut survenir en raison de la pente incorrecte du tube de vidange. Il est contre-indiqué d'utiliser une bouteille de refroidisseur de bureau comme récipient pour l'accumulation de condensat.
Il est préférable de choisir un appareil qui drainera périodiquement le condensat de manière indépendante et constante. En cas de colmatage du tuyau de vidange, tout le drainage est supprimé. Le plateau est retiré. Si une pompe est installée dans le système de drainage, un filtre avec une chambre à flotteur est intégré dans le tuyau de vidange.Pour nettoyer le tuyau de vidange du climatiseur, il suffit de le souffler avec la bouche ou une pompe, puis de verser le détergent dans le tuyau de vidange.
Après cela, vous devez bien nettoyer le blocage avec un câble. Vérifiez maintenant le fonctionnement du climatiseur
Pour ce faire, sans assembler toute la structure, versez soigneusement plusieurs verres d'eau à travers l'évaporateur. Faites juste attention à ne pas verser de liquide sur la boîte à bornes avec le tableau de commande de la climatisation
Tuyaux de vidange pour climatiseurs
Il est plus facile de poser une voie de drainage avec des tuyaux ondulés
Le tuyau de vidange du climatiseur, à l'aide duquel le condensat formé à l'intérieur en est retiré, est en polyéthylène ou en chlorure de polyvinyle. Ces matériaux ne sont pas affectés par l'eau et les produits fabriqués à partir de ceux-ci sont très durables. En pratique, les fabricants complètent les climatiseurs avec deux types de tubes renforcés - lisses et ondulés. Les tubes lisses se trouvent le plus souvent dans les modèles économiques de climatiseurs. Leur installation sans aménagements spéciaux est impossible.
L'utilisation de tuyaux lisses avec raccords pour la pose d'une canalisation de drainage est recommandée lorsque le climatiseur est situé à proximité de l'égout. Si le point de raccordement du tube à l'égout est à une distance suffisamment grande, l'utilisation de raccords complique grandement l'installation de la canalisation.
Les tuyaux ondulés sont très flexibles et l'installation de la canalisation de drainage peut être effectuée sans raccords. Le tuyau de vidange du climatiseur, assemblé à partir de tubes ondulés, peut être plié à n'importe quel angle, ce qui simplifie grandement le processus de pose du pipeline.
Comment se forme la condensation dans un climatiseur ?
Le principe de fonctionnement d'un climatiseur est similaire à celui d'un réfrigérateur. L'évaporateur froid est soufflé par un jet d'air, qui est ensuite refroidi et pénètre dans la pièce sous cette forme.Un courant qui passe constamment entraîne avec lui une quantité importante de vapeur d'eau, qui se dépose sur une surface froide sous forme de gouttelettes d'eau. Si une température basse est réglée, l'évaporateur est recouvert d'une épaisse couche de givre, qui fond par pauses. Une journée à partir d'une petite installation peut accumuler 20 litres ou plus d'humidité, nécessitant une élimination organisée. Si tout un réseau d'installations fonctionne dans une pièce, les volumes de condensat deviennent un problème sérieux qui nécessite une solution organisée. Les solutions les plus efficaces au problème consistent à vidanger le climatiseur dans les égouts.
Raccordement du climatiseur au secteur
Pour terminer avec l'unité intérieure, nous procédons au raccordement des câbles d'alimentation.
Après avoir ouvert le capot avant de l'unité intérieure, dévisser le bouchon en plastique pour connecter le câble.
Après avoir inséré le câble, connectez-le conformément au schéma électrique. Pour cela, recherchez les désignations sur le bornier :
Phase L
N-zéro
icône de la terre
Vérifiez sur le câble d'alimentation où vous avez la phase et le zéro et connectez les extrémités correspondantes à vos bornes.
Lors de la connexion d'un climatiseur de faible puissance (jusqu'à 2,5 kW) directement à partir d'une salle de contrôle sans prise, un câble à trois conducteurs VVGng-Ls 3 * 2,5 mm2 doit être posé dans votre stroboscope.
Une machine 16A est installée dans le bouclier.
Avec un conduit de faible puissance jusqu'à 1 kW, vous pouvez bien sûr utiliser une section transversale et 1,5 mm2 + 10A automatique, mais 2,5 mm2 est une option plus polyvalente et vous permettra de changer le système divisé pour plus de puissance sans problèmes dans le avenir.
Si le climatiseur doit être connecté via une prise existante, utilisez un fil avec une prise PVA 3 * 2,5 mm2.
Pour connecter les unités intérieures et extérieures les unes aux autres, il n'y a également rien de compliqué.Ici, en règle générale, un câble 4*2,5 mm2 ou 5*2,5 mm2 est utilisé. Les marquages des bornes sur ces blocs sont les mêmes.
En conséquence, vous jetez un câble entre eux (pas un fil PVS, mais un câble VVGng!) Et connectez les fils de la même couleur aux bornes L1 sur l'unité intérieure et L1 sur l'extérieur, N - sur l'intérieur et N - sur l'extérieur, etc. Suivez simplement le schéma de connexion et les étiquettes.
Parfois, le climatiseur lui-même dans la pièce est alimenté non pas par la prise, mais par l'unité extérieure (le plus souvent pour les modèles à onduleur). Dans ce cas, l'extérieur disposera de quelques bornes supplémentaires.
C'est la phase zéro-terre. Ensuite, le câble d'alimentation de la prise ou du diffuseur dans le tableau de distribution, posez-le à l'extérieur et non à l'unité intérieure.
La connexion des tubes de route de fréon de l'extérieur est similaire à la connexion de la pièce.
Options d'évacuation des condensats
Il existe plusieurs façons de vidanger les climatiseurs. Le moyen le plus simple consiste à faire un trou dans le mur ou la fenêtre et à y faire passer un tuyau jusqu'à la rue, qui à une extrémité est reliée à la buse du bain située sous l'évaporateur de l'unité intérieure de l'unité. C'est la simplicité des opérations effectuées qui est considérée comme un gros plus de cette méthode.
Mais il a aussi des côtés négatifs :
- un tuyau suspendu au côté du mur n'augmente en rien la présentabilité de l'apparence du bâtiment, en particulier pour une maison privée;
- de l'extrémité libre du tuyau, pendant le fonctionnement du climatiseur, l'eau coulera tout le temps, ce qui, si elle tombe sur le reflux voisin de la fenêtre (inférieure), entraînera un scandale avec les voisins.
La deuxième option pour évacuer les condensats consiste à raccorder le tuyau d'évacuation à l'égout.La méthode est idéale pour de nombreuses pièces, mais elle présente un gros problème - l'absence d'une section d'égout dans la pièce où l'unité intérieure du climatiseur est installée. Sortie:
- Installez des tuyaux d'égout dans cette pièce avec une pente allant jusqu'à 3%.
- Procédez à l'installation des tuyaux de drainage jusqu'à la section d'égout la plus proche avec la même pente minimale.
Quelle option choisir pour évacuer le condensat du climatiseur vers l'égout, chacun décide par lui-même. Mais il faut indiquer que les coûts les plus bas, tant en termes financiers qu'en termes d'intensité de main-d'œuvre des travaux effectués, concernent la seconde méthode. Premièrement, les tuyaux de drainage peuvent être posés à la fois à l'intérieur du mur le long des stroboscopes réalisés, suivis d'un scellement avec des mortiers de réparation, et le long de la base du sol avec une finition ultérieure.
Deuxièmement, tous les produits creux de type scellé peuvent être utilisés comme tubes de drainage. Le plus souvent, pour cela, un tuyau ondulé de petit diamètre est acheté.
Attention! Pour éviter que des odeurs désagréables ne pénètrent dans les locaux depuis le système d'égouts, un joint hydraulique sous la forme d'un siphon d'égout conventionnel est installé à la jonction du raccordement des tuyaux de drainage et des tuyaux du système d'égouts. S'il n'y a aucune possibilité de monter un siphon, le tube ondulé est plié sous la forme de la lettre "S". Aussi une option efficace.
C'est aussi une option efficace.
Et un instant. Si le climatiseur n'est pas utilisé pendant une longue période, le joint hydraulique s'assèche, ce qui entraîne la pénétration d'odeurs désagréables provenant des égouts. Par conséquent, périodiquement, un peu d'eau doit être versée dans le système de vidange. Et c'est probablement le seul inconvénient de cette méthode.
La troisième option pour l'évacuation des condensats est l'installation d'une pompe spéciale.Cette méthode de drainage n'est utilisée que dans deux cas: le système de drainage est long, il contient des gouttes. Dans les climatiseurs domestiques, les pompes ne sont pas incluses dans l'emballage, bien qu'elles soient vendues séparément, et il ne sera pas difficile de l'acheter, plus de la monter. Dans presque toutes les unités industrielles, des pompes de drainage sont installées en usine.
Les pompes sont nécessairement incluses dans l'emballage standard des climatiseurs à cassette et à gaine. Certaines pompes sont installées dans des unités externes, mais le plus souvent, elles sont installées dans des unités internes. Ils sont généralement équipés d'un récipient supplémentaire dans lequel le condensat est collecté. Et déjà à partir de là, la pompe pompe le liquide.















































