A quelle distance installer un geyser

Comment installer un chauffe-eau à gaz dans un appartement: exigences et travail

Armoires et prises

Bien souvent, un geyser dans une salle de bain, notamment chez les particuliers, ne « s'intègre » pas bien à l'intérieur et se cache donc dans une sorte d'armoires murales assemblées autour du radiateur. Dans les petits appartements, pour masquer les chauffe-eau à gaz, on utilise souvent les niches dans les murs, dans lesquelles les radiateurs sont montés. Il n'y a aucune interdiction directe sur un tel placement, cependant, toutes ces armoires, niches et boîtes doivent être dimensionnées pour fournir un accès GRATUIT à tous les composants et côtés de l'appareil à gaz.

A quelle distance installer un geyser

Les modèles de chauffe-eau à gaz bon marché et «budgétaires» ne comportent pas dans leur conception d'équipements électriques nécessitant une alimentation électrique séparée, tels que l'allumage électrique et les unités de commande électroniques. Pour les modèles haut de gamme, l'électronique intégrée est alimentée par des piles ou des accumulateurs et ne nécessite pas non plus de ligne électrique.

Cependant produisant encore des chauffe-eau à gaz, pour un fonctionnement normal dont il est nécessaire de se connecter non seulement au gaz, mais également à une prise électrique. Dans ce cas, la prise doit être placée dans une zone appropriée, qui exclut l'entrée d'humidité (zone 2 ou 3). Le boîtier métallique du chauffe-eau de cette conception doit être mis à la terre.

Astuce #3 : Assurez-vous de suivre attentivement les instructions lors de l'installation.

Encore une fois, je vous rappelle que même si l'installation de chauffe-eau à gaz est tout à fait réalisable par vous-même, n'oubliez pas que vous avez affaire à du gaz, donc toute prestation amateur est à exclure.

L'instruction commence par la préparation de tout l'équipement nécessaire qui sera nécessaire pour mener à bien le plan:

Accessoires

Nom Objectif
Tuyaux ou flexibles en plastique Raccordement de l'alimentation en eau et de l'alimentation en gaz
Raccord Connexion de fragments de tuyau
Vannes d'arrêt Couper l'arrivée d'eau et de gaz
Filtres magnétiques et à sel Purification de l'eau entrante
Ondulation Raccordement cheminée
Vis en acier avec chevilles en plastique Fixation de l'enceinte au mur
Perforateur Faire des trous de cheville
Cisailles à tuyaux Coupe de tuyau
Fer à souder pour tuyaux Soudage de tuyaux
clé à molette Connexions filetées torsadées

A quelle distance installer un geyser

Les tuyaux en PVC pour l'eau et le gaz diffèrent par la couleur de marquage

Fixation de l'appareil au mur

Avant d'installer un geyser dans une maison privée, assurez-vous d'aménager une ouverture de cheminée au-dessus de son emplacement. La sortie de ventilation peut se faire aussi bien dans le mur que dans le plafond, à votre convenance.

Ensuite, nous procédons comme suit :

  1. Les trous de montage sont clairement visibles à l'arrière de l'appareil. Nous les mesurons et transférons les données reçues au mur;
  1. Nous insérons une perceuse avec une pointe victorieuse dans le nez du perforateur et perçons des trous aux endroits marqués;

A quelle distance installer un geyser

Percer un mur en béton avec une perceuse à percussion

  1. Maintenant, nous tordons les vis, dans certains cas, il peut s'agir de crochets et y accrochons une colonne de gaz de nos propres mains.

Comme vous pouvez le voir, jusqu'ici tout est aussi simple que si vous deviez accrocher une étagère ou un tableau. Mais il est trop tôt pour se détendre, maintenant ce sera quelque chose d'un peu plus difficile.

Lien

Et maintenant que l'appareil est déjà suspendu devant vous, quelle est la prochaine étape ?

  1. Nous coupons un morceau de tuyau ondulé de la longueur appropriée et connectons la sortie de la colonne à la sortie de la cheminée. En règle générale, l'ondulation est livrée avec l'équipement à gaz lui-même, il ne faut donc pas non plus s'attendre à des complications de ce côté;

A quelle distance installer un geyser

Photo d'un tuyau ondulé reliant un geyser à une cheminée

  1. Nous coupons l'alimentation en gaz, coupons le tuyau de gaz, si nous parlons d'un produit métallique, qui nécessitera une meuleuse, coupons le fil et enroulons le té, après avoir enveloppé le fil avec un ruban adhésif spécial pour améliorer l'étanchéité;

A quelle distance installer un geyser

Té installé sur le gazoduc

  1. Nous connectons la deuxième extrémité du pipeline au té et à une sortie en plastique menant au trou correspondant sur l'appareil à installer, ce qui est très pratique à faire avec un fer à souder pour tuyaux.N'oubliez pas non plus d'utiliser un ruban fumigène, et nous fixons le tuyau lui-même avec des clips au mur afin qu'il ne pende pas de la canopée;
  2. Maintenant, nous avons coupé l'alimentation en eau, après quoi, de la même manière avec le gazoduc, nous avons coupé le té. Seulement dans ce cas, avant la ramification, nous installons également des filtres à sel et magnétiques. Ainsi, vous prolongerez considérablement la durée de vie du chauffe-eau;
  3. Nous connectons le tuyau menant au mélangeur à la sortie de la colonne.

A quelle distance installer un geyser

Un exemple de connexion terminée

Soit dit en passant, si vous ne remplacez que l'ancien équipement par du neuf, vous avez déjà installé tous les tés et la tâche est simplifiée en une connexion banale de tuyaux ou de tuyaux.

Essai

Le premier lancement de la colonne de gaz est une sorte d'évaluation du travail que vous avez effectué, il doit donc également être effectué correctement :

  1. Nous pétrissons la solution savonneuse avec laquelle nous enduisons tous les joints du gazoduc;
  2. Nous ouvrons l'alimentation en gaz et inspectons très soigneusement les connexions filetées pour détecter la possibilité de bulles;
  3. Si une fuite de gaz est remarquée quelque part, il est alors nécessaire de fermer immédiatement le gazoduc et de refaire le raccordement. Si tout va bien, ouvrez l'alimentation en eau;
  4. Nous attendons un certain temps jusqu'à ce que le liquide passe à travers les filtres et ouvrons le robinet d'eau chaude. Ensuite, un clic d'un piézo devrait être entendu, à moins, bien sûr, que vous ayez oublié de mettre les piles, après quoi le brûleur s'allumera et le liquide souhaité s'écoulera du mélangeur.

A quelle distance installer un geyser

Fonctionnement du brûleur à colonne de gaz

Tout, vous pouvez prendre un bain, laver la vaisselle et les mains, enfin, en général, exploiter les fruits de votre travail.

Exigences de ventilation et de cheminée

Une bouche d'aération est nécessaire pour créer une circulation d'air dans la pièce. Il ne doit pas être obstrué, l'air doit le traverser calmement.Si vous négligez cette règle, en cas de fuite de gaz, les locataires de l'appartement seront empoisonnés avec de graves conséquences.

Le risque de détonation du gaz domestique augmentera considérablement s'il n'est pas éliminé naturellement, car une fuite peut se produire la nuit, lorsqu'une personne n'est pas en mesure de la détecter.

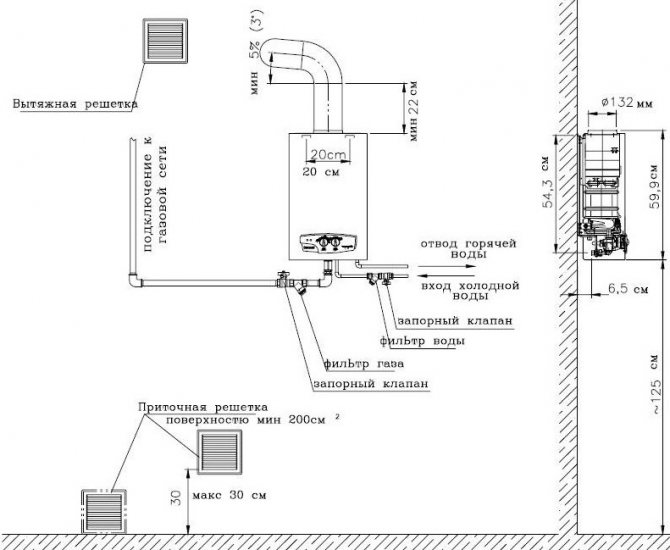
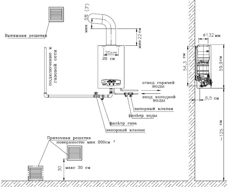
Pour le fonctionnement normal de la colonne de gaz, il est nécessaire de réaliser en plus une cheminée. Il peut être amené dans le système général de la maison ou directement dans la rue. Lors de la construction d'une cheminée, il faut tenir compte du fait qu'elle ne peut pas avoir plus de deux coudes à un angle de 90 degrés.

La longueur totale de la cheminée ne doit pas dépasser trois mètres. Trois options pour l'emplacement du tuyau de cheminée sont autorisées.

Le tuyau doit avoir une section verticale au point de raccordement au chauffe-eau. La longueur de la section verticale doit être supérieure ou égale à 50 cm La longueur de la section horizontale du tuyau ne doit pas dépasser deux mètres.

Lire aussi :  Tuyaux à gaz pour cuisinières à gaz: variétés, comment choisir et se connecter

Il est permis de fabriquer une cheminée à partir d'un tuyau ondulé flexible, mais il est nécessaire d'exclure son affaissement, qui peut bloquer l'évacuation des produits de combustion.

Si le dispositif à colonne n'implique pas de cheminée, il est alors impossible de limiter trou d'aération dans le mur. Il est nécessaire d'installer une hotte à part entière, mais même dans ce cas, le service de gaz aura des questions sur un tel système d'élimination du monoxyde de carbone.

Galerie d'imagesPhoto de Le canal destiné à l'évacuation des produits de combustion du geyser doit être conduit au puits de ventilation général de la maison. Il doit avoir un minimum de virages et de sections qui empêchent la sortie du gaz B dispositif de cheminée pour les chauffe-eau instantanés à gaz utilisent des tuyaux rigides et ondulés en plastique ou en métal De plus en plus, les propriétaires d'équipements à gaz préfèrent les options de tuyaux ondulés faciles à installer.À ce jour, les tuyaux et les éléments rotatifs en tôle galvanisée, en plastique, en acier inoxydable, en acier peint sont utilisé dans la construction de canaux d'évacuation des fumées.

Brèves instructions pour l'installation d'un geyser

Ces informations ne doivent pas être considérées comme un guide d'action. Faire un remplacement haut-parleurs à faire soi-même, ainsi que travailler avec tout équipement à gaz est interdit non seulement par la loi, mais aussi par le bon sens: une telle «activité amateur» dans un immeuble peut avoir des conséquences désastreuses.

Pour une utilisation professionnelle :

  • geyser certifié;
  • conduite d'eau en PVC;
  • raccords de type "américain" ;
  • coupe-tubes;
  • fer à souder;
  • tuyau métal-plastique pour l'alimentation en gaz;
  • raccords pour métal-plastique;
  • robinets à gaz;
  • filtre à sel et magnétique;
  • la grue de Mayevsky ;
  • robinet ordinaire;
  • clés proportionnelles;
  • perceuse;
  • ainsi que des chevilles et des vis.

L'avancement des travaux et les principales exigences pour eux:

Le choix de l'emplacement d'installation de la colonne doit être basé sur la possibilité d'organiser la hotte conformément à toutes les règles et réglementations, la commodité de l'emplacement de la colonne, ainsi que la possibilité de fournir des communications.

Le volume de la pièce dans laquelle la colonne sera installée doit être de 8 m³ ou plus.

Les haut-parleurs sont installés uniquement sur des murs ignifuges.Dans un autre cas, une surface à combustion lente est tapissée d'une feuille galvanisée de 0,8 à 1 mm d'épaisseur, après avoir préalablement fixé une feuille de carton isolant thermique en basalte de 3 à 5 mm d'épaisseur sur le mur.

IMPORTANT! L'installation d'enceintes sur des murs en bois est interdite !

La colonne est accrochée au mur, étant donné que la hauteur d'installation peut être arbitraire, mais ne contredit pas les règles d'installation de la sortie d'air. Il doit y avoir au moins 15 cm entre le panneau latéral de l'enceinte et le mur, et un espace d'au moins 60 cm doit être laissé devant le panneau avant de l'enceinte.

Les points de fixation sont marqués sur le site d'installation de la colonne, puis percés avec une perceuse. La colonne est fixée aux vis.

Les normes d'installation de la connexion entre la colonne et le système d'alimentation en eau prévoient l'utilisation de tuyaux métalliques ou de tuyaux flexibles d'un diamètre intérieur d'au moins 13 mm. Dans ce cas, la longueur du tuyau ou du tuyau ne doit pas dépasser 2,5 m (des paramètres similaires doivent être respectés lors de l'organisation du raccordement au système d'alimentation en gaz).

L'installation de la connexion de gaz à la colonne doit être effectuée uniquement avec le robinet d'arrêt installé.

Avant d'installer la cheminée, vérifiez le tirage. Dans des conditions normales, elle devrait être d'environ 1,96-29,40 Pa (selon le type de pièce).

Le tuyau d'échappement doit avoir un diamètre d'au moins 110 mm, tandis que sa longueur ne peut pas dépasser 2 m, mais ne peut être inférieure à 300 mm. La pente du tuyau d'échappement doit être d'au moins 2° vers le haut.

IMPORTANT! Il est également interdit d'effectuer indépendamment le premier démarrage de l'eau à travers la colonne. Tous les travaux liés au test du système, à l'installation d'un nouveau distributeur ou au démontage d'un ancien doivent être effectués uniquement par des représentants qualifiés de GORGAZ.Le schéma d'installation de la colonne doit être inclus avec le produit

Les instructions du fabricant pour l'installation de cet appareil y sont également données.

Le schéma d'installation de la colonne doit être inclus avec le produit. Les instructions du fabricant pour l'installation de cet appareil y sont également données.

Pour l'installation de colonnes, seules les cuisines et les locaux non résidentiels destinés au placement de ces appareils de chauffage conviennent.

Cependant, dans la salle de bain, les règles d'installation interdisent le montage de la colonne, car. cette pièce ne répond pas aux exigences de base (voir SNiP 2.04.08-87 FOURNITURE DE GAZ).

Dans les réglementations antérieures, l'installation de haut-parleurs dans les salles de bains était autorisée. Mais après le changement de législation, on ne peut parler que de déplacer la colonne de la salle de bain vers la cuisine ou tout autre local non résidentiel, si nécessaire, remplacer l'appareil par un nouveau.

Figure 4 - Schéma d'installation d'un geyser

Les exigences d'installation des enceintes nous permettent également de considérer chaque cas individuel : par exemple, dans une maison particulière qui n'appartient pas aux bâtiments standards, il peut être possible d'installer une enceinte dans un large couloir ou une pièce sans fenêtre, mais ayant accès, cependant, dans une chambre spacieuse avec une fenêtre.

Figure 5 - Vérification du tirage avant l'installation du geyser

Foire aux questions sur le placement du geyser

La documentation du projet indiquera l'emplacement du chauffe-eau avec la possibilité de le réorganiser dans la même pièce dans un rayon de 1,5 m de l'emplacement d'origine. Certaines nuances concernant le placement devront être décidées de manière indépendante, sur la base des documents réglementaires en vigueur.

Ce n'est qu'avec l'installation correcte des chauffe-eau à gaz qu'il est permis de les mettre en service.Avant de commencer la colonne, l'inspecteur effectuera une inspection afin d'identifier les infractions commises lors de la connexion. Sur la base des résultats de l'audit, le passeport technique est tamponné avec le début des travaux. Il y a plusieurs questions sur les règles de connexion. Vous trouverez ci-dessous les réponses aux plus courantes.

Est-il possible de cacher l'enceinte dans un placard

Oui, c'est autorisé, sous réserve de quelques conditions. Vous pouvez fermer la colonne de gaz avec une armoire si :

  • après avoir fait face, l'accès de l'air sans entrave au brûleur restera;

la flamme sera en vue, au niveau des yeux.

En pratique, cela signifie que vous pouvez retirer la colonne dans une armoire sans fond. Dans certaines régions, les travailleurs du gaz exigent que le corps des chauffe-eau ne soit pas fermé par une porte. Selon la sécurité incendie, il est possible de dissimuler une colonne de gaz dans une armoire, à condition que la cheminée n'entre pas en contact avec des matériaux inflammables. En conséquence, vous devrez retirer le haut de l'armoire.

Est-il possible de mettre une cuisinière à gaz sous la colonne

Dans ce cas, les exigences du fabricant de la chaudière sont respectées. La distance entre la colonne et le poêle est, conformément au mode d'emploi, de 40 cm.Dans les anciens appartements de Khrouchtchev, les écarts étaient souvent réduits à 15 cm.Mais la coentreprise déclare que lors du placement, il est nécessaire de respecter les normes spécifiées dans le passeport. En conséquence, il reste au moins 40 cm entre le poêle et la colonne.La violation des écarts entraîne un déni de service de garantie.{banner_downtext}Le deuxième point qui empêche d'accrocher la colonne au-dessus du poêle est le placement d'équipements consommateurs de gaz spécifié dans le projet. Le non-respect des recommandations entraîne des amendes et l'arrêt du chauffe-eau par l'inspecteur.

A quelle distance installer un geyser

Est-il possible d'accrocher une colonne sous un tuyau de gaz

Les règles ne l'interdisent pas, mais indiquent la nécessité de pauses. Il doit y avoir au moins 15 cm entre la colonne et le tuyau de gaz.

Lire aussi :  12 meilleurs appareils de chauffage au gaz pour le gaz en bouteille : évaluation de l'appareil et conseils aux acheteurs

La documentation de conception prévoit généralement le placement d'une chaudière à flux. L'installation est effectuée conformément aux paramètres définis, y compris la distance de la colonne au tuyau de gaz. Si le tuyau est plus haut, l'écart est augmenté à 25 cm.

Est-il possible d'installer une colonne au-dessus de l'évier

Dans l'ancien SNiP, valable jusqu'à 65 g, cela était autorisé. Dans le "Khrouchtchev", pour économiser de l'espace, le placement au-dessus de l'évier était assez courant. Bien qu'une telle norme ne soit pas directement prescrite dans les ordres de construction modernes, les travailleurs du gaz peuvent exiger que la distance entre la colonne et l'évier soit d'au moins 40 cm.

La raison de l'interdiction est assez simple. L'humidité entraîne la sédimentation et la concentration de monoxyde de carbone. L'augmentation des cas d'empoisonnement et de fuites entraîne un durcissement constant de la réglementation. Lors de la connexion d'une nouvelle colonne, cette exigence devra être respectée.

Est-il possible de placer un réfrigérateur sous une colonne ou à côté

Les fabricants d'appareils électroménagers interdisent le placement à proximité chaudière à gaz à flux. La distance entre le réfrigérateur et la colonne est déterminée par les écarts indiqués dans le passeport de l'équipement. Le réfrigérateur ne fonctionnera pas correctement et surchauffera constamment si le chauffe-eau est à moins de 30 cm de celui-ci.

Pour garantir des conditions normales, il est important de prévoir un espace suffisant pour le réfrigérateur entre l'arrière du boîtier, où se trouve le radiateur, et le mur, d'environ 5 cm. Connexion de la colonne de gaz effectué conformément au projet préparé et aux recommandations du fabricant

La connexion du geyser est effectuée conformément au projet préparé et aux recommandations du fabricant.

Sélection de l'emplacement

A quelle distance installer un geyser

Les principales restrictions sont liées au risque d'incendie : d'où l'interdiction de placer des unités dans les pièces à vivre, pièces trop exiguës et où la ventilation n'est pas suffisante. Les règles suivantes en découlent :

  • la colonne ne doit pas être placée au-dessus de la table de cuisson (y compris les cuisinières électriques);
  • il n'est pas permis d'accrocher l'unité au mur bordant les pièces d'habitation ;
  • il est impossible d'installer une colonne lorsqu'un revêtement de flexion de grande longueur (250 cm ou plus) est nécessaire pour l'allumer, alors qu'il est permis de poser un tuyau combiné composé d'un tuyau flexible et d'un fragment soudé à l'acier d'alimentation en gaz des pistes;
  • le placement dans une pièce de balcon avec une cheminée sortie à l'extérieur ne contredit pas les normes sanitaires, mais rend difficile la pose de canalisations.

Les conduites d'alimentation en gaz ne doivent pas être posées à des endroits où des composés chimiquement agressifs sont susceptibles de pénétrer. Le transit tirant à une hauteur de plus de 2 m est autorisé en l'absence d'éléments de renfort et détachables sur la voie. Les tubes en acier qui traversent les structures murales et les dalles de plancher doivent être munis de manchons aux points d'entrée et de sortie.

Le tuyau d'alimentation en gaz peut être posé à l'aveugle dans des stroboscopes et ouvertement - le long de la surface du mur. Dans ce dernier cas, la possibilité d'accéder à la voie d'approvisionnement doit être envisagée. Il peut être posé dans un caisson avec des trappes de visite amovibles sur toute la longueur.

Tuyau d'échappement pour un geyser - caractéristiques de choix

L'un des appareils les plus courants qui peuvent fournir de l'eau chaude sans interruption à la maison est un chauffe-eau à gaz. Il s'adapte parfaitement au chauffage de n'importe quel volume d'eau dans les plus brefs délais. Dans le même temps, des modifications modernes vous permettent de définir clairement la température requise et de s'allumer et de s'éteindre automatiquement en fonction du mode de fonctionnement du point de puisage.

Les chauffe-eau instantanés au gaz sont assez économiques et sûrs à utiliser. Le seul inconvénient est la nécessité d'organiser une élimination de haute qualité des produits de combustion.

Une fois pour toutes, ce problème ne peut être résolu qu'avec l'aide de personnes compétentes installation de tuyau d'échappement pour le gaz Colonnes.

Lors du choix des paramètres et de la configuration du système d'évacuation des fumées, suivre les instructions du fabricant et les réglementations en vigueur.

Sélection d'un modèle de geyser

Curieusement, mais avant de soumettre des documents au service du gaz, vous devrez choisir et même acheter un chauffe-eau à gaz. Malgré la relative simplicité de conception, les appareils varient en termes de qualité, de fiabilité et de facilité d'utilisation.

Donc, si vous n'avez pas de chaudière, mais une colonne régulière, faites attention aux paramètres suivants :

  • commande automatique, manuelle ou semi-automatique ;
  • système d'allumage du brûleur - à partir du secteur ou d'une batterie, automatique ou manuel ;
  • comment les produits de combustion sont évacués.

A quelle distance installer un geyser

Les chauffe-eau à chambre de combustion fermée, contrairement aux chauffe-eau à gaz à chambre de combustion ouverte, utilisent l'oxygène de la rue pour entretenir un feu et n'ont pas besoin de pièces ventilées.

Une colonne entièrement automatique enflamme elle-même le gaz, régule la température de l'eau, etc.C'est la meilleure option, mais assez chère, donc la plupart des gens choisissent les modèles semi-automatiques les plus abordables.

Le système d'allumage est également un élément important. Bien qu'il n'y ait plus d'enceintes où vous devez allumer un feu avec une allumette, il est toujours préférable de choisir des modèles où des piles sont installées. Si l'électricité s'éteint soudainement, vous ne vous retrouverez pas sans eau chaude (comme c'est le cas avec les modèles automatiques). Une autre option est l'allumage semi-automatique, puis vous allumez vous-même le gaz avec un bouton. Nous vous conseillons de payer un supplément et de prendre l'option où la colonne se déclenche en ouvrant le robinet d'eau chaude.

Un ajout utile à l'appareil est la fonction de modulation de la flamme, qui est capable de maintenir la température de l'eau au même niveau si l'eau chaude va à plusieurs sources à la fois.

L'élimination des produits de combustion dans une colonne de gaz peut être effectuée des manières suivantes :

  • utiliser une chambre de combustion fermée (on l'appelle aussi turbo);
  • à l'aide d'une cheminée (chambre de combustion ouverte).

Le choix de la méthode dépend de la structure de la maison et de certains autres paramètres. Vérifiez auprès du service de gaz pour plus de détails.

4 Équipements à gaz dans une maison privée

Que l'unité soit installée pour la première fois ou qu'une précédente soit remplacée, tous les travaux ne sont effectués que sous certaines conditions. Tout d'abord, ils montent la cheminée et réalisent le câblage des communications. Après avoir vérifié la hotte, vous pouvez procéder à l'installation.

Un schéma de l'installation d'un chauffe-eau à gaz dans une maison privée:

Déterminer l'emplacement de l'équipement.
Marquez le mur et percez les trous nécessaires.
Visser les chevilles. Si le mur est en bois, le nombre de supports peut être augmenté pour assurer la stabilité de la structure.
Accrochez la colonne et installez des filtres qui purifient l'eau (cela augmentera la durée de vie de l'unité).
Connectez les robinets Mayevsky.
Coupez le tuyau et installez-y un té ou un raccord.
Monter les robinets et souder les éléments de connexion.
Connectez la colonne au tuyau d'eau froide à l'aide d'un tuyau et d'un câble (d'autres joints peuvent être achetés).
Vérifier l'étanchéité de toutes les connexions. Pour ce faire, ouvrez l'eau et voyez s'il y a une fuite. Si un problème est détecté, serrez les écrous et remballez le joint.
Vérifiez la motricité. Sa norme est comprise entre 1,95 et 29,4 Pa

Important : cette étape est réalisée par un spécialiste.

Quelle colonne choisir pour une maison privée

Le principe de fonctionnement de deux chauffe-eau à gaz a été décrit ci-dessus : débit et stockage. Pour choisir la bonne colonne, il faut prendre en compte les avantages et les inconvénients de chaque type d'équipement :

  • Un chauffe-eau à circulation est une colonne classique. L'appareil a un brûleur à gaz et un serpentin. Il a un principe de fonctionnement simple. C'est relativement bon marché. Inconvénients : une longue période de temps entre l'ouverture du robinet et l'arrivée de l'eau chaude au consommateur.
Lire aussi :  Gazéification autonome d'une maison privée: agencement d'un système d'alimentation en gaz avec des bouteilles et un réservoir de gaz

Accumulatif - à l'intérieur de l'appareil de chauffage, il y a un réservoir de stockage. Selon sa conception, la conception ressemble à une chaudière ordinaire, seul un tube à flamme est utilisé à la place d'un élément chauffant. Avantages : approvisionnement en eau instantané à l'utilisateur. Inconvénients : coût élevé de l'équipement.

Vous pouvez choisir un chauffe-eau à gaz pour une maison privée parmi les modèles populaires suivants :

  • Le Zanussi GWH 10 Fonte est une unité intérieure simple à commande mécanique.Radiateur rectangulaire vertical. Fabriqué en Chine. Le coût est de 6 à 8 000 roubles.

Electrolux GWH 265 ERN NanoPlus est une chambre de combustion ouverte. Allumage de la flamme de l'élément piézoélectrique en mode automatique. Débit 10 l/min.

BOSCH WR 10-2P est un modèle manuel. Puissance 17kW. La flamme est allumée en appuyant sur un bouton. La productivité est de 10 l/min. Le coût est de 12 à 13 000 roubles.

Neva 4510 est un haut-parleur fiable d'un fabricant national. Il y a un système d'allumage automatique de la flamme. Le modèle est conçu pour fournir simultanément un point de prise d'eau. L'avantage est la possibilité de travailler à une pression d'eau réduite.

Oasis Glass 20TG est un modèle économique avec un appareil simple. Le coût est de 6 à 8 000 roubles. Il y a un interrupteur hiver-été. L'allumage s'effectue automatiquement.

Ariston Fast Evo 11C est un fabricant italien fabriqué dans une usine située en Chine. Il existe une protection à plusieurs niveaux contre les fuites de gaz, la surchauffe de l'eau. Prix ​​13-15 mille roubles.

Hyundai H-GW1-AMW-UI305 / H-GW1-AMBL-UI306 est un bon modèle économique d'un fabricant coréen. Le coût moyen est de 8500 roubles. L'allumage électrique est fourni, ainsi qu'un système d'autodiagnostic.

Gorenje GWH 10 NNBW est un haut-parleur non volatile. Il y a un allumage électrique à partir de batteries. Le coût moyen est de 10 000 roubles. assemblage dans l'UE.

Mora Vega 10 est une fonction de colonne, un grand échangeur de chaleur à ailettes et un réglage automatique du chauffage de l'eau, nécessaire lorsque la pression change. Contrôle mécanique. Le coût est de 15 à 18 000 roubles.

Cumul :

  • Ariston SGA 200 est une chaudière italienne adaptée aux conditions de fonctionnement domestiques. Utilisé à des fins domestiques et commerciales.Fonctions principales : installation au sol, consommation de carburant économique, possibilité de passer au gaz réduit. Le réchauffeur est non volatil. Prix ​​35-38 mille roubles.

Américain Chauffe-eau PROLigne G-61-40T40-3NV est une chaudière à gaz à chambre de combustion ouverte, fabriquée aux États-Unis. Caractéristiques : contrôle électronique, accessoires anticalcaire et antigel. La fourchette de prix moyenne est de 41 à 43 000 roubles.

Bradford White M-I-504S6FBN est un chauffe-eau économique avec des émissions de dioxyde de carbone réduites. Le brûleur d'allumage fonctionne en mode automatique et est régulé par l'automatisation. Le réservoir de stockage est recouvert d'un revêtement en céramique. Fonction de diagnostic intelligente intégrée. Prix ​​​​estimé 38-40 mille roubles.

Lors de l'achat d'un chauffe-eau, tenez compte de la fourchette de prix et des capacités techniques de l'équipement.

2 Quelles sont les exigences pour l'installation de chauffe-eau à gaz dans une maison privée

Une condition préalable pour tout utilisateur potentiel d'un chauffe-eau est de savoir quelles sont les exigences pour une colonie de gaz dans une maison privée.

Tout d'abord, vous devez connaître les chauffe-eau à gaz snip pour une maison privée, qui définit les exigences pour la pièce dans laquelle le chauffe-eau doit être installé: la superficie minimale est de 15 mètres carrés, la hauteur du plafond est d'au moins 2 mètres, la présence d'une fenêtre est d'au moins 0,5 m 2, la présence d'une ventilation (ou une hotte pour un chauffe-eau à gaz est installée dans une maison privée), la pression de l'eau est de 0,1 atm., le mur sous le gaz le chauffe-eau doit être en brique ou en béton, sinon une isolation avec un carton spécial basalte est nécessaire.

De plus, les normes d'installation d'un geyser dans une maison privée doivent respecter les paramètres suivants :

  1. Il doit y avoir une marge de 60 cm devant le panneau avant de la colonne de gaz ;
  2. La distance entre le chauffe-eau et la cuisinière à gaz est d'au moins 20 cm;
  3. Le robinet est monté avant l'installation de la colonne.

Les règles d'installation d'un geyser dans une maison privée régissent également la procédure de légalisation de l'installation d'un geyser. Pour obtenir l'autorisation d'installer un chauffe-eau, vous devez obtenir un projet pour votre maison et vérifier l'état de la cheminée (après quoi vous recevez un acte), puis le propriétaire d'une maison particulière établit une demande de transformation de son logement .

Vous aurez également besoin de ces passeports de colonne, ou de son modèle (si ce dernier n'a pas encore été acheté). Après cela, vous pouvez contacter GORGAZ pour effectuer le raccordement.

Vous devez connaître les subtilités à chaque étape de l'installation d'un geyser dans une maison privée. Cela sera nécessaire à la fois pour une installation partielle de vos propres mains et pour calculer toutes les nuances du travail. Des professionnels expérimentés partagent les conseils suivants :

  • Si vous décidez de déguiser le geyser dans une armoire à chicots, c'est possible. Mais vous devez savoir qu'une telle armoire ne doit pas avoir de fond et que les parois latérales doivent avoir une isolation de haute qualité.
  • Si vous hésitez entre l'installation d'un conduit de cheminée, optez pour des ondulations en aluminium laminé. Un tel tuyau est parfait pour une maison privée, car il est facile à installer, assez fiable et peu coûteux, et à l'intérieur il contient des tuyaux en acier qui empêchent l'affaissement;
  • Si vous envisagez de monter un geyser à la place d'un ancien devenu inutilisable, il est préférable de ne pas changer de site d'installation. Vous gagnez donc du temps et de l'argent ;
  • N'oubliez pas qu'en cas d'insertion non autorisée dans le gazoduc et de raccordement de la colonne de gaz, vous encourrez une responsabilité administrative, sous la forme d'une amende.

En faisant attention aux avis des clients, il y a souvent un problème lorsque le geyser gèle dans une maison privée

Les maîtres conseillent tout d'abord de faire attention au tirage dans la cheminée

Le plus souvent, un dysfonctionnement sous forme d'inversion de poussée est à l'origine de la panne du chauffe-eau. La collecte de condensat de colonne de gaz dans une maison privée peut apparaître si un cendrier n'est pas installé dans le système et que le condensat en est déjà évacué.Sinon, ce problème se produira chaque saison d'hiver.

2.2
Nous installons une colonne dans une maison privée - vidéo

2016-09-27

Julia Chizhikova

La présence d'une telle installation dans une zone résidentielle est une option fiable, populaire et économique pour obtenir de l'eau chaude du volume requis avec une alimentation en gaz centralisée ou à partir d'une bouteille.

En plus des informations spécifiques sur le site, vous pouvez également étudier des problèmes spécifiques pour d'autres personnes sur ce sujet qui ont déjà acheté un chauffe-eau à gaz ou un chauffe-eau instantané et ainsi les éviter. Vous trouverez une liste régulièrement mise à jour de ces problèmes et de leurs solutions.

C'est l'option la moins coûteuse et la moins chronophage. Lors du remplacement, il n'est pas nécessaire d'obtenir un projet. Avant de commencer les travaux de remplacement d'un ancien chauffe-eau, il est nécessaire d'obtenir des copies certifiées conformes des schémas, un plan d'installation des systèmes de gaz, d'eau et de fumée auprès du bureau du logement. Le plan d'alimentation en gaz doit indiquer l'emplacement, les paramètres techniques de l'appareil.

Après avoir reçu les documents, vous devez rédiger une demande auprès de Gorgaz avec une demande d'autorisation de remplacer l'ancien équipement par un nouveau, tout en conservant son emplacement précédent, une demande d'autorisation de travailler sur les communications gaz et eau dans votre maison.

Évaluation
Site sur la plomberie

Nous vous conseillons de lire

Où remplir la poudre dans la machine à laver et combien de poudre verser