- Nous prévoyons le câblage
- Les meilleures stations de pompage à vibration
- DAB E.sybox Mini 3 (800W)
- Metabo HWW 4000/25G
- ZUBR NAS-T5-1100-S
- Aquarobot M 5-10 (V)
- Détermination du lieu d'installation
- Option # 1 - installation directement dans le puits
- Option #2 - caisson ou pièce séparée
- Option #3 - à l'intérieur de la maison
- Caractéristiques de conception
- Submersible
- Surface
- Booster
- Par quoi être guidé lors du choix d'une station de pompage d'eau
- Marques populaires
- Contrôle électronique - protection supplémentaire de la station de pompage
- réservoir hydropneumatique
- Caractéristiques de l'appareil de la station de pompage
- Le principe de la station de pompage
- Raccordement à l'eau
Nous prévoyons le câblage
Après avoir décidé de la méthode de pose et du schéma de câblage, connaissant les dimensions globales des appareils de plomberie, vous pouvez dessiner sur papier la disposition des tuyaux, que vous devez faire de vos propres mains. Le schéma définit les emplacements d'installation de tous les équipements de plomberie, qui comprennent :
- grues ;
- Toilette;
- Bain;
- évier et ainsi de suite.
Toutes les mesures doivent être effectuées avec soin et avec la plus grande précision possible. Dans ce cas, il est souhaitable de respecter les recommandations suivantes dans le schéma:
- Essayez d'éviter de traverser les tuyaux.
- Les tuyaux d'alimentation en eau et d'assainissement doivent être posés côte à côte le plus près possible, afin de pouvoir les fermer ultérieurement avec une seule boîte.
- Ne compliquez pas trop le câblage.Essayez de garder tout aussi simple que possible.
- Si les tuyaux principaux sont situés sous le sol, les sorties d'eau à travers les tés doivent être tirées perpendiculairement vers le haut.
- Les sorties verticales des conduites d'égout sont remplacées par des tuyaux flexibles insérés dans des tés.
- Pour le câblage, les professionnels conseillent d'utiliser des tuyaux en polypropylène. Ils fonctionnent très bien dans les systèmes d'eau froide et chaude ; chauffage et assainissement. Selon les paramètres techniques, ces produits se caractérisent par une résistance élevée, une durabilité et une facilité d'installation. De plus, ils sont disponibles dans une gamme de prix. Connectez-les à l'aide d'une soudure spéciale.
Les meilleures stations de pompage à vibration
Le mécanisme de travail de ces modèles est basé sur une membrane spéciale. Sous l'influence des vibrations électromagnétiques, il se déforme et laisse passer l'eau sous différentes pressions. Les stations de pompage vibrantes se distinguent par des performances élevées et une faible consommation d'énergie.
DAB E.sybox Mini 3 (800W)
5
★★★★★
note éditoriale
100%
les acheteurs recommandent ce produit
Les caractéristiques du modèle sont la facilité d'utilisation et les hautes performances. Le faible niveau sonore et l'absence de vibrations sous forte charge contribuent au confort d'utilisation de l'unité dans les bâtiments résidentiels. La pompe peut être installée dans n'importe quelle position par rapport au sol ou montée au mur.
Le large écran LCD orientable jusqu'à 90°, le menu russifié permet de régler facilement les principaux paramètres de fonctionnement. Le complexe utilise un certain nombre de systèmes de protection intégrés, notamment le fonctionnement à sec, la surchauffe, les surtensions, les courts-circuits et le blocage de l'arbre de la pompe.
Avantages :
- facilité d'installation;
- Facilité d'utilisation;
- productivité 4,8 m³/h ;
- pression jusqu'à 50 mètres;
- durabilité.
Défauts:
prix élevé.
DAB E.sybox Mini 3 est la meilleure option pour un usage domestique. Le maintien d'une pression constante et d'une productivité élevée du complexe contribue au fonctionnement efficace de l'approvisionnement en eau d'un grand nombre de consommateurs.
Metabo HWW 4000/25G
4.9
★★★★★
note éditoriale
95%
les acheteurs recommandent ce produit
Le corps de pompe est en fonte, la chaudière est en acier. Grâce aux trous de montage, l'unité peut être solidement fixée à la surface, ce qui élimine les vibrations sous forte charge. L'appareil est équipé d'un trou de remplissage qui vous permet de reconstituer indépendamment le niveau d'eau dans le réservoir.
La hauteur de levage est de 46 mètres, la puissance du moteur est de 1100 watts. Un pressostat, une protection contre les surcharges et les surchauffes et un système de bague d'étanchéité mécanique contribuent à augmenter la durée de vie de l'unité dans toutes les conditions.
Avantages :
- Facilité d'entretien;
- durabilité;
- productivité jusqu'à 4000 l/h ;
- Moteur puissant;
- trou d'arrivée d'eau.
Défauts:
câble court.
Metabo HWW peut être utilisé pour irriguer des surfaces, fournir de l'eau propre ou pomper des eaux souterraines. Une poignée de transport et un grand réservoir facilitent la résolution de diverses tâches ménagères.
ZUBR NAS-T5-1100-S
4.8
★★★★★
note éditoriale
90%
les acheteurs recommandent ce produit
Le modèle dispose d'un réservoir d'un volume de 24 litres, ce qui permet d'augmenter l'intervalle entre la mise en marche et l'arrêt de l'appareil et d'adoucir le coup de bélier lors de la mise en marche de la pompe. Le moteur 1100W a une protection contre les surcharges et la surchauffe et des performances élevées.
La capacité de l'unité est de 4,2 mètres cubes par heure, la pression maximale est de 45 mètres. Un filtre à impuretés et un clapet anti-retour garantissent un débit d'eau propre et l'empêchent de retourner à la pompe.
Avantages :
- étui résistant;
- durabilité;
- Moteur puissant;
- haute performance;
- clapet anti-retour.
Défauts:
câble réseau court.
ZUBR NAS-T5-1100-S résiste aux charges élevées et aux influences extérieures. La station doit être achetée pour assurer le fonctionnement et maintenir la pression dans le système d'alimentation en eau d'une maison privée.
Aquarobot M 5-10 (V)
4.8
★★★★★
note éditoriale
89%
les acheteurs recommandent ce produit
Les principales caractéristiques du modèle sont la compacité et la facilité d'installation. Le volume de l'accumulateur est de 5 litres, le débit est de 1,6 mètre cube. m/heure. Le complexe est utilisé pour pomper de l'eau propre, la teneur en impuretés et en particules solides ne doit pas dépasser 100 g/m³.
Grâce à la puissance du moteur de 245 W et à la conception ergonomique de l'unité, une pression de tête accrue est obtenue - jusqu'à 75 mètres. Cela vous permet d'assurer un approvisionnement en eau stable aux maisons situées à une grande distance d'un puits ou d'un puits.
Avantages :
- compacité;
- haute performance;
- facilité d'entretien ;
- facilité d'installation;
- bas prix.
Défauts:
faible profondeur d'aspiration.
L'Aquarobot M convient à l'approvisionnement en eau des bâtiments résidentiels d'une petite surface. Une solution fiable à un prix abordable, surtout si le puits ou le puits est éloigné des consommateurs.
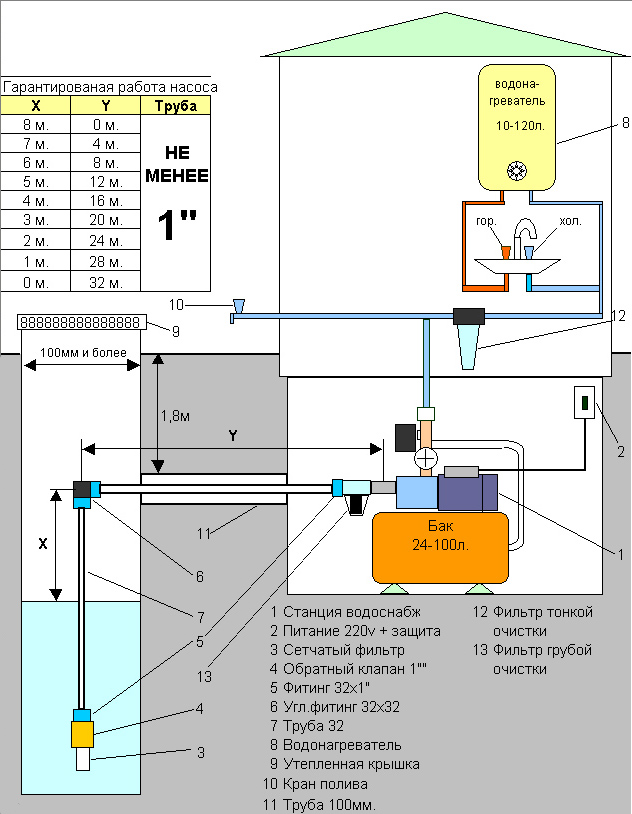
Détermination du lieu d'installation
Il est préférable de placer la station de pression aussi près que possible du point d'admission. Dans ce cas, l'inertie du système est réduite.Il réagit plus rapidement à la consommation d'eau et la réapprovisionne rapidement.
Autrement dit, l'ensemble du système fonctionne plus en douceur, sans coups de bélier, plus stable. Donc dans un monde idéal, la meilleure solution serait d'installer une station de pompage dans un puits. Ce qui n'est pas toujours possible.

Avec une installation compacte, la station de pompage prend très peu de place et il est assez facile de lui trouver un point d'installation.
Option # 1 - installation directement dans le puits
Lorsqu'il est installé dans un puits, le problème de retirer la station de la source est résolu. Le bruit des mécanismes n'affecte en rien le confort de fonctionnement - le moteur fonctionne en dehors de la zone résidentielle.
Il y a aussi des inconvénients. Tout d'abord, les conditions de travail des mécanismes s'améliorent - principalement une humidité élevée. Les mesures d'imperméabilisation et d'étanchéité des unités ne donnent pas l'effet escompté - en raison de la condensation.
L'installation de la station à l'intérieur du puits peut être réalisée de deux manières :
- fixation amovible avec fixation pour la surface supérieure du puits de puits ;
- support mural dans le puits.
Les deux méthodes sont à peu près équivalentes. Le premier est un peu plus simple, le second est plus compact. Les deux interfèrent avec d'autres méthodes d'élévation de l'eau - un seau, par exemple, est déjà peu pratique à manipuler, et inévitablement, en même temps, l'eau qui goutte n'augmente pas la durée de vie de la station.
De plus, le puits nécessitera un réchauffement de la partie au sol. Bien sûr, la température de l'eau et du sol à une telle profondeur est invariablement positive, mais la surface, le gel local de l'eau et la formation de glace sont possibles - même cela est totalement contre-indiqué pour une unité de pompage.

Avec une telle installation, seul le fonctionnement estival est possible - en hiver, sans isolation des équipements, des problèmes peuvent survenir.
Option #2 - caisson ou pièce séparée
Il est également possible d'installer une station de pompage dans un puits de service spécial creusé à partir du puits principal servant à l'approvisionnement en eau - c'est ce qu'on appelle une installation en caisson. Une alternative serait d'installer l'équipement dans le bureau au sol.
La méthode d'installation en caisson présente les mêmes avantages que l'installation directement dans le puits. Calme, proche du point de ramassage, pratique. Le plus souvent, le caisson est monté le plus près possible des anneaux du puits - avec une profondeur beaucoup moins profonde, bien sûr.
Parmi les points négatifs, il convient de noter la possibilité de condensation. Et le besoin d'une isolation sérieuse, et la plus approfondie. Et, si possible, la lutte contre les condensats. Tout cela avec une étanchéité de la plus haute qualité - l'humidité du sol dans le caisson n'est absolument pas nécessaire.
Il existe également des mesures obligatoires pour empêcher la fonte ou l'eau de pluie de pénétrer à l'intérieur du caisson - dans la plupart des cas, elles sont résolues par la conception de la trappe. Le reste devra être traité.
La construction d'une buanderie au sol spécifiquement pour une station de pompage est assez simple en termes de technologie. Mais même ici, l'isolation est nécessaire. Et, puisque l'emplacement est au-dessus du sol, les problèmes de chauffage s'ajoutent au besoin d'isolation. Les températures négatives sont inacceptables dans la pièce où la station de pompage est installée.

Si la station de pompage est montée dans une buanderie séparée, elle doit être isolée
Option #3 - à l'intérieur de la maison
La troisième option d'hébergement est à l'intérieur de la maison dans laquelle l'approvisionnement en eau est organisé.En raison du bruit de l'équipement, il est préférable de le mettre à part - généralement une chaufferie ou un sous-sol est utilisé à cet effet. Mais, dans des conditions de manque d'espace, l'installation peut se faire dans la salle de bain ou la buanderie, au sous-sol ou sous les escaliers.
Dans tous les cas, l'insonorisation doit être soignée. Sinon, vivre dans une telle maison ne sera, pour le moins, pas très confortable. Et si l'option d'installer la station au sous-sol est choisie, la nécessité d'une étanchéité supplémentaire doit être vérifiée. Si le sous-sol est humide.
Lorsque la station de pompage est installée dans la maison, nous nous souvenons toujours de la distance par rapport au puits d'alimentation. Ce facteur peut également corriger le point d'installation par rapport à la géographie interne de la maison.

Si vous ne trouvez pas d'endroit calme pour la station, vous pouvez aller dans l'autre sens et choisir un modèle avec un gros accumulateur - la pompe s'allumera moins souvent
Caractéristiques de conception
La station d'eau modèle standard se compose de :
- moteur électrique;
- réservoir de stockage - accumulateur hydraulique ;
- régulateur de pression (relais);
- pompe auto-amorçante.
Les conceptions de tous les éléments peuvent varier en fonction du type de modèle, des caractéristiques de la prise d'eau.
Le principe de fonctionnement de l'appareil est le suivant :
- Lorsque le moteur électrique est allumé, l'eau est pompée du puits.
- Ensuite, il entre dans le réservoir de stockage, où il est sous pression, nécessaire pour fournir une pression dans la maison.
- Au fur et à mesure que l'eau est utilisée, la pression chute progressivement. Le relais allume automatiquement le moteur si la pression dans l'accumulateur chute au minimum indiqué. Lorsque l'eau remplit à nouveau le réservoir, l'équipement s'éteint.
Toutes les stations de pompage d'approvisionnement en eau d'une maison privée sont divisées en submersibles et en surface, et le premier type de pompes doit être dans l'eau en état de marche.
Submersible
La station d'alimentation en eau automatique submersible est de deux types:
- le fond de trou, de forme allongée, est conçu pour un petit diamètre de tuyau;
- puits, ayant une forme qui peut s'appliquer à n'importe quelle source d'eau : un réservoir, un réservoir de stockage.
Les pompes sont centrifuges ou vibratoires, elles diffèrent par la manière dont elles transfèrent l'eau.
Surface
Les stations de pompage de surface sont en tête des ventes d'équipements à usage domestique.
Ils sont divisés en trois types :
- à plusieurs étages, qui sont les moins bruyants pendant le fonctionnement, ont de bonnes performances, sont capables de pomper de l'eau jusqu'à une profondeur de 7 mètres;
- vortex, ayant une forte pression d'eau, mais une performance moyenne, ainsi qu'un prix abordable ;
- unités avec éjecteur - à distance ou intégrées;
Ce dernier type est produit en petites quantités, car l'éjecteur est sujet à des pannes fréquentes et les réparations sont coûteuses. Les pannes se produisent en raison de la contamination de l'éjecteur par de grosses particules de saleté dans l'eau. Bien que les pompes à éjecteur puissent être utiles pour soulever de l'eau jusqu'à une profondeur de 50 mètres, leur installation est prévue au stade de la construction du puits.
Booster
La station de surpression est une unité auxiliaire installée avec la pompe principale. Leur but est d'augmenter la pression et la pression de l'eau. Par emplacement, ils sont situés entre la pompe principale et les prises d'eau de la maison. Un tel équipement est nécessaire dans les immeubles de grande hauteur ou pour fournir de l'eau aux petits villages.
Il peut y avoir plusieurs pompes de surpression.Ils peuvent être domestiques ou industriels, conçus pour une installation spécifique.
Par quoi être guidé lors du choix d'une station de pompage d'eau
La première chose à laquelle vous devez faire attention lors de l'achat d'une station est la puissance de la pompe. La pression de l'eau dans le système et sa consommation dépendent de cet indicateur.
Le paramètre d'approvisionnement en eau doit être proche du volume maximal de consommation par tous les points de prise d'eau. En règle générale, cet indicateur est assez grossièrement moyenné et tous les modèles sont adaptés à un débit nominal de 1,5 à 9 m3/h.
Station de pompage d'eau
L'indicateur de pression est également entré séparément dans le tableau des caractéristiques de la station. Dans le passeport, il est indiqué que la distance à laquelle la pompe fournit de l'eau. Mais en fait, ce paramètre signifie la pression que la station est capable de créer. Ainsi, la pression spécifiée de 40 m, montre que la pompe créera une pression de 4 atmosphères dans des conditions idéales. Étant donné que pendant le fonctionnement, il y a des pertes de pression sur le tracé du pipeline, ainsi que la montée de l'eau à une certaine hauteur, ce chiffre sera beaucoup plus faible.
Important! Un appareil puissant ne justifie pas toujours l'argent investi. En règle générale, la productivité d'un tel système dépassera le remplissage du puits
Pour éviter cela, il est nécessaire de prendre en compte les paramètres du puits. Plus la distance à la source de prise d'eau est courte et plus le niveau d'occurrence de la ressource en eau est élevé, moins l'appareil acheté doit avoir de puissance.
De plus, lors du choix d'une station de pompage d'eau, il est nécessaire de prendre en compte l'autonomie de l'unité. Cela sera nécessaire pour les utilisateurs vivant dans des zones avec des problèmes d'alimentation électrique.Pour assurer un fonctionnement ininterrompu de la pompe, vous pouvez en outre installer un générateur ou une batterie solaire sur le site.
Marques populaires
Les stations de pompage d'approvisionnement en eau les plus populaires pour une maison privée aujourd'hui sont Gileks Jumbo. Ils sont à petit prix et de bonne qualité. Ils sont fabriqués avec des pompes en fonte (la lettre « Ch » dans le marquage), en polypropylène (il signifie « P ») et en acier inoxydable (« H »). Il y a aussi des chiffres dans le marquage : « Jumbo 70-/50 P - 24. Cela signifie : 70/50 - débit d'eau maximum 70 litres par minute (productivité), pression - 50 mètres, P - corps en polypropylène, et le nombre 24 - volume de l'hydroaccumulateur.
Stations d'approvisionnement en eau de pompage pour une maison privée Gileks extérieurement similaires aux unités d'autres fabricants
Le prix d'une station de pompage pour l'approvisionnement en eau à domicile Gileks commence à 100 $ (options mini à faible puissance et à faible débit dans un boîtier en polypropylène). L'unité la plus chère avec un boîtier en acier inoxydable coûte environ 350 $. Il existe également des options avec une pompe submersible de forage. Ils peuvent soulever de l'eau d'une profondeur allant jusqu'à 30 mètres, débit jusqu'à 1100 litres par heure. De telles installations coûtent entre 450 et 500 dollars.
Les stations de pompage Gileks ont des exigences d'installation: le diamètre de la conduite d'aspiration ne doit pas être inférieur au diamètre de l'entrée. Si l'eau monte d'une profondeur de plus de 4 mètres et que la distance entre la source d'eau et la maison est supérieure à 20 mètres, le diamètre du tuyau abaissé du puits ou du puits doit être supérieur au diamètre de l'entrée. Ceci doit être pris en compte lors de l'installation du système et de la tuyauterie de la station de pompage.
Les critiques de JILEX JAMBO 60/35P-24 (dans un boîtier en plastique, coûtent 130 $) que vous pouvez voir sur la photo ci-dessous.Cela fait partie des impressions laissées par les propriétaires sur le site marchand.
Avis sur la station de pompage d'eau JILEX JAMBO 60 / 35P-24 (pour agrandir la taille de l'image, cliquez dessus avec le bouton droit de la souris)
Les stations de pompage Grundfos (Grundfos) fonctionnent bien avec l'approvisionnement en eau à la maison. Leur corps est en acier chromé, accumulateurs hydrauliques pour 24 et 50 litres. Ils fonctionnent silencieusement et de manière fiable, fournissent une pression stable dans le système. Le seul inconvénient est que les pièces de rechange ne sont pas fournies au marché russe. Si, soudainement, quelque chose se casse, vous ne trouverez pas d'éléments "natifs". Mais il faut dire que les unités tombent rarement en panne.
Les prix des stations de pompage avec pompes de surface commencent à 250 $ (puissance 0,85 kW, profondeur d'aspiration jusqu'à 8 m, capacité jusqu'à 3600 litres / heure, hauteur 47 m). Une unité plus productive (4500 litres/heure avec une puissance supérieure de 1,5 kW) de la même classe coûte deux fois plus - environ 500 $. Les critiques du travail sont présentées sous la forme d'une photo prise sur le site Web de l'un des magasins.
Avis sur les stations de pompage Grundfos pour l'approvisionnement en eau à la maison ou aux chalets (pour agrandir la taille de l'image, cliquez dessus avec le bouton droit de la souris)
Une série de stations de pompage Grundfos avec des corps de pompe en acier inoxydable est plus chère, mais elles sont également protégées contre le ralenti, la surchauffe et le refroidissement par eau. Les prix de ces installations sont à partir de 450 $. Les modifications avec des pompes de forage sont encore plus chères - à partir de 1200 $.
Les stations de pompage d'alimentation en eau de la maison Wilo (Vilo) ont fait leurs preuves. Il s'agit d'une technique plus sérieuse pour assurer un débit élevé : jusqu'à quatre pompes normalement aspirantes peuvent être installées à chacune des stations. Le corps est en acier galvanisé, les tuyaux de raccordement sont en acier inoxydable.Gestion - processeur programmable, panneau de commande tactile. Les performances des pompes sont régulées en douceur, ce qui garantit une pression stable dans le système. L'équipement est solide, mais les prix le sont aussi - environ 1 000 à 1 300 $.
Les stations de pompage Wilo conviennent à l'alimentation en eau d'une grande maison avec un débit important. Cet équipement appartient à la classe des professionnels
Comment faire une alimentation en eau autonome dans une maison raccordée à une alimentation en eau centralisée, avec une mauvaise pression, ou s'approvisionner en eau en continu à l'heure, voir la vidéo suivante. Et tout cela à l'aide d'une station de pompage et d'un réservoir de stockage d'eau.
Contrôle électronique - protection supplémentaire de la station de pompage
Pour augmenter la durée de vie de la station d'eau, celle-ci est équipée d'une unité de contrôle électronique. Les principales fonctions qui y reposent sont protectrices.
- Mouvement sec. Le moteur de la pompe est refroidi par le liquide pompé. Un relais électronique aidera à éviter la surchauffe de l'appareil, qui éteint l'appareil en l'absence de liquide. Il est très utile en cas de forte baisse du niveau d'eau dans le puits.
- Marche/arrêt automatique. L'adaptation nécessaire à l'utilisation rare des points de puisage. La pompe démarre automatiquement, grâce au capteur d'activité à un moment ou à un autre. De même, l'appareil s'éteint.
- Changement de chiffre d'affaires. Une augmentation progressive de la vitesse du moteur évitera les coups de bélier dans le système d'alimentation en eau. Cela vous donne également la possibilité d'économiser de l'énergie.
L'inconvénient des stations de pompage équipées d'une commande électronique est leur coût accru.C'est ce qui décourage de nombreux acheteurs.
réservoir hydropneumatique
L'équipement des stations de pompage d'eau avec un réservoir d'accumulation rendra le système autonome en cas de forte baisse du niveau d'eau dans la source. Ceci est réalisé en accumulant la quantité nominale de ressource en eau indiquée dans les documents accompagnant le produit. De plus, il agit comme un régulateur de pression dans le système de plomberie.
Accumulateurs hydrauliques
Le volume du vase d'expansion dépend directement de la consommation de la ressource. Ainsi, plus le nombre de points de soutirage actifs simultanément est important, plus le volume requis du réservoir est important. Les modèles de stations les plus courants sont équipés de réservoirs hydropneumatiques jusqu'à 50 litres. Le volume maximal est de 100 litres.
Caractéristiques de l'appareil de la station de pompage
L'approvisionnement en eau autonome basé sur la station de pompage comprend un ensemble d'appareils qui assurent l'approvisionnement automatique en eau de la maison. Pour organiser une alimentation en eau autonome confortable, il est nécessaire de choisir une unité de pompage appropriée, de la connecter correctement et de la configurer.
Si l'installation est effectuée correctement et que les exigences de fonctionnement sont respectées, elle durera très longtemps. La maison aura toujours de l'eau propre sous pression, permettant l'utilisation d'appareils modernes : d'une douche et d'un lave-linge conventionnels à un lave-vaisselle et un jacuzzi.
La station de pompage se compose de trois éléments principaux :
- une pompe qui fournit de l'eau;
- hydroaccumulateur, où l'eau est stockée sous pression;
- bloc de contrôle.
La pompe pompe l'eau dans un accumulateur hydraulique (HA), qui est un réservoir avec un insert interne en matériau élastique, souvent appelé membrane ou poire en raison de sa forme.
La tâche de la station de pompage est d'assurer un approvisionnement constant en eau de la maison à un niveau de pression suffisamment élevé dans le système d'alimentation en eau
Plus il y a d'eau dans l'accumulateur, plus la membrane résiste, plus la pression à l'intérieur du réservoir est élevée. Lorsque le liquide s'écoule du HA vers l'alimentation en eau, la pression diminue. Le pressostat détecte ces changements, puis allume ou éteint la pompe.
Cela fonctionne comme ceci :
- L'eau remplit le réservoir.
- La pression monte jusqu'à la limite supérieure réglée.
- Le pressostat éteint la pompe, le débit d'eau s'arrête.
- Lorsque l'eau est allumée, elle commence à diminuer à partir du HA.
- Il y a une diminution de la pression jusqu'à la limite inférieure.
- Le pressostat met la pompe en marche, le réservoir se remplit d'eau.
Si vous retirez le relais et l'accumulateur du circuit, la pompe devra être allumée et éteinte à chaque fois que l'eau est ouverte et fermée, c'est-à-dire Souvent. Par conséquent, même une très bonne pompe tombera en panne rapidement.
L'utilisation d'un accumulateur hydraulique offre aux propriétaires des bonus supplémentaires. L'eau est fournie au système sous une certaine pression constante.
Tous les composants et matériaux nécessaires à la connexion doivent être préparés à l'avance. Ils doivent correspondre à la taille des buses de l'équipement existant, des adaptateurs peuvent être nécessaires pour une installation réussie.
Une bonne pression est nécessaire non seulement pour prendre une douche confortablement, mais également pour le fonctionnement d'une machine à laver ou d'un lave-vaisselle automatique, d'un hydromassage et d'autres avantages de la civilisation.
De plus, certains (environ 20 litres), mais l'approvisionnement en eau nécessaire est stocké dans le réservoir si l'équipement cesse de fonctionner. Parfois, ce volume est suffisant pour s'étirer jusqu'à ce que le problème soit résolu.
Le principe de la station de pompage
La station de pompage peut être achetée prête à l'emploi ou assemblée indépendamment des composants: un réservoir d'accumulateur hydraulique (pompe submersible ou pompe de surface), un pressostat et une unité de commande automatique.
Une pompe submersible avec filtre et clapet anti-retour peut être remplacée par un modèle de surface - les deux options ont leurs avantages.
Le filtre est nécessaire pour protéger les communications de la pénétration de sable se trouvant sur le fond et des impuretés en suspension, le clapet anti-retour empêche la sortie d'eau dans la direction opposée lorsque l'appareil s'éteint automatiquement.
L'arrêt se produit sur le signal du pressostat, qui se déclenche lorsque la pression atteint la marque maximale. Dès qu'il y a moins de liquide dans le réservoir de l'accumulateur, la pression se stabilise, le mécanisme se remet en marche et recommence à pomper de l'eau.
Des équipements performants sont capables de fournir de l'eau à un bâtiment dans lequel vit une famille de 5-6 personnes, et des points d'eau à l'extérieur de la maison (dans le garage, dans la cuisine d'été, dans le jardin ou le potager).
- Les stations de pompage sont utilisées dans l'organisation de l'approvisionnement en eau autonome des maisons de campagne.
- L'exploitation active des stations de pompage a lieu dans les zones suburbaines, où elles résolvent de nombreux problèmes quotidiens.
- À l'aide de stations de pompage, un approvisionnement en eau est pompé pour être utilisé dans l'irrigation et pour la lutte contre les incendies.
- À l'aide de stations de pompage, les réservoirs sont remplis, l'eau à partir de laquelle va nettoyer le territoire et est livrée à l'équipement de lavage de voiture.
- Les stations de pompage sont installées en tant qu'équipements de surpression conçus pour former une pression normale dans un système d'alimentation en eau autonome avec une pression insuffisante.
- Vous pouvez assembler vous-même la station de pompage en choisissant un ensemble d'équipements présentant les caractéristiques requises.
- Dans le schéma de la station de pompage, il n'est pas nécessaire de placer l'accumulateur à côté de la pompe.
- Dans une alimentation en eau auto-arrangée, l'essentiel est d'installer un accumulateur hydraulique à côté du relais afin que l'erreur due au passage dans les tuyaux soit minimale.
Raccordement à l'eau
Raccordement de la station de pompage à l'alimentation en eau. (Cliquez pour agrandir)
En règle générale, la station de pompage est connectée à l'alimentation en eau en cas de pression insuffisante pour l'équipement de chauffage.
Pour connecter le système à l'alimentation en eau, vous avez besoin de:
- Le tuyau d'eau doit être déconnecté à un certain point.
- L'extrémité du tuyau qui vient de la ligne centrale est reliée au réservoir de stockage.
- Le tuyau du réservoir est relié à l'entrée de la pompe et le tuyau qui est relié à sa sortie va au tuyau qui mène à la maison.
- Poser le câblage électrique.
- Réglage de l'équipement.








































