- Phase préparatoire
- Sélection du type d'équipement
- Sélection de tuyau
- Choix d'hébergement
- Possibilités de connexion aux stations
- Portée et disposition des pompes de surface
- Types de stations de pompage et distance à la nappe phréatique
- Stations de pompage avec éjecteur intégré
- Stations de pompage avec éjecteur à distance
- Pompe ou station de pompage : quelle est la différence ?
- Comment remplacer la pompe du puits en cas d'accident ?
- Option numéro 1 : nous appelons des spécialistes de la réparation de pompes profondes
- Option numéro 2: remplacement de la pompe à faire soi-même
- Que faut-il savoir sur un puits ?
- Caractéristiques de l'appareil de la station de pompage
- Qu'est-ce qu'un bon puits ?
- Types de pompes pour puits et leurs fonctions
- Types de pompes domestiques
- Types et caractéristiques d'installation des caissons
Phase préparatoire
Avant de commencer à construire une station de pompage, vous devez effectuer plusieurs étapes préliminaires de travail.
Sélection du type d'équipement
Raccordement d'une pompe à éjecteur de surface
Pour les puits de sable jusqu'à 20 mètres de profondeur, vous pouvez prendre une pompe de surface. Il est capable de faire monter l'eau jusqu'à 9 mètres de haut. Vous pouvez augmenter la productivité de l'unité avec un éjecteur à distance. Dans ce cas, l'eau sera prélevée à une profondeur allant jusqu'à 18-20 mètres, mais avec une capacité inférieure de l'équipement.
Pour les puits profonds, il vaut la peine d'acheter une pompe submersible. Profond est le meilleur.L'appareil a la forme d'un flacon, qui est placé dans le boîtier à un mètre du fond. La pompe danoise Grundfos utilise d'excellentes caractéristiques dont le prix varie en fonction de la profondeur d'immersion.
Le reste de l'équipement est sélectionné en fonction des paramètres techniques suivants :
- Puissance;
- performance;
- pression;
- le prix.
Sélection de tuyau
Tuyaux de plomberie en polyéthylène
Pour l'installation de l'alimentation en eau, vous devez acheter des tuyaux pour le réseau externe et interne. Il est préférable de poser la ligne extérieure avec des produits HDPE. Ils n'ont pas peur des changements de température, de la pression statique et dynamique du sol. Ils ont une surface intérieure lisse, ce qui assure un écoulement normal de l'eau.
À l'intérieur de la maison, il est préférable de poser des tuyaux en polypropylène. Leur installation est réalisée par soudure. Ainsi, le polymère fondu forme un joint parfaitement étanche.
Choix d'hébergement
Emplacement des équipements de pompage dans le caisson de fond
Il est préférable de raccorder la station d'eau au puits le plus près possible de l'ouvrage hydraulique. Il existe plusieurs endroits principaux où vous pouvez installer des équipements :
Sous-sol d'un chalet privé. Il fait toujours sec ici, modérément chaud. Vous n'avez pas à débourser d'argent pour l'installation d'un local technique et son isolation
Mais il est important de se rappeler qu'une station de pompage en fonctionnement fait des bruits très forts, ce qui peut gêner les résidents de la maison. Vous devrez insonoriser le sous-sol afin d'y installer des équipements d'injection.
Caisson
Il s'agit d'une chambre de protection spéciale, disposée à la tête même du puits. Le caisson est pratique en ce sens qu'il isole complètement tous les résidents de la maison du bruit, protège l'équipement des précipitations, du froid et des vandales.Lors de l'installation d'une chambre, vous ne pouvez pas avoir peur que l'humidité ait un effet négatif sur les murs du sous-sol, même s'il s'agit de condensat.
Plusieurs principes importants doivent être suivis lors du choix d'un emplacement pour l'installation d'une station de pompage :
Il est souhaitable de monter l'équipement le plus près possible de la source.
L'accès à la technologie devrait être gratuit toute l'année.
Il est important d'assurer une bonne ventilation de la pièce.
Possibilités de connexion aux stations
Connexion de la pompe via un adaptateur de fond de trou
Il existe deux manières de connecter la station de pompage au pipeline:
- À travers l'adaptateur de forage. Il s'agit d'un dispositif qui est une sorte d'adaptateur entre le tuyau d'arrivée d'eau dans le puits de la source et les conduites d'eau à l'extérieur. Grâce à l'adaptateur de forage, il est possible de tirer la ligne hors de la structure hydraulique immédiatement en dessous du point de congélation du sol et en même temps d'économiser sur la construction du caisson.
- Par la tête. Dans ce cas, vous devrez veiller à une isolation de haute qualité de la partie supérieure de la source. Sinon, la glace se formera ici à des températures inférieures à zéro. Le système cessera de fonctionner ou se cassera à l'un des endroits.
C'est intéressant: le dispositif et le principe de fonctionnement d'une station de pompage d'alimentation en eau classique
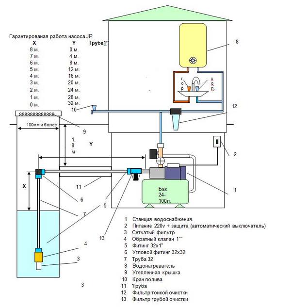
Portée et disposition des pompes de surface

Exemple d'utilisation - arroser le jardin et le jardin avec l'eau du réservoir le plus proche
Les pompes de surface, contrairement aux pompes submersibles, sont situées près de la source d'eau. Leur corps n'entre pas en contact avec le liquide, il pénètre dans les points de consommation par le tuyau d'arrivée.
Des appareils sont utilisés pour acheminer l'eau à la maison, pour drainer le sous-sol après la crue printanière, en pompant le liquide de la piscine.Il est possible d'utiliser pour l'irrigation du terrain - dans ce cas, la pompe est placée près du réservoir et le tuyau est abaissé dans l'eau. Presque tous les appareils sont alimentés à l'électricité, vous avez donc besoin d'un long câble d'alimentation.
Un point important est que la profondeur du puits ne doit pas dépasser 10 mètres, car toutes les pompes de surface ont une faible puissance. Le plus souvent, les eaux souterraines se trouvent à cette profondeur, ce qui accumule les substances nocives des fosses septiques voisines. Les engrais minéraux sont également emportés par les pluies dans ces réservoirs, de sorte que des filtres supplémentaires sont placés devant l'entrée de la maison.
Types de stations de pompage et distance à la nappe phréatique
Distinguer les stations de pompage avec éjecteur intégré et à distance. L'éjecteur intégré est un élément structurel de la pompe, celui à distance est une unité externe séparée, immergée dans le puits. Le choix en faveur de l'une ou l'autre option dépend principalement de la distance entre la station de pompage et la surface de l'eau.
D'un point de vue technique, l'éjecteur est un dispositif assez simple. Son élément structurel principal - la buse - est un tuyau de dérivation à extrémité effilée. En passant par le lieu de rétrécissement, l'eau acquiert une accélération notable. Conformément à la loi de Bernoulli, une zone de basse pression est créée autour d'un courant se déplaçant à une vitesse accrue, c'est-à-dire qu'un effet de raréfaction se produit.
Sous l'action de cette dépression, une nouvelle portion d'eau du puits est aspirée dans la canalisation. En conséquence, la pompe dépense moins d'énergie pour transporter le liquide à la surface. L'efficacité des équipements de pompage augmente, tout comme la profondeur à partir de laquelle l'eau peut être pompée.
Stations de pompage avec éjecteur intégré
Les éjecteurs intégrés sont généralement placés à l'intérieur du corps de pompe ou situés à proximité de celui-ci. Cela réduit l'encombrement de l'installation et simplifie quelque peu l'installation de la station de pompage.
Ces modèles démontrent une efficacité maximale lorsque la hauteur d'aspiration, c'est-à-dire la distance verticale entre l'entrée de la pompe et le niveau de la surface de l'eau dans la source, ne dépasse pas 7-8 m.
Bien sûr, il faut également tenir compte de la distance horizontale entre le puits et l'emplacement de la station de pompage. Plus la section horizontale est longue, plus la profondeur à partir de laquelle la pompe est capable de prélever de l'eau est petite. Par exemple, si la pompe est installée directement au-dessus de la source d'eau, elle pourra soulever de l'eau à une profondeur de 8 m. Si la même pompe est retirée du point de prise d'eau de 24 m, la profondeur de montée de l'eau sera diminuer à 2,5 m.
Outre leur faible efficacité à de grandes profondeurs de la nappe phréatique, ces pompes présentent un autre inconvénient évident: un niveau de bruit accru. Le bruit de la vibration d'une pompe en marche s'ajoute au bruit de l'eau passant à travers la buse d'éjection. C'est pourquoi il est préférable d'installer une pompe avec un éjecteur intégré dans une buanderie séparée, à l'extérieur d'un immeuble résidentiel.
Station de pompage avec éjecteur intégré.
Stations de pompage avec éjecteur à distance
L'éjecteur à distance, qui est une petite unité séparée, contrairement à celle intégrée, peut être situé à une distance considérable de la pompe - il est connecté à la partie de la canalisation immergée dans le puits.
Éjecteur à distance.
Pour faire fonctionner une station de pompage avec un éjecteur externe, un système à deux tuyaux est requis.L'un des tuyaux sert à remonter l'eau du puits jusqu'à la surface, tandis que la seconde partie de l'eau remontée redescend vers l'éjecteur.
La nécessité de poser deux tuyaux impose certaines restrictions sur le diamètre de puits minimal autorisé, il est préférable de le prévoir au stade de la conception de l'appareil.
Une telle solution constructive, d'une part, permet d'augmenter considérablement la distance entre la pompe et la surface de l'eau (de 7-8 m, comme dans les pompes à éjecteurs intégrés, à 20-40 m), mais d'autre part D'autre part, cela conduit à une diminution de l'efficacité du système à 30-35 %. Cependant, ayant la possibilité d'augmenter considérablement la profondeur de la prise d'eau, vous pouvez facilement supporter cette dernière.
Si la distance à la surface de l'eau dans votre région n'est pas trop profonde, il n'est pas nécessaire d'installer une station de pompage directement près de la source. Cela signifie que vous avez la possibilité d'éloigner la pompe du puits sans diminution notable de l'efficacité.
En règle générale, ces stations de pompage sont situées directement dans un immeuble résidentiel, par exemple au sous-sol. Cela améliore la durée de vie de l'équipement et simplifie les procédures de configuration et de maintenance du système.
Un autre avantage incontestable des éjecteurs à distance est une réduction significative du niveau de bruit produit par une station de pompage en fonctionnement. Le bruit de l'eau traversant un éjecteur installé en profondeur ne dérangera plus les habitants de la maison.
Station de pompage avec éjecteur à distance.
Pompe ou station de pompage : quelle est la différence ?
En effet, avez-vous vraiment besoin d'une station de pompage dans le pays ? N'est-il pas plus facile d'acheter une pompe submersible conventionnelle qui ne nécessite pas beaucoup d'entretien et qui est moins chère ?
Cette option est la plus courante, notamment dans les chalets d'été, où les propriétaires ne vivent que l'été, mais loin d'être la plus efficace.
Le principe de fonctionnement de la pompe est le suivant: l'appareil s'allume et commence à pomper de l'eau au moment où le robinet d'eau est ouvert, la cuvette des toilettes est rincée, le tuyau d'arrosage est connecté et s'éteint après l'arrêt des appareils de plomberie .
Il est possible qu'encore une fois, en ouvrant le robinet, vous n'y trouviez pas d'eau. Cela peut arriver pour deux raisons :
- le niveau d'eau dans le puits a considérablement baissé et la pompe n'a tout simplement plus rien à pomper. Jusqu'à ce que la source soit remplie au niveau souhaité, l'appareil sera "silencieux" ;
- la pompe ne peut pas fonctionner efficacement pendant les surtensions du réseau, et souvent ces surtensions entraînent une panne de l'appareil.
Lors de l'utilisation d'une station de pompage, les interruptions d'eau peuvent être évitées car elle comprend un réservoir pour le stockage de l'eau de secours. Si l'alimentation en liquide du puits s'arrête, la pompe commence automatiquement à pomper l'eau du réservoir. De plus, l'équipement de pompage crée une pression stable et fournit une bonne pression d'eau dans le robinet.
La pompe submersible peut cesser de fonctionner si le niveau d'eau dans le puits ou le puits est insuffisant (+)
Un autre avantage de l'utilisation d'une station de pompage est la possibilité de pomper l'eau d'un puits de très petit diamètre en y abaissant un tuyau de 2,5 cm.Cette circonstance est particulièrement importante dans un chalet d'été, car il n'est pas nécessaire d'équiper un grand puits artésien.
Comment remplacer la pompe du puits en cas d'accident ?
Le besoin de remplacer la pompe se produit rarement, principalement en raison du fait que la pompe a été mal installée dans le puits. La cause de l'accident peut résider dans l'alimentation automatique mal sélectionnée et dans la faible puissance de la pompe elle-même. Par exemple, s'il est conçu pour une plongée de 50 mètres, mais qu'il est en fait installé à une profondeur de 80 mètres, des réparations seront nécessaires dans quelques mois.
L'alimentation automatique est en marche et à une telle profondeur, une pompe faible ne peut tout simplement pas la soulever. À la suite d'un travail constant sans arrêt, il tombe rapidement en panne.
Comme dans toute situation, il y a deux issues : on fait appel à des réparateurs ou on fait tout soi-même.
Option numéro 1 : nous appelons des spécialistes de la réparation de pompes profondes
Tout d'abord, cette option convient à ceux qui ne comprennent pas l'équipement de pompage. Les professionnels peuvent objectivement évaluer la situation, identifier les causes qui ont conduit aux pannes des équipements. Peut-être que seule l'alimentation automatique ne fonctionne pas correctement et que la pompe elle-même est en état de marche. Dans ce cas, il suffit de le configurer correctement.
Un autre avantage pour ceux qui ont déjà décidé que de telles réparations sont hors de leur portée est la garantie que l'entrepreneur donne. De plus, en plus des travaux de base, vous serez entièrement configuré pour l'ensemble du système d'approvisionnement en eau. Bien sûr, vous devez payer pour de tels services, et si nous parlons de remplacer la pompe, le montant sera impressionnant.
Option numéro 2: remplacement de la pompe à faire soi-même
Par vous-même, le remplacement de la pompe dans le puits n'est effectué que si vous êtes sûr qu'elle fonctionne mal. En cas de doute, mieux vaut consulter un spécialiste.
Il est tout simplement impossible de faire ce travail seul, vous aurez besoin de l'aide d'au moins cinq personnes supplémentaires : à une profondeur de 100 mètres, une pompe avec un câble et une suspension pèse environ 250 kilogrammes.
Tout d'abord, vous devez préparer un outil de travail du métal, un fer à souder électrique, un sèche-cheveux de bâtiment, une gaine thermorétractable, des ciseaux et des consommables.
Ensuite, nous déconnectons la conduite de tête de puits et le câble d'alimentation de la pompe de la ligne principale allant à la maison. Après cela, dévissez l'élément de serrage.
Lors du levage de la pompe, veillez à utiliser une corde de sécurité. Si la pompe tombe en panne, il sera impossible de la remonter, ce qui signifie que le puits sera également utilisé à l'avenir.
La pompe remontée à la surface est déconnectée de la ligne. Nous inspectons la pompe, si elle est toujours en état de marche, remplaçons le mécanisme de connexion, le couplage et le clapet anti-retour. Les anciens, très probablement, ont déjà perdu leurs propriétés de travail, il est donc préférable d'en installer de nouveaux. Si l'ancienne pompe ne peut pas être réparée, installez-en une nouvelle.
- Ensuite, nous connectons la canalisation principale à la pompe, soudons le câble d'alimentation, en nous souvenant de l'étanchéité de la connexion et du manchon thermorétractable. Nous attachons un câble de sécurité, vérifions sa tension.
Nous préparons la nouvelle pompe pour la plongée, soudons le câble d'alimentation et attachons le câble de sécurité
- L'installation d'une pompe pour puits profond dans un puits doit être effectuée avec le plus grand soin. Il n'est pas souhaitable de permettre un contact avec les parois du boîtier.
La pompe doit être abaissée dans le puits avec beaucoup de précautions - nous nous assurons qu'elle ne heurte pas le mur
- Nous serrons la tête de forage, fixons les raccords à la tuyauterie et configurons l'automatisation conformément aux paramètres spécifiés.
Nous mettons en place une alimentation électrique automatique conformément aux paramètres de pression de travail spécifiés
L'option la plus pratique pour organiser l'approvisionnement en eau dans une zone suburbaine est un puits. La pompe submersible fonctionne silencieusement, et si l'installation et la mise en service ont été effectuées correctement, la prochaine fois, vous devrez examiner le puits très bientôt.
L'un des principaux problèmes liés à l'installation d'une pompe submersible est la réticence de la pompe à passer par le raccord du boîtier.
En règle générale, à cet égard, il y a une diminution du diamètre du tube de tubage. Par conséquent, l'achat d'une pompe avec un diamètre extérieur plus petit (pompes de 3 pouces) est toujours préférable.
Que faut-il savoir sur un puits ?

Chaque aquifère est particulier en termes d'indicateurs principaux qui le caractérisent. Cela se réfère non seulement au diamètre du tube de tubage et à la profondeur totale (distance de l'embouchure au fond), mais également à de tels indicateurs:
- niveau d'eau statique;
- niveau d'eau dynamique;
- bien débiter (afflux).
Ces données sont toujours dans le passeport de l'aquifère et affectent directement non seulement la profondeur d'immersion de la pompe de forage, mais également le choix de sa puissance et de ses performances optimales. Regardons ce que signifie chacune de ces caractéristiques et comment cela affecte la profondeur d'installation de la pompe à eau.
Si l'eau n'est pas prélevée du puits pendant une certaine période, un niveau constant sera établi dans la cavité du tubage. La colonne d'eau qui en résulte équilibre la pression dans les aquifères, qui y est stable. Pour cette raison, le niveau est statique, c'est-à-dire constant.Elle peut varier légèrement au cours de l'année en fonction de la situation hydrologique et de l'intensité des prélèvements d'eau d'un aquifère donné par les puits adjacents. En règle générale, plus le puits est profond, plus cet indicateur de puits est stable.
Cet indicateur dépend de deux facteurs :
- performances de la pompe ;
- arrivée d'eau dans le puits.
C'est-à-dire que le niveau dynamique n'est pas constant, car il est possible de remplacer la pompe par une autre avec des caractéristiques différentes, le débit du puits peut également subir des changements dans le processus d'envasement. Mais c'est précisément cette caractéristique de l'aquifère qui est la plus intéressante lors du choix de la profondeur d'immersion correcte de la pompe à eau. En effet, pour que la pompe submersible ne soit pas à sec lors du processus de prélèvement d'eau, il est nécessaire de la mettre en dessous du niveau dynamique minimum dans le tubage d'au moins un mètre. Cela est dû aux caractéristiques des pompes de forage, que vous découvrirez plus tard.
Caractéristiques de l'appareil de la station de pompage
L'approvisionnement en eau autonome basé sur la station de pompage comprend un ensemble d'appareils qui assurent l'approvisionnement automatique en eau de la maison. Pour organiser une alimentation en eau autonome confortable, il est nécessaire de choisir une unité de pompage appropriée, de la connecter correctement et de la configurer.
Si l'installation est effectuée correctement et que les exigences de fonctionnement sont respectées, elle durera très longtemps. La maison aura toujours de l'eau propre sous pression, permettant l'utilisation d'appareils modernes : d'une douche et d'un lave-linge conventionnels à un lave-vaisselle et un jacuzzi.
La station de pompage se compose de trois éléments principaux :
- une pompe qui fournit de l'eau;
- hydroaccumulateur, où l'eau est stockée sous pression;
- bloc de contrôle.
La pompe pompe l'eau dans un accumulateur hydraulique (HA), qui est un réservoir avec un insert interne en matériau élastique, souvent appelé membrane ou poire en raison de sa forme.
La tâche de la station de pompage est d'assurer un approvisionnement constant en eau de la maison à un niveau de pression suffisamment élevé dans le système d'alimentation en eau
Plus il y a d'eau dans l'accumulateur, plus la membrane résiste, plus la pression à l'intérieur du réservoir est élevée. Lorsque le liquide s'écoule du HA vers l'alimentation en eau, la pression diminue. Le pressostat détecte ces changements, puis allume ou éteint la pompe.
Cela fonctionne comme ceci :
- L'eau remplit le réservoir.
- La pression monte jusqu'à la limite supérieure réglée.
- Le pressostat éteint la pompe, le débit d'eau s'arrête.
- Lorsque l'eau est allumée, elle commence à diminuer à partir du HA.
- Il y a une diminution de la pression jusqu'à la limite inférieure.
- Le pressostat met la pompe en marche, le réservoir se remplit d'eau.
Si vous retirez le relais et l'accumulateur du circuit, la pompe devra être allumée et éteinte à chaque fois que l'eau est ouverte et fermée, c'est-à-dire Souvent. Par conséquent, même une très bonne pompe tombera en panne rapidement.
L'utilisation d'un accumulateur hydraulique offre aux propriétaires des bonus supplémentaires. L'eau est fournie au système sous une certaine pression constante.
Tous les composants et matériaux nécessaires à la connexion doivent être préparés à l'avance. Ils doivent correspondre à la taille des buses de l'équipement existant, des adaptateurs peuvent être nécessaires pour une installation réussie.
Une bonne pression est nécessaire non seulement pour prendre une douche confortablement, mais également pour le fonctionnement d'une machine à laver ou d'un lave-vaisselle automatique, d'un hydromassage et d'autres avantages de la civilisation.
De plus, certains (environ 20 litres), mais l'approvisionnement en eau nécessaire est stocké dans le réservoir si l'équipement cesse de fonctionner. Parfois, ce volume est suffisant pour s'étirer jusqu'à ce que le problème soit résolu.
Qu'est-ce qu'un bon puits ?
Pour commencer, choisissez un emplacement pour le puits. Il doit répondre à plusieurs exigences :
- être situé à un endroit où l'aquifère est le plus près possible de la surface;
- être situé le plus près possible du domicile;
- être retiré à une distance considérable des sources possibles de pollution : fosses d'aisance, lieux où sont gardés des animaux de compagnie, etc.
Si un tel endroit est choisi, les travaux peuvent commencer. Des volumes importants de sol seront excavés au cours du processus. Afin de ne pas polluer le site, vous devez à l'avance prendre soin d'un endroit approprié pour la terre excavée. Par exemple, il peut être utilisé pour améliorer le terrain de l'arrière-cour.
Les parois des puits modernes sont le plus souvent renforcées par des anneaux en béton, car c'est le moyen le plus rapide et relativement peu coûteux d'effectuer tous les travaux nécessaires.
Divers matériaux sont utilisés pour former les parois du puits : brique, pierre, rondins, etc. Mais la grande majorité des puits modernes sont constitués d'anneaux en béton.
Il s'agit d'un matériau abordable et relativement peu coûteux, fiable en fonctionnement et facile à installer. Bien sûr, les espaces entre les anneaux sont soigneusement scellés et recouverts de matériaux d'étanchéité.
Les anneaux en béton du puits doivent être de haute qualité, ce qui garantira leur fonctionnement à long terme et la haute qualité de l'eau fournie à la maison.
Lors du choix des anneaux pour un puits, il y a plusieurs points importants à considérer :
- utiliser des anneaux en béton spéciaux pour les puits qui n'ont pas été utilisés ;
- rappelez-vous que les anneaux bon marché, en particulier ceux d'occasion, ont une ressource de durabilité réduite et peuvent avoir une pollution qui affectera la qualité de l'eau du puits;
- il est inacceptable d'utiliser des anneaux avec des fissures ou d'autres défauts techniques;
- lors de l'acceptation des anneaux livrés à l'installation, mesurez leur hauteur et d'autres paramètres avec votre propre ruban à mesurer, surtout si la construction du puits est confiée à une équipe qui reçoit un paiement en fonction du nombre d'anneaux.
Un autre point important est le débit du puits, c'est-à-dire la quantité d'eau qui peut être obtenue en peu de temps. Pour déterminer cet indicateur, l'eau est pompée, puis son volume est mesuré.
Pour faire un puits à partir d'anneaux de béton, ils creusent un puits dans lequel les anneaux sont progressivement abaissés, en les plaçant les uns sur les autres. L'exactitude de l'installation est vérifiée par un fil à plomb. Il est également nécessaire de s'assurer que la mine est suffisamment spacieuse et de niveau.
Y a-t-il un puits sur la propriété ? Cela ne signifie pas que vous pouvez acheter immédiatement du matériel de pompage. Tout d'abord, vous devez vérifier la conformité de la conception aux exigences d'approvisionnement en eau d'une maison privée à partir d'un puits: sa profondeur, son débit, etc.
Dans tous les cas, un nettoyage doit être effectué avant l'installation du système. S'il est nécessaire d'approfondir un puits existant, l'eau est pompée, le puits est approfondi et ses parois sont renforcées avec des anneaux en béton d'un diamètre inférieur.
Types de pompes pour puits et leurs fonctions
Les pompes à eau de puits peuvent être immergées dans des puits étroits à de grandes profondeurs ou montées en surface. Le principe de fonctionnement de l'appareil et de son installation est le suivant :
- Ses principaux éléments sont des roues montées sur un seul arbre.
- Leur rotation se produit dans des diffuseurs, ce qui assure le mouvement du liquide.
- Après avoir fait passer le liquide à travers toutes les roues, il sort de l'appareil par une soupape de décharge spéciale.
- Le mouvement du liquide se produit en raison des chutes de pression, qui se résument à toutes les roues.
Il existe plusieurs types de tels équipements :
- Centrifuge. Une telle pompe permet d'assurer l'alimentation en eau propre sans contaminants majeurs.
- Vis. Il s'agit de l'appareil le plus courant, capable de pomper un liquide avec un mélange de particules par mètre cube ne dépassant pas 300 grammes.
- Vortex. Ne transfère que de l'eau purifiée.
Malgré les différences, tous les types de pompes remplissent des fonctions similaires :
- Fournir de l'eau souterraine aux maisons privées et aux chalets.
- Participer à l'organisation des systèmes d'irrigation.
- Pomper le liquide dans des réservoirs et des conteneurs.
- Fournir une alimentation en eau complète en mode automatique.
Lors du choix d'une pompe pour un site, les critères suivants sont pris en compte :
- Les dimensions d'origine de l'équipement. Ils doivent être pris en compte pour garantir certaines tolérances technologiques lors de la mise en place de la pompe dans le puits.
- Source d'alimentation électrique. Les pompes de forage sont fabriquées en monophasé et en triphasé.
- Puissance de l'appareil. Ce paramètre doit être déterminé à l'avance en fonction de la pression et de la consommation d'eau calculées.
- Coût de la pompe. Dans ce cas, il est nécessaire que le rapport qualité-prix de l'équipement soit choisi correctement.
Types de pompes domestiques
Les pompes pour puits sont divisées en submersibles et en surface. Ces unités présentent certains avantages par rapport aux autres:
- Grande profondeur de prise d'eau, qui n'est pas disponible pour les pompes d'un autre type.
- Facilité d'installation.
- Aucune pièce mobile.
- Faible niveau sonore.
- Longue durée de vie.
La photo montre les types de pompes de forage submersibles.
Pompes de forage submersibles
Astuce: Il est très important de suivre la disposition compétente et appropriée de l'équipement, n'utilisez que des matériaux de haute qualité. La violation de la technologie d'installation ou l'utilisation de matériaux de mauvaise qualité peut entraîner :. La violation de la technologie d'installation ou l'utilisation de matériaux de mauvaise qualité peut entraîner :
La violation de la technologie d'installation ou l'utilisation de matériaux de mauvaise qualité peut entraîner :
- Rupture de la pompe.
- son échec prématuré.
- Lors du démontage, impossibilité de soulever la pompe.
Types et caractéristiques d'installation des caissons
Le fonctionnement ininterrompu du puits est conçu pour fournir un caisson, un conteneur étanche isolé avec l'équipement nécessaire à l'intérieur.
Habituellement, une pompe, des vannes d'arrêt, des instruments de mesure, une automatisation, des filtres, etc. y sont montés. Les bâtiments sont fabriqués à partir de différents matériaux. Le plus courant :
Plastique. Ils se distinguent par une excellente isolation thermique, qui permet même sans isolation supplémentaire de maintenir la température à l'intérieur du caisson au niveau de 5C. Durabilité, excellentes caractéristiques d'étanchéité, ce qui permet d'éviter des coûts supplémentaires pour les travaux d'isolation, prix raisonnable, surtout en comparaison avec d'autres options. De plus, le système est assez facile à installer en raison de son faible poids. Le principal inconvénient est une faible rigidité, qui peut provoquer une déformation de la structure et des dommages à l'équipement.Cependant, il est facile d'y faire face en remplissant le récipient autour du périmètre avec du mortier de ciment avec une couche de 80-100 mm.
Les caissons en plastique ont une excellente isolation thermique, ce qui permet de les installer sans isolation supplémentaire.
Acier. Le plus souvent, l'aménagement d'un puits d'eau est réalisé avec une telle conception. Le matériau vous permet de fabriquer un caisson de n'importe quelle forme souhaitée, sans nécessiter beaucoup d'efforts. Il suffira de souder les pièces ensemble et de traiter la structure de l'intérieur et de l'extérieur avec un revêtement spécial anti-corrosion. Pour un récipient de haute qualité, un métal d'une épaisseur de 4 mm suffira amplement. Vous pouvez également trouver des structures prêtes à l'emploi en vente, mais leur achat coûtera beaucoup plus cher que l'autoproduction.
Il existe différentes formes de caissons en acier - pour différents besoins
Béton armé. Installations très solides et durables, auparavant extrêmement courantes. En raison de leurs défauts, ils sont aujourd'hui beaucoup moins utilisés. Leur coût est très élevé et un équipement spécial est nécessaire pour l'installation, en raison du poids important de l'équipement. Pour la même raison, avec le temps, le caisson en béton s'affaisse, déformant les canalisations à l'intérieur.
Le béton a une isolation thermique insuffisante, ce qui peut provoquer le gel de l'eau dans la pompe en cas de gel sévère, et une mauvaise étanchéité, car le béton est hygroscopique
Voici un schéma approximatif d'installation d'équipements dans un caisson et de connexion des communications:
Schéma d'installation de l'équipement dans le caisson
Si vous comptez terminer l'aménagement du puits de vos propres mains, il vaut la peine de se familiariser avec les étapes d'installation du caisson. Ils sont quasiment les mêmes pour tout type de structure, avec de légères nuances selon le matériau de l'équipement.Considérons les étapes d'installation d'un réservoir en acier :
Préparation de la fosse. Nous creusons un trou dont le diamètre est supérieur de 20 à 30 cm au diamètre du caisson. La profondeur doit être calculée de manière à ce que le col de la structure s'élève à environ 15 cm au-dessus du niveau du sol, ce qui permettra d'éviter d'inonder le réservoir lors de la crue et des fortes pluies.
Installation du manchon de tubage. Nous faisons un trou au fond du récipient. Il peut être positionné traditionnellement au centre ou décalé selon les besoins pour l'installation des équipements. Un manchon de 10-15 cm de long doit être soudé au trou, son diamètre doit être supérieur au diamètre du tube de cuvelage. Assurez-vous de vérifier que le manchon peut être facilement mis sur le tuyau.
Installation de mamelons pour le retrait des conduites d'eau. Nous les soudons dans la paroi du conteneur.
Pose de caissons. Nous coupons le tubage au niveau du sol. Nous posons le conteneur sur les barres au-dessus de la fosse afin que le manchon au fond du conteneur "s'habille" sur le tuyau
Nous vérifions que les axes du caisson et de l'enveloppe correspondent exactement, puis nous retirons soigneusement les barres et abaissons soigneusement la structure dans l'enveloppe. Nous installons le conteneur dans la fosse strictement verticalement et le fixons avec des barres. Nous soudons le tuyau au fond, tout en scellant le caisson
À travers les mamelons, nous commençons les conduites d'eau dans la structure
Nous soudons un tuyau au fond, tout en scellant le caisson. À travers les mamelons, nous commençons des conduites d'eau dans la structure.
Remblayage du bâtiment.
Le caisson est "mis en place" sur le tube de tubage et soigneusement descendu dans la fosse
Il convient de noter qu'en principe, il est possible d'équiper un puits sans caisson, mais uniquement si un bâtiment chauffé est situé à proximité, dans lequel se trouve l'équipement.
La commodité d'un tel système est indéniable - tous les nœuds sont facilement accessibles.Cependant, les inconvénients sont également importants : il prend beaucoup de place dans la pièce et fait le plus souvent beaucoup de bruit.












































