- Schéma de câblage et installation à faire soi-même
- Installation d'un réservoir de stockage de chaleur
- Comment connecter un accumulateur de chaleur dans un harnais avec des chaudières à combustible solide et à gaz (vidéo)
- Connecter des conseils professionnels
- Avec mélange liquide
- Avec distribution hydraulique
- Appareil et principe de fonctionnement
- Qu'est-ce que le câblage de chauffage
- Comment fonctionne le principe du contrôle de la température
- Options de réglage
- Processus principal
- Châssis suspendu
- Travaux d'installation électrique
- Pompes à chaleur - classement
- Pompe géothermique - principes de conception et de fonctionnement
- Utiliser l'eau comme source de chaleur
- L'air est la source de chaleur la plus accessible
- Types de thermostats pour chaudières à gaz
- Thermorégulateurs avec intégration avec des systèmes externes.
Schéma de câblage et installation à faire soi-même
Schéma de connexion de l'accumulateur de chaleur
Si vous êtes confronté à l'installation ou à la reconstruction du système de chauffage, il ne vous sera pas difficile de fabriquer et d'installer un accumulateur de chaleur. Même un débutant peut faire face à ce travail s'il possède les compétences de serrurier nécessaires.
Le schéma de connexion du réservoir tampon présente les caractéristiques suivantes :
- l'entrée de la chaudière et la branche de retour du système de chauffage sont reliées aux buses inférieures de l'appareil ;
- le mouvement du liquide de refroidissement dans le système, ainsi que son alimentation vers l'unité de chauffage, est assuré par une pompe de circulation installée avec un clapet anti-retour et une vanne d'arrêt ;
- une deuxième pompe est reliée à la sortie de la chaudière, destinée à transporter le liquide chaud vers la tubulure de dérivation supérieure du ballon de stockage ;
- le deuxième tuyau de dérivation supérieur du réservoir est relié à la ligne de pression du système de chauffage. Dans ce cas, il est possible d'allumer à la fois avec une vanne à trois voies et sans elle.
Notez qu'un principe similaire est utilisé pour les systèmes avec une seule unité de chauffage. L'utilisation de plusieurs chaudières nécessite l'installation supplémentaire de dispositifs de verrouillage, d'équilibrage et d'arrêt, ce qui complique considérablement le schéma de connexion et la conception de l'accumulateur de chaleur.
Installation d'un réservoir de stockage de chaleur
L'installation d'un accumulateur de chaleur prévoit l'installation d'automatisation de contrôle, de dispositifs de verrouillage et de pompes centrifuges
Quel que soit l'accumulateur de chaleur utilisé (acheté ou fabriqué par vous-même), vous aurez besoin de :
- robinets à tournant sphérique ;
- pompes de circulation;
- segments de tuyau du diamètre requis;
- clapets anti-retour;
- capteurs de température;
- soupape de sécurité;
- câblage électrique;
- des vannes à trois voies ou un système de commande électrique pour le fonctionnement des pompes de circulation ;
- accumulateur thermique.
De plus, les kits de plomberie et d'électricité habituels seront nécessaires, qui comprennent les outils nécessaires et les matériaux d'isolation et d'étanchéité nécessaires.
Lors du montage du ballon tampon, la capacité du liquide chauffé à remonter jusqu'au sommet du ballon est prise en compte.
Tout d'abord, déterminez l'emplacement d'installation de l'appareil.Si possible, le ballon est monté le plus près possible de la chaudière de chauffage. Le ballon de stockage de chaleur est connecté dans l'ordre suivant :
- Le liquide de refroidissement est évacué du système de chauffage.
- Une soupape de sécurité est reliée à l'une des bornes supérieures du réservoir.
- Des vannes à bille sont installées sur les buses du réservoir. Vous pouvez vous passer des vannes d'arrêt, mais dans ce cas, s'il est nécessaire de réparer ou de remplacer l'équipement, vous devrez vidanger le liquide de refroidissement.
- Une pompe de circulation est connectée à la sortie inférieure du réservoir, à travers laquelle le liquide refroidi sera fourni à la chaudière.
- Le tuyau de pression de l'unité de chauffage est connecté à la sortie supérieure de l'accumulateur de chaleur.
- Ils montent un capteur de température et une unité d'automatisation qui contrôleront la pompe de circulation en fonction du degré d'échauffement du liquide de refroidissement.
- La ligne d'alimentation du système de chauffage est reliée à la sortie de vapeur située dans la partie supérieure du réservoir.
- Une deuxième pompe de circulation est montée sur la conduite de retour. Cette unité sera nécessaire pour transporter le liquide de refroidissement le long du circuit de chauffage.
- Installez une automatisation pour contrôler le fonctionnement de la deuxième pompe, en fonction de la température de l'air dans les locaux.
- Si la conception de l'accumulateur de chaleur prévoit un deuxième circuit, il est alors connecté au système d'alimentation en eau chaude.
- Si nécessaire, raccordez électriquement l'élément chauffant du ballon tampon à la tension d'alimentation.
- Installez un dispositif de courant résiduel et une boucle de terre.
Les places de tous les compagnons doivent être soigneusement scellées avec du câble et une pâte spéciale.Il est préférable de ne pas utiliser de ruban fumigène, car cela ne vous permettra pas de «tourner» les connexions pour une installation correcte des pompes de circulation et un placement pratique des vannes à bille.
Comment connecter un accumulateur de chaleur dans un harnais avec des chaudières à combustible solide et à gaz (vidéo)
L'accumulateur de chaleur optimise le fonctionnement de l'unité de chauffage et économise les ressources. Amortir le conteneur est facile à installer de vos propres mains, pour lequel vous pouvez acheter un produit fini dans un réseau de distribution ou fabriquer vous-même un réservoir de stockage. Dans tous les cas, les fonds dépensés sont rentabilisés en peu de temps, ce qui permet de conseiller l'installation d'accumulateurs de chaleur à la fois pour économiser de l'énergie et pour protéger les appareils de chauffage contre la surchauffe.
Connecter des conseils professionnels
Afin de mettre en œuvre correctement et efficacement un système de chauffage privé basé sur n'importe quelle chaudière à combustible solide, vous pouvez connecter un accumulateur de chaleur de plusieurs manières. Ils sont assez courants chez les artisans professionnels, mais vous pouvez l'apprendre par vous-même, car il n'y a rien de compliqué et de surnaturel dans ces schémas.
Conseils! Considérez le fait que le coût des travaux dépend directement du principe de base de la construction d'un système de circulation constante du combustible dans la chaudière.
Schéma de connexion de l'accumulateur de chaleur
Avec mélange liquide
Le schéma de raccordement d'un accumulateur de chaleur à une chaudière à combustible solide d'un type courant est extrêmement clair. Utilisation facile et économique dans la tuyauterie des systèmes de chauffage permanents, qui sont basés sur la circulation d'un combustible de type simple gravité dans la chaudière. Dans cette situation, cela se produit :
- Lors du chauffage du volume d'eau défini dans l'échangeur de chaleur de l'appareil lui-même, sa circulation commence dans tout le système de la canalisation installée, qui traverse la vanne de la chaudière.
- Lorsque la température réglée par l'utilisateur est atteinte, la vanne intégrée commence activement à fonctionner et maintient en conséquence la valeur préréglée, en mélangeant progressivement uniquement l'eau froide de la chaudière elle-même.
- À ce moment, l'eau chaude de l'unité installée est versée dans le réservoir - c'est ainsi que l'accumulateur de chaleur est chargé.
- Pendant tout le temps qui ne peut être déterminé que par le réservoir de la chaudière, le combustible brûle complètement.
- Démarre le processus inverse, qui consiste à alimenter en eau de petits radiateurs. La stabilité de la température est maintenue en permanence.
- Lorsque la source directe de la chaleur requise ne peut pas maintenir un chauffage stable de l'eau dans le réservoir de l'accumulateur de chaleur, la vanne installée se ferme rapidement et de manière fiable et le système revient instantanément à son état d'origine.
S'il n'y a pas d'alimentation électrique ou si la pompe de circulation tombe en panne, la chaudière passe immédiatement en mode tampon spécial, ce qui permet à l'ensemble du système de fonctionner uniquement sur le clapet anti-retour.
Raccordement d'un accumulateur de chaleur à une chaudière à combustible solide
L'eau collectée, qui a chauffé jusqu'à ce point dans la chaudière elle-même, entre alors activement dans le réservoir installé. Puis elle se dirige vers plusieurs radiateurs de chauffage. Ce processus continu garantit que l'eau est chauffée en douceur et que les températures élevées chutent doucement.
Conseils! Pour que le circuit de chauffage fonctionne au mieux, l'accumulateur de chaleur doit être monté suffisamment haut pour qu'il n'y ait aucun contact avec les radiateurs de chauffage.
Avec distribution hydraulique
Un système de ce type est vendu pour presque tous les modèles de chaudières. Grâce à eux, il est possible de fournir une alimentation électrique ininterrompue et stable. Pour que l'ensemble du système réfléchi fonctionne correctement et sans heurts, il est utile de fournir correctement et clairement une source de nutrition stable et nutritive.
Il est possible de mettre en œuvre ce principe: la chaudière installée ne servira que de récipient spécial, qui stabilise au maximum la température d'un volume d'eau suffisamment important nécessaire au confort de la pièce. Cela a du sens dans le cas où il est nécessaire d'alimenter immédiatement plusieurs circuits de chauffage privés.
La connexion d'un accumulateur de chaleur à une chaudière à combustible solide de ce type a également trouvé une large application parmi les utilisateurs et les développeurs modernes.
Le schéma de connexion de l'accumulateur de chaleur à choisir dépend uniquement des besoins individuels du propriétaire de la maison et de ceux qui y vivent. Ici, vous devez peser tous les avantages et les inconvénients, ainsi que prendre en compte de nombreux facteurs pouvant affecter de manière significative le choix final.
Tout dépend de la zone qui sera chauffée avec une chaudière à combustible solide ; éléments et assemblages utilisés de l'ensemble de l'installation ; le nombre calculé de contours qui seront réalisés dans le harnais ; la présence d'un système bien pensé d'approvisionnement en eau chaude stable de toute la pièce.
Organiser correctement un schéma de câblage est une tâche difficile qui nécessite une concentration accrue et la bonne approche.Si vous n'avez pas confiance en vos connaissances, il est préférable de confier le processus à des spécialistes expérimentés et qualifiés.
Appareil et principe de fonctionnement
Le confort de rester à l'intérieur dépend en grande partie du système de chauffage utilisé. Le contrôle de la température d'un plancher chauffé à l'eau est effectué à l'aide d'appareils spéciaux - des thermostats.
De nombreux modèles de tels systèmes sont utilisés, mais dans la plupart des cas, ils n'utilisent que quelques méthodes de réglage fondamentalement différentes.
Regarder la vidéo - processus de configuration
Mais, avant d'envisager le principe de fonctionnement et la conception des thermostats, vous devez comprendre l'objet de la régulation.
Qu'est-ce que le câblage de chauffage
Le chauffage d'une pièce avec un plancher d'eau peut être réalisé de différentes manières. L'un d'eux est l'utilisation de la chaleur de l'eau chauffée, qui agit comme un caloporteur. La transmission se fait par des tuyaux. Auparavant, les tuyaux en acier étaient principalement utilisés pour le chauffage, ils ont maintenant été remplacés par des tuyaux modernes en matières plastiques.
Le circuit de chauffage peut être situé le long des murs sous la forme de radiateurs, ou il peut être situé sous la surface du sol, le chauffant ainsi que l'air de la pièce.
L'eau chaude ou l'antigel est chauffé dans la chaudière, après quoi, à l'aide d'une pompe de circulation, il est introduit dans le circuit de chauffage du plancher d'eau.
En passant par ses tuyaux, le liquide de refroidissement dégage de la chaleur dans l'espace environnant fermé, chauffant la surface. Le liquide refroidi est renvoyé au système de chaudière. Selon la température du "retour" dans le groupe de mélange, celui-ci est chauffé ou refroidi par mélange à l'eau plus froide du réservoir.
Dans les circuits avec chauffage au sol, qui sont reliés par un circuit séparé, un thermostat est installé pour chacun d'eux, car ils ont tous leur propre régime thermique. Et les circuits de chauffage des radiateurs sont chauffés à une température presque deux fois plus élevée que pour un sol chaud.
Comment fonctionne le principe du contrôle de la température
Les principaux éléments de contrôle du chauffage sont les servomoteurs, les capteurs de température et les thermostats. Cette composition de l'équipement vous permet de régler la température du sol chauffé à l'eau en continu en mode automatique continu. Ça se passe comme ça :
- Si un signal de température insuffisante provient du capteur de température, le servomoteur ouvre la vanne et plus d'eau chaude entre dans le circuit de chauffage.
- Lorsque le liquide de refroidissement surchauffe, le mitigeur d'eau glacée s'ouvre, réduisant le degré d'échauffement du circuit.
- Cependant, un réglage manuel est également possible en réglant la vanne dans une certaine position. Mais cette méthode nécessite un contrôle visuel constant, car les facteurs dont dépend le mode de chauffage changent à plusieurs reprises au cours de la journée. Avec le bon marché relatif de tels appareils, ils sont très peu pratiques à utiliser, car chaque changement des conditions dans la pièce nécessite une intervention dans le fonctionnement du chauffage.
Options de réglage
Regarder la vidéo - ajustement puissance du bloc capteur thermique
- Le degré de chauffage du revêtement de sol. Dans ce cas, le capteur de chauffage est installé à proximité immédiate de celui-ci. Un tel dispositif de chauffage par le sol est le mieux adapté aux petites pièces et aux circuits de chauffage de faible puissance, qui ne sont utilisés qu'en auxiliaire, notamment pour le chauffage par le sol.
- La température de l'air dans la pièce - avec ce schéma de contrôle, des capteurs sont utilisés qui sont montés directement dans le boîtier du thermostat. Le bon fonctionnement d'un tel appareil ne peut être obtenu que si toutes les exigences d'isolation d'un bâtiment chauffé sont respectées. Sinon, il est difficile d'obtenir un fonctionnement de chauffage efficace - des pertes d'énergie importantes sont inévitables. Une maison bien construite avec un système de chauffage complet et un thermostat peut économiser jusqu'à 30% sur les ressources.
- Systèmes de contrôle combinés, dans lesquels des capteurs de température de chauffage par le sol sont installés à la fois dans la pièce chauffée et sur le système de l'unité de mélange. Les paramètres sont ajustés pour des raisons de température la plus confortable dans la maison. Un tel équipement avec un thermostat est utilisé dans les grandes pièces. Les deux capteurs peuvent être utilisés simultanément ou l'un d'eux peut être utilisé pour le contrôle.
Processus principal
Châssis suspendu
Vous devez d'abord déterminer l'emplacement d'installation du radiateur infrarouge dans la maison (ou l'appartement). Comme nous l'avons dit ci-dessus, le boîtier peut être placé à la fois au plafond et sur les murs, en fonction des préférences individuelles des propriétaires.
Tout d'abord, vous devez marquer vous-même les endroits où installer les fixations. Pour ce faire, utilisez un ruban à mesurer, qui mesure la même distance entre le plafond et la zone sélectionnée. Il est également recommandé d'utiliser un niveau de construction, avec lequel vous pouvez régler uniformément les supports dans un plan horizontal.
Après le marquage, procéder au perçage. Si le plafond (ou le mur) est en bois, percez des trous avec une perceuse. Si vous avez affaire à du béton, vous ne pouvez pas vous passer d'un perforateur.Il est nécessaire d'enfoncer des chevilles dans les trous créés et de visser les supports, après quoi vous pouvez installer le radiateur infrarouge à sa place.
Nous attirons votre attention sur le fait que la conception de l'appareil est différente. Certains produits ont des guides fixés entre parenthèses. Une option plus simple consiste à fixer des chaînes au plafond (des supports spéciaux s'y accrochent)
Également sur le marché, vous pouvez voir des radiateurs infrarouges sur la jambe, qui sont simplement placés sur le sol.
Une option plus simple consiste à fixer des chaînes au plafond (des supports spéciaux s'y accrochent). Également sur le marché, vous pouvez voir des radiateurs infrarouges sur la jambe, qui sont simplement placés sur le sol.


Travaux d'installation électrique
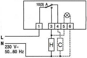
Comme nous l'avons dit au début, le processus connexion chauffage infrarouge au réseau se fera à l'aide d'un régulateur de température.
Vous devez d'abord connecter les contacts de la prise électrique pliable aux borniers du thermostat, qui sont installés dans le boîtier du produit. Chaque "prise" a sa propre désignation: N - zéro, L - phase. Il convient de noter qu'il y a au moins deux bornes zéro et phase chacune (du réseau au régulateur et du régulateur au réchauffeur). Tout est assez simple - vous dénudez les fils, les insérez dans les sièges jusqu'à ce qu'ils cliquent (ou serrez les vis). Assurez-vous de suivre le code couleur des fils afin que la connexion soit correcte.

A vos schémas d'attention de la connexion correcte:

Comme vous pouvez le voir, connecter un radiateur infrarouge via un thermostat est assez simple, l'essentiel est de ne pas confondre les fils et de les serrer soigneusement dans les borniers.
Une nuance très importante est le choix correct de l'emplacement du régulateur. N'installez pas le produit à côté d'un radiateur, cardans ce cas, l'entrée d'air chaud affectera négativement la précision de la mesure. Il est préférable de placer l'appareil dans une zone plus éloignée, à une hauteur d'un mètre et demi au-dessus du sol.
Notez également que vous devez installer le contrôleur dans la pièce la plus froide, sinon le problème de chauffage ne sera pas complètement résolu. Quant au nombre d'appareils infrarouges desservis par un contrôleur de température, tout dépend de la puissance des radiateurs. Habituellement, ils utilisent un contrôleur de 3 kW pour plusieurs produits, la puissance totale ne dépasse pas 2,5 kW (il y a donc une marge d'au moins 15 %)
Habituellement, un contrôleur de 3 kW est utilisé pour plusieurs produits, la puissance totale ne dépasse pas 2,5 kW (il y a donc une marge d'au moins 15%).
Vous pouvez en savoir plus sur la connexion d'un thermostat à un radiateur infrarouge dans notre article séparé, qui propose plusieurs schémas d'installation !
Pour que vous puissiez voir clairement tout le processus de connexion de vos propres mains, nous vous proposons ces leçons à visionner :
Comment connecter un régulateur de température
Pompes à chaleur - classement
Le fonctionnement d'une pompe à chaleur pour chauffer une maison est possible dans une large plage de températures - de -30 à +35 degrés Celsius. Les dispositifs les plus courants sont l'absorption (ils transfèrent la chaleur à travers sa source) et la compression (la circulation du fluide de travail se produit grâce à l'électricité). Les dispositifs d'absorption les plus économiques, cependant, sont plus chers et ont une conception complexe.
Classement des pompes par type de source de chaleur :
- Géothermie. Ils puisent la chaleur de l'eau ou de la terre.
- Air. Ils prélèvent la chaleur de l'air.
- chaleur secondaire.Ils prennent la soi-disant chaleur de production - générée lors de la production, pendant le chauffage et d'autres processus industriels.
Le caloporteur peut être :
- Eau provenant d'un réservoir artificiel ou naturel, eau souterraine.
- Amorçage.
- Masses d'air.
- Combinaisons des médias ci-dessus.
Pompe géothermique - principes de conception et de fonctionnement
Une pompe géothermique pour le chauffage d'une maison utilise la chaleur du sol, qu'elle sélectionne avec des sondes verticales ou un collecteur horizontal. Les sondes sont placées à une profondeur allant jusqu'à 70 mètres, la sonde est située à une petite distance de la surface. Ce type d'appareil est le plus efficace, car la source de chaleur a une température constante assez élevée tout au long de l'année. Par conséquent, il est nécessaire de dépenser moins d'énergie pour le transport de la chaleur.

Pompe à chaleur géothermique
Un tel équipement est coûteux à installer. Le coût élevé du forage des puits. De plus, la surface allouée au collecteur doit être plusieurs fois plus grande que la surface de la maison ou du chalet chauffé.
Il est important de se rappeler que le terrain où se trouve le collecteur ne peut pas être utilisé pour planter des légumes ou des arbres fruitiers - les racines des plantes seront surfondues
Utiliser l'eau comme source de chaleur
Un étang est une source d'une grande quantité de chaleur. Pour la pompe, vous pouvez utiliser des réservoirs non gelés à partir de 3 mètres de profondeur ou des eaux souterraines à un niveau élevé. Le système peut être mis en œuvre de la manière suivante : le tuyau de l'échangeur de chaleur, lesté d'une charge à raison de 5 kg par mètre linéaire, est posé sur le fond du réservoir. La longueur du tuyau dépend du métrage de la maison.Pour une chambre de 100 m². la longueur optimale du tuyau est de 300 mètres.
Dans le cas de l'utilisation d'eau souterraine, il est nécessaire de forer deux puits situés l'un après l'autre en direction de l'eau souterraine. Une pompe est placée dans le premier puits, fournissant de l'eau à l'échangeur de chaleur. L'eau réfrigérée entre dans le deuxième puits. C'est ce qu'on appelle le système de collecte de chaleur ouvert. Son principal inconvénient est que le niveau des eaux souterraines est instable et peut changer de manière significative.
L'air est la source de chaleur la plus accessible
Dans le cas de l'utilisation de l'air comme source de chaleur, l'échangeur de chaleur est un radiateur soufflé de force par un ventilateur. Si une pompe à chaleur fonctionne pour le chauffage d'une maison par un système air-eau, l'utilisateur bénéficie :
- Possibilité de chauffer toute la maison. L'eau, agissant comme caloporteur, est diluée par des appareils de chauffage.
- Avec une consommation d'électricité minimale - la possibilité de fournir de l'eau chaude aux résidents. Ceci est possible grâce à la présence d'un échangeur de chaleur supplémentaire isolé thermiquement avec une capacité de stockage.
- Des pompes du même type peuvent être utilisées pour chauffer l'eau des piscines.

Schéma de chauffage d'une maison avec une pompe à chaleur à air.
Si la pompe fonctionne sur un système air-air, aucun caloporteur n'est utilisé pour chauffer l'espace. Le chauffage est produit par l'énergie thermique reçue. Un exemple de mise en œuvre d'un tel schéma est un climatiseur classique réglé en mode chauffage. Aujourd'hui, tous les appareils qui utilisent l'air comme source de chaleur sont basés sur des onduleurs. Ils convertissent le courant alternatif en courant continu, offrant un contrôle flexible du compresseur et de son fonctionnement sans arrêt. Et cela augmente la ressource de l'appareil.
Types de thermostats pour chaudières à gaz
Les thermostats peuvent être divisés en trois types principaux : mécaniques, électroniques et électroniques sans fil.
Les modèles filaires coûtent moins cher, mais nécessitent la pose de câbles - il est préférable d'installer un thermostat sur une chaudière à gaz avant ou pendant les réparations dans la maison. Les modèles sans fil sont plus chers, plus fonctionnels, plus pratiques.
Le choix d'un thermostat pour le raccordement à un système de chauffage au gaz s'effectue en tenant compte des principaux critères suivants :
- Fonctionnalité;
- précision de réglage ;
- le coût du thermostat ;
- facilité d'utilisation et d'installation.
Par fonctionnalité, ils distinguent :
- thermostats simples - aident à maintenir la température souhaitée dans la maison;
- thermostats sans fil - ont un émetteur qui est placé dans une autre pièce pour un contrôle plus précis de la température ;
- programmable - vous permet de définir un régime de température stable séparément pour le jour et la nuit, programmez le fonctionnement du système de chauffage par jour de la semaine, ce qui réduit considérablement la consommation de carburant;
- avec fonction hydrostat - aide à contrôler le niveau d'humidité dans la pièce, en le réduisant ou en l'augmentant en fonction des réglages.
- Avec un capteur de sol supplémentaire - le modèle est utilisé, entre autres, pour régler la température du liquide de refroidissement dans le système "plancher chaud".
- Avec un capteur de chauffage d'eau supplémentaire - l'appareil est utilisé à la fois pour réguler le régime de température de l'alimentation en eau chaude et pour contrôler le système de chauffage.
Séparément, il convient de parler des programmateurs - des thermostats plus complexes en termes de fonctionnalités, qui sont installés, entre autres, pour contrôler les systèmes de climatisation dans les maisons dites intelligentes.
Il existe des modèles de thermostats Wi-Fi à commande vocale.Ces régulateurs de salle prennent en charge plusieurs langues étrangères et peuvent être contrôlés à l'aide d'un smartphone. Lors d'une panne de courant, la fonction d'activation de la mémoire est activée, ce qui enregistre les paramètres du programmateur
Les programmeurs contrôlent le fonctionnement non seulement des équipements de chauffage et de chauffage de l'eau, mais également des climatiseurs, des pompes et d'autres appareils. Certains d'entre eux permettent de programmer un régime de température individuel pour chaque jour de la semaine avec la possibilité de régler de 1 à 6 points de régime fixes.
Thermorégulateurs avec intégration avec des systèmes externes.
le thermostat peut être un appareil conventionnel, ou il peut être intégré dans des systèmes de maison intelligente ou disponible pour une télécommande à partir d'autres systèmes.
Il existe de tels moyens de communication externe avec le thermostat:
- Wifi;
- la toile;
- service cloud;
- Bus MOD ;
- Chaîne radio ;
Wifi.
L'article « Qu'est-ce qu'un thermostat Wi-Fi » expliquait comment contrôler les thermostats via le Wi-Fi. Le moyen le plus simple consiste à se connecter directement au thermostat en tant que point d'accès.
LA TOILE.
Connexion plus pratique au thermostat Wi-Fi via un routeur Wi-Fi.
Mais un tel thermostat est un appareil WEB et vous pouvez vous y connecter via Internet.
Service cloud.
Pour accéder au thermostat sans adresse IP, un serveur tiers est utilisé - un service cloud avec une application mobile ou une interface WEB.
Ces thermostats ont été discutés en détail dans l'article "Aperçu des modèles de thermostats avec WiFi et service cloud".
Bus MOD.
J'ai rencontré des discussions sur ces thermostats. Très probablement, cela a du sens pour le contrôle de la réfrigération avec un climatiseur central et avec un contrôleur de climatisation central.
Il peut probablement être appliqué d'une manière ou d'une autre dans les systèmes de chauffage de zone avec un contrôleur central.
Modèle SML-1000 d'exécution GB, GD, GC.
Télécommande.
Thermostat avec possibilité de contrôle à distance à l'aide d'une télécommande, comme depuis un téléviseur.
Peut-être que cela a du sens lors du contrôle d'un climatiseur ou d'un panneau de chauffage infrarouge.
| Thermostat numérique d'ambiance à distance sans fil | Chauffage infrarouge extérieur Eco Art, chauffage mural pour chauffage de terrasse extérieur 2400W avec thermostat intelligent |





































