- Raccordement de la chaudière à un collecteur
- Protection d'une chaudière à combustible solide contre la surchauffe
- Schéma de raccordement d'une chaudière à combustible solide à un système de chauffage fermé
- Connexion et configuration
- Dispositif
- Caractéristiques du schéma des anneaux primaires-secondaires
- Régime combiné universel
- circulation naturelle
- Avantages et inconvénients des chaudières à granulés
- avantages
- Schéma de tuyauterie chaudière murale
- Comment se fait la reliure de tels équipements ?
Raccordement de la chaudière à un collecteur
Les deux schémas ci-dessus sont apparus il y a assez longtemps. Ils sont divisés, selon la méthode d'assemblage du circuit, en té, collecteur et mixte.
Aujourd'hui, la première option est progressivement remplacée par une plus innovante, celle de collection. Son principal avantage est son rendement élevé. Mais pour la mise en œuvre devra investir une somme considérable.
Ce type de câblage implique l'installation d'un collecteur d'eau spécial derrière la chaudière à pellets - un collecteur pour le chauffage. Chaque tuyau, radiateur ou robinet relié au système de chauffage du bâtiment est relié à cet élément.
Le collecteur est installé dans une armoire spécialement équipée. L'eau chaude lui est fournie immédiatement après avoir été chauffée par la chaudière. Ce n'est qu'après cela que le liquide de refroidissement est distribué dans le pipeline.
Les avantages de ce schéma sont évidents :
le propriétaire de la maison a la possibilité de contrôler séparément chaque circuit de chauffage ;
une pression d'eau stable est maintenue en tout point du système de chauffage ;
un seul tuyau va à un radiateur du collecteur, respectivement, ils peuvent être d'un diamètre inférieur.
Il est important de comprendre que ce niveau de confort a un coût. Après tout, chaque nœud individuel du système de chauffage devra poser son propre pipeline
En conséquence, cela entraînera la nécessité d'augmenter le budget, d'augmenter la consommation de raccords, de tuyaux et d'autres raccords.

L'organisation du câblage du collecteur est une procédure complexe et scrupuleuse. Par conséquent, la meilleure solution serait de confier le travail à des spécialistes qualifiés, ce qui évitera les erreurs et les dépenses financières supplémentaires.
Protection d'une chaudière à combustible solide contre la surchauffe
Dans une chaudière à combustible solide, la combustion du combustible et la chaudière elle-même ont une masse assez importante. Par conséquent, le processus de dégagement de chaleur dans la chaudière a une grande inertie. La combustion du combustible et le chauffage de l'eau dans une chaudière à combustible solide ne peuvent pas être arrêtés instantanément en coupant l'alimentation en combustible, comme c'est le cas dans une chaudière à gaz.
Les chaudières à combustibles solides, plus que les autres, sont sujettes à une surchauffe du liquide de refroidissement - de l'eau bouillante si la chaleur est perdue, par exemple, lorsque la circulation de l'eau dans le système de chauffage s'arrête soudainement ou que plus de chaleur est libérée dans la chaudière qu'elle n'en consomme.
L'ébullition de l'eau dans la chaudière entraîne une augmentation de la température et de la pression dans le système de chauffage avec toutes les conséquences graves - destruction de l'équipement du système de chauffage, blessures corporelles, dommages matériels.
Les systèmes de chauffage fermés modernes avec une chaudière à combustible solide sont particulièrement sujets à la surchauffe, car ils contiennent un volume relativement faible de liquide de refroidissement.
Les systèmes de chauffage utilisent généralement des tuyaux en polymère, des collecteurs de contrôle et de distribution, divers robinets, vannes et autres raccords. La plupart des éléments du système de chauffage sont très sensibles à la surchauffe du liquide de refroidissement et aux surpressions causées par l'eau bouillante dans le système.
La chaudière à combustible solide de l'installation de chauffage doit être protégée contre la surchauffe du liquide de refroidissement.
Pour protéger la chaudière à combustible solide contre la surchauffe Dans un système de chauffage fermé qui n'est pas relié à l'atmosphère, deux étapes doivent être suivies :
- Coupez l'alimentation en air de combustion de la fournaise de la chaudière afin de réduire l'intensité de combustion du combustible le plus tôt possible.
- Assurer le refroidissement du caloporteur à la sortie de la chaudière et empêcher la température de l'eau de monter jusqu'au point d'ébullition. Le refroidissement doit avoir lieu jusqu'à ce que le dégagement de chaleur soit réduit à un niveau auquel l'eau bouillante devient impossible.
Considérez comment protéger la chaudière contre la surchauffe, en utilisant le circuit de chauffage comme exemple, qui est illustré ci-dessous.
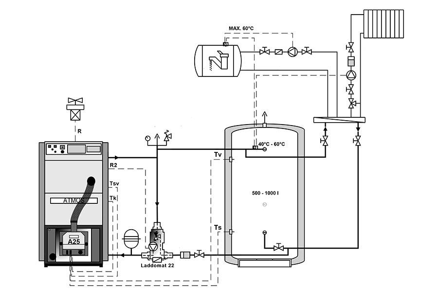
Schéma de raccordement d'une chaudière à combustible solide à un système de chauffage fermé
Schéma d'un système de chauffage fermé avec une chaudière à combustible solide.
1 - groupe de sécurité chaudière (soupape de sécurité, purgeur d'air automatique, manomètre); 2 - un réservoir avec une alimentation en eau pour refroidir le liquide de refroidissement en cas de surchauffe de la chaudière ; 3 - vanne d'arrêt à flotteur ; 4 - vanne thermique ; 5 - groupe pour connecter un réservoir à membrane d'expansion; 6 - groupe de circulation du liquide de refroidissement et protection de la chaudière contre la corrosion à basse température (avec une pompe et une vanne à trois voies); 7 - protection de l'échangeur de chaleur contre la surchauffe.
La protection de la chaudière contre la surchauffe fonctionne comme suit. Lorsque la température du liquide de refroidissement dépasse 95 degrés, le thermostat de la chaudière ferme le registre d'alimentation en air de la chambre de combustion de la chaudière.
La vanne thermique pos.4 ouvre l'alimentation en eau froide du réservoir pos.2 vers l'échangeur de chaleur pos.7. L'eau froide circulant dans l'échangeur de chaleur refroidit le liquide de refroidissement à la sortie de la chaudière, empêchant l'ébullition.
L'approvisionnement en eau dans le réservoir pos.2 est nécessaire en cas de manque d'eau dans l'alimentation en eau, par exemple lors d'une panne de courant. Souvent, un réservoir de stockage commun est installé dans le système d'alimentation en eau de la maison. Ensuite, l'eau de refroidissement de la chaudière est prélevée dans ce réservoir.
Un échangeur de chaleur pour protéger la chaudière contre la surchauffe et le refroidissement du liquide de refroidissement, pos.7 et une vanne thermique, pos.4, sont généralement intégrés dans le corps de la chaudière par les fabricants de chaudières. C'est devenu un équipement standard pour les chaudières conçues pour les systèmes de chauffage fermés.
Dans les systèmes de chauffage avec chaudière à combustible solide (à l'exception des systèmes avec ballon tampon), les vannes thermostatiques et autres dispositifs automatiques réduisant l'extraction de chaleur ne doivent pas être installés sur les appareils de chauffage (radiateurs). L'automatisation peut réduire la consommation de chaleur pendant la période de combustion intensive du combustible dans la chaudière, ce qui peut provoquer le déclenchement de la protection contre la surchauffe.
Une autre façon de protéger une chaudière à combustible solide contre la surchauffe est décrite dans l'article:
Lire : Réservoir tampon - protection d'une chaudière à combustible solide contre la surchauffe.
Suite à la page suivante 2 :
Connexion et configuration
Une fois l'installation de la chaudière terminée, il est possible d'effectuer un test d'allumage et de vérification. Pour ce faire, vous devez suivre les étapes suivantes :
- Connectez le câble à l'alimentation.
- Placez manuellement les pellets dans le compartiment à combustible (bunker).
- Allumez la chaudière, chargez les pellets du bunker dans le brûleur (cela se fait en appuyant sur les touches correspondantes sur le tableau de bord).
- Vérifier sur le tableau que tous les voyants s'allument : allumage de l'appareil, démarrage du brûleur, présence d'une flamme, réglage de la minuterie, fonctionnement de la vis sans fin, ventilateur interne, pompe.
- Assurez-vous qu'il y a un tirage normal et une étanchéité de tous les éléments d'amarrage de la chaudière.
Activé par défaut réglage usine automatique des chaudières à granulés. Les experts ne conseillent pas de s'y fier et de vérifier tous les paramètres lors de la première connexion. Ils sont tous affichés à l'écran. Vous pouvez également faire des ajustements et changer de mode.
Si nécessaire, sur le panneau, vous pouvez configurer la chaudière à granulés en fonction de vos besoins : modifier la consommation de combustible, le temps de fonctionnement, la puissance de l'équipement
Il est important de régler l'alimentation en granulés avec la vis sans fin de la trémie (elle doit toujours être au niveau du bord supérieur ou légèrement inférieur)
Dispositif
L'appareil d'une chaudière à granulés avec la désignation des éléments et assemblages les plus importants (cliquez pour agrandir)
Avant de commencer le travail, vous devez évaluer vos points forts.La production d'une chaudière nécessite une bonne formation, des connaissances, des compétences, et la rend beaucoup plus difficile que le gaz ou l'électricité. Ce n'est pas un hasard si les produits finis de cette classe sont très chers.
En plus du brûleur à granulés pour la chaudière. ce qui est presque impossible à faire à la maison, tous les autres éléments structurels devront être réalisés indépendamment. Il faudra beaucoup de travail pour obtenir le résultat souhaité.
Ayant de l'expérience dans de tels travaux, il est tout à fait possible d'assembler un échangeur de chaleur et d'aménager une chambre de combustion à partir de briques en argile réfractaire. L'installation du brûleur peut également être traitée, mais le système d'alimentation en carburant devra travailler dur. Ce nœud le plus important dans chaque cas est exclusif. Il est nécessaire d'assurer une alimentation ininterrompue et fiable de granulés de combustible au brûleur (lire ici les chaudières avec alimentation automatique en combustible).
La densité des granulés est élevée et un grand nombre d'entre eux ne peuvent pas brûler en même temps.
Attention : l'alimentation en combustible et en air dans les chaudières à granulés est toujours forcée. Il est presque impossible d'assurer le bon mode avec une commande manuelle, à moins d'être constamment à proximité.
Par conséquent, l'appareil est équipé de systèmes automatiques, et ils coûtent cher
Il est presque impossible d'assurer le bon mode avec une commande manuelle, à moins d'être constamment à proximité. Par conséquent, l'appareil est équipé de systèmes automatiques et ils coûtent cher.
Ceci est un facteur dans le coût élevé de l'ensemble de la structure. Un ou plusieurs programmeurs s'acquittent de la tâche sans interférence extérieure. Même un petit bunker de carburant est capable de chauffer une maison hors ligne pendant jusqu'à trois jours.Si vous assemblez une structure plus solide avec une grande quantité de granulés, la durée d'utilisation peut être considérablement augmentée.
Conseil d'expert : Il est très important de calculer avec précision l'alimentation en air. Avec un manque d'air, les granulés peuvent ne pas brûler, mais couver, et avec un excès, il y aura des pertes de chaleur qui seront soufflées dans l'atmosphère
Des frais supplémentaires seront également engagés pour l'achat d'un moteur pour le mécanisme à vis et sa connexion automatique. Avant d'assembler une chaudière à pellets de vos propres mains, vous devez établir les dessins de la future chaudière, calculer ses dimensions en fonction de la surface de l'espace disponible pour son installation.
La partie principale de la chaudière à granulés est le brûleur
La décision de fabriquer une chaudière à pellets de vos propres mains n'est pas bon marché, mais le produit fini coûtera encore plus cher. L'élément principal de l'appareil est un brûleur, qui est acheté séparément.
Semblable aux modèles d'usine, l'accent est mis sur l'assemblage de la carrosserie et le montage de tous les composants. Le kit de montage comprend :
- Tôle d'acier 4-6 mm pour la fabrication du corps de chaudière.
- Matériel de soute. Il peut être fabriqué à partir de tôle (1 à 2 mm d'épaisseur suffira), de contreplaqué, de bois.
- Vis. Il est sélectionné en fonction de la taille ou, avec les compétences existantes, il est fait de manière indépendante.
- Tuyaux de cheminée. Métal ou amiante et kit de montage.
- Système de contrôle. Fournit un contrôle automatique sur le fonctionnement de la chaudière.
- Moteur pour le fonctionnement du mécanisme à vis.
- Tuyaux pour échangeur de chaleur. Les sections carrées sont recommandées.
- Tuyaux et raccords pour le raccordement du système de chauffage.
- Brique de chamotte, si la chambre de combustion est rendue fixe.
- Grille. Il fournira un accès d'air au lieu de combustion.
Caractéristiques du schéma des anneaux primaires-secondaires
Ce régime prévoit organisation en anneau primaire
, à travers lequel le liquide de refroidissement doit constamment circuler. Les chaudières de chauffage et les circuits de chauffage sont raccordés à cet anneau. Chaque circuit et chaque chaudière est une couronne secondaire.
Une autre caractéristique de ce schéma est la présence d'une pompe de circulation dans chaque anneau. Le fonctionnement d'une pompe séparée crée une certaine pression dans l'anneau dans lequel elle est installée. Le montage a également une certaine influence sur la pression dans l'anneau primaire. Ainsi, lorsqu'il est allumé, l'eau quitte le tuyau d'alimentation en eau, pénètre dans le cercle primaire et modifie la résistance hydraulique qu'il contient. En conséquence, une sorte de barrière apparaît sur le chemin du mouvement du liquide de refroidissement.
Étant donné que le tuyau de retour est d'abord connecté au cercle, puis au tuyau d'alimentation, le liquide de refroidissement, ayant reçu une résistance considérable de la part du tuyau d'alimentation, commence à s'écouler dans le tuyau de retour. Si la pompe est arrêtée, la résistance hydraulique dans l'anneau primaire devient très faible et le liquide de refroidissement ne peut pas nager dans l'échangeur de chaleur de la chaudière. La liaison continue de fonctionner comme si l'appareil n'était pas du tout éteint.
Pour cette raison pas besoin d'utiliser une automatisation complexe pour éteindre la chaudière
. La seule chose dont vous avez besoin est d'installer un clapet anti-retour entre la pompe et le tuyau de retour d'eau. La situation est similaire avec les circuits de chauffage. Seules les lignes d'alimentation et de retour sont connectées au circuit primaire dans l'ordre inverse : d'abord la première, puis la seconde.
Il est conseillé de ne pas inclure plus de 4 chaudières dans un tel schéma. L'utilisation d'appareils supplémentaires n'est pas pratique.
Régime combiné universel
Ce système a la liaison suivante :
- Deux collecteurs ou hydrocollecteurs communs
. Les lignes d'alimentation des chaudières sont connectées à la première. À la seconde - la ligne de retour. Toutes les lignes ont des vannes d'arrêt. Les pompes de circulation sont situées sur les tuyaux de retour du liquide de refroidissement. - Le réservoir à membrane est relié à un grand collecteur de retour.
- La chaudière à chauffage indirect est le lien entre les deux capteurs. sur le tuyau, qui relie la chaudière au collecteur d'alimentation
, il y a une pompe de circulation et une vanne d'arrêt. Le tuyau reliant la chaudière au collecteur de retour comporte également une vanne. - Le groupe de sécurité est installé sur le collecteur d'alimentation en liquide de refroidissement.
- Le tuyau d'appoint est relié à un collecteur situé sur la conduite d'alimentation en eau chaude. Pour éviter les fuites de liquide de refroidissement chaud à travers ce tuyau, un clapet anti-retour est placé dessus.
- Un certain nombre de petits hydrocollecteurs (il peut y en avoir deux, trois ou plus)
. Chacun d'eux est relié aux collecteurs communs précités. Ces hydrocollecteurs et grands réservoirs forment des anneaux primaires. Le nombre de tels anneaux est égal au nombre de petits hydrocollecteurs. - Les circuits de chauffage partent de petits hydrocollecteurs. Chaque circuit est équipé d'un mitigeur miniature et d'une pompe de circulation.
Une chaudière à combustible solide nécessite toujours une attention constante de la part des habitants de la maison, car une fois le bois de chauffage chargé dans celle-ci brûlé, la chaleur cesse de circuler dans les radiateurs de chauffage. Bien sûr, l'accumulateur de chaleur peut améliorer la situation, mais après refroidissement, le système de chauffage cessera d'être un système de chauffage. Combiné peut faciliter la vie des propriétaires d'une maison privée chaudières bois-gaz ou deux chaudières dont l'une fonctionne au combustible solide et l'autre au gaz.
Chacune de ces deux options permet d'obtenir la chaleur souhaitée dans le cas où il n'y a plus de bois de chauffage dans le foyer, mais qu'il reste du gaz dans le cylindre. L'unité gaz-bois de chauffage convient aux personnes qui ne veulent pas dépenser beaucoup d'efforts et d'argent pour organiser des liaisons complexes. Cependant, la pratique montre qu'il est préférable de combiner deux chaudières différentes. Le moindre avantage de cette approche réside dans le fonctionnement constant du réseau, indépendamment de la défaillance éventuelle de l'un des appareils. Si l'appareil gaz-bois tombe en panne, le système cesse de fonctionner et il fera froid dans les locaux de la maison.
circulation naturelle
Le système gravitaire se caractérise par une totale indépendance énergétique : son fonctionnement est assuré par la pression atmosphérique. Au lieu d'un groupe de sécurité encombrant dans la tuyauterie d'une chaudière à circuit unique, un vase d'expansion suffit. Il est conseillé d'installer un évent sur le remplissage devant l'échangeur de la chaudière : cela permettra d'évacuer complètement l'eau à l'égout ou au puits de drainage. Habituellement, un tel besoin survient en cas de long départ ou lorsque l'alimentation en gaz est coupée. Le système est ainsi protégé du dégivrage.

Les nœuds individuels du système sont situés comme suit :
Il est recommandé d'installer le réservoir au-dessus de tous les autres éléments.
Le remplissage situé immédiatement après la chaudière est positionné dans le sens vertical (un léger angle est autorisé)
Grâce à la section accélératrice, l'eau chauffée dans l'échangeur de chaleur monte jusqu'au point de remplissage supérieur de l'alimentation.
Il est important de maintenir une pente constante lors de la pose du remplissage après le réservoir.De ce fait, l'eau de refroidissement reviendra par gravité : des bulles d'air pourront sortir à l'intérieur du vase d'expansion.
La chaudière doit être abaissée le plus bas possible
Le meilleur endroit pour placer le radiateur est dans une fosse, un sous-sol ou un sous-sol. En raison de la différence de hauteur entre l'échangeur de chaleur et les réchauffeurs, le bon niveau de pression hydraulique est assuré, ce qui assure la circulation de l'eau dans le circuit.

Quelques caractéristiques de l'agencement du système de chauffage inertiel:
- Pour le diamètre intérieur du remplissage, un indicateur de 32 mm est sélectionné. Si des tuyaux en plastique ou en métal-plastique sont utilisés, le diamètre extérieur est de 40 mm. En raison de la section transversale importante, une compensation de la pression hydraulique minimale est obtenue, grâce à laquelle le liquide de refroidissement se déplace.
- Le système gravitationnel comprend parfois une pompe : cela ne signifie pas pour autant que le circuit perd son indépendance énergétique. Dans ce cas, la pompe n'est pas montée dans l'espace de remplissage, mais parallèlement à celui-ci. Pour connecter des raccordements individuels, un clapet anti-retour à bille est utilisé, qui se caractérise par une très faible résistance hydraulique. Un robinet à tournant sphérique est également installé. En cas d'arrêt de la pompe, le by-pass est fermé, ce qui maintient le fonctionnement du circuit de circulation naturelle.
Avantages et inconvénients des chaudières à granulés
Comme indiqué ci-dessus, les chaudières à granulés sont un type d'appareils de chauffage relativement nouveau pour le marché russe. Cependant, ils ont un bon potentiel pour renforcer leur position en raison de certains avantages significatifs par rapport aux chaudières au diesel ou au gaz.
avantages
Les principaux avantages des chaudières à granulés sont :
-
Les pellets ont le plus faible pourcentage de teneur en cendres parmi les autres combustibles solides tels que le bois ou le charbon. La teneur en CO2 des fumées est également très faible.
-
Une chaudière à granulés peut essentiellement être appelée un appareil de chauffage à combustion longue. La présence d'automatisation et d'un bunker pour stocker le carburant vous permet de créer un système de chauffage presque entièrement automatisé dans votre maison de campagne ou à la campagne.
-
L'efficacité des chaudières à granulés avec un brûleur de type ouvert atteint 95%. Lors de l'utilisation de brûleurs de type chalumeau, le rendement est légèrement inférieur et est d'environ 90 %.
-
Le prix élevé des chaudières à granulés est compensé par leur longue durée de vie. En moyenne, la durée de vie des appareils de chauffage alimentés aux pellets est d'environ 20 ans.
-
En règle générale, l'utilisation d'une chaudière à granulés pour chauffer une maison privée coûte assez cher. Par exemple, un modèle de faible puissance coûte environ 250 000 roubles.
Schéma de tuyauterie chaudière murale
Le lieu d'installation de la chaudière doit répondre aux exigences suivantes :
- Exigences de la documentation technique jointe pour la chaudière ;
- Exigences du projet de gaz pour les chaudières à gaz.
La documentation d'accompagnement reflète toujours clairement les dimensions des distances aux structures environnantes. Les décisions concernant l'emplacement des générateurs de chaleur électriques, à combustible solide et à combustible liquide peuvent être prises par le propriétaire de manière indépendante, conformément aux exigences des passeports d'équipement.
Les chaudières à gaz de type mur et sol sont installées dans le strict respect des exigences du projet convenu. Les chaudières à mazout, lors du remplacement du brûleur et du passage au gaz naturel, nécessitent également la mise en œuvre du projet - il est possible de modifier le point de localisation.
Les chaudières murales ont deux tuyaux filetés externes de ¾ pouces (DN20).Pour la tuyauterie de la chaudière avec un ensemble complet d'équipements internes, les produits suivants sont utilisés :
- Vanne à bille ¾ avec raclette américaine - 2 pcs. ;
- Filtre à grosses mailles, filetage intérieur ¾ - 1 pc.;
- Couplage laiton Du20 (3/4 pouces);
- Adaptateur du système de tuyauterie sélectionné Du20x3/4 HP (filetage extérieur).
Les robinets à tournant sphérique sont installés avec des éperons vers les buses de la chaudière. Cela vous permet d'éteindre et de retirer la chaudière pour un entretien préventif sans libérer le système de l'eau. Le filtre est conçu pour protéger l'échangeur de chaleur des grandes fractions - tartre, sable, etc.
Les conduites de chauffage - polypropylène, métal-plastique, cuivre, polyéthylène réticulé - sont connectées à des adaptateurs 20x3/4. Ensuite, un système de chauffage de différentes configurations est monté:
- Tuyau unique ;
- Bitube ;
- Collectionneur;
- Combiné.
Il convient de noter que le volume du vase d'expansion intégré dans la chaudière ne correspond pas toujours au volume du système de chauffage. Pour vérification, vous devez toujours effectuer un calcul de vérification.
Pour cela, le volume de liquide de refroidissement dans les équipements suivants est calculé:
- Chaudière (la capacité de l'échangeur de chaleur est indiquée dans le passeport);
- Radiateurs de chauffage - volume interne ;
- Volume interne des canalisations.
Le volume d'eau interne des radiateurs est indiqué dans la documentation technique du produit. Une section d'un radiateur en aluminium d'une hauteur standard de 500 mm (distance entre les centres de raccordement) contient 300 à 350 ml de liquide de refroidissement, dans la section radiateur en fonte MS-160 - environ 1,5 litre.
Le volume interne des tuyaux est calculé par la surface d'écoulement du tuyau, multipliée par la longueur du pipeline (volume du cylindre).
Le volume de l'expandeur intégré doit représenter au moins 10 % du volume total du système. Dans le cas contraire, un vase d'expansion à membrane supplémentaire doit être installé.
En l'absence d'équipement intégré, un schéma de tuyauterie typique se compose de vannes d'arrêt, d'un filtre, d'un détendeur, d'une pompe de circulation et d'un groupe de sécurité. La ligne d'appoint (remplissage) de l'alimentation en eau froide est montée uniquement sur les chaudières murales à circuit unique. Les chaudières à double circuit sont connectées à l'eau, ont un interrupteur correspondant pour réapprovisionner le système.
Le groupe de sécurité est installé en haut du nœud de cravate. Il est recommandé d'installer la pompe de circulation sur la conduite de retour, qui a une température plus basse. Cela crée les conditions d'une durée de vie plus longue de la pompe.
Lors de l'installation de la pompe, vous devez suivre les règles d'installation des équipements avec un rotor "sec" et "humide". Les produits avec un rotor "sec" peuvent être installés dans n'importe quelle position spatiale, avec un rotor "humide" - strictement avec une disposition horizontale du rotor. Cela est dû au fait que les paliers humides du rotor sont refroidis par le liquide pompé.
Comment se fait la reliure de tels équipements ?
Le schéma général d'installation des chaudières de chauffage comprend la série d'étapes suivante:
- installation de peignes de distribution ;
- installation de circuits de pompage appropriés pour chaque consommateur ;
- installation d'équipements de sécurité;
- installation d'un vase d'expansion;
- installation de vannes d'arrêt;
- raccordement de la chaudière aux circuits d'alimentation et de retour ;
- remplir les circuits de liquide de refroidissement ;
- essais sous pression des équipements et contrôle de leur fonctionnement.
En pratique, tout dépend de la puissance de l'équipement, du nombre de consommateurs, des caractéristiques de conception de la chaudière, etc. Il convient de noter que des exigences assez élevées sont imposées à la tuyauterie des chaudières à granulés. Premièrement, parce que la teneur en humidité du carburant doit rester suffisamment faible, et deuxièmement, parce que le carburant et le liquide de refroidissement sont chauffés à des températures très élevées. Une tuyauterie de mauvaise qualité peut entraîner une violation des conditions de fonctionnement de l'équipement et une panne rapide de la chaudière.
Conformément aux normes de sécurité incendie, il est recommandé d'utiliser des canalisations métalliques incombustibles pour la tuyauterie des chaudières à granulés. L'utilisation de structures en polypropylène dans la pratique est non seulement dangereuse, mais également non rentable, car la température du liquide de refroidissement à la sortie de la chaudière dépasse souvent les performances des matériaux polymères. En conséquence, les pipelines devront être remplacés dans quelques années.
La chaudière à granulés est un appareil assez compliqué. Les experts déconseillent fortement aux débutants inexpérimentés de s'engager dans l'installation et le cerclage de tels dispositifs. Cependant, la connaissance des principales étapes du cerclage et de certaines des nuances de ce processus vous permettra de contrôler efficacement le travail de l'équipe d'installateurs invités.
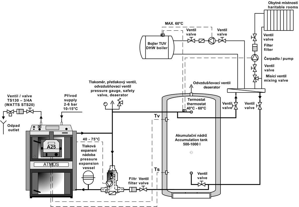
Le schéma montre une des possibilités de raccordement d'une chaudière à pellets : 1 - pompe MK ; 2 - vanne mélangeuse MK ; 3 - pompe TK1 ; 4 - mitigeur TK1 ; 5 - recirculation de l'eau dans TC1 ; 6 - pompe TK2 ; 7 - mitigeur TK2 ; 8 - recirculation de l'eau dans TC2 ; 9 - Pompe ECS ; 10 - échangeur de chaleur à eau chaude ; 11 - alimentation en eau courante de l'alimentation en eau chaude
Pour raccorder une chaudière à granulés, vous devez :
- effectuer l'installation de la chaudière ;
- connecter le brûleur approprié (si un modèle de chaudière combiné est utilisé) ;
- installer une trémie à granulés ;
- connecter la tarière pour l'alimentation en carburant;
- brancher le tableau de commande automatique de la chaudière.
Après cela, vous devez exécuter :
- Installation pour l'alimentation de la chaudière d'un groupe de sécurité comprenant un manomètre, un purgeur d'air automatique et une soupape de décharge.
- Installation d'un capteur de vanne thermique, si prévu par la conception du modèle ;
- Installation d'une cheminée dont le diamètre et la hauteur répondent aux exigences techniques.
- Installation d'un système de dispositifs de maintien d'un flux inversé : deux vannes manométriques pour l'alimentation et le retour, une pompe de circulation et une tête thermique.
- Lorsqu'il y a une forte probabilité de coupures de courant soudaines, il est recommandé de compléter le système avec un modèle d'onduleur approprié.
La prise en charge du reflux vous permet de contrôler le niveau de chauffage du liquide de refroidissement avant qu'il n'entre dans le système. Jusqu'à ce que la température de retour atteigne le niveau requis (généralement 60 degrés et plus), le liquide de refroidissement restera dans le petit cercle de circulation. Ce n'est que lorsque le liquide de refroidissement est chauffé au niveau requis que la tête thermique s'ouvre et que le liquide de refroidissement froid commence à la traverser, et que le liquide de refroidissement chaud commence à circuler dans le cercle principal.
Il ne faut en aucun cas utiliser une chaudière à granulés avec une température de caloporteur basse. Une température de 55 degrés est ce que l'on appelle le "point de rosée", une fois atteinte, une quantité importante de condensat se forme. En conséquence, la quantité de suie dans la cheminée et également sur l'échangeur de chaleur peut augmenter considérablement. L'équipement nécessitera des efforts de maintenance supplémentaires et sa puissance diminuera sensiblement.
Voici à quoi ressemble la chambre de combustion d'une chaudière à granulés après exposition à un excès de condensat qui apparaît en raison d'erreurs lors de l'installation du système de recirculation
Le processus de liage d'une chaudière à pellets combinée est présenté en détail dans la vidéo:
De nombreux fabricants de chaudières à granulés recommandent de compléter la conception avec un réservoir de stockage spécial qui vous permet d'accumuler de la chaleur. Les économies de carburant dans ce cas peuvent atteindre 20 à 30%. De plus, l'utilisation d'un réservoir de stockage vous permet d'éviter la surchauffe de la chaudière et d'atteindre le rendement le plus élevé possible.








































