- Composants de la tuyauterie de la chaudière
- Où mettre la pompe de circulation
- Forfait réseau ouvert
- Chaudière
- Pompe de circulation
- Vase d'expansion
- Radiateurs de chauffage
- Tuyaux
- Dispositif
- Qu'est-ce qu'une capacité tampon d'accumulateur de chaleur et son objectif.
- Fonctionnement en parallèle des chaudières au bois et au gaz
- 1 régime (systèmes ouverts et fermés)
- Avantages et inconvénients
- 2 schémas, deux systèmes fermés
- Apport de chaleur par vanne 3 voies
- Système avec accumulateur de chaleur, pourquoi est-il
- Schéma de principe du cerclage
- Schéma de tuyauterie avec une chaudière à gaz à circuit unique au sol
- Principes de base pour le raccordement d'une unité à combustible solide
- Comment rendre le cerclage moins cher
- Installation avec unité électrique ou à gaz
- Méthode des anneaux primaires et secondaires
- Enfin, une conclusion importante
- Options de chaudière avec différents combustibles
- Installation en série
Composants de la tuyauterie de la chaudière

l'interdiction de son placement dans la partie supérieure du tracé du pipeline une position verticale claire
Les tuyaux de dérivation situés au bas de l'unité «diront» la présence d'un purgeur d'air automatique, nécessaire au raccordement au réseau de chauffage. Ils sont fournis dans les modèles muraux électriques et à gaz.Cette caractéristique doit être prise en compte lors de la tuyauterie de la chaudière, car les modèles monoblocs muraux peuvent faire face seuls au dégagement de masses d'air.
Les chaudières sont vendues entièrement équipées et sans éléments supplémentaires. Les pièces nécessaires sont achetées séparément et incluses dans le circuit. Ceux qui ont opté pour le chauffage à circulation naturelle n'en auront pas besoin.
Où mettre la pompe de circulation
Dans la plupart des schémas de tuyauterie pour un accumulateur de chaleur avec une pompe de circulation, il se trouve dans la conduite de retour devant la chaudière. Dans la conduite de retour - parce que la température est plus basse ici, mais vous pouvez également la mettre sur la conduite d'alimentation. Les pompes modernes sont conçues pour pomper du liquide de refroidissement jusqu'à 110 ° C, elles s'y sentent donc bien. Deuxième point: lorsqu'elle est installée sur l'alimentation, la pompe ne créera pas de pression supplémentaire sur l'échangeur de chaleur, ce qui prolongera sa durée de vie.
Dans tous les cas, lors de l'installation d'une pompe de circulation dans l'alimentation ou le retour, il n'y a aucune possibilité de circulation naturelle. C'est-à-dire qu'en cas de panne de courant, la circulation s'arrêtera, la chaudière bouillira inévitablement. Pour éviter cela, ils mettent une vanne à quatre voies à travers laquelle ils organisent l'évacuation de l'eau surchauffée à l'égout et l'appoint avec de l'eau froide à partir d'eau froide. C'est ainsi que le refroidissement d'urgence de l'échangeur de chaleur est organisé et que l'ébullition du liquide de refroidissement est évitée.

L'un des moyens d'éviter la surchauffe du liquide de refroidissement dans la chaudière de chauffage
Il existe un autre moyen. Il est plus doux pour l'échangeur de chaleur (convient également pour la fonte) et nécessite moins de matériaux. Il est possible de réaliser une tuyauterie entre la chaudière et l'accumulateur de chaleur pour le chauffage afin de maintenir une circulation naturelle.Dans ce cas, lorsque l'alimentation est coupée, la chaudière ne bouillira pas - elle continuera à chauffer l'eau dans le réservoir.
Pour préserver la circulation naturelle du liquide de refroidissement, la pompe est placée dans un circuit séparé spécialement créé. Pour que le circuit fonctionne, un clapet anti-retour à clapet de grande section est placé dans le circuit.

Cela maintient la circulation naturelle même en l'absence d'alimentation électrique.
Lorsque la pompe de circulation ne fonctionne pas, elle laisse passer le débit de liquide de refroidissement du TA. Lorsque la pompe de circulation fonctionne, elle soutient la vanne avec sa pression et le liquide de refroidissement circule à travers la pompe. La pompe a un tuyau d'au moins un pouce de diamètre. Ce n'est que dans ce cas que la circulation naturelle peut être préservée.
Forfait réseau ouvert
Pour assembler un circuit de type ouvert, vous aurez besoin des éléments suivants :
- équipement de chauffage;
- canalisations ;
- vase d'expansion atmosphérique;
- appareils de chauffage;
- l'équipement de pompage n'est nécessaire que pour le chauffage de l'eau de type ouvert avec une pompe;
- vanne de vidange;
- vanne de remplissage du réseau en liquide de refroidissement.
Chaudière
Les circuits ouverts peuvent fonctionner avec des chaudières des types suivants :
- Il est conseillé d'utiliser des équipements de chauffage au gaz dans les régions où il y a des gazoducs. Les chaudières à gaz sont les plus économiques, mais elles sont installées après avoir obtenu l'autorisation du service de gaz.
- Les unités à combustible solide fonctionnent au bois, au charbon, aux pellets ou aux briquettes. Il existe des chaudières à combustion longue en vente, qui sont économiques, efficaces et ne nécessitent pas de chargement fréquent de combustible.
- Les radiateurs électriques ne sont pas utilisés aussi souvent car les ressources énergétiques sont assez chères.
- Les unités de type combiné peuvent fonctionner avec deux types de carburant différents, ce qui rend le fonctionnement de l'équipement non volatil.
Pompe de circulation
Si nous comparons la circulation naturelle et forcée, cette dernière est bien meilleure, car elle augmente l'efficacité du système de chauffage. Malgré la consommation d'électricité par la pompe, il y a une économie dans le vecteur énergétique que la chaudière utilise.
L'équipement de pompage est sélectionné en fonction du diamètre des tuyaux au point d'insertion, de la pression du fluide et des performances
Lors du choix d'une pompe, faites attention à ses caractéristiques techniques
Vase d'expansion
Le vase d'expansion peut être fabriqué indépendamment ou acheté. Le réservoir en acier inoxydable est complété par le couvercle ouvrant pour le contrôle du niveau du caloporteur. Un tuyau est installé dans la partie supérieure du réservoir pour drainer l'excès de liquide.

Le vase d'expansion peut être installé aux points de réseau suivants :
- à un stand éloigné ;
- au point le plus élevé du système ;
- sur le pipeline de retour ;
- ainsi qu'un équipement de pompage installé sur les conduites d'alimentation.
Radiateurs de chauffage
Le chauffage ouvert peut fonctionner avec les types d'appareils de chauffage suivants :
- Les batteries en fonte sont idéales pour les systèmes ouverts car elles ont une inertie élevée, ce qui permet d'économiser de l'énergie.
- Les radiateurs en acier avec revêtement anti-corrosion sont légers et peu coûteux, mais il vaut mieux refuser leur utilisation. L'appareil se refroidit rapidement, ce qui entraînera un fonctionnement fréquent de l'appareil de chauffage, une consommation d'énergie excessive.
- Lors du choix d'appareils en aluminium, privilégiez les appareils dotés d'un revêtement anti-corrosion. Ils sont appréciés pour leur durabilité, leur bonne dissipation thermique, leur légèreté et leur attrait.
- Les dispositifs bimétalliques les plus chers. Ils combinent les avantages des appareils en acier et en aluminium, mais sont complètement dépourvus de leurs défauts. Mais ils sont mieux utilisés dans les réseaux centralisés à haute pression.
Tuyaux
Pour l'écoulement naturel du liquide de refroidissement, des tuyaux de grand diamètre seront nécessaires.

Vous pouvez utiliser des pipelines à partir des matériaux suivants :
- les tuyaux en acier ne sont presque jamais utilisés en raison de la complexité de l'installation et du poids élevé;
- les canalisations en cuivre sont de la plus haute qualité et durables, mais elles sont très chères;
- les tuyaux en métal-plastique ne sont pas mauvais en eux-mêmes, mais ils sont connectés sur des raccords qui fuient souvent;
- il est préférable de choisir des éléments en polyéthylène réticulé avec protection contre l'oxydation et renfort ;
- il existe une autre option peu coûteuse et pratique - les canalisations en polypropylène avec renfort en fibre de verre.
Dispositif
Rappelons qu'une chaudière murale à double circuit est une petite chaufferie, qui comprend :
- deux échangeurs de chaleur. Le principal est conçu pour chauffer le liquide de refroidissement dans le système de chauffage. Secondaire vous permet d'organiser l'alimentation en eau chaude pour le système ECS. De nombreux modèles de chaudières à double circuit fonctionnent selon le principe suivant - si de l'eau chaude est consommée à partir du système d'eau chaude sanitaire, l'alimentation en gaz du premier échangeur de chaleur est immédiatement coupée. C'est un gros inconvénient de ce type d'appareils de chauffage. Mais des chaudières sont déjà apparues sur le marché avec un double échangeur de chaleur, ce qui permet de résoudre un problème similaire.
- Pompe de circulation. Cette unité est pré-installée dans la chaudière. Et cela élimine la difficulté d'acquérir une pompe de la puissance requise.De plus, il n'est pas nécessaire de procéder à l'installation de cet équipement supplémentaire et de son cerclage.
- Vase d'expansion. Il est sélectionné pour certaines tailles de système de chauffage, qui dépendent de la puissance de l'unité de chauffage.
Puisque nous nous intéressons à la tuyauterie de la chaudière, nous ne considérerons que les échangeurs de chaleur.
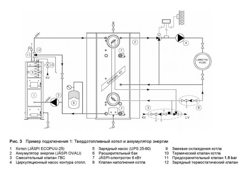
Qu'est-ce qu'une capacité tampon d'accumulateur de chaleur et son objectif.
Le but de l'accumulateur de chaleur (TA) sera plus facile à décrire avec plusieurs exemples de tâches.
Première tâche. Le système de chauffage est basé sur une chaudière à combustible solide. Il n'est pas possible de surveiller en permanence la température du liquide de refroidissement à l'alimentation et de jeter du bois de chauffage à temps, de sorte que la température d'alimentation dépasse ce dont nous avons besoin ou tombe en dessous de la norme. Comment s'assurer que la température de liquide de refroidissement requise est maintenue ?
Tâche deux. La maison est chauffée par une chaudière électrique. La fourniture d'électricité est à double tarif. Comment réduire les dépenses énergétiques en réduisant la consommation d'énergie pendant la journée et en augmentant la nuit ?
Tâche trois. Il existe un système de chauffage dans lequel la chaleur est générée par des générateurs de chaleur fonctionnant avec différents types de combustibles et d'énergie - par exemple. gaz, électricité, énergie solaire (capteurs solaires), énergie du sol (pompe à chaleur). Comment assurer leur bon fonctionnement sans déperdition de chaleur générée quand on n'en a pas besoin, tout en apportant de la chaleur à la maison lors des pics de consommation d'énergie ?
Sans entrer vraiment dans la théorie du génie thermique, pour tous les problèmes, une solution se propose sous la forme d'installer un réservoir tampon dans le système, qui servirait de réservoir pour le liquide de refroidissement et dans lequel sa température serait maintenue à une température donnée. niveau. C'est cette capacité tampon qui est l'accumulateur de chaleur.Pour résoudre ces problèmes, l'accumulateur de chaleur est généralement inclus dans la "pause" du système avec la formation de la chaudière et des circuits de chauffage. Le schéma conditionnel pour inclure un accumulateur de chaleur dans le système de chauffage est illustré dans la figure ci-dessous.

Riz. Schéma de principe de l'inclusion d'un ballon tampon (accumulateur de chaleur)
Pour les différentes manières d'inclure un ballon tampon dans le système de chauffage, voir l'article "Schémas de raccordement de l'accumulateur de chaleur".
Actuellement, les accumulateurs de chaleur sont le plus souvent utilisés dans les systèmes de chauffage avec des chaudières à combustible solide. Dans ces systèmes, l'utilisation d'un accumulateur de chaleur permet de charger moins souvent le combustible, pour assurer un apport de chaleur confortable, quelles que soient les fluctuations de la température du liquide de refroidissement à la sortie de la chaudière. Les réservoirs tampons sont souvent installés avec des chaudières électriques pour économiser de l'argent grâce à un tarif de nuit réduit et dans des systèmes combinés avec l'utilisation simultanée de chaudières à combustible solide et électriques. Un accumulateur de chaleur (TA) peut être utile dans les systèmes avec chaudières à gaz, en particulier lorsque la puissance calorifique minimale de la chaudière dépasse la charge thermique de l'objet. Du fait des périodes plus longues de "chargement" du TA (échauffement du fluide caloporteur), il est possible d'éviter le "clocking" de la chaudière.
En plus d'être utilisé comme réservoir tampon, TA remplit la fonction de séparateur hydraulique. Cette propriété d'accumulateur de chaleur est particulièrement recherchée dans les systèmes avec des générateurs de chaleur fonctionnant sur différents types d'énergie (y compris alternative).En règle générale, ces sources de chaleur fonctionnent sur des caloporteurs spéciaux qui ne permettent pas le mélange avec d'autres types, nécessitent un régime thermique et hydraulique unique, souvent incompatible avec les régimes du circuit de chauffage (radiateur, chauffage au sol). Par exemple, la plage de température d'une pompe à chaleur est généralement
5°C, et dans le circuit de distribution de chaleur la plage de température peut être beaucoup plus grande (10-20°C). Pour séparer les circuits, l'accumulateur de chaleur peut être équipé d'échangeurs de chaleur intégrés supplémentaires.
Fonctionnement en parallèle des chaudières au bois et au gaz
Cette option de chauffage de la maison à partir de deux chaudières prévoit leur connexion séparée au système de circulation. Chaque source de chaleur doit avoir sa propre pompe de circulation à l'entrée de retour. Pour une chaudière à gaz murale, cela n'est pas nécessaire, la pompe y est déjà installée par le fabricant. En cas d'épuisement du combustible solide, la température du liquide de refroidissement diminuera et la chaudière à gaz s'allumera automatiquement.
Un point de conception important est la liaison d'une chaudière à combustible solide avec des tuyaux métalliques et la présence d'un dispositif d'évacuation d'urgence avec l'alimentation simultanée en eau froide de la conduite de retour.
1 régime (systèmes ouverts et fermés)
Cette méthode pratique car les fluides des deux systèmes ne se mélangent pas. Cela vous permet d'utiliser différents liquides de refroidissement.
Avantages et inconvénients
| avantages | Les moins |
| Possibilité d'utiliser différents liquides de refroidissement | Un grand nombre d'équipements supplémentaires |
| Fonctionnement sûr, le réservoir de réserve videra l'excès d'eau en cas d'ébullition | L'efficacité est inférieure en raison de l'excès d'eau dans le système |
| Peut être utilisé sans automatisation supplémentaire |
2 schémas, deux systèmes fermés
Il utilise un système fermé, ce qui élimine le besoin d'un accumulateur de chaleur. Le contrôle est effectué par des thermostats et des capteurs à trois voies. La sécurité de fonctionnement est assurée par l'automatisation.
Ici, nous utilisons la batterie pour l'excès de chaleur. Ainsi, nous augmentons l'efficacité du système et éliminons le besoin de capteurs de température et d'automatisation.
Apport de chaleur par vanne 3 voies
Chaque chaudière doit être équipée de sa propre pompe de circulation, et une autre pompe sera nécessaire pour circuler dans les appareils du système de chauffage. Un purgeur d'air automatique doit être installé en haut du séparateur hydraulique et une vanne de vidange d'urgence en bas.
Système avec accumulateur de chaleur, pourquoi est-il
La chaleur générée par la chaudière à bois entre dans ce réservoir. De pas, à travers un serpentin, un échangeur de chaleur ou sans eux, dans une chaudière à gaz. L'automatisation de la seconde comprend que l'eau a la température requise et coupe le gaz. Ce sera tant qu'il y a suffisamment de température dans l'accumulateur de chaleur.
Un accumulateur de chaleur ou un récipient calorifugé avec un serpentin intégré, conçu pour accumuler du liquide de refroidissement chauffé et le fournir au système de chauffage. Dans ce schéma, la chaudière à gaz, les radiateurs et la batterie sont reliés par des pipelines dans un système de type fermé. La chaudière à combustible solide est connectée au serpentin de batterie intégré et chauffe ainsi le liquide de refroidissement dans un système fermé. L'organisation des travaux de chauffage dans ce schéma se déroule dans l'ordre suivant:
- le bois de chauffage brûle dans une chaudière à combustible solide et le liquide de refroidissement est chauffé à partir du serpentin dans le réservoir;
- le combustible solide a brûlé, le liquide de refroidissement s'est refroidi;
- la chaudière à gaz s'allume automatiquement;
- du bois de chauffage est posé à nouveau et une chaudière à combustible solide est allumée;
- la température de l'eau dans l'accumulateur monte jusqu'à celle qui est réglée sur la chaudière à gaz, qui s'arrête automatiquement.
Ce régime nécessite les coûts les plus élevés pour l'achat de matériaux et d'équipements, mais il présente un certain nombre d'avantages:
- une chaudière à combustible solide peut fonctionner en circuit ouvert ;
- le plus haut niveau de sécurité ;
- pas besoin de réapprovisionnement constant de la chambre de combustion avec du bois ou du charbon ;
- circulation du liquide de refroidissement à travers un système de type fermé ;
- la possibilité de fonctionnement simultané de deux chaudières simultanément et chacune séparément.
Parmi les coûts supplémentaires, il faut prendre en compte l'achat d'un ballon tampon avec un serpentin, deux vases d'expansion et une pompe de circulation supplémentaire.
calculer la capacité requise
h2 id="printsipialnaya-shema-obvyazki">Schéma principal du cerclage
L'efficacité du chauffage dépend de la précision de la connexion. Le schéma général de tuyauterie pour les chaudières de tous types, y compris les types à combustible solide et à condensation, est simple et ressemble à ceci :
- Chaudière.
- Radiateur.
- Écrous "américains" - pour fixer la chaudière au système de chauffage.
- Vannes à bille - pour déconnecter la chaudière du système.
- Filtres pour le nettoyage - protègent contre les fractions d'eau non standard.
- Têtes thermiques, tés, robinets Mayevsky
- Coins et tés.
- Vannes : de passage, de division, d'air et de sécurité.
- Vases d'expansion.
- Compteurs de chaleur.
- Manomètres, thermomètres, séparateurs hydrauliques, pompe de circulation.
- Pinces et autres attaches.
Schéma de tuyauterie avec une chaudière à gaz à circuit unique au sol
Quel sera le schéma de tuyauterie d'une chaudière à gaz au sol à circuit unique ? En fait, il sera identique à celui que nous avons envisagé ci-dessus. Seul le corps de la chaudière sera "éviscéré" - tous les composants seront à l'extérieur et se tiendront séparément.
Il s'avère que dans le cas d'une chaudière à gaz à circuit unique, il n'y aura que deux composants de la liste ci-dessus:
- Brûleur à gaz.
- Échangeur de chaleur.
Tous les autres appareils seront situés dans la chaufferie elle-même - il s'agit d'un groupe de sécurité, d'un vase d'expansion et d'une pompe de circulation.
Et dans le cas de la production d'eau chaude ici, le rôle du "deuxième circuit" sera assuré par le BKN - une chaudière à chauffage indirect.
Tous les autres attributs de l'équipement de production de chaleur - une cheminée, un système de mélange d'eau et un tuyau d'alimentation en gaz avec capteurs et compteurs - sont les mêmes dans n'importe quel schéma. Autrement dit, ils peuvent bien sûr être différents, ils ne dépendent plus du type de chaudière.
Principes de base pour le raccordement d'une unité à combustible solide
Lors de l'examen de la manière de connecter correctement une chaudière à combustible solide, il est nécessaire de prêter attention aux éléments de tuyauterie de base qui garantissent la sécurité du générateur de chaleur. Nous parlons du groupe de sécurité et de l'unité de mélange. Le groupe de sécurité, qui comprend un manomètre, ainsi qu'une soupape de sécurité et un purgeur d'air, monté sur un collecteur, est installé directement sur le tuyau de sortie du groupe chaudière
Un manomètre aide à surveiller la pression dans le système, un évent sert à retirer les bouchons d'air et une soupape de sécurité évacue l'excès de mélange vapeur-eau lorsque la pression dépasse les paramètres spécifiés.
Le groupe de sécurité, qui comprend un manomètre, ainsi qu'une soupape de sécurité et un purgeur d'air, monté sur un collecteur, est installé directement sur le tuyau de sortie du groupe chaudière. Le manomètre aide à surveiller la pression dans le système, l'évent est utilisé pour retirer les bouchons d'air et la soupape de sécurité décharge l'excès de mélange vapeur-eau lorsque la pression dépasse les paramètres spécifiés.
Une unité de mélange basée sur une vanne à trois voies avec une tête thermique est installée avec un by-pass (cavalier) reliant les tuyaux d'alimentation et de retour, formant ainsi un petit circuit de circulation.
Le système qui protège la chaudière des condensats et des chocs thermiques fonctionne selon le schéma suivant:
- Pendant que le carburant s'embrase, la vanne bloque l'écoulement du liquide de refroidissement refroidi du grand circuit du système de chauffage. En conséquence, la pompe de circulation entraîne un volume limité de liquide de refroidissement dans un petit cercle.
- Un capteur est installé sur le tuyau de retour, relié à la tête thermique de la vanne à trois voies. Lorsque le liquide de refroidissement dans la canalisation de retour chauffe jusqu'à 50-55 degrés, la tête thermique fonctionne et appuie sur la tige de soupape.
- La vanne s'ouvre en douceur et le liquide de refroidissement refroidi commence à pénétrer progressivement dans l'enveloppe de la chaudière, se mélangeant avec celui chauffé de la dérivation.
- Lorsque tous les radiateurs se réchauffent et que la température de retour atteint des valeurs sûres pour la chaudière, la vanne à trois voies ferme la dérivation, ouvrant complètement le passage pour le flux de liquide de refroidissement à travers la conduite de retour.
Le schéma de base pour connecter une chaudière à combustible solide au système de chauffage est aussi simple et fiable que possible, vous pouvez installer vous-même la tuyauterie.
Il est important de savoir comment raccorder une chaudière à combustible solide à l'aide de tuyaux en polymère afin d'éviter les problèmes courants :
- Les tuyaux en polymère ne sont pas sûrs à utiliser pour la tuyauterie de la chaudière - ils peuvent ne pas résister à une augmentation d'urgence de la température et de la pression. Par conséquent, il est recommandé que la tuyauterie soit en acier ou en cuivre et que les tuyaux en polymère soient connectés à un collecteur qui distribue le liquide de refroidissement à travers les circuits de chauffage. Dans les cas extrêmes, un tuyau métallique est monté uniquement entre le tuyau d'entrée de la chaudière et le groupe de sécurité.
- L'utilisation d'un tuyau en polypropylène à paroi épaisse pour la conduite de retour dans la zone située entre la vanne à trois voies et la buse de la chaudière conduit au fait que le capteur de température en tête réagit au chauffage du liquide de refroidissement avec un retard notable. Il est préférable d'installer un tuyau en métal.

La pompe du système de chauffage avec alimentation forcée en liquide de refroidissement est installée sur le tuyau de retour entre la vanne à trois voies et la chaudière. Cette disposition lui permet de faire circuler de l'eau ou de l'antigel dans un petit cercle. Il est impossible de mettre une pompe de circulation sur le tuyau d'alimentation, car l'appareil n'est pas conçu pour fonctionner avec un mélange vapeur-eau, qui se forme lorsque le liquide de refroidissement est surchauffé. L'arrêt de la pompe accélérera ou provoquera une explosion de la chaudière de chauffage, car le liquide de refroidissement refroidi ne s'y écoulera plus.
Comment rendre le cerclage moins cher
Le schéma de base pour le raccordement d'une chaudière à combustible solide prévoit l'utilisation d'une vanne mélangeuse à trois voies équipée d'une tête thermique et d'un capteur attaché.Cet équipement est assez coûteux et peut être remplacé par une option moins chère - une vanne à trois voies avec un élément thermostatique intégré. Un tel appareil se distingue par un réglage fixe - la vanne est activée lorsque la température du milieu atteint 55 ou 60 degrés (selon le modèle).
L'installation d'une vanne qui maintient une température fixe réduit les coûts financiers de l'installation de la protection d'une unité à combustible solide contre les condensats et les chocs thermiques. La capacité de contrôler de manière flexible la température du liquide de refroidissement est perdue, les écarts par rapport à la valeur définie peuvent atteindre 1 à 2 degrés, mais ce n'est pas critique.
Installation avec unité électrique ou à gaz
Deux générateurs de chaleur peuvent être installés dans un système de chauffage, dont le principal est une unité à combustible solide et l'autre est une chaudière fonctionnant au gaz ou à l'électricité. Cette option est pratique car la nuit, vous pouvez allumer la chaudière, qui fonctionne en mode automatique. Il n'est pas pratique d'utiliser du gaz en bouteille comme principal vecteur d'énergie en raison de la nécessité de prendre soin des approvisionnements réguliers en carburant. L'électricité est la source d'énergie la plus chère et il est plus rentable de faire fonctionner une telle chaudière uniquement la nuit si la région dispose d'un système de tarifs de nuit bon marché.
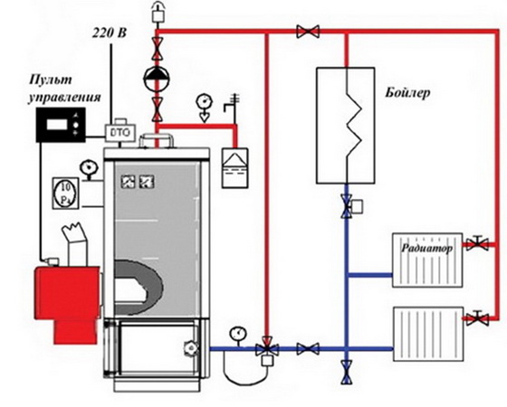
Comment connecter des chaudières à combustible solide et à gaz dans un seul système pour chauffer une grande maison? L'option la plus simple consiste à connecter deux générateurs de chaleur en parallèle via un accumulateur de chaleur, qui remplira en outre la fonction de séparateur hydraulique.
La chaudière à gaz fonctionne en mode veille tandis que l'eau du ballon tampon est chauffée par une unité à combustible solide.Une fois le carburant épuisé, le liquide de refroidissement commence à refroidir et dès que le capteur de température transmet le signal approprié au contrôleur de l'unité de gaz, il s'allume automatiquement. Lorsqu'un générateur de chaleur à combustible solide est redémarré, le processus inverse se produit - le chauffage du liquide de refroidissement au-dessus d'une certaine température entraîne l'arrêt du brûleur à gaz.
Un système avec une chaudière électrique dans des maisons de grande surface est monté selon un principe similaire. Mais pour les petites maisons privées, une option plus simple et moins chère pour connecter un TT et une chaudière électrique est pertinente (voir schéma).

Les chaudières sont connectées en parallèle avec l'installation de clapets anti-retour à chaque sortie. La chaudière électrique est équipée d'une pompe de circulation intégrée, qui ne peut pas être désactivée, par conséquent, pour un générateur de chaleur à combustible solide, il est nécessaire de sélectionner une pompe plus puissante afin que la chaudière TT ait un avantage sur une électrique lorsque fonctionnant ensemble.
Le système est complété:
- un thermostat qui arrête la pompe de circulation TT de la chaudière lorsque le liquide de refroidissement refroidit ;
- une sonde de température ambiante qui allume la chaudière électrique lorsque la température ambiante baisse après que le combustible ait brûlé dans l'unité TT.
Méthode des anneaux primaires et secondaires
Comment connecter deux chaudières dans un système en utilisant un minimum d'électronique ? L'utilisation de la méthode des anneaux de circulation primaires et secondaires vous permet d'effectuer une tuyauterie commune du CT de l'unité et de la chaudière électrique. La séparation hydraulique des flux s'effectue sans l'installation d'un interrupteur hydraulique.
Les deux chaudières, la chaudière ECS, ainsi que tous les circuits de chauffage, sont reliées par les conduites d'alimentation et de retour à un seul anneau de circulation - elles sont primaires.La différence de pression minimale est assurée en raison de la faible distance entre chaque paire de connexions (pas plus de 300 mm). La pression de la pompe installée sur le circuit principal assure le mouvement du fluide caloporteur le long de l'anneau primaire, tandis que le débit n'est pas affecté par les pompes des circuits secondaires (auxquelles les consommateurs de chaleur sont connectés).
Pour que le système fonctionne correctement, il est nécessaire d'effectuer des calculs hydrauliques complexes et de sélectionner le diamètre de canalisation optimal pour tous les circuits.
Il est également important de calculer les performances des pompes. Le rendement réel du groupe de pompage sur le circuit principal doit être supérieur au débit du fluide caloporteur sur le circuit secondaire le plus « volumétrique ». Les deux chaudières sont équipées de thermostats d'arrêt afin qu'elles puissent fonctionner en se remplaçant l'une l'autre
Les deux chaudières sont équipées de thermostats d'arrêt afin qu'elles puissent fonctionner en se remplaçant l'une l'autre.
Enfin, une conclusion importante
De ce qui précède, on peut voir que la solution à la question de savoir comment connecter une chaudière à gaz à un combustible solide dépend des capacités financières, de la surface totale chauffée et du niveau de sécurité requis. Si les finances le permettent et que la maison est grande, il est préférable d'utiliser un accumulateur de chaleur, et dans une petite maison, un circuit séquentiel fonctionnera bien.
Cependant, comme le montre l'expérience, la meilleure option est un système avec un séparateur hydraulique 93x vanne à voies). Avec une chaudière à gaz murale, il vous suffit d'acheter 2 pompes - pour une chaudière à combustible solide et pour l'ensemble du système. Et le séparateur lui-même, dans son essence, est un accumulateur de chaleur en miniature, uniquement sans serpentin.Le seul inconvénient est que la chaudière à combustible solide fonctionne dans un système à circulation fermée, ce qui réduit le niveau de sécurité en cas de panne de courant.
Options de chaudière avec différents combustibles

chaudières à combustible solide
Il existe plusieurs schémas pour lier deux chaudières à travailler ensemble. Les plus courants sont :
- installation séquentielle ;
- connexion parallèle de deux sources de chaleur au système de chauffage ;
- alimentation en chaleur des chaudières via un séparateur hydraulique;
- à l'aide d'un accumulateur de chaleur.
Chacune des méthodes a ses propres avantages et inconvénients. Un schéma coûtera moins cher, mais perdra en fiabilité. L'autre coûte plus cher, mais bénéficie de performances plus stables et d'une économie de carburant accrue.
Installation en série
Le liquide de refroidissement du retour entre d'abord dans une source de chaleur moins puissante, puis dans la suivante. Système de chauffage de type fermé avec un vase d'expansion commun. Le cerclage nécessitera des coûts financiers minimes, mais ne peut être utilisé que dans de petits bâtiments résidentiels avec une surface chauffée de pas plus de 120 m2.







































