- Connexions de tuyauterie
- Est-il possible de connecter 2 chaudières ou plus à une cheminée
- Plus de besoins en air
- Principaux documents réglementaires
- Selon SP62.13330.2011 :
- Exigences pour les cheminées des chaudières à gaz
- Normes de hauteur
- La ventilation d'une chaufferie gaz nécessite une attention particulière.
- L'installation d'une cheminée peut être envisagée en utilisant l'exemple d'une conception à double circuit
- Local pour l'installation d'une chaudière à gaz
- exigences de la chaufferie
- Exigences pour la salle pour l'installation d'une unité turbocompressée
- Ventilation d'une chaufferie chez un particulier
- Exigences de base pour les locaux pour le placement de chaudières à gaz
- À la cuisine
- Vers l'appartement
- Vers une maison privée
- Vers la chaufferie
- Conclusions et vidéo utile sur le sujet
Connexions de tuyauterie
L'installation nécessite une soudure. Le contrôle de la qualité des travaux de soudage est réglementé dans le SNiP 3.05. 03.85 5.
Soudage de tuyaux de chauffage
- Il est nécessaire de connecter les chauffe-eau à gaz et autres appareils à gaz à la cheminée avec des tuyaux fabriqués à partir d'acier de toiture.
- La longueur des tuyaux raccordés ne doit pas dépasser 3 mètres dans les nouveaux bâtiments et plus de 6 mètres dans les existants.
- La pente du tuyau par rapport à l'appareil doit être d'au moins 0,01.
- Sur les tuyaux qui évacuent la fumée, pas plus de 3 coudes sont autorisés, le rayon ne doit pas être inférieur au diamètre du tuyau.
- Le raccordement des tuyaux doit être étanche, l'entrée d'un tuyau dans un autre doit être au moins égale à la moitié du diamètre du tuyau.
- Si les tuyaux sont en fer noir, ils doivent être peints avec un vernis résistant au feu.
Est-il possible de connecter 2 chaudières ou plus à une cheminée
Pas plus de 2 chaudières (appareils de chauffage, poêles ...) peuvent être raccordées à une cheminée, mais uniquement dans les maisons existantes. Dans d'autres, chaque chaudière à gaz doit être équipée de sa propre cheminée.
Dans les maisons existantes, la section de la cheminée doit correspondre aux performances des deux chaudières raccordées. De plus, les connexions doivent être à différents niveaux, et la distance entre eux n'est pas moindre 0,75 mètres. Soit, le raccordement peut se faire au même niveau, mais à partir de cet endroit et 0,75 m plus haut, il faut faire une coupe dans la cheminée en assurant la bonne section (ce qui est rare en pratique).
Ou, pas plus de 2 chaudières (chauffe-eau, poêles) peuvent être connectées, mais elles doivent fonctionner à tour de rôle, leur fonctionnement simultané n'est pas autorisé, qui doit être équipé d'une protection électrique (mécanique) appropriée, tandis que la section doit correspondre à l'unité avec des exigences élevées.
Ainsi, il est possible d'inclure les générateurs de chaleur principal et de secours, ou une chaudière et un chauffe-eau dans une cheminée, par exemple, en cas de blocage de leur fonctionnement simultané.
Plus de besoins en air
Mais le fonctionnement d'une chaudière atmosphérique doit être assuré par une quantité d'air suffisante entrant dans la pièce, à moins que l'unité elle-même ne prélève cet air de la rue par un tuyau séparé. De plus, l'alimentation en air de la pièce et la ventilation par évacuation doivent également fournir un échange d'air à trois reprises en une heure.Quant à l'afflux, il est autorisé à s'écouler d'autres pièces du bâtiment, pour lesquelles une ouverture d'entrée d'une superficie d'au moins 200 cm2 est créée dans la porte (structure) de la chaufferie.
Ou un tel trou d'alimentation est fait pour que l'air puisse entrer de la rue. Mais afin d'éviter le givrage, qui se produira inévitablement, il est possible de faire une boîte oblongue à l'intérieur de la pièce le long du mur descendant de haut en bas, à travers laquelle l'air soufflé, entrant dans la pièce, serait chauffé avec de la chaleur, et le le condensat s'écoulerait dans un récipient et s'écoulerait à l'égout...
Principaux documents réglementaires
Les exigences pour les chaudières à gaz sont données dans les documents réglementaires suivants en vigueur en 2020 :
- SP 62.13330.2011 Systèmes de distribution de gaz (Version mise à jour du SNiP 42-01-2002)
- SP 402.1325800.2018 Bâtiments résidentiels. Règles de conception des systèmes de consommation de gaz (agissant sur la base du volontariat par l'arrêté 687)
- SP 42-101-2003 Dispositions générales pour la conception et la construction de systèmes de distribution de gaz à partir de tuyaux en métal et en polyéthylène (il a un caractère consultatif)
- Instructions pour le placement des unités thermiques destinées au chauffage et à l'alimentation en eau chaude des bâtiments résidentiels unifamiliaux ou individuels (MDS 41-2.2000) (elle a un caractère consultatif)
Nous soulignons les exigences les plus importantes (point par point) qui doivent être remplies lors de conception et réalisation d'une chaufferie gaz dans la maison, ainsi que lors de la conception du chemin de pose d'un gazoduc:
Selon SP62.13330.2011 :
pp.5.1.6* Les gazoducs doivent être introduits dans les bâtiments directement dans la pièce dans laquelle l'équipement utilisant du gaz est installé, ou dans une pièce adjacente à celle-ci, reliée par une ouverture ouverte.
Il est permis de prévoir l'entrée de gazoducs dans les cuisines des appartements par des loggias et des balcons, à condition qu'il n'y ait pas de raccordements détachables sur les gazoducs et qu'un accès soit prévu pour leur inspection.
Il est interdit d'introduire des gazoducs dans les locaux du sous-sol et des sous-sols des bâtiments, à l'exception des entrées de gazoducs dans les maisons unifamiliales et les maisons en blocs et les bâtiments industriels, dans lesquels l'entrée est due à la technologie de production.
pp. 5.2.1 La pose des gazoducs doit être effectuée à une profondeur d'au moins 0,8 m jusqu'au sommet du gazoduc, du boîtier ou du dispositif de lestage, sauf indication contraire. Dans les endroits où la circulation des véhicules et des machines agricoles n'est pas assurée, la profondeur de pose des gazoducs en acier ne devrait pas être moins de 0,6 m.
pp. 5.2.2 Distance verticale (à la lumière) entre la canalisation de gaz (boîtier) et les réseaux souterrains ingénierie et support technique et les structures à leurs intersections sont recommandées pour être prises conformément à l'annexe B * SP62.13330.2011.
Selon l'annexe B * pour la pose souterraine d'un gazoduc (pression de gaz jusqu'à 0,005 MPa) et les communications les plus courantes sur le terrain d'une maison privée :
- Verticalement (lors du croisement) avec l'alimentation en eau et les égouts - au moins 0,2 m dégagé (entre les parois des tuyaux)
- Horizontalement (en parallèle) avec l'alimentation en eau et les égouts - au moins 1 m
- Horizontalement (en parallèle) avec des câbles d'alimentation jusqu'à 35 kV - au moins 1 m (avec un mur de protection, il peut être réduit à 0,5 m)
Exigences pour les cheminées des chaudières à gaz

La cheminée de la chaudière doit être conforme à certaines caractéristiques et normes, sinon il y aura très probablement des problèmes plus tard lors de son utilisation. Par exemple, voici les règles de base pour une cheminée :
La pente autorisée, en aucun cas, ne doit dépasser 30 degrés, quel que soit l'emplacement.
La longueur des "processus" latéraux ne doit pas dépasser les valeurs autorisées, à savoir 100 cm.
Il est interdit de faire intentionnellement ou arbitrairement des corniches, des corniches dans le chenal.
Les sections transversales situées en travers sont interdites en raison d'une violation du système de drainage et du passage de la poussée.
Le nombre de "tees" n'est pas supérieur à trois.
Il est permis de faire des arrondis, mais rappelez-vous que leur rayon ne doit pas être inférieur au diamètre des cheminées.
Dans les coins, il est préférable de prévoir l'installation de "conteneurs" spéciaux pour la collecte des condensats, ainsi que des trappes de prévention.
Dans le cas où l'on préférait utiliser un canal non pas de forme ronde pour la cheminée, mais, par exemple, ovale ou même rectangulaire allongé, la largeur de l'un des côtés ne doit pas dépasser la largeur de l'autre côté deux fois.
Tout au fond du canal, un «goutte-à-goutte» et un collecteur d'humidité sont équipés.
Même les déviations minimes du système sont interdites.
Tenez compte du fait que lors du montage de plusieurs segments, ils doivent être insérés les uns dans les autres d'au moins 0,5 nombre entier par rapport au diamètre d'origine.
Tout espace entre les deux est interdit.
Veuillez noter qu'aux endroits où il est nécessaire d'installer un plafond ou dans les murs, il est interdit de sauter des segments non solides. La connexion se fait soit avant, soit après le passage.
La connexion doit être serrée, utilisez des outils spéciaux supplémentaires.
Rappelez-vous un autre facteur important, la pente de la cheminée vers la source de chaleur ne peut pas être supérieure à 0,01 degré.
N'oubliez pas que les parois intérieures doivent être aussi lisses que possible.
Même une petite rugosité crée un obstacle au passage de la suie, qui s'y accumule par la suite.
Considérez deux règles: la longueur de la section horizontale pour les bâtiments qui sont encore au stade de la construction ne doit pas dépasser 300 cm, pour les maisons déjà construites pas plus de 600 cm.
Rappelez-vous également que la distance entre le tuyau et le matériau de finition, le plafond, s'il est combustible, ne doit pas dépasser 250 mm. ou 50 millimètres. si le matériau est résistant au feu.
Aux endroits où le conduit de fumée doit être aspiré à travers le plafond, une isolation thermique de haute qualité est réalisée.
Normes de hauteur
Exigences pour la cheminée lors de l'installation d'une chaudière à gaz
Comme vous pouvez le constater, les exigences relatives aux conduits de cheminée pour chaudières à gaz assez sérieux et ne doit pas être négligé. En plus des points énumérés, il existe également des règles spéciales pour l'appareil concernant la hauteur. Alors:
- Si la distance entre le tuyau et le toit jusqu'au faîte est supérieure à 300 cm, vous avez respecté les valeurs standard. Cette disposition est autorisée sans augmenter la hauteur de la cheminée.
- Au même niveau que la crête, vous devez installer des tuyaux distants de plus de 150 cm.
- Si la distance est inférieure à 150 cm, elle s'élève jusqu'à une hauteur de 50 cm à partir de la crête.
De plus, rappelez-vous la règle, si le toit a un toit commun et est plat, la tête monte d'au moins 50 cm.
La ventilation d'une chaufferie gaz nécessite une attention particulière.
La ventilation dans une chaufferie avec une chaudière à gaz est une autre histoire, car partout où il y a du gaz, il y a un risque d'incendie accru. L'option la meilleure et la plus sûre est une chaudière turbocompressée avec une sortie coaxiale à double circuit. Dans une telle cheminée, l'air de la rue est aspiré le long du rayon extérieur et l'échappement de la chaudière se produit dans le rayon intérieur. Entre autres choses, une telle conclusion augmente l'efficacité de la chaudière, car lorsque l'air est aspiré, il se réchauffe déjà du fait que l'air chaud est éjecté le long du rayon intérieur.
Les systèmes de ventilation sont une partie très importante de toute chaufferie, car, avant tout, ils assurent la sécurité des personnes vivant dans la maison, en libérant des produits de combustion nocifs de la maison vers l'extérieur. La ventilation dans la chaufferie est également la disposition de la chaudière pour son fonctionnement normal.
Nous savons tous depuis l'école que la combustion est un cas particulier de réaction oxydative. Dans ce cas, plus la réaction est intense, plus l'oxygène est consommé. L'oxygène atmosphérique est nécessaire pour maintenir une flamme nue. Et les chaudières à gaz ne font pas exception. Pour le fonctionnement normal d'un système de chauffage à combustion gaz ou carburant liquide, nécessite un apport constant d'air frais dans un certain volume et l'élimination des produits de combustion, c'est-à-dire qu'il doit y avoir une évacuation et une ventilation d'alimentation de la chaufferie.
La ventilation des sources d'alimentation en chaleur autonomes est réglementée par les réglementations nationales SP-41-104-2000, SNiP 2.04.05 et SNiP II-35. Cependant, dans la construction privée, les normes ne sont souvent pas respectées. Une ventilation d'alimentation insuffisante entraîne une combustion incomplète du gaz (le processus d'oxydation perd en intensité), ce qui diminue l'efficacité de l'installation de chauffage.L'absence ou le mauvais fonctionnement du système de ventilation par extraction entraîne une pollution de l'air intérieur par les produits de combustion (oxydes) et les résidus de gaz. En conséquence, une mauvaise santé, une menace pour la santé et même la vie, de la suie sur le plafond et les murs.
Une chaudière à gaz en état de marche, comme une pompe puissante, aspire l'air de la pièce et le fait passer à travers la zone de combustion. Si la maison a de vieilles fenêtres et portes, en règle générale, les fissures non scellées suffisent généralement pour que l'air frais pénètre par infiltration naturelle. Mais à l'ère des matériaux de construction modernes, des fenêtres et des portes scellées à double vitrage avec un porche automatique, la chaufferie est isolée de l'environnement extérieur. En conséquence, les performances de la chaudière chutent en raison du manque d'oxygène atmosphérique pour le cours normal de la combustion et, de plus, un vide est créé dans la pièce, ce qui peut provoquer le renversement de la poussée. Dans ce cas, tous les produits de combustion iront directement dans la pièce.
La solution optimale pour le fonctionnement normal de la chaufferie est le dispositif de ventilation d'alimentation et d'évacuation.
L'installation d'une cheminée peut être envisagée en utilisant l'exemple d'une conception à double circuit
Les cheminées d'une chaudière à gaz sont installées dans le sens de la structure de bas en haut, c'est-à-dire des objets chauffants de la pièce vers la cheminée. Avec cette installation, le tube intérieur est mis sur le précédent et le tube extérieur est inséré sur le précédent.
Tous les tuyaux sont fixés les uns aux autres à l'aide de colliers et, sur toute la ligne de pose, tous les 1,5 à 2 mètres, des supports sont installés pour fixer le tuyau à un mur ou à un autre élément de construction.Une pince est un élément de fixation spécial, à l'aide duquel non seulement les pièces sont reliées les unes aux autres, mais également l'étanchéité des joints est assurée.
Les sections posées de la structure dans le sens horizontal jusqu'à 1 mètre ne doivent pas entrer en contact avec des éléments qui passent à proximité des communications. Les canaux de travail de la cheminée sont placés le long des murs des bâtiments.
Assurez-vous d'installer un support au mur tous les 2 mètres de la cheminée et le té est fixé à l'aide d'un support. S'il est nécessaire de fixer le canal sur un mur en bois, le tuyau est recouvert d'un matériau non combustible, par exemple de l'amiante.
Lors de la fixation à un mur de béton ou de briques, des tabliers spéciaux sont utilisés. Ensuite, nous amenons l'extrémité du tuyau horizontal à travers le mur et y montons le té nécessaire pour le tuyau vertical. Il est nécessaire d'installer les supports sur le mur après 2,5 m.
L'étape suivante consiste à monter, soulever le tuyau vertical et le faire sortir par le toit. Le tuyau est généralement assemblé au sol et le support pour les supports est préparé. Le tuyau volumétrique entièrement assemblé est difficile à installer sur le coude.
Pour simplifier, on utilise une charnière, qui est réalisée en soudant des morceaux de tôle ou en coupant une goupille. En règle générale, le tuyau vertical est poussé dans le tuyau du té et fixé avec un collier de serrage. La charnière est attachée au genou de la même manière.
Après avoir soulevé le tuyau en position verticale, les joints de tuyau doivent être boulonnés dans la mesure du possible. Ensuite, vous devez dévisser les écrous des boulons sur lesquels la charnière a été fixée. Ensuite, nous coupons ou cassons les boulons eux-mêmes.
Après avoir sélectionné la charnière, nous attachons les boulons restants dans la connexion.Après cela, nous étirons les crochets restants. Nous ajustons d'abord la tension manuellement, puis nous fixons le câble et l'ajustons avec des vis.
Distances nécessaires à respecter lorsque la cheminée est située à l'extérieur
L'installation est terminée en vérifiant le tirage de la cheminée. Pour ce faire, apportez un morceau de papier brûlant à la cheminée ou au poêle. Le tirage est présent lorsque la flamme est déviée vers la cheminée.
La figure ci-dessous montre les distances à respecter dans différentes options pour l'emplacement de la cheminée de l'extérieur :
- en cas d'installation sur un toit plat, la distance ne doit pas être inférieure à 500 mm ;
- si le tuyau est retiré du faîte du toit à une distance inférieure à 1,5 mètre, la hauteur du tuyau doit être d'au moins 500 mm par rapport au faîtage ;
- si l'installation de sortie de cheminée est située à une distance de plus de 3 mètres du faîte du toit, la hauteur ne doit pas être supérieure à la ligne droite attendue.
Le réglage dépend du type de directions de conduit requis pour la combustion du combustible. À l'intérieur de la pièce, il existe plusieurs types de directions pour le canal de cheminée:
Support de cheminée
- direction avec une rotation de 90 ou 45 degrés;
- Direction verticale;
- direction horizontale ;
- direction avec une pente (en angle).
Il est nécessaire d'installer des équerres de support pour la fixation des tés tous les 2 mètres du canal de fumée, il est nécessaire de prévoir une fixation murale supplémentaire. En aucun cas, lors de l'installation d'une cheminée, des sections horizontales supérieures à 1 mètre ne doivent être créées.
Lors de l'installation de cheminées, pensez à :
- la distance entre les poutres métalliques et en béton armé et la surface intérieure des murs de la cheminée, qui ne doit pas dépasser 130 mm;
- la distance à de nombreuses structures inflammables est d'au moins 380 mm;
- des découpes pour les métaux non combustibles sont faites pour le passage des canaux de fumée à travers le plafond jusqu'au toit ou à travers le mur;
- la distance entre les structures combustibles et une cheminée métallique non isolée doit être d'au moins 1 mètre.
Le raccordement de la cheminée d'une chaudière à gaz est effectué sur la base des codes du bâtiment et des instructions du fabricant. La cheminée doit être nettoyée jusqu'à quatre fois par an (voir Comment nettoyer une cheminée).
Afin de calculer de manière optimale la hauteur de la cheminée, il est nécessaire de prendre en compte le type de toit et la hauteur du bâtiment :
- l'élévation du conduit de cheminée doit être d'au moins 1 mètre lorsqu'il est installé sur un toit plat et d'au moins 0,5 mètre au-dessus d'un toit non plat ;
- l'emplacement de la cheminée sur le toit doit être fait à une distance de 1,5 mètre du faîte;
- la hauteur d'une cheminée idéale a une hauteur d'au moins 5 mètres.
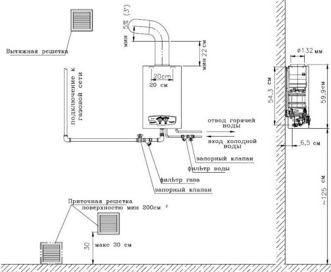
Local pour l'installation d'une chaudière à gaz
Le volume de la pièce pour une chaudière à gaz dépend du type d'unité et de sa puissance. Toutes les exigences pour la chaufferie ou tout autre endroit où se trouve l'appareil sont prescrites dans SNiP 31-02-2001, DBN V.2.5-20-2001, SNiP II-35-76, SNiP 42-01-2002 et SP 41- 104-2000 .
Les chaudières à gaz diffèrent par le type de chambre de combustion:
…
- appareils à chambre de combustion ouverte (atmosphérique);
- appareils à foyer fermé (turbo).
Pour éliminer les produits de combustion des chaudières à gaz atmosphériques, vous devrez installer une cheminée à part entière. Ces modèles prélèvent de l'air pour le processus de combustion dans la pièce dans laquelle ils se trouvent. Par conséquent, ces fonctionnalités nécessitent dispositif de chaudière à gaz pièce indépendante - chaufferie.

Les unités équipées d'un foyer fermé peuvent être placées non seulement dans une maison privée, mais également dans un appartement d'un immeuble à plusieurs étages.L'évacuation des fumées et l'afflux des masses d'air s'effectuent par un tuyau coaxial qui sort à travers le mur. Les appareils turbocompressés ne nécessitent pas de chaufferie séparée. Ils sont généralement installés dans la cuisine, la salle de bain ou le couloir.
exigences de la chaufferie
Volume minimal de la pièce pour l'installation d'une chaudière à gaz dépend de sa puissance.
| Puissance de la chaudière à gaz, kW | Volume minimum de la chaufferie, m³ |
| moins de 30 | 7,5 |
| 30-60 | 13,5 |
| 60-200 | 15 |
Egalement une chaufferie pour placement d'une chaudière à gaz atmosphérique doit répondre aux exigences suivantes :
- Hauteur sous plafond - 2-2,5 m.
- La largeur des portes n'est pas inférieure à 0,8 m Elles doivent s'ouvrir vers la rue.
- La porte de la chaufferie ne doit pas être fermée hermétiquement. Il est nécessaire de laisser un espace entre celui-ci et le sol de 2,5 cm de large ou de faire des trous dans la toile.
- La pièce est munie d'une fenêtre ouvrante d'une superficie d'au moins 0,3 × 0,3 m², équipée d'une fenêtre. Pour assurer un éclairage de haute qualité, pour chaque 1 m³ du volume du four, il convient d'ajouter 0,03 m2 de la surface de l'ouverture de la fenêtre.
- La présence d'une ventilation d'alimentation et d'extraction.
- Finition à partir de matériaux incombustibles : plâtre, brique, carrelage.
- Interrupteurs électriques installés à l'extérieur de la chaufferie.
Noter! L'installation d'une alarme incendie dans la chaufferie n'est pas une condition obligatoire, mais recommandée. Il est strictement interdit de stocker des liquides et objets inflammables dans la chaufferie. La chaudière doit être facilement accessible depuis le panneau avant et depuis les parois latérales.
La chaudière doit être facilement accessible depuis le panneau avant et depuis les parois latérales.
Il est strictement interdit de stocker des liquides et objets inflammables dans la chaufferie. La chaudière doit être librement accessible depuis le panneau avant et depuis les parois latérales.
…
Exigences pour la salle pour l'installation d'une unité turbocompressée
Les chaudières à gaz à chambre de combustion fermée d'une puissance allant jusqu'à 60 kW ne nécessitent pas de four séparé. Il suffit que la pièce dans laquelle l'unité turbocompressée est installée réponde aux exigences suivantes :
- Hauteur sous plafond supérieure à 2m.
- Volume - pas moins de 7,5 m³.
- A une ventilation naturelle.
- À moins de 30 cm de la chaudière, il ne doit pas y avoir d'autres appareils et éléments facilement inflammables : meubles en bois, rideaux, etc.
- Les murs sont en matériaux résistants au feu (briques, dalles).

Des chaudières à gaz compactes à charnières sont même placées entre les armoires de la cuisine, intégrées dans des niches. Il est plus pratique d'installer des unités à double circuit près du point de prise d'eau afin que l'eau n'ait pas le temps de se refroidir avant d'atteindre le consommateur.
En plus des normes généralement acceptées, chaque région a également ses propres exigences pour une pièce pour l'installation d'une unité à gaz
Par conséquent, il est important de savoir non seulement combien d'espace est nécessaire pour installer une chaudière à gaz, mais également toutes les nuances de placement opérant dans une ville donnée.
Ventilation d'une chaufferie chez un particulier
Comme déjà mentionné, le calcul des performances de ventilation est calculé à partir du volume de la pièce. Il faut multiplier par 3, ajouter environ 30% à la réserve. Nous obtenons le volume qui doit être « pompé » par heure.
Par exemple, une pièce de 3 * 3 m avec une hauteur sous plafond de 2,5 m Volume 3 * 3 * 2,5 \u003d 22,5 m3. Trois échanges sont nécessaires : 22,5 m3 * 3 = 67,5 m3. Nous ajoutons une marge de 30% et obtenons 87,75 m3.
Pour assurer une ventilation naturelle dans la partie inférieure du mur, il doit y avoir une entrée recouverte d'une grille. Le tuyau d'échappement doit sortir par le toit, il est possible de sortir par le mur dans sa partie supérieure.Il est nécessaire d'amener le tuyau de ventilation à la même hauteur que la cheminée.
Exigences de base pour les locaux pour le placement de chaudières à gaz
La sécurité incendie des locaux est assurée par la résistance au feu des murs et du sol, ainsi que par une triple circulation d'air naturelle fiable.
Volumes minimaux les pièces dépendent de la puissance calorifique unités:
- Jusqu'à 30,0 kW - 7,5 m3 ;
- de 30,0 à 60,0 kW - 13,5 m3 ;
- plus de 60 kW - 15 m3.
Pour les unités d'une puissance supérieure à 60 kW, 0,2 m3 de volume est ajouté pour chaque kW supplémentaire, par exemple, pour une chaudière à gaz d'une puissance de 150 kW, le volume de la chaufferie doit être égal à :
150-60 = 90 x 0,2 + 15 = 33 m2.
À la cuisine
Cette pièce est aujourd'hui la plus appropriée pour l'aménagement de chaudières à gaz, en particulier la version murale. De nombreux utilisateurs essaient de fermer la chaudière à la vue du public, ils l'installent donc soit dans une boîte spéciale, soit la recouvrent d'un panneau décoratif.
La chaudière dans la cuisine peut également être magnifiquement placée
Pour que le service de gaz n'interdise pas une telle installation, il est nécessaire de connaître et de respecter les règles de placement des chaudières dans la cuisine.
En ce qui concerne les paramètres principaux: la hauteur des plafonds, la surface minimale et la présence de trois fois la circulation de l'air, les exigences pour les cuisines sont similaires à celles des autres chaufferies.
Vers l'appartement
L'installation d'une chaudière à gaz dans un appartement est beaucoup plus difficile, en particulier dans un immeuble à plusieurs étages avec accès au chauffage central. Le propriétaire doit être très motivé afin d'obtenir l'autorisation de l'administration locale pour une telle installation.
Ensuite, vous devrez obtenir les spécifications techniques de tous les services d'ingénierie : gaz de ville, réseau de chauffage et équilibreur de la maison.De plus, selon le schéma général, le projet est réalisé, coordonné avec le service d'architecture de l'administration locale, et la chaudière est installée par une organisation spécialisée.
Les règles autorisent l'installation de chaudières dans des immeubles résidentiels à plusieurs appartements ne dépassant pas 3 étages et d'une puissance maximale de 30 kW. Dans les cuisines intégrées au salon, il est permis d'installer des unités de type fermé.
Toutes ces actions deviendront impossibles si la pièce d'installation d'une chaudière à gaz dans un appartement ne répond pas aux exigences générales. Le plus difficile sera de faire un trou traversant dans le mur pour raccorder le tuyau de cheminée.
Vers une maison privée
Dans une maison privée, il y a plus de possibilités pour l'installation en toute sécurité d'équipements de chauffage au gaz. Conformément à la réglementation en vigueur, les équipements au gaz ne sont autorisés que dans les locaux bénéficiant d'une bonne ventilation naturelle.
Ils peuvent être localisés :
- Au 1er étage.
- Dans les sous-sols ou sous-sols.
- Dans le grenier.
- Dans les unités de cuisine jusqu'à 35 kW.
- Puissance thermique jusqu'à 150 kW - à n'importe quel étage, dans un bâtiment individuel.
- Puissance thermique de 150 à 350 kW - en extensions.
Vers la chaufferie
La chaufferie attenante ou équipée à l'intérieur de la maison est construite à partir de matériaux de construction résistants au feu. La finition intérieure est également résistante à la chaleur.
La chaufferie gaz doit comporter :
- Fondation individuelle et plancher de béton recouvert de carreaux de céramique.
- Adjacence à une paroi pleine vierge d'un objet.
- Soyez à une distance de 1 m de la fenêtre et de la porte.
- Avoir une ventilation naturelle avec trois changements d'air par heure.
- Avoir une fenêtre ouvrante avec une surface vitrée de 0,03 m2 pour 1 m3 du volume du four.
- Hauteur sous plafond supérieure à 2,2 mètres.
- Disposer d'une alimentation séparée avec des appareils : prises, interrupteurs, machines.
- Pour une puissance inférieure à 30 kW, le volume du four doit être supérieur à 7,5 m3 et pour 30 à 60 kW, supérieur à 13,5 m3.
- L'admission d'air pour le processus de combustion des gaz doit être réalisée par une cheminée coaxiale, une fenêtre, des trous de ventilation.
Conclusions et vidéo utile sur le sujet
Vidéo #1 Le dispositif d'une cheminée coaxiale, le principe de son fonctionnement et ses caractéristiques d'installation sont présentés dans la vidéo suivante:
Vidéo #2 L'ensemble complet d'une cheminée coaxiale de production industrielle est présenté ici en détail:
Vidéo #3 Présentation du kit antigivrage coaxial :
Une cheminée coaxiale est un appareil pratique et facile à installer qui peut améliorer considérablement la vie dans la maison.
Mais pour qu'une telle cheminée fonctionne efficacement, il est important de respecter les normes et les exigences lors de son installation.
Avez-vous eu des questions lors de la lecture du matériel, avez-vous trouvé des lacunes ou souhaitez-vous nous parler de votre propre expérience dans l'assemblage et l'utilisation d'une cheminée coaxiale ? Veuillez poster vos commentaires dans le bloc sous l'article. Laissez des messages avec votre opinion et des photos sur le sujet.


































